市政资料检验批应做表格模板
- 格式:doc
- 大小:195.00 KB
- 文档页数:11
沟槽(基坑)土方开挖检验批质量验收记录表B.0.1 编号:010001□□沟槽(基坑)回填检验批质量验收记录表B.0.1 编号:010003□□开槽施工管道基础检验批质量验收记录表B.0.1 编号:020101□□/020201□□/020301□□/020401□□钢筋混凝土类管道铺设检验批质量验收记录表B.0.1 编号:010003□□ 020303□□柔性管道铺设检验批质量验收记录表B.0.1 编号:020403□□沉井模板检验批质量验收记录表B.0.1 编号:020802□□沉井钢筋加工检验批质量验收记录表B.0.1 编号:020803□□沉井钢筋安装检验批质量验收记录表B.0.1 编号:020804□□沉井制作检验批质量验收记录表B.0.1 编号:020805□□沉井下沉及封底检验批质量验收记录表B.0.1 编号:020806□□土方路基(挖方)检验批质量检验记录表B.0.1 编号:010001□□基层(水泥稳定土类)检验批质量检验记录表B.0.1 编号:020004□□基层(级配碎石、碎砾石)检验批质量检验记录表B.0.1 编号:020006□□基层(级配砂砾、碎砾石)检验批质量检验记录表B.0.1 编号:020005□□面层(热拌沥青混合料)检验批质量检验记录表A.0.1 编号:030104□□路缘石检验批质量验收记录表B.0.1 编号:080001□□混凝土井室检验批质量验收记录表B.0.1 编号:030001□□砖砌井室检验批质量验收记录表B.0.1 编号:030002□□沉井井内结构检验批质量验收记录表B.0.1 编号:020807□□基层(石灰稳定土)检验批质量检验记录表B.0.1 编号:020001□□雨水口及支连管安装检验批质量验收记录表B.0.1 编号:030004□□沟槽(基坑)支护检验批质量验收记录表B.0.1 编号:010002□□土方路基(填方)检验批质量验收记录表A.0.1 编号:010002□□路基处理(换填土)检验批质量验收记录表A.0.1 编号:010006□□路基处理(土工材料)检验批质量验收记录表A.0.1 编号:030109□□面层(粘层)检验批质量验收记录表A.0.1 编号:030101□□面层(透层)检验批质量验收记录表A.0.1 编号:030102□□面层(封层)检验批质量验收记录表A.0.1 编号:030102□□路基处理(湿陷性黄土强夯处理)检验批质量验收记录表A.0.1 编号:010015□□水泥混凝土面层检验批质量检验记录表A.0.1 编号:030303□□倒虹管检验批质量检验记录表B.0.1 编号:080004□□。
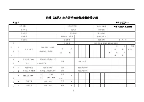
沟槽(基坑)土方开挖检验批质量验收记录表 B.0.1工程名称施工单位分包单位工程数量交方班组检查序检查内容检验依据 / 允许偏差(规定项目号值或±偏差值)主1原状地基土观察、检查原状地土不得扰动、受水浸控泡或受冻项2地基承载力满足设计要求目3压实度、厚度检查压实度、厚度满足设计要求一1槽底高程( mm)土方±20石方+20、 -200般项2槽底中线不小于规定每侧宽度目3沟槽边坡不陡于规定施工单位检查评定结论监理(建设)单位意见编号: 010001□□分部工程名称分项工程名称沟槽(基坑)土方开挖施工员项目经理分包项目经理施工班组长验收部位(桩号或井号)项目技术负责人接方班组检查日期年月日检查数量检查结果 /实测点偏差值或实测值范围点数12345678910应测合格合格率点数点数(%)全数查施工记录全数检验报告编号:全数检验报告编号:两井之间3两井之间6两井之间6项目专业质量检查员:(签字)监理工程师:(签字)(或建设单位项目专业技术负责人):(签字)年月日沟槽(基坑)回填检验批质量验收记录表 B.0.1工程名称施工单位分包单位工程数量交方班组检查序检查内容项目号1回填材料主2观测沟槽控项3管道变形目4压实度一1高程般项2管道及附属构筑物目检验依据 / 允许偏差(规定值或±偏差值)材料应符合设计要求沟槽不得带水回填,回填应密实柔性管道变形率不得超过设计或规范规定符合设计与规范要求回填应达到设计高程,表面应平整回填时管道及附属构物无损伤、沉降、位移编号: 010003□□分部工程名称分项工程名称沟槽(基坑)回填施工员项目经理分包项目经理施工班组长验收部位(桩号或井号)项目技术负责人接方班组检查日期年月日检查数量检查结果 /实测点偏差值或实测值范围点数12345678910应测合格合格率点数点数(%)21次2组检测报告编号:1000m检查施工记录试验段每50米3正常作业段3每100米每层、每侧 1 组≤2010m1观察、或用水准仪测施工单位检查评定结论监理(建设)单位意见项目专业质量检查员:(签字)监理工程师:(签字)(或建设单位项目专业技术负责人):(签字)年月日开槽施工管道基础检验批质量验收记录表 B.0.1工程名称 施工单位分包单位工程数量交方班组检查 序 检查内容项目 号保 1地基承载力证 2项混凝土强度目3砂石基础压实度中线每侧宽度1垫层高 压力管道程无压管道厚度平中线每侧宽度一混凝高程般基2土基 厚度项础、管座管肩宽 目座肩高土(砂 高压力管道3及砂程无压管道砾)平基厚度基础土弧基础腋角高度施工单位检查评定结论 监理(建设)单位意见检验依据 / 允许偏差 (规定值或±偏差值) ( mm )现状地基承载力符合设计要求标准养护及同条件养护应符合设计要求符合设计要求或规范规定不小于设计要求± 30 0,-15不小于设计要求+10,0 0,-15 不小于设计要求+10, -5± 20 ± 300,-15 不小于设计要求不小于设计要求编号: 020101□□ /020201 □□ /020301 □□ /020401 □□分部工程名称分项工程名称 管道基础施工员 项目经理分包项目经理施工班组长 验收部位(桩号或井号)项目技术负责人接方班组 检查日期年 月 日检查数量 检查结果 / 实测点偏差值或实测值范 围点数1234567应测 合格 合格率8910点数(%)点数检查地基处理强度或(复 检验报告编号:合)承载力检验报告每工作班各 1 组检验报告编号:3每 100m检验报告编号:每 10m 测每个 1 点,且 验收批不少于 3点每个 每 10m 测1 点,且 验收批不少于 3点每个每 10m 测1 点,且 验收批不少于 3点项目专业质量检查员: (签字)监理工程师:(签字)(或建设单位项目专业技术负责人) :(签字) 年 月 日钢筋混凝土类管道铺设检验批质量验收记录检查项目主控项目一般项目表 B.0.1工程名称施工单位分包单位工程数量交方班组序检查内容号1埋设深度2管道外观3管道安装1水平轴线D i≤ 10002管底高程D i> 1000检验依据 / 允许偏差(规定值或±偏差值)( mm)管道埋设深度、轴线位置应符合设计要求,无压力管道严禁倒坡。
1、施工管理表填写施工技术文件要按单位工程进行组卷。
市政工程中的独立核算项目,应是一个单位工程。
采用分期单独核算的同一市政工程,应是若干个单位工程。
1。
1 施管表1的填写文件材料部分的排列宜按以下顺序:(1)施工组织设计.(2)施工图设计文件会审、技术交底记录.(3)设计变更通知单、洽商记录.(4)原材料、成品、半成品、构配件、设备出厂质量合格证书、出厂检(试)验报告和复试报告.(需一一对应)。
(5)施工试验资料.(6)施工记录。
(7)测量复核及预检记录。
(8)隐蔽工程检查验收记录.(9)工程质量检验评定资料。
(10)使用功能试验记录。
(11)事故报告。
(12)竣工测量资料。
(13)竣工图。
(14)工程竣工验收文件.文件目录表中的文件编号横杠前的数字为总的卷数,横杠后的数字为本卷项目编号.页号应是本项目在卷中的页码位置,不能光写本项目的页数.类别栏应与该项表头右上方类别相同。
现以道路工程为例示范见后.1。
2 施管表2的填写存在问题及处理意见栏中填验收检查时发现的问题,一般无什么大问题也可不填。
但如工程出过事故,事故处理情况应作简要说明。
验收范围及数量栏应扼要填写。
本表主要强调各参与单位均应签字盖章。
填法示范见后.1.3 施管表3的填写施工组织设计应包括下列主要内容:(1)工程概况:工程规模、工程特点、工期要求、参建单位等。
(2)施工平面布置图。
(3)施工部署和管理体系:施工阶段、区划安排;进度计划及工、料、机、运计划表和组织机构设置.组织机构中应明确项目经理、技术负责人、施工管理负责人及其他各部门主要责任人等。
(4)质量目标设计:质量总目标、分项质量目标,实现质量目标的主要措施、办法及工序、部位、单位工程技术人员名单。
(5)施工方法及技术措施(包括冬、雨期施工措施及采用的新技术、新工艺、新材料、新设备等)。
(6)安全措施。
(7)文明施工措施。
(8)环保措施.(9)节能、降耗措施。
(10)模板及支架、地下沟槽基坑支护、降水、施工便桥便线、构筑物顶推进、沉井、软基处理、预应力筋张拉工艺、大型构件吊运、混凝土浇筑、设备安装、管道吹洗等专项设计。
沟槽(基坑)土方开挖检验批质量验收记录表B.0.1 编号:010001□□1沟槽(基坑)回填检验批质量验收记录表B.0.1 编号:010003□□2开槽施工管道基础检验批质量验收记录表B.0.1 编号:020101□□/020201□□/020301□□/020401□□3钢筋混凝土类管道铺设检验批质量验收记录表B.0.1 编号:010003□□ 020303□□45柔性管道铺设检验批质量验收记录表B.0.1 编号:020403□□6沉井模板检验批质量验收记录表B.0.1 编号:020802□□7沉井钢筋加工检验批质量验收记录表B.0.1 编号:020803□□9沉井钢筋安装检验批质量验收记录表B.0.1 编号:020804□□10沉井制作检验批质量验收记录表B.0.1 编号:020805□□1112沉井下沉及封底检验批质量验收记录表B.0.1 编号:020806□□13土方路基(挖方)检验批质量检验记录表B.0.1 编号:010001□□14基层(水泥稳定土类)检验批质量检验记录表B.0.1 编号:020004□□1516基层(级配碎石、碎砾石)检验批质量检验记录表B.0.1 编号:020006□□基层(级配砂砾、碎砾石)检验批质量检验记录表B.0.1 编号:020005□□18面层(热拌沥青混合料)检验批质量检验记录19表A.0.1 编号:030104□□20路缘石检验批质量验收记录表B.0.1 编号:080001□□21混凝土井室检验批质量验收记录表B.0.1 编号:030001□□2223砖砌井室检验批质量验收记录表B.0.1 编号:030002□□24沉井井内结构检验批质量验收记录表B.0.1 编号:020807□□25基层(石灰稳定土)检验批质量检验记录表B.0.1 编号:020001□□2627雨水口及支连管安装检验批质量验收记录表B.0.1 编号:030004□□28沟槽(基坑)支护检验批质量验收记录表B.0.1 编号:010002□□29土方路基(填方)检验批质量验收记录表A.0.1 编号:010002□□3031路基处理(换填土)检验批质量验收记录表A.0.1 编号:010006□□路基处理(土工材料)检验批质量验收记录表A.0.1 编号:030109□□33面层(粘层)检验批质量验收记录表A.0.1 编号:030101□□34面层(透层)检验批质量验收记录35表A.0.1 编号:030102□□36面层(封层)检验批质量验收记录表A.0.1 编号:030102□□37路基处理(湿陷性黄土强夯处理)检验批质量验收记录表A.0.1 编号:010015□□38水泥混凝土面层检验批质量检验记录39表A.0.1 编号:030303□□40倒虹管检验批质量检验记录表B.0.1 编号:080004□□42项 目每检验批 3 混凝土强度 符合设计要求 100 m 3 1组 试验报告编号: 4 砂浆强度 平均抗压强度符合设计规定,任一组最低值不低于≤50 m 3砌体 1组 试验报告编号: 5 闭水试验 ≯设计值 每条倒1 闭水试验记录: 6回填土压实度 按路基设计要求每压实3检验报告编号:一 般 项1 轴线偏位 ≤20 每座22 内底高程 ±15 23 倒虹管长度 ≮设计值 14相邻管错口≤5每井段 4施工单位检查评定结论项目专业质量检查员:(签字)监理(建设)单位意见监理工程师:(签字)(或建设单位项目专业技术负责人):(签字) 年 月 日。
土方路基检验批质量检验记录市政质检·1·1第页,共页挖石方路基检验批质量检验记录市政质检·1·2第页,共页填石方路基检验批质量检验记录市政质检·1·3第页,共页路肩检验批质量检验记录市政质检·1·4第页,共页砂垫层软土路基检验批质量检验记录市政质检·1·5第页,共页反压护道路基检验批质量检验记录市政质检·1·6第页,共页土工材料处理软土路基检验批质量检验记录市政质检·1·7第页,共页袋装砂井检验批质量检验记录市政质检·1·8第页,共页塑料排水板检验批质量检验记录市政质检·1·9第页,共页砂桩处理软土路基检验批质量检验记录市政质检·1·10第页,共页碎石桩处理软土路基检验批质量检验记录市政质检·1·11第页,共页粉喷桩处理软土路基检验批质量检验记录市政质检·1·12第页,共页湿陷性黄土强夯路基检验批质量检验记录市政质检·1·13第页,共页石灰稳定土,石灰、粉煤灰稳定砂砾(碎石),粉煤灰稳定钢渣基层及底基层检验批质量检验记录市政质检·1·14第页,共页水泥稳定土类基层及底基层检验批质量检验记录市政质检·1·15第页,共页级配砂砾(级配砂石)基层及底基层检验批质量检验记录市政质检·1·16第页,共页级配碎石及级配碎砾石基层和底基层检验批质量检验记录市政质检·1·17第页,共页沥青混合料(沥青碎石)基层检验批质量检验记录市政质检·1·18第页,共页沥青贯入式基层检验批质量检验记录市政质检·1·19第页,共页热拌沥青混合料检验批质量检验记录市政质检·1·20第页,共页热拌沥青混合料面层检验批质量检验记录市政质检·1·21第页,共页冷拌沥青混合料面层检验批质量检验记录市政质检·1·22第页,共页沥青混合料面层透层检验批质量检验记录市政质检·1·23第页,共页沥青混合料面层粘层检验批质量检验记录市政质检·1·24第页,共页沥青混合料面层封层检验批质量检验记录市政质检·1·25第页,共页沥青贯入式面层检验批质量检验记录市政质检·1·26第页,共页沥青表面处治施工检验批质量检验记录市政质检·1·27第页,共页水泥混凝土面层原材料检验批质量检验记录市政质检·1·28页,共页混凝土面层检验批质量检验记录市政质检·1·29第页,共页铺砌式料石面层检验批质量检验记录市政质检·1·30第页,共页铺砌式预制混凝土砌块面层检验批质量检验记录市政质检·1·31第页,共页广场与停车场料石面层检验批质量检验记录市政质检·1·32第页,共页广场与停车场预制混凝土砌块面层检验批质量检验记录市政质检·1·33第页,共页广场与停车场沥青混合料面层检验批质量检验记录市政质检·1·34第页,共页广场与停车场水泥混凝土面层检验批质量检验记录市政质检·1·35第页,共页。
市政道路工程资料表格全套注:本表由施工单位制表人填写,监理工程师(建设单位项目技术负责人)组织施工单位项目技术负责人及质量检验员进行验收,并应按上表进行记录。
(此处增加了“质量检查员”,以突出质量检查员的质量责任)。
(关键分项工程要求设计单位参加时,增加设计单位签字人员签字)检验批质量检验记录表A.0.1 编号:000000□□注:1、本表由施工项目专业质量检查员(制表人)填写,监理工程师(建设单位项目技术负责人)组织项目专业质量检查员等进行验收,并应按上表进行记录。
编号前两位00为分部编号,中间两位00为子分部编号,后两位00为分项工程编号,□□为质量检验批编号,凡是没有子分部的分部工程其中间编号全为“00”以满足编码框需要。
土方路基(挖方)检验批质量检验记录表A.0.1 编号:010001□□注:1、(B为施工时必要的附加宽度)本表由施工项目专业质量员填写,监理工程师(建设单位项目技术负责人)组织项目专业质量检查员等进行质量验收,并应按上表进行记录。
2、路床平坦度、路床横坡检验频率与路宽有关。
石方路基(路堑)检验批质量检验记录表A.0.1 编号:010003□□注:1、(B为施工时必要的附加宽度)本表由施工项目专业质量员填写,监理工程师(建设单位项目技术负责人)组织项目专业质量检查员等进行质量验收,并应按上表进行记录。
石方路基(填石)检验批质量检验记录表A.0.1 编号:010004□□ρd≥20KN/m(不嵌缝)ρd≥21KN/m(嵌缝)注:1、(B为施工时必要的附加宽度)本表由施工项目专业质量员填写,监理工程师(建设单位项目技术负责人)组织项目专业质量检查员等进行质量验收,并应按上表进行记录。
路基处理(砂垫层)检验批质量检查记录表A.0.1 编号:010007□□注:1、本表由施工项目专业质量员填写,监理工程师(建设单位项目技术负责人)组织项目专业质量检查员等进行质量验收,并应按上表进行记录。
市政工程技术资料检验批全套填写范例施管表1共 7页单位工程技术文件名目施管表1共7页单位工程技术文件名目施管表1单位工程名称:道路工程共7页第3页单位工程技术文件名目施管表1单位工程名称:道路工程共7页单位工程技术文件名目施管表1单位工程名称:××市××道路工程共7页单位工程名称:××市××道路工程共7页单位工程名称:××市××道路工程共7页竣工验收证书施工组织设计审批表施管表3施工图设计文件会审记录填表人:施工技术交底记录之一施管表5施工技术交底记录之五施管表5工程洽商记录之一施管表6工程洽商记录之二施管表6工程洽商记录之三施管表62、质评表2.1 质评表3的填写这是工程施工中填得最多的表之一,但仍有许多施工单位填得不对,或填得不够规范。
要紧工程数量应填写清晰,因为应检点数是按工程量依照标准中规定的频率得出来的。
假如检测频率是面积工程量应能反映出面积的数量。
外观检查项目按评定标准中相关内容填写。
量测项目填写应按标准中的项目名称填,应规范用词。
量测项目按标准是与规定值作比较的,在实测栏中应填实测值。
而许多施工单位仍填实测偏差值,这是不对的。
只有当量测项目在标准中是规定承诺偏差值的,在实测栏中才应填实测偏差值。
签字各栏均应有相关方签字,交方与接方是同一班组也应签字。
工序施工完毕后,应及时填写工序质量评定表。
表中内容应填写齐全,签字手续完备规范。
2.2 质评表2、质评表1的填写市政工程由工序组成部位,部位组成单位工程。
其质量的检验与评定一样按工序、部位、单位工程三级进行。
但市政工程中除桥梁外,道路工程与排水工程有时不划分部位,因此道路工程与排水工程也能够按工序、单位工程两级进行。
也能够按长度将一个单位工程人为地划分成假设干个部位。
排水工程也有将污水管作为一个部位,雨水管作另一个部位的。
史上最全的市政工程检验批质量检收记录全套表格土方路基检验批质量检验记录市政质检·1·1第页,共页挖石方路基检验批质量检验记录市政质检·1·2第页,共页填石方路基检验批质量检验记录市政质检·1·3第页,共页路肩检验批质量检验记录市政质检·1·4第页,共页砂垫层软土路基检验批质量检验记录市政质检·1·5第页,共页反压护道路基检验批质量检验记录市政质检·1·6第页,共页土工材料处理软土路基检验批质量检验记录市政质检·1·7第页,共页袋装砂井检验批质量检验记录市政质检·1·8第页,共页塑料排水板检验批质量检验记录市政质检·1·9第页,共页砂桩处理软土路基检验批质量检验记录市政质检·1·10第页,共页碎石桩处理软土路基检验批质量检验记录市政质检·1·11第页,共页粉喷桩处理软土路基检验批质量检验记录市政质检·1·12第页,共页湿陷性黄土强夯路基检验批质量检验记录市政质检·1·13第页,共页石灰稳定土,石灰、粉煤灰稳定砂砾(碎石),粉煤灰稳定钢渣基层及底基层检验批质量检验记录市政质检·1·14第页,共页水泥稳定土类基层及底基层检验批质量检验记录市政质检·1·15第页,共页级配砂砾(级配砂石)基层及底基层检验批质量检验记录市政质检·1·16第页,共页级配碎石及级配碎砾石基层和底基层检验批质量检验记录市政质检·1·17第页,共页沥青混合料(沥青碎石)基层检验批质量检验记录市政质检·1·18第页,共页沥青贯入式基层检验批质量检验记录市政质检·1·19第页,共页热拌沥青混合料检验批质量检验记录市政质检·1·20第页,共页热拌沥青混合料面层检验批质量检验记录市政质检·1·21第页,共页冷拌沥青混合料面层检验批质量检验记录市政质检·1·22第页,共页沥青混合料面层透层检验批质量检验记录市政质检·1·23第页,共页沥青混合料面层粘层检验批质量检验记录市政质检·1·24第页,共页沥青混合料面层封层检验批质量检验记录市政质检·1·25第页,共页沥青贯入式面层检验批质量检验记录市政质检·1·26第页,共页沥青表面处治施工检验批质量检验记录市政质检·1·27第页,共页水泥混凝土面层原材料检验批质量检验记录市政质检·1·28页,共页混凝土面层检验批质量检验记录市政质检·1·29第页,共页铺砌式料石面层检验批质量检验记录市政质检·1·30第页,共页铺砌式预制混凝土砌块面层检验批质量检验记录市政质检·1·31第页,共页广场与停车场料石面层检验批质量检验记录市政质检·1·32第页,共页广场与停车场预制混凝土砌块面层检验批质量检验记录市政质检·1·33第页,共页广场与停车场沥青混合料面层检验批质量检验记录市政质检·1·34第页,共页广场与停车场水泥混凝土面层检验批质量检验记录市政质检·1·35第页,共页料石铺砌人行道面层检验批质量检验记录市政质检·1·36第页,共页混凝土预制铺砌人行道(含盲道)面层检验批质量检验记录市政质检·1·37第页,共页沥青混凝土铺筑人行道面层检验批质量检验记录市政质检·1·38第页,共页人行地道结构地基检验批质量检验记录市政质检·1·39第页,共页人行地道结构防水层检验批质量检验记录市政质检·1·40第页,共页人行地道结构基础模板安装检验批质量检验记录市政质检·1·41第页,共页人行地道结构钢筋加工、成型与安装检验批质量检验记录市政质检·1·42第页,共页人行地道结构混凝土基础检验批质量检验记录市政质检·1·43第页,共页现浇钢筋混凝土人行地道结构墙与顶板模板安装检验批质量检验记录市政质检·1·44第页,共页现浇钢筋混凝土人行地道结构墙与顶板混凝土检验批质量检验记录市政质检·1·45第页,共页预制钢筋混凝土人行地道结构墙板检验批质量检验记录预制钢筋混凝土人行地道结构顶板检验批质量检验记录市政质检·1·47第页,共页预制钢筋混凝土人行地道结构墙板、顶板安装检验批质量检验记录市政质检·1·48第页,共页砌筑墙体、钢筋混凝土顶板人行地道结构墙体砌筑检验批质量检验记录市政质检·1·49第页,共页挡土墙地基检验批质量检验记录市政质检·1·50第页,共页挡土墙模板安装检验批质量检验记录市政质检·1·51第页,共页。
土方路基检验批质量检验记录市政质检·1·1第页,共页挖石方路基检验批质量检验记录市政质检·1·2第页,共页填石方路基检验批质量检验记录市政质检·1·3第页,共页路肩检验批质量检验记录市政质检·1·4第页,共页砂垫层软土路基检验批质量检验记录市政质检·1·5第页,共页反压护道路基检验批质量检验记录市政质检·1·6第页,共页土工材料处理软土路基检验批质量检验记录市政质检·1·7第页,共页袋装砂井检验批质量检验记录市政质检·1·8第页,共页塑料排水板检验批质量检验记录市政质检·1·9第页,共页砂桩处理软土路基检验批质量检验记录市政质检·1·10第页,共页碎石桩处理软土路基检验批质量检验记录市政质检·1·11第页,共页粉喷桩处理软土路基检验批质量检验记录市政质检·1·12第页,共页湿陷性黄土强夯路基检验批质量检验记录市政质检·1·13第页,共页石灰稳定土,石灰、粉煤灰稳定砂砾(碎石),粉煤灰稳定钢渣基层及底基层检验批质量检验记录市政质检·1·14第页,共页水泥稳定土类基层及底基层检验批质量检验记录市政质检·1·15第页,共页级配砂砾(级配砂石)基层及底基层检验批质量检验记录市政质检·1·16第页,共页级配碎石及级配碎砾石基层和底基层检验批质量检验记录市政质检·1·17第页,共页沥青混合料(沥青碎石)基层检验批质量检验记录市政质检·1·18第页,共页沥青贯入式基层检验批质量检验记录市政质检·1·19第页,共页热拌沥青混合料检验批质量检验记录市政质检·1·20第页,共页热拌沥青混合料面层检验批质量检验记录市政质检·1·21第页,共页冷拌沥青混合料面层检验批质量检验记录市政质检·1·22第页,共页沥青混合料面层透层检验批质量检验记录市政质检·1·23第页,共页沥青混合料面层粘层检验批质量检验记录市政质检·1·24第页,共页沥青混合料面层封层检验批质量检验记录市政质检·1·25第页,共页沥青贯入式面层检验批质量检验记录市政质检·1·26第页,共页沥青表面处治施工检验批质量检验记录市政质检·1·27第页,共页水泥混凝土面层原材料检验批质量检验记录市政质检·1·28页,共页混凝土面层检验批质量检验记录市政质检·1·29第页,共页铺砌式料石面层检验批质量检验记录市政质检·1·30 第页,共页铺砌式预制混凝土砌块面层检验批质量检验记录市政质检·1·31第页,共页广场与停车场料石面层检验批质量检验记录市政质检·1·32第页,共页广场与停车场预制混凝土砌块面层检验批质量检验记录市政质检·1·33 第页,共页广场与停车场沥青混合料面层检验批质量检验记录市政质检·1·34第页,共页广场与停车场水泥混凝土面层检验批质量检验记录市政质检·1·35第页,共页料石铺砌人行道面层检验批质量检验记录市政质检·1·36第页,共页混凝土预制铺砌人行道(含盲道)面层检验批质量检验记录市政质检·1·37第页,共页沥青混凝土铺筑人行道面层检验批质量检验记录市政质检·1·38第页,共页人行地道结构地基检验批质量检验记录市政质检·1·39第页,共页。
城市桥梁工程模板、支架和拱架.1 木模板制作检验批质量验收记录表.2 钢模板制作检验批质量验收记录表.3 模板、支架和拱架安装检验批质量验收记录表2.2 钢筋工程2. 钢筋加工检验批质量验收记录表2.2.2 钢筋网加工检验批质量验收记录表2.2.3 钢筋成形和安装检验批质量验收记录表2.3 混凝土、预应力混凝土和砌体工程2.3.1 混凝土原材料及配合比检验批质量验收记录表2.3.2 预应力材料检验批质量验收记录表2.3.3 钢丝、钢绞线先张法施工检验批质量验收记录表2.3.4 钢筋先张法施工检验批质量验收记录表2.3.5 钢筋后张法施工检验批质量验收记录表2.3.6 砌体工程检验批质量验收记录表2.4 基础工程2.4.1 基坑、地基、回填土检验批质量验收记录表2.4.2 现浇混凝土基础检验批质量验收记录表2.4.3 砌体基础检验批质量验收记录表2.4.4 预制桩检验批质量验收记录表2.4.5 钢管桩制作检验批质量验收记录表2.4.6 沉桩检验批质量验收记录表2.4.7 混凝土灌注桩检验批质量验收记录表2.4.8 沉井制作检验批质量验收记录表2.4.9 沉井浮运下沉与清基封底检验批质量验收记录表2.4.10 地下连续墙检验批质量验收记录表2.4.11 现浇混凝土承台检验批质量验收记录表2.5 墩台和支座2.5.1 浆砌块石砌筑墩台检验批质量验收记录表2.5.2 浆砌料石、砌块砌筑墩台检验批质量验收记录表2.5.3 现浇混凝土墩台检验批质量验收记录表2.5.4 现浇混凝土(柱)检验批质量验收记录表2.5.5 现浇混凝土挡墙检验批质量验收记录表2.5.7 现浇混凝土盖梁检验批质量验收记录表2.5.8 人行天桥钢墩柱检验批质量验收记录表2.5.9 台背填土检验批质量验收记录表2.5.10 支座检验批质量验收记录表2.6 混凝土梁(板)2.6.1 支架上浇筑梁(板)检验批质量验收记录表2.6.2 混凝土梁(板)预制检验批质量验收记录表2.6.3 混凝土梁(板)安装质量验收记录表2.6.4 悬臂浇筑混凝土梁检验批质量验收记录表2.6.5 悬臂拼装预应力混凝土梁检验批质量验收记录表2.6.6 顶推施工预应力混凝土梁检验批质量验收记录表2.7 钢梁与结合梁2.7.1 钢桁梁节段制作检验批质量验收记录表2.7.2 钢板梁制作检验批质量验收记录表2.7.3 钢箱形梁制作检验批质量验收记录表2.7.4 钢梁现场安装检验批质量验收记录表2.7.5 钢-混凝土结合梁检验批质量验收记录表2.7.6 混凝土结合梁检验批质量验收记录表2.8 拱部与拱上结构2.8.1 砌筑拱圈检验批质量验收记录表2.8.2 现浇混凝土拱圈检验批质量验收记录表2.8.3 劲性骨架混凝土拱圈检验批质量验收记录表2.8.4 拱圈预制与安装检验批质量验收记录表2.8.5 悬臂拼装的桁架拱检验批质量验收记录表2.8.6 腹拱安装检验批质量验收记录表2.8.7 钢管混凝土拱检验批质量验收记录表2.8.8 中下承式拱吊杆和柔性系杆拱检验批质量验收记录表2.8.9 转体施工拱检验批质量验收记录表2.9 斜拉桥2.9.1 现浇混凝土索塔检验批质量验收记录表2.9.2 混凝土斜拉桥墩顶梁段检验批质量验收记录表2.9.3 支架上浇筑混凝土主梁检验批质量验收记录表2.9.4 悬臂浇筑混凝土主梁检验批质量验收记录表2.9.6 钢箱梁段制作检验批质量验收记录表2.9.7 悬臂拼装、在支架上安装检验批质量验收记录表2.9.8 结合梁的工字钢梁拼装检验批质量验收记录表2.9.9 结合梁的混凝土板施工检验批质量验收记录表2.9.10 斜拉索安装检验批质量验收记录表0 悬索桥0.1 现浇混凝土索塔检验批质量验收记录表0.2 锚碇锚固系统制作检验批质量验收记录表0.3 锚碇锚固系统安装检验批质量验收记录表0.4 锚碇混凝土施工检验批质量验收记录表0.5 预应力锚索张拉检验批质量验收记录表0.6 主索鞍安装检验批质量验收记录表0.7 散索鞍安装检验批质量验收记录表0.8 主缆架设与防护检验批质量验收记录表0.9 索夹和吊索安装检验批质量验收记录表0.10 悬索桥钢箱梁段拼装检验批质量验收记录表1 顶进箱涵1.1 滑板检验批质量验收记录表1.2 预制箱涵检验批质量验收记录表1.3 箱涵顶进检验批质量验收记录表2 桥面系排水设施检验批质量验收记录表2.2 桥面防水层检验批质量验收记录表2.3 水泥混凝土桥面铺装层检验批质量验收记录表2.4 沥青混凝土桥面铺装层检验批质量验收记录表2.5 人行天桥塑胶桥面铺装层检验批质量验收记录表2.6 伸缩装置检验批质量验收记录表2.7 地袱、缘石和挂板检验批质量验收记录表2.8 混凝土栏杆预制及安装检验批质量验收记录表2.9 金属栏杆、防护网检验批质量验收记录表0 防撞护栏、防撞墩、隔离墩检验批质量验收记录表1 人行道检验批质量验收记录表3 附属结构3.1 隔声装置安装检验批质量验收记录表3.2 防眩装置安装检验批质量验收记录表3.3 混凝土梯道安装检验批质量验收记录表3.4 钢梯道制作与安装检验批质量验收记录表3.5 桥头搭板检验批质量验收记录表3.6 防冲刷结构检验批质量验收记录表3.7 照明系统检验批质量验收记录表4 装饰与装修4.1 水泥砂浆普通抹面检验批质量验收记录表4.2 水磨石装饰抹面检验批质量验收记录表4.3 水刷石装饰抹面检验批质量验收记录表4.4 剁斧石装饰抹面检验批质量验收记录表4.5 镶天然石饰面板检验批质量验收记录表4.6 镶人造石饰面板检验批质量验收记录表4.7 贴饰面砖检验批质量验收记录表4.8 涂饰检验批质量验收记录表5 竣工验收5.1 工程竣工验收检验批质量验收记录表5.2 单位(子单位)工程观感检查记录木模板制作检验批质量验收记录表钢模板制作检验批质量验收记录表模板、支架和拱架安装检验批质量验收记录表钢筋加工检验批质量验收记录表钢筋网加工检验批质量验收记录表钢筋成形和安装检验批质量验收记录表编混凝土原材料及配合比检验批质量验收记录表预应力材料检验批质量验收记录表钢丝、钢绞线先张法施工检验批质量验收记录表砌体工程检验批质量验收记录表基坑、地基、回填土检验批质量验收记录表现浇混凝土基础检验批质量验收记录表钢管桩制作检验批质量验收记录表沉桩检验批质量验收记录表混凝土灌注桩检验批质量验收记录表沉井制作检验批质量验收记录表沉井浮运下沉与清基封底检验批质量验收记录表地下连续墙检验批质量验收记录表现浇混凝土承台检验批质量验收记录表浆砌块石砌筑墩台检验批质量验收记录表浆砌料石、砌块砌筑墩台检验批质量验收记录表现浇混凝土墩台检验批质量验收记录表预制安装混凝土柱检验批质量验收记录表现浇混凝土盖梁检验批质量验收记录表人行天桥钢墩柱检验批质量验收记录表台背填土检验批质量验收记录表支座检验批质量验收记录表支架上浇筑梁(板)检验批质量验收记录表混凝土梁(板)预制检验批质量验收记录表混凝土梁(板)安装检验批质量验收记录表悬臂浇筑混凝土梁检验批质量验收记录表钢桁梁节段制作检验批质量验收记录表钢板梁制作检验批质量验收记录表钢箱形梁制作检验批质量验收记录表钢梁现场安装检验批质量验收记录表钢-混凝土结合梁检验批质量验收记录表砌筑拱圈检验批质量验收记录表现浇混凝土拱圈检验批质量验收记录表。
市政道路工程质量检验批(全套)表格
表格概述
市政道路工程质量检验批表格是用于记录和检查市政道路工程
施工过程中的质量问题和验收情况的表格。
该表格的填写和使用能
够提高工程质量管理水平,确保市政道路工程的质量达到规定标准。
表格内容
市政道路工程质量检验批(全套)表格包括以下几个主要部分:
1. 工程基本信息:记录市政道路工程的基本信息,包括工程名称、工程编号、施工单位等。
2. 施工过程检查:记录工程施工过程中的质量检查情况,包括
每个施工阶段的检查内容、检查结果和处理意见。
3. 材料采购检验:记录市政道路工程所使用的各类材料的采购
检验情况,包括材料名称、规格、检验结果等。
4. 工程验收情况:记录市政道路工程的验收情况,包括竣工验
收的日期、验收结论等。
表格填写要求
填写市政道路工程质量检验批(全套)表格时,需要注意以下要求:
1. 准确记录:填写表格时要准确记录相关信息,确保表格的完整性和可读性。
避免错误或遗漏。
2. 明确意见:在填写工程施工过程检查和材料采购检验时,要明确给出检查结果和处理意见。
如果出现质量问题,要及时提出整改要求。
3. 文件保存:填写完表格后,要妥善保存相关文件,方便后续的查阅和追溯。
总结
市政道路工程质量检验批(全套)表格是一个重要的工具,用于记录和管理市政道路工程的质量情况。
合理使用该表格能够提高市政道路工程的质量水平,确保工程达到预期要求。
在填写表格时,要注意准确记录和明确意见,确保表格的有效性和可操作性。
材料、构配件检查记录
质检表1
设备、配(备)件检查记录
工程名称:施工单位:质检表2
预检工程检查记录质检表3
隐蔽工程检查验收记录质检表4年月日
地基钎探记录
质检表5 工程名称:
施工单位:工程数量:
检验部位:检查日期:
驻地监理:施工项目负责人:质检员:
焊缝质量综合评级汇总表
质检表6
防腐层质量检查记录质检表7 工程名称:
施工单位:检查日期:年月
电气安装工程分项自检、互检记录质检表8
注:检查时自、互、质检栏填写实测数据,序号填写时与“项目及标准要求”栏的第一行字相对应。
电气接地装置平面示意图与隐检记录质检表9
①此项工作必须在接地装置敷设后隐蔽之前进行。
②凡是委托监理的工程均由监理代表签字。
中间检查交接记录质检表10。
史上最全的市政工程检验批质量检收记录全套表格土方路基检验批质量检验记录市政质检·1·1第页,共页挖石方路基检验批质量检验记录市政质检·1·2第页,共页填石方路基检验批质量检验记录市政质检·1·3第页,共页路肩检验批质量检验记录市政质检·1·4第页,共页砂垫层软土路基检验批质量检验记录市政质检·1·5第页,共页反压护道路基检验批质量检验记录市政质检·1·6第页,共页土工材料处理软土路基检验批质量检验记录市政质检·1·7第页,共页袋装砂井检验批质量检验记录市政质检·1·8第页,共页塑料排水板检验批质量检验记录市政质检·1·9第页,共页砂桩处理软土路基检验批质量检验记录市政质检·1·10第页,共页碎石桩处理软土路基检验批质量检验记录市政质检·1·11第页,共页粉喷桩处理软土路基检验批质量检验记录市政质检·1·12第页,共页湿陷性黄土强夯路基检验批质量检验记录市政质检·1·13第页,共页石灰稳定土,石灰、粉煤灰稳定砂砾(碎石),粉煤灰稳定钢渣基层及底基层检验批质量检验记录市政质检·1·14第页,共页水泥稳定土类基层及底基层检验批质量检验记录市政质检·1·15第页,共页级配砂砾(级配砂石)基层及底基层检验批质量检验记录市政质检·1·16第页,共页级配碎石及级配碎砾石基层和底基层检验批质量检验记录市政质检·1·17第页,共页沥青混合料(沥青碎石)基层检验批质量检验记录市政质检·1·18第页,共页沥青贯入式基层检验批质量检验记录市政质检·1·19第页,共页热拌沥青混合料检验批质量检验记录市政质检·1·20第页,共页热拌沥青混合料面层检验批质量检验记录市政质检·1·21第页,共页冷拌沥青混合料面层检验批质量检验记录市政质检·1·22第页,共页沥青混合料面层透层检验批质量检验记录市政质检·1·23第页,共页沥青混合料面层粘层检验批质量检验记录市政质检·1·24第页,共页沥青混合料面层封层检验批质量检验记录市政质检·1·25第页,共页沥青贯入式面层检验批质量检验记录市政质检·1·26第页,共页沥青表面处治施工检验批质量检验记录市政质检·1·27第页,共页水泥混凝土面层原材料检验批质量检验记录市政质检·1·28页,共页混凝土面层检验批质量检验记录市政质检·1·29第页,共页铺砌式料石面层检验批质量检验记录市政质检·1·30第页,共页铺砌式预制混凝土砌块面层检验批质量检验记录市政质检·1·31第页,共页广场与停车场料石面层检验批质量检验记录市政质检·1·32第页,共页广场与停车场预制混凝土砌块面层检验批质量检验记录市政质检·1·33第页,共页广场与停车场沥青混合料面层检验批质量检验记录市政质检·1·34第页,共页广场与停车场水泥混凝土面层检验批质量检验记录市政质检·1·35第页,共页料石铺砌人行道面层检验批质量检验记录市政质检·1·36第页,共页混凝土预制铺砌人行道(含盲道)面层检验批质量检验记录市政质检·1·37第页,共页沥青混凝土铺筑人行道面层检验批质量检验记录市政质检·1·38第页,共页人行地道结构地基检验批质量检验记录市政质检·1·39第页,共页人行地道结构防水层检验批质量检验记录市政质检·1·40第页,共页人行地道结构基础模板安装检验批质量检验记录市政质检·1·41第页,共页人行地道结构钢筋加工、成型与安装检验批质量检验记录市政质检·1·42第页,共页人行地道结构混凝土基础检验批质量检验记录市政质检·1·43第页,共页现浇钢筋混凝土人行地道结构墙与顶板模板安装检验批质量检验记录市政质检·1·44第页,共页现浇钢筋混凝土人行地道结构墙与顶板混凝土检验批质量检验记录市政质检·1·45第页,共页预制钢筋混凝土人行地道结构墙板检验批质量检验记录预制钢筋混凝土人行地道结构顶板检验批质量检验记录市政质检·1·47第页,共页预制钢筋混凝土人行地道结构墙板、顶板安装检验批质量检验记录市政质检·1·48第页,共页砌筑墙体、钢筋混凝土顶板人行地道结构墙体砌筑检验批质量检验记录市政质检·1·49第页,共页挡土墙地基检验批质量检验记录市政质检·1·50第页,共页挡土墙模板安装检验批质量检验记录市政质检·1·51第页,共页。
最新版本市政工程技术标准检验批全套填
写范例表
1. 前言
本文档提供了最新版本市政工程技术标准检验批全套填写范例表,供相关人员参考和使用。
2. 检验批基本信息
填写检验批基本信息,包括项目名称、工程编号、检验批编号、检验日期等。
3. 检验依据
填写检验依据,包括相关法律法规、技术规范等。
检验依据:市政工程技术标准 GB-2014
4. 检验内容
填写检验内容,包括检验项目、检验标准、检验要求等。
4.1 检验项目
4.2 检验标准
4.3 检验要求
5. 检验结果
填写检验结果,包括合格、不合格等。
检验结果:合格
6. 检验结论
填写检验结论,包括对检验结果的综合评价。
检验结论:本次检验批符合市政工程技术标准要求。
7. 检验人员
填写检验人员的姓名、职务等。
检验人员:张三(检验员)
8. 审核人员
填写审核人员的姓名、职务等。
审核人员:李四(审核员)
9. 附件
如有必要,可以添加相关附件。
附件:无
以上为最新版本市政工程技术标准检验批全套填写范例表。
埃。
2 城市桥梁工程2.1 模板、支架和拱架2.1.1 木模板制作检验批质量验收记录表2.1.2 钢模板制作检验批质量验收记录表2.1.3 模板、支架和拱架安装检验批质量验收记录表2.2 钢筋工程2.2.1 钢筋加工检验批质量验收记录表2.2.2 钢筋网加工检验批质量验收记录表2.2.3 钢筋成形和安装检验批质量验收记录表2.3 混凝土、预应力混凝土和砌体工程2.3.1 混凝土原材料及配合比检验批质量验收记录表2.3.2 预应力材料检验批质量验收记录表2.3.3 钢丝、钢绞线先张法施工检验批质量验收记录表2.3.4 钢筋先张法施工检验批质量验收记录表2.3.5 钢筋后张法施工检验批质量验收记录表2.3.6 砌体工程检验批质量验收记录表2.4 基础工程2.4.1 基坑、地基、回填土检验批质量验收记录表2.4.2 现浇混凝土基础检验批质量验收记录表2.4.3 砌体基础检验批质量验收记录表2.4.4 预制桩检验批质量验收记录表2.4.5 钢管桩制作检验批质量验收记录表2.4.6 沉桩检验批质量验收记录表2.4.7 混凝土灌注桩检验批质量验收记录表2.4.8 沉井制作检验批质量验收记录表2.4.9 沉井浮运下沉与清基封底检验批质量验收记录表2.4.10 地下连续墙检验批质量验收记录表2.4.11 现浇混凝土承台检验批质量验收记录表2.5 墩台和支座2.5.1 浆砌块石砌筑墩台检验批质量验收记录表2.5.2 浆砌料石、砌块砌筑墩台检验批质量验收记录表2.5.3 现浇混凝土墩台检验批质量验收记录表2.5.4 现浇混凝土(柱)检验批质量验收记录表2.5.5 现浇混凝土挡墙检验批质量验收记录表2.5.6 预制安装混凝土柱检验批质量验收记录表2.5.7 现浇混凝土盖梁检验批质量验收记录表2.5.8 人行天桥钢墩柱检验批质量验收记录表2.5.9 台背填土检验批质量验收记录表2.5.10 支座检验批质量验收记录表2.6 混凝土梁(板)2.6.1 支架上浇筑梁(板)检验批质量验收记录表2.6.2 混凝土梁(板)预制检验批质量验收记录表2.6.3 混凝土梁(板)安装质量验收记录表2.6.4 悬臂浇筑混凝土梁检验批质量验收记录表2.6.5 悬臂拼装预应力混凝土梁检验批质量验收记录表2.6.6 顶推施工预应力混凝土梁检验批质量验收记录表2.7 钢梁与结合梁2.7.1 钢桁梁节段制作检验批质量验收记录表2.7.2 钢板梁制作检验批质量验收记录表2.7.3 钢箱形梁制作检验批质量验收记录表2.7.4 钢梁现场安装检验批质量验收记录表2.7.5 钢-混凝土结合梁检验批质量验收记录表2.7.6 混凝土结合梁检验批质量验收记录表2.8 拱部与拱上结构2.8.1 砌筑拱圈检验批质量验收记录表2.8.2 现浇混凝土拱圈检验批质量验收记录表2.8.3 劲性骨架混凝土拱圈检验批质量验收记录表2.8.4 拱圈预制与安装检验批质量验收记录表2.8.5 悬臂拼装的桁架拱检验批质量验收记录表2.8.6 腹拱安装检验批质量验收记录表2.8.7 钢管混凝土拱检验批质量验收记录表2.8.8 中下承式拱吊杆和柔性系杆拱检验批质量验收记录表2.8.9 转体施工拱检验批质量验收记录表2.9 斜拉桥2.9.1 现浇混凝土索塔检验批质量验收记录表2.9.2 混凝土斜拉桥墩顶梁段检验批质量验收记录表2.9.3 支架上浇筑混凝土主梁检验批质量验收记录表2.9.4 悬臂浇筑混凝土主梁检验批质量验收记录表2.9.5 悬臂拼装混凝土主梁检验批质量验收记录表2.9.6 钢箱梁段制作检验批质量验收记录表2.9.7 悬臂拼装、在支架上安装检验批质量验收记录表2.9.8 结合梁的工字钢梁拼装检验批质量验收记录表2.9.9 结合梁的混凝土板施工检验批质量验收记录表2.9.10 斜拉索安装检验批质量验收记录表2.10 悬索桥2.10.1 现浇混凝土索塔检验批质量验收记录表2.10.2 锚碇锚固系统制作检验批质量验收记录表2.10.3 锚碇锚固系统安装检验批质量验收记录表2.10.4 锚碇混凝土施工检验批质量验收记录表2.10.5 预应力锚索张拉检验批质量验收记录表2.10.6 主索鞍安装检验批质量验收记录表2.10.7 散索鞍安装检验批质量验收记录表2.10.8 主缆架设与防护检验批质量验收记录表2.10.9 索夹和吊索安装检验批质量验收记录表2.10.10 悬索桥钢箱梁段拼装检验批质量验收记录表2.11 顶进箱涵2.11.1 滑板检验批质量验收记录表2.11.2 预制箱涵检验批质量验收记录表2.11.3 箱涵顶进检验批质量验收记录表2.12 桥面系2.12.1 排水设施检验批质量验收记录表2.12.2 桥面防水层检验批质量验收记录表2.12.3 水泥混凝土桥面铺装层检验批质量验收记录表2.12.4 沥青混凝土桥面铺装层检验批质量验收记录表2.12.5 人行天桥塑胶桥面铺装层检验批质量验收记录表2.12.6 伸缩装置检验批质量验收记录表2.12.7 地袱、缘石和挂板检验批质量验收记录表2.12.8 混凝土栏杆预制及安装检验批质量验收记录表2.12.9 金属栏杆、防护网检验批质量验收记录表2.12.10 防撞护栏、防撞墩、隔离墩检验批质量验收记录表2.12.11 人行道检验批质量验收记录表2.13 附属结构2.13.1 隔声装置安装检验批质量验收记录表2.13.2 防眩装置安装检验批质量验收记录表2.13.3 混凝土梯道安装检验批质量验收记录表2.13.4 钢梯道制作与安装检验批质量验收记录表2.13.5 桥头搭板检验批质量验收记录表2.13.6 防冲刷结构检验批质量验收记录表2.13.7 照明系统检验批质量验收记录表2.14 装饰与装修2.14.1 水泥砂浆普通抹面检验批质量验收记录表2.14.2 水磨石装饰抹面检验批质量验收记录表2.14.3 水刷石装饰抹面检验批质量验收记录表2.14.4 剁斧石装饰抹面检验批质量验收记录表2.14.5 镶天然石饰面板检验批质量验收记录表2.14.6 镶人造石饰面板检验批质量验收记录表2.14.7 贴饰面砖检验批质量验收记录表2.14.8 涂饰检验批质量验收记录表2.15 竣工验收2.15.1 工程竣工验收检验批质量验收记录表2.15.2 单位(子单位)工程观感检查记录模板、支架和拱架安装检验批质量验收记录表钢筋成形和安装检验批质量验收记录表编混凝土原材料及配合比检验批质量验收记录表预应力材料检验批质量验收记录表钢丝、钢绞线先张法施工检验批质量验收记录表砌体工程检验批质量验收记录表基坑、地基、回填土检验批质量验收记录表现浇混凝土基础检验批质量验收记录表砌体基础检验批质量验收记录表预制桩检验批质量验收记录表钢管桩制作检验批质量验收记录表沉桩检验批质量验收记录表混凝土灌注桩检验批质量验收记录表沉井制作检验批质量验收记录表沉井浮运下沉与清基封底检验批质量验收记录表地下连续墙检验批质量验收记录表现浇混凝土承台检验批质量验收记录表浆砌块石砌筑墩台检验批质量验收记录表浆砌料石、砌块砌筑墩台检验批质量验收记录表现浇混凝土墩台检验批质量验收记录表预制安装混凝土柱检验批质量验收记录表现浇混凝土盖梁检验批质量验收记录表人行天桥钢墩柱检验批质量验收记录表台背填土检验批质量验收记录表支座检验批质量验收记录表支架上浇筑梁(板)检验批质量验收记录表混凝土梁(板)预制检验批质量验收记录表混凝土梁(板)安装检验批质量验收记录表悬臂浇筑混凝土梁检验批质量验收记录表钢桁梁节段制作检验批质量验收记录表钢板梁制作检验批质量验收记录表钢箱形梁制作检验批质量验收记录表钢梁现场安装检验批质量验收记录表钢-混凝土结合梁检验批质量验收记录表砌筑拱圈检验批质量验收记录表。
此文档下载后即可编辑1、施工管理表填写施工技术文件要按单位工程进行组卷。
市政工程中的独立核算项目,应是一个单位工程。
采用分期单独核算的同一市政工程,应是若干个单位工程。
1.1 施管表1的填写文件材料部分的排列宜按以下顺序:(1)施工组织设计。
(2)施工图设计文件会审、技术交底记录。
(3)设计变更通知单、洽商记录。
(4)原材料、成品、半成品、构配件、设备出厂质量合格证书、出厂检(试)验报告和复试报告。
(需一一对应)。
(5)施工试验资料。
(6)施工记录。
(7)测量复核及预检记录。
(8)隐蔽工程检查验收记录。
(9)工程质量检验评定资料。
(10)使用功能试验记录。
(11)事故报告。
(12)竣工测量资料。
(13)竣工图。
(14)工程竣工验收文件。
文件目录表中的文件编号横杠前的数字为总的卷数,横杠后的数字为本卷项目编号。
页号应是本项目在卷中的页码位置,不能光写本项目的页数。
类别栏应与该项表头右上方类别相同。
现以道路工程为例示范见后。
1.2 施管表2的填写存在问题及处理意见栏中填验收检查时发现的问题,一般无什么大问题也可不填。
但如工程出过事故,事故处理情况应作简要说明。
验收范围及数量栏应扼要填写。
本表主要强调各参与单位均应签字盖章。
填法示范见后。
1.3 施管表3的填写施工组织设计应包括下列主要内容:(1)工程概况:工程规模、工程特点、工期要求、参建单位等。
(2)施工平面布置图。
(3)施工部署和管理体系:施工阶段、区划安排;进度计划及工、料、机、运计划表和组织机构设置。
组织机构中应明确项目经理、技术负责人、施工管理负责人及其他各部门主要责任人等。
(4)质量目标设计:质量总目标、分项质量目标,实现质量目标的主要措施、办法及工序、部位、单位工程技术人员名单。
(5)施工方法及技术措施(包括冬、雨期施工措施及采用的新技术、新工艺、新材料、新设备等)。
(6)安全措施。
(7)文明施工措施。
(8)环保措施。
(9)节能、降耗措施。