日立电梯资料
- 格式:doc
- 大小:155.00 KB
- 文档页数:18
????日立电梯微机按电梯故障的严重程度分为五大类:第一类:???? 故障最严重,电梯立即停止,不能再起动,但如果是在门区,开关门有效。
通常这类故障有:安全装置故障、主副微机间的通信故障、主回路过电流、过电压及轿厢与控制屏的串行通信故障。
第二类:???? 运行中电梯立即停止,但可重新起动,执行低速自救,使电梯以低速运行到最近层开门放出乘客。
如同步位置错误,电梯以低速向端层运行,自动修正同步位置。
这类故障有:减速异常、同步位置错误、微机选层器计数错误、强迫减速开关粘死等。
第三类:???? 运行中的电梯立即向最近层站停靠,停止后不能再起动。
这类故障有:平层时间过长,大功率晶体管散热片过热等。
第四类:???? 并联或群控系统故障等。
这类故障发生时,电梯自动脱离并联或群控管理系统而成为独立运行电梯,并进行援助服务等。
第五类:???? 属于小故障,故障带有偶然性,发生后可能自动解除,对安全及整体运行影响细微。
对这类故障微机只作记录而不采取行动。
这类故障有:开、关门障碍,起动频度超负荷,负荷补偿故障等。
1、重要信号的安全检测???? 电梯的重要安全信号如安全钳开关、安全窗开关、轿内和轿顶急停开关、终端极限开关、限速器开关构成的急停信号,以及门联锁开关、强迫减速开关、极限开关等都通过FIO板分别送主微机和副微机。
主副微机之间通过并行通信互相交换信息,只要有一方收不到信号,或通信比较中两方信号不同都会使电梯立即急停或作相就处理。
2、继电器、接触器故障检测???? 继电器及接触器在微机的驱动下吸合或释放,如果触点粘死或不吸合动作,就有可能便电梯不能正常运行,甚至引起重大事故。
因此对于重要的器件,其触点信号送回微机,微机在驱动其吸合或释放的同时,判断该器件的动作是否良好,能判断出吸合故障还是释放故障。
这类器件如:门联锁继电器、主回路接触器、抱闸接触器等。
3、主回路故障检测???? 主回路的检测包括过电流、过电压、欠电压等。
产品简介:1) MODE 0 SET 在该状态时,层楼位置和电梯运行状态交替显示。
电梯运行状态,左边LED显示的是一些特殊的运行模式, MODE 0 SET还对门止动、消除110%开关测试、SDS开关测试、专用等功能进行复位。
2)MODE 1 SET 3)MODE 2 SET 故障码和故障排列位置交替显示。
为避免两者显示混淆,将排列位置按A1~A9,b0~b9,C0~C9,d0~d2显示。
用INC/ST键,可以对排列位置循环向后增加;用SET键,可以对排列位置循环向前减少。
4)MODE 3 SET 机房检修。
按住INC/ST键,则检修上行,按住SET键,则检修下行。
这时LED的显示同0状态时的显示。
5)MODE 4 SET 置故障检查标志。
执行一次后,自动消除该功能。
6)MODE 8 SET 门止动功能。
在快车状态下,进入该状态,门停止开关。
这时显示的内容同0状态时的显示。
要取消该功能时,可以进入MODE 0 SET,或者将电梯置于非正常服务状态,如检修等。
7)MODE 11 SET 层高测定功能。
进入该状态后,并且电梯在最低层时,按住INC/ST键直到电梯关门起动,层高测定开始,显示同0状态。
退出该状态时,取消层高测定功能。
8)MODE 13 SET 取消110%开关保护测试,快车状态下有效。
显示的内容与0状态相同。
电梯完成一次测试后自动取消该功能,要再进行一次取消110%开关测试,需要重新操作MODE 13 SET。
可以用MODE 0 SET来取消该功能。
9)MODE 14 SET SDS 开关测试,快车状态有效。
显示的内容与0状态相同。
电梯完成一次测试后自动取消该功能,要再进行一次取消SDS开关测试,需要重新操作MODE 14 SET。
可以用MODE 0 SET来取消该功能。
10)MODE 15 SET 专用功能,只在快车状态有效。
显示的内容与0状态相同。
输入层楼信号后,按住INC/ST或轿内关门按钮,可使电梯关门运行,功能与一般的专用功能一样。
日立电梯的调试资料 II. V/F型电梯操作盘(Ammumciator) II.1 V/F电梯直接将MTC装于主电路板INV-MPU之上,能进行数 据观察、数据值之制定、故障之检测、电梯控制调整等多项工作 II.2 操作盘有下列功能: a. 显示电梯情况(例:位置、运行方向等) b. 制定各项数据,对电梯进行调整及试验性运行 c. 各项有关电梯程序,例如在机房进行慢速运行、楼层高度测定等 d. 电梯内产生各项数据的检验及测定(特别是故障代号码) II.3 为操作盘的安排而在操作盘下方另有六个七割管排成一横列作为显示器,这些七割管的右下角还有一小数点,在V/F电梯中这些小数点另有用途 以下各段将作进一步详细解释 II.4 正常的显示: 如将最左的一个七割管编号为1,然后躺方依次编为2,3,4,5,6,则1号七管用来显示电梯运行方向, 第2、第3号七割管用来显示电梯所在的楼层,设电梯在第23层,第4号七割管显示电脑情况不正常,而VTCD表示副电脑不正常,显示野间歇方式,每次持续1.5秒;第5、6号七割管显示‘故障码’,故障码以八个为一组,按八位元分配如下:10~17、20~27、30~37、40~47、50~57、60~67、70~77、80~87,详细解释见后。
如有故障,只须根据所示数值从故障表即可获悉故障为何种类。
显示情况如所示,假设数值为62,从故障码可知是同步位置不正常的故障 II.5 操作方法: 首先根据我们的需求,选择一个适当的模式数,模式数从0开始至69,但其中有不少是空置的,例如8,17,25,33,44,49,58,69 等。
根据图一,先按‘模式’键,然后根据实际需求将模式数打入(例如模式数为3,按‘3’键即可),接着按‘置入’键。
显示器方面反应:当按下‘模式’键后,原来各项正常显示立即消失,当按下模式数时,模式数即在方出现然后向左移位,由于模式数只是一个两位数,响应由(5)、(6)两个七割管显示,但这只告诉使用者在输入模式数时有无按错,如使用者发现显示数与打入模式数相同,即可按‘置入’键,使电脑进入这项模式,此时模式数自动消失,而显示器将按照该项模式而作茧自缚出各项相应指示。
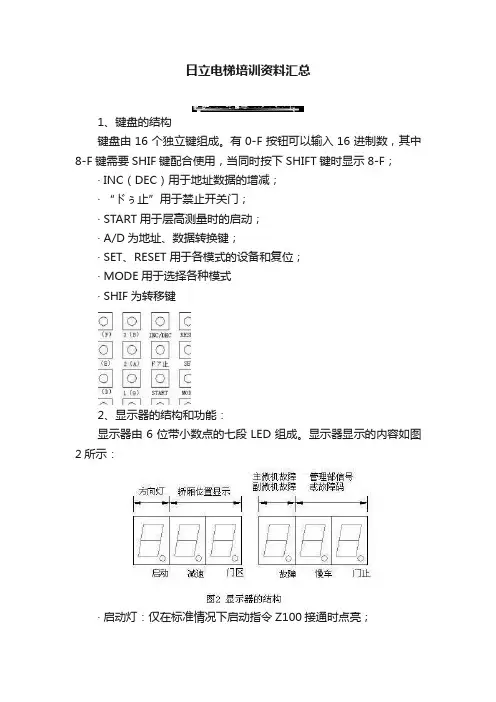
日立电梯培训资料汇总1、键盘的结构键盘由16个独立键组成。
有0-F按钮可以输入16进制数,其中8-F键需要SHIF键配合使用,当同时按下SHIFT键时显示8-F;· INC(DEC)用于地址数据的增减;·“ドぅ止”用于禁止开关门;· START用于层高测量时的启动;· A/D为地址、数据转换键;· SET、RESET用于各模式的设备和复位;· MODE用于选择各种模式· SHIF为转移键2、显示器的结构和功能:显示器由6位带小数点的七段LED组成。
显示器显示的内容如图2所示:·启动灯:仅在标准情况下启动指令Z100接通时点亮;·减速灯:仅在标准情况下电梯减速时点亮;·开门区灯:仅在标准情况下电梯停在开门区内点亮;·故障灯:仅在标准情况下检测到故障时点亮;·慢车灯:仅在标准情况下点亮,以便在机房内区分快车和慢车运行方式;·门停止灯:标准情况监控器进行门停止操作时点亮;一 YPVF型电梯使用的五块基本电路板:· INV-MPU:微电脑基板· INV-FIO:接口板· INV-ACR:电流调节板· INV-BDC:基极驱动板· INV-SDC:串行通讯板YPVF型电梯所使用的五块基本电路板组成的系统框图如图1所示1、微电脑基板INV-MPUYPVF电梯控制系统通过微电脑板MPU实现电梯的集选控制、速度控制及特殊控制。
板上有两块CPU(主CPU:M6802,24K ROM,2K RAM;副CPU:M68000,48K EEPROM,8K RAM),4×4键盘和LED发光二极管显示。
对MPU板,各插座及指示灯说明如下:1)插座的作用:大型插座有FA、FB、FD、FL、FF,小型插座有FC、FE、FG、FH、FJ、FK等,具体功能如下· FA:与负载补偿控制电路板INV-AD连接,将负载反馈信号传送至副微机;· FD:将FIO板传来的信号由此进入电脑;· FB:将电脑发生的信号由此传输至FIO板;· FL:制造商经过此插座与主微机联接;· FF:由微机发生的信号经此传输至INV-ACR;· FC:将存储器连接到备用电池,使RAM在断电后仍能保存有效数据;· FG:将控制系统与旋转编码器连接;· FH:用于轿厢通信;· FK:声音合成电路(较少使用)。
1、运行准备当合上电梯动力电源开关后,R、S、T出线端有交流380V电压,控制柜上的电压表VM 应有电压指示,电源指示灯PL亮。
漏电检出器投入工作,如有漏电,99C吸合,其C2、A2点闭合,主开关FFB线圈吸合,使FFB不能合闸。
如无漏电,FFB可以合上,由阻容电路组成的过电压保护电路投入运行。
逆变器的排风扇FAN开始工作。
当三相电源R、S、T进入了整流器CNV后,经整流三相交流电变为直流电,2端为正,3端为负。
由于此时10T处于释放状态,直流电只能通过冲击限流电阻RSH向大电容FILC充电。
这个预充电功能减少了电梯启动时电流对电网的冲击,也保护了整流器和滤波电容。
此时虽然PM、NA线端有电压,由于逆变器处于关闭状态,所以此时无输出。
当电源开关FFB合上后,变压器TR1、TR2、TR4、TR6有电压,各控制回路得电,层楼指示器灯亮,合上控制柜上的轿厢照明开关LIGHT,轿内照明亮,排风扇有电。
此时如果安全系统正常,50B继电器吸合;门处于关闭状态,40D吸合;电梯处于运行准备状态。
2、外呼、开门外呼电源P22A是直流+22V电源,如果轿厢停在一层,乘客按一下一层的向上召唤按钮1U,+22V电源P22A经XH1-2,发光二极管,按钮1U,XH1-1接GD22AX;同时经FIO输入输出板的XH1-3接口,经输入缓冲器X711+0输入电脑后使输出缓冲器Z711+0输出保持信号,1层上召唤发光二极管1U发光。
经电脑检索,(1)电梯正在本层的平层位置;(2)电梯处于关门状态;(3)电梯无运行指令;(4)本层有呼梯信号。
则电脑判断为本层开门。
经输出缓冲器Z102输出开门信号并触发FLS导通,直流100V电压经A100→双向可控硅FLS→D1→101N(1,2)→R1→R2→R3→开门机A→门机开关DMCCUT→B100,使门电动机旋转开门。
开门分两个阶段。
第一阶段,电流经R5、D3分流,开门速度较快,第二阶段,开门行程开关14接通,电流经电位器R4的03、14端→14开关,D3与R5并联分流,少部分电流经开门机,开门速度较慢,直到将开门限位撞开,101N吸合,其常闭点(1、2)断开后,开门停止。
⽇⽴电梯设置资料1.⻔微机书写保护解除操作FFF6D0÷A5→SET修改后复原。
2.XZ0FF—0N(连续8次以上时副微机故障记录⽅法⼀)。
(1)MODE-23-SET(2)E87F3E-SET-4000-SET(3)E87090-SET-A55A--0—SET(4)MODE-SET(5)XZ拔出再插⼊。
⽅法⼆:FFB—0FF→0NDP积:微机修改数据时⽤(相当于Dip1开关)。
XZ积:DC48V电源0N→0FF→0N。
特别注意:RE错线—危险!!!注意主机左置或右置,曳引机左置时(U,V对换)。
F100A6 → MODE-68-SET 磁相感应器的零设置(副微机)。
F10080 → MODE-32-SET (2只感应器)。
F10082 → MODE-32-SETF10094 → MODE-35-SET (2只感应器)。
F10096 → MODE-35-SET① F12058: TCD“DF”, $0040→0N, $0000→0FF② F10BF8:浸⽔设置 0N--$4270 0FF--$0000③ F12016:恶作剧 0FF--$00 0N--$FFFF④副微机:F10140~F102DE (层⾼数据)⑤ MODE-69-SET HCT 零调整.⑥ MODE-6A-SET HCT 增益调整⑦主微机:F12012 运⾏中开⻔ $FFFF 停⽌后开⻔ $0000.⑧ MODE-11-SET(停⽌0N,层⾼表复位或DP积插⼊).3.由于UA梯采⽤同步电机,所以在接主机⼤线及主机旋编时要注意主机的放置⽅式,右置—从⼤厅外向内看:主机曳引轮向右;左置则相反。
另外:第⼀次⾏⻋⼀定要在⾸层外(AN运⾏)。
⾏慢⻋时可能会遇到电梯⾏⾄⻔区死机可将副微机:F50080 ----MODE-32-SET置0F50082F50094----MODE-35-SETF500966.MODE-67-SET确认互感器型号及⼤线绕的圈数是否正确:100AT----4V 2圈, 数据=55100AT----4V 1圈,数据=2A100AT----2V 1圈,数据=157.⾏快⻋后,MODE-68-SET,调整(磁极位置跟踪检测)MODE-68-SET XXXX±400MODE-65-SET 读取运⾏电流,电流最⼩时68-SET内的数据最佳.8.“39”故障的清除MODE-18-SET 插⼊DP插,按START,MODE-RESET。
日立GVF-3常用短接点总安全回路:(11L11~11L24)。
1、上极限:XL-1~XL-2。
下极限:XL-11~XL-12。
(11L11~11L12)2、底坑安全回路:XR1-1~XR1-2。
(11L12~11L13)3、机房急停:U1-3~U1-4。
限速器:U1-1~U1-2。
(11L25~11L26)4、轿厢侧:Y2-19~Y2-20。
(11L24~11L25)轿门锁:Y3-20~Y2-9。
厅门锁:XI1-1~XI1-2(16 层站),XI3-1~XI3-2(17 至32 层站)XI5-1~XI5-2(33 至48 层站),XI7-1~XI7-2(贯通门侧16 层站)抱闸:V1-1~V1-2。
微动平层感应器:RS21(Y1-10~Y2-7),RS22(Y1-10~Y2-8)上限位:XL-4~XL-3,(11L21~11L22)下限位:XL-14~XL-13,(11L21~11L23)一级上减速:XL-6~XL-5。
一级下减速:XL-16~XL-15。
二级上减速:XL-8~XL-7。
二级下减速:XL-18~XL-17。
三级上减速:XL-10~XL-9。
三级下减速:XL-20~XL-19。
220V:11L29~11L30日立电梯HGP故障代码10 主微机故障11 副微机故障12 运行接触器短接故障1314 安全继电器短接故障15 安全回路断开故障16 软件WDT动作17 连续3次开门锁死181920 抱闸制动器短接故障21 抱闸制动器断开故障22 运行速度偏差故障23 40D继电器故障2425 40G继电器故障26 程序和数故障27 重复故障282930 旋转编码器断线故障3132 空转保护3334 厅门锁短接故障35 轿门锁短接故障3637 反转故障38 运行接触器断开故障394041 低速运行超速42 50B继电器断开故障4344454647484950 高速运行超速51 起动速度异常525354 微动平层逆转超距离55 强迫减速开关故障56 微动平层超速故障57 微动平层运行超距离58 速度低故障5960 层高测定出错61 运行中DC48V断电62 电梯层楼位置出错6364 端站减速曲线异常656667686970 变频器预报警71 变频门机故障7273 门区运行故障7475 SCLB板通讯故障7677 自救运行过多78 SLCC板通讯故障7980 运行中厅门锁断开检出81 检修状态异常82 微动平层超时故障838485 微动平层感应器故障86 电梯开门超时故障87 电梯关门超时故障88 运行中轿门锁断开检出89 变频微机设置为键盘控制模式90 群控/并联通讯异常91 电源瞬时停电检出92 停电自救运行93 电梯自救运行94 称重传感器故障变频器故障代码表故障代码故障名称故障说明E101 加速运行过电流硬件过流:大于额定电流2.5倍软件过流:大于额定电流2.4倍误差±5%E102 减速运行过电流E103 恒速运行过电流E104 加速运行过电压软件:母线:厂家参数0~999V可调,出厂值760V硬件母线滞环,范围780V~820V误差±5% 直流母线电压检测误差±3%E105 减速运行过电压E106 恒速运行过电压E107 控制电源过电压软件:厂家参数:120.0~130.0% ,出厂值130%注:控制电源电压检测误差:±5%E108 输入侧缺相输入缺相,相应检测信号为脉冲序列E109 输出侧缺相输出缺相在运行时检测,输出电流大于33.3%额定时才检测E110 功率模块故障功率模块过流、过热、欠压E111 功率模块散热器过热模块检测点温度:83℃(含)以上;温度检测误差:±5摄氏度E112 未使用E113 驱动器过载电流超过保护起始点E114 电机过载电流超过保护起始点E115 未使用E116 E2PROM读写故障读写过程中出现校验错误E117 未使用E118 接触器未吸合在控制和主回路电源上电后,在正常的工作的电压下,存在接触器吸合指令时,未检测到接触器辅助触点吸合信号E119 电流检测电路故障电流检测电路异常E120 CPU错误双DSP之间spi通讯异常E121 未使用E122 未使用E123 键盘E2PROM读写错误键盘读写EEPROM出错或DSP要求读取的数据不符E124 调谐错误参数调谐过程出现异常E125 编码器故障编码器断线检测保护E126 未使用E127 制动单元故障制动单元故障E128 参数设定出错电机额定参数设置不当,与变频器额定参数相差很大E129 未使用E130 电梯超速运行速度大于电梯额定速度1.2倍E131 输入输出故障输入输出故障1. 距离控制运行过程中有检修命令输入2. 距离控制运行过程中有微动平层命令输入,报此故障3. 检修状态下有自学习输入4. 检修状态下有微动平层命令输入E132 不满足最低层运行条件曲线最短减速距离大于最小楼层高度E133 自学习出错层高测定模式出错E134 速度偏差故障运行速度>预定速度7%,持续时间1SE135 未使用E136E137E138E139 双口RAM故障变频副微机对DPRAM中数据读写过程中判断,有异常则报故障;主微机在双口RAM中的正常标志超过80毫秒没有刷新E140 主微机68376故障硬件反馈主微机68376有故障信号。
日立电梯优势特点介绍一、企业优势●日立电梯(中国)有限公司2006年电梯销量以22000台据全国第一●日立电梯(中国)有限公司为亚洲最大的日立电梯生产加工基地和全国最大的电梯生产企业之一●四川日立(日立电梯(中国)有限公司分支机构)为西南地区规模最大的专业电梯公司●全国电梯行业唯一一个企业博士后工作站设在日立电梯(中国)有限公司●拥有全国电梯行业最大的电梯专业技术培训基地●拥有国家级电梯研究开发中心●拥有全国最大的电梯试验塔(9井道、最大载重5吨)●建立了全国最先进、网络覆盖全国的电梯远程遥控监测管理中心●英国劳氏质量认证公司ISO9001国际质量保证体系授信企业●英国劳氏质量认证公司ISO14001国际环境管理体系授信企业●英国劳氏质量认证公司OHSAS18001职业健康安全管理体系授信企业●1987-1999年产品质量评价连续四次获“用户满意”殊荣●获2000年电梯行业唯一“用户满意”企业殊荣●获2001年全国“用户三满意”企业殊荣(全国仅海尔集团及日立电梯(中国)有限公司获得)二、产品技术优势采用日本日立先进电梯技术,集日立计算机控制技术、日立高精细加工技术、日立核电安全控制技术和现代微电子技术于一身,与日本日立同步生产最新电梯产品并使用原装日立“HITACHI”商标,产品符合GB7588、日本JIS及欧洲标准1、垂直电梯技术优势●主机系统:严格按日本日立技术标准、制造工艺、检测标准和试验方法进行生产检验,其中曳引机关键部件油封和轴承日本进口,主机产品返销日本日立●主控制系统:采用日立独有双微机控制技术,运行效率及安全可靠性更高;运用日立最新矢量控制变频技术,能对速度和输出力矩进行精确控制,乘坐平稳舒适。
控制柜系统除机柜外壳,其余关键部件均为进口件●安全控制系统:采用日立核电安全控制技术,安全部件采用双重安全保护设计,配合日立独有完善的故障自诊断系统,使日立电梯成为目前最安全可靠的电梯●门机系统:采用日立VVVF交流变频门机系统,调速性能好,能精确控制输出力矩,故障率极低,综合性能大大优于一般门机系统●选层系统:日立所有电梯均采用全电脑高精度数字式选层器,实现精确平层●功能配置:所有电梯(客梯、住宅梯、货梯、医梯等)控制系统及安全系统均按客梯标准设计生产(仅轿厢装饰有区别)具有完善的功能和高可靠性,性能价格比高2、自动扶梯技术优势●材料:日立独有日本进口全不锈钢可拆卸式梯级和踏板,强度及寿命是其他电梯厂家铝合金梯级的3倍●主机及传动系统:采用日立高精度平行轴斜齿轮减速机和优化的传动系统设计,运行效率高平稳噪音低,传动效率提高15%,能耗降低30%●扶手带驱动系统:采用日立独有直线式传动,与曲线式传动相比具有弯曲点数少、运行阻力小、传动效率高、长时间运行不易发热●专利设计:专利8mm安全台阶,有效保护乘客安全专利梯级踏板防滑纹处理可拆卸式高分子材料黄色边界线设计圆弧型不锈钢内盖板,有效防止乘客踩踏●安全装置:日立扶梯安全装置设计严密,所有涉及安全的部位均设有安全保护装置,日立扶梯是目前安全控制最严格的扶梯产品●外观设计:人体工程学流线型扶手曲线苗条型扶手带设计更易扶握设计新颖的乘搭导区方便乘客进出三、服务优势●销售、安装、维护保养一条龙服务,全部由日立公司专业人员完成,服务专业效率高●服务网络遍布全国,四川日立(日立电梯(中国)有限公司分支机构)是西南地区规模最大、最具实力的专业电梯公司●全国统一免费服务热线:8008308333●免费为用户提供人员培训四、部分典型应用●政府机关(西南):四川省政府、四川省委常委住宅、四川省委常委办公楼、四川省人大会议中心、云南省政府办公大楼、四川省地税局办公大楼、住宅楼●西南最具影响的会议展览中心:成都国际会展中心(22台)●全国十大房产公司:广州合生创展(共计:1276台)、深圳万科(广州日立为唯一电梯战略供应商)、华新国际、三九集团、雅居乐集团●全国二十佳楼盘:成都锦绣花园、广州峻景花园、沈阳河畔花园●四川最具影响的医院:华西医大附属医院(40台)●广州最高的标志性大楼:广州中信广场(6米/秒)●成都最高的住宅:国嘉华庭(33层)●四川大型综合楼盘:伊藤洋华堂双楠店(32台)、大成市场(22台)、人民百货、云龙商场、大业百货、世都大厦、新世纪广场、国贸广场、亿家天下(20台)、新城市广场(80台)、乐山时代广场(59台)、自贡帝豪广场(12台)、泸州摩尔广场、泸州天一购物中心●成都典型住宅小区:2007年三大著名楼盘:万科魅力之城、华润翡翠城、龙湖晶蓝半岛鸿生花园(10台)、兴元花园(22台)、兴元嘉园(22台)、时代100、锦绣花园、国嘉华庭、时代天骄、四季花城(27台)、长富新城(22台)、粼江峰阁(新加坡吉宝)(22台)、中华家园(15台)、岷江新希望华尔兹广场、锦城花园三期、三九圣安卓花园(10台)、三九铜锣湾广场、三九国际花园、万科城市花园●全国最大烟草企业:云南玉溪红塔大酒店●全国城市重型公共交通运输系统典范:广州地铁(173台,其中15米扬程全天候露天扶梯为全国首创)。
电梯控制技术介绍一、电梯技术要求1、电梯性能指标2、电梯型号二、电梯机械产件整体简单介绍电梯系统的组成情况基本相同,主要由曳引系统、导向系统、轿厢系统、门系统、对重装置系统、安全保护系统、电气控制及信号系统等组成。
其中UAX无机房电梯将曳引机、控制柜及限速器置于井道内,取消了专用的机房设置。
NPX、NPH、GVF、NF电梯的整体结构图——见有机房电梯整体结构图UAX电梯的整体结构图——见无机房电梯整体结构图1、曳引系统:功能:输出与传送动力,使电梯运行。
组成:主要由曳引机、曳引绳、导向轮、反绳轮等组成。
曳引机:包括电动机、制动器和曳引轮在内的靠曳引绳和曳引轮槽摩擦力驱动或停止电梯的装置。
曳引绳:连接轿厢和对重装置并靠与曳引轮槽的摩擦力驱动轿厢升降的专用钢丝绳。
导向轮:为增大轿厢与对重之间的距离,使曳引绳经曳引轮再导向对重装置或轿厢一侧而设置的绳轮。
反绳轮:在轿架和对重框架上部的动滑轮。
根据需要曳引绳绕过反绳轮可以构成不同的曳引比。
2、导向系统:功能:限制轿厢和对重的活动自由度,使轿厢和对重只能沿着导轨作升降运动。
组成:由导轨、导靴和导轨支架组成。
导轨:供轿厢和对重运行的导向部件,由钢轨和连接板组成。
导靴:设置在轿架和对重装置上,使轿厢和对重装置沿导轨运行的导向装置。
导轨支架:固定在井道壁或横梁上,支撑和固定导轨用的构件。
3、轿厢:功能:用以运载乘客或其他载荷的轿体部件。
组成:由轿架和轿厢组成。
轿架:固定和支撑轿厢本身和运载重量的承重框架,一般由上梁、立柱、底梁等组成。
轿厢:是电梯的工作容体,具有与载重量和服务对象相适应的空间。
由轿底、轿壁、轿顶、装饰顶等组成。
4、门系统:功能:封住层站出入口和轿厢出入口。
组成:由轿门、层门、开门机、门套等组成。
轿门:设在轿厢入口的门,由门板、轿门导轨架、轿厢地坎等组成。
层门:设在层站入口的门,又称厅门,由门板、层门导轨架、层门地坎、层门联动机构等组成。
开门机:使轿厢门和层门开启或关闭的装置。
日立电梯产品分类日立电梯型号有哪些如今,电梯的使用在我们的生活中已经非常普及。
通常在高楼层的建筑中一定会使用到电梯,而在医院中电梯的作用更是十分重要,它方便病人的行走。
在众多的电梯品牌当中,日立电梯是驰名全国的优秀品牌,是安装电梯的首选。
日立电梯(中国)有限公司(原广州日立电梯有限公司)成立于1996年1月15日,是华南地区最大的电梯生产企业,是日立电梯在中国的唯一制造商。
下面为您介绍一下日立电梯产品分类以及日立电梯型号。
日立电梯简介 日立电梯(中国)有限公司(原广州日立电梯有限公司)成立于1996年1月15日,是华南地区最大的电梯生产企业,是日立电梯在中国的唯一制造商。
公司由株式会社日立制作所和广州广日集团有限公司共同投资建立,总投资为9000万美元,注册资本6488万美元。
公司总占地面积25.5万㎡,建筑面积为12.3万㎡,绿化面积达9.30万㎡。
日立电梯一直以来都以环保产品自称,并为外界津津乐道,只因其产品一直使用杜邦(DUPONT)的高性能粉末涂料。
日立于07年在上海青浦成立了新厂,而其合作伙伴杜邦生产粉末涂料基地有一个就在青浦工业园区,离其不到数百米。
极大的提高了供货等各方面的效率。
日立电梯产品分类 1、垂直电梯 日立电梯将IT、环境、能源等多领域技术全方位运用,不断开发适合中国市场、安全、高效、舒适、便捷的产品,为创造丰富多彩的都市生活贡献力量。
2、自动扶梯/人行道 多年的经验和技术开发,创造了包括专利8mm安全边界、全不锈钢梯级和独特立式驱动系统等高效能技术,日立自动扶梯、人行道拥有自己独特的风格。
3、智能安防系统 日立智能安防系统,将安防、设备监视、一卡通、电梯控制、信息传递、物业管理、小区各种增值服务集成在统一平台,真正做到一体化智能化管理。
日立电梯型号 NPH,小于等于30m的井道:0/+25mm; GVF-2,小于等于30m的井道:0/+25mm; GVF-3,大于30m小于60m的井道:0/+35mm; GH98,高度大于60m小于90m的井道:0/+50mm。
日立YPVF电梯操作模式说明(MODE)MODE - 0 - SET功能:回复正常的显示用法:不论曾经MODE入任何的模数, 都会自动重置,回复楼层显示状态重置:自动RESETMODE - 1 - SET功能:电梯运行时间显示用法:以十进制显示电梯运行的时间。
如显示 000123,即共运行了123小时此模式纯粹观察用,如要更改则参考MODE - 24 - SET重置: MODE - 1 - RESETMODE - 2 - SET功能:监视器故障资料读取及全部清除用法: 1.按 INC 钮使故障资料由 01 读取直到 74 後,按下 RESET 钮直至正常显示才放手,故障记录清除2.可先按 MODE - 10 - SET 后才再按 MODE - 2 -SET,故障资料会自动由 01 显示至 74, 但显示的时间颇长。
(每个数相间约3秒)3.清除故障记录之前,先记下由 01 到 74 的数据作为参考。
有些故障记录是不能直接清除,(处理了故障成因后),可开关电源开关一次,再 MODE - 2 - SET 清除即可重置: RESETMODE - 3 - SET功能:机房控制电梯低速运行用法: 1. 机厢必须是正常快速状态,并且已关了内外门2. 按 7字钮为控制电梯慢速上升,按4字钮为控制电梯慢速下降重置: MODE - 3 -RESETMODE - 4 - SET功能:最低层机厢按钮记录用法: 1.如正常快速状态时,使电梯快速到最低层2.如维修状态时,电梯自动慢速落运行(参考 MODE - 21 - SET)重置:自动RESETMODE - 5 - SET功能:中间层机厢按钮记录用法:如正常快速状态时,使电梯快速到中间楼层重置:自动RESETMODE - 7 - SET功能:最高层机厢按钮记录用法: 1.如正常快速状态时,使电梯快速到最高层2.如维修状态时,电梯自动慢速上升运行(参考 MODE - 21 - SET)重置:自动 RESETMODE - 10 - SET功能:监视器故障资料自动读取用法:先按 MODE - 10 - SET 后才再按 MODE - 2 - SET,此时故障资料会自动由 01 显示至 74, 但显示的时间颇长。
日立YPVF电梯操作模式说明(MODE)MODE - 0 - SET功能:回复正常的显示用法:不论曾经MODE入任何的模数, 都会自动重置,回复楼层显示状态重置:自动RESETMODE - 1 - SET功能:电梯运行时间显示用法:以十进制显示电梯运行的时间。
如显示000123,即共运行了123小时此模式纯粹观察用,如要更改则参考MODE - 24 - SET重置:MODE - 1 - RESETMODE - 2 - SET功能:监视器故障资料读取及全部清除用法:1.按INC 钮使故障资料由01 读取直到74 後,按下RESET 钮直至正常显示才放手,故障记录清除2.可先按MODE - 10 - SET 后才再按MODE - 2 -SET,故障资料会自动由01 显示至74, 但显示的时间颇长。
(每个数相间约3秒)3.清除故障记录之前,先记下由01 到74 的数据作为参考。
有些故障记录是不能直接清除,(处理了故障成因后),可开关电源开关一次,再MODE - 2 - SET 清除即可重置:RESETMODE - 3 - SET功能:机房控制电梯低速运行用法:1. 机厢必须是正常快速状态,并且已关了内外门2. 按7字钮为控制电梯慢速上升,按4字钮为控制电梯慢速下降重置:MODE - 3 -RESETMODE - 4 - SET功能:最低层机厢按钮记录用法:1.如正常快速状态时,使电梯快速到最低层2.如维修状态时,电梯自动慢速落运行(参考MODE - 21 - SET)重置:自动RESETMODE - 5 - SET功能:中间层机厢按钮记录用法:如正常快速状态时,使电梯快速到中间楼层重置:自动RESETMODE - 7 - SET功能:最高层机厢按钮记录用法:1.如正常快速状态时,使电梯快速到最高层2.如维修状态时,电梯自动慢速上升运行(参考MODE - 21 - SET)重置:自动RESETMODE - 10 - SET功能:监视器故障资料自动读取用法:先按MODE - 10 - SET 后才再按MODE - 2 - SET,此时故障资料会自动由01 显示至74, 但显示的时间颇长。
(每个数相间约3秒)重置:自动RESETMODE - 11 - SET功能:楼层阶高测量运行(将楼层距离数据输入电脑)用法:电梯於最低层转为快速状态,按入MODE - 11 - SET後,(电梯会自动转为慢速状态),按START 钮直至电梯慢速上升,当电梯上升至最高层後,#50B 继电器自行释放成OFF,将1号DIP制拨向上ON,等待直至#50B继电器自动转回ON 后,将1号DIP制拨回下OFF,按MODE - 11 - RESET,测试完成重置:MODE - 11 - RESETMODE - 12 - SET功能:外指示灯检查用法:阶高测试完成,电梯可正常高速运行后,如按下MODE - 12 - SET,则会出现下列情况:1. 发光管型指示灯时:由下至上每层走马式闪亮.及上落灯亦会闪亮2. 如数字式指示灯时,则以8 8 型式闪亮,上落灯亦会闪亮重置:MODE - 12 - RESETMODE - 13 - SET功能:超载状态切除用法:1. 当电梯超载时,(蜂鸣器响并不会自动关门),按下MODE - 13 - SET 电梯则会暂时切除超载状态,可以进行一次快速运行,运行后,自动转回超载警示状态2. 此方法只作超载测量运行用重置:一次自动RESETMODE - 14 - SET功能:SDS 切除试验(多以在高速电梯HVF型使用)用法:多用以试验空载上运行冲顶或满载下运行冲程,模拟电梯电脑的SDS减速资料出错,当电梯踫到减速开关时,电梯马上急停,确保电梯安全。
及可检查纲丝缆打滑情度。
重置:一次自动RESETMODE - 15 - SET功能:电梯专用运行用法:按入模式后,电梯变成专用状态。
(会取消自动运行,群控状态,司机控制状态,外按钮叫唤等功能取消)机厢按钮呼唤正常,但要按机厢CLOSE关门钮才可运行重置:MODE - 15 - RESETMODE - 16 - SET功能:精密平层状态切除(1.5米/秒速度,1.75米/秒速度电梯或特别情况下特殊电梯)用法:1. 如果电梯平层有问题,检查时会被微平层的功能所影响,切除该功能后,检查楼层平层会比较方便准确2. 如果微平层的检测器故障,电梯平层误差很大及会出现故障,可用此方法暂时取消微平层功能,待更换检测器后再回复功能重置:MODE - 16 - RESETMODE - 20 - SET功能:故障码的连续显示用法:按入后,显示器会以主电脑故障码--->副电脑故障码状态连续显示重置:MODE - 20 - RESETMODE - 21- SET功能:机厢按钮讯号记录用法:1. 如果需要快速运行指定的楼层,可先MODE - 21 - SET,然后在机厢内按下所要运行的楼层,电梯就会不停在所按的楼层间运行,直至关掉电源或状态取消为止2. 电梯为机厢控制的维修状态,如需要在机房控制上下运行,先按MODE - 21 - SET,然后按MODE - 4 - SET(下行)或MODE - 7 - SET(上行)等于有人在机厢按下维修时的最上层或最下层钮作上下运行一样,但此状态比较危险,因电梯会一直上行或下行,直至踫到停速制为止。
要确保电梯井内没有工作人员工作或没有问题才可运行重置:MODE - 21 - RESETMODE - 22- SET功能:主电脑数据的读取及重写用法:可读取或重写主电脑地址资料(16进制显示)写入:关安全开关令#50B继电器释放OFF,1号DIP制向上ON,并要停止电脑程序运行重置:MODE - 22 - RESETMODE - 23- SET功能:副电脑数据的读取及重写用法:可读取或重写副电脑地址资料(16进制显示)写入:关安全开关令#50B继电器释放OFF,1号DIP制向上ON,并要停止电脑程序运行重置:MODE - 23 - RESETMODE - 24- SET功能:改写电梯的运行时间用法:改写电梯的运行时间,以10进制小时为单位写入:关安全开关令#50B继电器释放OFF,1号DIP制向上ON重置:MODE - 24 - RESETMODE - 34- SET功能:空载零点设入(有差动变压器作重量检测)用法:把空载时重量检测的差动变压器输出电压资料输入电脑写入:关安全开关令#50B继电器释放OFF,1号DIP制向上ON重置:MODE - 34 - RESETMODE - 35- SET功能:满载检定设入(有差动变压器作重量检测)用法:把满载时重量检测的差动变压器输出电压资料输入电脑写入:关安全开关令#50B继电器释放OFF,1号DIP制向上ON重置:MODE - 35 - RESETMODE - 40- SET功能:运行速度调整用法:1. 将电梯的快速标准速度减低,以$01为0.25米/秒(15米/分)为单位向下减少2. 如电梯标准速度为1.75米/秒(105米/分),数据显示为$0007,如需要改为1米/秒(60米/分),改为$0004 即可3. 只能改小,不能改大,只以标准速度为限,即改为$000A亦不能成为2.5米/秒(150米/分),但对电梯运行无碍写入:关安全开关令#50B继电器释放OFF,1号DIP制向上ON重置:MODE - 40 - RESETMODE - 45- SET功能:20% 以上载量的上行调整(无差动变压器,1米/秒速度以下)用法:上行的偏压数值设入(500KG~750KG载重,数据为$0000, 900KG~1150KG载重,数据为$0900)写入:关安全开关令#50B继电器释放OFF,1号DIP制向上ON重置:MODE - 45 - RESETMODE - 46- SET功能:20% 以下载量的上行调整(无差动变压器,1米/秒速度以下)用法:上行的偏压数值设入(数据为$1500)写入:关安全开关令#50B继电器释放OFF,1号DIP制向上ON重置:MODE - 46 - RESETMODE - 47- SET功能:20% 以上载量的下行调整(无差动变压器,1米/秒速度以下)用法:下行的偏压数值设入(数据为$0000)写入:关安全开关令#50B继电器释放OFF,1号DIP制向上ON重置:MODE - 47 - RESETMODE - 50- SET功能:20% 以下载量的下行调整(无差动变压器,1米/秒速度以下)用法:下行的偏压数值设入(数据为$2000)写入:关安全开关令#50B继电器释放OFF,1号DIP制向上ON重置:MODE - 50 - RESETMODE - 51- SET功能:空载上行的起动调整(有差动变压器作重量检测)用法:如空载上行起动急,加大原始数值($2080) ,如上行起动倒落,减少原始数值写入:关安全开关令#50B继电器释放OFF,1号DIP制向上ON重置:MODE - 51 - RESETMODE - 52- SET功能:空载下行的起动调整(有差动变压器作重量检测)用法:如空载下行起动急落,加大原始数值($30C0) ,如下行起动倒流上,减少原始数值写入:关安全开关令#50B继电器释放OFF,1号DIP制向上ON重置:MODE - 52 - RESETMODE - 53- SET功能:上行平层楼板误差调整用法:如上行停层时误差楼板高,减少原始数值($007B) ,如上行停层时误差楼板低,加大原始数值写入:关安全开关令#50B继电器释放OFF,1号DIP制向上ON重置:MODE - 53 - RESETMODE - 54- SET功能:下行平层楼板误差调整用法:如下行停层时误差楼板高,加大原始数值($007B) ,如下行停层时误差楼板低,减少原始数值写入:关安全开关令#50B继电器释放OFF,1号DIP制向上ON重置:MODE - 54 - RESETMODE - 55- SET功能:重载起动补偿调整(只对满载上运行)用法:在电梯满载起动时,如上行起动时倒流落,加大原始数值($00B0),如上行起动时急升,减少原始数值写入:关安全开关令#50B继电器释放OFF,1号DIP制向上ON重置:MODE - 55 - RESET第1课V/F型电梯操作盘(Ammumciator)II.1V/F电梯直接将MTC装于主电路板INV-MPU之上,能进行数据观察、数据值之制定、故障之检测、电梯控制调整等多项工作II.2操作盘有下列功能:a.显示电梯情况(例:位置、运行方向等)b.制定各项数据,对电梯进行调整及试验性运行c.各项有关电梯程序,例如在机房进行慢速运行、楼层高度测定等d.电梯内产生各项数据的检验及测定(特别是故障代号码)II.3为操作盘的安排而在操作盘下方另有六个七割管排成一横列作为显示器,这些七割管的右下角还有一小数点,在V/F电梯中这些小数点另有用途以下各段将作进一步详细解释II.4正常的显示:如将最左的一个七割管编号为1,然后躺方依次编为2,3,4,5,6,则1号七管用来显示电梯运行方向, 第2、第3号七割管用来显示电梯所在的楼层,设电梯在第23层,第4号七割管显示电脑情况不正常,而VTCD表示副电脑不正常,显示野间歇方式,每次持续1.5秒;第5、6号七割管显示‘故障码’,故障码以八个为一组,按八位元分配如下:10~17、20~27、30~37、40~47、50~57、60~67、70~77、80~87,详细解释见后。