实验5 电子荷质比的测定
- 格式:doc
- 大小:47.50 KB
- 文档页数:3
第4章基础实验实验电子荷质比的测量19世纪80年代英国物理学家汤姆孙()于1987年通过测量荷质地发现电子。
电子荷质比e/m是一个重要的物理常数,其测定在物理学发展史上占有很重要的地位。
电子荷质比的测量方法有很多,如磁聚焦法、磁控管法、伏安特性法、汤姆孙法等。
【实验目的及要求】1.掌握各种电子荷质比的测量原理及方法。
2.测定电子的荷质比。
【参考资料】1.孟祥省,李冬梅,姜琳.大学普通物理实验.济南:山东大学出版社,2004.2.江影,安文玉.普通物理实验.哈尔滨:哈尔滨工业大学出版社,2003.【提供的主要器材】根据设计方法的不同自行选择仪器(EB-III型电子束实验仪、W-Ⅲ型电子逸出功测定仪等)。
大学物理实验【实验预备知识】1.磁聚焦法参考本教材的实验电子束的磁偏转。
2.磁控管法将理想二极管的阴极通以电流加热,并在阳极外加以正电压,在连接这两个电极的外电路中将有电流通过。
将理想二极管置于磁场中,二极管中径向运动的电子将受到洛仑兹力的作用而作曲线运动。
当磁场强度达到一定值时,做曲线运动的径向电子流将不再能到达阳极而“断流”。
只要实验中测出使阳极电流截止时螺线管的临界磁场B C ,就可以求出电子的荷质比e /m 。
这种测定电子荷质比的方法称为磁控管法。
通过理论计算:a a 2222221c 2c 88()U U e m r r B r B =≈- 式中的r 2和r 1分别为阳极和阴极的半径,B C 为理想二极管阳极电流“断流”时螺线管的临界磁感应强度C B ,可按以下公式计算:C C 0B nI μ= 注:公认值1111.7610C kg e m-=⨯ 3.正交电磁场法(汤姆孙法)测定电子荷质比正交电磁场法测定电子荷质比,即英国物理学家.汤姆孙(,1856-1940)于1897年在英国卡文迪许实验室测定电子荷质比的实验方法(因为此项工作,汤姆孙于1906年获诺贝尔物理学奖)。
原理提示:在电偏转实验的基础上,在与电场正交的方向加上磁场,如图4-15所示。
电子荷质比的测定实验报告电子荷质比的测定实验报告引言电子荷质比是指电子的电荷与质量之比。
这个比值的测定对于理解电子的性质和物理学的发展具有重要意义。
本实验旨在通过研究电子在磁场中的运动轨迹,测定电子荷质比。
实验装置和原理本实验使用了一台带有磁场的电子束管,电子束管内部有一个加速电压和一个磁场。
当电子从阴极射出后,受到加速电压的作用加速运动,并受到磁场的作用而偏转。
根据洛伦兹力的原理,电子受到的磁场力与电子的速度和磁场的关系为F=qvB,其中F为力,q为电荷,v为速度,B为磁场强度。
根据这个原理,我们可以通过测量电子在不同磁场强度下的偏转角度和加速电压,计算出电子的荷质比。
实验步骤1. 打开电子束管电源,调节加速电压至合适数值,使电子束能够射到磁场中。
2. 调节磁场强度,使电子束在磁场中偏转一个合适的角度。
3. 在电子束管上设置一个透明的标尺,并将其与电子束的偏转角度对齐。
4. 分别测量不同磁场强度下电子束的偏转角度,并记录下来。
5. 根据测得的数据,计算出电子的荷质比。
实验结果与讨论通过实验,我们测得了不同磁场强度下电子束的偏转角度,并计算出了电子的荷质比。
在实验中,我们注意到偏转角度与磁场强度成正比,这与洛伦兹力的原理相符。
同时,通过计算得到的电子荷质比与已知数值相近,说明实验结果的准确性较高。
实验误差的分析在实验中,可能存在一些误差,影响了结果的准确性。
首先,电子束管内部的磁场可能存在不均匀性,导致测量的偏转角度有一定的误差。
其次,仪器的读数精度也会对结果产生一定的影响。
此外,实验中还可能存在操作上的误差,如读数不准确等。
实验改进方案为了减小误差,可以采取以下改进措施。
首先,可以使用更精确的仪器来测量偏转角度和磁场强度,以提高测量的准确性。
其次,可以进行多次测量,并取平均值,以减小随机误差的影响。
此外,还可以对实验装置进行进一步改进,以提高磁场的均匀性。
结论通过本实验,我们成功测定了电子的荷质比,并验证了洛伦兹力的原理。
电子的荷质比测定实验一、引言电子荷质比测定是物理学实验中的一项重要实验,用于测量电子的电荷与质量之比。
本实验基于汤姆孙的光阴极射线实验装置,利用电场和磁场对电子进行精确的操控和测量,从而得到电子的荷质比。
该实验是量子力学的奠基实验之一,对于研究微观粒子的性质和结构起到了重要作用。
二、实验原理在实验中,我们通过以下原理来测定电子的荷质比:1. 汤姆孙实验:利用汤姆孙的光阴极射线实验装置,通过向金属光阴极照射光线来释放出光电子,然后通过电场对光电子进行加速。
2. 高速电子受力:当加速的光电子进入磁场区域时,会受到洛伦兹力的作用,其受力方向垂直于速度方向和磁场方向。
3. 荷质比计算:通过调整电场和磁场的强度,测量光电子在磁场中偏转的半径和电场下沉降的距离,可以计算出它们的电荷和质量之比。
三、实验步骤1. 准备实验装置:搭建汤姆孙实验装置,包括光源、光阴极、电场装置、磁场装置和测量仪器等。
2. 光电效应测定:通过调节光源的强度和频率,测量不同条件下光电流的变化,并记录下光电流达到饱和时的光强和光电流值。
3. 电场测定:使用电场装置对光电子进行加速,并测量在不同电场强度下,光电子通过一定距离所用的时间。
4. 磁场测定:使用磁场装置对加速后的光电子进行偏转,并测量光电子在磁场中偏转的半径。
5. 数据处理:根据实验数据计算得到电子的荷质比,并进行误差分析。
四、实验注意事项1. 实验操作需小心谨慎,避免引起意外事故。
2. 实验中涉及到高压电源和磁场装置,需要注意安全操作。
3. 在实验过程中,需要精确测量各项数据,尽量减小误差。
4. 实验装置的搭建和调试需要一定的时间和经验,要保持耐心和细致。
5. 实验完成后,注意整理和清理实验装置,确保实验室环境的整洁和安全。
五、实验结果与讨论根据实验所得的数据和计算结果,我们可以得到电子的荷质比的近似值。
通常情况下,测定结果与理论值相比会存在一定的差异,这可能是由于实验误差、仪器误差或实验条件的影响所导致的。
电子荷质比的测定电子荷质比是一个重要的物理量,它是用来描述电子的性质的。
在现代物理学研究中,电子荷质比的测定是非常重要的。
在本文中,我们将介绍电子荷质比的测定方法。
一、实验原理电子荷质比的测定利用了磁场对带电粒子的作用,即洛伦兹力公式:F=qvBsinθ其中,F是洛伦兹力,q是带电粒子的电荷量,v是其速度,B是磁场的大小,θ是带电粒子与磁场方向之间的夹角。
因为电子的电荷量是已知的,所以可以通过测量其在磁场中受到的力和运动速度来求出其质量。
用电子动量定理可以得到:mv=qBR(1/V)其中,m是电子的质量,R是磁场半径,V是电子的速度。
e/m=(2V)/(B^2R^2)二、实验装置电源、电子束发生器、电子注射管、真空室、磁铁、双输能谱仪、测量仪器等。
三、实验步骤1、将电源接入电子束发生器和电子注射管中,调节电源的电压。
2、调节电子注射管中的孔径,使电子束尽可能聚焦。
3、在真空室中设置磁场,使用双输能谱仪测量电子在磁场中的轨迹。
4、测量电子在磁场中的半径,通过测量双谱仪的读数得到电子的速度和轨迹半径。
5、根据实验公式计算出电子的荷质比。
四、实验注意事项1、在进行实验时,需要保持真空室的高真空状态,确保电子的自由运动。
2、在调节电子注射管时,应该注意减小束流的散布情况。
3、测量时需要注意仪器的准确度和精度。
4、在进行实验时,需要注意安全问题。
五、实验结果分析在实验中得到的数据可以通过计算求出电子的荷质比。
实验值应该与理论值接近,若有偏差应分析原因。
电子荷质比的测定是电子物理学中的基础实验之一,它有着重要的理论和实际意义。
通过这个实验可以更深入地理解电子及其性质,为今后在电子技术、物理研究以及其他相关领域的工作提供重要的基础。
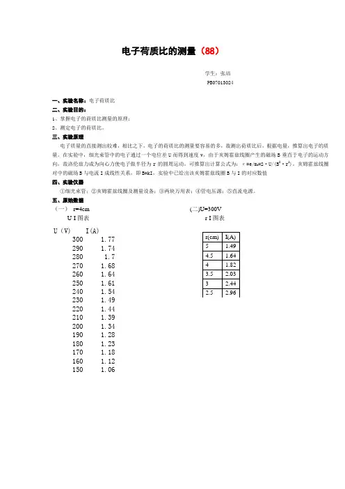
电子荷质比的测量(88)学生:张培PB07013024一、实验名称:电子荷质比二、实验目的:1、掌握电子的荷质比测量的原理;2、测定电子的荷质比。
三、实验原理电子质量的直接测出较难,相比之下,电子的荷质比的测量要容易的多,故测出荷质比后,根据电量,推算出电子的质量。
在实验中,细光束管中的电子通过一个电位差U而得到速度v,由于亥姆霍兹线圈产生的磁场B垂直于电子的运动方向,故洛伦兹力成为向心力使电子做半径为r的圆周运动。
可推算出计算公式为:ε=e/m e=2·U/(B2·r2)。
亥姆霍兹线圈对中的磁场B与电流I成线性关系,即B=kI,实验中已给出该亥姆霍兹线圈B与I的对应数值四、实验仪器①细光束管;②亥姆霍兹线圈及测量设备;③两块万用表;④管电压源;⑤直流电源。
五、原始数据(一)r=4cm (二)U=300VU-I图表r-I图表U(V)I(A) Array 300 1.77290 1.74280 1.7270 1.68260 1.64250 1.61240 1.54230 1.49220 1.44210 1.39200 1.34190 1.28180 1.23170 1.18160 1.12150 1.06(三)I=2.00A附录:该亥姆霍兹线圈的B 与I 的关系,六.数据处理1. r=4cm改变加速电压U ,记录I ,由式222e um B rε==-计算电子荷质比ε。
(1)由附录所给数据计算B kI =斜率k 。
.B /m TI/A[2008-10-15 22:36 "/Graph4" (2454754)] Linear Regression for Data1_B: Y = A + B * Xr(cm) U(V) 4.5 458 4 356 3.5 261 3 192 2.5150B-I 曲线Parameter Value Error------------------------------------------------------------ A -0.012 0.03455 B 0.67257 0.01774------------------------------------------------------------R SD N P------------------------------------------------------------ 0.99861 0.03711 6 <0.0001由B kI =和此式对应得,k ≈0.672310-⨯/T V(2)由实验所测数据结合公式2U=I α,计算α值。
《基础物理》实验报告学院:专业:年月日实验名称电子荷质比姓名年级/班级学号一、实验目的四、实验内容及原始数据二、实验原理五、实验数据处理及结果(数据表格、现象等)三、实验设备及工具六、实验结果分析(实验现象分析、实验中存在问题的讨论)一:实验原理:一·磁聚焦法测定电子荷质比1.带电粒子在均匀磁场中的运动:a.设电子e在均匀磁场中以匀速V运动。
当V⊥B时,则在洛仑兹力f作用下作圆周运动,运动半径为R,由得如果条件不变,电子将周而复始地作圆周运动。
可得出电子在这时的运动周期T:由此可见:T只与磁场B相关而与速度V无关。
这个结论说明:当若干电子在均匀磁场中各以不同速度同时从某处出发时,只要这些速度都是与磁场B垂直,那么在经历了不同圆周运动,会同时在原出发地相聚。
不同的只是圆周的大小不同,速度大的电子运动半径大,速度小的电子运动半径小(图1)。
b.若电子的速度V与磁场B成任一角度θ:我们可以把V分解为平行于磁场B的分量V∥和垂直于B的分量V⊥;这时电子的真实运动是这两种运动的合成:电子以V⊥‘作垂直于磁场B的圆周运动的同时,以V∥作沿磁场方向的匀速直线运动。
从图2可看出这时电子在一条螺旋线上运动。
可以计算这条螺旋线的螺距l:由式3得由此可见,只要电子速度分量V∥大小相等则其运动的螺距l就相同。
这个重要结论说明如果在一个均匀磁场中有一个电子源不断地向外提供电子,那么不论这些电子具有怎样的初始速度方向,他们都沿磁场方向作不同的螺旋线运动,而只要保持它们沿磁场方向的速度分量相等,它们就具有相同的由式4决定的螺距。
这就是说,在沿磁场方向上和电子源相距l处,电子要聚集在一起,这就是电子的旋进磁聚焦现象。
至于V∥B时,则磁场对电子的运动和聚焦均不产生影响。
2.利用示波管测定电子的荷质比把示波管的轴线方向沿均匀磁场B的方向放置,在阴极K和阳极A₁之间加以电压,使阴极发出的电子加速。
设热电子脱离阴极K后沿磁场方向的速度为零。
实验6. 电子荷质比测量带电粒子的电量与质量的比值--荷质比(又称:比荷),是带电微观粒子的基本参量之一。
荷质比的测定在近代物理学的发展中具有重大的意义,是研究物质结构的基础。
1897年,J.J.汤姆逊正是在对“阴极射线”粒子荷质比的测定中,首先发现电子的。
测定荷质比的方法很多,汤姆逊所用的是磁偏转法,而本实验采用磁聚焦法。
一.实验目的1.了解示波管的基本构造和工作原理。
2.理解示波管中电子束电聚焦的基本原理。
3.掌握利用作图法求电磁偏转灵敏度的数据处理方法。
二.实验原理1.示波管的基本结构示波管又叫阴极射线管,以8SJ31J为例,它的构造如图6.1所示,主要包括三个部分:前端为荧光屏,中间为偏转系统,后端为电子枪。
图6.1 示波管结构示意图(1)电子枪电子枪的作用是发射电子,并把它们加速到一定速度聚成一细束。
电子枪由灯丝、阴极K、控制栅极G、第一阳极A l、第二阳极A2等同轴金属圆筒和膜片组成。
灯丝通电后加热阴极K,使阴极K 发射电子。
控制栅极G的电位比阴极低,对阴极发出的电子起排斥作用,只有初速度较大的电子才能穿过栅极的小孔并射向荧光屏,而初速度较小的电子则被电场排斥回阴极。
通过调节栅极电位可以控制射向荧光屏的电子流密度,从而改变荧光屏上的光斑亮度。
阳极电位比阴极电位高很多,对电子起加速作用,使电子获得足够的能量射向荧光屏,从而激发荧光屏上的荧光物质发光。
第一阳极A l称为聚焦阳极;第二阳极A2称为加速阳极,增加加速电极的电压,电子可获得更大的轰击动能,荧光屏的亮度可以提高,但加速电压一经确定,就不宜随时改变它来调节亮度。
(2)偏转系统偏转系统由两对互相垂直的偏转板(平板电容器)构成,其中一对是上下放置的Y轴偏转板(或称垂直偏转板),另一对是左右放置的x轴偏转板(或称水平偏转板)。
若在偏转板的极板间加上电压,则板间电场会使电子束偏转,使相应荧光屏上光点的位置发生偏移,偏移量的大小与所加电压成正比。
电子荷质比实验报告篇一:电子荷质比的测量编号学士学位论文电子荷质比的测量学生姓名:麦麦提江.吾吉麦学号:系部:物理系专业:物理学年级: 07-1班指导教师:依明江完成日期:年月日中文摘要电子荷质比的测量方法很多,主要用近代物理实验来测定,例如,有磁控管法、汤姆逊法、塞曼效应法、密立根油滴实验法及磁聚焦法等,各有特点准确度也不一样。
这文章中利用普通物理实验来进行测量,根据电荷在磁场中的运动特点,利用电子束实验仪进行电子荷质比测定实验,分析了电子束的磁聚焦原理,通过对同一实验多组实验数据的分析处理,最后分析了产生实验误差的主要原因。
关键词:磁聚焦;电子荷质比;螺旋运动;亮线段;误差;1中文摘要 (1)引言 (3)1. 电子荷质比测量的简要历程 (3)2. 电子在磁场中的运动 (4)2.1电荷在磁场中的运动特点 (4)2.2电子束的磁聚焦原理 (4)2.2.1电子荷质比的测量 (6)2.2.2决定荧光屏上亮线段的因素 (6)3.实验结果............................................. . (8)3.1.产生实验误差的主要原因分析.................. (10)3.1.1地磁分量对实验结果的影响 ................................... (11)3.1.2光点判断不准对实验结果的影响 (11)3.1.3示波管真空度的影响.............................. (11)结论 (12)参考文献 (13)致谢 (14)2引言(e/m)电子的电量与质量之比称为电子荷质比。
它是描述电子性质的重要物理量。
测定电子荷质比有多种方法。
如磁控管法、汤姆逊法、塞曼效应法、密立根油滴实验法及磁聚焦法等。
也可以用普通物理实验中的磁聚焦法。
为了更好地理解实验,下面进一步了解释实验中出现的现象。
为此, 本研究运用经典电磁学和牛顿力学理论,加速电压不很高条件下,忽略其量子效应, 把电子当作经典粒子,推导出电子荷质比的测量与计算公式,测量出了电子荷质比。
【精编】实验报告-磁聚焦法测定电子荷质比实验目的:利用磁聚焦法测定电子荷质比,掌握该方法的原理和操作方法,了解电子的物理性质。
实验原理:当带负电的粒子在磁场中运动时,磁场会对其进行偏转。
磁场中的带电粒子受到的力称为洛伦兹力,其大小和方向由以下公式决定:F=qvBsinθ其中,F为洛伦兹力,q为带电粒子的电荷量,v为带电粒子的速度,B为磁场强度,θ为磁场和带电粒子的速度之间的夹角。
R=mv/qB如果带电粒子同时具有不同的能量,它们将在不同的轨道上运动,轨道的半径也会不同。
但是,如果磁场强度足够大,则所有轨道都将被压缩到重叠状态,此时所有轨道的半径将相等。
根据上述原理,可以用磁聚焦法测定电子荷质比。
在实验中,首先确定磁场强度和螺旋线管的工作电压,然后改变加速电压使得电子进入不同的能级。
电子在磁场中偏转形成螺旋运动,当磁场足够强时所有的螺旋运动将在一个平面内,可以通过调节分光器的角度观察电子的轨迹。
实验步骤:1. 校准磁场强度,调整分光器位置。
2. 将螺旋线管的工作电压调整为适当的值,用万用表测量电路参数。
3. 将加速电压调整到不同的值,记录分析仪上的读数。
4. 调整分光器的角度,记录电子轨迹和屏幕上的读数。
5. 重复步骤4直到测量三组数据。
实验数据:在本次实验中,我们测定了三组数据,其加速电压分别为800V、1000V和1200V。
通过计算,得出三组数据的电子荷质比分别为:1. 1.76×10^11C/kg实验结论:在本次实验中,我们通过磁聚焦法成功测定了电子的荷质比。
由于实验条件的限制,测得的结果存在一定的误差,但是这些误差在实验中进行了充分的考虑和控制。
通过该实验,我们不仅掌握了磁聚焦法的操作方法,还深入了解了电子的物理性质和运动规律。
参考文献:1. 《大学物理实验》高等教育出版社。
电子荷质比的测定一、实验目的1.观察电子束在电场作用下的偏转。
2.加深理解电子在磁场中的运动规律,拓展其应用。
3.学习用磁偏转法测量电子的荷质比。
二、实验仪器第一部分主体结构有:1.亥姆霍兹线圈;2.电子束发射威尔尼氏管;3.记量电子束半径的滑动标尺;4.反射镜(用于电子束光圈半径测量的辅助工具)第二部分是整个仪器的工作电源,加速电压0~200V,聚焦电压0~15V都有各自得控制调节旋钮。
电源还备有可以提供最大3A电流的恒流电源,通入亥姆霍兹线圈产生磁场。
因为本实验要求在光线较暗的环境中,所以电源还提供一组照明电压,方便读取滑动标尺上的刻度。
祥见仪器说明书。
三、实验原理众所周知当一个电子以速度v垂直进入均匀磁场时,电子要受到洛仑兹力的作用,它的大小可由公式:(3-4-20-1)所决定,由于力的方向是垂直于速度的方向,则电子的运动轨迹就是一个圆,力的方向指向圆心,完全符合圆周运动的规律,所以作用力与速度又有:(3-4-20-2)其中r是电子运动圆周的半径,由于洛仑兹力就是使电子做圆周运动的向心力,因此可将(3-4-20-1)、(3-4-20-2)式联立:(3-4-20-3)由(3-4-20-3)式可得:(3-4-20-4)实验装置是用一电子枪,在加速电压u的驱使下,射出电子流,因此eu全部转变成电子的输出动能:(3-4-20-5)将(3-4-20-4)与(3-4-20-5)式联立可得:(3-4-20-6)实验中可采取固定加速电压u,通过改变不同的偏转电流,产生出不同的磁场,进而测量出电子束的圆轨迹半径r,就能测定电子的荷质比——e/m。
按本实验的要求,必须仔细地调整管子的电子枪,使电子流与磁场严格保持垂直,产生完全封闭的圆形电子轨迹。
按照亥姆霍兹线圈产生磁场的原理:(3-4-20-7)其中K为磁电变换系数,可表达为:(3-4 -20-8)式中是真空导磁率,它的值,R为亥姆霍兹线圈的平均半径,N为单个线圈的匝数,由厂家提供的参数可知R=158mm,N=130匝,因此公式(3-4-20-6)可以改写成:(3-4-20-9)四、实验步骤1.接好线路;2.开启电源,使加速电压定于120V,耐心等待,直到电子枪射出翠绿色的电子束后,将加速电压定于100V。
电子荷质比实验报告电子荷质比实验报告1、实验电路(1)阅读仪器的使用说明。
(2)按正向聚焦接线图插入导联线。
(3)将仪器面板“功能选择”开关旋至“磁聚”处,此时仪器处于磁聚焦工作状态。
2、测量(1)接通总电源,预热数分钟,荧光屏上出现亮斑。
亮斑辉度不够可调节辉度旋钮或增大V2。
(2)接通励磁开关前,先将“励磁电流”旋钮(或调压器旋钮)逆时针方向旋至最小。
(3)取V2为800V,调节励磁电流,使光斑聚焦,记下此时仪器三次聚焦时的励磁电流读数。
(4)取V2为1000V、1200V重复步骤(3)。
( 5)关闭总电源约数分钟,改为反向聚焦接线,重复步骤(3)、(4)。
3、记录数据和处理结果。
【数据处理】螺线管的长度L=296mm 螺线管直径D=91.5mm 线圈匝数N=4141 示波管阳极到荧光屏的距离d=193.0mm3.数据处理将各数据代入公式平均值为1.765×1011C/kg 算出标准差为0.013×1011C/kg 得出电子的荷质比所以电子的荷质比为(1.765?0.01 3)×1011C/kg ? 【实验结论】实验测得的电子的荷质比为:(1.765?0.013)×1011C/kg ? 【误差分析】1. 电子束与磁场没有严格垂直导致误差;电子束具有一定宽度,导致测量误差;3. 测量者利用点一线法测半径时没有完全对齐导致随机误差;4.实验仪器精确度不够导致测量误差; 5. 实验理论的不完善导致误差。
篇三:实验报告-磁聚焦法测定电子荷质比实验报告姓名:班级:学号:实验成绩:同组姓名:实验日期:201X0331 指导老师:批阅日期:------------------------------------------------- 磁聚焦法测定电子荷质比【实验目的】1、学习测量电子荷质比的方法。
大学物理实验报告实验名称磁聚焦法测电子荷质比实验日期2010-04-24实验人员袁淳(200902120406)【实验目的】1. 了解电子在电场和磁场中的运动规律。
2. 学习用磁聚焦法测量电子的荷质比。
3. 通过本实验加深对洛伦兹力的认识。
【实验仪器】FB710电子荷质比测定仪。
【实验原理】当螺线管通有直流电时,螺线管内产生磁场,其磁感应强度B 的方向,沿着螺线管的方向。
电子在磁场中运动,其运动方向如果同磁场方向平行,则电子不受任何影响;如果电子运动力向与磁场方向垂直,则电子要受到洛伦兹力的作用,所受洛伦兹力为:将运动速度分解成与磁感应强度平行的速度//v 和与磁感应强度垂直的速度⊥v 。
//v 不受洛伦兹力的影响,继续沿轴线做匀速直线运动。
⊥v在洛伦兹力的作用下做匀速圆周运动,其方程为:则由阴极发射的电子,在加速电压U 的作用下获得了动能,根据动能定理,则保持加速电压U 不变,通过改变偏转电流I ,产生不同大小磁场,保证电子束与磁场严格垂直,进而测量电子束的圆轨迹半径r ,就能测量电子的m e 值。
螺线管中磁感应强度的计算公式以RNI B 023)54(μ⋅=表示,式中0μ=4π×10-7H/m 。
N 是螺线管的总匝数=130匝; R 为螺线管的平均半径=158mm 。
得到最终式:()()kg C rI U NIr UR m e /1065399.3321252212202⋅⨯=⎪⎭⎫ ⎝⎛=μ 测出与U 与I 相应的电子束半径r,即可求得电子的荷质比。
【实验步骤】1. 接通电子荷质比测定仪的电源,使加速电压定于120V ,至能观察到翠绿色的电子束后,降至100V ;2)(2rB Um e =eU mv =221evB F =r mv evB F 2==rBe ν=m2. 改变偏转电流使电子束形成封闭的圆,缓慢调节聚焦电压使电子束明亮,缓慢改变电流观察电子束大小和偏转的变化;3. 调节电压和电流,产生一个明亮的电子圆环;4. 调节仪器后线圈的反光镜的位置以方便观察;5. 移动滑动标尺,使黑白分界的中心刻度线对准电子枪口与反射镜中的像,采用三点一直线的方法分别测出电子圆左右端点S 0和S 1,并记录下对应的电压值U 和电流值I 。
15、用电子和场实验仪测定电子的荷质比电子荷质比是描述电子性质的重要物理量。
历史上就是首先测出了电子的荷质比,又测定了电子的电荷量,从而得出了电子的质量,证明原子是可以分割的。
一、实验原理电子在均匀磁场中运动时,受到洛伦兹力的大小为:(1)式中,是电子运动速度的大小,是均匀磁场中磁感应强度的大小。
当电子运动方向与磁场方向斜交时,电子做螺旋运动,见图1所示。
图1电子在磁场中的螺旋运动圆轨道的半径为:(2)周期为:(3)螺距为:(4)一定时,同一时刻电子流中沿螺旋轨道运动的电子,和相同。
这说明,从同一点出发的所有电子,经过相同的周期、、…后,都将会聚于距离出发点为、、…处。
这就是用纵向磁场使电子束聚焦的原理。
将示波管安装在长直螺线管内部,两管中心轴重合。
示波管灯丝通电加热后,阴极发射的电子经加在阴阳极之间直流高压的作用,从阳极小孔射出时可获得一个与管轴平行的速度,依功能原理:则电子的轴向速度为:(5)在偏转板上加一交变电压,则电子束在通过该偏转板时获得一个垂直于轴向的速度。
所以,通过偏转板的电子,既具有与管轴平行的速度,又具有垂直于管轴的速度,这时若给螺线管通以励磁电流,使其内部产生磁场,则电子将在该磁场作用下作螺旋运动。
这里就相当于,相当于。
将式(5)代入式(4),可得:(6)螺线管中磁感应强度的计算公式以表示,代入(6)式,得:(7)式中为真空磁导率,、、、的数值由实验室给出。
因此测得和后,就可求得电子的荷质比的值。
二、实验仪器及原理简图长直螺线管,阴极射线示波管,电子荷质比测定仪电源,直流稳压电源,直流电流表0~3A)图2 实验装置及线路图三、实验内容1.调整螺线管方位与当地地磁倾角相同,管内轴向磁场和地球磁场方向一致。
2.高压调至600V,调节辉度和聚焦旋钮,使荧光屏上出现一明亮的细点。
3.偏转扳接交流电源,荧光屏上出现一直线。
4.接通直流稳压电源,从零逐渐增加电流强度,当磁场增强到某一强度时,又聚焦成一细点。
实验题目:电子荷质比实验目的:测定电子的荷质比实验仪器: 细电子束管;亥姆霍兹线圈及测量设备;万用表两块;电子束 管电压源(DCpower suppIy 0・・・500V);直流电流/电压电源(DC power supply 0-16V ;5A).相关术语:荷质比;电子束;洛伦兹力 实验原理:电子质量的直接测出较难,相比之下,电子的荷质比的测量要 容易的多,故测出荷质比后,根据电量,推算出电子的质量。
在实验中,细电子 束管中的电子通过一个电位差〃而得到速度v,由于亥姆霍兹线圈产生的磁场疗 垂直于电子的运动方向,故洛伦兹力成为向心力使电子做半径为厂的圆周运动。
可推算出计算公式为:£ =丄=£・。
亥姆霍兹线圈对中的磁场B 与电流/成 rn e B T线性关系,即B = kl,实验中已给出该亥姆霍兹线圏3与/的对应数值表,可以 此得到k 值,最终算出荷质比。
实验步骤:1. 电源关闭,电位器左旋至锁住位置。
亥姆霍兹线圈与电流表串联,电流表放在 10ADC 档。
2. 开启向电子束管供电的管电压源,将加速电压调到300V,预热5min,电子束 开始射出,在0-10V 间调整聚焦电压,对电子束进行聚焦,最终使电子束狭 窄,清晰,边界淸楚。
3. 调整直流电压16V,电流5A 。
4. 打开亥姆霍兹线圈的直流电流/电压电源,调整输出电流,使电子束偏转形成 一个封闭的圆形轨迹,微调聚焦电压,使图像更淸晰。
5. 移动左滑块,使其内侧、镜中的像和电子束的出射口在一条直线上;移动右 滑块,使其内侧与镜子中的像对齐。
调整亥姆霍兹线圈中的电流或移动右滑 块,使电子轨迹与两滑块内侧相切,则两滑块内侧距离即为电子束直径。
图1实脸装邀图2电子荷质6.将加速电压每隔10V逐步减到140V,调整励磁线圈电流,使电子束轨迹始终保持8cm,记下每组加速电压和线圏电流值。
7.由加速电压〃,线圏电流绘出U =求出斜率a。
电子荷质比的测量
一、实验目的
1.观察电子束在电场作用下的偏转。
2.加深理解电子在磁场中的运动规律,拓展其应用。
3.学习用磁偏转法测量电子的荷质比。
二、实验仪器
电子荷质比测定仪及电源
三、实验原理
众所周知当一个电子以速度v 垂直进入均匀磁场时,电子要受到洛仑兹力的作用,它的大小可由公式:
e f ⨯= (2.10-1) 所决定,由于力的方向是垂直于速度的方向,则电子的运动轨迹就是一个圆,力的方向指向圆心,完全符合圆周运动的规律,所以作用力与速度又有:
r
mv f 2
= (2.10-2) 其中r 是电子运动圆周的半径,由于洛仑兹力就是使电子做圆周运动的向心力,因此可将(2.10-1)、(2.10-2)式联立:
r
mv evB 2
= (2.10-3)
由(2.10-3)式可得:
rB
v m e = (2.10-4) 实验装置是用一电子枪,在加速电压u 的驱使下,射出电子流,因此eu 全部转变成电子的输出动能:
22
1mv eu = (2.10-5) 将(2.10-4)与(2.10-5)式联立可得:
2
)(2B r u m e ⋅= (2.10-6) 实验中可采取固定加速电压u ,通过改变不同的偏转电流,产生出不同的磁场,进而测量出电子束的圆轨迹半径r ,就能测定电子的荷质比——e/m 。
按本实验的要求,必须仔细地调整管子的电子枪,使电子流与磁场严格保持垂直,产生完全封闭的圆形电子轨迹。
按照亥姆霍兹线圈产生磁场的原理:
I K B ⋅= (2.10-7) 其中K 为磁电变换系数,可表达为:
R N K ⨯=23
0)54(μ (2.10-8) 式中0μ是真空导磁率,它的值270104--⋅⨯=A N πμ,R 为亥姆霍兹线圈的平均半径,N 为单个线圈的匝数,由厂家提供的参数可知R=158mm ,N=130匝,因此公式(2.10-6)可以改写成:
)(10474.2]32125[222212222202kg C r
I N u R r I N u R m e ⋅⋅⋅⨯=⋅⋅⋅⋅⋅=μ (2.10-9) 四、实验步骤
1. 接好线路。
2. 开启电源,使加速电压定于120V ,耐心等待,直到电子枪射出翠绿色的电子束后,将加速电压定于100V 。
本实验的过程是采用固定加速电压,改变磁场偏转电流,测量偏转电子束的圆周半径来进行。
(注意:如果加速电压太高或偏转电流太大,都容易引起电子束散焦)
3. 调节偏转电流,使电子束的运行轨迹形成封闭的圆,细心调节聚焦电压,使电子束明亮,缓缓改变亥姆霍兹线圈中的电流,观察电子束的偏转的变化。
4. 测量步骤:
(1)调节仪器后线圈上反射镜的位置,以方便观察;
(2)依次调节偏转电流为:1.00A 、1.20A 、1.40A 、1.60A 、1.80A 、2.00A ,改变电子束的半径大小;
(3)测量每个电子束的半径:移动测量机构上的滑动标尺,用黑白分界的中心刻度线,对准电子枪口与反射镜中的像,采用三点一线的方法测出电子束圆轨迹的右端点,从游标上读出刻度读数0S ;再次移动滑动标尺到电子束圆轨迹的左端点,采用同样的方法读出刻度读数1S ;用)(2
101S S r -=
求出电子束圆轨迹的半径; (4)将测量得到的各值代入(3-4-20-9)式,求出电子荷质比e/m ;并求出相对误差(标准值11e/m 1.7610 C kg =⨯)。
五、注意事项
1. 在实验开始前应首先细心调节电子束与磁场方向垂直,形成一个不带任何重影的圆环。
2. 电子束的激发加速电压不要调得过高,过高的电压容易引起电子束散焦。
电子束刚激发时的加速电压,略略需要偏高一些,大约在130V 左右,但一旦激发后,电子束在80~100V 左右均能维持发射,此时就可以降低加速电压。
3. 测量电子束半径时,三点一线的校对应仔细,数据的偏离将因人而异,引起系统误差;切勿用圆珠笔等物划伤标尺表面,实验过程中注意保持标尺表面干燥、洁净。
六、数据记录及处理。