粉末涂料的制造
- 格式:ppt
- 大小:289.00 KB
- 文档页数:32
粉末涂料是一种应用广泛的涂料类型,在各种工业领域中都有着重要的作用。
为了确保粉末涂料的质量和使用效果,制定了一系列的国家标准和行业标准。
本文将围绕aama2605粉末涂料标准这一主题展开讨论,介绍该标准的背景、内容和应用,帮助读者了解和理解这一标准的重要性和影响。
一、背景aama2605是美国建筑制造商协会(AAMA)制定的粉木涂料标准,其前身为aama605。
aama成立于1936年,是美国建筑行业的重要组织之一,致力于制定并推广建筑行业的标准和规范,旨在提高建筑制品的质量和性能。
aama2605标准是该协会在建筑领域中颇具影响力的标准之一,是粉木涂料行业的重要参考依据。
二、内容aama2605标准主要涵盖了粉木涂料的性能要求、测试方法以及外观评定等方面的内容。
具体来说,该标准包括以下几个方面的要求:1. 耐候性:aama2605标准规定了粉木涂料在暴露于不同气候条件下的耐候性能要求,包括颜色保持性、光泽度和表面不均匀性等指标;2. 膜厚和粘附力:标准对粉木涂料的膜厚和粘附力进行了详细的规定,确保涂层的厚度和附着力符合要求;3. 耐化学性能:标准还测试涂料在化学品接触下的耐受能力,包括酸碱性物质、溶剂和盐雾等;4. 耐磨损性:涂料在使用过程中往往会受到各种物理因素的影响,aama2605标准对涂料的耐磨损性进行了严格的要求;5. 铅含量:为保障环境和人体健康,标准对涂料中的铅含量进行了限制。
三、应用aama2605标准主要应用于建筑行业中的铝合金门窗和幕墙系统等产品。
由于这些产品通常处于室外环境中,需要具备较高的耐候性和耐久性。
采用符合aama2605标准的粉木涂料,可以确保建筑制品具备优异的抗风化能力和长久的美观效果,从而提高了产品的质量和使用寿命。
这也有助于降低建筑物的维护成本,减少了对环境的影响。
四、总结aama2605标准是粉木涂料行业的重要标准,其严格的性能要求和测试方法,为建筑行业提供了优质的粉木涂料产品,有助于提高建筑制品的质量和性能。
五.涂装方法由于粉末涂料的涂装方法不同于传统的溶剂型涂料,因此目前已开发了多种涂装方法,有:流化床浸涂法、静电喷涂法、静电流化床浸涂法、静电振荡法、火焰喷涂法、空气喷涂法、真空吸引法、粉末电泳法等。
以下就对这八种涂装方法进行介绍:1.流化床浸涂法(1). 主要流程: 把预热的被涂物浸人到粉末涂料流化床中,使流化的粉末涂料熔融附着到被涂物上面,然后将被涂物放人烘烤炉进行流平成膜或者流平交联固化成膜.(2). 示意图:(3). 粉末涂料品种:热塑性粉末涂料和环氧粉末涂料。
(4). 适用范围: 小型被涂物;用于电机的绝缘层、管道等防腐层,不适用于形状复杂的工件涂装;近来也用于大中型管道的重防腐蚀涂装。
(5).优点:一次涂装的涂膜很厚;涂膜耐久性、防腐蚀性和电绝缘性能很好;涂装设备比较简单;投资少;不需要粉末涂料回收设备;粉末涂料的损失很少;换色容易。
工件需预热,而且温度比较高,耗能大;涂膜不易薄涂,均匀性差;有些被涂物涂装比较困难。
2.静电喷涂法(1).主要流程:粉末涂料通过高压静电喷枪或者摩擦静电喷枪时,粉末涂料带静电并被吸引到与粉末涂料带相反电荷的被涂物上面,然后将被涂物放人烘烤炉进行流平成膜或流平交联固化膜。
有高压静电粉末喷涂法和摩擦静电粉末喷涂法。
(2).示意图:生产线:(3). 粉末涂料品种:大多数粉末涂料;热固性粉末涂料;但摩擦静电喷涂法有选择性,有些树脂品种经改性后才能使用。
(4). 适用范围:范围最广泛,用于装饰性、防腐性、绝缘性等涂装。
(5).优点:涂膜厚薄均匀易控制;操作简便;容易实现自动化喷涂;对各种粉末涂料的适应性强;对被涂物的适应性强,大小工件均可;喷涂的粉末涂料可以回收再用。
(6).缺点:回收设备投资大;更换涂料品种和颜色较麻烦。
3.静电流化床浸涂法(1).主要流程:结合流化床浸涂法和静电粉末喷涂法的涂装法;在流化床的多孔板下面安装许多电极,当电极上通高压直流电时,流化床中的空气就电离而带电荷。
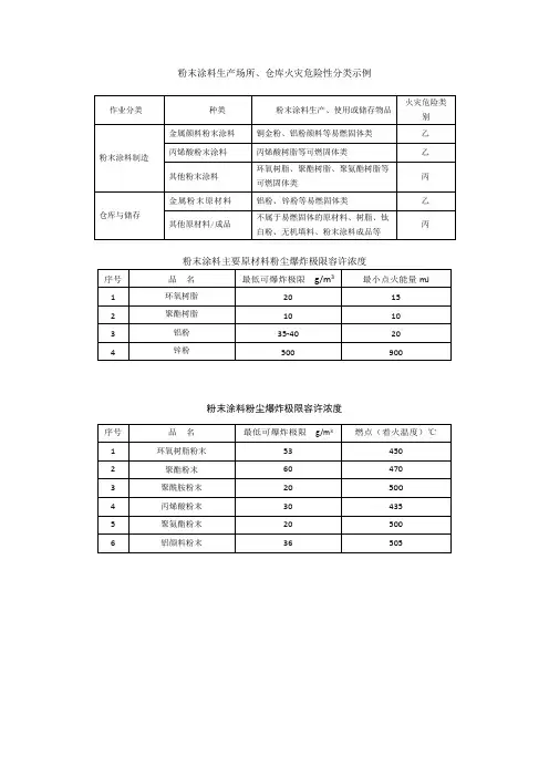
粉末涂料生产场所、仓库火灾危险性分类示例粉末涂料主要原材料粉尘爆炸极限容许浓度粉末涂料粉尘爆炸极限容许浓度表A.1 粉末涂料用树脂、固化剂及粉末涂料的化学毒性LD50粉末涂料生产的危险、有害因素D.1 危险因素D.1.1 火灾火灾发生必须具备氧气、可燃物质、着火源三个条件。
D.1.1.1 可燃物质试验、设施清理使用的有机溶剂、在存放、使用时挥发的易燃易爆蒸气;生产作业过程中所用可燃、自燃原材料的存放使用等。
如各类合成树脂、丙烯酸、铝粉等化学原料等;污染有机溶剂的废布、工作服等。
D.1.1.2 着火源a) 明火:作业场所内部或外部带入的烟火、照明灯具灼热表面,设备、管道、电器表面的过高温度、气焊割明火、机动车排气管喷火等;b) 摩擦冲击:机械轴承发热,钢铁工具、铁桶和容器与地面相互碰撞或与地坪撞击,带钉鞋与地坪撞击等;c) 电气火花:电路开启与切断、短路、过载,线路电位差引起的熔融金属,保险丝熔断、外露的灼热丝等;d) 静电放电:设备、容器、管道静电积累或容器、管道破裂,倾倒粉料等;e) 雷电;f) 化学能:自燃(炭黑、玷污粉末涂料的废纱头、布头堆积蓄热),铝粉受潮产生氢气放热自燃等;g) 日光聚焦。
D.1.1.3 增加燃烧危险因素a) 密闭空间富氧状态;b) 火灾时继续通风;c) 盛装易燃易爆铝粉容器;d) 室内气温高。
D.1.2 爆炸密闭空间及通风不良处所(如回收粉柜、成品混合容器(包括邦定设备)等),粉尘积聚达到爆炸极限,遇到火源瞬间燃烧爆炸。
D.1.3 设备所致触电D.1.4 设备所致人身事故D.1.5 高温挤出物料溅落灼伤、烫伤D.2 有害因素D.2.1 生产性粉尘通过呼吸道进人人体。
可造成尘肺等呼吸道疾病等。
a) 无机粉尘:滑石粉、碳酸钙、氧化铁红、高岭土等作业;b) 有机粉尘:粉末涂料混合、粉碎等的生产、检验作业。
D.2.2 生产性有毒物质通过呼吸道、消化道及皮肤侵入人体。
有的可刺激黏膜(上呼吸道),有的可引起过敏反应或皮炎,有的造成急、慢性中毒,有的可以或可能致癌、致突变等。
喷塑工艺流程Company Document number:WTUT-WT88Y-W8BBGB-BWYTT-19998喷塑工艺流程一、前景热固性粉末涂料作为高性能、低公害,少污染,省能源的新型涂料而崛起,已成为取代传统的溶剂型涂料的主要产品之一。
我国随着轻工,家用电器,电子仪表,汽车及防腐等行业的发展和环境保护、节省能源、资源的需要,对热固性粉末涂料的产量、质量、品种等要求与日俱增。
我国的热固性粉末涂料,由六十年代初发展起来的环氧树脂粉末涂料,发展到目前的环氧/聚酯粉末涂料、纯聚酯树脂粉末涂料、聚氨酯粉末涂料和丙烯酸粉末涂料等。
固化条件由原来的180℃,30分钟降低到180℃,10~15分钟,甚至更低的140℃,10~15分钟的热固性粉末涂料。
同时由于粉末涂料质量的提高,使得粉末涂料在单位面积喷粉量减少,在金属表面的沉积效应提高,粉末利用率大大提高,因此,回收和再循环的额外投资大为降低。
我国的树脂生产企业,对发展热固性粉末涂料也作了应有的贡献,新型和专用树脂陆续投放市场。
特别是八十年代后期饱和羧基聚酯树脂的问世,使混合型聚酯/环氧粉末涂料来取代部份环氧树脂粉末涂料得到了实现,此后热固性粉末涂料得到了迅速的发展,其主要原因是因为具有较高的装饰性,特别适用于家用电器、仪器仪表等产品。
我国目前粉末涂料生产企业都设立了客户应用技术服务中心,建议各用户在使用各厂粉末涂料初期应咨询工件预处理及施工应用方面的问题,因各生产厂的产品性能和固化条件有所不同,以保证产品应有的特性。
下面我们讨论有关粉末涂料的施工,工件预处理及施工工艺应用方面的问题。
' ]$ ^* }: [_`5 W使用热固性粉末涂料的优点1,热固性粉末涂料喷涂工艺,节省工序,缩短加工周期,一般只需一次喷涂,厚度在三30~500微米之间。
2,粉末涂料可回收,过筛后可循环使用。
3,粉末涂料带电性好,在金属表面的沉积效应高,到回收系统的量大大减少。
工艺・材料Process・Materials…………,,……,……,一……,一汽车~摩托车铝合金车轮粉末涂料的研究及进展章晓斌尹臣高庆福(广州电器科学研究院广州擎天粉末涂料实业有限公司)摘要:粉末涂料是一种不含任何有机溶剂以粉末形态进行涂装,经过固化交联成膜的新型表面涂装材料。
粉末涂料作为车轮的底层涂装和面层罩光涂料,在国内得到了大量应用。
随着21世纪车轮用粉末涂料新产品、新技术和新应用工艺的开发,应用前景将更加广阔。
关键词:摩托车车轮粉末涂料铝合金ReseaurchandProgressofPowderPaintforAutomobileandMotorcvcleAluminumA110VⅥmeelsZhallgXiaobinYinChenGa0Qingfu(GuangzhouE1ectricApparatusInstituteGuangzhouKinteIndustryCompanyLimitedCo.,Ltd.)Abstract:Powderpaintisakindofsurrfacepaintingmaterialwhich,containingnoorganicsolution,isinmestateofpowdertoworkandcallfonIla1ayeroffilmaftersolidifyingcmss一1inbng.PowderpaintmainlyforprimingandVarnishinghasbeenwidelyuseddomestically.WiththedeVelopmentofnewpowderpaintsandnewtechn0109iesinthe21stcentury,powderpaintwillhaVeawiderprospect.Keywords:MotorcycleWheelPowderpaintA1uminuma110y20世纪70年代以来,随着工业发展,溶剂性涂料的涂装对大气的污染成为国际社会的关注焦点,粉末涂料作为无溶剂涂料的代表受到产业界的高度重视。
精华版)粉末涂料异常问题及处理措施汇总粉末涂料常见异常问题及处理措施汇总一、如何解决在粉末涂料的生产过程中,总是出现颜填料分散性差的现象?粉末涂料的加工过程和传统涂料并不相同,颜填料分散性差主要可能由以下几个原因形成:1、原料各组分的预混合不够均匀。
建议可增加原料在混合器中的停留时间,以加强预混合工艺的均匀程度;2、预炼料的粘度低。
建议可以降低挤出温度,提高预炼料的粘度;3、PVC太高,建议可根据配方设计在不影响性能的情况下,减少颜填料的比例;4、粉末涂料在挤出机中提停留时间过短,建议降低挤出产量;5、颜填料粒径过大,建议重新选择更小粒径的颜填料。
二、粉末涂料涂膜缺陷及解决1、涂膜光泽不足:固化时烘烤时间过长;温度过高;烘烤内混有其它有害气体;工件表面过于粗糙;前处理方法选择不当,户内粉用环氧树脂清机含清机料头,应将料头全部清除重挤或在清机环氧中加入光亮剂与安息香再用来清机。
2、涂膜变色:多次反复烘烤;烘箱内混有其它气体;固化时烘烤过度。
固化温度不均匀,可能是工件材质本身厚度不均匀,导致热容量不同,引起光泽与颜色的变化,或烘箱或烘道对流循环条件不理想,需调整循环设备如吸风口的位置及开口大小;遮盖力不够,膜厚不均匀造成色差。
3、涂膜流平效果不良:喷涂的涂层厚薄不均;粉末雾化程度不好,喷枪有积粉现象;固化温度偏低;粉末受潮,粉末粒子太粗;工件接地不良;烘烤温度过高;涂膜太薄或太厚;粉末涂料本身流平效果差,如胶化时间短,颜基比太高,树脂黏度高等;升温速度过快,理想状态下底材温度从常温升至固化温度时间最好在4分钟以上;磷化膜过粗糙,阻止涂膜的流平。
4、涂膜产生凹孔:处理不当,除油不净;源受污染,压缩空气除油,除水不彻底;工件表面不平整;受灰尘或其它杂质污染。
5、涂膜出现气泡:工件表面处理后,水分未彻底干燥,留有前处理残液;脱脂,除锈不彻底;底层挥发物未去净;工件表面有气孔(如锌镁合金,铸铁铸铝,热镀锌工件等);粉末涂层太厚。
环氧-聚酯型粉末
环氧-聚酯型粉末是一种常见的粉末涂料,通常用于金属表面的防腐、防锈和装饰。
它由环氧树脂和聚酯树脂等主要组分构成,经过混合、制备成粉末状,并在金属表面喷涂后,经过烘烤固化形成涂层。
环氧-聚酯型粉末具有以下特点和优点:
1.良好的防腐性能:由于环氧树脂和聚酯树脂具有优异的耐化学腐蚀性能,环氧-聚酯型粉末涂料具有良好的防腐、防锈性能,能够有效保护金属表面免受腐蚀侵蚀。
2.良好的耐候性:环氧-聚酯型粉末涂料经过固化后,形成的涂层具有较好的耐候性,能够长时间保持色泽和光泽,不易褪色、变黄或老化。
3.良好的机械性能:环氧-聚酯型粉末涂料涂层具有较高的硬度、耐磨性和耐刮擦性,能够有效保护金属表面不受外力损伤。
4.多样的颜色和效果:环氧-聚酯型粉末涂料可以通过添加不同颜色的颜料或添加剂来制备不同颜色和效果的涂料,能够满足不同装饰和美观要求。
5.环保性能:环氧-聚酯型粉末涂料不含挥发性有机物(VOCs),不会产生挥发性有机物的排放,符合环保要求。
总的来说,环氧-聚酯型粉末涂料具有良好的防腐性能、耐候性、机械性能和环保性能,被广泛应用于金属制品、建筑装饰、家具制造等领域。
1 / 1。
摘要:介绍了粉末涂料在使用过程中产生的不良现象,分析了此现象产生的原因,并给出了解决此问题所采取的工艺措施。
关键词:粉末涂料;分析;措施粉末涂料以其完全不含溶剂、全部转化成涂膜、涂装效率高、保护和装饰综合性能好的特点适应了涂料工业对节约资源和能源、减轻环境污染及提高工效等方面的要求,受到全世界的广泛关注,从而获得飞速发展。
然而在生产使用过程中,不可避免地或多或少出现一些不良现象,本文对我公司粉末涂料曾出现的一典型生产事故的分析和处理情况进行探讨,以便供同行们参考。
1 生产现象2000 年8 月,我公司为经阁集团生产纯聚酯铝型材专用粉末涂料,一天同时发出两批货,第一批次A7056SF75 粉末200 kg ,另一批A9016SF75 粉末2 000 kg 。
客户反映:批次A7056SF75 粉末涂料产品正常使用,无异样;批次A9016SF75 部分产品有质量问题,使用过程中具体表现为:(1) 控制台带电显示仪表以往有5 格,可这次只有2 格,粉末出现不带电现象;(2) 喷涂时喷枪偶尔有吐粉现象;(3) 生产试验样板机械性能( 冲击、划格等) 能通过检测,但外观流平性较原来差。
2 案例分析根据上述涂装工艺中出现的现象,从理论上分析,估计其原因应该是粉末涂料受潮。
但是为什么在完全相同的操作条件下,同一批次产品,出现产品部分有问题而部分没问题? 带着疑问我们从粉末涂料的生产和使用两方面来分析查找原因。
2 .1 粉末配方体系为什么粉末涂料会不带电呢? 影响粉末颗粒接受电荷和保持电荷的主要因素是粉末的介电常数? ,粉末的介电常数越低,颗粒带电越容易,但丧失电荷也越容易,这反映在粉末在工件上的吸咐力不牢,略受振动就掉粉。
对于静电喷涂的粉末涂料,应尽可能的用高介电常数的,它将使粉末的吸附力大大提高。
A9016SF75 是铝型材喷涂大众化的成熟产品,生产批次无数,本批次也是沿袭前面的生产配方,原材料选用和配方均未作改变,生产样板的常规性能检测,如冲击、划格、光泽、膜厚、色差等,均达到企业生产标准,因此,配方不是引起上述现象的原因。
熔结环氧粉末涂料介绍熔结环氧粉末涂料是一种新型的环境友好型涂料,主要由环氧树脂、固化剂和颜料组成。
其特点为固态粉末,不含有机溶剂,不会产生有害气体和废水,对人体和环境无害。
熔结环氧粉末涂料广泛应用于金属制品、建筑、家具、汽车等行业,具有优异的性能和美观的外观效果。
首先,熔结环氧粉末涂料具有很强的机械性能和耐腐蚀性能。
熔结环氧粉末涂料涂层具有较高的硬度和耐磨损性,可以有效保护金属基材不受外界环境的侵蚀和损伤。
同时,其耐酸碱腐蚀性能也非常出色,能够在恶劣的工作环境下长时间保持涂层的完好性。
其次,熔结环氧粉末涂料具有良好的耐热性和耐化学药品性能。
熔结环氧粉末涂料涂层在高温环境下也能保持稳定的性能,不会出现脱层、变色等问题。
另外,它对常见的化学药品如酸、碱、溶剂等也具有较好的耐受性,能够有效阻隔外界环境对基材的腐蚀。
此外,熔结环氧粉末涂料还具有良好的电气绝缘性能。
该涂料不导电,能够有效抵御电流和静电的干扰,提供更安全可靠的电器和电子设备的保护。
熔结环氧粉末涂料应用广泛,特别适用于金属制品的表面防护。
其具有较好的附着力和耐磨性,可以保持较长时间的使用寿命。
在建筑行业中,熔结环氧粉末涂料也常用于室内装饰,如钢结构、铝制品、门窗等,能够增强产品的耐腐蚀性和装饰效果。
此外,它还被广泛应用于汽车行业,用于制造汽车车身和零部件,能够有效提升汽车的外观质量和耐久性。
总的来说,熔结环氧粉末涂料具有机械性能好、耐腐蚀、耐热性,具备良好的耐化学药品性能,光学性能优异,以及良好的电气绝缘性能等优点。
这使得它在各个行业中得到广泛的应用,并受到市场的青睐。
未来,随着环保意识的不断提高,熔结环氧粉末涂料的应用前景将更加广阔。
喷塑的工艺流程
《喷塑工艺流程》
喷塑是一种将粉末状或液状的涂料喷射到工件表面并形成一层保护膜的工艺。
这种工艺广泛应用于汽车工业、电子产品制造、建筑材料及家具制造等领域。
下面是喷塑的一般工艺流程:
1. 表面处理:在进行喷塑前,需要对工件表面进行处理,以确保喷塑涂层附着牢固。
通常的表面处理方法包括喷砂、酸洗、磷化等。
2. 涂料准备:将喷塑用的粉末状或液状涂料加工成可喷射的状态。
对于粉末涂料,需要通过特殊的喷枪和静电设备将其喷射到工件表面;对于液态涂料,需要将其加入到喷枪中并通过压缩空气将其喷射到工件表面。
3. 喷涂:利用专用的喷涂设备将涂料均匀地喷射到工件表面上。
在喷涂过程中,需要注意喷涂厚度的控制,以确保表面覆盖均匀。
4. 固化:喷涂完成后,需要将工件送入固化炉或使用紫外线固化设备进行固化处理,使涂层形成稳定的保护膜。
5. 检验:经过固化后的喷塑涂层需要进行质量检验,检查涂层的厚度、附着力、光泽度等指标,确保涂层的质量符合要求。
6. 包装:最后,经过检验合格的工件将进行包装,以便运输和
存储。
这就是一般喷塑工艺的流程,通过以上步骤可以确保喷塑涂层质量稳定,达到保护和美化工件表面的效果。
当然,在实际生产中,不同的工件和涂料可能有不同的特殊工艺要求,需要根据具体情况进行调整。
门窗粉末喷涂工艺门窗粉末喷涂工艺随着人们对生活品质要求的不断提高,门窗已经不再是简单的防盗工具,更多地成为家居装修的一部分,需要与室内装饰相协调。
为了满足市场需求,门窗制造商不断推陈出新,探索各种工艺技术,其中门窗粉末喷涂工艺已经逐渐成为行业的一大趋势。
本文将从以下几个方面详细介绍门窗粉末喷涂工艺。
一、什么是门窗粉末喷涂工艺?门窗粉末喷涂工艺是一种现代化的表面处理技术,也是目前较为先进的门窗表面处理工艺之一。
它是在门窗铝材表面喷涂一层具有装饰和保护功能的粉末涂料,再经过高温固化而成的表面处理工艺。
二、门窗粉末喷涂的优势有哪些?1. 明显的环保优势。
与其他涂料相比,门窗粉末喷涂可以有效减少挥发物的排放,达到环保标准,符合国家的相关法律法规。
2. 良好的附着力和耐腐蚀性能。
门窗粉末喷涂具有良好的附着力和耐腐蚀性能,能够在不同的气候条件下保持稳定性,延长门窗的使用寿命。
3. 美观和装饰效果。
门窗粉末喷涂可以提供多种颜色和纹路,能够满足不同消费者的需求,迎合市场的多元化发展趋势。
4. 便捷的维护和清洁。
门窗粉末喷涂表面平滑,不容易附着尘土和脏污,清洁起来也比较方便。
三、门窗粉末喷涂工艺的流程是怎样的?门窗粉末喷涂工艺一般分为八个步骤:1. 表面准备:在门窗铝材表面喷涂之前,必须先进行清洗、除油、去污等工作,确保表面达到处理要求。
2. 表面处理:进行表面处理可以使门窗铝材表面更加平滑,易于喷涂。
3. 喷涂:将含有颜料和增塑剂的粉末喷涂到门窗铝材表面,确保完全覆盖。
4. 烤干:经过喷涂后,必须将门窗铝材送入高温烤箱进行烤干。
5. 冷却:在烤干后,将门窗铝材送到冷却区域进行降温处理。
6. 喷修:门窗的细节部位需要进行喷修工作,如角部、边缘等。
7. 烤干:再次将喷修处的门窗送入高温烤箱进行烤干。
8. 检查:最后进行门窗检查和包装。
四、门窗粉末喷涂工艺存在哪些问题?门窗粉末喷涂工艺虽然存在一些问题,但都可以得到有效的改善和控制。