基于蓝牙技术的语音传输系统硬件电路设计
- 格式:pdf
- 大小:3.61 MB
- 文档页数:2
基于BC03蓝牙模组的无线有源音箱设计作者:杨本全陈爱华叶剑超来源:《现代电子技术》2011年第17期摘要:给出了一种采用蓝牙模组的无线通信系统。
将CSR的BC03蓝牙模组与TDA2030A OCL功放置于音箱中,通过C8051F020单片机UART0完成与蓝牙模组通信和控制,实现蓝牙手机或者PC电脑与BC03蓝牙模组的互连,完成HFP和A2DP功能,采用4×5键盘完成数据和音频控制指令的输入,并通过TS1602 LCD完成基本的数据和控制指令显示等。
实验结果表明:本系统能够成功实现蓝牙手机或者PC设备与BC03蓝牙模组的互连,完成蓝牙模组的HFP和A2DP功能,音频最大输出功率可以达到14 W(RL=4 Ω),可以直接驱动4 Ω或者8 Ω的音箱负载。
关键词:BC03蓝牙模组; HFP; A2DP;音频控制中图分类号:TN92-34 文献标识码:A文章编号:1004-373X(2011)17-0071-03Design of Wireless Active Sound Box Based on BC03 Bluetooth ModulesYANG Ben-quan, CHEN Ai-hua, YE Jian-chao(Taizhou University, Taizhou 318000, Chian)Abstract: The wireless communication system with bluetooth modules is discussed. BC03 bluetooth modules of CSR and TDA2030A OCL power amplifier are placed in sound box. The interconnection of bluetooth mobile telephone or PC with bluetooth modules, and the function of HFP and A2DP are realized by means of the communication and control between bluetooth modules accomplished by UART0 of SCM (single chip micyoco) C8051F020. The system adopts 4×5 keyboard to implement the input of data and audio frequency control instructions, which is displayed by TS1602 LCD. The experiment results show that the system can realize HFP and A2DP function of the bluetooth modules by interconnecting the bluetooth mobile telephone or PC with BC03 bluetooth modules. The maximum output power of audio frequency can reach 14 W (RL=4 Ω), and drive 4 Ω or 8 Ω load of sound box.Keywords: bluetooth module; HFP; A2DP; audio control0 引言蓝牙是一种支持设备短距离通信(一般10 m内)的无线电技术,能在包括移动电话、PDA、无线耳机、笔记本电脑、相关外设等众多设备之间进行无线信息交换[1]。
科技与创新┃Science and Technology&Innovation ·102·2017年第23期文章编号:2095-6835(2017)23-0102-02低功耗蓝牙与智能硬件设计刘裕佳,赵友章,梁倩(北方民族大学,宁夏银川750021)摘要:不断降功耗是电子发展过程中永远不会改变的主题。
设计了一个低功耗蓝牙与智能平台联合项目。
蓝牙技术凭借其普遍性和简洁性改变了设备与设备之间的无线通信,设备可通过蓝牙进行高度安全的无线通讯。
蓝牙的便捷性及全球的认可度,使任何支持蓝牙的设备都能通过配对流程与邻近的其他设备连接。
配对后的设备可建立全双工通信。
关键词:STM32;单片机;低功耗;嵌入式中图分类号:TN925文献标识码:A DOI:10.15913/ki.kjycx.2017.23.102智能硬件、智能家居、物联网、移动互联网大潮的到来,正在越来越多地改变我们身边的一切。
我们看到的智能手环、智能手表、智能插座、智能水杯、谷歌眼镜等,都是其中的形态和表现方式,其核心是通过软硬件结合的方式,使产品具备智能化的功能,并且具备与云端链接的能力。
其中,低功耗蓝牙技术是实现智能连接的重要技术支撑。
1研究意义目前,智能手机平台及操作系统Android(4.3以上)、iOS(6.0以上)、Windows(8.0以上)均提供了对低功耗蓝牙的原生态支持,天然地具备了移动互联平台的能力。
低功耗蓝牙是由诺基亚所设计的一种短距离无线通讯技术,最初的目标是提供功耗最低的无线标准,并且专门在低成本、地可见光摄像机搭配,进行双仓监控。
对所选定的目标区域进行定点巡航,细致、全面地进行检测与分析。
硬件所采用的型号是防火报警智能热相仪Fotric862长焦镜头,主要设置在防爆原装的工作件内。
防爆的原装工作件内有海康可视镜头和360°旋转云台,一共3套。
电动调焦里边设置了智能火灾的报警算法,报警可以独立使用,也可以组网监控,不依赖于监控的后台。
本科毕业设计(论文)目基于蓝牙技术的家庭智能控制系统设计毕业设计(论文)原创性声明和使用授权说明原创性声明人郑重承诺:所呈交的毕业设计(论文),是我个人在指导教师的指导下进行的研究工作及取得的成果。
尽我所知,除文中特别加以标注和致谢的地方外,不包含其他人或组织已经发表或公布过的研究成果,也不包含我为获得及其它教育机构的学位或学历而使用过的材料。
对本研究提供过帮助和做出过贡献的个人或集体,均已在文中作了明确的说明并表示了谢意。
者签名:日期:导教师签名:日期:使用授权说明人完全了解大学关于收集、保存、使用毕业设计(论文)的规定,即:按照学校要求提交毕业设计(论文)的印刷本和电子版本;学校有权保存毕业设计(论文)的印刷本和电子版,并提供目录检索与阅览服务;学校可以采用影印、缩印、数字化或其它复制手段保存论文;在不以赢利为目的前提下,学校可以公布论文的部分或全部内容。
作者签名:日期:学位论文原创性声明本人郑重声明:所呈交的论文是本人在导师的指导下独立进行研究所取得的研究成果。
除了文中特别加以标注引用的内容外,本论文不包含任何其他个人或集体已经发表或撰写的成果作品。
对本文的研究做出重要贡献的个人和集体,均已在文中以明确方式标明。
本人完全意识到本声明的法律后果由本人承担。
作者签名:日期:年月日学位论文版权使用授权书本学位论文作者完全了解学校有关保留、使用学位论文的规定,同意学校保留并向国家有关部门或机构送交论文的复印件和电子版,允许论文被查阅和借阅。
本人授权大学可以将本学位论文的全部或部分内容编入有关数据库进行检索,可以采用影印、缩印或扫描等复制手段保存和汇编本学位论文。
涉密论文按学校规定处理。
者签名:日期:年月日师签名:日期:年月日注意事项1.设计(论文)的内容包括:1)封面(按教务处制定的标准封面格式制作)2)原创性声明3)中文摘要(300字左右)、关键词4)外文摘要、关键词5)目次页(附件不统一编入)6)论文主体部分:引言(或绪论)、正文、结论7)参考文献8)致谢9)附录(对论文支持必要时)2.论文字数要求:理工类设计(论文)正文字数不少于1万字(不包括图纸、程序清单等),文科类论文正文字数不少于1.2万字。
PWM输出技术原理和蓝牙模块应用优势详解随着科技的不断进步,无线通信技术得到了广泛的应用。
其中,蓝牙技术作为一种近距离无线通信技术,已经成为了物联网设备中不可或缺的一部分。
近年来,越来越多的蓝牙模块被应用于各种领域,例如智能家居、智能穿戴设备、智能车辆等。
其中,PWM输出成为了一些蓝牙模块的重要特点之一。
本文将详细介绍PWM输出在蓝牙模块中的应用,包括PWM 输出的原理、优势、实现方法以及应用案例。
PWM输出原理PWM(Pulse Width Modulation)是一种数字信号处理技术,其基本原理是通过对一系列脉冲的宽度进行调制,来实现对模拟信号的控制。
PWM信号由一系列脉冲组成,这些脉冲的宽度是固定的,但是脉冲的占空比可以随着时间的变化而改变。
PWM信号的占空比越高,表示信号的电平越高,反之则越低。
因此,PWM信号可以被用来表示数字信号或者模拟信号。
在蓝牙模块中,PWM输出是一种数字信号输出方式,其基本原理是将数字信号通过PWM 调制转换成模拟信号输出。
具体来说,PWM输出通过对一系列脉冲的宽度进行调制,将数字信号转换成一定频率的方波信号,然后再通过滤波器将方波信号转换成直流电压信号输出。
由于PWM输出的输出电压是直流电压,因此可以用来控制一些模拟器件,例如LED灯、电机等。
PWM输出的优势相比其他输出方式,PWM输出具有以下优势:精度高:PWM输出通过对脉冲宽度的调制来实现数字信号到模拟信号的转换,因此精度比较高。
通常情况下,PWM输出的精度可以达到0.1%。
稳定性好:由于PWM输出是通过数字信号来控制模拟信号,因此其稳定性比较好。
相比模拟信号,数字信号更加稳定,不易受到外界干扰。
可控性好:PWM输出可以通过改变脉冲的宽度来实现对模拟信号的控制。
因此,PWM输出可以实现对模拟器件的精细控制。
易于实现:PWM输出只需要很少的硬件电路就可以实现,因此易于实现。
同时,PWM输出的控制算法也比较简单,易于实现。
基于蓝牙的课程设计名称一、教学目标本课程的教学目标是使学生掌握蓝牙技术的基本原理和应用,培养学生进行蓝牙设备开发的实践能力,提高学生对物联网技术的认识和理解。
知识目标:使学生了解蓝牙技术的基本概念、工作原理、协议体系、接口规范以及蓝牙模块的硬件结构和软件开发方法。
技能目标:培养学生具备蓝牙设备的焊接、编程、调试和测试能力,使学生能够独立完成蓝牙项目的开发和实施。
情感态度价值观目标:培养学生对新技术的敏感性和好奇心,增强学生的创新意识和团队合作精神,使学生认识到蓝牙技术在现代社会中的重要性和应用前景。
二、教学内容本课程的教学内容主要包括蓝牙技术的基本原理、协议体系、接口规范、硬件结构和软件开发方法。
具体包括:1.蓝牙技术的基本概念和发展历程,蓝牙协议体系结构,蓝牙接口规范。
2.蓝牙模块的硬件结构,包括蓝牙模块的引脚分配、内部电路和外部电路。
3.蓝牙模块的软件开发方法,包括蓝牙模块的初始化、连接建立、数据传输和连接释放等。
4.蓝牙设备的焊接、编程、调试和测试方法。
5.蓝牙技术在实际应用中的案例分析,如蓝牙耳机、蓝牙键盘、蓝牙鼠标等。
三、教学方法本课程的教学方法包括讲授法、实验法、案例分析法和小组讨论法。
具体包括:1.讲授法:通过教师的讲解,使学生了解蓝牙技术的基本原理、协议体系、接口规范等理论知识。
2.实验法:通过学生的动手实践,使学生掌握蓝牙模块的硬件结构和软件开发方法,培养学生的实际操作能力。
3.案例分析法:通过分析实际应用案例,使学生了解蓝牙技术在现实生活中的应用,提高学生的应用能力。
4.小组讨论法:通过小组合作,使学生学会与他人沟通、协作,培养学生的团队意识和创新能力。
四、教学资源本课程的教学资源包括教材、参考书、多媒体资料和实验设备。
具体包括:1.教材:选用《蓝牙技术原理与应用》作为主要教材,系统地介绍蓝牙技术的基本原理、协议体系、接口规范等。
2.参考书:推荐《蓝牙协议规范》等参考书籍,为学生提供更多的理论支持。
蓝牙音响设计实验报告:秩学号:16216031班级:通信一班目录1文献综述 (2)1.1蓝牙技术 (2)1.1.1[蓝牙简介] (2)1.1.2[蓝牙的发展趋势] (3)1.2蓝牙音箱的国外研究进展 (4)1.3蓝牙音箱的国研究进展 (5)2蓝牙音箱的研究背景及开展研究的意义 (6)2.1 蓝牙音箱的研究背景 (6)2.2 蓝牙音箱的研究意义 (7)3蓝牙音箱的研究方法、容及预期目的 (7)3.1 蓝牙音箱的研究方法及容 (7)3.1.1[蓝牙音箱的研究方法] (7)3.1.2[蓝牙音箱的研究容] (12)3.2 蓝牙音箱研究的预期目标 (13)4进度安排 (13)参考文献 (14)指导教师意见 (15)1文献综述1.1蓝牙技术1.1.1[蓝牙简介]蓝牙是一种低成本大容量的短距离无线通信规,旨在取代便携式和固定设备之间的电缆,并保证高度安全性。
蓝牙技术的特点是功耗小、价格低、采用全球开放的2.4GHZ频段。
蓝牙硬件的功耗非常小,对于传输距离为10米的Class 2的蓝牙硬件,功耗为0.25毫瓦到2.5毫瓦;而传输距离可达100米的Class 1的蓝牙硬件,功耗最小为1毫瓦,最大为100毫瓦。
所以蓝牙的电磁波辐射对人体基本上不会造成伤害。
蓝牙硬件的价格一般比较低廉,且蓝牙技术的协议和应用规都是SIG制定和拥有的,所以不存在费的问题。
蓝牙工作在全球开放的2.4GHZ频段,这是全球开放的不需要付费。
蓝牙采用调频方式进行通信,蓝牙通过跳频方式将能量扩散到起始于2.402GHz,终止于2.408GHz的ISM频段中,并将其划分为79个跳频信道,每个信道1MHz,大大增加和通信的可靠性和安全性。
蓝牙协议结构简单,使用重传等机制保证链路的可靠性,实现多层可分级的多种安全认证机制。
遵循蓝牙协议的设备将能够用微波取代传统网络中错综复杂的电缆,非常方便地实现快速灵活、安全、低代价、低功耗的数据和语音通信。
在安全方面,在链路层中,蓝牙系统提供了认证、加密和密钥管理等功能。
蓝牙天线的π电路参数1. 引言1.1 背景介绍传统蓝牙天线通常采用的是直线天线或PCB贴片天线,但是这些天线存在着信号弱化、通信距离受限等问题。
研究人员开始关注π天线的设计和优化,在蓝牙设备中的应用也逐渐增多。
π天线通过结合直线天线和贴片天线的优点,能够提高蓝牙设备的传输距离和通信质量,是一种更为高效的蓝牙天线设计方案。
在本文中,我们将结合传统天线设计原理,分析π天线的电路参数,探讨其频率特性和射频性能,进行传输距离的优化,并展望π天线在蓝牙设备中的应用前景。
希望通过本文的研究,能够为π天线在蓝牙通信领域的进一步发展提供一些有益的参考和启示。
1.2 研究目的蓝牙技术在无线通信领域有着广泛的应用,而蓝牙天线作为蓝牙通信中的重要组成部分,对通信质量和传输距离起着至关重要的作用。
本文旨在通过对蓝牙天线的π电路参数进行分析和研究,以期通过优化π天线设计和电路参数来提高蓝牙通信的性能和稳定性。
具体研究目的包括但不限于:深入探讨π天线在蓝牙设备中的设计原理,通过电路参数分析来优化π天线的性能,分析π天线的频率特性以更好地适配蓝牙通信的频段,进行射频性能测试以验证π天线在实际环境下的稳定性和表现,以及探讨如何通过优化π电路参数来进一步优化蓝牙通信的传输距离。
通过对这些研究目的的深入探讨和实验验证,我们将为π天线在蓝牙设备中的应用前景提供更深入的理解和优化策略,同时为未来进一步的研究展望打下基础。
2. 正文2.1 π天线设计原理π天线设计原理是蓝牙设备中的关键组成部分,其设计原理直接影响到整个系统的性能表现。
π天线是一种特殊形状的天线,其名称来源于其形状类似于希腊字母π。
π天线的设计原理主要包括天线的长度、宽度、环绕地线长度和电感等关键参数。
在蓝牙设备中,π天线通常被设计成微带天线或PCB天线的形式,以实现更好的频率特性和较长的传输距离。
π天线的设计原理中,关键参数的选择对天线性能起着至关重要的作用。
天线长度和宽度的选择直接影响到天线的频率特性,而环绕地线的设计则可以有效地提高天线的辐射效率和指向性。
蓝牙模块c语言代码全文共四篇示例,供读者参考第一篇示例:蓝牙模块在现代生活中起着非常重要的作用,它可以帮助我们连接各种设备,实现无线通信。
在嵌入式系统中,为了实现蓝牙功能,通常需要通过编程来控制蓝牙模块。
而在这篇文章中,我们将介绍如何使用C语言编写蓝牙模块的代码。
我们需要了解一些基础知识。
蓝牙模块是一种可以与其他蓝牙设备通信的硬件设备,它可以通过蓝牙协议栈与其他设备建立连接,传输数据。
常见的蓝牙模块有HC-05、HC-06等,它们通常通过串口与外部设备连接。
在使用C语言编写蓝牙模块代码之前,我们首先需要将蓝牙模块与单片机(如Arduino、STM32等)连接。
通常情况下,我们需要将蓝牙模块的TX和RX引脚与单片机的UART通信引脚(如RX和TX)连接。
在连接完成后,我们就可以开始编写C语言代码。
接下来,我们将介绍一个简单的蓝牙模块C语言代码示例,该代码示例演示了如何通过蓝牙模块与另一台设备通信。
假设我们的单片机是基于Arduino平台的,蓝牙模块是HC-05。
代码示例如下:```c#include <SoftwareSerial.h>SoftwareSerial BTSerial(2, 3); // RX, TXvoid setup() {Serial.begin(9600);BTSerial.begin(9600); // 设置蓝牙模块波特率为9600}在这段代码中,我们首先包含了Arduino的SoftwareSerial库,然后定义了一个BTSerial对象,通过2号引脚和3号引脚设置蓝牙模块的RX和TX引脚。
在setup函数中,我们初始化了串口通信,并设置了蓝牙模块的波特率为9600。
在loop函数中,我们分别检测串口和蓝牙模块是否有数据传输,然后进行数据的读取和发送操作。
通过这段代码示例,我们可以看到如何使用C语言编写简单的蓝牙模块代码,并实现与另一台设备的通信。
实际应用中,我们可能需要根据具体的需求做更多的功能扩展和优化。
蓝牙模 缺 基带电路的接口 哈尔滨工业大学电子与通信工程系 关宇东 王文星 摘 要 该文介绍了蓝牙模块的内部结构、 相关硬件电路的时序、内部状态寄存器的存取状态。 关键词 蓝牙模块 基带 接口 时序
1引言 蓝牙技术是一种新兴的短 程无线通信技术,它使电子设 备能够方便地互连起来。目 前,蓝牙SIG(Specia1 In— tereSt Group,)制定了蓝牙 标准,其目的是实现1 M b/S (有效传输速率是721bit/s)、 有效传输距离为1Om,当发射 功率加大时,可实现lOOm左右 的无线通信。蓝牙技术成为人 类社会通往自由通信的有力手 段,已成为21世纪新兴通信的 热点,从国内一些刊物上发表 的文章可以看到许多关于蓝牙 协议的文章。本文讨论的是在 蓝牙技术开发中难度较大的硬 件电路,并分析了蓝牙硬件的 工作原理。
2蓝牙模块的组成
蓝牙模块的组成以及基带和射频电路的接口,分析了 对一些常用的语音、UART等的外部接口也作了介绍。
本文所介绍的蓝牙模块由蓝牙基带设备R 0 P 101 l1 12/C、射频模块PBA313 01/2所组成。这 两个模块之间形成了蓝牙模块的内部接口。基带设备 负责跳频和蓝牙数据及信息帧的传输,包括对纠错编
3 8 2002 Radio Engineering Vo1.32 NO.9
图1蓝牙模块框图 码的支持,对s C 0和AC L包的组织、流控等,射 频模块负责收发数据。外部模块主要有电源模块、晶 体振荡模块、天线等。基带设备与外围模块的接口实 现了蓝牙模块的主要功能,几个主要的接口有通用异 步收发接口UART、异步收发串行接口、PCM语音接
与用 计应 设 品玑 t” A & D 瓣 维普资讯 http://www.cqvip.com 口、基带部分与FLASH ROM的接口,还有目前比 较流行的uSB接口,图1所示为典型的应用框图。 PBA313 01/2是短程蓝牙通信系统的前端,它 采用的封装形式是BGA封装,与基带的接口在图1 中已经说明,主要由串行接口、数据接口、输入控制、 输出控制组成。对于完整的操作,蓝牙射频必须连接 到基带控制或能模拟基带功能的设备上。基带功能 从射频控制器的寄存器被读出或写入,这些寄存器 用于设定频率,实现调整和控制等功能。基带和射 频模块之间的通信在串行接口(Serial interface) 上实现,P BA 3 1 3 0 1/2也需要一个外部天线和 13MHz的晶体时钟输入,天线通过一个50欧姆的接 口连接。电源分成两部分,一部分用于提供给压控 振荡器(VCO),另一部分提供给蓝牙射频。射频模 块主要由七个操作子块组成。图2说明了各个子块 之间的互操作性,Radi0 ASIC是一个利用外差接 收的射频控制交换芯片,它具有3MHz的中频,另 外,有大量的其它电路块集成在这个控制器里,如 合成器、串行接口、晶体振荡器、可跳频的低功 耗振荡器(LPO)、电源复位电路(POR),分频电路 以及可编程控制逻辑寄存器。VCO—tank产生所需 的射频频率,环路滤波器滤除所需的调整电压以改 变VCO~tank的选择信道。接收平衡转换器用于转 换接收的信号从不平衡状态改变为平衡状态。发送 平衡转换器用于将发送信号有平衡状态转换为不平 衡状态,以便于天线交换。天线开关既可以是从 天线滤波器到接收端口,也可以是从射频控制部分 输出端口到天线滤波器。天线开关的控制由TX一0N 端口的设置完成的。天线滤波器去除接收模式时不 想要的信号和减少发送模式时的谐波信号。 图2射频模块内部块图 Products产品设计与 Desi &A catio"/ ̄用 J i X i j X : X i 一 且 _1 r ● tsI CLK Min Typ MaX Unit tsiCLK 2OO 25O n S tsl CLK2 76 76 n S tI 2O n S t2 2O n S 图3射频串行接口时序图 3射频串行接口(Se r i a l l nte rface) 射频串行控制接口是基于边界扫描体系结构 (IEEE Std l149.1)之上的一种协议。在串行接 口和基带电路之间的互连是由4个一比特的信号组成 的控制数据输入(S IC D I)、控制模式选择
sjg921现代通信网络无论有线还是无线都颇为发达,各种通信电缆也五花八门,不但办公室中电缆无处不在,随着家用设备的发展,居室也成了充满电缆的世界。
从计算机和打印机的连接到耳机线,以及计算机间的通信电缆、电视机和影视设备的连接,真可谓丰富多彩。
在人们觉得它必不可少的同时,也为人们带来不小伤脑筋的问题。
有线电缆除了诸多使用不便、连线频出故障之外,各种电缆之间也无法通用。
因此,电缆成为现代通信中的美中不足。
随着Bluetooth(蓝牙)技术的诞生,这种状况有望得以改观。
一、什么是蓝牙作为便携式设备的无线连接技术,蓝芽是由爱立信、IBM、诺基亚、英特尔和东芝于1998年5月共同推出的一项无线技术标准。
实际上这项技术的研究开发工作早在1994年就已进行,当时爱立信移动通信公司成立了一个专项调研小组,对移动电话及其附件的低能耗、低费用无线连接的可能性进行研究。
他们的目的在于建立无线电话与PC卡、耳机及桌面设备等的连接。
由于蓝芽技术可将移动电话、便携式计算机以及其它手持设备连接起来,还可以应用到几乎所有具有开关功能的设备中,例如家用电器、汽车、家用电子设备与办公设备。
该标准推出后,包括摩托罗拉、索尼、3COM、康柏、惠普、朗讯科技和戴尔在内的1800多家蓝芽集团的成员公司都签署了相关协议,共享这一先进技术。
1999年12月,微软宣布全面支持“蓝芽”技术。
到2000年初,“蓝芽”SIG (Special Interest Group/特殊利益集团)已有3COM、爱立信、IBM、英特尔、朗讯、微软、摩托罗拉、诺基亚、东芝等9大集团公司和2000多家成员企业。
二、蓝牙技术简介蓝芽技术主要面向网络中各类数据及语音设备,通过无线方式将它们连成一个微微网(Piconet),多个微微网之间也可以互连形成分布式网络(Scatternet),从而方便、快速地实现各类设备之间的通信。
它是实现语音和数据无线传输的开放性规范,是一种低成本、短距离的无线连接技术。
2020.19科学技术创新基于Arduino 的AI 语音识别智能音箱设计陈丽媚张学娜易向东*(广东第二师范学院,广东广州510303)随着科学技术的发展,智能时代的到来,给我们的生活带来了极大的便捷,智能家居逐渐走进我们的生活中,而智能音箱更是被叫为“智能家居的入口”。
智能音箱的语音平台很大一方面带动了智能家居走向消费者市场,伴随着智能音箱的持续稳定增长,全球智能家居设备出货量也迎来了高速增长。
[1]为此,本小组基于高质量低成本的理念设计一款基于Arduino 的AI 语音识别智能音箱。
1系统软件以及硬件设计1.1软件设计本文所设计的AI 语音识别智能音箱,是一个以Arduino 软件为处理器搭建的对蓝牙音箱作出响应的智能系统和以串口通信助手接收数据作出响应而设计的。
系统软件程序由初始化程序、语音播放程序、语音识别程序以及蓝牙程序这几个部分组成。
图1软件工作流程图1.2硬件设计1.2.1LD3320语音识别模块LD3320作为一款基于非特定人语音识别(SI-ASR)技术的语音识别/声控芯片,集成了一系列与其功能相关的外部电路,包括ADC 、DAC 、麦克风剪口、声音输出接口等,使得LD3320能够在没有任何外接辅助Flash 、RAM 芯片的情况下直线语音识别/声控/人机对话等功能。
[2]本设计中,运用LD3320语音识别模块,识别指令,随后根据指令做出相应的反应,为了清晰的看到LD3320接收指令的状态,在LD3320模块的外围设备有一个指示灯,上电之后呼叫“小爱”,指示灯亮起,当二级指令说出之后,指示灯灭,随后音箱根据二级指令做出相应反应。
图2LD3320语音识别模块图3上电之后指示灯亮1.2.2蓝牙模块蓝牙模块,是一种集成蓝牙功能的PCBA 板,主要用于短距离无线通讯,按功能分为蓝牙数据模块和蓝牙语音模块。
蓝牙模块是指集成蓝牙功能的芯片基本电路集合,用于无线网络通基金项目:本文系广东第二师范学院2019年度大学生创新创业训练计划项目,项目编号:201914278101。
蓝牙技术一、蓝牙技术简介:所谓“蓝牙”(Bluetooth)技术,实际上是一种短距离无线通信技术,是由世界著名的5 家大公司———爱立信(Ericsson)、诺基亚(Nokia)、东芝(Toshiba)、IBM 和Intel 公司,于1998 年 5 月联合宣布的一种开放性无线通信规范。
它以低成本的近距离无线连接为基础,为固定与移动设备通信环境建立一个特别连接的短程无线电技术。
其实质内容是建立通用的无线电空中接口,使计算机和通信进一步结合,让不同厂家生产的便携式设备在没有电线或电缆相互连接的情况下,能在近距离范围内具有相互操作的一种技术。
利用“蓝牙”技术,能够有效地简化掌上电脑、笔记本电脑和手机等移动通信终端设备之间的通信,也能够成功地简化以上这些设备与Internet之间的通信,从而使这些现代通信设备与因特网之间的数据传输变得更加迅速高效,为无线通信拓宽道路。
“蓝牙”技术使得现代一些可携带的移动通信设备和电脑设备不必借助电缆就能联网,并且能够实现无线上网,其实际应用范围还可以拓展到各种家电产品、消费电子产品和汽车等信息家电,组成一个巨大的无线通信网络。
下图为基于蓝牙技术的无线局域网的系统模型:二、蓝牙技术的特点:(1) 全球范围适用。
“蓝牙”工作在2.4GHz 的ISM(即工业、科学、医学)频段,全球大多数国家ISM 频段的范围是2.4~2.4835GHz,使用该频段无需向各国的无线电资源管理部门申请许可证。
(2) 可同时传输语音和数据。
“蓝牙”采用电路交换和分组交换技术,支持异步数据信道、三路语音信道以及异步数据与同步语音同时传输的信道。
(3) 可以建立临时性的对等连接(Ad-hoc Connection)。
根据“蓝牙”设备在网络中的角色,可分为主设备(Master)与从设备(Slave)。
主设备是组网连接主动发起连接请求的“蓝牙”设备,几个“蓝牙”设备连接成一个微微网(Piconet)时,其中只有一个主设备,其余的均为从设备。
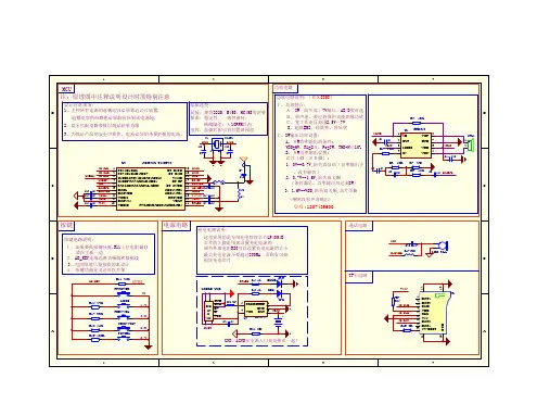
·科教论坛Consume Guide ·Technology Forum■ 李丙 浙江财经学院东方学院基于蓝牙技术的语音传输系统硬件电路设计[摘 要]本文介绍了蓝牙技术原理和实现语音传输系统的蓝牙设备应用模型的原理,设计了蓝牙语音传输系统的硬件电路。
系统以CSR公司的Blucore2-Ex-ternal单芯片为核心,设计了射频部分的外围电路、PCM 编解码和电源的提供及监测电路。
该系统能够完成短距离无障碍无线语音传输,具有很好的应用价值。
[关键词]蓝牙技术 语音传输系统 BC212015BDN一、概述解码和电源的提供及监测电路。
硬件总体结构如图1所示。
无线耳机作为移动电话的附件已经越来越流行的被人们所使用。
传统耳机由于和手机间的有线连接而使应用受限,基于蓝牙技术的无线耳机却有很强适应性。
蓝牙技术是一种短距离的射频无线通信技术,蓝牙耳机应用蓝牙技术实现了蓝牙耳机(HS)与音频网关(AG)之间的无线通信,从而提供手机呼叫免提接听的功能。
本文采用英国剑桥硅无线公司(CSR)的BlueCore2-External单芯片作为蓝牙耳机的核心芯片,实现蓝牙技术下的语音通信。
本系统已应用在实际产品中,经验证,具有通信可靠,传输性能好的优点。
图1 耳机系统结构框图BC2芯片将无线射频和基带部分集成于一个单芯片之上,使外围二、蓝牙语音传输的实现原理元件数量减至最小。
无线输出功率及灵敏度已远远超出了蓝牙规范耳机规范定义了称为超级耳机应用模型的协议和进程,可以应的基本要求,可直接使用廉价的印制RF元件。
内置的可编程RISC处用蜂窝电话和个人电脑等设备。
耳机可以作为设备的音频输入和输理器-的强大功能足以运行耳机及其免提固件。
出界面。
目的在于当保持呼叫保密性时,增加用户的移动自由度。
系统Flash存储器选用富士通公司的MBM29LV400B闪存(U 耳机必须能够发送命令和接收结果码。
这个能力允许耳机回答输入2),容量为4Mbit。
时时音频D/A转换与A/D转换功能是通过摩托罗呼叫以及终止它们,而用户不必手工操作电话按键就可终止通话拉公司的MC145483 (U3) 语音编解码器的PCM连接来完成的。
[1]。
系统使用锂离子电池或锂聚合物电池作为电源供给。
由于系统耳机规范中定义了如下角色:的核心芯片分别需要1.8V和3.3V的电源供给(其中闪存和与编解码音频网关(AG:Audio Gateway):输入和输出音频的网关,作为芯片需3.3V电源供给,Bluecore2-External需要1.8v电源供给。
当音频网关的典型设备是蜂窝电话和个人电脑。
使用工作电压为1.8V的闪存时电路要作相应的改动),因此电源部耳机(HS:Headset):音频网关的远端音频输入和输出机制。
分通过Torex公司的XC6209(U5)将电池电压转换成系统所需电耳机规范要求音频网关和耳机都能够支持SCO链路。
HSP对耳机压。
和相应的手机或计算机的角色没有做特殊规定,它只定义了网关设(二)BC2核心芯片备和耳机设备,但没指定哪个作为主设备,所以它们都可以作为主该芯片内部拥有自己的MCU,集成了射频和基带控制电路,并设备。
HSP应用中只需要很少几种控制功能,包括拨打电话控制,接提供了丰富的外围接口,包括UART、USB、PCM 和12 个PIO、听电话控制和音量调节控制,它们都由AT命令集完成。
HSP没有规AIO、SPI 等。
定安全等级,把它留给整个应用去定义。
BC2射频部分主要包括了RF接收器和RF 发射机。
接收器以一个蓝牙耳机应用框架的协议栈中,基带层对应于OSI七层协议模型接近零点的中频放大器体系构架为特点,允许信道滤波器集成于管的第一层物理层,LMP和L2CAP对应OSI的第2层数据链路层。
芯上。
在低噪声放大器输入端的众多带外模块规范允许无线接收装RFCOMM是蓝牙技术标准采用GSM TS 07.10标准对串口的仿真,置极为紧密的用于GSM和W-CDMA无感光性的移动电话发射机装SDP是服务发现协议。
对这些协议/ 实体来说,串口应用规范置。
使用一个数字频移键控鉴频器意味着不需要辨别箱。
当噪声出(SPP)是基本的标准,蓝牙耳机就是基于串口的应用。
耳机控制建现时其优良的性能可以令BC2超越其它需要共用频道和相邻频道隔值立在A T指令集的基础上,是负责特定控制信令的实体。
音频仿真接的蓝牙技术。
发射机以一个IQ调制器发射机以一个IQ调制器为特口层是仿真移动电话或PC的音频端口的实体,音频驱动是耳机中的点,使一个发射时隙内的频率漂移最化,可以使调制指数受到控驱动软件。
蓝牙耳机系统工作时总是蓝牙耳机(HS)和蓝牙语音网制,数字传输滤波器提供了所需的光谱整形。
射频合成器完全集成关(AG)成对出现的。
同一时间在蓝牙耳机和音频网关间只支持一于主芯片模块上,无需片外的压控振荡(VCO)器屏蔽外壳、可变电抗个音频连接,也就是说是点对点的通信过程。
音频数据传输基于连器调谐二极管或LC振荡器。
续可变斜率增量(CVSD)调制,速率为64kbps,以适应GSM的语(三)BC2射频部分的外围电路音编解码器。
HS和AG角色并不固定。
AG接听呼叫时,AG为射频部分的外围电路包括一个不平衡滤波器、带通滤波器和一Server;HS接听呼叫时,HS为Server。
进行一般操作之前,HS和个印刷天线。
由于所选BC2芯片集成了射频发射机、射频接收机、射AG必须要建立配对关系,这通过蓝牙鉴权和绑定过程来实现,建立频合成器以及IQ调节器,功能完善,因此其外围电路简单、元器件配对关系后下次操作就不用再鉴权了。
HS和AG使用RFCOMM提供少,很容易达到射频要求。
外围电路如图2所示。
串口仿真接口,串口仿真用于传输用户数据、调制解调控制信号以及从耳机到音频网关的A T指令集。
音频网关解析AT指令集并将响应送回耳机[2][3]。
三、蓝牙语音传输系统硬件电路设计(一)总体设计方案系统电路设计围绕CSR公司的BC212015DN BlueCore_2-External 单芯片(简称芯片BC2)。
使用BC2开发蓝牙耳机主要包括这样几个部分:功能按键和状态指示、外置的Flash存储器、PCM 编193·科教论坛194Consume Guide ·Technology Forum图2 射频部分外围电路方法省却了在RF测试之后焊接保护电容C6的步骤。
(四)BC2基带和逻辑部分系统的外围电路设计无论上述的哪种方法,在连接测试中射频损失都是无法避免PCM多媒体数字信号编解码滤波器(Codec-Filter)使用了的。
在制定BC2的功耗表时这个损失是必须考虑的,否则会轻而易举Motorola 的MC145483编解码芯片作为PCM 编解码器,基带和逻辑的超越所允许的最大的二类功率(+4dBm)。
部分系统的外围电路如图3所示。
(五)电源电路电源电路由稳压电路和电压监测电路构成。
系统采用或锂聚合物电池提供3.6V正常电压,经XC6209B330MR稳压成3.3V后输出供给闪存和PCM语音编解码器工作,再经过XC6209B182MR二次稳压成1.8V后供给整个BC2芯片工作。
电压监测电路主要起保护作用,正常情况下,NCP304 输出与输入相同,不影响耳机的工作。
锂离子电池超出使用范围将受损以至减少使用寿命,这是出于它内部的化学效应。
为了使这种破坏效应受到限制,当锂电池电压过低时,为防止其过度放电,测器芯片NCP304输出低电平送给稳压芯片的使能端CE,关闭XC6209,切断对耳机的供电,达到保护的目的。
四、蓝牙系统抗干扰措施蓝牙系统工作在全球通用的2.4GHz ISM(即工业、科学、医学)频段。
ISM频带时无需认证的频段,对所有无线电系统都开放的频带,因此使用其中的某个频段都会遇到不可预测的干扰源。
跳频是蓝牙使用的关键技术之一。
跳频技术是把频带分成若干个跳频信道(hop channel),在一次连接中,无线电收发器按一定的码序列(即一定的规律,技术上叫“伪随机码” )不断的从一个信道图3 PCM接口的外围电路“跳”到另一个信道,只有收发双方是按这个规律进行通信的,而MC145483编解码芯片是13bit 的线性脉冲编码调制芯片,其他的干扰不可能按同样的规律进行干扰;调频的瞬时带宽是很窄PCM编解码器通过13bit 的双向脉冲编码调制接口直接与蓝牙模块相的,但通过扩展频谱技术使这个窄带宽成倍的扩展成宽频带,使干连,模块通过这个接口发送和接收数字语音信号。
PCM 接口主要由扰可能造成的影响变得很小。
与其他工作在相同频段的系统相比,四路信号组成:P C M _ S Y N C 为8KHz 的同步信号,PCM_CLK 为蓝牙跳频更快,数据包更短,这使蓝牙比其它系统都更稳定。
最高256 K H z 的连续时钟信号,PCM_IN 接收经过编码的麦克风语FEC(前向纠错)的使用抑制了长距离链路的随机噪音。
应用了二进制音信号,PCM_OUT 将接收到的远端蓝牙传来的数字语音信号送给调频(FM)技术的跳频收发器被用来抑制干扰和防止脱落[4][5]。
编解码器,经解码驱动扬声器输出。
该13bit 的线性脉冲编码调制芯蓝牙技术本身在传输数据时采用快速跳频技术来抗干扰,而语片,可以提供高质量的语音通信,而且外围电路简单,通过调节相音传输时也采用了相应的具有高容错和纠错的语音编码技术,所以应的电阻比值即可改变麦克风和扬声器的增益大小。
当芯片U1的蓝蓝牙技术在语音传输方面的抗干扰性能是良好的。
牙SCO链接一旦被建立,BC2将会建立与多媒体语音编解码器的PCM数据通信。
MC145483可以直接驱动耳机麦克和扬声器。
电阻五、结论R5、R6设置了耳麦增益。
音量大小的调节可以通过软件来实现。
本设计是针对移动电话中Headset应用原理设计的话音传输系系统通过一个RC网络补偿R5或R6,减少多媒体语音编解码器统,能够完成短距离无障碍无线语音传输的。
蓝牙耳机作为移动电(CODEC)到耳麦的频率响应。
MC145483中包含一个开关电容滤话、PC等的语音输入输出设备,能够在保持私人通话的同时,使用波器可以限制从麦克风传来的音频为3400Hz(低于8ks/s抽样频率户摆脱电缆的束缚而有更大活动自由,因此有着广阔的应用前景。
4kHz的奈奎斯特极限)。
与此类似,CODEC内值的一个200Hz的高通滤波器减少了从麦克风传来的气流或pop噪音。
R14向麦克风加偏压,这为场效应管提供了能量,电源来自于CODEC自身的接口VAG,这已足够为典型的电介体麦克风提供电源供给。
C21和C22提供麦克风和麦克风放大器之间的直流阻隔。
C19和C20清除麦克风放大器中的高频噪声。
R7、R8、R9、R10组成的平衡分离网络决定麦克风的增益。