耐热粉末涂料配方及性能
- 格式:pdf
- 大小:130.11 KB
- 文档页数:4
耐高温涂料配方范文耐高温涂料是一种能够在高温环境下保持稳定性和耐久性的特殊涂料。
这种涂料通常用于涂覆高温设备,如锅炉、烟囱、管道等,以保护它们免受高温热源的损害。
耐高温涂料的配方需要考虑使用材料和添加剂的稳定性、耐久性和耐高温性能。
以下是一个典型的耐高温涂料配方:1.基础材料:-氧化铝:作为填料,用于提高涂料的耐高温性能和耐热性。
-硅酮树脂:作为基础树脂,提供耐高温性和耐腐蚀性。
-氧化锆:用于增强涂料的耐高温性和防火性能。
-硅酸钾:用于增加涂料的粘度和流平性。
2.溶剂:-甲苯:作为稀释剂,在涂料中起到溶解、稀释功能。
-丙酮:用作挥发性溶剂,有助于涂料的快速干燥。
3.添加剂:-纳米氧化铝:用于增加涂料的抗刮擦性和耐磨性。
-纳米二氧化硅:用于增加涂料的增稠性和耐磨性。
-防腐剂:用于提高涂料的耐腐蚀性和防霉性。
-防火剂:用于提高涂料的阻燃性和防火性。
配方步骤:1.将氧化铝、硅酮树脂、氧化锆和硅酸钾按照特定比例混合在一起。
确保均匀混合,以便提供稳定的基础材料。
2.逐渐加入甲苯,并进行搅拌,以溶解和稀释基础材料。
3.添加丙酮并继续搅拌,以促进涂料的干燥。
4.逐渐加入纳米氧化铝和纳米二氧化硅,并继续搅拌,以增加涂料的抗刮擦性和增稠性。
5.最后,添加防腐剂和防火剂,并进行彻底搅拌,以提高涂料的耐腐蚀性和阻燃性。
通过以上配方步骤,得到的涂料具有良好的耐高温性和耐久性,可广泛应用于高温设备的保护涂层。
不过,在实际应用中,还需要根据实际需要进行调整和改进,以满足特定的性能要求。
粉末涂料的主要成分
氧化铝粉末涂料的主要成分主要有氧化铝、石蜡、石膏、沥青、改性
聚氨酯、环氧树脂、氟碳涂料以及树脂等。
氧化铝是氧化铝粉末涂料的主要成分,具有良好的耐腐蚀和耐磨性能,可以抵抗多种酸碱和有机溶剂,也可以延长涂料的使用寿命。
石蜡是此类涂料中另一主要组成部分。
石蜡具有增加涂料的色泽,降
低涂料的耐冲击性和耐磨损性,以及提高冲击强度的作用。
石膏具有抗潮、附着力强等特点,可以改善涂料的抗腐蚀性能和耐老
化性,能够起到增强涂层附着力的作用。
沥青可以使涂料具有耐热性、耐老化性和牢固性,使涂料既可以用于
防腐蚀,又可以用于装饰。
改性聚氨酯是粉末涂料里面的重要外加剂,主要用于改善涂料的抗寒性、耐冲击性和抗污性。
环氧树脂可以使涂料具有高耐腐蚀性,以及耐磨和耐热性,可以有效
防止外界灰尘、湿气等污染物的侵蚀,保护涂层。
氟碳涂料是一种离子涂料,具有抗水污渍、抗腐蚀、耐冲击、耐污性
等优良性能,可以增加涂料的耐磨性和耐污性。
热固性粉末涂料一般是由树脂、固化剂、颜料、填料和助剂组成。
树脂和固化剂是成膜物质,他们在粉末涂料中对粉末涂料和涂抹性能起着决定性的作用,颜料起到涂抹着色和装饰作用,填料可以改进涂抹的刚性和硬性,助剂对于涂抹的外观、光泽、物理性能和涂料的性质起着重要的作用。
具体的成膜过程是这样的:1、软化过程:粉末在吸收一定热量后,粉末中的树脂会因吸热而产生发粘、软化的过程。
2、熔融过程:当粉末中的树脂吸收的热量达到一定程度后,树脂中的活泼的化学键随即打开,粉末就会以熔融的状态存在于产品表面,这一阶段时间极短。
3、流平过程:当粉末以熔融的状态存在于产品表面时,从连续不平整的表面流淌成较为光滑与平整的表面,即为流平过程。
4、固化过程:熔融后粉末涂料的活泼化学键通过交联反应,分子量急剧增长,粘度不断增高,最后固化为坚硬的涂膜,此过程为固化过程。
这时有购买需求的客户,可以咨询郑州佳诺实业有限公司的工作人员进行详细的了解。
我们不仅仅提供粉末涂料产品,更致力于打造全新的喷涂设备,公司拥有一批优秀的专业技术人员,为客户提供全方位的技术支持和解决方案。
硅溶胶耐高温涂料配方
硅溶胶耐高温涂料是一种高温环境下使用的防腐涂料,具有很好的耐高温和耐化学腐蚀性能,广泛应用于铁路、航空航天、石化等行业。
下面为大家介绍硅溶胶耐高温涂料的配方。
1.原材料
主要原材料包括硅溶胶、钛白粉、活性氧化铝、环氧树脂、固化剂、稀释剂、磷酸铁、氧化铬等。
其中,硅溶胶是涂料的主要成分,钛白粉和活性氧化铝用于增加涂料的遮盖力和硬度,环氧树脂和固化剂用于增加涂料的黏附性和硬度,稀释剂用于调整涂料粘度,磷酸铁和氧化铬用于增强涂料的抗腐蚀性能。
2.配方比例
硅溶胶:40%
钛白粉:20%
活性氧化铝:5%
环氧树脂:25%
固化剂:10%
稀释剂:5%
磷酸铁:2%
氧化铬:3%
以上比例是一个基础配方,可以根据具体应用场景进行调整。
3.制作过程
(1)将硅溶胶、钛白粉、活性氧化铝、环氧树脂放入搅拌机中,搅拌均匀。
(2)将稀释剂加入搅拌机中,调整涂料粘度。
(3)将磷酸铁和氧化铬加入涂料中,搅拌均匀。
(4)根据需要添加固化剂。
(5)搅拌均匀后,放置一段时间使其自行反应,达到最佳使用效果。
4.注意事项
在制作过程中需要加入少量的助剂,如流平剂、防沉淀剂等,以获得更好的涂料效果。
另外,在涂料使用过程中应注意控制涂料的温度,以免发生分层或硬化不完全的情况。
陶瓷耐高温涂料研发技术配方
材料配方:
1.陶瓷颜料:选用高温稳定的陶瓷颜料,如氧化铝、氧化锆等。
2.有机聚合物:选择适合高温环境的有机聚合物,如环氧树脂、聚酰亚胺等。
3.高温稳定添加剂:添加具有高耐温性能的添加剂,如硅烷偶联剂、有机硅等,以增加涂料的稳定性。
4.溶剂:选用适合溶解有机聚合物的溶剂,如醋酸乙酯、丙酮等。
工艺步骤:
1.原料准备:将陶瓷颜料粉末与适量的有机聚合物以一定比例混合均匀。
2.溶解有机聚合物:将混合物加入适量的溶剂中,搅拌溶解,直到形成均匀的溶液。
3.添加高温稳定添加剂:将高温稳定添加剂逐步加入溶解的溶液中,并不断搅拌均匀,直到完全混合。
4.扩展溶剂:根据涂料的需要,适量添加溶剂来调整涂料的黏稠度和流动性。
5.过滤:将混合好的涂料用滤纸过滤,去除其中可能存在的不溶物或颗粒杂质。
6.包装贮存:将过滤好的涂料装入罐中,并密封贮存。
注意事项:
1.在制备过程中要保持工作环境清洁,并避免灰尘和杂质的混入。
2.涂料质量受到原料质量的影响,所以要选择高品质的原材料。
3.在溶解有机聚合物时,要注意控制溶剂的用量和溶解温度,确保完全溶解。
4.高温稳定添加剂的使用要符合实际要求,不同类型的陶瓷颜料可能需要不同的添加剂。
5.由于涂料的材料特性,操作时要保持涂料与空气的隔离,以免涂料在空气中发生固化或变质。
以上是陶瓷耐高温涂料的研发技术配方,可以根据具体需求进行调整和改进。
通过合理的材料选用和工艺控制,可以获得优质的耐高温涂料,满足各种高温环境下的保护和涂覆需求。
粉末涂料配方技术简介粉末涂料是一种应用广泛的涂料类型,可以用于金属、塑料和木材等材料的表面涂覆。
粉末涂料具有高效环保、耐久性好、涂层厚度可控等优点,因此被广泛应用于汽车、家电、建筑和工业设备等领域。
本文将探讨粉末涂料配方技术,包括原材料选择、配方设计和制备工艺等方面的内容。
原材料选择树脂树脂是粉末涂料的主要组成部分,决定了涂料的基本性能。
常用的树脂包括环氧树脂、聚酯树脂和聚醇酸树脂等。
树脂的选择应根据涂料的使用环境和要求,以及涂装对象的材料特性来确定。
不同的树脂具有不同的耐候性、耐化学品性能和硬度等特点。
颜料颜料是用来赋予涂料颜色和效果的成分。
颜料的选择要考虑到其稳定性、耐候性和遮盖力等特性。
常用的颜料有无机颜料和有机颜料两类,如氧化铁、钛白粉、铝粉等。
同时,不同颜料的适用性因树脂成分而异,需要进行配方优化。
助剂助剂是粉末涂料中用于调节流变性、降低粘度、改善涂料性能的添加剂。
常用的助剂包括流平剂、消泡剂、固化剂等。
助剂的选择要考虑到对涂料性能的影响,如流平剂的选择要根据涂料的厚度和表面效果要求来确定。
配方设计配方比例粉末涂料的配方比例直接影响到涂料的性能和稳定性。
在配方设计过程中,需要综合考虑树脂、颜料和助剂的相互作用,以及涂料的目标性能和制备工艺的要求。
基于经验和试验数据,确定合适的配方比例是关键。
配方优化在确定初步配方比例后,还需要进行配方优化。
优化的目标是在保持涂料性能的前提下,尽可能降低成本、减少有害物质的使用或改善涂料的使用寿命等。
通过不同原材料的替代和调整,以及合理控制配方比例,可以实现涂料配方的优化。
涂料性能测试配方设计完成后,需要进行涂料性能测试,以验证配方的可行性和满足要求。
常用的涂料性能测试包括粘度测定、固化性能、硬度、附着力、耐腐蚀性和耐热性等。
通过测试结果的分析,可以调整配方和制备工艺,以达到最佳的涂料性能。
制备工艺预混粉末涂料的制备通常包括预混、熔融、粉碎和分级等工艺步骤。
\粉末涂料的制备和配方技术1 粉末涂料的定义、组成和分类1.1 涂料的定义能涂敷于底材表面并形成坚韧连续涂膜的液体或固体高分子材料(摘自于中国大百科全书-化工卷)称为涂料。
粉末涂料顾名思义就是固体粉末状的涂料,或叫粉体涂料。
由于其性能及加工过程与塑料相似,又称之为塑粉(塑料粉末)。
1.2 粉末涂料的组成—成膜物质:树脂,它是涂料成膜的基础,又叫基料。
树脂是粘结颜填料形成坚韧连续膜的主要组分。
—颜料:赋予粉末涂料遮盖性和颜色。
—填料:在一定情况下增加粉末涂料涂膜的耐久性和耐磨性,降低涂膜的收缩率和降低成本。
—助剂:用以增加粉末涂料的成膜性,改善或消除涂膜的缺陷,或使涂膜形成纹理。
—功能组分:赋予涂膜某种特殊功能,如导电、伪装、阻燃等等。
1.3 粉末涂料的分类粉末涂料的品种很多,性能和用途各不相同。
粉末涂料可以按照成膜物质、涂装方法、涂料功能和涂膜外观进行分类。
粉末涂料按主要成膜物的性质分为热塑性粉末涂料和热固性粉末涂料两大类。
粉末涂料按涂装方法和存在的状态可以分为静电粉末喷涂粉末涂料、流化床浸涂粉末涂料、电泳粉末涂料、紫外光固化粉末涂料和水分散粉末涂料等。
粉末涂料按其特殊功能和用途可以分为装饰型粉末涂料、防腐粉末涂料、耐候性粉末涂料、绝缘粉末涂料、抗菌粉末涂料和耐高温粉末涂料等。
粉末涂料按涂膜外观可以分为高光粉末涂料、有光粉末涂料、半光粉末涂料、亚光粉末涂料、无光粉末涂料、皱纹粉末涂料、砂纹粉末涂料、锤纹粉末涂料、绵绵纹粉末涂料、金属粉末涂料和镀镍效果粉末涂料等。
成膜物为热塑性树脂粉末涂料是热塑性粉末涂料,成膜物为热固性树脂的粉末涂料是热固性粉末涂料。
首先开发的是热塑性粉末涂料,热固性粉末涂料由于其涂膜具有各种优异的物理、化学性能及外观装饰性等优点,从而迅速占据市场成为粉末涂料的主流品种。
粉末涂料的生产厂家一般还是以成膜物的种类分类,以方便产品的命名和管理。
1.3.1热塑性树脂和热固性树脂的意义和特性:1.3.2热固性粉末涂料和热塑性粉末涂料的性能特性比较:见下表1-12.热塑性粉末涂料简介热塑性粉末涂料是由热塑性树脂、颜料、填料、增塑剂等经过熔融混合、粉碎、过筛分级得到的。
耐高温1800℃高温涂料配方耐高温1800℃高温涂料配方摘要:耐高温涂料是一种具有耐高温性能的特殊涂料,其应用领域涉及到航空航天、冶金、电子、化工等众多领域。
本文将介绍一种耐高温1800℃高温涂料的配方,希望能为相关行业的工程师和研究人员提供技术支持。
关键词:耐高温涂料、配方、1800℃、耐高温性能一、引言耐高温涂料是一类能在高温环境下保持稳定性和耐久性的特殊涂料。
在航空航天、冶金、电子、化工等领域中,涂料在高温条件下能够保护基材、增加表面的抗氧化和耐腐蚀性能。
二、耐高温涂料的需求随着高温工况的需求不断增加,对耐高温涂料的需求也日益迫切。
传统的涂料难以满足高温环境下的耐腐蚀、耐磨损、耐热衰减等性能要求。
因此,研发一种能够在高温条件下保持优异性能的耐高温涂料具有重要的意义。
三、耐高温1800℃高温涂料配方1. 基材选择主要选择高温稳定的无机材料作为涂料的基材,如氧化铝、氧化锆等。
2. 粉体配方① 氧化铝粉体:45% ② 硼酸钡:20%③ 粘结剂(硅酮树脂):15% ④ 稳定剂:5% ⑤ 增稠剂:5% ⑥ 防腐剂:2% ⑦ 着色剂:5% 以上各种成分按重量比例混合均匀。
3. 涂料制备步骤① 将氧化铝粉体与硼酸钡加入搅拌器中,并加热搅拌至溶解状态。
② 将粘结剂、稳定剂、增稠剂、防腐剂、着色剂等依次加入,并进行均匀的搅拌。
③ 调整稠度和PH值,确保涂料涂布性好,且稳定性良好。
④ 经过搅拌混合的涂料放置一段时间,使其充分反应和固化。
四、耐高温涂料的性能测试1. 耐高温性能测试将涂料样本置于高温炉中,升温至1800℃,并保温一定时间后,观察涂层的变化情况,主要测试其耐腐蚀、耐热衰减性能。
2. 功能性能测试测试涂料的硬度、耐磨性、抗氧化性等功能性能,以确保其能够在高温下保护基材。
五、结论耐高温涂料在航空航天、冶金、电子、化工等领域具有广泛的应用前景。
通过合适的配方和严格的性能测试,耐高温1800℃高温涂料能够满足高温环境下的需求,并具备出色的耐腐蚀、耐磨损、耐热衰减等性能。
硅树脂粉末涂料是目前市场上广泛使用的一种涂料,其具有优良的耐热、耐腐蚀、防水、防腐蚀等特性。
本文将介绍硅树脂粉末涂料的技术参数,包括化学成分、物理性能、应用范围等方面。
一、化学成分硅树脂粉末涂料的主要成分为有机硅聚合物,其成分与配合比例会对涂层性能产生重要影响。
通常情况下,硅树脂粉末涂料中还会添加一些辅助剂,如流平剂、消泡剂、颜料、填料等。
二、物理性能1. 颜色:硅树脂粉末涂料可以根据客户需求进行定制,颜色可自由搭配。
2. 粉末状态:硅树脂粉末涂料通常以粉末形式出现,粒度大小一般在30-50μm之间。
3. 固含量:硅树脂粉末涂料的固含量越高,其涂层的附着力、硬度和耐候性等性能越好。
根据不同的应用需求,可选择固含量在50%-95%之间的涂料。
4. 熔融粘度:硅树脂粉末涂料的熔融粘度会影响其流动性、覆盖率和涂层厚度等性能。
一般来说,熔点越高的硅树脂粉末涂料熔融粘度越高,适用于较厚涂层的应用场合。
5. 硬度:硅树脂粉末涂料的硬度会影响其抗划伤、耐磨损等性能。
硬度可以通过调整配方中填料、交联剂等成分来实现。
6. 耐热性:硅树脂粉末涂料具有良好的耐热性,一般能够承受高达400℃的温度。
这种特性使得硅树脂粉末涂料广泛应用于高温场合。
7. 耐腐蚀性:硅树脂粉末涂料具有优异的耐腐蚀性,尤其是对酸、碱等腐蚀性物质的抵抗能力较强。
三、应用范围硅树脂粉末涂料可以广泛应用于各种金属表面的防腐、防水、耐热和耐腐蚀等领域,如汽车、电子、建材、机械等行业。
同时,硅树脂粉末涂料还可以应用于钢结构、铸件、铝合金、铜等金属表面的涂装,以提高其耐久性和美观度。
综上所述,硅树脂粉末涂料具有优良的物理性能和广泛的应用范围,是一种高性能的涂料产品。
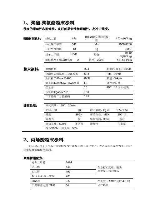
1、聚酯-聚氨酯粉末涂料优良的流动性和耐蚀性,良好的柔韧性和耐潮性,高冲击强度。
聚酯树脂配方: 新戊二醇 494 108-230℃反应到酸值4.7mgKOH/g 环已烷二甲醇 342 Mn 2000-2200 三羟甲基丙烷 43 Tg 58℃对苯二甲酸1081羟值 40-50 mgKOH/g 酸催化剂FasCat4100 2粘度,200℃ 1.4-1.8.Pa.s粉末涂料:聚酯树脂55.4 树脂/交联剂:80/20 封闭型异佛尔酮二异氰酸酯 13.8 P/B :30/70 钛白粉Ti-Pure R-960 29.32 粒度<74μm 流平剂Modaflow Powder Ⅱ 1.0 储存稳定性: 安息香0.3 49℃×10天不结块 抗氧剂Irganox 1010 0.03 二丁基锡二月桂酸酯 0.15漆膜性能:固化周期:180℃×20min光泽,60° 93 冲击强度,kg·m 1.74/1.74 硬度 H-2H 耐溶剂性,MEK 200+次 附着力优 轴棒弯曲,3mm 通过 耐盐雾性,500hr不潜伸耐潮性 不起潮QUV500hr ,保光率:56%2、丙烯酸粉末涂料近年来,由于(甲基)丙烯酸缩水甘油酯开始工业化生产,大多以其共聚物为主,以封闭型异氰酸酯作交联剂。
聚酯树脂配方:对苯二甲醇 1494 在250℃反应,脱去 理论反应水后加入已二醇 146 乙二醇497 1,4环已烷二甲醇 721 Sb2O30.5 在真空下270℃反应4小时 进行解聚 三羟甲基丙烷 TMP 54性质:羟值33mgKOH/g酸值1.6 mgKOH/g软化点125℃Mn 5200丙烯酸树脂配方:二甲苯3000甲基丙烯酸丁酯312 共聚体,羟值77 mgKOH/g甲基丙烯酸甲酯600 软化点105℃甲基丙烯酸羟丙酯230丙烯酸缩水甘油酯25偶氮二异丁腈50正十二烷基硫醇 2聚酯/丙烯酸树脂复合物配方聚酯树脂70 170℃下反应1小时丙烯酸树脂30涂料配方:上述聚酯/丙烯酸复合物 5聚酯树脂67丙烯酸树脂28Vestagon B 1530 23钛白粉40流平剂 1涂料性能:固化条件——200℃×20min光泽,60°98% Erichsen 杯突>7mm 轴棒弯曲,3mm 通过Dupont 冲击强度50cm 硬度2H 日光老化仪500hr,保光性84% 耐污染性优。
耐高温涂料1600度配方耐高温涂料是一种可以在高温环境下长时间使用的特殊涂料。
它能够有效地保护被涂物体免受高温的侵害,并防止其产生化学变化、褪色、剥落等问题,从而延长其使用寿命。
耐高温涂料广泛应用于各个领域,包括航空航天、能源、石油化工、冶金等行业。
在这些领域中,高温环境是非常常见的,因此对于涂料的耐高温性能要求也很高。
耐高温涂料1600度配方就是为应对这种需求而设计的。
耐高温涂料1600度配方的主要组成部分包括聚合物树脂、填料、稀释剂和助剂等。
聚合物树脂是耐高温涂料的主要成分,它能够在高温下保持涂层的稳定性,并形成耐磨损的保护层。
填料可以增加涂层的硬度和抗压强度,提高其耐高温性能。
稀释剂用于调节涂料的粘度,使其更易于施工。
助剂则用于增加涂料的附着力、抗腐蚀性和耐化学性。
耐高温涂料1600度配方的制备过程较为复杂。
首先,选择合适的聚合物树脂,根据使用环境的要求确定其热稳定性和化学稳定性。
然后,选择适当的填料和稀释剂,根据涂层的要求确定其硬度、粘度和施工性能。
最后,加入适量的助剂,调整涂料的性能。
在制备耐高温涂料1600度配方时,需要注意以下几点。
首先,选择的聚合物树脂应具有良好的热稳定性和化学稳定性,能够在高温下保持其结构的稳定性。
其次,填料应具有较高的熔点和抗压强度,能够在高温下保持涂层的稳定性。
稀释剂应具有适当的挥发性和溶解性,使得涂料更易于施工。
最后,助剂的选择要根据涂料的要求确定,以提高涂料的性能。
在使用耐高温涂料1600度配方时,应注意以下几点。
首先,正确选择使用场景,确保涂料能够应对高温环境。
其次,施工前应对涂料进行搅拌,确保涂料的成分均匀混合,并达到最佳施工状态。
施工时应注意涂料的均匀性和涂布厚度,以确保涂层的性能。
最后,在高温环境下,涂料需要经过一定时间的固化和烘烤,以达到最佳的耐高温性能。
总之,耐高温涂料1600度配方是一种重要的涂料配方,它能够在高温环境下提供有效的保护,并延长涂层的使用寿命。
耐热粉末涂料配方及性能
用不同种类环氧树脂,或加以改性,并选用适当的固化剂和颜填料,可以制备成性能比
较全面的耐热(200~600℃)粉末涂料。
前言
耐热粉末涂料是指能长期经受200℃以上高温,涂膜不变色、不破坏,仍能保持适当物
理力学性能的保护性粉末涂料。有机硅粉末涂料的耐热性能比较高,但其价格高,初期外观
及机械性能不太好,固化温度高,而且要获得长期耐400℃以上高温的涂膜相当困难。环氧
树脂本身的耐热性能虽然比有机硅树脂差,但是它的性能比较全面;通过改性和加入适当的
固化剂及颜填料,同样可以得到较好的耐热性能。因此,耐热环氧粉末涂料得到广泛的应用。
1、耐热环氧粉末涂料的性能要求
1.1耐热性
耐热性是最重要的性能指标,有些产品不一定长期在某一高温下使用,因此,耐热
性又可分为长期和短期两种。根据使用对象及其它方面的性能要求,选择恰当的改性环氧树
脂,固化剂和颜填料,才能达到价廉物美的目的。
1.2机械性能
包括初期和后期的机械性能。由于固化剂和颜填料的选用上受到一定的限制,其机
械性能比一般粉末涂料的要求可略为降低;但后期机械性能不能降低太多,这点是很重要的。
1.3防腐性能(包括耐化学性能)
环氧树脂的防腐性能比较好,因此,环氧粉末涂料完全能达到这方面的要求。
1.4外观
包括平整度、光泽,颜色等性能。平整度可根据使用对象不同而有所区别。一般应
允许有轻微的桔皮。光泽大都要求平光和亚光,这是完全可以达到的。至于颜色,特别是浅
颜色,要做到一点不变比较困难。可适当加入抗氧剂和受阻胺等加以解决。
1.5贮存稳定性
由于不是高温快固,而且选用树脂的Tg较高,因此贮存稳定性应该是没有问题的。
2、耐热环氧粉末涂料的原料
2.1环氧树脂种类的选择
一般采用双酚A环氧树脂。其它耐热性好的环氧树脂有:
(1)双酚A酚醛环氧
溶点65℃,环氧当量201,Tg=224℃;综合性能良好。
(2)萘环酚醛型环氧
熔点110~115℃,环氧当量240~275,Tg=300℃。熔融粘度低,粘结力强。
(3)二苯型环氧[YX-4020H(日本油化シエ/C)]
(4)4-4'-二氨基二苯甲烷四缩水甘油胺(TGDDM)[ELM434(日本住友化工)]
环氧当量117~134,最高Tg=240℃。
2.2环氧树脂的改性
2.2.1有机硅树脂改性
聚硅氧烷改性环氧树脂,既能降低环氧树脂的内应力,又能增加环氧树脂的柔韧性
和耐高温性能。通过聚硅氧烷的活性端基(Si—OH,—NH2,烷氧基等)与环氧树脂的环
氧基、羟基反应,生成嵌段高聚物。例如,将环氧树脂的环己酮溶液与活性有机硅的二甲苯
溶液加入三口烧瓶中,加入催化剂三乙酰丙酮铝,升温至回流温度,反应完成后,减压蒸出
溶剂,即得有机硅改性环氧树脂。将环氧树脂与甲基苯基硅树脂机械混合,也可达到改性的
目的。例如:
甲基苯基硅树脂粉(100~250目)100份
环氧树脂(100~250目)45份
铅玻璃粉(熔点450℃,200~400目)150份
Fe2O3(1μm)3份
所得粉末涂料能经受500~700℃高温不剥落。
2.2.2苹果酰胺(malamide)化合物改性
苹果酰胺改性环氧粉末涂料配方及性能如下:
苹果酰胺化合物30份
环氧树脂70份
线型甲酚醛树脂50份
二甲基咪唑2份
耐结块性良好
初期剪断接着力/(kg·cm-2)150
耐热率*/%80
*:试片经200℃放置1000h后测定剪断接着力与初期剪断接着力之比。
2.3纳米填料改性环氧树脂
用硅偶联剂通过原位分散聚合法制备的纳米SiO2环氧树脂复合材料,对环氧树脂
起到较好的增强增韧作用;并提高了环氧树脂的耐热性能。
纳米SiO2改性环氧树脂制备方法:在搅拌状态下将已烘干的纳米SiO2加到有偶
联剂的丙酮溶液中,然后用超声波处理30min,将该溶液和环氧树脂搅拌均匀后脱除溶剂,
升温至130℃反应1h,冷却后即可。全球涂料网了解到,纳米蒙脱土改性环氧树脂也可提高
环氧树脂的耐热性能和阻燃性能。
2.4固化剂的选择
固化剂的种类对环氧树脂的耐热性也有很大影响。一般来说,酸酐类固化剂的耐热
性较好。
比较通用的固化剂有以下几种:
(1)均苯四甲酸酐(PMDA)
熔点280℃,热变形温度290℃。
(2)苯酮四酸二酐(BTDA)
熔点227℃,热变形温度大于280℃。
(3)偏苯三酐咪唑酯
式中:R1——苯基,R2——氰乙基。
化学名称为:苄氰乙基-2-苯基咪唑一偏苯三甲酸(商品名キュアゾ一ル2MZ-CNS,
日本四国化成厂)。
(4)硼酚醛树脂(FB酚醛树脂)
以硼酸、硼砂,双酚A和甲醛水溶液为原料,在NaOH催化下缩聚而成。
已商品化的F系列固化剂可使环氧树脂耐300~400℃高温,而且仍然保持较高粘结
强度。
2.5颜填料的选择
颜填料对环氧粉末涂料的耐热性能有很大的作用,选用适当的颜填料,可以显著提
高环氧粉末涂料的耐热性能。
2.5.1颜料的选择
一般无机颜料的耐热性较好,大部分可以采用。黑色颜料可采用铬铜颜料
(SheperdColor公司生产)。铝粉耐热性也很好,但高温下易变色;可预先用氟碳树脂作包
覆处理。
2.5.2填料的选择
一般无机填料均有较好的耐热性,其中比较适用的是硅灰粉(硅酸钙)和云母粉。
两者可单独使用,也可按一定比例配合使用。具体型号如:硅灰粉NyadM400(Nyco公司),
金云母Surorite325HK(加拿大Surorite云母公司)。六钛酸钾晶须也可采用,它除耐热性
好外,还可提高涂层的硬度、耐磨性,耐化学稳定性和耐候性,用量为5%~30%。
2.5.3低熔点玻璃粉
低熔点(400~500℃)玻璃粉是由氧化硅、氧化钠、氧化钾,氧化硼为原料制备而
成;其细度在10μm以下;一般为空心球状;比重0.4,如美国PQ公司生产的Q-Cell7040S
等。使用量为10%~50%。还可加入少量玻璃助熔剂。低熔点玻璃粉也可用氟锆酸钡
(BaZr2F10)代替。
3、耐热环氧粉末涂料配方举例
(1)线圈用环氧粉末配方及性能如下:
环氧树脂(Epikote1001)15份
环氧树脂(Epikote1002)15份
环氧树脂(Epikote1007)30份
甲酚醛环氧树脂40份
硅酸钙35份
CaCO335份
流平剂0.3份
缩丁醛树脂3份
二苯酮四甲酸酐24.5份
甲酚醛树脂(OCN-120)9份
三苯膦0.5份
固化条件:180℃,30min。
Tg147℃
胶化时间(200℃)/s25
耐热性(450℃,5min)无变化(可变色)
(2)用偏苯三酐-咪唑固化环氧粉末的配方及性能如下:
环氧树脂(Epikote1007)20份
环氧树脂(Epikote1004)20份
线型酚醛环氧树脂(EPPN201)40份
线型甲酚醛环氧树脂(EPCN104)20份
硅灰粉(或云母粉)30份
CaCO330份
流平剂0.3份
双氰胺2份
偏苯三酐-咪唑酯固化剂6份
外观优良
胶化时间(200℃)/s10~11
胶化时间(贮存后)/s8~9
耐热性/℃450~480
贮存稳定性(40℃,7d)良好
4、结语
耐高温的聚合物品种很多,但要制备出各方面性能都能符合要求的粉末涂料,仍存
在一定的困难和问题。用环氧树脂经改性和选用适当的固化剂和颜填料,可以制得不同高温
要求(200~600℃)的粉末涂料。耐热环氧粉末涂料可广泛应用于家电产品:如烧烤炉、暖
风机、大功率灯饰,以及机械设备的高温部分,如排烟管道、高温炉、石油化工装置、飞机、
导弹,宇航设备等的涂装保护。耐热环氧粉末涂料还可用于电气绝缘材料方面的涂覆。采用
溴化环氧树脂或加入适当的阻燃剂,还可作为阻燃粉末涂料使用。
中国新型涂料网