井场数据远程传输监控系统
- 格式:doc
- 大小:570.50 KB
- 文档页数:3
综合录井实时数据采集及数据监控技术探讨摘要:经过多年发展,地质录井在信息化建设方面取得了长足进步,在录井现场建立起以卫星网络为基础的信息传输网络。
在此基础上,开发实时数据采集及数据监控系统,通过采集综合录井仪各项参数,实现数据的实时发布,达到对现场工况的监控效果,对于进一步提升地质录井在油田勘探开发中的作用具有重要意义。
关键词:综合录井;数据实时采集;数据监控1 前言地质录井在油田勘探开发过程中发挥重要作用。
地质录井通过综合录井仪能够采集多种参数,实现对钻井液、钻井工程、烃类气体等实时分析,达到对钻井工程及气测显示的实时监测。
随着信息技术的发展,录井现场信息化建设程度越来越高,在录井现场配置有卫星网络,能够实现录井现场野外与基地的实时数据传输,在录井现场建立起数据实时采集及传输系统,将综合录井参数实时传送会基地,实现各项参数实时发布,达到对录井现场工程状况的监控效果,能够进一步提升地质录井信息化水平。
2 硬件情况根据录井现场实时情况,搭建系统硬件运行环境,建立井场无线网络环境,将无线WiFi覆盖到整个钻录井现场,便于井场各部门都能方便使用井场数据管理与应用系统进行实时数据监控、随钻分析行系统功能。
在基地,主要是依托现有的网络设施,完成数据存储、发布。
录井现场硬件组成如下图1所示,在综合录井仪器房,有综合录井仪路由器,通过路由器将数据采集电脑终端与综合录井仪器相连,通过专门的采集软件,就能够实时采集综合录井仪器各项参数,对数据进行分类存储,进行实时发布,从而实现综合录井数据的采集及监控功能。
图1 综合录井现场数据采集硬件组成3 综合录井仪实时数据采集功能研究实时数据采集模块由系统初始化设置、数据采集传输、辅助功能、Wits发送四部分组成,系统初始化设置为现场提供井号设置、综合录井仪型号选取、地质数据自动采集设置、地化数据自动采集设置、新技术数据自动采集设置、井场数据自动存储设置;数据采集传输包括从综合录井仪开始采集数据和向基地发送数据功能;辅助功能包括数据计算设置、A7系统数据接口、在线通讯、设置钻井作业状态、文件传输功能;Wits发送提供Wits0数据通讯功能。
• 152•无线通信技术是一种现代先进通信技术,其在油气田井场站中的应用日益广泛,在油气田信息化中也扮演着至关重要的角色。
无线通信技术经过不断应用及实践,技术逐渐成熟,也应用在了更多的企业、公司的经营及生产场景,本文主要就无线通信传输技术在油气田井场站的应用情况进行了论述。
目前,众多油田开始数字化转型,生产现场信息化程度越来越高,对网络传输的速率及稳定性的要求也日益变高。
但很多油气田的井场站存在地处偏远,自然条件恶劣等特点,要求数据传输必须可靠,传统有线通信方式难以实现,因此需采用无线通信的方式,适应极端自然条件下数据的传输。
目前多数偏远井站已采用3G 传输,部分井站也采用4G 传输,这两种传输方式在很大程度上解决了偏远井站传输问题。
1 无线通信的简介1.1 3G无线通信3G 无线技术是高速传输的蜂窝移动通信技术。
3G 技术都是基于CDMA (即码分多址),分别是中国电信的CDMA2000,遵照3GPP2标准,中国移动的TD-SCDMA ,和中国联通的WCDMA 技术,遵照3GPP 标准。
1.2 4G无线通信4G 无线通信,是基于0FDM (即正交频分多址)的一种全IP 全数字,具有超过2Mb/s 的传输能力、在移动环境下速率可达到100Mbps 、在静止环境下速率可达到1Gbps 以上的、能够支持各种应用,且能在静止和移动之间方便切换,可满足油气田多种高带宽业务的发展需要。
目前井场站试用的运用商为中国移动。
1.3 无线参数标准及频段:L TE TDD:2600/2300MHz ;UMTS:2100/900MHz ;GSM:850/900/1800/1900MHz ;RxDiv Band:UMTS 2100/900MHzL TE TDD 2600/2300MHz编码方案:LTE/UMTS/HSPA+/HSDPA/HSUPA/WCDMA/EDGE/GSM 通信带宽:LET FDD:DL 100Mbps/UL 50Mbps 发射功率:WCDMA/HSDPA:24dBm LET:23dBm 接受灵敏度:<-109dBm 1.4 无线传输平台软件功能支持VPN 安全隧道功能,包括PPTP+MPPE+MPPC 和IPSEC+L2TP 支持高速HSPDA/HSUPA 功能支持IPTABLES 防火墙,包过滤功能支持多种协议:TCP/IP ,UDP ,ICMP ,SMTP ,HTTP ,POP3,OICQ ,TEL-NET ,FTP 等支持动态路由和静态路由支持DHCPD/DHCP 功能支持NAT 功能,如SNAT ,DNAT 支持动态DDNS 支持DMZ 主机支持APN/VPDN 网络方便的WEB 配置,支持远程WEB 管理支持多种无线拨号方式:自动分配,指定IP ,指定本地对端IP 支持实时时钟sntp ,在线更新时间多种唤醒方式(电话、短信、本地数据)中国石油西南油气田通信与信息技术中心 罗 蓓无线通信在油气田井场站的应用• 153•支持上网时间段管理支持DTU功能方便易用的COM及SYSLOG系统诊断,调试功能支持日志查看2 无线通信在油气田的应用及现实意义2.1 无线通信在油气田的应用目前,大部分油气田场站采用3G\4G无线传输,利用L2TP隧道技术构建虚拟专用网络。
SCADA系统在延长气田富县延694井区采气集输行业的应用发布时间:2022-12-28T01:42:56.831Z 来源:《中国建设信息化》2022年第17期作者:晁肖哲[导读] SCADA(数据采集与监视控制系统)是基于计算机技术、晁肖哲陕西延长石油(集团)有限责任公司油气勘探公司陕西延安 716000【摘要】SCADA(数据采集与监视控制系统)是基于计算机技术、控制技术、通信与网络技术的生产过程与调度自动化系统。
它可以对生产过程、现场设备进行监视和控制,完成对测控点分散的各种过程或设备的实时数据采集,本地或远程的自动控制,以实现数据采集处理、设备控制、运行分析、参数条件、各种报警等功能。
通过延694井区的实际应用,该套系统满足预期的控制效果,证明SCADA技术适用于天然气集输行业。
【关键词】天然气集输;过程控制;SCADA;0 引言延694集气站站控系统硬件采用Allen-Bradley 1756系列双机热备冗余PLC,集气站SCS控制系统分为过程控制单元和ESD(安全仪表系统)控制单元,利用过程控制单元对生产过程进行控制,利用ESD控制单元对集气站内需紧急关断和放空的设备进行连锁控制,SIL等级为二级。
调控中心负责实时采集井区各场站(集气站、井场、天然气净化厂)的工艺运行参数、设备运行状态及各辅助系统的相关数据,进行集中展示、监控和调度。
调度中心采用Allen-Bradley SCADA软件,网络架构为C/S架构,实时服务器和历史服务器冗余配置。
在整个网络采用GPS校时,保证各个组成部分时钟一致。
1 井场控制 RTU控制系统[1]以实现对采气井场远程控制仪表的信号采集及控制,各采气井场所属集气站站控系统和调控中心对采气井场进行远距离数据采集、监视控制、安全保护和统一调度管理。
设备主要由采气橇、发球橇、橇外仪表及附属设备组成。
RTU主要功能有:对现场的工艺变量进行数据采集和处理;监控井口高低压紧急关断阀和井口智能开关井电动可调节针阀;数据存储及处理;可燃/有毒气体浓度监测;采气橇逻辑控制;为站控系统和调控中心提供有关数据;接受并执行站控系统和调控中心下达的命令等。
实时数据服务(RTD S)钻机上仪器采集的数据往往有多种格式,需要在实时状态下进行聚合以在软件平台上做快速分析。
实时数据服务(RTDS)提供端到端的实时数据采集、管理和交付服务,驱动钻井工作流。
RTDS服务特点●实时数据聚合●供应商中立的服务●支持多种数据类型和格式●聚合后的数据流能发送给任意WITSML数据库●与综合数据管理工具无缝集成●通过网络或在Techlog*和Petrel*平台上浏览数据●由斯伦贝谢专业人员提供安装和24/7的支持广泛的数据采集我们的实时数据系统在井场采集多种类型的数据,另外,还能轻松进行扩展以支持更多的数据格式:-WITS (串行,文件, TCP,http)-WITSML (1.1, 1.2, 1.3.1.1 客户端和服务器)-OPC-DA 与 OPC-UA (客户端)-DLIS-CSV综合数据管理RTDS能向任意WITSML数据服务器发送聚合后的实时数据流,例如InterACT* 全球连接、协作和信息服务平台,或者地区性的实时数据中心。
通过我们的综合数据管理系统Prosource,井场与后方数据中心得以实现无缝集成,客户能利用实时数据在作业过程中做出有效的决策。
实时数据交付用户可以从作业支持中心直接用网络浏览器查看实时数据,或者把数据传给类似于Techlog (井筒软件平台)和Petrel(勘探开发软件平台)这样的分析软件。
安全的远程系统监控和支持RTDS提供的标准化基础设施保证在任何钻机上都有可靠而有效的数据支持。
我们拥有受过良好培训的专业工程师,他们不仅了解钻机数据的监控和交付,也精通网络连接及相关服务器。
他们提供 24/7 的支持,帮助解决钻井队可能遇到的各种问题。
通过把井场数据传送到InterACT,斯伦贝谢得以对数据交付、数据质量和绩效的所有方面进行主动持续的监控。
问题在对钻井队产生不良影响之前被识别并解决,提高了正常作业时间和服务的可靠性。
完整的实时数据服务RTDS提供数据采集、数据交付和显示,使勘探开发数据的价值最大化。
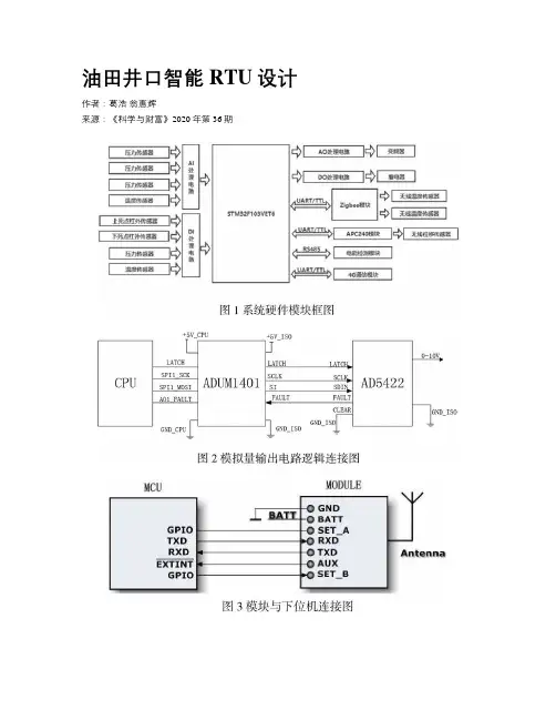
油田井口智能RTU设计作者:葛浩翁惠辉来源:《科学与财富》2020年第36期摘要:本文针对油田数字化与智能化监控需求,介绍了一种基于STM32F103VET6处理芯片的油田井口智能RTU系统设计方案。
研制以ARM嵌入式系统为核心的RTU,采用多种类型的无线数据传输模块,并进行采集与控制电路、通信电路及电能检测模块电路设计。
与传统的 RTU 相比,该方案具有功能多、处理速度快、现场应用灵活和通信接口丰富等优点。
关键词:RTU;ARM嵌入式;无线通信引言随着近年来油田数字化逐步向智能化不断迈进,基于物联网的油气生产监控系统已成为各大油田智能化建设的主要趋势。
数字化与智能化油田井场生产监控的关键核心是以RTU为控制核心远程监测抽油井的三相电参数、油压、套压、回压、功图、炉温、出口压力等参数。
因此研制油井井口智能RTU在数字化与智能化油田监控具有重要的现实意义和应用价值。
针对数字化与智能化油田井场监控技术特点,并结合油田数字化井场监控系统项目要求,对油田井场生产工艺与井场监测设备以及数字化井场监控系统进行分析,确定油井智能RTU功能需求与技术指标。
1.系统总体方案油田工业现场这一特殊环境决定了CPU要有足够的可靠性和低功耗。
ARM系列处理器性能高、功耗低,恰恰符合本设计要求[1]。
根据 RTU 的功能要求,本系统设计以STM32F103VET6为主控制芯片,硬件由电源模块、电能检测模块、采集模块、控制输出模块和通信模块组成,其中通信模块又包含APC240无线模块、Zigbee无线模块及4G网络通讯模块。
其系统硬件模块框图如图1所示:2.采集电路设计:信息采集包括設备运行状态信息的采集和环境信息采集,需要远程监测抽油井的数据主要有:油压、套压、回压、功图、井温、炉温、出口压力[2]。
在数字量输入输出电路中采用了芯片TLP185,即采用光电耦合器进行隔离,发光二极管把输入的电信号转换为光信号,光信号经过光敏管转换为电信号输出。
天然气井场4G无线传输方式优化研究摘要:4G无线传输作为一种现代通信技术,在气田智能化管理中扮演着至关重要的角色。
本文主要就天然气井场4G无线传输方式优化进行研究论述,并通过多种现场优化试验,进一步提高气井数据传输的效率、可靠性和安全性,为气井数字化、智能化提供更好的支持和解决方案。
关键词:气田智能化;4G无线传输;通信设备;数据采集引言随着智能气田建设,天然气井场数字化设备仪表应用日益广泛,生产现场信息化程度越来越高,对数据传输、指令下达的效率、可靠性的要求也日益变高。
目前,由于部分气井地理位置偏远、自然条件恶劣,存在传输信号差的问题,传统4G无线传输难以实现,故而本文就4G无线传输方式优化展开研究,以解决生产中的实际问题,提高气井监测和管理的水平。
一、气井4G无线传输技术简述当前,无线传输已经成为当今世界不可或缺的科技成果,被广泛地应用到各行各业中,本文所述的气井4G无线通信,是基于0FDM(即正交频分多址)的一种全IP全数字,具有超过2Mb/s的传输能力、在移动环境下速率可达到100Mbps、在静止环境下速率可达到lGbps以上的、能够支持各种应用,且能在静止和移动之间方便切换,能够达到采集误差小、无线通讯误码率低的目标,可满足气井智能化建设中多种高带宽业务的发展需要,其高速网络传输及大容量数据储存为采气作业生产提供了技术支持,在智能采气领域有着较高的应用价值。
长庆油田分公司第二采气厂(下文简称“第二采气厂”)在榆林南气田、子洲气田、米脂气田、神木气田均有应用4G无线通信技术,在实际生产应用中,具有如下优势:首先,4G通信实现了数据的远程实时传输。
工作人员能通过监控系统对生产数据进行实时监控,并通过对数据进行处理,形成可视化数据报表,实现在线分析、历史查询等功能,这些都为生产管理及现场操作人员把控生产状况提供了可靠的保障。
其次,针对气井环境的复杂性,与光缆传输相比,4G无线传输技术在保证相同的数据传输效率的基础上,具有对故障处理速度更快的优点。
油田作业现场云端智能监控系统摘要:随着云平台和微服务技术的不断发展,视频监控技术渐渐向高并发、轻量化发展。
而油田作业现场现有的视频监控系统目前仅实现了基本的监控功能,在架构上存在系统响应速度慢、客户端部署困难、系统拓展性差、未与现有办公网络的对接等问题。
另外,油田作业现场作为油田生产作业的重要工作环境,存在许多需要重点监视和防范的危险因素,例如火灾、管道油液泄漏、违规抽烟等。
面对这些具有突发性、隐蔽性的安全隐患,目前油田并没有有效的应对措施,仍主要依靠人工巡查,以及通过视频监控被动监视的方式应对。
针对上述问题,部分作业现场安装了视频监控设备,虽然对解决上述问题起到了一定的作用,也减轻了外出排查的工作量,但本质上是一种被动式监控,无法保证监控的及时性、有效性和系统性,也不利于管理人员实时、准确、全面地掌握安全隐患。
关键词:油田作业现场;云端智能监控;系统引言随着数字技术的发展,油田逐渐采用视频监控、雷达预警、无人机巡逻等现场监控手段。
目前,相关视频数据存储和监控平台是独立的,因此应用和管理不容易。
因此,要整合监测数据资源,建立综合智能监测系统,进行集中通话和监测,在此基础上研究智能监测技术,快速准确地掌握现场异常情况,实现24小时自动监测。
1云端智能监控系统架构油田作业现场云端智能监控系统采用4层架构模式,具体分为存储层、服务层、传输层、应用层四层。
数据存储层包括消息总线、公司文件、系统缓存、数据库数据等,主要为油田作业现场云端智能监控系统提供数据支撑;服务层包括服务通信、Docker和Kubernetes技术、系统基础服务组件等;传输层主要是API网关;应用层包括IOT设备、移动设备、PC设备等。
当用户在应用层中提出访问请求时,传输层会将用户访问的请求传输给服务层;服务层会对用户的访问请求进行解析并向存储层请求不同类型的数据,在得到存储层的响应后通过传输层返回相应的数据给应用层。
2云端智能识别技术2.1系统功能智能云识别系统建立在高性能云计算服务器上,前端提供多种基于云的智能服务,包括数据分析服务、图像识别服务等。
油田无线视频监控系统解决方案目录一、项目简述: (3)1、设计依据: (3)2、设计思想与原则 (4)二、用户需求分析 (5)三、系统设计: (6)1、系统设计示意图: (6)2、视频采集部分方案设计 (7)3、无线传输部分方案设计 (8)4、监控中心部分方案设计: (10)四、系统设计特点及先进性: (11)五系统配置和设备选型介绍 (12)1、设备选型原则 (12)2、设备选型介绍 (12)2.1摄像机、云台、及辅助光源 (12)2.2 BNC-IPV800HDW视频服务器 (16)2.3 BNC-IPV800HCW视频解码器 (18)2.4无线网桥-VL (20)2.4无线网桥-B100 (27)2.5海康硬盘录像机-DS-8016HS-ST (32)2.6 AD1024R矩阵 (33)2.7 AD2078X/AD2079X主控操作键盘 (35)2.8 海信液晶电视墙 (38)六、机房要求 (41)1、布置要求 (41)2、系统供电及接地 (41)七、验收与服务 (41)一、项目简述:本油田无线视频监控系统建设的总体目标是:综合运用多种技术防范手段,对油区进行整体的、严密的监控,充分保障石油管理区内石油、油井、管道等财物的安全。
本系统共设置视频采集、无线传输、集中监控三个子系统。
在保证本系统运行良好的情况下整合原有监控资源,实现油区油井的智能集中监控。
监控系统对重要区域和出入口进行严密的控制和管理,有效的保护重点防范区域的安全。
通过技防手段,为油井实现科学管理提供便利和依据。
设计依据:Φ依据用户提出的监控要求、油井实际分布情况和目前现有监控资源情况;Φ中华人民共和国防盗报警控制器材通用技术条件(GB12663-90)Φ中华人民共和国公安部安全防范工程程序与要求(GA75-94)Φ工业电视系统工程设计规范(GBF115-87)Φ工程建设标准规范分类汇编《电气设计规范》Φ中华人民共和国公安部“营业场所风险等级和防护级别的规定”(GA38一92)Φ中华人民共和国“营业场所安全防范工程设计规范”(GB/T16676-1996)Φ中华人民共和国技术监督局发布的GB50198-94《民用闭路电视系统工程技术规范》。
单井井场的数字化建设张斌;兰军;彭韬;贺红霞;刘国强;仲庭祥【摘要】为了配套长庆油田公司数字化后续建设,保证数据采集、传输及控制的可靠性,通过现场调研,以及对现有数字化系统的运行状况分析,研制了油井遥控采集装置.单井、偏远井场数字化系统全部实现无线传输,无线链路采用物联网的主流技术,抛弃了常规RTU作为井场采集和控制核心的方案,不再使用井场RTU,有效地降低了系统成本;系统保留了常规数字化监控方案的所有监控功能,同样适用于多口油井的丛式井场监控.【期刊名称】《油气田地面工程》【年(卷),期】2013(032)003【总页数】1页(P76)【关键词】规模化;单井;偏远井场;数字化;装置;成本【作者】张斌;兰军;彭韬;贺红霞;刘国强;仲庭祥【作者单位】长庆油田实业集团;长庆油田实业集团;长庆油田超低渗透油藏第四项目部;长庆油田实业集团;长庆油田实业集团;长庆油田数字与信息管理部【正文语种】中文为了配套长庆油田公司数字化后续建设,保证数据采集、传输及控制的可靠性,进一步降低设备运行中的故障率,提高系统运行的稳定性,采用Zigbee技术,也就是物联网技术的核心和主流技术,实现井口—井场的传输链路无线化,提出单井井场、偏远井场的数字化建设方案;同时,通过现场调研,以及对现有数字化系统的运行状况分析,研制了油井遥控采集装置。
单井、偏远井场数字化系统的研究目标是:①优化系统功能,降低单井(井场)监测系统整体造价;②提高产品工作稳定性和系统可靠性;③全部实现井场参数高频段无线化传输,彻底抛弃井场挖沟布线,减低现场施工成本;④实现完整的油井监控方案,达到远程监视,无人值井,高效生产的目的。
研究内容主要包括单井、偏远井场数字化系统方案以及单井、偏远井场数字化系统所用设备。
2.1 系统组成系统设备主要包括井口遥控采集装置,载荷、倾角传感器,三相电机测试、控制模块,压力变送器,以太网转无线模块。
在油田公司站控标准方案的基础上,完成井场数据的采集与远程监控。
油田注水井远程注水控制系统赵鹏睿【摘要】油田注水井远程控制系统集工业计算机、无线网络、智能控制仪于一体,融合注水管压、套压、油压以及注水流量等信息,采用模糊自适应PID策略,进行稳压、恒流、定量调节,实现配水全过程智能控制。
该系统的投运,解决了以往高压注水中无法实现的平稳注水、定量注水及准确注水的难题,实现注水流量的自动设定,实时监控配水间内各注水井的瞬时流量、累积流量和注水压力等参数,为油田减小输差、提高产量提供了技术保障。
【期刊名称】《油气田地面工程》【年(卷),期】2011(030)006【总页数】1页(P70)【关键词】稳流注水;远程控制;模糊自适应PID;流量;压力【作者】赵鹏睿【作者单位】东北石油大学电气信息工程学院【正文语种】中文随着油田的深度开发,注水井在油井稳产中发挥的作用越来越大。
一直以来,注水井的注水压力和注水量都是在井场、配水间人工调节控制,配水工作质量直接影响油田的稳产与生产工况。
注水井配水控制采用人工调节高压闸阀,在无人值守情况下,当出现管线压力小于单井压力时,若不及时关闭阀门,就会导致注水井“倒灌”,严重时会出现砂埋事故,导致注水井报废。
近年来,我国各油田实施数字化油田建设,对油田注水井注水自动化控制提出了苛刻要求。
本文设计了一种油田注水井配水远程控制系统,该系统以无线远程监控为核心,控制策略采用模糊自适应PID控制注水高压闸阀,以实现油田注水井稳压、恒流注水控制。
远程稳流注水控制系统是集工业计算机、无线通讯、自动控制于一体的系统,该系统包括上位监控、现场仪表与控制仪和配水管路。
上位监控包括监控中心上位计算机、无线网桥、数据采集及协议转换器等;现场仪表与控制仪包括智能稳流控制仪、压力计及流量计。
远程控制系统包括监控中心、数据传输网络和现场数据采集设备。
现场数据采集是整个控制系统的核心部分,主要完成注水井的管压、套压、油压以及注水流量的检测。
数据传输网络采用无线网络传输,带宽33 M,保证网络传输稳定、快速。
井场数据远程传输监控系统
“井场数据远程传输及实时监控系统”是基于石油工业数据传输的国际标准协议
WITS(Wellsite Information Transfer Standard)/WITSML((Wellsite Information Transfer Standard Markup
Language)的一套数据远程传输系统,它利用Internet/Intranet网络系统,采用Web方式,实现井场各种不
同来源数据(如随钻测井、录井、钻井、定向井等)的实时传输、实时数据库的建立和管理,并实现数据
的实时显示,是井场钻井地质信息实时综合显示和数据导出、随钻分析以及为实时决策提供重要依据的不
可或缺的有力工具。
用户只需要打开Web浏览器,在办公室即可动态查看到来自井场的各种实时数据。数据表现风格多样,
如:以仪表盘样式浏览、查询井场各种仪器的信息,如同亲临现场操作,直观明了;以图形的方式显示地
质作业综合分析图、岩心综合图、气测录井图、井眼轨迹水平方向(垂直)方向投影图、随钻测井显示图、
靶点位置图等。系统可通过手机短信、电子邮件等方式通知相关人员及时了解井场进展,管理人员也可以
通过报表、现场视频察看井场生产动态。
“井场数据远程传输及实时监控系统”的主要特点:
数据无缝连接及共享技术:数据源基于WITS/WITSML,能够与Schlumberger、贝克休斯、Weatherford、
哈利伯顿、通用等随钻服务商仪器实现无缝连接。在实时监控的同时也可导出LAS、WITSML和文本格式
文件。
数据高度安全保密:数据利用企业内部网络进行传输,数据安全保密性更高。
各种信息的高度综合:帮助用户轻松掌握所属区块、油田、油井的各类信息,如:当前开钻、钻探及完
钻情况等信息,实现对井场随钻测井、录井信息、钻井及定向井等数据的查看与实时监控。
实时性与便捷性:用户界面基于Web,数据实时更新,方便用户进行各种实时分析和快速决策。
“井场数据远程传输及实时监控系统”的主要模块:
主要功能包括:
WITS集成
WITS数据存储
WITS数据转发
WITS数据转换为WITSML
WITSML数据接收
WITSML数据发送
WITSML数据存储
WEB井场数据显示和监控
“井场数据远程传输及实时监控系统”至今已在中海油近300口井的实际生产应用过,系统非常稳定已为
油公司生产管理人员和研究院项目组的广大用户广泛接受,是井场钻井地质信息的实时综合显示和数据导
出提供实用工具,从而为地质作业决策作出重要贡献,成为随钻分析不可或缺的工具。
用仪表盘的方式实时显示钻井工程参数
综合多种来源的数据
任意组合不同来源的数据、曲线,还可进行全屏、大屏显示