浅谈粉煤灰活性激发
- 格式:pdf
- 大小:259.51 KB
- 文档页数:3
· 1073 ·第36卷第7期粉煤灰中SiO2在不同碱性条件下的溶出量及与火山灰活性指数的关系贾耀东,阎培渝(清华大学土木工程系,结构工程与振动教育部重点实验室,北京 100084)摘要:采用沸煮法,对Ca(OH)2+NaOH溶液的pH值对粉煤灰的SiO2溶出量的影响进行了研究;同时探讨了粉煤灰的可溶性SiO2量与其火山灰活性指数的关系。
结果表明:碱激发溶液的pH值越高,粉煤灰的SiO2溶出量越大;粉煤灰的SiO2溶出量在碱溶液的pH值超过某一特定值后显著增加,表现出较高的活性。
采用Ca(OH)2+NaOH混合溶液测定粉煤灰的SiO2溶出量,与实际情况较为吻合。
粉煤灰的总SiO2含量越高,SiO2溶出量越高,反之越低;SiO2溶出率与总SiO2含量无关,粉煤灰的可溶性SiO2量和SiO2溶出率与其火山灰活性指数之间没有相关性。
关键词:二氧化硅溶出量;粉煤灰;pH值;火山灰活性指数中图分类号:TQ 172 文献标志码:A 文章编号:0454–5648(2009)07–1073–06SOLUBLE SiO2 CONTENT IN FLY ASH UNDER DIFFERENT ALKALI CONDITIONS AND THE RELA-TIONSHIP BETWEEN THE CONCENTRATION AND POZZOLANIC ACTIVITY INDEX OF FLY ASHJIA Yaodong,YAN Peiyu(Key Laboratory of Structural Engineering and Vibration of China Education Ministry, School of Civil Engineering,Tsinghua University, Beijing 100084, China)Abstract: The influence of the pH value of Ca(OH)2+NaOH solution to soluble SiO2 content in fly ash was studied by the boiling reflux method, and the relationship between soluble SiO2 content and the pozzolanic activity index was discussed. The soluble SiO2 content increases with the pH value of solutions. The soluble SiO2 content increases remarkably and fly ash shows obvious activity when the pH value of solutions exceeds infinity. This is coincidental with the real situation to determine the soluble SiO2 content in fly ash using Ca(OH)2+NaOH blended solution. The more SiO2 is contained in fly ash, the more SiO2 can be dissolved, and vice versa. There is no correlation between the dissolution rate and the total SiO2 content. The pozzolanic activity index of fly ash is independent of the soluble SiO2 content and dissolution rate of SiO2.Key words: soluble silicon dioxide content; fly ash; pH value; pozzolanic activity index粉煤灰是一种非晶态硅铝质材料,[1]本身没有胶凝性能;在碱性激发剂的作用下,粉煤灰中部分SiO2可溶出并发生火山灰反应,生成具有胶凝性能的低钙硅比C–S–H凝胶,[2] 因而粉煤灰具有潜在水硬活性。
粉煤灰活性指数试验方法操纵细则之袁州冬雪创作目标为了正确、合理地在混凝土中应用粉煤灰,使之掺入混凝土后达到改善混凝土性能、提高工程质量、节俭水泥、降低混凝土成本,以适应市场的需要,特制定本细则(依据GB/T1596-2005).试验资料和仪器设备a.水泥:GSB14-1510强度检验用水泥尺度样品;b.尺度砂:符合GB/T17671-1999规定的中国ISO尺度砂;c.水:干净的饮用水.水泥胶砂搅拌机、天平、振实台、抗压强度试验机和抗折强度试验机等均应符合GB/T17671-1999规定.试验步调3.2将对比胶砂和试验胶砂分别按GB/T17671规定停止搅拌、试体成型和养护;试体养护至28天,按GB/T17671规定分别测定对比胶砂和试验胶砂的抗压强度.成果计算活性指数按下式计算:H=(R/R0)×100式中:H—活性指数,单位为百分数(%);R—试验胶砂28d抗压强度,单位为兆帕(MPa);R0—对比胶砂28d抗压强度,单位为兆帕(MPa).计算至1%.粉煤灰烧失量试验方法(灼烧差减法)操纵细则目标为了正确、合理地在混凝土中应用粉煤灰,使之掺入混凝土后达到改善混凝土性能、提高工程质量、节俭水泥、降低混凝土成本,以适应市场的需要,特制定本细则(依据GB/T1596-2005、GB/T176-2008).试验设备a. 箱式电阻炉(高温炉):可节制温度(950℃±25℃;b.烘干箱:可节制温度不低于110℃,最小分度值不大于2℃;c.分析天平:量程200g,最小分度值不大于0.0001g;d.瓷坩埚;e.干燥器.称取约1g粉煤灰试样(m1),准确至0.0001g,放入已灼烧恒重的瓷坩埚中,将盖斜置于坩埚上,放在高温炉内,从低温开端逐渐升高温度,在(950±25)℃下灼烧15min~20min,取出坩埚置于干燥器中,冷却至室温,称重.反复灼烧,直至恒重(m2).烧失量的质量分数ωLOI按下式计算,计算至0.1%:ωLOI={(m1-m2)/m1}×100式中:ωLOI—烧失量的质量分数,%;m1—试验料的质量,单位为克(g);m2—灼烧后试料的质量,单位为克(g).。
粉煤灰活性指数考查要领支配细则之阳早格格创做手段为了精确、合理天正在混凝土中应用粉煤灰,使之掺进混凝土后达到革新混凝土本能、普及工程品量、节省火泥、落矮混凝土成原,以切合商场的需要,特造定原细则(依据GB/T1596-2005).考查资料战仪器设备a.火泥:GSB14-1510强度考验用火泥尺度样品;b.尺度砂:切合GB/T17671-1999确定的华夏ISO尺度砂;c.火:净净的饮用火.火泥胶砂搅拌机、天仄、振真台、抗压强度考查机战抗合强度考查机等均应切合GB/T17671-1999确定.考查步调3.2将对于比胶砂战考查胶砂分别按GB/T17671确定举止搅拌、试体成型战保护;试体保护至28天,按GB/T17671确定分别测定对于比胶砂战考查胶砂的抗压强度.截止估计活性指数按下式估计:H=(R/R0)×100式中:H—活性指数,单位为百分数(%);R—考查胶砂28d抗压强度,单位为兆帕(MPa);R0—对于比胶砂28d抗压强度,单位为兆帕(MPa).估计至1%.粉煤灰烧得量考查要领(灼烧好减法)支配细则手段为了精确、合理天正在混凝土中应用粉煤灰,使之掺进混凝土后达到革新混凝土本能、普及工程品量、节省火泥、落矮混凝土成原,以切合商场的需要,特造定原细则(依据GB/T1596-2005、GB/T176-2008).考查设备a. 箱式电阻炉(下温炉):可统造温度(950℃±25℃;b.烘搞箱:可统造温度没有矮于110℃,最小分度值没有大于2℃;c.分解天仄:量程200g,最小分度值没有大于0.0001g;d.瓷坩埚;e.搞燥器.称与约1g粉煤灰试样(m1),准确至0.0001g,搁进已灼烧恒沉的瓷坩埚中,将盖斜置于坩埚上,搁正在下温炉内,从矮温启初渐渐降下温度,正在(950±25)℃下灼烧15min~20min,与出坩埚置于搞燥器中,热却至室温,称沉.反复灼烧,曲至恒沉(m2).烧得量的品量分数ωLOI按下式估计,估计至0.1%:ωLOI={(m1-m2)/m1}×100式中:ωLOI—烧得量的品量分数,%;m1—考查料的品量,单位为克(g);m2—灼烧后试料的品量,单位为克(g).。
粉煤灰试验报告范文一、引言粉煤灰是煤炭燃烧产生的废弃物,在建筑材料、环境工程、农业和能源领域有广泛的应用前景。
本试验报告通过对粉煤灰进行一系列的实验,探究其特性和性能,为其应用提供科学依据。
二、实验方法1.粉煤灰样品的制备:将粉煤灰经过筛分和烘干,制备成符合实验要求的粉末状样品。
2.物理性能测试:对粉煤灰的比重、密度、流动性等物理性能进行测定。
3.化学性能测试:对粉煤灰中的主要化学成分进行分析,包括氧化物和硅酸盐的含量。
4.水化性能测试:使用浸泡法和热法测试粉煤灰的水化活性和水化产物。
三、实验结果1.物理性能测试结果:通过比重测试,粉煤灰的比重为2.04 g/cm³,密度为1.2 g/cm³,具有较低的密度和比重,适合作为建筑材料的添加剂。
流动性测试结果表明,粉煤灰具有一定的流动性,适合进行混凝土的搅拌工作。
2.化学性能测试结果:粉煤灰中主要含有二氧化硅、氧化铝、氧化铁等氧化物,其中二氧化硅含量最高,达到60.2%,氧化铝和氧化铁的含量分别为20.5%和5.7%。
硅酸盐的含量为85.4%,具有较高的硅酸盐含量,表明其在硅酸盐材料的应用领域有较大的潜力。
3.水化性能测试结果:通过浸泡法测试,粉煤灰的水化活性较高,可以与水充分反应生成水化产物。
通过热法测试,粉煤灰的水化反应是一个放热反应,并且放热量较大,表明其在混凝土的强度发展中具有良好的水化活性。
四、结论通过本次试验,我们得出以下结论:1.粉煤灰具有较低的密度和比重,适合用作建筑材料的添加剂。
2.粉煤灰主要成分为氧化物和硅酸盐,具有较高的硅酸盐含量,适合在硅酸盐材料的应用领域。
3.粉煤灰具有较高的水化活性,可以与水充分反应生成水化产物,并且具有较大的放热量,适合在混凝土的强度发展中应用。
综上所述,粉煤灰具有广泛的应用前景,在建筑材料、环境工程、农业和能源领域有着良好的应用潜力。
同时,需要进一步研究和开发,挖掘其更多的应用价值。
粉煤灰活性指数实验办法操纵细则目标为了精确.合理地在混凝土中运用粉煤灰,使之掺入混凝土后达到改良混凝土机能.进步工程质量.节俭水泥.下降混凝土成本,以顺应市场的须要,特制订本细则(根据GB/T1596-2005).实验材料和仪器装备a.水泥:GSB14-1510强度磨练用水泥尺度样品;b.尺度砂:相符GB/T17671-1999划定的中国ISO尺度砂;c.水:干净的饮用水.水泥胶砂搅拌机.天平.振实台.抗压强度实验机和抗折强度实验机等均应相符GB/T17671-1999划定.实验步调3.2将比较胶砂和实验胶砂分离按GB/T17671划定进行搅拌.试体成型和养护;试体养护至28天,按GB/T17671划定分离测定比较胶砂和实验胶砂的抗压强度.成果盘算活性指数按下式盘算:H=(R/R0)×100式中:H—活性指数,单位为百分数(%);R—实验胶砂28d抗压强度,单位为兆帕(MPa);R0—比较胶砂28d抗压强度,单位为兆帕(MPa).盘算至1%.粉煤灰烧掉量实验办法(灼烧差减法)操纵细则目标为了精确.合理地在混凝土中运用粉煤灰,使之掺入混凝土后达到改良混凝土机能.进步工程质量.节俭水泥.下降混凝土成本,以顺应市场的须要,特制订本细则(根据GB/T1596-2005.GB/T176-2008).实验装备a. 箱式电阻炉(高温炉):可掌握温度(950℃±25℃;b.烘干箱:可掌握温度不低于110℃,最小分度值不大于2℃;c.剖析天平:量程200g,最小分度值不大于0.0001g;d.瓷坩埚;e.湿润器.称取约1g粉煤灰试样(m1),精确至0.0001g,放入已灼烧恒重的瓷坩埚中,将盖斜置于坩埚上,放在高温炉内,从低温开端逐渐升高温度,在(950±25)℃下灼烧15min~20min,掏出坩埚置于湿润器中,冷却至室温,称重.重复灼烧,直至恒重(m2).烧掉量的质量分数ωLOI按下式盘算,盘算至0.1%:ωLOI={(m1-m2)/m1}×100式中:ωLOI—烧掉量的质量分数,%;m1—实验料的质量,单位为克(g);m2—灼烧后试料的质量,单位为克(g).。
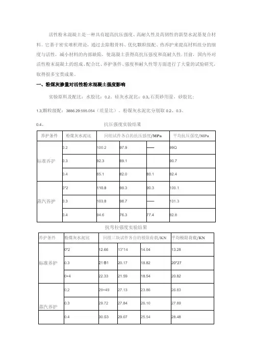
活性粉末混凝土是一种具有超高抗压强度、高耐久性及高韧性的新型水泥基复合材料。
它基于密实堆积理论,通过去除粗骨料、优化颗粒级配、热养护来提高材料组分的细度与活性,减小材料的内部缺陷,使混凝土获得高抗压强度和高耐久性.目前,国内外对活性粉末混凝土的组成、配合比、养护条件、强度和耐久性等方面进行了大量的试验研究,取得很多宝贵成果。
一、粉煤灰掺量对活性粉末混凝土强度影响实验原料及配比:水胶比:0.2。
硅灰水泥比:0.3o石英砂用量,砂胶比:1.3,颗粒级配:3886.29:595.054(质量比)。
粉煤灰水泥比分别取0.2、0.3、0.4。
抗压强度实验结果抗弯拉强度实验结果结论一(1)、蒸汽养护条件下的试件抗压强度达到82.8MPa以上,标准养护条件下的试件抗压强度达80.1MPa以上,由此可见,虽然在标准养护条件下活性粉末混凝土的抗压强度有所降低,但是仍高于高强混凝土。
标准养护条件下,粉煤灰掺量越高活性粉末混凝土的抗压强度越低;蒸汽养护条件下,当粉煤灰与水泥掺量比为0.3时,活性粉末混凝土的抗压强度最高,达到101.3MPa以上。
(2)活性粉末混凝土的抗弯拉强度随粉煤灰掺量的增强而增强,而且,蒸汽养护条件下活性粉末混凝土的抗弯拉强度要远高于标准养护条件下的抗弯拉强度。
说明蒸汽养护有利于提高混凝土的抗弯拉强度。
原因:加入粉煤灰可以改善胶凝材料体系的颗粒级配,当达到粉煤灰的最佳掺量范围时,可显著提高浆体填充密实度。
水泥的粒径在3。
Um左右,在水泥生产过程中其粒径分布不够合理,颗粒间空隙较大,无法达到最佳紧密堆积。
粉煤灰的粒度分布在水泥与硅灰之间,粒度分布较为合理,增加填充到水泥大颗粒堆积的三角孔和四角孔中的细颗粒,使孔内的自由水排出,从而使混凝土在低水胶比条件下具备较高的流动性,增加体系的致密度,减小空隙率,提高胶凝体系的致密度,最终使强度增加。
参考文献口]鞠彦忠,曲品,王德弘.粉煤灰掺量对活性粉末混凝土强度影响的研究.2014[2]覃维祖,曹峰.一种超高性能混凝土-活性粉末混凝土.[3]张静,一种新型超高性能混凝土.2002。
矿渣的活性激发剂王樾,张伟(南京永能新材料有限公司,江苏南京211100)摘要:综述了近年来国内外关于矿渣结构的观点,矿渣潜在活性的激发方法及其激发机理。
分别介绍了矿渣的物理激发、化学激发和复合激发方法,提出了矿渣活化技术的发展方向。
关键词:矿渣;潜在活性;激发;机理Abstract:The views about the structure of slag,the ways and mechanism to activate potential activity of slag are recommended.The physical,chemical and multiple methods of the potential activatity of slag are expatiat-ed.The development of slag activation technique in the future is emphasized.Key words:slag;potential activity;activate;mechanism0引言“矿渣”的全称是“粒化高炉矿渣”,是钢铁厂冶炼生铁时产生的废渣,具有较高的潜在活性。
矿渣作为传统的水泥工业的原材料之一,主要是基于矿渣潜在活性的利用。
如何充分和有效地将矿渣的潜在活性激发出来成为人们关注的课题。
1矿渣的活性来源矿渣的主要成分与硅酸盐水泥中的氧化物基本相同,即CaO、SiO2、Al2O3、MgO等,只是氧化物之间的比例不同而已。
影响矿渣活性因素主要有两个:一是化学成分,活性组分主要指氧化钙、氧化铝、氧化镁;二是玻璃体的含量,矿渣是结晶和玻璃相的聚合体。
前者是惰性组分,而后者是活性组分,矿渣中玻璃体占90%左右,而且玻璃相的组分越多矿渣的潜在活性就越大。
研究表明[1],矿渣的活性不仅取决于玻璃体的含量,而且取决于矿渣玻璃体的结构。
玻璃体是由网架形成体和网架改性体组成。
第 55 卷第 2 期2024 年 2 月中南大学学报(自然科学版)Journal of Central South University (Science and Technology)V ol.55 No.2Feb. 2024固体NaOH/Na 2SiO 3激发矿粉/粉煤灰−炉渣基注浆材料性能研究徐先杰,朱志敬,王孟,白继文,陈孟军,刘人太(山东大学 岩土与结构工程研究中心,山东 济南,250061)摘要:以矿粉和粉煤灰−炉渣作为前驱体,其中粉煤灰、炉渣以质量比4꞉1共同粉磨制备前驱体之一,以NaOH 和Na 2SiO 3配制模数为1.2的固体激发剂,制备碱激发注浆材料。
研究粉煤灰−炉渣的掺量、激发剂的掺量(以Na 2O 计)对注浆材料工作性能和力学性能的影响,并通过扫描电镜(SEM)和能谱分析(EDS)对水化产物进行物理化学表征,使用核磁共振分析注浆材料孔结构特征。
研究结果表明:粉煤灰−炉渣掺量为50%的注浆材料的28 d 最大抗压强度达31.25 MPa 。
水化产物主要为C-A-S-H 凝胶,浆液结石体内部孔隙主要为胶凝孔(孔径<10 nm)和过渡孔(孔径为[10~100) nm),占比超过90%。
关键词:炉渣;粉煤灰;固体激发剂;碱激发注浆材料;力学性能;微观结构中图分类号:TQ172 文献标志码:A 文章编号:1672-7207(2024)02-0628-10Study on properties of solid NaOH/Na 2SiO 3 activated slag/fly ash −bottom ash based grouting materialXU Xianjie, ZHU Zhijing, WANG Meng, BAI Jiwen, CHEN Mengjun, LIU Rentai(Geotechnical & Structural Engineering Research Center, Shandong University, Jinan 250061, China)Abstract: The slag and fly ash −bottom ash were used as precursors. The fly ash and bottom ash were co-ground to prepare one of the precursors. The solid activator with a modulus of 1.2 was prepared by NaOH and Na 2SiO 3, and the alkali-activated grouting material was prepared. The effects of fly ash −bottom ash content and activator content (Na 2O) on the working performance and mechanical properties of grouting materials were studied. The hydration收稿日期: 2023 −04 −06; 修回日期: 2023 −06 −25基金项目(Foundation item):云南省重大科技创新工程项目(202103AA080016);国家自然科学基金创新研究群体项目(52021005);国家自然科学基金联合基金资助项目(U1906229);国家重点研发计划项目(2021YFB2600800);山东省重大科技创新工程项目(2020CXGC011403) (Project(202103AA080016) supported by the Major Scientific and Technological Innovation Program of Yunnan Province; Project(52021005) supported by the Science Fund for Creative Research Groups of the National Natural Science Foundation of China; Project(U1906229) supported by the Joint Funds of the National Natural Science Foundation of China; Project(2021YFB2600800) supported by the National Key R&D Program of China; Project (2020CXGC011403) supported by the Major Scientific and Technological Innovation Program of Shandong Province)通信作者:刘人太,博士,教授,从事地下工程灾害防控研究;E-mail :*****************.cnDOI: 10.11817/j.issn.1672-7207.2024.02.016引用格式: 徐先杰, 朱志敬, 王孟, 等. 固体NaOH/Na 2SiO 3激发矿粉/粉煤灰−炉渣基注浆材料性能研究[J]. 中南大学学报(自然科学版), 2024, 55(2): 628−637.Citation: XU Xianjie, ZHU Zhijing, WANG Meng, et al. Study on properties of solid NaOH/Na 2SiO 3 activated slag/fly ash −bottom ash based grouting material[J]. Journal of Central South University(Science and Technology), 2024, 55(2): 628−637.第 2 期徐先杰,等:固体NaOH/Na2SiO3激发矿粉/粉煤灰−炉渣基注浆材料性能研究products were characterized by scanning electron microscopy(SEM) and energy dispersive spectroscopy(EDS).The pore structure characteristics of grouting materials were analyzed by nuclear magnetic resonance(NMR). The results show that the 28 d maximum compressive strength of grouting material with 50% fly ash-bottom ash content is 31.25 MPa. The hydration products are mainly C-A-S-H gel. The internal pores of the slurry stone body are mainly gel pores (<10 nm) and transition pores([10−100) nm), accounting for more than 90%.Key words: bottom ash; fly ash; solid activator; alkali-activated grouting material; mechanical properties;microstructure注浆是地下工程灾害治理的主要手段。
粉煤灰化学指标粉煤灰是一种煤炭燃烧过程中产生的固体废弃物,主要由煤炭中的无机物组成。
粉煤灰广泛应用于建筑材料、道路工程、环境修复等领域。
为了更好地了解粉煤灰的化学指标,本文将从化学成分、主要指标及其影响因素等方面进行探讨。
一、粉煤灰的化学成分粉煤灰的化学成分主要包括硅酸盐、氧化物和无机盐等。
其中,硅酸盐是粉煤灰的主要成分,占总质量的40%~60%。
氧化物主要包括铝氧化物、铁氧化物、钙氧化物等,它们在煤炭燃烧过程中与煤中的元素发生反应而生成。
无机盐是指粉煤灰中的钠盐、钾盐、镁盐等,这些盐类通常以水合物的形式存在。
二、粉煤灰的主要指标粉煤灰的主要指标包括比表面积、细度、化学活性和重金属含量等。
比表面积是指单位质量的粉煤灰表面积,通常用m2/kg表示,它影响着粉煤灰的活性和水化程度。
细度是指粉煤灰中颗粒粒径的大小,通常用百分比表示。
化学活性是指粉煤灰中的硅酸盐在水化反应中释放出的活性氧化物,它可以促进水泥的水化反应,提高混凝土的强度和耐久性。
重金属含量是指粉煤灰中重金属元素的含量,如铅、镉、铬等,其含量应符合国家标准,以避免对环境和人体健康造成危害。
三、粉煤灰指标的影响因素粉煤灰指标受多种因素的影响,包括煤种、燃烧工艺、煤粉粒径和煤粉燃烧温度等。
不同煤种的粉煤灰化学成分和指标存在差异,如无烟煤和褐煤的粉煤灰比表面积较大,活性较高。
燃烧工艺的不同也会对粉煤灰的化学成分和指标产生影响,如煤粉的燃烧温度越高,粉煤灰中的活性氧化物含量和反应活性越高。
此外,煤粉的粒径也会影响粉煤灰的指标,一般来说,粒径较细的粉煤灰比表面积较大,活性较高。
粉煤灰的化学指标是评价粉煤灰质量的重要依据。
通过控制粉煤灰的化学成分和指标,可以合理利用粉煤灰资源,推动可持续发展。
未来,我们还需要不断深入研究粉煤灰的化学特性,提高其利用效率,为建筑材料和环境修复等领域的发展做出更大贡献。
固井低密度水泥浆用矿渣和粉煤灰反应活性对比肖淼 (天津中海油服化学有限公司,天津 300301)摘要:矿渣低密度水泥浆和粉煤灰低密度水泥浆在油田固井作业中应用广泛,对解决低压易漏失地层固井和提高固井作业质量及经济效益具有重要意义。
文章研究了50 ℃下矿渣和粉煤灰对低(1.50 g/cm3)密度水泥浆体早期抗压强度的影响。
水化热(ICC)测试表明,50 ℃下矿渣低密度水泥浆水化速率峰值及1 d累计放热量较粉煤灰低密度水泥浆分别增大16.7%和14.1%。
水化产物定性及定量分析观察表明,1 d龄期矿渣低密度水泥石中存在大量絮状产物C-S-H凝胶,并伴有AFt和Ca(OH)2晶体生成,且随水化反应进行AFt含量增加,养护10 d后部分AFt转化为AFm。
粉煤灰低密度水泥石中C-S-H凝胶和AFt含量从1 d至7 d逐渐增加。
随着养护龄期延长,两种低密度水泥石基体逐渐密实,水泥石抗压强度都逐渐增大,但矿渣的早期水化反应活性高于粉煤灰,使得矿渣低密度水泥石早期抗压强度高于粉煤灰低密度水泥石。
关键词:低密度水泥浆;矿渣;粉煤灰;水化活性;抗压强度中图分类号:TE25 文献标志码:A 文章编号:1008-4800(2021)15-0123-03DOI:10.19900/ki.ISSN1008-4800.2021.15.061Comparison with Hydration Activity of Slag andFly Ash Used in Low-Density Cement SlurryXIAO Miao (Tianjin CNOOC Chemical Co., Ltd., Tianjin 300301, China)Abstract: The slag low-density cement slurry and fly ash low-density cement slurry are widely used in oil well cementing, they are of great significance to solve the low pressure and easy leakage formation well cementing and improve the quality and economic benefit of well cementing. In this paper, the effects of two mineral admixtures, slag and fly ash, on the early compressive strength of 1.50 g/cm3 cement slurry at 50 ℃ were studied and characterized by hydration exothermic (ICC), hydration products and scanning electron microscopy (SEM). The ICC tests showed that the peak of hydration rate and cumulative heat release in 1 d of slag low-density cement slurry at 20 °C were 16.7% and 14.1% higher than that of fly ash low-density cement slurry, respectively. XRD and SEM tests showed that there was a large amount of flocculent product C-S-H gel in slag low-density cement stone after curing 1 d, and accompanied by the formation of AFt and Ca(OH)2 crystals. Thecontent of AFt increased with the hydration reaction, part of AFt converted to AFm after curing 10 d.The content of C-S-H gel and AFt in fly ash low-density cement stone increased from 1 d to 7 d.With the prolongation of curing age, the matrix of slag low-density cement stone and fly ash low-density cement stone gradually became compacted, and the compressive strength of cement stone gradually increased.The results showed that the hydration reaction activity of slag was higher than that of fly ash, which made the early compressive strength of the slag low-density cement stone is higher than that of the fly ash low-density cement stone.Keywords: low-density cement slurry; slag; fly ash; hydration activity; compressive strength0引言低密度水泥浆体系在低压、易漏地层的固井中已经得到广泛的应用。
粉煤灰在涂料中的应用粉煤灰是燃煤电厂排出的主要固体废物,随着电力工业的发展,燃煤电厂的粉煤灰排放量逐年增加,粉煤灰已成为我国当前排量较大的工业废渣之一,给环境带来了很大的压力。
目前,粉煤灰主要用于生产建材、筑路工程、填筑工程、农业等方面,并可从中提取漂珠、炭、铁等物质,其中建材和建筑工程占综合利用量的70%,但作为一种可再利用的工业固体废弃物总利用率只有50%左右,与欧美发达国家70%-80%利用率相比还有很大的差距【1】。
解决粉煤灰的利用问题主要是解决其产品掺量少、产品附加值低的问题,涂料作为高附加值商品有着广泛的应用,如何将粉煤灰高掺量应用于涂料并充分发挥其优势作为研究方向之一一直为专家所探讨,围绕这个问题专家们付出了不少努力,也取得了可观的进步,为粉煤灰的大量应用做出了突出的贡献。
1 应用方式粉煤灰良好的物理、化学特性使其具有很好的应用潜质。
粉煤灰在涂料中的应用主要分三种:直接做填料,化学改性后做填料,物理筛选后做填料。
1.1 直接做填料粉煤灰是球形或微珠的集合体具有良好的形态效应和微集效应,。
涂料中加入粉煤灰不但可以增强涂料体系的流动性,降低用水量,还可以改善体系的孔结构,改善涂料的功能。
吕平【2】等人以氯磺化聚乙烯、丁苯及改性树脂乳液为基料,以粉煤灰为填料制备的乳液弹性防水涂料,其涂层的低温性能好,厚涂施工性好,施工效率提高;作为水性涂料,环保无污染,可以方便的用水调节粘度。
华建社【3】将粉煤灰作为耐火粉料制备铸型涂料取得了良好的效果,不但添加量高达80%而且该种铸型涂料各项性能指标优良,可满足生产铸铁件对铸型涂料的要求。
粉煤灰作为填料在双组分聚氨酯防水涂料上的应用成就显著。
陈乐培【4】等人加入占聚氨酯树脂基料30%-40%、粒径小于40um的粉煤灰、以分散机搅拌分散,制得伸长率和拉伸强度达到JC/500-92要求的双组分聚氨酯防水涂料。
韩雪峰【5】等人研究粉煤灰的细度对防水涂料的固化和涂膜性能的影响,在加入50%、300目的粉煤灰作为填料,以辛酸亚锡作为催化剂,邻苯二甲酸二辛酯作增塑剂,制备出了性能优良的双组分聚氨酯防水涂料,且在经济上较为合算。
粉煤灰预处理方法粉煤灰是指燃煤发电厂煤烟中微细颗粒物的一种副产品,具有一定的活性,可以用于混凝土、水泥等建筑材料中。
然而,由于粉煤灰的性质不稳定,含有一定的杂质和有害成分,因此需要进行预处理才能安全使用。
本文将介绍粉煤灰预处理方法的种类及适用情况。
1. 物理法物理法是指通过物理手段对粉煤灰进行处理,以提高其活性和稳定性。
常见的物理法包括:(1) 干燥:将粉煤灰置于干燥环境中,通过蒸发水分的方式减少粉煤灰中的含水量,提高其活性。
(2) 磨细:将粉煤灰进行磨细处理,以增加其比表面积,提高其反应活性。
(3) 改性:通过物理手段改变粉煤灰的性质,以提高其稳定性和反应活性。
常见的改性方法包括高温煅烧、表面修饰等。
2. 化学法化学法是指通过化学反应对粉煤灰进行处理,以改变其性质和组成。
常见的化学法包括:(1) 碳酸化:将粉煤灰与二氧化碳反应,生成碳酸钙等物质,从而提高粉煤灰的稳定性和活性。
(2) 氢氧化:将粉煤灰与氢氧化钠等碱性物质反应,生成水化产物,从而提高粉煤灰的活性和稳定性。
(3) 硫化:将粉煤灰与硫化氢等物质反应,生成硫化产物,从而提高粉煤灰的稳定性和活性。
3. 生物法生物法是指通过生物反应对粉煤灰进行处理,以改变其性质和组成。
常见的生物法包括:(1) 细菌处理:利用细菌的代谢作用,将粉煤灰中的有害物质转化为无害物质,从而提高粉煤灰的安全性和稳定性。
(2) 真菌处理:利用真菌的代谢作用,将粉煤灰中的有害物质转化为无害物质,从而提高粉煤灰的安全性和稳定性。
(3) 植物处理:利用植物的吸收作用,将粉煤灰中的有害物质吸收到植物中,从而提高粉煤灰的安全性和稳定性。
以上是粉煤灰预处理方法的种类及适用情况。