T型塑料压条 做法 及技术交底
- 格式:doc
- 大小:30.50 KB
- 文档页数:4
T型墙体砌筑连接方法T型墙体建筑连接方法是建筑行业中常用的一种砌筑方式,它可以实现墙体之间的连接,保证墙体整体的强度和稳定性。
本文将围绕T型墙体砌筑连接方法进行详细阐述。
步骤一:底部处理在T型墙体砌筑连接之前,首先需要处理好墙体的底部。
这一步骤非常关键,因为固定墙体的基底可以避免墙体的移动和倾斜。
首先,在地基上铺设砖石等建筑材料,接着加厚处理。
经过处理后,可以在顶部设置水泥砂浆,然后在其上安装预制墙体。
步骤二:安装支撑在底部处理完毕后,需要安装支撑,以便支撑墙体的垂直砌筑。
支撑通常由木质或金属制成,并且需要按照标准尺寸制作。
这些支撑设备应该按照一定的距离安装在地面上。
墙体的支撑应该是坚固和可靠的,这样才能确保整个墙体的质量和稳定性。
步骤三:墙体砌筑当支撑设备安装完毕之后,就可以开始进行墙体的砌筑工作了。
T型墙体的砌筑方法和普通墙体砌筑方法类似,但是需要注意T型墙体顶部的折叠处,应该在砌筑角落之前处理好。
而且,还需要注意墙体的水平度和垂直度,以确保墙体的整齐和平衡。
步骤四:连接墙体当墙体建造完毕之后,需要将不同墙体之间进行连接。
连接的方式因建筑结构不同而异,一般情况下可以使用钢筋混凝土制作的承插板、砌砖工艺、加固钢条等建筑材料来实现墙体的连接。
这些连接材料应该坚固和耐用,能够承受各种物理和气候因素的影响。
步骤五:处理顶部最后一步是处理T型墙体的顶部。
墙体顶部应该与较高的屋顶或墙壁预留出一定的距离,以使它们之间形成的空隙可以得到空气流通。
此后,可以使用水泥或其他建筑材料对墙体顶部进行覆盖和加强,以确保墙体的质量和强度。
总之,T型墙体的砌筑连接方法需要按照规范和标准进行操作,以确保墙体的质量和稳定性。
在进行T型墙体连接的过程中,需要特别关注墙体底部、支撑、砌筑和连接等方面的处理,以保证建筑的质量和安全性。
这些步骤应该在施工过程中得到严格遵守和跟踪,以确保没有任何问题的发生。
金属压条固定方法金属压条是一种常用于固定或连接金属材料的装饰材料,常见于建筑、装潢、家具制作等领域。
金属压条固定方法多种多样,下面将介绍几种常用的金属压条固定方法。
1.螺丝固定法:这是最常用的一种金属压条固定方法,也是最简单易行的方式之一、首先需要使用钻孔机或打孔机在金属压条与被固定物之间预先钻孔,然后使用螺丝刀将螺丝通过孔洞固定。
在选择螺丝时需要注意长度和直径的合适搭配,以保证固定的牢固稳定。
这种方法适用于需要经常进行拆卸和更换的情况。
2.熔接固定法:熔接固定法是使用电焊或射频焊接技术将金属压条固定在其他金属表面上。
这种固定方法对金属表面有一定的要求,需要保证表面光洁、无杂质以及铺设好焊条或焊丝。
使用焊接机器进行焊接时需要注意操作的安全性。
这种方法固定牢固,适用于需要稳定度较高的情况。
3.枪钉固定法:枪钉固定法利用专用的气动枪钉机将金属压条钉在被固定物上。
首先需要在被固定物上确定好压条的位置,然后使用枪钉机将枪钉钉进金属压条和被固定物之间。
使用这种方法时需要注意选择合适的枪钉尺寸和使用合适的气动枪钉机。
这种方法适用于固定金属压条到木材或其他软质材料上。
4.胶水固定法:胶水固定法是使用特殊的胶水将金属压条粘附在被固定物上。
首先需要使用砂纸或其他磨砂工具将被固定物的表面磨砂,然后将胶水均匀涂抹在金属压条和被固定物的接触面上。
使用这种方法时需要注意选择具有良好黏附性和耐久性的胶水,并根据胶水的使用说明进行施工。
这种方法适用于需要装饰性和隐蔽性较好的情况,不适用于需要承重的场合。
5.槽口固定法:槽口固定法是通过在被固定物上开槽,并将金属压条插入槽口使其固定。
首先使用电锯或手动锯等工具在被固定物上开槽,然后将金属压条的尺寸适当调整,插入槽口,最后使用胶水或螺丝进行固定。
这种方法适用于需要保持压条与被固定物之间的间隙较小的情况。
以上是几种常用的金属压条固定方法的介绍,不同的固定方法适用于不同的场景和材料。
密封条成型工艺及生产工序简介密封条成型工艺及生产工序是指将原材料制成密封条产品的一系列工艺和过程。
下面是该过程的简介。
1. 原材料准备:选择适合的密封材料,如橡胶、硅胶或塑料,并进行初步加工,如切割成条状或片状。
2. 配方调制:根据产品要求,调配出合适的原材料配方,包括添加剂和填充材料,以提高密封条的性能和使用寿命。
3. 混炼:将原材料和配方中的添加剂混合,通过搅拌和热处理等方法,使原料充分混合,确保配方均匀。
4. 挤出成型:将混合好的原材料导入挤出机,通过挤压和模具形成带有密封条形状的连续胶条。
在挤出过程中可以加入压纹、纹理和标记等特殊要求。
5. 切割成型:将挤出的连续胶条切割成固定长度的密封条,可以采用刀切割或拉伸断裂等方法。
6. 成品检验:对切割好的密封条进行外观质量、尺寸精度和物理性能等方面的检验,确保产品符合要求。
7. 包装和存储:将合格的密封条进行包装,并标明产品信息、生产日期和储存条件等,以便运输和存储。
以上是密封条成型工艺及生产工序的简介。
在实际生产中,还需要根据不同产品要求和工艺可行性,进行材料采购、模具制造和设备调试等前期准备工作,以确保产品的质量和效率。
密封条成型工艺及生产工序是密封条生产过程中极为关键的环节,直接关系到产品的质量和性能。
下面将更详细地介绍密封条成型工艺及生产工序的相关内容,以及一些常见的技术要点和注意事项。
1. 原材料准备:在密封条的生产过程中,常用的材料有橡胶、硅胶和塑料。
橡胶密封条具有耐磨损、耐油、耐高温等特点,常用于汽车、机械设备等领域。
硅胶密封条具有耐高温、耐酸碱、耐腐蚀等特点,适用于电子、医疗器械等领域。
塑料密封条具有耐腐蚀、阻燃性好等特点,适用于建筑、家居等领域。
在制备原材料时,首先需要选择合适的材料类型,并根据产品要求进行初步加工。
例如,对于橡胶密封条,可以进行胶片切割或拉伸成条状,以供后续工序使用。
2. 配方调制:密封条在使用过程中需要具备优异的性能,如抗拉伸性、耐热性、耐腐蚀性等。
地板压条的安装方法
地板压条的安装方法一般分为以下几个步骤:
1. 准备工作:清理地板及地板边缘,确保地面平整且干净。
2. 测量尺寸:使用尺子或测量工具测量地板边缘的长度,确定需要安装地板压条的长度。
3. 钉子定位:在地板边缘划线,确定地板压条的位置。
一般来说,地板压条可以安装在地板和墙壁之间,或是地板之间。
4. 剪裁地板压条:根据测量的长度,使用锯子或地板切割器将地板压条切割成合适的尺寸。
5. 安装地板压条:将地板压条对准划线,使用钉子或螺丝固定地板压条到地面。
注意钉子或螺丝的选择,一般要选择与地板压条颜色相近的。
6. 完善细节:安装地板压条后,使用锤子轻轻敲打地板压条,使其与地面平齐,并确保地板边缘周围没有任何空隙。
7. 补充涂漆:根据需要,可以使用与地板一致颜色的涂料对地板压条进行涂漆,增强整体美观度。
以上是一般地板压条的安装方法,具体的安装步骤还要根据地板材质及地面情况进行调整。
在安装过程中,建议遵循相关的安全操作规范,并使用适当的工具和装备。
若不熟悉安装方法或是有其他疑问,建议请专业人士或者地板生产商提供帮助或咨询。
纱窗压条的安装技巧纱窗压条是固定纱窗的重要部件,安装得是否合理直接关系到纱窗的使用效果。
下面将介绍纱窗压条的安装技巧。
一、前期准备:1.清理纱窗框架:使用刷子或者布将纱窗框架上的灰尘和杂物清理干净。
2.测量尺寸:使用卷尺测量纱窗框架的宽和高,确保纱窗压条的尺寸与之相匹配。
二、安装方法:1.切割纱窗压条:根据纱窗框架的尺寸,在纱窗压条上使用剪刀或者切割工具进行切割。
切割时,要确保纱窗压条的长度与纱窗框架的宽度相等。
2.安装定位:先将纱窗压条的一端对准纱窗框架,将其平放在纱窗框架上。
确保纱窗压条的压条面紧贴纱窗网格,并与窗框紧密贴合。
3.固定端部:使用木锤或橡胶锤,将纱窗压条按住,轻轻击打纱窗压条的尾部。
这样可以确保纱窗压条与纱窗框架之间的良好接触。
4.压条面对贴合:从纱窗压条的安装位置开始,依次按照纱窗框架的边缘方向,将纱窗压条慢慢贴合到纱窗框架上。
确保压条面紧贴纱窗框架,并且没有空隙。
5.修整边角:当纱窗压条贴合到纱窗框架的边角时,可以使用刀具将多余的纱窗压条修整掉。
修整时要小心不要划伤纱窗框架。
6.检查质量:安装完成后,可以用手轻轻扯拉纱窗网格,检查纱窗压条是否牢固。
如果发现纱窗压条有脱落或者松动的情况,需要重新安装或者更换纱窗压条。
三、注意事项:1.切割纱窗压条时要注意力度,避免切割过多导致无法使用。
也要注意切割时的方向,确保切割的边缘平整。
2.安装纱窗压条时要均匀力度,不要过重或者过轻。
过重会导致纱窗压条变形,过轻则无法牢固固定纱窗。
3.尽量减少修整纱窗压条的次数,因为修整次数过多会导致纱窗压条变形。
4.安装时要确保纱窗压条与纱窗框架之间没有空隙,否则会影响纱窗的密封性能。
5.安装时要注意保持纱窗框架的整洁,避免污染纱窗压条。
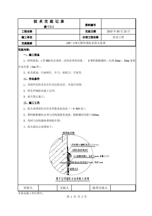
技 术 交 底 记 录表 C2-1工程名称 施工单位 交底提要 交底内容: 一、施工准备 1、材料准备:4 厚 SBS 防水卷材、改性沥青密封膏、 6 塑料膨胀螺丝(长度 50mm) 、30mm 宽铝 合金压条(2mm 厚) 。
2、机具准备:汽油喷灯,开刀,壁纸刀,手套等。
二、作业条件 1、顶部外层防水层压住内层防水层,并进行封堵; 2、所有外墙防水施工完毕; 3、雨天禁止施工; 三、施工工艺 1、收头处理部位应在室外散水标高处(—0.900 处) ; 2、塑料膨胀螺丝必须与结构墙紧密连接、膨胀螺丝间距≤200mm; 3、卷材与结构墙体要粘贴牢固; 4、收头做法示意图如下: 资料编号 交底日期 分项工程名称2013 年 03 月 23 日 防水工程13#—17#主楼外墙防水收头处理审核人本表由施工单位填写。
交底人第 1 页 共 2 页接受交底人技 术 交 底 记 录表 C2-1工程名称 施工单位 交底提要 交底内容: 五、安全注意事项 1、进入施工现场必须戴好安全帽,施工现场内不得打闹; 2、对进场的卷材、汽油、底油等材料应妥善保管,存放于专用仓库,仓库内应设置消防器材, 在仓库内严禁吸烟; 3、开始作业前应仔细检查汽油喷灯等施工器具,施工中应注意防火,施工过程中严禁吸烟。
汽 油喷灯点火时,火嘴不得对着人。
汽油喷灯装油不得过满,打气不得过足。
作业结束后,将作业面清 理干净并将汽油喷灯及多余的材料存放在专用仓库中; 4、施工前,到现场消防保卫处开具用火证,并设专人看火,作业地点 30m 范围内不得有易燃物。
无用火证不得在现场内进行明火施工; 5、施工中按技术交底及相关施工规程执行。
施工中使用汽油喷灯时,应注意喷灯内汽油不得洒 溅到卷材上,以防火灾。
施工部位上应准备好足够的灭火器; 6、时刻注意头顶安全情况; 资料编号 交底日期 分项工程名称2013 年 03 月 23 日 防水工程13#—17#主楼外墙防水收头处理审核人本表由施工单位填写。
表 C1-3技术交底记录工程名称爱建新城 02 地块交底部位门窗工程工程编号日期交底内容:1.门窗数量及规格见门窗表及门窗详图.外窗为木塑断桥窗 .断桥铝型材采用 75 系列,品牌选用辽沈丽格牌,凡是断桥铝门窗全部加附框,附框标准为20*40*2 的镀锌方钢管。
用自攻钉固定在门窗口上。
2、按图示尺寸弹好窗中线,校正门窗洞口位置尺寸及标高是否符合设计图纸要求,如有问题应提前上报,确定修改方案。
3、铝合金门窗的拆包检查,将窗框周围的包扎布拆去,按图纸要求核对型号,检查外观质量和表面的平整度,如发现有劈棱、窜角和翘曲不平、严重超标、严重损伤、外观色差大等缺陷时,应找有关人员协商解决,经修整鉴定合格后才可安装。
4、认真检查铝合金门窗的保护膜的完整,如有破损的,应补粘后再安装。
1、钢副框制作安装工序(1)工艺流程:测量洞口尺寸→下料→连接→检查→分运相对位置→安装施工→检查校正→交验。
(2)钢附框主要加工技术及其质量措施:1.方钢型材进厂,检验其出厂合格证和检查型材是否有扭曲,弯变形的型材。
1)本工程钢副框安装是采用固定片,与建筑物的固定采用150mm 长固定片双向固定在墙上,固定片的间距距端头不得超过200mm ,间距不超过500mm 。
2)钢副框按照相应尺寸切割、打磨毛刺后,在钢副框腔体内注满珍珠岩,用发泡剂将笃信镀锌方管两侧封堵后采用L 型 pvc 插件将钢副框连接成型,并在连接处涂防腐漆。
3)将不同规格的钢副框搬到相应的洞口旁竖放,依据在洞口的侧边划出的垂直边线确定竖向安装位置。
4)当钢副框装入洞口时,其上下框中线应与洞口中线对齐;钢副框的上下框四角及中横框的对称位置应用木楔或垫块作临时固定;然后确定安装位置,并调整框的垂直度,水平度及直角度。
5)当钢副框与墙体固定时,先固定上框后固定边框。
(3)钢副框成品保护措施1、钢副框运输是应妥善捆扎,樘和樘之间用非金属轻质材料垫开,吊运时选择牢靠平稳的着力点,防止互相磨损,挤压扭曲变形,损坏附件。
T梁预制技术交底一、T梁预制生产在钢筋预制场加工成单根成型钢筋,再从加工场将每片梁的钢筋及预埋钢筋用人工抬至到T梁台座位置。
钢铰线及波纹管用切割机按设计下料并运至台座。
在预制台座上绑扎安装钢筋、安装预应力钢束及管道。
安装定型模板、钢筋。
模板按设计和施工技术规范检查合格后才允许浇筑砼。
浇筑砼时,生料严格计量,搅拌充分满足设计配合比要求。
熟料用龙门吊运到浇筑现场。
砼振捣采用高频振动器和插入式振捣器结合振捣成型。
浇筑成型后覆盖土工布并注意洒水养护,待砼强度达到设计强度要求后按设计制定的张拉顺序进行钢铰线张拉。
张拉机具及油表按规定校检,张拉严格按操作程序和设计要求进行。
张拉完后应及时压浆、封锚,必须用切割机割除多余的预应力钢束。
二、主要施工方法1、施工准备1)、材料根据施工进度计划分批组织水泥、砂、石、外加剂、钢筋、钢板、钢绞线、波纹管等进场,并按设计和规范规定的要求作C50混凝土配合比及每批材料的抽样送检,合格后方可使用,各种材料分别堆放,并做好防水措施。
根据T梁和预制场地的具体情况进行设计和制作定型模板,并满足强度、刚度和稳定性的要求。
2)、模板30米T梁模板采用大块定型钢模。
模板上安装附着式高频振动器。
T 梁模板在重庆钢模厂加工制作,汽车运到工地现场后进行组装检验,同时在模板首次使用前对模板进行预拼装,并对模板表面认真进行除锈工作,然后在涂刷脱模剂。
模板检验合格后方能使用。
a、底模:直接利用台座表面的钢板。
b、侧模:侧模采用5mm厚钢板,按3-5m做一个单元模扇,单元模扇由侧模、支撑侧模的水平肋、竖向肋、支托竖向肋的直撑、斜撑、紧固侧模模扇的拉杆及振捣架构成。
考虑到桥面横坡的变化,翼板处模板设置为可伸缩调节。
考虑到砼的压缩,其组拼后的总长度应比梁的实际长度增长1/1000梁长。
c、端模:每片梁需用两套端模,第一套与梁体模板同时支立,其形状按张拉用锚固板的位置做成阶梯状,采用5mm厚钢模,第二套为封端用端模,在管界压浆之后支立,进行封锚,保证梁体外形符合设计要求。
塑料踢脚线安装施工工艺方法
1. 概述
本文档旨在说明塑料踢脚线的安装施工工艺方法。
踢脚线是一
种用来修饰地板与墙面交接处的装饰材料,塑料踢脚线是其中一种
常见的选择。
正确的安装施工能保证踢脚线的美观以及使用寿命。
2. 安装准备
在开始安装塑料踢脚线之前,需要进行以下准备工作:
- 将需要安装踢脚线的墙角清理干净,确保没有灰尘或杂物;
- 准备好适当数量的塑料踢脚线以及相应的安装配件,如螺丝、胶水等;
- 使用量具测量需要安装的踢脚线长度,根据测量结果裁剪或
购买合适长度的踢脚线。
3. 安装步骤
根据以下步骤进行塑料踢脚线的安装:
1. 使用量具测量需要安装的位置的高度,标记出安装位置;
2. 在标记位置上使用电钻预先打孔,以便安装踢脚线时更容易;
3. 使用胶水或其他适合的粘合剂将踢脚线固定在墙角上;
4. 在固定踢脚线的同时,使用螺丝或其他适当的安装配件加固
踢脚线;
5. 安装完毕后,用干净的湿布擦拭踢脚线表面,确保其干净整洁。
4. 注意事项
在进行塑料踢脚线的安装过程中,需要注意以下事项:
- 使用适当的工具和材料,确保安装的质量和耐久性;
- 强烈建议根据安装位置选择合适的固定方式,如胶水或螺丝;
- 在安装之前,确保墙角干净,并且打孔位置准确;
- 在涂漆或铺设地板之前安装踢脚线,避免损坏或污染踢脚线;
- 根据需要做好相关的防水处理,以保护墙角和踢脚线。
以上即是塑料踢脚线安装施工工艺方法的简要介绍,希望能对
您有所帮助。
如需更详细或具体的信息,请参考相关资料或咨询专
业人士。
塑料成型工艺详解一、压塑成型工艺压塑成型(ompression Molding):发明于1920年,是第一个真正代表人类开始掌握塑料加工的工艺,也是制造热固性塑料的代表工艺,适合绝缘绝热耐腐蚀的产品部件生产。
工艺成本:加工费用(中),单件费用(低)典型产品:汽车塑料部件,按键,鞋底等绝缘绝热防腐蚀产品部件产量适合:适合大批量生产质量:表面精度高,适合装饰件的工艺速度:塑料制造周期(2分钟)工艺过程详解前期准备:热固性塑料小块或粉末步骤1:将定量的热固性塑料小块或粉末放在模具里,加热至100°,以提升后期的生产效率和成型质量步骤2:两片模具缓缓合并,以确保受力均匀,模内温度在2分钟内从115°上升到150°步骤3:等待充分冷却后,两片模具分开,成品被顶出,完成。
二、注塑成型工艺注塑成型(Injection Molding):又称注射模塑成型,它是一种注射兼模塑的成型方法。
注塑成型方法的优点是生产速度快、效率高,操作可实现自动化,花色品种多,形状可以由简到繁,尺寸可以由大到小,而且制品尺寸精确,产品易更新换代,能成形状复杂的制件,注塑成型适用于大量生产与形状复杂产品等成型加工领域工艺成本:模具费用(高),单件费用(低)典型产品:汽车塑料部件,消费电子产品塑料外壳等产量适合:只适合大批量生产质量:极高的表面精确度,同一批次的产品外形误差极小速度:30秒- 60秒/件影响注塑成型质量的要素1.注入压力:压力的存在是为了克服熔体流动过程中的阻力,或者反过来说,流动过程中存在的阻力需要注塑机的压力来抵消,以保证填充过程顺利进行2.注塑时间:合理的注塑时间有助于熔体理想填充,而且对于提高制品的表面质量以及减小尺寸公差有着非常重要的意义3.注塑温度:注塑温度必须控制在一定的范围内。
温度太低,熔料塑化不良,影响成型件的质量,增加工艺难度;温度太高,原料容易分解工艺过程视频(主要包括合模—填充—保压—冷却—脱模等5个阶段)(加微信公众号shujishi1818观看视频!)工艺过程图示前期准备:热固性塑料小块或粉末步骤1:把塑料原料(一般经过造粒、染色、加入添加剂等处理后的颗粒料)放入料筒中,经过加热塑化,使之成为高粘度的流体--为熔体,用柱塞或螺杆作为加压工具,使熔体通过喷嘴以较高的压力(约为25~80MPa)注入模具的型腔中。
常用地下室室内装修构造参考——依据:工程做法05J909——注意:一般建筑地下室地面面层(当地下室有二、三层时以最下一层为例),为了可做排水沟按150-300厚度考虑,不同材料的面层各构造层的厚度相加后不可超过此厚度,以免地面高低不平。
——常用地下室室内装修用料表——1)地下室地面:地下地面1 ——玻化砖地面燃烧等级A级——参见05J909—90—LD15—楼12A8~12厚玻化砖,水泥砂浆擦缝20厚1:3干硬性水泥砂浆结合层,表面撒水泥粉刷水泥浆一道(内掺建筑胶)-----厚细石混凝土垫层(按地下室建筑面层总厚度余数确定)地下室钢筋混凝土底板地下地面 2 ——细石混凝土地面燃烧等级A级——参见05J909—82—LD7—楼4A40厚C20细石混凝土,表面撒1:1水泥砂子随打随抹光刷水泥浆一道(内掺建筑胶)----厚细石混凝土垫层(按地下室建筑面层总厚度余数确定)地下室钢筋混凝土底板地下地面 3 ——防静电架空地板燃烧等级A级——参见05J909—136—LD61—楼57A150~200高架空防静电活动地板地面涂料二道20厚1:2.5水泥砂浆压实赶光水泥浆一道(内掺建筑胶)--------厚细石混凝土垫层(按地下室建筑面层总厚度余数确定)地下室钢筋混凝土底板2)地下室内墙面:地下内墙1 ——内墙涂料燃烧等级A级A. 基底为加气混凝土砌块墙时——参见05J909—202—NQ13—内墙7D1内墙涂料二道2厚面层耐水腻子分遍刮平5厚1:0.5:2.5水泥石灰膏砂浆抹平8厚1:1:6水泥石灰膏砂浆打底扫毛3厚外加剂专用砂浆打底刮糙或专用界面剂一道甩毛甩前喷湿地下室加气混凝土砌块墙面B. 基底为钢筋混凝土外壁时——参见05J909—201—NQ12—内墙7C1内墙涂料二道2厚面层耐水腻子分遍刮平9厚1:0.5:3水泥砂浆分遍抹平刷素水泥浆一道(内掺建筑胶)地下室钢筋混凝土墙体或小型混凝土空心砌块墙体地下内墙2——吸音墙(龙骨式)燃烧等级A级A. 基底为加气混凝土砌块墙时——参见05J909—253—NQ64—内墙29D5厚穿孔FC板(穿孔率≥16%,孔径Φ6~8)40厚离心玻璃棉毡(32kg/m³),建筑胶粘剂年逾龙骨档内其间用C50轻钢骨架@600双向6~9厚1:1:6水泥石灰膏分层抹平3厚外加剂专用砂浆抹基底抹前喷湿地下室加气混凝土砌块墙体B. 基底为钢筋混凝土外壁墙时——参见05J909—253—NQ64—内墙29C5厚穿孔FC板(穿孔率≥16%,孔径Φ6~8)40厚离心玻璃棉毡(32kg/m³),建筑胶粘剂年逾龙骨档内其间用C50轻钢骨架@600双向8~10厚1:0.5:3水泥石灰膏分层抹平聚合物水泥砂浆修补混凝土墙面地下室钢筋混凝土墙体或小型混凝土空心砌块墙体或地下内墙3 ——吸音墙(实贴式)燃烧等级A级A. 基底为加气混凝土砌块墙时——参见05J909—257—NQ68—内墙32D穿孔吸音板(背面至少5个点状粉刷石膏)粘贴于墙面,板边接缝处平面压T 型塑料压条,板角对角处用固定压盘涨栓固定放水平线及垂直线,预留踢脚线清理基层,去除灰尘和油污,弹定位线8厚1:1:6水泥石灰膏砂浆分层压实抹平3厚外加剂专用砂浆抹基底,抹前喷湿墙面地下室加气混凝土砌块墙体B. 基底为钢筋混凝土外壁墙时——参见05J909—256—NQ67—内墙32C穿孔吸音板(背面至少5个点状粉刷石膏)粘贴于墙面,板边接缝处平面压T型塑料压条,板角对角处用固定压盘涨栓固定放水平线及垂直线,预留踢脚线清理基层,去除灰尘和油污,弹定位线9厚1:3水泥砂浆分层压实抹平刷素水泥浆一道甩毛(内掺建筑胶)地下室钢筋混凝土墙体或小型混凝土空心砌块墙体3)地下室墙裙及踢脚地下墙裙1——水泥砂浆墙裙燃烧等级A级A. 基底为加气混凝土砌块墙时——参见05J909—196—NQ7—裙4D外刷涂料1200高5厚1:0.5:2.5水泥石膏砂浆找平8厚1:1:6水泥石膏砂浆打底扫毛3厚外加剂专用砂浆打底刮糙或专用界面剂一道甩毛用前喷湿加气混凝土砌块墙面B. 基底为钢筋混凝土墙时——参见05J909—197—NQ8—裙5C外刷涂料1200高2厚面层专用粉刷石膏罩面8厚粉刷石膏砂浆打底分遍抹平刷素水泥浆一道(内掺建筑胶)地下室钢筋混凝土墙体或小型混凝土空心砌块墙体地下踢脚1 ——玻化砖踢脚燃烧等级A级A. 基底为加气混凝土砌块墙时——参见05J909—176—TJ8—踢5D5~10厚玻化砖,稀水泥浆擦缝,150高9厚1:2水泥砂浆粘结层(内掺建筑胶)界面剂一道(甩前用水喷湿墙面)加气混凝土砌块墙体B. 基底为钢筋混凝土外壁时——参见05J909—176—TJ8—踢5C5~10厚玻化砖,稀水泥浆擦缝,150高9厚1:2水泥砂浆粘结层(内掺建筑胶)界面剂一道(甩前用水喷湿墙面)钢筋混凝土墙体或小型混凝土空心砌块墙体地下踢脚 2 ——水泥砂浆踢脚燃烧等级A级A. 基底为加气混凝土砌块墙时——参见05J909—170—TJ2—踢1D6厚1:2.5水泥砂浆抹面压实赶光素水泥浆一道5~7厚1:1:6水泥石膏砂浆打底划出纹道3厚外加剂专用砂浆打底刮糙(抹前用水喷湿墙面)气气混凝土砌块墙体B. 基底为钢筋混凝土墙时——参见05J909—170—TJ2—踢1C6厚1:2.5水泥砂浆抹面压实赶光素水泥浆一道8厚1:3水泥砂浆打底划出纹道素水泥浆一道(内掺建筑胶)钢筋混凝土墙体或小型混凝土空心砌块墙体地下踢脚3——木踢脚燃烧等级B2级A. 基底为加气混凝土砌块墙时——参见05J909—179—TJ11—踢7D200μm厚聚酯漆18厚硬木踢脚板(背面满刷氟化钠防腐剂)用尼龙膨胀螺栓固定刷素水泥浆一道墙缝原浆抹平,聚合物水泥砂浆修补墙面加气混凝土砌块墙体B. 基底钢筋混凝土外壁墙时——参见05J909—179—TJ11—踢7B200μm厚聚酯漆18厚硬木踢脚板(背面满刷氟化钠防腐剂)用尼龙膨胀螺栓固定素水泥浆一道(内掺建筑胶)钢筋混凝土墙体或小型混凝土空心砌块墙体4)地下室顶棚地下顶棚1 ——平顶涂料燃烧等级A级——参见05J909—265—DP5—棚4A1地下室钢筋混凝土顶板底面素水泥浆一道(内掺建筑胶)5厚1:0.5:3水泥石灰膏砂浆打底3~5厚基底防裂腻子分遍找平2厚面层耐水腻子刮平刷平顶涂料二道地下顶棚2——轻钢龙骨石膏板吊顶燃烧等级A级——参见05J909—270—DP10—棚17A地下室钢筋混凝土顶板底面龙骨吸顶吊件,中距横向400;纵向800,用膨胀螺栓与钢筋混凝土顶板固定C型50系列轻钢龙骨,主龙骨中距1200,次龙骨中距60012厚耐水耐火纸面石膏板,用自攻螺丝与龙骨固定中距≤200满刮2厚耐水腻子找平,面板接缝处贴嵌缝带,刮腻子抹平刷平顶涂料二道地下顶棚3——轻钢龙骨吸音顶燃烧等级B1级——参见05J909—275—DP15—棚31A地下室钢筋混凝土顶板底面龙骨吸顶吊件,中距横向≤400 ;纵向≤800用膨胀螺栓与钢筋混凝土板固定C型50系列轻钢龙骨,中距主龙骨1200;次龙骨40050厚超细玻璃棉板吸声层,用玻璃丝布袋装,随钉FC板随填于龙骨间4厚FC板(穿孔率≥16%,孔径Φ6~8),用自攻螺丝与龙骨固定,中距300刷平顶涂料二道。
技术交底记录
表C2-1
资料编号
工程名称 北京光华路SOHU 交底日期
施工单位 北京奥瑞特铭建材有限公司 分项工程名称
交底提要 T型塑料压条做法及技术交底
交底内容:
一、 施工准备:
材料及机具准备:北京奥瑞特铭建材有限公司穿孔吸音复合板、配套膨胀螺栓及塑料压
盘、T型塑料压条、粉刷石膏、铝合金护角、电钻、电锤、配电箱。
二、 作业条件:
吸音板安装前,应做完屋面、砌体施工、顶棚和墙面的施工项目,并保证基层平整洁净。
已确定灯位、通风口及各种照明孔口、插座的位置,管道保温结束。作完前道工序后应及时
完成前道工序的验收。1米标高控制线已弹在墙、柱上,安装现场保持干燥,地面经过清理,
无积水,无灰尘、杂物。
三、 操作工艺:
施工工艺流程:基层处理—弹线—排版—裁板—安板—安装T型压条—打孔固定—安装
铝台金护角收口。
3.1基层处理:将墙面松散杂物灰尘清理干净,要求原墙面平整度垂直度满足墙面抹灰质量要
求。
3.2弹线:根据水平1m控制线弹出房间墙面水平线,用两点成一线的方法在两侧挂白线,用
水泥钉拉紧,根据门中弹出墙顶垂直线,按照吸音板的规格弹出分格线。
3.3排版:根据弹出的水平线和垂直线进行排版,排版应美观大方,整齐一致。下部起始排版
线为踢脚线上口,但不得仅依据已施工完毕的水泥踢脚上口线作为起始排版线,要根据踢脚
上口线为基本,用红外线水准仪沿踢脚上口打出水平线为排版起始线。板与板相邻之间不能
色差较大,特别是对不规则的梁柱小板做到均匀拼缝严密。
3.4裁板:裁板应用专业裁板工具,裁权要保证板面平直不掉边角.
3.5安板:根据房间内已做好的100㎜水泥踢脚(不能仅以已做好的踢脚线上口作为粘贴吸音板
水平起始线,要根据建筑1米控制线下返920㎜为依据进行排版).在板的背面点状抹耐水腻子
与粘接剂混合物(至少5个点)由下往上(采用粘贴瓷砖的做法)依次安装吸音板,随时检查吸
音板的平整度和垂直度.板与板之间紧密结合,板边接缝处平面压T型压条,板角对角处用固
定压盘胀栓固安,胀栓的深浅要合适,不可过深,过深会使胀栓松动不牢固,过浅会使胀栓不能
完全打开,压盘起步到固定作
审核人 交底人 接受交底人
本表由施工单位填写.
技术交底记录
表C2-1
资料编号
工程名称 北京光华路SOHU 交底日期
施工单位 北京奥瑞特铭建材有限公司 分项工程名称
交底提要 T型塑料压条做法及技术交底
用.一定要保证压盘密实的压在吸音板上,
3.6安装T型塑料压条:当吸音板安装到一定高度时并粘贴完毕后,即可安装T型压条,压条安装
应平直不能有弯曲,如果有变形,不能再使用.压条要与吸音板压实不能出现空隙.
3.7打孔固定:粘贴好吸音板,在与板的对角处用电锤钻出Ø8的孔,孔的深度要和胀栓的长度一
致,安装并调整流T型压条后,即可打眼安装塑料胀管及塑料压盘,塑料胀管固定压盘与板面
的连接,使压盘嵌入板面的深度应一致.
3.8安装铝合金护角:门边阳角处用铝合金护角进行收口,用万能胶将铝合金护角内侧刷匀,然后
将其粘于吸音板上,要求粘接时一定要牢固.
3.9顶面做法:直接将板用塑料胀栓及压盘固定于顶面,每块板缝之间平压T型压条,压条横平竖
直,在板的十字角处采用塑料压盘及胀钉固定.由于机房内的环境比较潮湿,为增加吸音板与顶
面连接的牢固性,须在每块板的中间另加一个固定压盘及胀钉.
3.10门边、梁、柱的阳角处采用铝合金护角进行收口,并用万能胶将铝合金护角粘贴在吸音板
上.
四、质量要求:
4.1严把材料关,材料出厂直接送入工地,避免中转节点过多造成材料损坏.
4.2严格施工规范,施工过程中严格按施工规范要求施工,确保工程质量合格.
五、成品保护措施
5.1吸音板运输最好采用机械运输以防止运输过程中的损坏.人工搬运时,要注意轻合轻放,防
止材料与周围机件碰撞损坏,严禁超量搬运.
5.2吸音板尽量放置建筑物内干燥的环境里,堆放不超过1.8米并存在平整与地面隔离的木条
上,以防止村料受潮变形.
5.3如果吸音板无法放置在干燥的环境中,必须施工额外的防潮遮盖物将整件板材安全包裹起
来.
5.4安装吸音板、风口和插座等设施时相互不得产生磕碰,接缝处要严格处理.
5.5吸音板安装安成后,机电表满哭具安装时,操作人员均须佩带干净白手套,不得破坏和污染
吸音板表面.
审核人 交底人 接受交底人
本表由施工单位填写.
技术交底记录
表C2-1
资料编号
工程名称 北京光华路SOHU 交底日期
施工单位 北京奥瑞特铭建材有限公司 分项工程名称
交底提要 T型塑料压条做法及技术交底
六、注意事项:
6.1合理制定用料计划,按计划进料.合理安排材料进场,随用随进,不得在场外堆放施工材料,各
种料材不得长期占用场地,各种废料必须及时处理.
6.2施工现场内的吸音材料,采取必要的防雨、防潮、防损伤等措施.
6.3吸音板施工不得在施工现场焚烧卷材、用溶剂配制基层处理剂及其它产生有毒、有害烟
尘和恶臭气体的物质.
审核人 交底人 接受交底人
本表由施工单位填写.