坡道(斜道)脚手架安全技术交底
- 格式:docx
- 大小:14.60 KB
- 文档页数:1
斜道技术交底质量保证措施1、脚手架的各种材料,在进入施工现场时,应进行检查验收,经检查验收不合格的材料应及时清除出场;2、主要受力杆件的规格、杆件设置应符合专项施工方案的要求;3、地基应符合专项施工方案的要求,应平整坚实,垫板必须铺放平整,不得悬空;4、连墙件应设置牢固;5、剪刀撑、斜撑等的加固杆件应设置齐全,连接可靠;6、搭设过程中门洞、转角等部位的构造应符合《建筑施工扣件式钢管脚手架安全技术规程》JGJ130-2011的规定7、在使用过程中,应对竹脚手架经常性的检查与维护,并应及时清理架体上的垃圾和杂物。
安全保证措施1、脚手架搭设人员必须是经过国家现行标准<<特种作业人员安全技术考核管理规则>>考核合格的专业架子工。
搭设脚手架人员必须戴安全帽、安全带,穿防滑鞋。
2、脚手架搭设时应按下列阶段进行质量检查,发现问题应及时校正。
1)基础完工后及脚手架搭设前;2)作业层上施加荷载前;3)每搭设完6m~8m高度后;4)达到设计高度后;5)遇有六级强风及以上风或大雨后;冻结地区解冻后;6)停用超过一个月。
3、使用阶段1)操作层上的施工荷载应符合设计要求,不得超载;2)不得将模板支撑、缆风绳、泵送混凝土管等固定在脚手架上,严禁任意悬挂起重设备;3)六级及六级以上大风和雾、雨天应停止脚手架作业,雨后上架操作应有防滑措施。
4)在脚手架使用期间,严禁拆除下列杆件:主节点处的纵、横向水平杆,纵、横向扫地杆;连墙件;5)当在脚手架使用过程中开挖脚手架基础下的设备基础或管沟时,必须对脚手架采取加固措施;6)在脚手架上进行电、气焊作业时,必须有防火措施和专人看守;7)工地临时用电线路的架设及脚手架接地、避雷措施等应按国家现行标准执行。
8)立杆底座应安放厚度不小于50mm的木垫板,也可采用槽钢等。
垫板与混凝土板接触紧密平整。
4、脚手架的拆除1)接收到项目部脚手架架体拆除任务书后方可进行拆除作业工作。
脚手架搭设技术交底15篇【第1篇】满堂脚手架搭设的平安技术交底⒈立杆:纵横向立杆间距⒈2m,步距⒈1.8m地面应整平夯实,立杆埋入地上30~50cm,不能埋地时,立杆下应垫枕木并加设扫地杆。
⒈横杆:纵横向水平拉杆步距⒈1.8m,操作层大横杆间距⒈40cm。
⒈剪刀撑:四角应设抱角斜撑,四边设剪刀撑,中间每隔四排立杆沿纵向设一道剪刀撑,斜撑和剪刀撑均应由下而上延续设置。
⒈架板铺设:架高在4m以内,架板间隙⒈20cm,架巍峨于4m,架板必需满铺。
⒈辅助设施:上料通道四面应设1m高的防护栏杆,上下架应设斜道或扶梯,不准攀登脚手架杆上下。
⒈施工荷载:普通不超过100kg/m2,如需承受较大荷载应实行加固措施,或经设计。
【第2篇】悬挑脚手架搭设拆除工程平安技术交底工程名称施工单位施工部位主体施工内容悬挑脚手架搭设普通性内容1、搭设前,必需认识施工计划的作业要求;对进场的脚手架钢管及配件举行严格的检查,禁止使用规格和质量不符合要求的钢管和扣件。
2、搭设脚手架应从一个角开头,并向两边延长交圈搭设;"'字型脚手架应从一端开头,并向另一端延长搭设。
应按定位依次竖起立杆,将立杆与纵、横向扫地杆衔接固定,然后搭设第一步的纵向和横向平杆,随校正巧的立杆垂直之后予以固定,并按此做法继续向上搭设。
3、在设置第一排连墙件前,"'字型脚手架应设置须要数量的挑撑,以确保构架的稳定和架上作业人员的平安,边长>;=20m的周边挑架应设置挑撑。
剪力撑、斜杆等整体拉接杆件和连墙件应随搭开的架子一起准时设置。
4、脚手架处于顶层连墙点上的自由高度不得大于6m,当作业层高出其下的连墙件2m或4m以上,且其上无连墙件时,应实行适当的暂时撑拉措施。
5、脚手板或其它铺板应铺平、铺稳,须要时应绑扎固定。
脚手板采纳对接平铺时,对接处与其下两侧支承横杆的距离应控制在100-200mm之间。
脚手板采纳搭设铺设时,其搭接长度不得小于200mm,且在搭接段的中部应设有支承横杆;铺板严禁浮现端头超出支承横杆250mm以上、未做固定的探头板。
一、交底目的为确保市政工程脚手架搭设和拆除过程中的安全,防止安全事故的发生,特制定本安全技术交底文件,对相关人员进行详细的安全技术交底。
二、适用范围本交底文件适用于所有市政工程脚手架的搭设、使用、拆除及维护保养过程。
三、安全技术要求1. 脚手架搭设前的准备- 对搭设人员进行安全教育和技能培训,确保其具备搭设脚手架的基本技能和安全意识。
- 检查所有脚手架杆件、配件及工具,确认其质量合格,严禁使用不合格产品。
- 确保脚手架基础稳固,周围排水设施完善,防止积水。
2. 脚手架搭设过程中的安全要求- 搭设过程中,操作人员必须穿戴好安全帽、安全带、防滑鞋等个人防护用品。
- 严格按照脚手架搭设规范和设计要求进行搭设,确保搭设质量。
- 搭设过程中,严禁酒后作业、疲劳作业和违章作业。
- 上下脚手架必须设置斜道、安全梯等攀登设施,确保人员安全通行。
- 脚手架应按规定采用连墙件与构筑物相连接,连接牢固,不得随意拆除。
3. 脚手架使用过程中的安全要求- 使用过程中,严禁超载使用脚手架,防止因超载导致脚手架失稳。
- 定期检查脚手架的安全性能,发现问题及时处理。
- 遇到风力六级(含)以上、高温、大雨、大雪、大雾、沙尘暴等恶劣天气,应停止露天脚手架搭设、拆除等作业。
4. 脚手架拆除过程中的安全要求- 拆除脚手架前,班组成员要明确分工,统一指挥,操作过程中精力要集中。
- 正确穿戴好个人防护用品,脚应穿软底鞋。
拆除挑架等危险部位要挂安全带。
- 拆除过程中,周围应设围栏或警戒标志,在交通要道设专人监护,禁人入内。
- 严格遵守拆除顺序,由上而下,一步一清,不准上下层同时作业。
- 拆除的脚手架杆、脚手板、钢管、扣件等材料应往入传递或用绳索吊下,不得往下投扔。
四、安全责任1. 施工单位应负责脚手架搭设、使用、拆除过程中的安全管理,确保施工人员安全。
2. 施工人员应严格遵守安全技术交底文件,确保自身安全。
3. 监理单位应加强对脚手架搭设、使用、拆除过程中的监督检查,发现问题及时整改。
脚手架搭设安全技术交底安全技术交底内容:1、严格按照《建筑施工扣件式钢管脚手架安全技术规范》及施工方案搭设。
脚手架应经检查验收合格后才准使用。
架子工要经培训考核合格持证上岗。
2、严禁采用锈蚀严重、弯曲变形及有孔、洞裂缝的钢管搭设脚手架。
3、旧扣件使用前必须进行质量检查、有裂缝、变形的严禁使用,出现滑丝的螺栓必须更换。
4、脚手架基础必须夯实,周围设有排水设施。
木垫厚度不于5CM,长度不少于立杆纵距的2跨,高架也可用槽钢。
5、高架搭设时应将木垫板铺平,放好底座,再将立杆放入底座内,不准将立杆直接置于木板上。
6、立杆对接扣件部位应交错部置。
两根相邻的立杆接头不应设在同一步架内,同一步架内隔一根立杆的两个相隔接头在高度方向部位错开的距离不宜小于500MM;各接头中心至主接点的距离不宜大于步距1/3。
7、立杆接长除面层、顶步可采用搭接,其余各层各步接头必须采用对接扣件连接,顶层顶步的搭接长度不应小于1米。
8、纵向水平杆(大横杆)宜设置在立杆内侧,其长度不宜大于3跨。
9、主接头处必须设置一根横向水平杆(小横杆)、用直角扣件扣接严禁拆除。
10、高度在24米以下的单、双排脚手架,均必须在外侧立面两端各设置一道剪刀撑,并应由底至顶连续设置,中间各道剪刀撑之间的净距不大于15米。
高度在24M以上的双排脚手架应在外侧立面整个长度和高度连续设置剪刀撑。
11、脚手架必须设置纵、横向扫地杆。
纵向扫地杆应采用直角扣件固定在距底座上皮不大于200MM处的立杆上。
一字型、开口型双排脚手架的两端均必须设横向斜撑,中间宜每隔6跨设置一道。
12、作业层上的施工荷载应符合设计要求,不得超载,不得将模板支架、缆风绳、泵送混凝土和砂浆的输送管固定在脚手架上;严禁悬挂起重设备。
13、在脚手架施工期间,严禁拆除主节点处的纵、横向水平杆和纵、横向扫地件及连墙件。
14、拆除脚手架时,地面应设围档和警戒标志,并派专人看守,严禁非操作人员入内,各构配件严禁抛掷至地面。
脚手架安全交底脚手架是建筑工地上常用的施工设备,它提供了便捷的工作平台,让施工人员能够进行高空作业。
然而,由于脚手架的特殊性质,安全问题一直是工地管理者和施工人员所关注的重点。
为了确保工作人员的安全,脚手架安全交底是非常重要的工作步骤。
脚手架在施工中承载着工人和材料的重量,因此其稳定性至关重要。
首先,施工前必须进行全面的脚手架的检查和评估。
确保脚手架结构的合理性,材料的质量和连接的牢固性。
特别要关注脚手架主体的支撑和固定,以防止脚手架倒塌或局部垮塌的情况发生。
在搭建脚手架的过程中,必须按照规范进行操作,确保搭建的质量和安全。
首先,要选择适当的脚手架材料,并确保其具备足够的强度和稳定性。
其次,在选择搭建位置时要考虑周围的环境因素,如建筑物的高度、风力等。
还要确保脚手架结构的稳定性,防止脚手架在使用过程中移动或垮塌。
在脚手架的使用过程中,必须严格遵守相关的安全规范和操作规程。
首先,工人必须配戴安全帽和安全绳,确保人身安全。
其次,工人在脚手架上操作时必须站稳,切忌趴倒、跨着或蹲坐。
同时,要注意避免脚手架上堆积材料过多,以免影响脚手架的稳定性。
当有风力或其他恶劣天气条件时,应暂停工作,确保工人的安全。
对于脚手架的维护和检修也是非常关键的。
脚手架在使用一段时间后会出现磨损和老化的问题,特别是连接件和支撑部分。
因此,定期检查和维护脚手架是必不可少的。
定期检查脚手架的连接件、护栏和栅栏是否存在破损或松动的情况,并及时采取措施进行修复和更换。
除了以上的安全措施外,还有一些其他的安全注意事项需要谨记。
首先,切勿在脚手架上进行违反安全规定的行为,如翻越护栏、跳跃或滑行等。
其次,要避免脚手架上粘贴广告、堆放杂物或进行其他影响脚手架安全的行为。
同时,要做好脚手架的周边防护措施,防止行人误入施工区域。
总而言之,脚手架是建筑工地上不可或缺的设备,但其安全性是至关重要的。
通过全面的脚手架安全交底和在施工过程中严格按照相关规范和操作规程进行操作,可以确保工人的安全,避免事故的发生。
竹脚手架斜道搭设技术交底前言竹脚手架是建筑施工中的一种经济、高效、环保的搭建工具。
由于其具有质轻、耐磨、防滑、便于安装、拆卸等优点,使得竹脚手架在建筑施工中得到广泛应用。
本文主要介绍竹脚手架斜道搭设技术交底,包括斜道的搭设原理、斜度的计算方法、斜道的搭设流程以及注意事项等。
原理介绍斜道作为竹脚手架的重要组成部分,在建筑施工中起到了举足轻重的作用。
它不仅可以作为物料运输通道,还能作为工人上下、下料使用的通道。
斜道相对于水平的角度称为斜度,它的大小直接影响着施工作业的顺畅度和安全性。
计算方法竹脚手架斜道的斜度应根据实际情况合理确定,下面介绍两种常见的计算方法。
等长度法采用竹板制成的斜道,可用等长度法计算斜度,具体步骤如下:1.在地面上确定斜道的起点和终点,并在地面上用线长或尺长量出斜道的总长度。
2.用竹板平铺在地上作矩形,其中一条边的长度等于斜道的总长度。
3.用三角板对竹板进行划分,即将竹板的另一条边按所需斜度与斜道总长度相交。
4.沿着斜边将竹板切割成斜道。
打桩法采用钢管或竹杆制成的斜道,可用打桩法计算斜度,具体步骤如下:1.在地面上确定斜道的起点和终点,并在地面上确定斜道的总长度和升高高度。
2.在起点处打入一根垂直于地面的木桩,桩高应等于升高高度。
3.在终点处打入一根与地面相垂直的木桩,桩高应等于起点木桩与终点木桩之间的距离。
4.在两个木桩之间用钢尺或绳子拉成直线,即为斜道的斜线,将钢管或竹杆根据斜线切割成适当长度,组成斜道。
斜道搭设流程竹脚手架斜道搭设可分为斜道准备、定位、安装、调整、固定等步骤,下面具体介绍每一步骤的操作方法。
斜道准备1.获得竹材或钢管等材料,生产制作符合施工需要的斜道。
2.确认斜道的长度、宽度、厚度等尺寸与斜度是否符合要求。
3.与现场环境进行对比,确定斜道放置时的位置、方向与高度。
4.仔细检查斜道各部位是否完好,如果有损坏应及时更换。
定位1.确认斜道的起点与终点,清理斜道铺设的区域,确保斜道能够顺利安装。
竹脚手架斜道搭设安全技术交底一、概述竹脚手架是一种常用的建筑施工工具,具有质轻、强度高、易搭建等优点,被广泛应用于建筑施工领域。
在竹脚手架搭设中,斜道的设置是必不可少的环节,而斜道的搭建安全关系到工人的生命财产安全。
本文介绍竹脚手架斜道搭设的安全技术交底,以确保施工过程中人员的安全。
二、竹脚手架斜道搭设安全技术交底2.1 竹脚手架斜道的定义竹脚手架斜道是指竹脚手架中设置的斜坡道,它是连接地面和高处的重要通道,也是工人升降和材料运输的必经之路。
2.2 竹脚手架斜道的要求竹脚手架斜道的搭设要求如下:1.斜道的角度应不小于 30 度,不大于 45 度,斜道长度不超过 6 米。
2.斜道应按照重力方向设置,并保持水平,斜道的覆盖面应符合安全要求。
3.斜道应搭设在建筑物稳定结构上,并采取加强措施,确保斜道的稳固性和安全性。
4.斜道两侧应设置栏杆,栏杆高度应不小于 1.1 米,杆的间距不得大于 0.5 米。
5.对于竹脚手架的斜坡道,必须专人管理,不得随意改变和破坏。
2.3 斜道搭建的安全技术交底1.在搭设斜道前,必须检查竹材的质量,确保无裂纹、无腐朽、无虫蛀等问题,以及钢丝绳、索具等固定设备的牢固性。
2.斜道的角度应根据实际情况、工作高度和斜道长度来确定,同时要根据斜道角度和长度,计算斜道支撑点和栏杆的数量和位置。
3.斜道的支撑点应选用牢固的结构,并留有安全固定钩,固定钩的数量及固定方式应符合规定。
4.在斜道的两侧,按照规定设置栏杆,栏杆的高度、间距和固定方式应符合规定,防止工人从斜道侧面意外坠落事故的发生。
5.在斜道下方应设置安全网,以防工人跌落时的伤害,安全网应符合质量要求,使用寿命不得低于 3 年,未经检测和维护,不能继续使用。
6.搭设斜道必须专人监督,加强监理和管理,发现问题及时处理,确保斜道的稳固性和安全性。
三、总结竹脚手架是一种常用的建筑施工工具,在竹脚手架搭设中,斜道的设置是不可或缺的环节,而斜道的搭建安全关系到工人的生命财产安全。
竹脚手架斜道搭设安全技术交底(通用版)Establish a safety production responsibility system. Implement specific work safety divisions, clearly distinguish rewards and punishments, and assign responsibilities to individuals.( 安全管理 )单位:______________________姓名:______________________日期:______________________编号:AQ-SN-0411竹脚手架斜道搭设安全技术交底(通用版)交底内容:(1)对于3步以上的竹脚手架.应搭设斜道与休息平台。
3步以下多搭设一子形斜道;3步以上可搭设之字形斜道,休息平台多设置在转弯处.(2)人行斜道一般与脚手架同宽(但不得小于1m),其坡度宜为l:3。
运料斜道宽度不得小于1.5m.坡度以l:6为宜。
转弯平台宽度不得小于1.5m,面积不得小于6㎡.(3)斜道两侧及拐弯平台的外侧.均应设lm高的防护栏杆和立网防护。
(4)斜道的搭设方法与脚手架相同,但为了斜道的稳固.在斟道两侧外围和端部应设剪刀撑。
对于附在脚手架外侧的斜道(即利用脚手架外俩外立杆作为斜道的内立杆时)应加强脚手架连墙杆的设置。
对于独立的斜道应加密连墙杆。
(5)斜横杆的同距应不大于300mm,靠边妁斜横杆应与立杆绑扎牢固,中间的斜槽杆与小横杆绑扎。
(6)斜道脚手板顺铺时,可直接铺在小横杆上,小横杆绑扎在斜横杆上,间距不大于lm。
脚手板接头处应设双根小横杆,搭接长度不小于400mm。
(7)脚手板横铺时.可平铺在斜横杆上,斜横杆绑扎在小横轩上,斜横杆水平距离应小于200mm。
-(8)斜道脚手板每隔300处应设置一道防滑条。
不上人屋面的竹架应设一道斜道上屋面.补充作业指导内容:XXX图文设计本文档文字均可以自由修改。
脚手架技术交底内容脚手架技术交底。
脚手架是建筑施工中常用的临时性工程设施,它的安全性和稳定性对工程施工起着至关重要的作用。
为了确保脚手架的搭建和使用符合相关规范和标准,特进行脚手架技术交底,以便施工人员能够全面了解脚手架的搭建、使用和拆除过程中的注意事项和安全要求。
一、脚手架的搭建。
1. 在搭建脚手架之前,需要对搭建现场进行认真的勘察,确保搭建脚手架的地基承载能力和承重能力符合要求。
2. 搭建脚手架时,必须按照设计图纸和相关规范进行操作,严格按照搭建步骤进行,不得擅自更改或省略任何环节。
3. 在搭建脚手架的过程中,必须保证脚手架的结构稳固、连接牢固,材料符合要求,横、纵向的间距均匀,不得出现倾斜、晃动等现象。
二、脚手架的使用。
1. 在脚手架搭建完成后,使用前必须进行检查,确保脚手架的安全性能符合要求。
2. 在使用脚手架的过程中,必须按照规范要求进行操作,不得超载、乱堆放材料,不得在脚手架上进行打磨、焊接等作业。
3. 在使用脚手架时,必须做好防护措施,如设置防护栏杆、安全网等,确保工人的人身安全。
三、脚手架的拆除。
1. 在脚手架使用完毕后,必须按照规范要求进行拆除,不得擅自拆除或改动脚手架结构。
2. 在拆除脚手架的过程中,必须做好周边的安全防护工作,防止脚手架的材料或部件掉落,造成伤害或损坏。
3. 拆除完成后,必须对脚手架的材料进行清点、整理和存放,确保脚手架材料的完好和安全。
四、脚手架的维护。
1. 在脚手架使用过程中,必须定期对脚手架进行检查和维护,确保脚手架的安全性能。
2. 对于发现的脚手架材料损坏或连接件松动等问题,必须及时进行修复或更换,不得强行使用或忽视安全隐患。
五、脚手架的安全注意事项。
1. 在搭建、使用和拆除脚手架的过程中,必须遵守相关的安全操作规程和要求,严格执行安全管理制度。
2. 在脚手架使用过程中,必须做好安全防护工作,如佩戴安全帽、安全带等,确保工人的人身安全。
六、总结。
脚手架技术交底是建筑施工中的重要环节,只有做好了脚手架的搭建、使用和拆除工作,才能确保施工现场的安全和稳定。
边坡支护工程安全技术交底三篇篇一:边坡支护工程安全技术交底一、边坡支护的一般规定1.边坡支护工程中使用天然和人造纤维吊索、吊带时,应符合下列要求:(1)使用中受力时,严禁超过材料使用说明书规定的允许拉力。
(2)纤维吊索、吊带应由有资质的企业生产,具有合格证。
(3)用纤维吊索捆绑钢性物体时,应用柔性物衬垫。
(4)各类纤维吊索、吊带应与使用环境相适应,禁止与使用说明书中所规定的不可接触的物质相接触,防止受环境腐蚀。
天然纤维不得接触酸、碱等腐蚀介质;人造纤维不得接触有机溶剂,聚酰胺纤维不得接触酸性溶液或气体,聚酯纤维不得接触碱性溶液。
(5)纤维吊索、吊带不得在地面拖拽摩擦,其表面不得沾污泥砂等锐利颗粒杂物。
(6)使用中,纤维吊索软索眼两绳间夹角不得超过30°,吊带软索眼连接处夹角不得超过20°。
(7)吊索和吊带受腐蚀性介质污染后,应及时用清水冲洗;潮湿后不得加热烘干,只能在自然循环空气中晾干。
(8)纤维制品吊索应存放在远离热源、通风干燥、无腐蚀性化学物品场所。
(9)使用潮湿聚酰胺纤维绳吊索、吊带时,其极限工作载荷应减少15%。
(10)人造纤维吊索、吊带的材质应是聚酰胺、聚酯、聚丙烯;大麻、椰子皮纤维不得制作吊索;直径小于16mm细绳不得用作吊索;直径大于48mm粗绳不宜用作吊索。
(11)当纤维吊索出现下列情况之一时,应报废:绳被切割、断股、严重擦伤、绳股松散或局部破裂;绳表面纤维严重磨损,局部绳径变细或任一绳股磨损达原绳股1/3;绳索捻距增大;绳索内部绳股间出现破断,有残存碎纤维或纤维颗粒;纤维出现软化或老化,表面粗糙纤维极易剥落,弹性变小、强度减弱;严重折弯或扭曲;绳索发霉变质、酸碱烧伤、热熔化或烧焦;绳索表面过多点状疏松、腐蚀;插接处破损、绳股拉出、索眼损坏;已报废的绳索严禁修补重新使用。
(12)当吊带出现下列情况之一时,应报废:织带(含保护套)严重磨损、穿孔、切口、撕断;承载接缝绽开、缝线磨断;吊带纤维软化、老化、弹性变小、强度减弱;纤维表面粗糙易剥落;吊带出现死结;吊带表面有过多的点状疏松、腐蚀、酸碱烧损以及热熔化或烧焦;带有红色警戒线吊带的警戒线裸露。
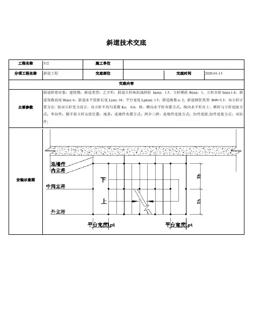
坡道安装技术交底
项目名称:
施工单位
贵州优秀建筑(机械化施工)有限公司
分项项目名称
披露部门
披露方
披露日期
年月日
接受披露的团队或员工签名:
披露内容:
(1)应根据以下要求确定行人和材料运输的形式。
①高度不大于6m的脚手架,应使用之字形滑槽.
②高度大于6m的脚手架,建议使用通用斜坡。
(2)坡道应配有外部脚手架或建筑物.·
(3)输送槽的宽度不应小于1.5M,坡度宜采和l : 6;人行斜道
宽度不宜小于1M,坡度宜采用l:3。
(4)拐弯处应设置平台,其宽度不应小于坡道的宽度。
(5)坡道两侧和平台周边应设置扶手和踢脚板。
栏杆高度应为l.2m,挡脚板高度不应小于180mm。
(6)运料斜道两侧、平台周边和端部应按规范设置墙体连接件;每
两步应加设水平斜杆,并按规范规定设置剪刀撑和横向斜撑。
(7)坡道脚手板的结构应符合以下要求.
①脚手板横铺时.水平切割下方应增加纵向支撑杆,纵向支托杆
间距不应大于500MM.
②脚手板顺铺时.接头宣采用搭接;下面的板头应压住上面的板头,应使用三角木填充板头的凸对齐。
③人行坡道和物料装卸坡道的脚手板应每隔250~30MM设置一根
防滑木条.木条厚度宜为20~30MM.
(8)作业层、坡道的扶手和踢脚板应安装在外立柱的内侧,见图l。
上栏杆高度为1-2m,中栏杆应居中设置。
挡脚板高度不应小于l80MM。