汽车坡道施工技术交底终审稿)
- 格式:docx
- 大小:189.19 KB
- 文档页数:5
坡道安全技术交底背景如今,随着城市化进程的不断加快,城市内的交通拥堵问题越来越严重。
在这种情况下,建设长、陡的坡道成为了一种常见的交通工程设施。
而长陡的坡道不仅需要保证行车的便利性,还需要注重安全性,防止行车人员或车辆在行驶过程中发生意外事故。
因此,坡道的安全性至关重要,需要在施工前进行技术交底,确保施工人员的安全意识和施工过程中的安全措施得到了落实。
技术交底的目的对于坡道安全,技术交底的目的在于通过告知施工人员坡道的安全要求、操作规范和现场安全措施等内容,提高施工人员的安全意识和技术水平,降低施工过程中的危险性,保障行车人员和施工人员的日常安全。
技术交底的内容对于坡道安全技术交底,需要包括以下三方面的内容:1. 目标和要求首先,技术交底需要明确坡道技术规范和标准。
技术规范和标准应包括施工质量控制和安全措施等要求。
这些标准和规范是施工人员在施工过程中必须遵守的基本原则和基本技能,重要的是要在交底过程中详细说明,以确保施工人员能够全面理解。
2. 施工安全措施其次,需要明确坡道建设过程中的安全措施。
施工人员需要清楚地了解在施工过程中,如何避免潜在的危险和风险,并且需要了解在紧急情况下应该采取哪些应急措施,以减少事故的发生。
3. 施工质量管理最后,需要说明一些坡道施工质量管理方面的问题。
施工人员需要清楚地了解施工质量标准,了解如何检测质量,并学习如何正确使用常见的施工设备和工具。
这些措施可以有效提高施工质量,并确保施工结果达到规定的标准。
技术交底的步骤为了有效地进行技术交底,可以按照以下步骤来开展:1. 确定交底的时间和人员首先,需要明确技术交底的时间和参与人员。
考虑到坡道施工通常需要涉及大量人员,因此确定交底时间需要尽可能与整个施工团队的工作计划匹配,并确保所有重要的施工人员都参与其中。
2. 安排交底地点其次,需要安排交底的地点。
最好在工地内或附近举行技术交底,以方便施工人员实地了解施工过程中的实际情况,并在现场提出相关问题。
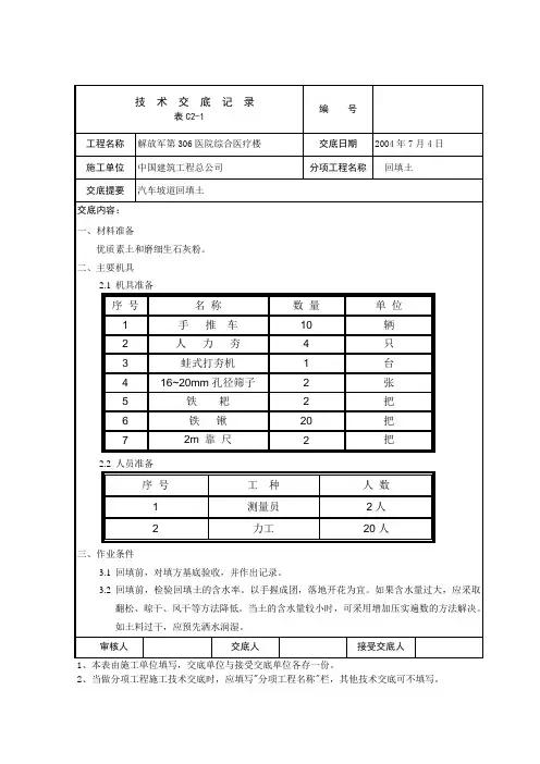
汽车坡道施工技术交底公司标准化编码 [QQX96QT-XQQB89Q8-NQQJ6Q8-MQM9N]一、施工准备1、材料准备:C20细石混凝土、金刚砂、木条、固定模板、脱模剂。
2、极具准备:专用模具、铁抹子、木抹子、线绳若干米、金属刮杠等。
3、作业条件:结构工程已经进行验收,地面预埋管线安装完毕。
4、技术准备:已弹好1m线。
二、施工工艺和施工方法(一)凹槽式耐磨骨料防滑汽车坡道施工方法:1、材料准备:木条,固定模板,脱模剂等。
2、防滑道材料及放置由硬化剂施工方完成。
3、提前1天把所用木条完全浸泡于水中。
4、50厚C20细石混凝土内配A6@200双向钢筋网浇注后,平整面层,除去泌水,面层撒1~2mm 金刚砂,每平米金刚砂用量为1~2KG之间,铺撒应均匀。
5、混凝土初凝前放置固定模板及膨胀后的木条。
6、用橡胶锤嵌入木条,并保持防滑木条与混凝土处于同一平面,或用20圆钢压槽。
7、防滑木条间平面部分麻面处理。
8、混凝土成型后取出木条,涂刷养护剂并用切割机修平整各表面。
9、防滑条距两侧墙体30cm,距地面截水沟20cm起步,间距20cm排布至地下排水沟。
10、用塑料薄膜覆盖养护七天方可使用。
凹槽式防滑坡道地面截面示意图(mm)(二)凸起型条状耐磨骨料防滑汽车坡道施工方法1、50厚C20细石混凝土内配A6@双向钢筋网浇注后,平整面层,除去泌水,面层撒1~2mm金刚砂,每平米金刚砂用量为1~2KG之间,铺撒应均匀。
2、耐磨硬化剂地坪经过破浆、提浆、找平、压实后,单位平米用料比标准用量多1kg ,撒完后,基础表面此时呈粗糙毛面;3、在此表面还有水泥原浆存留时,按照间距30cm绷紧线绳,作好标记,并现场搅拌纯耐磨骨料浆体,塌落度应控制在6—8cm左右,备用。
4、等混凝土表面能浮住人(或指压落痕不足1cm)时,用金属刮杠刮取原浆,在平整且具有一定坡度的粗糙地坪表面堆积成高—,宽—的耐磨硬化剂混合浆料带。
5、沿坡道侧墙两边各取60cm地坪,抛光,作成普通光面。
汽车坡道做法技术交底 The document was finally revised on 2021交底内容:一、施工准备、技术准备1.1.1坡道(一)做法:① 90厚C20混凝土垫层②在混凝土垫层上按要求弹线分格、安分格条③1:1素水泥浆粘结层④30厚C20混凝土,不毛面区域压实、赶光,毛面区域表面内敷豆石压实、赶光,待砼终凝达到强度后,弹线采用打磨机磨光砼表面水泥浆、露出表面豆石⑥养护200宽间隔剔毛示意图1.1.2坡道(二)做法:200宽间隔剔凿毛面。
、材料准备及机具准备1.2.1水泥:应采用325号以上矿渣硅酸盐水泥。
1.2.2砂:粗砂,含泥量不大于5%。
1.2.3石子:粗骨料用石子最大颗粒粒径不应大于面层厚度的2/3。
细石混凝土面层采用的石子粒径不应大于15mm。
1.2.4主要机具:平板振捣器、运输小车、小水桶、半截桶、笤帚、2m靠尺、铁滚子、木抹子、平锹、钢丝刷、凿子、锤子、铁抹子。
二、作业条件:墙面已弹好+50cm水平线。
埋在地面的电管已做完隐检手续。
三、操作工艺坡道(一)细石混凝土工艺流程:找标高、弹面层水平线→基层处理→抹灰饼→抹标筋→浇筑细石混凝土垫层→刷素水泥浆→抹面层压光→200宽间隔剔毛→养护3.1.1 找标高、弹面层水平线:根据墙面上已有的+50cm水平标高线,量测出坡道面层的水平线,弹在四周墙面上。
3.1.2 基层处理:素土根据坡道坡度找平夯实。
3.1.3 抹灰饼:根据已弹出的面层水平标高线,横竖拉线,用与细石混凝土相同配合比的拌合料抹灰饼,横竖间距,灰饼上标高就是面层标高。
3.1.4 抹标筋:以做好的灰饼为标准抹条形标筋,用刮尺刮平,作为浇筑细石混凝土垫层厚度的标准。
3.1.5 垫层细石混凝土铺设:将细石混凝土铺抹到回填土上,紧接着用2m长刮杠顺着标筋刮平,如有凹处用同配合比混凝土填平,直到面层出现泌水现象。
3.1.6 垫层浇筑后24h,在垫层上按要求弹线分格,安放分格条,安放分格条时应用靠尺板按分格弹线比齐,将塑料分格条紧贴靠尺靠直,并控制好上口平直,用同等级、同配合比的面层砼在嵌条下口的两边抹成八字角并予以粘结埋牢,高度应比嵌条上口面低3mm,分格条应上平一致,接头严密,并作为铺设面层砼的标志,也是控制坡道面平整度的标尺。
一、交底对象1. 施工单位全体人员2. 从事汽车坡道施工的相关人员二、交底时间[填写具体时间]三、交底内容一、工程概况1. 工程名称:[填写工程名称]2. 施工单位:[填写施工单位]3. 施工地点:[填写施工地点]4. 施工工期:[填写施工工期]二、汽车坡道施工安全要求1. 施工前准备(1)施工前应进行现场勘察,了解坡道周边环境,确保施工安全。
(2)施工人员必须熟悉汽车坡道施工图纸,了解坡道设计参数和施工要求。
(3)施工前应办理相关手续,确保施工合法合规。
2. 施工过程中安全措施(1)施工人员必须佩戴安全帽、安全带等个人防护用品。
(2)施工区域应设置安全警示标志,提醒过往车辆和行人注意安全。
(3)施工过程中,应保持施工区域整洁,防止滑倒、绊倒等事故发生。
(4)施工车辆应停放在指定区域,不得占用施工通道。
3. 施工机械与设备安全(1)施工机械和设备应定期检查、保养,确保其安全可靠。
(2)操作人员必须熟悉机械和设备的操作规程,严禁违规操作。
(3)施工过程中,应保持机械和设备的清洁,防止因设备故障导致事故。
4. 施工材料安全(1)施工材料应按照设计要求和质量标准进行采购和使用。
(2)施工材料应堆放在指定区域,不得占用施工通道。
(3)施工材料应保持干燥、通风,防止因潮湿、霉变导致事故。
5. 施工人员安全(1)施工人员应严格遵守施工纪律,服从现场指挥。
(2)施工人员应保持良好的工作状态,严禁酒后施工。
(3)施工人员应积极参加安全教育培训,提高安全意识。
三、应急预案1. 事故发生时,立即启动应急预案,迅速组织救援。
2. 事故发生后,立即向相关部门报告,并配合调查处理。
3. 对事故原因进行彻底分析,制定整改措施,防止类似事故再次发生。
四、交底人签字[填写交底人姓名及职务]五、接受人签字[填写接受人姓名及职务]六、注意事项1. 施工过程中,严格遵守国家有关安全生产法律法规。
2. 加强施工现场安全管理,确保施工安全。
1、本表由施工单位填写,交底单位与接受交底单位各存一份。
2、当做分项工程施工技术交底时,应填写"分项工程名称"栏,其他技术交底可不填写。
1、本表由施工单位填写,交底单位与接受交底单位各存一份。
2、当做分项工程施工技术交底时,应填写"分项工程名称"栏,其他技术交底可不填写。
1、本表由施工单位填写,交底单位与接受交底单位各存一份。
2、当做分项工程施工技术交底时,应填写"分项工程名称"栏,其他技术交底可不填写。
1、本表由施工单位填写,交底单位与接受交底单位各存一份。
2、当做分项工程施工技术交底时,应填写"分项工程名称"栏,其他技术交底可不填写。
1、本表由施工单位填写,交底单位与接受交底单位各存一份。
2、当做分项工程施工技术交底时,应填写"分项工程名称"栏,其他技术交底可不填写。
坡道开挖及支护安全技术交底
为确保工程质量和人员安全,下面是关于坡道开挖和支护安全技术的交底内容:
1. 开挖前的准备工作
在进行坡道开挖之前,必须进行充分的准备工作,确保施工安全和顺利进行。
具体步骤如下:
- 确定开挖范围和深度,制定详细的施工方案;
- 对开挖区域进行全面的勘测和检测,了解地质状况和潜在风险;
- 制定应急预案,做好应对突发情况的准备;
- 准备相应的施工设备和工具,确保其正常运行;
- 确定施工人员的安全防护措施,配备必要的个人防护装备。
2. 开挖过程中的安全措施
在开挖过程中,必须采取相应的安全措施,保证施工人员和周围环境的安全。
以下是一些常用的措施:
- 进行随时监测,及时掌握开挖面的变化情况;
- 采用合适的开挖方法,如逐步开挖、分段开挖等,减少坡道塌方的风险;
- 定期清理开挖面和周围,确保施工区域的整洁,预防意外发生;
- 加强通风和排水,保持开挖面的稳定性;
- 做好围护结构的支护工作,采取有效的支护措施,防止边坡滑动和坍塌。
3. 开挖后的处理和验收
坡道开挖完成后,需要进行相应的处理和验收工作,确保工程质量和安全。
具体步骤如下:
- 对开挖坡度和尺寸进行检查,确保符合设计要求;
- 检查围护结构的支护情况,确认其稳定性;
- 清理施工区域,恢复周围环境的整洁;
- 进行开挖面的稳定性检测,确保无滑动和坍塌风险;
- 编制开挖工程报告,并组织验收。
以上是关于坡道开挖及支护安全技术的交底内容,希望能够在实际施工过程中加以应用和执行,确保工程的安全和顺利进行。
一、交底项目:汽车坡道施工安全技术交底二、交底日期:____年____月____日三、施工单位:____公司四、施工部位:汽车坡道施工区域五、交底人:____安全员六、接受人:____施工班组全体人员一、工程概况1. 汽车坡道施工区域位于____位置,全长____米,宽____米,坡度____度。
2. 施工内容包括:基础施工、路面铺设、排水设施、照明设施等。
二、安全技术交底内容1. 施工前的准备工作(1)对施工现场进行安全检查,确保场地平整、排水畅通、无障碍物。
(2)对施工人员进行安全教育和培训,提高安全意识。
(3)准备好施工所需的各类安全防护用品,如安全帽、安全带、防护眼镜等。
2. 施工过程中的安全注意事项(1)施工人员必须佩戴安全帽、安全带等防护用品,严格遵守操作规程。
(2)施工过程中,严禁酒后作业、疲劳作业,确保施工人员精力充沛。
(3)施工区域设置明显的警示标志,提醒过往行人注意安全。
(4)施工机械、设备必须符合安全要求,操作人员必须经过培训,持证上岗。
(5)施工现场应设置消防器材,并定期检查、维护。
3. 施工过程中的安全措施(1)基础施工:严格按照设计图纸进行施工,确保基础牢固可靠。
(2)路面铺设:路面材料应符合国家相关标准,施工过程中注意路面平整度。
(3)排水设施:确保排水设施畅通,防止积水。
(4)照明设施:夜间施工时,应设置足够的照明设施,确保施工安全。
4. 事故处理(1)发生事故时,立即停止施工,迅速组织救援。
(2)对受伤人员进行急救,并及时拨打急救电话。
(3)事故发生后,立即向相关部门报告,做好事故调查和处理工作。
三、验收标准1. 施工完成后,由监理单位组织验收。
2. 验收合格后,方可交付使用。
四、总结为确保汽车坡道施工安全,全体施工人员必须严格遵守安全技术交底内容,加强安全意识,提高安全操作技能。
同时,施工管理人员要加强对施工现场的监督检查,确保施工安全顺利进行。
请全体施工人员认真学习本安全技术交底内容,提高安全意识,确保施工安全。
一、工程概况1. 工程名称:[项目名称]汽车坡道雨棚施工2. 施工单位:[施工单位名称]3. 施工地点:[施工地点]4. 施工时间:[开始时间]至[结束时间]二、施工准备1. 人员准备:确保施工人员具备相关技能,了解并熟悉施工安全操作规程。
2. 材料准备:确保所有施工材料符合国家相关标准,并检查材料质量。
3. 工具准备:准备必要的施工工具,如电动工具、手动工具、安全防护用品等。
4. 施工方案:制定详细的施工方案,明确施工流程、施工步骤、施工顺序等。
三、安全技术交底1. 施工现场安全管理(1)施工人员必须遵守国家有关安全生产的法律、法规和标准,确保施工安全。
(2)施工现场应设置明显的安全警示标志,提醒施工人员注意安全。
(3)施工现场应设置必要的安全防护设施,如安全网、防护栏杆等。
2. 高处作业安全(1)高处作业人员必须穿戴安全带、安全帽等个人防护用品。
(2)高处作业平台应牢固可靠,设置防滑措施。
(3)高处作业时,作业人员应保持身体平衡,严禁攀爬、跳跃等危险动作。
3. 机械操作安全(1)操作机械人员必须具备相应的操作技能和经验。
(2)操作前应检查机械设备的完好性,确保机械运行正常。
(3)操作过程中,严禁酒后作业、疲劳作业,注意观察机械运行状态,发现异常立即停止操作。
4. 电气安全(1)施工现场应遵守电气安全操作规程,严禁私拉乱接电线。
(2)施工现场的电气设备应定期检查、维修,确保设备安全可靠。
(3)施工现场的电气线路应设置漏电保护装置,防止触电事故发生。
5. 防火安全(1)施工现场应配备足够的消防器材,如灭火器、消防桶等。
(2)施工现场严禁使用明火,严禁在施工现场吸烟。
(3)施工现场应设置消防通道,确保消防车辆通行无阻。
6. 防暑降温与防寒保暖(1)高温作业期间,应采取防暑降温措施,确保施工人员身体健康。
(2)低温作业期间,应采取防寒保暖措施,确保施工人员身体健康。
四、施工注意事项1. 施工过程中,应密切关注施工现场安全状况,发现安全隐患及时整改。
一、交底对象全体参与坡道台阶施工的施工人员、监理人员、技术人员及管理人员。
二、交底目的为确保坡道台阶施工过程中的安全,预防安全事故的发生,提高施工质量,特进行本次安全技术交底。
三、交底内容1. 施工前的准备工作- 场地准备:确保施工场地平整、坚实,排水畅通。
必要时进行地面硬化处理,确保车辆及人员通行安全。
- 材料准备:所有施工材料必须符合设计要求,并经检验合格后方可使用。
- 人员准备:施工人员应熟悉施工图纸、技术规范和操作规程,掌握相关安全知识。
2. 施工过程中的安全措施- 施工人员安全:- 施工人员必须佩戴安全帽、安全带、防护眼镜等个人防护用品。
- 上下坡道时,应行走牢固,不得奔跑、嬉戏。
- 不得在坡道边缘站立、行走或放置工具、材料等。
- 严禁酒后上岗、疲劳作业。
- 机械设备安全:- 机械设备必须经过定期检查、保养,确保其性能良好。
- 机械设备操作人员必须持有相应资格证书,熟练掌握操作技能。
- 机械设备操作时,应确保周围环境安全,不得对他人造成伤害。
- 施工材料安全:- 施工材料堆放整齐,不得占用消防通道、安全出口。
- 不得将易燃、易爆、有毒有害等危险物品堆放在施工现场。
- 环境安全:- 施工现场应保持整洁、有序,不得乱扔垃圾、杂物。
- 施工现场应设置明显的安全警示标志,如警示牌、警示灯等。
3. 应急预案- 发生安全事故时,应立即停止施工,及时上报相关部门。
- 采取有效措施,确保伤员得到及时救治。
- 对事故原因进行调查分析,制定整改措施,防止类似事故再次发生。
四、交底要求1. 施工人员必须认真学习本次安全技术交底内容,确保掌握相关安全知识。
2. 施工过程中,必须严格执行各项安全措施,确保施工安全。
3. 监理人员应加强对施工现场的监督检查,及时发现和纠正安全隐患。
4. 技术人员应定期对施工人员进行安全培训,提高安全意识。
五、交底时间(填写交底时间)六、交底人(填写交底人姓名及职务)七、验收人(填写验收人姓名及职务)八、备注本安全技术交底模板仅供参考,具体施工过程中,应根据实际情况进行调整。
一、交底目的为确保坡道施工过程中的安全,提高施工人员的安全意识,规范施工操作,特制定本安全技术交底。
二、交底对象所有参与坡道施工的施工人员、监理人员及管理人员。
三、交底时间[填写具体时间]四、交底内容1. 施工前准备(1)施工前,应对施工现场进行全面的安全检查,确保施工环境安全,无安全隐患。
(2)施工人员应熟悉施工图纸和施工方案,了解坡道的设计要求和安全注意事项。
(3)施工前,应对施工人员进行安全教育和技能培训,确保其具备相应的安全操作技能。
2. 施工安全措施(1)施工人员应佩戴好安全帽、安全带等个人防护用品。
(2)施工现场应设置安全警示标志,明确警示区域。
(3)坡道施工过程中,应确保坡道表面平整、防滑,防止施工人员滑倒。
(4)施工人员上下坡道时,应保持身体平衡,严禁奔跑、嬉戏。
(5)坡道两侧应设置防护栏杆,防护栏杆高度应符合安全规范要求。
(6)施工现场应设置安全通道,确保施工人员安全通行。
3. 施工过程中的注意事项(1)施工人员应严格按照施工图纸和施工方案进行施工,不得擅自修改。
(2)施工过程中,如发现异常情况,应立即停止施工,报告现场负责人。
(3)施工过程中,严禁酒后作业、疲劳作业。
(4)施工过程中,严禁在坡道上堆放材料,以免影响施工安全。
4. 施工结束后的安全措施(1)施工结束后,应对施工现场进行全面清理,确保无安全隐患。
(2)施工人员应将个人防护用品妥善保管,不得随意丢弃。
(3)施工结束后,应对施工现场进行安全检查,确保无遗留安全隐患。
五、责任落实1. 施工单位应负责组织实施坡道施工,确保施工安全。
2. 施工人员应严格遵守安全技术交底内容,确保自身安全。
3. 监理单位应负责对坡道施工进行监督检查,确保施工安全。
六、附则1. 本安全技术交底自发布之日起实施。
2. 本安全技术交底如有未尽事宜,由施工单位负责解释。
七、注意事项1. 施工单位应将本安全技术交底内容张贴于施工现场显眼位置,以便施工人员随时查阅。
汽车坡道施工技术交底文稿归稿存档编号:[KKUY-KKIO69-OTM243-OLUI129-G00I-FDQS58-
一、施工准备?
1、材料准备:C20细石混凝土、金刚砂、木条、固定模板、脱模剂。
2、极具准备:专用模具、铁抹子、木抹子、线绳若干米、金属刮杠等。
3、作业条件:结构工程已经进行验收,地面预埋管线安装完毕。
4、技术准备:已弹好1m线。
二、施工工艺和施工方法?
(一)凹槽式耐磨骨料防滑汽车坡道施工方法:
1、材料准备:木条,固定模板,脱模剂等。
2、防滑道材料及放置由硬化剂施工方完成。
3、提前1天把所用木条完全浸泡于水中。
4、50厚C20细石混凝土内配A6@200双向钢筋网浇注后,平整面层,除去泌水,面层撒1~2mm金刚砂,每平米金刚砂用量为1~2KG之间,铺撒应均匀。
5、混凝土初凝前放置固定模板及膨胀后的木条。
6、用橡胶锤嵌入木条,并保持防滑木条与混凝土处于同一平面,或用?20圆钢压槽。
7、防滑木条间平面部分麻面处理。
8、混凝土成型后取出木条,涂刷养护剂并用切割机修平整各表面。
9、防滑条距两侧墙体30cm,距地面截水沟20cm起步,间距20cm排布至地下排水沟。
10、用塑料薄膜覆盖养护七天方可使用。
凹槽式防滑坡道地面截面示意图(mm)
(二)凸起型条状耐磨骨料防滑汽车坡道施工方法
1、50厚C20细石混凝土内配A6@双向钢筋网浇注后,平整面层,除去泌水,面层撒
1~2mm金刚砂,每平米金刚砂用量为1~2KG之间,铺撒应均匀。
2、耐磨硬化剂地坪经过破浆、提浆、找平、压实后,单位平米用料比标准用量多
1kg ,撒完后,基础表面此时呈粗糙毛面;
3、在此表面还有水泥原浆存留时,按照间距30cm绷紧线绳,作好标记,并现场搅拌纯耐磨骨料浆体,塌落度应控制在6—8cm左右,备用。
4、等混凝土表面能浮住人(或指压落痕不足1cm)时,用金属刮杠刮取原浆,在平整且具有一定坡度的粗糙地坪表面堆积成高1.2—1.5cm,宽2.2—2.5cm的耐磨硬化剂混合浆料带。
5、沿坡道侧墙两边各取60cm地坪,抛光,作成普通光面。
6、当原浆料带形成后,利用专用模具来回挤压,直至密实、光滑、且用线绳使其平直且高度一致。
7、凸起防滑条之间,只能人工用木抹子和铁抹子收光。
8、用塑料薄膜覆盖养护七天方可使用。
三、混凝土浇筑:
1、混凝土运输:本工程采用自拌混凝土,从混凝土罐车至施工现场采用三轮车运输或接地泵泵送。
2、混凝土浇筑:混凝土运输到现场后,由人工用铁锹等工具进行摊平,混凝土顶标高与侧模顶平齐。
地面坡度依据施工图中为7.5%、15%。
地面最薄处为50mm。
铺平后用震动棒进行振捣密实,震动棒落棒间距不大于300mm,以保证混凝土的密实度。
振捣完后用滚杠反复拖压找平,混凝土表面形成均匀一字的砂浆层,无石子外漏,以免影响耐磨面层施工;注
意高出部分要将多余混凝土铲除,低洼部位补平。
保证地面标高符合设计规范要求。
混凝土从浇筑到找平必须控制在3小时内,然后均匀撒布金刚砂并用带磨盘的抛光机磨平压光。
3、为了控制平整度,要求分仓浇筑混凝土。
根据现场情况合理分仓。
地面平整度要求误差≦3mm。
4、排水沟留设:排水沟留设应平直,排水沟宽300mm,排水沟留牙口50mm×38mm。
四、金刚砂面层施工:
1、金刚砂面层厚度为1~2mm。
面层施工分两次成活:圆盘打磨提浆,再次用铝合金刮尺找平修整混凝土面;第一次待基层混凝土初凝时间控制在上人时可留下3mm脚印时,均匀的将金刚砂按照某一固定方向撒布约总量的二分之一与混凝土表面,待第一次撒布的金刚砂表面变暗后,将余下的金刚砂垂直于第一次撒布方向撒布于地面上,用抛光机磨平抛光。
表面应平整光洁,无蜂窝麻面、沙眼。
2、按照第二项施工工艺中的要求设置防划凹槽或防滑条。
3、养护:磨光工序完成后。
待面层凝固至手指按不会留下指印时进行地膜覆盖洒水养护7天。
五、成品保护?
对已完成施工的地面,在凝固阶段及养护阶段,要做好保护工作,不要将水泥、混凝土、机油等物品与地面接触,一面污染地面。
不要将钢管或钢钉撞击或磕划地面,以免损坏地面。
地面施工完成24小时后可行人,必须养护28天后才能正常使用,特别注意不能再养护早期通行车辆。
六、安全文明
1、进入施工现场必须戴好安全帽。
2、进入施工现场不准穿拖鞋,女的不准穿高跟鞋。
3、施工用电不准乱搭乱接。
严格按照安全施工用电的相关操作规程,并经项目部验收后方可使用。
4、严禁打架斗殴、吸烟及酒后作业。
5、施工机械使用的汽油、柴油等易燃物应按防火规定妥善处理,严禁明火靠近,并配备相应的灭火器材。
6、施工现场的各种安全设施、设备和警告、安全标志等未经领导同意不得任意拆除和随意挪动。