政府采购节能清单(产品类型)
- 格式:doc
- 大小:23.00 KB
- 文档页数:3
附件2:2006年政府采购信息统计报表编制说明一、编制范围本套报表编制范围为各级国家行政机关、事业单位和团体组织,使用财政性资金采购纳入集中采购目录以内的或者采购限额标准以上的货物、工程、服务行为。
具体范围如下:(一)编报单位和编报内容。
编报单位分两类,一类为采购人,指中央和地方各级国家机关、事业单位和团体组织。
一类为采购代理机构,包括集中采购机构、部门集中采购机构和中介机构。
(二)编报内容。
采购人要按照本级政府颁布的2006年政府集中采购目录及标准,填报本单位2006年度通过集中采购、部门集中采购和分散采购等形式签订的政府采购合同情况。
采购代理机构填报本机构2006年度组织的所有政府采购项目。
各级财政部门在汇总本级报表时,应当按照采购人上报的报表进行汇总。
二、填报要求(一)中央各部门(各单位)应对部门本级、所属下级预算单位的报表进行审核、汇总,上报财政部。
中央各单位填报01-08表。
(二)地方各单位应对本级、所属下级预算单位的报表进行审核、汇总,上报本级财政部门。
地方各单位填报01-08表。
(三)地方各级财政部门审核、汇总辖区内所有采购人单位报表,同时填报09-12表后上报上级财政部门。
三、单位基本信息填报方法(一)单位名称:中央一级预算单位填列主管政府采购的司(局)全称,并加盖该司局公章。
中央二级及以下预算单位、地方财政部门和地方各级预算单位填列单位的全称,并加盖单位行政公章。
(二)组织机构代码:根据各级技术监督部门核发的机关、团体、事业单位代码证书填列。
(三)单位类型:根据政府采购法在政府采购活动中肩负不同职责的单位分类,在政府采购监管部门、集中采购机构、中介机构、采购人四种类型中进行选择。
(四)单位性质:依据政府编制管理部门确定的单位性质,在国家机关、事业单位和团体组织三种类型中选择填列。
国家机关,包括国家权力机关、国家行政机关、国家审判机关、国家监察机关等。
事业单位,是指政府为实现特定目的而批准设立的事业法人。
政府采购信息统计编报说明一、编制范围本套报表编制范围为各级国家机关、事业单位和团体组织,使用财政性资金采购纳入集中采购目录以内或采购限额标准以上的货物、工程和服务的行为。
具体范围如下:(一)编报单位编报单位分两类,一类为采购人,包括天津市各级国家机关、事业单位和团体组织;另一类为采购代理机构,包括集中采购机构、部门集中采购机构和财政部门认定资格的采购代理机构。
(二)编报内容采购人要按照我市每年印发的政府集中采购目录和采购限额标准,填报本系统、本单位通过集中采购、部门集中采购和分散采购等形式签订的政府采购合同情况。
采购代理机构填报本机构组织的所有政府采购项目。
各级财政部门在汇总本级报表时,原则上应当按照采购人上报的报表进行汇总。
(三)资金范围使用财政性资金采购,是指采购人全部使用或部分使用财政性资金进行的采购行为。
财政性资金,是指纳入财政综合预算管理的各项预算资金和以政府信誉或财政担保的借贷资金以及属政府所有或由政府管理的其它资金,包括自有资金等。
二、录入方式政府采购信息统计的录入方式全部采用“政府采购执行情况基础数据”录入方式。
政府采购执行情况基础数据是指发生政府采购活动时取得相关凭证(主要指政府采购合同,以下以采购合同为例说明)中所包含的能用于反映政府采购执行情况的要素。
01-10表自动生成,11-13表由各级政府采购监督管理部门进行填报并层层汇总。
对无法取得采购合同的项目,依据其他购销凭证例如发票和验收单等进行填报。
三、编报要求(一)凡纳入政府采购信息统计范围的单位,都应作为独立机构逐户录入和编制。
(二)地方各单位应对本级、所属下级预算单位的数据进行审核、汇总,上报本级财政部门。
(三)集中采购机构填报本单位所代理的所有政府采购项目,上报本级财政部门。
(四)各级财政部门审核、汇总辖区内所有采购人和下级财政部门的数据,并填报11-13表后上报上级财政部门。
四、编报口径(一)以政府采购预算(或部门预算)、政府集中采购目录和标准以及政府采购合同(包括发票等)为依据,填报各项数据。
按照政府采购有关政策的要求,在本次的技术方案中,采用符合政策的小型或微型企业产品、节能产品、环保标志产品,主要产品与核心技术介绍说明如下:序号主要产品/技术名称(规格型号、注册商标)制造商(开发商)制造商企业类型节能产品环保标志产品认证证书编号该产品报价在总报价中占比(%)1心脏电生理刺激仪系统、DF-5A、苏州东方苏州市东方电子仪器厂小型///100%注: 1.制造商为小型或微型企业时才需要填“制造商企业类型”栏,填写内容为“小型”或“微型”;2.“节能产品、环保标志产品”须填写认证证书编号,并在对应“节能产品”、“环保标志产品”栏中勾选,同时提供有效期内的证书复印件(加盖投标人公章)投标人签章:汕头市宇宸医疗器械有限公司日期:2022年4月28日广东政府采购智慧云平台0724-2201D82N1385 第(3) 采购包2022-04-27 18:52:31汕头市宇宸医疗器械有限公司2022-04-2718:52:31按照政府采购有关政策的要求,在本次的技术方案中,采用符合政策的小型或微型企业产品、节能产品、环保标志产品,主要产品与核心技术介绍说明如下:序号主要产品/技术名称(规格型号、注册商标)制造商(开发商)制造商企业类型节能产品环保标志产品认证证书编号该产品报价在总报价中占比(%)1心脏电生理刺激仪系统、DF-5A、苏州东方苏州市东方电子仪器厂小型///100%注: 1.制造商为小型或微型企业时才需要填“制造商企业类型”栏,填写内容为“小型”或“微型”;2.“节能产品、环保标志产品”须填写认证证书编号,并在对应“节能产品”、“环保标志产品”栏中勾选,同时提供有效期内的证书复印件(加盖投标人公章)投标人签章:汕头市宇宸医疗器械有限公司日期:2022年4月28日广东政府采购智慧云平台0724-2201D82N1385 第(3) 采购包2022-04-27 18:52:31汕头市宇宸医疗器械有限公司2022-04-2718:52:31。
2022年政府采购法颁布 20 周年知识竞赛题库(含答案)单选题一、单选题1 、政府采购法所称的采购,是指以()有偿取得货物、工程和服务的行为,包括购买、租赁、委托、雇用等。
A 、合同方式B 、公开、公平、公正方式C 、竞争方式D 、购买方式正确答案: A2 、政府采购合同的双方当事人不得擅自变更、中止或者终止合同。
政府采购合同继续履行将损害国家利益和社会公共利益的,双方当事人()变更、中止或者终止合同。
有过错的一方应当承担赔偿责任,双方都有过错的,各自承担相应的责任。
A 、可以B 、经协商一致可以C 、应当D 、不得正确答案: C3 、某采购代理机构与甲供应商恶意串通,影响中标、成交结果或者可能影响和中标、成交结果的,下列处理方法错误的是()。
A 、未确定中标、成交供应商的,终止采购活动。
B 、已经确定甲中标、成交但采购合同尚未履行的,撤销合同,终止采购活动。
C 、已经确定甲中标、成交但采购合同尚未履行的,撤销合同,从合格的中标、成交候选人中另行确定中标、成交供应商。
D 、采购合同已经履行的,给采购人、供应商造成损失的,由责任人承担赔偿责任。
正确答案: B4 、供应商甲是某办公设备封闭式框架协议的入围供应商,因市场价格上涨,接受合同订单后迟迟不供货,依据框架协议约定,甲供应商被取消了入围资格。
后来该办公设备框架协议采购项目按规定启动了补充征集程序,请问甲供应商能否参加该补充征集活动?()A 、可以参加B 、不得参加C 、只要补充征集公告没有禁止就可以参加D 、说不清正确答案: B5 、封闭式框架协议采购确定第一阶段入围供应商,采用价格优先法的,淘汰比例一般不得低于(),采用质量优先法的,淘汰比例不得低于(),且均须至少淘汰一家供应商。
A 、 10% ; 15%B 、 20% ; 30%C 、 20% ; 40%D 、 30% ; 50%正确答案: C6 、政府采购应当采购本国货物、工程和服务,但符合法律规定的特殊情形除外,下列()不属于可以除外的情形。
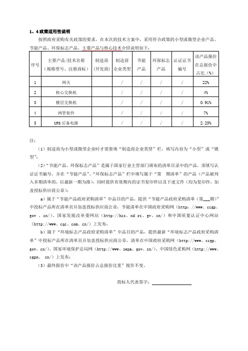
1、4政策适用性说明按照政府采购有关政策的要求,在本次的技术方案中,采用符合政策的小型或微型企业产品、注:(1)制造商为小型或微型企业时才需要填“制造商企业类型”栏,填写内容为“小型”或“微型”;(2)“节能产品、环保标志产品”是属于国家行业主管部门颁布的清单目录中的产品,须填写认证证书编号,并在“节能产品”、“环保标志产品”栏中填写属于“第期清单”的产品(产品被列入多期清单的,以最新一期为准),同时提供有效期内的证书复印件以及下述文件(均为复印件,加盖投标供应商公章):a)属于“节能产品政府采购清单”中品目的产品,提供“节能产品政府采购清单(第___期)”中投标产品所在清单页并加盖投标供应商公章,节能清单在中国政府采购网(http://www、ccgp、gov 、cn/)、国家发展改革委网站(http://hzs、nd rc、gv、cn/)和中国质量认证中心网站(http://www、cqc、com、cn/)上发布;b)属于“环境标志产品政府采购清单”中品目的产品,提供最新“环境标志产品政府采购清单”中投标产品所在清单页并加盖投标供应商公章,清单在中国政府采购网(http://www、ccgp、gov、cn/)、国家环境保护总局网(http://www、sepa、gov、cn/)、中国绿色采购网(http://www、cgpn、 cn/)上发布;(3)最终报价中“该产品报价占总报价比重”视作不变。
投标人代表签字:八、一般技术商务要求偏离表注:1、投标人根据招标要求对技术、质量、商务、服务、价格等逐条说明投标响应情况。
2、投标人提交的投标文件中与招标文件的技术、商务部分的要求有不同时,应逐条列在偏离表中,否则将认为投标人接受招标文件的要求。
投标人存在弄虚作假行为的,将依法承担相应的法律责任。
投标人代表签字:。
环境标志产品零售商采购清单
一、概述
本文档旨在为环境标志产品的零售商提供一份采购清单,以便他们能够更加方便地选择和采购符合环境标准的产品。
二、产品类别
以下是环境标志产品的主要类别:
- 可再生能源产品
- 节能产品
- 低碳产品
- 可降解产品
- 环境友好材料产品
三、采购清单
1. 可再生能源产品
- 太阳能充电器
- 风力发电装置
- 生物质燃料产品
2. 节能产品
- LED灯具
- 高效电器设备
- 节水器具
3. 低碳产品
- 电动汽车
- 自行车共享服务
- 公共交通工具
4. 可降解产品
- 生物降解塑料制品- 可降解餐具
- 纸质包装材料
5. 环境友好材料产品- 有机棉服装
- 硅藻泥墙面材料
- 环保木材家具
四、供应商建议
- ABC环保科技公司:专注于可再生能源产品制造。
- XYZ绿色科技有限公司:提供各种低碳产品和节能产品。
- 123可降解科技有限公司:生产可降解塑料制品和纸质包装材料。
- PQR环保材料有限公司:为零售商提供环保材料产品。
五、注意事项
- 请确保所选择的产品符合相应的环境标准和认证要求。
- 在采购过程中,尽量选择当地和可持续发展的供应商。
- 定期更新采购清单,以适应市场上新出现的环境标志产品。
以上是环境标志产品零售商采购清单的内容。
希望能帮助到您的采购工作!。
第二章采购需求一、项目概况:(一)货物类项目属性:货物类品目分类:图形工作站(A)本项目属于不专门面向中小微企业预留采购份额的项目,原因和情形为:按照《政府采购促进中小企业发展管理办法》规定预留采购份额无法确保充分供应、充分竞争,或者存在可能影响政府采购目标实现的情形。
★本次采购产品为非进口产品(进口产品指通过中国海关报关验放进入中国境内且产自关境外的产品)。
本项目核心产品为VR头戴设备、定制VR工作站1、定制VR工作站2(多家投标人提供的核心产品中任意一个产品品牌相同的,按一家投标人计算)。
投标人必须在投标文件中填写所投核心产品的品牌,否则按无效投标处理。
★凡属于《中华人民共和国实施强制性产品认证的产品目录》的产品,请投标人在投标文件中承诺在交货时提供该产品的“中国强制性产品认证”(CCC认证)证书。
★采购人拟采购的定制VR工作站1、教师机产品属于《节能产品政府采购品目清单》范围中政府强制采购产品类别,投标人须在投标文件中提供:1.该产品属于《节能产品政府采购品目清单》范围中政府强制采购产品类别的相关内容页,并对相关内容作圈记:2.市场监管总局公布的参与实施政府采购节能产品认证机构名录截图;3.该产品获得的由国家确定的认证机构出具的、处于有效期之内的节能产品认证证书(注:L《节能产品政府采购品目清单》投标人可查询中国政府采购网,网址;2.根据《节能产品政府采购品目清单》注2要求,上述产品中认证标准发生变更的,依据原认证标准获得的、仍在有效期内的认证证书可使用至2019年6月1日)。
(一)项目概述1.项目概况:本次项目拟采购建设2023年城市轨道交通行车作业虚拟仿真实训平台项目,包括虚拟仿真平台定制硬件设备、线材辅材、VR三维场景建模及动态模拟、考评模块、实训任务模块等5个内容。
以解决行车组织实物实训设备占大、价格贵、维护难、有效工位少、实训过程存在一定风险的问题,同时满足行车作业课程的实训需要,并辐射职业认知、行车组织、应急处理等课程的实训需求,有效提高本专业的教学质量。
中央国家机关政府采购中心关于印发中央国家机关政府集中采购信息类产品协议供货实施办法(试行)的通知文章属性•【制定机关】中央国家机关政府采购中心•【公布日期】2006.09.18•【文号】国机采字[2006]25号•【施行日期】2006.09.18•【效力等级】部门规范性文件•【时效性】现行有效•【主题分类】机关工作,政府采购正文中央国家机关政府采购中心关于印发中央国家机关政府集中采购信息类产品协议供货实施办法(试行)的通知(国机采字[2006]25号)中央国家机关各部门办公厅(室)、财务司:为贯彻落实《中华人民共和国政府采购法》,规范采购行为,提高采购效率,进一步完善协议供货制度,特制定《中央国家机关政府集中采购信息类产品协议供货实施办法(试行)》,现印发给你们,请认真按照执行。
二〇〇六年九月十八日中央国家机关政府集中采购信息类产品协议供货实施办法(试行)第一章总则第一条为规范采购行为,提高采购效率,节约采购成本,方便采购人,根据《中华人民共和国政府采购法》(以下简称政府采购法)、国务院办公厅转发财政部《关于全面推进政府采购制度改革意见的通知》(国办发[2003]74号)和国务院办公厅《关于印发中央国家机关全面推行政府采购制度实施方案的通知》(国办发[2002]53号),制定本办法。
第二条国务院各部委、各直属机构、办事机构、直属事业单位、有关人民团体及其下属各级行政事业单位(以下简称采购人)采购政府集中采购目录中实行协议供货的品目适用本办法。
为提高采购效率,方便采购人,采购人采购政府集中采购目录外实行协议供货的品目参照本办法执行。
第三条本办法所称协议供货,是指中央国家机关政府采购中心(以下简称采购中心)通过公开招标等方式,确定中标供应商及其所供产品(型号、具体配置)、最高限价、订货方式、供货期限、售后服务条款等,并以中标合同的形式固定下来,由采购人在协议有效期内,自主选择网上公告的供货商及其中标产品的一种政府集中采购组织形式。
强制节能产品明细表
项目名称:
项目编号:
说明:1、如所报产品属于《节能产品政府采购品目清单》(财库〔2019〕19号)内的品目(强制采购产品除外),应附经市场监管总局公布的认证机构出具的有效的《国家节能产品认证证书》并按规定格式逐项填写,不符合的不需要提供该明细表;
2、需在响应文件中提供节能产品认证证书,且证书内产品型号与所投产品型号完全一致;如为强制节能产品,未提供产品认证证书或证书内产品型号与所投产品型号不完全一致的,将被认定为报价无效。
供应商名称(盖章):
法定代表人或负责人或其授权代表(签字或盖章):
日期:年月日。
一、节能产品
1计算机设备
(1)台式计算机
(2)便携式计算机
(3)平板式微型计算机
(4)服务器
2输入输出设备
(1)打印设备
①喷墨打印机
②激光打印机
③针武打印机
(2)显示器
④液晶显示器
3投影仪
4多功能一体机
5泵
(1)离心泵
6制冷空调设备
(1)制冷压缩机
①冷水机组
②水源热泵机组
③溴化锂吸收式冷水机组
(2)空调机组
①多联武空调(热泵)机组
②单元式空气调节机
(3)专用制冷、空调设备
①机房空调
7电机
8变压器
(1)配电变压器
(2)电力变压器
9镇流器
(1)管型荧光灯镇流器
10电源设备
(1)不间断电源(UPS)
11生活用电器
(1)电冰箱
(2)空调机
①房间空气调节器
②转速可控型房间空气调节器
③多联式空调(热泵)机组
④单元式空气调节机
(3)洗衣机
(4)热水器
①电热水器
②燃气热水器
③热泵热水器
④太阳能热水系统
⑤商用开水器
12照明设备
(1)其他灯具
①普通照明用自镇流荧光灯
②普通照明用双端荧光灯
③高压钠灯
③LED道路/隧道照明产品
⑤LED筒灯
⑥反射型自镇流LED灯
⑦普通照明用非定向自镇流LED灯
13电视设备
(1)平板显示设备
14视频监控设备
15窗
16玻璃
17图形图像输入设备
(1)扫描仪
18乘用车
(1)轿车
19客车
(1)大中型客车
20专用车辆
(1)垃圾车
(2)街道清洗清扫车
21饮食炊事机械
(1)商用燃气灶具
二、节水产品
1便器
2水嘴
3便器冲洗阀
4水箱配件
5阀门
6淋浴器