聚磷酸铵的介绍
- 格式:docx
- 大小:13.38 KB
- 文档页数:1
聚磷酸铵分子式
聚磷酸铵分子式为[(NH4)3PO4]n,其中n代表分子中聚合单元的个数。
该分子式表示的是聚磷酸铵分子中的重复单元,也可以称为聚合体,
由铵离子和磷酸根离子交替排列构成。
聚磷酸铵是一种白色晶体或粉末,具有良好的溶解性,可以溶解在水中,也可以通过加热蒸发的方式得到。
它具有广泛的应用范围,常见于肥料生产、水处理、食品添加剂等领域。
作为肥料添加剂,聚磷酸铵可以提供磷元素和氮元素,促进作物
生长和发育。
作为水处理剂,它可以净化污水,去除磷、铵等污染物。
作为食品添加剂,它可以调节食品的酸碱度,并增强其稳定性和防腐
能力。
总的来说,聚磷酸铵作为一种重要的化学物质,其分子式的意义尤为
重要。
它的广泛应用促进了农业生产、环保事业、食品安全等领域的
发展,对于人类社会的进步做出了重要贡献。
化学品界的“APP”—聚磷酸铵(本文版权归好磷网所有,仅作交流共享之用,转载请注明出处)在如今的生活中,提起APP,基本是无人不知无人不晓,当然,绝大多数人可能想到的是手机软件商店里的应用。
其实,在化学品界,也有一个被简称为APP的东西,它就是我们今天要介绍的聚磷酸铵。
它可是一种十分重要的化工产品,在阻燃与肥料领域都有应用,特别是在阻燃方面。
由于它分子中同时含有磷、氮两种元素,燃烧过程中磷、氮具有协同阻燃效应,因而阻燃效果优于单含磷阻燃剂或单含氮阻燃剂。
下面我们就详细介绍一下它的性质、合成、应用与市场。
物质性质作为一种聚合物,它也是由一种聚合单元,通过聚合共价键连接而形成的物质,其通式为(NH4)n+2P n O3n+1,粉末状白色固体物。
在不同聚合度状态下,它的水溶性,有较大差异,聚合度n在10~20之间为水溶性,此时为短链APP;当n大于20时为长链APP,较难溶于水,n越大越不溶,直至成为不溶物。
其聚合度的高低直接影响APP的性质,特别是在应用方面,影响颇大。
聚磷酸铵结构简式文献报道的APP的晶型有六种,通常用到的是Ⅰ-型和Ⅱ-型结构的产品,其中Ⅰ-型晶体具有不规则外表面,由于该型晶体太小,晶胞参数难以确定;Ⅱ-型则具有规则的外表面,其应用效果更佳。
它们均属正交(斜方)晶系,晶胞参数为:a=0.4256nm,b=0.6475nm,c=1.204nm。
据了解,国内合成的APP的聚合度都相对较低并以Ⅰ-型聚磷酸铵居多,然而真正需求较大的是聚合度高的Ⅱ-型聚磷酸铵。
合成方法作为一种化工产品,其合成与制备工艺是永远绕不开的话题,就目前来说聚磷酸铵的合成方法主要有磷酸和尿素缩合法、聚磷酸铵化法、聚磷酸铵与氨气高温中和法,五氧化二磷—氨气—水高温气相反应法等。
通常会根据不同的用途,而采用不同的合成工艺路线。
磷酸和尿素缩合法:该法是将磷酸和尿素以一定比例混合,通过加热搅拌得到澄清透明的液体,并继续加热,经发泡、聚合和固化三个阶段即可得到白色干燥固体,冷却后即可得到一定聚合度的APP。
聚磷酸铵阻燃剂配方聚磷酸铵(Ammonium Polyphosphate,简称APP)是一种常用的阻燃剂。
它具有良好的耐热性、低毒性、低烟密度和高阻燃效果等优点,在建筑材料、电子产品、塑料和橡胶制品等广泛应用。
本文将从深度和广度两个标准,对聚磷酸铵阻燃剂的配方进行评估和探讨。
一、聚磷酸铵阻燃剂配方的基本构成(1)聚磷酸铵:作为主要的阻燃剂成分,聚磷酸铵能够在高温下释放出阻燃气体,有效减缓火焰的蔓延速度,起到阻燃的作用。
(2)磷酸盐化合物:作为辅助配方成分,磷酸盐化合物能够与聚磷酸铵发生化学反应,提高阻燃效果,使其具有更好的耐热性和氧化性能。
(3)填料:填料可以调节聚磷酸铵阻燃剂的粘度和流动性,保证阻燃剂在加工和应用过程中的稳定性。
二、聚磷酸铵阻燃剂配方的优化策略(1)优化聚磷酸铵与磷酸盐化合物的配比:通过调整聚磷酸铵与磷酸盐化合物的配比,可以控制阻燃剂的热解温度和释放速率,从而提高阻燃效果和耐热性。
(2)选择合适的填料:根据材料的具体要求,选择适合的填料,可以提高阻燃剂的加工性能和阻燃效果,同时降低成本。
(3)添加协同助剂:适量添加协同助剂,如氮、硼等元素,可以提高聚磷酸铵阻燃剂的稳定性和阻燃效果。
(4)应用新技术:利用纳米技术、包覆技术等新技术手段,可以提高聚磷酸铵阻燃剂的分散性和稳定性,进一步优化配方。
三、聚磷酸铵阻燃剂配方的应用案例(1)建筑材料:在建筑防火材料中广泛应用,如耐火涂料、防火门窗等。
通过优化配方,可以提高材料的阻燃等级,增强耐火性能。
(2)电子产品:在电子产品的阻燃材料中应用,如电路板、电缆等。
聚磷酸铵阻燃剂可以有效阻止电子产品在发生故障时燃烧,降低火灾风险。
(3)塑料和橡胶制品:在塑料和橡胶制品中使用聚磷酸铵阻燃剂,可以提高材料的阻燃性能,延缓火焰蔓延速度,减小火灾损失。
聚磷酸铵阻燃剂在配方中的选择和优化非常重要。
通过合理配比、选择合适的填料、添加协同助剂以及应用新技术,可以进一步提高阻燃剂的性能和安全性。
聚磷酸铵化学式
聚磷酸铵是一种无机高分子化合物,其化学式为(NH4PO3)n。它是
由磷酸铵在高温下聚合而成的,是一种白色粉末状物质。聚磷酸铵
具有良好的热稳定性和阻燃性能,因此被广泛应用于阻燃材料、涂
料、塑料等领域。
聚磷酸铵的制备方法有多种,其中最常用的是磷酸铵和亚磷酸铵的
反应。在高温下,磷酸铵和亚磷酸铵会发生聚合反应,生成聚磷酸
铵。这个过程中需要控制反应温度和反应时间,以获得高质量的聚
磷酸铵。
聚磷酸铵具有良好的阻燃性能,可以有效地防止火灾的发生。它可
以与其他材料混合使用,制成阻燃涂料、阻燃塑料等材料。这些材
料可以广泛应用于建筑、交通、电子等领域,提高了人们的生活质
量和安全性。
聚磷酸铵还具有良好的耐热性能。它可以在高温下保持稳定,不会
分解或失去功能。因此,聚磷酸铵可以用于制备高温材料,如高温
涂料、高温塑料等。
聚磷酸铵是一种重要的无机高分子化合物,具有良好的阻燃性能和
耐热性能。它可以广泛应用于阻燃材料、涂料、塑料等领域,为人
们的生活和工作提供了更高的安全性和可靠性。
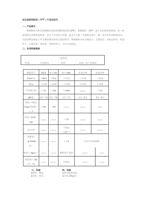
成企鑫聚磷酸铵(APP)产品说明书
一、产品简介
聚磷酸铵又称多聚磷酸铵或缩聚磷酸铵(简称APP),聚磷酸铵(APP)属于无机磷系阻燃剂,是一种重要的无卤磷系阻燃剂,其分子中同时含有磷、氮2中元素,在阻燃过程中,磷、氮具有协同阻燃效应,因而阻燃效果优于单含磷阻燃剂或单含氮阻燃剂。
聚磷酸铵具有含磷量大、含氮量高、热稳定性好、吸湿性小、分散性好、毒性低、抑烟等特点,可以与其他阻...
二、各项性能指标
三、用途四、包装
●塑料、橡胶●复合纸塑包装
●涂料、纸木●净重25kg/包。
聚磷酸铵热解过程-概述说明以及解释1.引言1.1 概述聚磷酸铵是一种常见的无机高分子材料,由磷酸铵分子通过化学键连接而成。
它具有不易燃烧、耐高温、耐腐蚀等特点,被广泛应用于火灾防护、涂料、橡胶、塑料等领域。
聚磷酸铵的热解过程是指在高温条件下,聚磷酸铵分子发生分解反应,产生氨气、磷酸和无机磷化合物等物质。
这个过程是一个复杂的热化学反应过程,具有重要的理论和实践意义。
研究聚磷酸铵的热解过程可以深入了解其分解机理、反应动力学和产物生成规律,为聚磷酸铵在防火材料、能源存储等领域的应用提供基础理论支持。
同时,研究聚磷酸铵的热解过程还可以为火灾防控技术的改进和研发提供重要参考。
本篇文章将首先介绍聚磷酸铵的基本性质,包括其化学结构、物理特性等方面的内容。
然后,重点探讨聚磷酸铵的热解过程,包括反应机理、热解动力学以及产物生成规律等方面的研究进展。
最后,对聚磷酸铵的热解过程进行总结,并展望其在防火材料、能源存储等领域的应用前景。
通过深入研究聚磷酸铵的热解过程,有望为提高聚磷酸铵的防火性能、研发新型能源存储材料以及改进火灾防控技术等方面提供理论和实践指导,具有重要的科学意义和应用价值。
1.2 文章结构文章结构部分的内容可以描述为:文章将分为引言、正文和结论三个部分。
引言部分将概述聚磷酸铵热解过程的背景和重要性,介绍聚磷酸铵的基本性质,并说明文章的目的。
正文部分将包括两个小节,分别介绍聚磷酸铵的基本性质和热解过程。
在2.1小节中,将详细讨论聚磷酸铵的化学结构、物理性质以及其在工业中的应用。
在2.2小节中,将重点探讨聚磷酸铵在热解过程中的反应机制、产物生成和影响因素等内容。
结论部分将总结聚磷酸铵热解过程的关键要点,概括热解过程的主要研究进展。
并对聚磷酸铵热解过程的应用前景进行展望,指出其在能源领域、催化剂、阻燃材料等方面的潜在应用。
1.3 目的本文的主要目的是深入研究聚磷酸铵的热解过程,并总结和分析其关键要点。
通过对聚磷酸铵的基本性质和热解过程的深入探索,希望能够更好地理解其化学反应机制和热解行为。
聚磷酸铵的作用
1.水处理:聚磷酸铵是一种优秀的水处理剂,可以用于净化自来水、饮用水和工业用水。
它可以去除水中的杂质、重金属、细菌和病毒等有害物质。
2. 食品工业:聚磷酸铵可以作为食品添加剂,用于增加食品的稳定性、黏度和保湿性。
它还可以用于制作乳制品、肉制品和烘焙食品等。
3. 农业:聚磷酸铵可以用作肥料和土壤改良剂。
它可以提高植物的生长速度和产量,改善土壤质量,并增强植物对病虫害的抵抗力。
4. 医药:聚磷酸铵可以用于制备生物降解材料和药物控释系统。
它可以作为缓释药物的载体,延长药物的作用时间,并降低药物的毒副作用。
5. 化妆品:聚磷酸铵可以用于制作化妆品,如乳液、洗发水和护肤品等。
它可以增加化妆品的保湿性和稳定性,使其更加柔软和光滑。
综上所述,聚磷酸铵是一种重要的化学物质,拥有广泛的应用领域和多种作用。
- 1 -。
聚磷酸铵阻燃剂分解温度1. 什么是聚磷酸铵阻燃剂聚磷酸铵(Ammonium Polyphosphate,简称APP)是一种广泛应用于塑料、橡胶、纺织品等工业领域的无机阻燃剂。
它是由无机磷酸盐与氨水反应生成的,常见的化学式为(NH4PO3)n。
2. 聚磷酸铵阻燃剂的阻燃机理聚磷酸铵阻燃剂主要通过两种机理实现阻燃效果:物理隔离和化学反应。
2.1 物理隔离机理聚磷酸铵阻燃剂在高温下可以分解产生无机磷酸盐和挥发性氨气。
无机磷酸盐在高温下可以包裹有机材料,形成具有较高熔点的无机保护层,从而隔离氧气和燃烧物质的接触,阻止燃烧的进行。
2.2 化学反应机理聚磷酸铵阻燃剂在高温下还可以与燃烧物质中的游离基团(如自由基、醇、酮等)发生化学反应。
这些化学反应可以消耗燃烧物质的自由基,降低燃烧反应的速率,从而有效延缓火势的蔓延。
3. 聚磷酸铵阻燃剂分解温度的影响因素聚磷酸铵阻燃剂的分解温度受到多个因素的影响,下面将逐一介绍这些因素。
3.1 聚磷酸铵分子结构聚磷酸铵分子的结构特点会直接影响其分解温度。
通常情况下,聚磷酸铵分子中磷酸盐的链段长度越长,分解温度越高。
这是因为链段长度较长的聚磷酸铵分子在分解过程中需要破坏更多的磷酸盐键,因此需要更高的温度能够提供足够的活化能。
3.2 添加剂的种类和含量添加适量的助剂可以调节聚磷酸铵阻燃剂的分解温度。
例如,添加钾盐、氨基酸盐或含氮化合物等碱金属盐可以显著提高聚磷酸铵阻燃剂的分解温度。
这是因为这些添加剂可以与聚磷酸铵分子中的阴离子反应生成更稳定的络合物,从而提高分解温度。
3.3 聚合物基体的性质聚磷酸铵阻燃剂通常与聚合物基体共同应用于工业制品中。
聚合物基体的熔融温度和热稳定性等性质也会对聚磷酸铵阻燃剂的分解温度产生影响。
一般来说,聚合物基体的熔融温度越高,聚磷酸铵阻燃剂的分解温度也会相应提高。
4. 聚磷酸铵阻燃剂分解温度的测试方法聚磷酸铵阻燃剂的分解温度可以通过不同的测试方法进行测定,常用的方法包括热重分析法(TGA)和差示扫描量热法(DSC)。
过磷酸—聚磷酸铵发布时间:2022-01-12T08:24:29.315Z 来源:《科学与技术》2021年28期9月作者:吴磊[导读] 聚磷酸铵液态肥是美国在上世纪60年代开发的高浓度磷氮肥料。
吴磊贵州瓮福(集团)有限责任公司1.聚磷酸铵液态肥聚磷酸铵液态肥是美国在上世纪60年代开发的高浓度磷氮肥料。
由于它具有易于复配、施用方便、节约人工、肥效高等优势,符合美国大农场机械化作业、高效的现代农业特点,因而在美国磷肥中占有非常重要的地位,每年的使用量在140~160万吨之间。
肥料用聚磷酸铵的聚合度通常在2-5之间。
聚磷酸铵肥料是通过液氨与95%的过磷酸(P2O5 68.8%)在管式反应器中高温反应得到的。
在高温下,磷酸根发生分子间脱水形成低聚合的聚磷酸根。
主要有11-37-0和10-34-0两种规格。
它含有的养分是100%水溶性的。
聚磷酸铵的反应是一个可逆反应,即聚磷酸铵可以通过水解重新生成正磷酸铵。
当形成聚磷酸铵液态肥之后,如果温度在32℃附近,由于水解,聚磷酸铵的聚合比每个月会降低约1%。
如果温度低于28℃,则聚磷酸铵水解的速率可以忽略不计。
聚磷酸铵液态肥的指标如下表所示:聚磷酸铵液态肥含有约40%的水。
除了养分分析外,关键指标为:①至少70%的聚合比。
该指标保证聚磷酸铵液态肥在1年的储存期内,聚合比不至于下降得太低而导致沉淀的产生;同时也保证有足够的聚合度和聚合比来螯合自身含有和添加的微量元素。
②氧化镁的含量在0.25%以下。
磷酸-铵-镁体系很容易形成继沉淀,对聚磷酸铵液态肥的生产、存储、转运、使用过程带来诸多问题。
因此,国外通常把聚磷酸铵中的氧化镁控制在0.25%以下。
为达到上述的指标,必须要使用合格指标的磷酸用于生产聚磷酸铵液态肥。
下表是为生产聚磷酸铵液态肥使用的过磷酸的代表性分析:从上表可以看出,为制备合格的聚磷酸铵液态肥,所使用的磷酸浓度至少为94%(P2O5 68%,而P2O5 68-72%的磷酸通常称为过磷酸, Superphosphoric Acid,缩写SPA),为浓缩至此浓度,磷酸中的杂质含量不能超过一定范围,否则浓缩效率较低;在浓缩至P2O5 68%以上后,为后续生产合格的聚磷酸铵产品,需要控制金属杂质的含量。
§4—2—3聚磷酸铵早期对聚磷酸铵的研究主要是用作肥料。
但作为长链的中聚或高聚合度的难溶性的聚磷酸铵用于阻燃剂,是近20年左右时间迅速发展起来的。
从分子结构上看,聚磷酸铵也是由—P—O—P—链连接而成的长链状化合物。
按其链上氢被氨取代的程度(氨化程度)和链长可以表示成几种通式和结构式。
一般认为分子式为(NH4)n+2P n O3n+1,n为50或更大;当n很大时则可认为是(NH4PO3)n。
其结构式为:1.物理化学性质属聚磷酸盐,具有其共性。
短链聚磷酸铵具有一定的吸湿性,其吸湿性随氨化程度增加和聚合度增高而降低。
长链聚磷酸铵产品为白色粉状晶体,疏松不结块、不吸潮、流动性好。
还具有氮磷含量高、杂质少、耐水、耐侯性好、热稳定性好以及近于中性、阻燃性能持久等特点。
在较高温度下分解,这是它作为阻燃剂的基础。
约在350℃时,NH3的分解压达latm,放出氨后生成非挥发性磷氧化物或聚磷酸等的薄膜,使膜下物质与空气中氧隔绝。
2.用途聚磷酸铵除大量用作高浓度二元复合肥料外,还大量用作饲料、液体洗涤剂和离子交换剂等。
高聚合度的聚磷酸铵大量用作塑料、天然纤维、木材、橡胶、纸张中的阻燃剂以及制成难燃制品;用以配制防潮耐火涂料;用于船舶、火车、高层建筑物以及电缆等的阻燃处理;还可制成干粉灭火剂用于森林、煤田等的大面积灭火。
特别是作为阻燃剂具有以下优点:(1)含磷量大(P2O5达68~70%),含氮量高(12~14%),作为阻燃剂效果良好;(2)聚磷酸铵较正磷酸铵、偏磷酸铵水溶性低吸湿性小,用作潮湿环境中的防火涂料效果优良;(3)聚磷酸铵与有机磷阻燃剂及正磷酸铵比较其热分解温度高,热稳定性好;(4)聚磷酸铵接近中性,且化学稳定性好,可与其它任何物质混合而不起变化;(5)聚磷酸铵制成325目微粒,其比重小,分散性好,表面积大,能很好与涂料、塑料等混合;(6)聚磷酸铵价格廉,毒性低。
3.制法聚磷酸铵按其使用的原料不同可以有各种不同制法:(1)正磷酸(热法和萃取的)以氨高温中和制聚磷酸铵,其中又分不蒸浓萃取磷酸常压氨化及二段中和法;蒸浓(50~54%P2O5)磷酸常压氨化及加压氨化法;在聚磷酸铵存在下氨化法;磷酸和尿素热聚合法。
聚磷酸和聚磷酸铵-概述说明以及解释1.引言1.1 概述聚磷酸和聚磷酸铵是两种重要的无机高分子化合物,具有广泛的应用领域。
聚磷酸是一种无机高分子聚合物,由磷酸基团(-PO4)通过共价键连接而成,具有良好的热稳定性和阻燃性能,被广泛应用于阻燃剂、涂料、胶粘剂等领域。
而聚磷酸铵是由聚磷酸盐和铵盐反应生成的物质,具有优良的离子交换性能和萃取性能,被广泛用作分离、净化和催化剂等领域。
本文将对聚磷酸和聚磷酸铵的物化性质、应用领域和制备方法进行详细介绍,同时比较分析两者之间的差异和优势,为读者提供全面的了解和参考。
文章结构是整篇文章的框架,能够清晰地展现出文章的内容组成和逻辑顺序。
本文的文章结构如下:1. 引言1.1 概述1.2 文章结构1.3 目的2. 正文2.1 聚磷酸2.1.1 物化性质2.1.2 应用领域2.1.3 制备方法2.2 聚磷酸铵2.2.1 物化性质2.2.2 应用领域2.2.3 制备方法2.3 比较分析2.3.1 物性比较2.3.2 应用差异2.3.3 实际应用案例3. 结论3.1 总结3.2 展望3.3 结论每个部分都将详细分析聚磷酸和聚磷酸铵的物化性质、应用领域和制备方法,最后通过比较分析来探讨它们之间的差异和实际应用案例,最终得出结论并展望未来研究方向。
整体结构清晰明了,逻辑性强,有助于读者更好地理解文章内容。
1.3 目的:本文旨在系统介绍聚磷酸和聚磷酸铵这两种常见磷酸盐聚合物的物化性质、应用领域和制备方法。
通过对这两种聚合物的特性与应用进行详细的比较分析,探讨它们在不同领域的优劣势,并提供实际应用案例,以便读者更好地了解和理解这两种聚合物的特点,为其在实际应用中做出正确的选择。
最终目的是为了促进这两种聚合物的更广泛应用,并对未来的研究和开发提供参考和启发。
2.正文2.1 聚磷酸2.1.1 物化性质聚磷酸是一种无机高分子化合物,具有较高的热稳定性和化学稳定性。
它在常温下呈白色或无色结晶态,具有良好的溶解性和吸水性。
聚磷酸铵的作用
聚磷酸铵是一种常见的化学品,在工业生产和农业生产中都有着广泛的应用。
其作用主要体现在以下几个方面:
1. 作为缓蚀剂:聚磷酸铵可以与金属离子结合形成膜层,从而起到缓蚀的作用。
在水处理、油田开发等领域,聚磷酸铵被广泛应用于防止设备和管道的腐蚀。
2. 作为水处理剂:聚磷酸铵可以与钙、镁等离子结合,形成不溶性的复合物,从而防止水垢的形成。
在锅炉、冷却塔等设备中,聚磷酸铵被用作水处理剂,可以延长设备的使用寿命。
3. 作为肥料添加剂:聚磷酸铵可以被植物吸收利用,作为一种优质的氮磷肥料添加剂。
它不仅可以提高作物的产量和品质,还可以改善土壤结构,促进植物生长。
4. 作为火力发电的烟气脱硫剂:聚磷酸铵可以与烟气中的二氧化硫结合形成硫酸铵,从而达到烟气脱硫的目的。
在燃煤发电厂中,聚磷酸铵被广泛应用于烟气脱硫设备中。
总之,聚磷酸铵在各行各业中都有着重要的应用,它的作用是多方面的,可以帮助我们解决各种生产和生活中的问题。
- 1 -。
聚磷酸铵聚合度2000
聚磷酸铵,作为一种常见的无机高分子材料,具有广泛的应用前景。
它的聚合度直接影响着其性能和用途。
在聚合度2000的情况下,聚磷酸铵的特性将呈现出什么样的变化呢?
聚磷酸铵聚合度2000意味着其分子链中的磷酸铵单元重复次数达到了2000次。
这样的高聚合度使得聚磷酸铵具有更高的分子量和更长的分子链。
由于这种特殊的结构,聚磷酸铵在物理、化学和生物学领域都有着广泛的应用。
在物理性质方面,聚磷酸铵聚合度2000的材料通常具有更高的熔点和熔融粘度。
这使得它们在高温环境下表现出更好的稳定性和耐热性。
此外,由于分子链的延长,聚磷酸铵聚合度2000的材料还具有更高的拉伸强度和耐磨性。
在化学性质方面,聚磷酸铵聚合度2000的材料具有更好的耐腐蚀性和耐酸碱性。
这使得它们可以在腐蚀性环境中长时间稳定地工作。
此外,聚磷酸铵聚合度2000的材料还可以通过控制其聚合度来调节其溶解性和离子交换能力,从而适应不同的应用场景。
在生物学方面,聚磷酸铵聚合度2000的材料具有更好的生物相容性和生物降解性。
这使得它们在医学领域的应用潜力巨大。
例如,聚磷酸铵聚合度2000可以用于骨修复材料、药物缓释系统和组织工程支架等领域。
聚磷酸铵聚合度2000的材料具有许多独特的性质和应用。
通过控制聚合度,可以调节聚磷酸铵材料的性能,以满足不同领域的需求。
未来,随着对聚磷酸铵聚合度2000的深入研究,相信会有更多创新的应用涌现出来,为人类的生活和健康带来更多的福祉。
聚磷酸铵又称多聚磷酸铵或缩聚磷酸铵(简称APP)。聚磷酸铵无毒无味,不产生腐
蚀气体,吸湿性小,热稳定性高,是一种性能优良的非卤阻燃剂。但是也存在相应缺
点,由于目前工艺聚合度较小所以具有较大的吸湿性,并且对工程塑料的力学性能影
响很大。
聚磷酸铵是一种含N和P的聚磷酸盐,按其聚合度可分为低聚、中聚以及高聚3种,
其聚合度越高水溶性越小,反之则水溶性越大。按其结构可以分为结晶形和无定形,
结晶态聚磷酸铵为长链状水不溶性盐。聚磷酸铵的分子通式为(NH
4)(n+2)Pn
O(3n+1),
当n为10 ~20时,为水溶性;当n大于20时,为难溶性。
聚磷酸铵已逐渐进入复混肥和液体肥料的生产,特别是在发达国家已得到广泛应用。
20世纪70年代初,美国开发了用商品湿法磷酸(54%P205,质量分数)生产聚磷酸铵
基础液体肥料,也就是将湿法磷酸浓缩成过磷酸,在管式反应器中与氨反应,生成高
浓度聚磷酸铵,加水冷却生成品级为10-34-0的液肥产品。基础液肥可与氮溶液、钾
肥生产液体复混肥。我国目前尚未有专业生产聚磷酸铵肥料的企业,其性状、组成及
生产方法尚存在争议,一般认为作为肥料用聚磷酸铵应是短链全水溶的,包含磷酸铵、
三聚磷酸铵和四聚磷酸铵等多种聚磷酸铵,聚合度更高、链更长的聚磷酸铵只有少量
存在;另有资料介绍,农用聚磷酸铵聚合度通常为5~18,且溶解性好,是液体肥料
的主要品种。农用聚磷酸铵在中国仅有少量生还未形成商品出售。