空调水系统变流量节能控制论文
- 格式:doc
- 大小:25.50 KB
- 文档页数:6
中央空调冷却水系统节能优化控制研究中央空调冷却水系统是建筑物中常见的制冷设备,它能够有效地为室内提供舒适的温度环境。
由于长期运行和使用,中央空调冷却水系统存在能耗高、运行成本高、能效低等问题。
为了提高中央空调冷却水系统的能效,节约能源和降低运行成本,需要对其进行节能优化控制研究。
一、中央空调冷却水系统的概述中央空调冷却水系统是利用冷却水来对空气进行冷却,然后将冷却后的空气输送到室内,以调节室内温度。
在这个系统中,冷却水通过循环泵被输送到冷却塔或冷却器冷却后再返回到冷冻机组。
整个系统的运行需要消耗大量的电能和水资源,而且系统内部的阀门、泵、风机等设备也会产生一定的能耗。
二、中央空调冷却水系统的能效问题现有的中央空调冷却水系统主要存在以下能效问题:1. 运行能耗高:中央空调冷却水系统在长时间的运行中,能耗较高,给使用者造成了一定的能源浪费。
2. 能效低:在系统的设计和运行中,存在一些能效低的设备和工艺,导致整个系统的能效较低。
3. 运行成本高:运行中所需要的电能和水资源都较为昂贵,给使用者带来了较高的运行成本。
三、中央空调冷却水系统节能优化控制研究的必要性由于中央空调冷却水系统存在以上的能效问题,对其进行节能优化控制研究是十分必要的。
通过研究,可以找到合适的控制策略和技术手段,从而提高系统的能效,减少运行成本,降低对能源和水资源的消耗,实现可持续发展的目标。
四、中央空调冷却水系统节能优化控制研究的重点内容1. 控制策略研究:研究中央空调冷却水系统的控制策略,包括风机、泵、阀门等设备的控制方式,以达到最佳的系统运行效果。
2. 设备能效优化:对中央空调冷却水系统中的设备,如冷冻机组、冷却塔、冷却器等,进行能效的优化研究,提高系统整体的能效。
3. 新技术应用:探索新的技术手段,如智能控制、变频调速等,对中央空调冷却水系统进行节能优化控制。
4. 运行参数优化:通过对中央空调冷却水系统的运行参数进行优化,如水温、流量、压力等参数的优化控制,降低系统的运行成本。
【关键字】论文摘要随着我国经济的不断发展,社会高度信息化,新的高科技技术不断应用到建筑中,使得建筑的智能化已成为一种发展的必然趋势。
众所周知,智能建筑主要由建筑设备自动化系统(BAS)、通信自动化系统(CAS)和办公自动化系统(OAS)三大系统组成。
智能建筑也往往是从建筑设备自动化系统开始。
本文主要阐述,智能建筑中的中央空调(冷冻站)系统的PLC控制设计。
通常大型建筑都有两套(或两套以上)中央空调系统,由三台冷却水泵、三台冷冻水泵、两台冷却塔风机、两台冷水机组等主要设备组成两套制冷系统,其中冷水机组是由设备生产厂成套供应的。
它一般是根据空气调节原理及规律等由微处理器自动控制的。
冷水机组由压缩机、冷凝器与蒸发器组成。
压缩机把制冷剂压缩,压缩后的制冷机进入冷凝器,被冷却水冷却后,变成液体,析出的热量由冷却水带走,并在冷却塔里排入大气。
液体制冷剂由冷凝器进入蒸发器蒸发吸收热量,使冷冻水降温,然后冷冻水进入冷风机盘管吸收空气中的热量。
本文主要是通过用plc对中央空调中变频器的控制来调节中央空调的各参数以达到所需要求,通过上位机系统(中央管理工作站),下位机系统(区域工作站),共同对中央空调系统进行控制,上位机主要有PC机和激光打印机以及由MCGS构成的人机交互界面组成,下位机主要有TP21触摸屏和FX-1S-14MR可编程序控制器组成。
关键词:空调系统;可编程控制器(PLC);空调机组自动控制ABSTRACTWith the constant development of 's economy, a high degree of information-based society, the new high-tech technology applied to the building, making the intelligentbuilding has become a development trend. As we all know, intelligent building construction equipment from the major automation systems (BAS), communications automation system (CAS) and office automation systems (OAS) three system. tend to be from the beginning of construction equipment automation system. This article described, the intelligent building in the central air-conditioning (Freezing Point) PLC control system design.Usually have two sets of large-scale construction (or two or more) central air-conditioning system, cooling water pump from the Big Three, three chilled water pumps, two cooling tower fan, two chiller comprising two sets of major equipment such as refrigeration system, cold water Units from complete sets of equipment manufacturing plant supply. It is based on general principles and laws of the air-conditioning, such as automatic control from the microprocessor. Chiller from the compressor, condenser and evaporator components. Compression of the refrigerant compressors, compressed into the refrigerator condenser, cooling water cooling, a liquid, precipitation heat away from the cooling water and cooling Tarja discharged into the atmosphere. Liquid refrigerant from the condenser into the evaporator evaporation absorb heat, chilled water cooling and chilled water fan coil absorbed into the cold air in the heat.This paper is mainly used by the central air-conditioning plc in the frequency converter to regulate the control of central air-conditioning in all parameters to achieve the necessary requirements, through the host computer system (central management workstations), the under-machine system (Regional workstations), the common central air-conditioning system Control, the PC main PC and laser printers as well as by the MCGS a component of human-computer interface, the crew mainly TP21 touch-screen and FX-1S-14MR PLC components.Keywords:air-condition; PLC; central air conditioning目录1 绪论1.1空调系统研究背景随着人们生活水平的不断提高,智能建筑得到了迅猛发展,并己成为21世纪建筑业的发展主流。
论暖通空调变流量水力系统平衡问题【摘要】本文介绍了水力平衡的概念及分类,概述了变流量系统的全面水力平衡方法。
【关键词】暖通空调变流量水力系统平衡措施中图分类号: tu96+2 文献标识码: a 文章编号:一、前言空调水系统具有以下特点:空调设备绝大部分时间内在远低于设计负荷情况下运转;空调水系统供回水温差远低于供暖系统的温差,无法进行质调节,流量调节才是合理的做法;空调水系统设计有定流量系统与变流量系统之分,两种方式均是就负荷侧而言,对于冷源侧,则应根据制冷方式不同具体分析对待。
主要关注的是变流量水系统的全面平衡。
二、水力平衡的概念及分类1、静态水力失调和静态水力平衡由于设计、施工、设备材料等原因导致的系统管道特性阻力数比值与设计要求的管道特性阻力数比值不一致,从而使系统各用户的实际流量与设计要求的流量不一致引起的水力失调,叫做静态水力失调。
静态水力失调是稳态的、根本性的,是系统本身所固有的。
通过增设静态水力平衡设备,在水系统初调试时对系统管道特性阻力数比值进行调节,使其与设计要求的管道特性阻力数比值一致,从而使系统总流量达到设计总流量,同时使各末端设备流量达到设计流量,可以实现静态水力平衡。
2、动态水力失调和动态水力平衡系统实际运行过程中当某些末端阀门开度改变引起水流量变化时,系统的压力产生波动,其他末端的流量也随之发生改变,偏离末端要求流量,引起水力失调,这种水力失调叫做动态水力失调。
动态水力失调是动态的、变化的,它不是系统本身所固有的,是在系统运行过程中产生的。
3、全面水力平衡全面水力平衡就是消除了静态和动态水力失调,使系统同时达到静态和动态水力平衡。
三、变流量系统的全面水力平衡方法1、静态水力平衡的实现通过在对应部位安装静态水力的平衡设备,使系统达到静态水力平衡。
当系统所有的自力式阀门均设定到设计参数位置,所有末端设备的温控阀均处于全开位置时,系统所有末端设备的流量均达到设计流量:实现静态水力平衡的目的是使系统能均衡地输送足够的水量到各个末端设备,并保证末端设备同时达到设计流量。
关于空调冷却水系统变频节能控制的分析和应用魏汉光12李宇成2(1.中国国际贸易中心北京100043;2.北方工业大学北京100043)[摘要]在不同季节、不同天气、不同时段下,字调冷冻机制冷负荷变化较大,普通定频定流量系统.宅调冷却水系统大部分时间在大流量、小温差状态下运行,既不节能,也不利于空调冷冻机正常、安全运行。
通过分析空调冷却水系统特点和运行要求,将冷却水系统与变频器及测控设备有机结合,形成闭环变频控制系统。
当空调负荷变化或外界温、湿度变化,造成冷却水出水温度变化时,通过调整冷却泵运行频率。
达到降低综合能耗,同时保证冷冻机安全、正常运行的目的。
[关键词]空调冷却水系统变频控制节能中图分类号:T P2文献标识码:^文章编号:167l一7597(2009)0110016—02近年来,随着我国经济发展,中央空调系统已广泛应用于宾馆、饭店、写字楼、商场、医院、地铁站、文化娱乐设施等各类民用建筑,空调能耗增长很快,空调耗电占大型公共建筑总耗电量的50%以上,空调冷冻泵、冷却泵耗电约占建筑空调耗电的20%左右,但国内建筑物单位面积的耗电量约为国外同等规模同档次建筑物耗电量的两倍,节能潜力很大,分析、研究空调冷却水泵变频节能智能控制,不仅有利于保障空调冷冻机正常运行工况,而且可以大大降低空调水泵自身的运行能耗和整个系统的综合能耗,降低建筑空调能源消耗和运营成本。
对整个社会的节能和环保都具有非常重要的现实意义。
众所周知,民用建筑物牢调系统是按照天气最热、负荷最大季节、时段设计,并留有1096以上的余量,但季节不同、天气不同、时段不同时,建筑空调需求差异很大,实际上每年绝大部分时间,空调都不需要在最大负荷状态下运行,根据美国暖通制冷空调工程师协会(A sH RA E)给出的建筑物全年实际运行负荷的统计数据,建筑物在全年的80%的运行时间里,实际宅调需求负荷低于设计负荷的75%。
目前,空调冷冻机一般都可以按照冷冻水出水温度设定,根据负荷变化自动加载或减载,窄调冷冻水泵变频调节也已广泛应用,具有较为灵活的调节性能。
变流量水系统末端定压差控制方式探讨【摘要】分析了变频变流量系统中节能效率不符合“三次幂”定律,而与具体的管网特征和控制方式有关。
介绍变流量系统末端定压差控制方式的控制原理和优缺点,并比较介绍了末端定压差控制方式、供回水干管定压差控制和温差控制方式的不同使用条件。
【关键词】变流量水系统末端定压差控制水泵能耗1引言近年来,随着人们节能意识的加强以及变频器价格的下降,大量文献资料介绍变流量水系统(尤其是一次泵变流量水系统)的节能性,变频控制的变流量水系统的使用越来越普遍。
但是由于有些设计者没有完全了解变流量水系统的运行控制原理,设计时不是按照具体工程的实际情况合理选择控制方式,而是随意地选择一种控制方式或是想当然的在定流量系统的基础上加上自动控制,在实际运行中造成水力失调、热力失调,控制特性变坏等问题,最终导致一些工程使用后达不到预期的效果。
2变流量系统不符合“三次幂”定律对于闭式水系统,管网特性曲线是一条过原点的抛物线,而影响管网特性曲线形状的决定因素为阻抗S。
S值越大,曲线越陡。
当流量采用体积流量单位时,管段阻抗S的计算式为:kg/m7根据S的计算式可知,影响S值的参数有:摩擦阻力系数、管段长度l、直径(或当量直径)d、局部阻力系数ζ、流体密度。
其中取决于流态。
由流体力学知,当流动处于阻力平方区时,仅与k/d(管段的相对粗糙度)有关。
在给定管路条件下,若值可视为常数,则S=f(l,di,k,ζ,)(1)由式(1)知,当管网系统安装完毕,管长、管径、局部阻力系数在不改变阀门开度的情况下,都已为定数,即S为定值,对某一具体的管网,其管网特性就被确定。
反之,一旦改变式(1)中的任一参数值,将改变管网特性。
[1]通过以上分析可知,对于某个已安装完毕的管网系统,只要不改变阀门,管网特性曲线阻抗S即为定值。
一旦改变阀门开启度,管网特性曲线也随之发生改变。
根据文献[2]:由于空调末端设备是可变水阻力部件,因此循环水泵变频调速的工况点不是相似工况点,所以变流量运行时的节能效率不符合“三次幂”定律,而与具体的管网特征和控制方式有关。
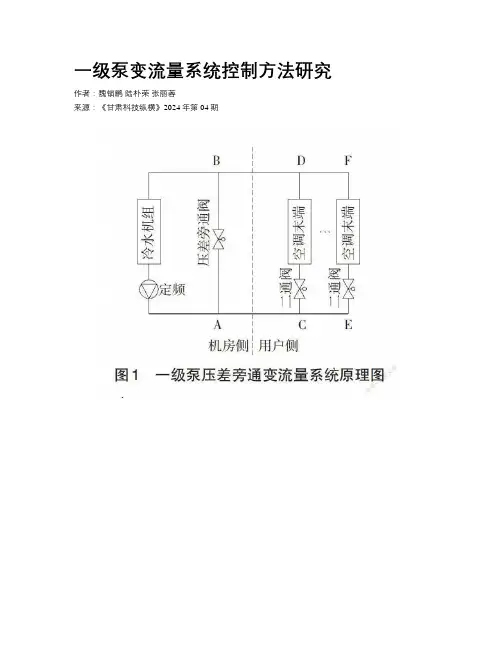
一级泵变流量系统控制方法研究作者:魏锁鹏陆朴荣张丽蓉来源:《甘肃科技纵横》2024年第04期摘要:建筑的供暖、通风与空调系统中,合理设计并高效运行是解决空调耗能的关键。
在中央空调一次泵变流量水系统实际的运行过程中,水泵往往不能按照设计要求进行变频,因而达不到理想的节能效果。
文章通过研究一级泵变流量系统部分负荷下管网特性与阻力系数的变化,采用定性分析法,分析自然温降法、温差控制法、压差控制法、最小阻力法这4种控制方法的原理、特点、局限性及适用范围,以期指导选择出在水泵运行过程中合理的控制方法,从而实现空调水系统的节能运行。
关键词:一级泵;变流量;控制;节能;低碳中图分类号:TU831 文献标志码:A作者简介:魏锁鹏(1978-),男,大学本科,高级工程师,注册设备工程师(暖通空调),主要研究方向:供热通风与空调工程设计、审核等。
0 引言公共建筑的全年能耗中,供暖空调系统的能耗约占10%~50%[1],国家标准《近零能耗建筑技术标准》(GB/T 51350—2019)的实施,大力推动了节能建筑的建设与发展。
近零能耗建筑设计技术路线强调通过建筑自身的被动式、主动式设计,大幅度降低建筑供热供冷的能耗需求,使能耗控制目标绝对值降低[2]。
在主动式设计中,空调变流量水系统设计和运行是空调节能的关键。
空调变流量冷冻水系统分为一级泵压差旁通变流量系统、一级泵变频变流量系统和二级泵变流量系统[3]。
一级泵系统冷水机组变流量运行时,空调水系统的控制要求是供、回水总管之间的旁通调节阀可采用流量、温差或压差控制,水泵的台数和变速控制宜根据系统压差变化控制[4]。
文章对一级泵压差旁通变流量系统及一级泵变频变流量系统,以冷源侧阻力数不做调整(即不做加减机、不调整支路阀门)为例,探讨部分负荷下各系统的阻力变化,以及各控制方法的特点。
1 一级泵变流量部分负荷系统特性1.1 管网与水泵特性一级泵压差旁通变流量系统原理图见图1。
该系统要求流过蒸发器的冷冻水流量不变,因此冷冻水泵无法变速调节,系统在末端调节流量引起的盈虧通过设置旁通来补偿,通过在供回水干管间设置由压差控制的旁通回路(旁通管及压差电动阀)实现部分负荷下地分流。
试论中央空调水系统节能相关问题作者:王铮来源:《城市建设理论研究》2013年第28期摘要:在我国的公用和民用建筑中,普遍存在着能耗较高的问题,这其中尤以空调能耗所占的比重最大,这与当前的节能环保的理念背道而驰。
在整个空调系统中,水系统又是其中的重要组成部分,所以说要做到空调的节能,首先需要从空调水系统节能问题考虑。
本文就以此为出发点,针对中央空调水系统节能相关问题进行分析论述。
关键字:中央空调水系统节能具体节能措施中图分类号: TB657.2文献标识码:A当前在中央空调系统设计工程中更多的强调节能环保问题,尤其是水系统的节能问题十分关键。
在夏季供冷季节,空调水系统能耗大约占据了整个空调系统能耗的60%到80%左右,由此可见,对中央空调水系统的节能问题进行分析研究,不仅能够更好的实现节能环保问题,还具有重大的经济意义。
下面本文就从多个层面进行分析论述。
一中央空调水系统的组成和工作原理分析空调的水系统是由空调冷控水循环系统和空调冷却水循环系统两个独立的系统组成的,虽然说两个系统在水力上相对独立,但是在热力上是紧密相连的整体。
空调的冷水系统将建筑室内的热量带入到制冷剂工质中,之后冷却水系统则将其从制冷剂工质排入到大气中,这种形成了整个的工作过程。
中央空调水系统的工作原理较为复杂,是从冷冻主机流出的冷冻水,由冷冻泵加压送到冷冻水管道后,再通过每个房间的空调机组风机盘管带走房间内部的热量,从而降低房间内的温度。
对于使用后的冷冻水回水又经过冷冻泵和管道返回到空调的主机当中,这样就形成了中央空调水系统中冷冻水循环系统。
而冷却水循环系统则是从冷却塔出来的冷水在盘旋流过冷冻主机之后,将带走冷冻主机所产生的热量,降低冷冻主机的温度,而从空调主机流出的带有热量的冷却水出水,经过冷却泵和管道之后达到冷却塔上面,完成喷淋冷却之后再回流到空调的主机当中,这样就形成了中央空调水系统冷却水循环系统的工作流程。
以上就是中央空调水系统的主要组成部分和工作原理分析,要想实现节能目标一定要从其工作的每个环节入手,下面本文就具体介绍节能的措施。
地铁空调通风环境控制系统的节能探讨摘要:近年来,伴随着城市化快速发展,地铁线建设也呈现高节奏发展进程。
以地铁通风空调系统为例,它作为地铁建设中的重要组成部分,其能耗也是地铁车站中不可忽视的重要一环。
为此,本文对地铁空调通风环境控制系统的节能进行了分析。
关键词:地铁空调;通风环境控制;节能引言地铁车站通风空调系统能实现调温、除湿、送风、排烟等功能,是地铁良好环境的有力保障。
不过,通风空调系统能耗偏大,不利于节能。
经分析,通风空调系统的设备容量一般根据地铁运营的最大长期负荷需求来选择,并保留一定的设计余量。
但在实际运行中,空调负荷往往达不到最大负荷,从而浪费了许多能量。
利用通风空调智能控制系统,采用有效的节能控制策略,能降低地铁站通风空调系统的能耗,实现地铁站空调系统的高效运转。
一、地铁轨道交通节能概述1.1通风空调系统构成通风空调系统包括为公共区环境提供服务的相关设备构成的大系统,为车站设备管理用房提供服务的相关设备构成的小系统,为整个通风空调系统提供冷源的相关设备构成的冷水系统,为隧道区间提供通风排热的相关设备构成的隧道通风系统。
某地铁线路通风空调系统主要是由回排风机、组合式空调器、冷水机组、冷却塔、冷冻水泵、冷却水泵、电动风阀及管路等构成的一个相对独立完整的系统,其中冷却塔、冷冻水泵、冷却水泵、回排风机和组合式空调器采用变频器控制,冷水机组采用的是螺杆式冷水机组。
1.2通风空调系统能耗的影响因素地铁地下车站热量主要来源于列车运行产生的热能、乘客的散热、站内照明设备的热能、站内自动扶梯等机械设备运行的散热以及通过新风系统和出入口进入站内的新风带来的热能等。
由于地铁站热力学模型具有大滞后的特性,所以要达到较好的优化控制效果,仅关注站内各参数的实时变化情况,是不能满足控制需求的,需要预测冷源的需求变化趋势,根据趋势变化情况,对系统设备进行合理控制,使各设备避免运行状态大幅变化的情况,降低系统能耗。
总之,通过通风空调系统节能优化控制,满足地下站公共区内环境如下指标,并取得较好的节能效果:地下站公共区内的CO日平均浓度应小于1.5‰,通风季站内温度不高于2室外空气计算温度5℃且不应超过30℃,空调季站厅比室外空气计算温度低2℃~3℃,且不应超过30℃,相对湿度在40%~70%,站台比站厅空气计算温度低1℃~2℃,相对湿度在40%~70%。
空调系统与主机的节能控制摘要:本文以暖通空调系统主机的节能空间作为研究对象,针对主机及配套的水系统设备的节能空间进行探讨。
关键词:引言现状分析cop值结论引言目前全球都在主张低碳节能性社会,涉及到建设工程的各个专业领域,尤其以机电安装工程项目为最。
相对而言,机电安装工程项目中能耗最大的非空调系统莫属,相关数据表明:空调系统30%以上的能耗均被主机霸占,20%以上被水泵侵蚀,因此降低其能耗对整个空调系统全年运行能效具有极其重要的意义。
本文将对与之有关的因素进行分析和探讨。
1.系统现状分析1.1 目前我们常用的系统大部分为一次泵定速末端变流量系统(如图1所示),为确保通过主机蒸发器的流量不变,常常在供回水总管之间设置压差旁通控制,当末端侧的负荷减小时,旁通阀便逐渐开启,将多余的流量旁通回主机,反之,就会关小减少旁通回的流量值。
在这种工况下,虽然末端负荷侧是变流量了,但水泵仍以定速运转,故水泵的能耗并未降低,即将大把大把的电耗浪费在了旁通这部分流量的无用功上。
1.2 当负荷减小时,旁通流量的加大,势必会造成主机供回水温差过小的情况出现,如采用恒温差或回水温度控制策略,此时会给主机一个主动的控制信号,主机便会减载或卸载停机,这样的前提就是:主机有10%-100%范围的负荷调节性能,以及耗电量同其调节范围是正比关系。
然而事实并非如此,根据相关数据(见下图2)显示,主机在10%-40%范围内进行负荷调节时,其耗电量比满负荷时还大,因此其有效调节区间仅在40%-100%之间,所以我们讨论主机节能空间在系统负荷低于40%的时候,就毫无意义可言。
因此,如果在旁通水量大于60%负荷的时候,主机控制趋向于卸载,此时末端仍需5℃供水温度的满负荷区域得不到应有的温度提供,造成其服务效果极差,影响负荷区域的舒适性和精度,主机卸载后,反向又会导致回水温度提高,以至于主机在检测到回水温度信号超过设定值的时候,又会加载运行,这样整个过程一直处于一个不断波动的状态,如果主机没有一个完善的控制方案,势必会带来更多的无用功耗和损耗,极大地降低了主机的使用寿命和效率。
浅议中央空调水系统变频节能技术改造分析摘要:空调水系统是中央空调系统中的重要组成部分,具有较大的节能潜力。
本文结合笔者多年实践经验,介绍了中央空调水系统变频技术改造的意义、原理。
分析其改造思路及节能效果。
关键词:中央空调循环水系统变频节能原理节能改造中图分类号:tk212 文献标识码: a 文章编号:一、中央空调循环水系统变频节能改造的意义随着我国社会经济建设的不断发展,中央空调系统已广泛应用于工业、高层建筑、政府办公楼和酒店等建筑当中,成为了大型建筑物不可缺少的配套设备之一。
中央空调系统主要由制冷主机、循环水系统和风机盘管等设备组成,具有节约空间、投资方便、简化管理和满足客户个性化需要等优点。
但是,中央空调系统的能耗非常大,约占大型建筑总能耗的50%,其中,循环水系统的耗电量约占整个系统耗电量的20%,极大地浪费了电能,同时也恶化了中央空调系统的运行质量。
因此,如何有效地降低循环水系统的能耗成为了技术人员急需解决的问题。
二、空调水系统变频节能原理中央空调水系统变频指的是对冷却水泵和冷冻水泵进行改造。
通过对水泵变频,将水系统改造为变流量运行,使空调系统的负荷与实际相匹配。
通常冷水机组是在定流量设计下运行的,冷水机组要保持定流量的主要原因是:①蒸发器内水流速的改变会改变水侧放热系数,影响传热;②管内流速太低,若水中含有机物或盐,在流速小于1m/s 时,会造成管壁腐蚀;③避免由于冷水流量突然减小,引起蒸发器的冻结。
实际空调系统水泵变频改造工程表明,对空调水系统水泵进行变频节能改造,对冷水机组的功率几乎没有影响。
因此,合理利用变频节能控制方法,对整个中央空调控制系统会起到更好的保护作用。
空调系统变频节能的依据是空调系统在部分负荷的运行状态下,通过减小水流量来维持空调系统冷负荷的不变,从而节省循环水系统中水泵的能耗。
根据水泵的工作原理可知,水泵的流量、扬程、转速与功率之间的关系为1、水泵的流量与转速成正比关系,而水泵的输入功率与转速的立方成正比关系。
本科生毕业论文( 2012 届)学生姓名张公平院(系)武汉理工大学独立本科段专业机电一体化学号014210110813导师祁小波王生软论文题目 PLC、变频器在中央空调冷却水泵节能循环控制中的应用摘要在传统的中央空调系统中,冷冻水、冷却水循环用电约占系统用电的12%~14%,并且在冷冻主机低负荷运行中,其耗电更为明显,冷冻水、冷却水循环用电约达30%~40%。
因此对冷冻水、冷却水循环系统的能量自动控制是中央空调节能改造的重要组成部分。
本文着重介绍PLC、变频器在冷却水泵节能循环方面的应用。
中央空调采用变频调速技术,使电机在很宽范围内平滑调速,可将所有节流阀去掉,使管道畅通,可免去节流损耗。
通过改变电机转速而改变水的流速,从而改变水的流量,达到制冷机的正常工作要求和平衡热负荷所需冷量要求,从而达到节能的目的,电机的变频调速系统是由PLC控制器进行切换和控制的。
关键词:PLC 变频器冷却水泵节能ABSTRCTIn the traditional central air conditioning system, freezing water, cooling water circulation electricity accounts for about 12% ~ 14% of the ele ctricity system, and in the frozen host low-load running, the power consumption is more apparent, freezing water, cooling water circulation electricity about to reach30% ~ 40%.So to freezing water, cooling water circulation system of energy automatic control is central air conditioning is an important part of the energy saving transformation. This paper introduces the P L C, inverter in cooling water pump energy saving circulation applications. The central air conditioning by inverter technology, make motor in a wide range smooth speed, can remove the entire throttle, make the pipeline flow, can free throttling loss. Through the change the motor speed and change in water velocity to change the flow of water to the normal work of the chiller requirements and heat load balance required cold quantity requirements, so as to achieve the purpose of saving energy. The motor is variable frequency speed regulation system by PLC controller and the control of the switch.Keywords:PLC converter cooling wa t er pump energy saving引言经济的发展和人民生活水平的日益提高,中央空调系统已广泛应用于工业与民用建筑域,如宾馆、酒店、写字楼、商场、厂房等场所,用于保持整栋大厦温度恒定。
中央空调水系统控制策略探讨及调试应用方法摘要:本文通过探讨中央空调水系统自动控制调节策略,旨在寻求更适合现场实际使用的自动调节方法。
通过理论与实际测试,总结寻找适合中央空调水系统稳定控制调节的方法。
关键词:二通阀、压差旁通、控制策略、压差、流量引言:中央空调水系统在投入运行过程中常因现场温度变化需要调节设备运行参数匹配已达到温度调控均匀并节能减耗的作用,但在实际使用过程中系统控制策略及系统自动控制程序与现场难以匹配,调节困难,常常出现调控滞后与现场需求不符合而导致过冷或过热,无法达到稳定有效地控制,也不利于节能。
一.控制策略原理及方法讨论图1.中央空调水系统简图车站空调水系统主要由冷水机组、冷冻水泵、冷却水泵、冷却塔及各末端换热设备组成,其中需要变动调节的为冷冻水系统,即是冷冻变频水泵、电动二通阀、压差旁通阀、空调柜变频风机。
二通阀以设定温度为目标值,当现场温度大于目标值时,PID控制程序调节二通阀开度开大,直至温度下降接近目标温度;当实际温度低于目标温度时,二通阀开度变小,直至温度上升接近目标温度。
当二通阀在开大变小同时,水系统管路中的回水总管流量发生变化。
为保证冷水机组运行所需的流量,分集水器之间设置的压差旁通阀需根据二通阀的变化为变化(具体压差旁通阀以水路中最不利点压差恒定值作为控制目标)。
具体变化过成为二通阀关小,末端设备流量变小,此时旁通阀需开大,保证回水总流量恒定,使得冷水机组稳定运行,反之亦然。
在控制的同时,冷冻水泵频率使用PID算法,以冷冻水供回水温差小于5度为目标值来进行控制频率,实际温差大于设计温差(5度)时,提高频率;反之降低频率。
二.现场调试前提条件1.排除管路空气,确保水管路中水量充足。
观察排水阀排出水柱,充盈连续则可判断管路中基本无空气堵塞,水量充足。
2.测试确认各类传感器准确性。
测试流量计、压差传感器、温度计、电动二通阀、手动闸阀、压力表手动阀:将末端进出水管路手动阀全关,则手动阀前面的压力表读数差值应接近0,两个压力表读数基本相同。
空调水系统变流量节能控制
摘要:随着社会的发展与进步,重视空调水系统变流量节能控
制对于现实生活中具有重要的意义。本文主要介绍空调水系统变流
量节能控制的有关内容。
关键词空调;水系统;变流量;节能;控制;原理;
中图分类号:te08文献标识码: a 文章编号:
引言
目前空调用电负荷特别是高峰负荷占我国电力负荷的较大比重,
目前我国绝大多数高层商业建筑的集中空调水系统均为定水量系
统, 并且按最大负荷设计,而系统 90% 的时间是在 65% 最大负荷
以下运行,普遍存在大流量小温差的问题, 造成了能源的浪费, 给
城市的供配电系统带来了沉重的压力。空调系统的能耗主要由制冷
机能耗和水泵风机能耗构成, 其中制冷机的能耗占总能耗的 60%
以上, 水泵风机能耗约占总能耗的 40% 。在过去的几十年里, 制
冷机的能效比提高较快, 已从以前的 4 w/ w 提高到现在的将近 7
w/ w, 而水泵的效率变化较小。减少输送系统能耗最有效的方法是
采用变流量水系统, 该系统水泵的供水量随负荷的变化而变化,
由于水泵的功率与水泵流量的三次方成正比, 因此, 采用变流量
空调水系统理论上具有很大的节能空间。变流量系统的推广对缓解
我国电力瓶颈制约具有重要意义。
一、变流量水系统的自动控制原理
变流量系统一般采用压差控制。如图 1 所示,各支路末端的两
通调节阀根据末端所处理的空气温度( 或室内温度) 的变化调节
其开度, 从而引起压差变化, 差压变送器将采集到的压差信号转
换为4~ 20 ma 的标准电流信号, 与设定值一同输入到比较元件内,
经比较元件处理后输出偏差信号, 偏差信号经控制器一定的算法
处理后输出控制信号,控制变频器的频率, 从而引起水泵转速的改
变, 使末端压差回到设定值。设定值一般取设计工况下最不利环路
的压差值, 最不利环路保证了, 其余支路也就得到保证。当末端环
路关闭时, 由于静压的传递作用, 相邻支路可代替末端支路, 从
而使负荷的变化通过压差的变化及时反映出来, 因而这种控制方
式比较及时可靠。但这种控制方式需要在各支路上安装随处理空气
温度( 或室内温度) 变化而调节的性能很好的电动两通调节阀,
当系统支路较多时, 最不利环路的确定较难, 且电动调节阀的造
价较高, 限制了其应用。
图1最不利环路末端压差控制原理图
国内的办公楼和商业建筑中 80% 以上的空调系统是风机盘管
系统。风机盘管系统的水路基本不控制, 或采用三通阀、电磁阀控
制, 部分负荷时系统压差几乎不变, 这给压差信号的采集造成困
难,因而风机盘管系统采用压差控制准确性较差。这种系统采用最
多的是温差控制。
二、变速泵的运行特性
水泵进行变速运行时,通常以下列公式作为依据。
(1)
(2)
(3)
式中
q0 、h0 、n0 、n0——水泵在额定工况下的流量、扬程、转速、
功率,m3/h、 m、 r/min、 kw;q1、h1 、n1 、n1——水泵在实
际工况下的流量、扬程、转速、功率,m3/h、 m、 r/min、 kw。
应当指出,上列公式是根据水泵的相似推导得出的。所谓相似
是指在相似工况点上的物理量保持相似。因此,公式(1)、(2)、(3)
在对应的相似工况点上才能成立。
从公式(1),(2)可知,
所以,所有的相似工况点必须满足下列公式:
(4)
效率作为一个物理量,从理论上讲,在相似工况点上效率都是
相等的。根据公式(4),水泵变速运行时,其理论等效率曲线是一
组交于原点的二次曲线,见图2。其中a、b两点是相似工况点,η
a=ηb。a点和a’点则不是相似工况点,两者的效率也不同。
水泵在变转速运行时,实际的等效率曲线并非如图1所示。事
实上转速增大时,水力损失要上升。转速下降时,轴功率下降,而
机械损失相对增加,凡此种种将影响水泵总效率的改变。实践证明,
对于同一型号水泵最高效率点只出现在某一特定转速下,在其它转
速时效率均有所下降。
图2 水泵的理论等效曲线
三、水泵变流量的控制方式对水泵运行节能的影响
水泵变流量控制,目前常用的有以下三种方式:
a) 供、回水干管压差保持恒定的压差控制(简称压差控制);
b) 末端(最不利)环路压差保持恒定的末端环路压差控制(简
称末端压差控制);
c) 供、回水干管水温差保持恒定(△t=5℃)的温差控制(简
称温差控制)。
图3是不同控制方式下水泵运行工况示意图。采用不同的控制
方式,所对应的管路特性曲线各不相同。曲线a是采用温差控制的
管路特性曲线(即空调水系统原有的管路特性曲线)。q=0,管路
系统阻力△h=0,曲线b是采用末端压差控制时的管路特性曲线。
h1是末端环路要求保持的压差。q=0,=h1。曲线c是采用压差控
制时的管路特性曲线,h2是要求保持的压差。q=0时,△h=h2。
图3 不同控制方式下水泵运行工况图
水泵的流量从q0变化到q0’时,a、b、c三条曲线所对应的水
泵转速分别为na、nb、nc。水泵的扬程分别为ha,hb,hc。
为分析他们的节能效果,特举例说明。
某空调水系统水泵流量q0=400 m3/h、扬程h0=33m、水泵轴
功率n0=48 kw。采用压差控制h2=16m,采用末端压差控制h1=
8m。当流量变化为q0’=0.7 q0=280 m3/h时,计算在三种不同
控制方式下水泵节能效果。
① 温差控制 q0’=280m3/h, ha=16.17m, ηa=63%,na
=19.58kw;
② 末端环路压差控制 q0’=280m3/h, hb=20.25m, ηb=
68%,nb=22.72kw;
③ 压差控制 q0’=280m3/h, hc=24.33m, ηc=69%,nc
=26.6kw;
它们的节电率分别为 φa=59.1%,φb=52.6%,φc=
44.6%。
从以上的分析可以看出,采用不同的控制策略它们的节能效果
是不同的。这三种控制方式在工程上均有采用,针对某一工程采用
何种控制策略,设计人员要根据空调水系统的具体情况加以分析判
断。如系统的大小、负荷的组成、空调系统配置、水系统的阻力平
衡、末端设备的同时使用率等。
四、在并联系统中变频泵的配置和运行
4.1 变频泵的配置
在水泵的并联系统中变频泵的配置,从理论上讲应采用“一变
多定”配置模式,这样可以提高水泵的整体效率。上述提法对空调
负荷主要是随室外气象条件变化的民用建筑是适用的。因为对民用
建筑而言,空调系统约有80%左右的时间是在设计负荷的50-60%
以下运行。对于空调负荷是以工艺设备发热量为主的建筑而言,则
应对全年空调负荷的分布特性进行分析,通过技术比较,才能确定
是“一变多定”,还是全部采用变频调速。
4.2 变速泵与定速泵的并联运行
变速泵与定速泵的并联运行,相当于二台特性曲线不同的水泵
并联运行,如图4所示。曲线b是一台定速泵单独运行时的特性曲
线。曲线a是二台定速泵在额定工况下并联运行时的特性曲线。曲
线c是采用压差控制的管路特性曲线,h1是供、回水干管要求保持
恒定的压差。虚线是指变频泵在不同转速下的特性曲线。实线n1、
n2是指变频泵在不同转速下与定速泵并联时水泵的特性曲线。在额
定工况下系统的流量为q0,一台水泵的流量为 q0’,水泵的扬程
h0,转速n0。