ANSYS常用压电陶瓷的材料系数
- 格式:xls
- 大小:38.00 KB
- 文档页数:4
压电系数d15
压电系数d15是指一种材料在应力作用下产生的电荷与施加的应力之间的比例关系,其中1代表施加的应力沿着材料的1轴方向,5代表产生的电荷沿着材料的5轴方向。
压电系数d15可以用以下公式表示:
d15 = ΔQ / (S ×F)
其中,ΔQ表示沿着5轴方向产生的电荷量,S表示材料的横截面积,F表示施加的应力。
压电系数d15的单位为库伦/牛顿(C/N)。
压电材料的压电系数d15决定了其在压电器件中的性能和应用范围。
较大的压电系数d15意味着在相同的应力下可以产生更多的电荷,从而提高了压电器件的灵敏度和效率。
常见的压电材料包括石英、铅锆酸钛(PZT)等。
需要注意的是,压电系数d15只描述了应力和电荷之间的线性关系,在实际应用中还需考虑材料的非线性特性和其他影响因素。
1。
Ansys workbench常用材料属性
1. isotropic secant coefficient of expansion 各向同性的热胀系数
需要输入基准温度、热膨胀系数。
基准温度,默认22度热膨胀系数
2. orthotropic secant coefficient of expansion 各向异性的热胀系数
需要输入基准温度、三个方向的热膨胀系数。
3. isotropic instantaneous coefficient of expansion 各向同性的热胀系数(随温度变化)需要输入基准温度、热膨胀系数。
(随温度变化)
4. orthotropic instantaneous coefficient of expansion 各向异性的热胀系数(随温度变化)需要输入基准温度、三个方向的热膨胀系数。
(随温度变化)
5. 阻尼系数、质量阻尼、刚度阻尼
6.Isotropic elasticity 各项同性的线弹性材料
需要输入弹性模量与泊松比
7.orthotropic elasticity 各项异性的线弹性材料
需要输入各方向的弹性模量与泊松比
8 Bilinear isotropic/kinematic hardening 双线性材料(非线性材料)需要输入屈服强度及切向模量,需要配合isotropic elasticity使用。
9.multilinear isotropic/kinematic hardening 多线性材料(非线性材料,应力应变曲线)需要配合isotropic elasticity使用,输入应力应变曲线。
pzt-4压电陶瓷电学参数
PZT-4是一种常见的压电陶瓷材料,具有优良的压电性能和电
学参数。
关于PZT-4的电学参数,我们可以从多个方面来进行全面
的回答。
首先,PZT-4的介电常数通常在1000至1500之间,这意味着
它在外加电场下的极化能力非常强。
这也使得PZT-4成为一种优秀
的压电材料,可用于传感器、换能器和压电马达等应用。
其次,PZT-4的压电常数通常在600至750之间,这表明它对
于机械应力的响应非常敏感。
这使得PZT-4在压电传感器和执行器
方面有着广泛的应用,例如压力传感器、声波发生器等。
此外,PZT-4的电机械耦合系数通常在0.6至0.7之间,这意
味着它能够高效地将电能转换为机械能,或者将机械能转换为电能,因此在压电换能器和压电马达中有着重要的应用。
另外,PZT-4的电阻率通常在10^9至10^11Ω·cm之间,这使
得它在一些特定的电学应用中能够表现出良好的绝缘性能。
总的来说,PZT-4作为一种压电陶瓷材料,具有较高的介电常数、压电常数和电机械耦合系数,以及较高的电阻率,这些优秀的电学参数使得它在压电传感器、换能器、压电马达等领域有着广泛的应用前景。
希望这些信息能够对你有所帮助。
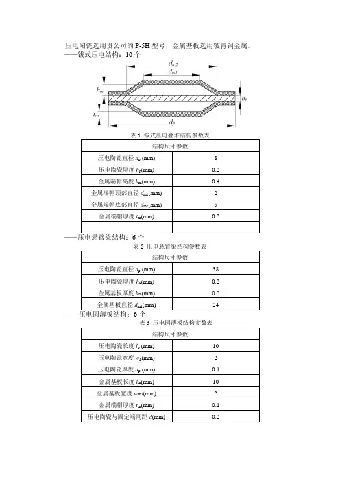
压电陶瓷选用贵公司的P-5H型号,金属基板选用铍青铜金属。
——钹式压电结构:10个
表3 压电圆薄板结构参数表
经过ANSYS 仿真,为与压电结构相匹配,设定弹簧的频率f 为1528Hz 。
弹簧的频率公式为:
f =
频率公式中的12,k k 分别为质量块-弹簧系统两弹簧的刚度系数,两弹簧相同,所以12k k =,0m 为质量块的质量。
弹簧的刚度系数k 的计算表达式:
4
3
2
8F Gd k X nD == 式中n 为弹簧的工作圈数;2D 为弹簧的中径;d 为弹簧材料的直径;G 为弹簧材料的切变模量,一般取值为7.84×104N /mm ;
1、确定质量块的质量0m :分别取1g 、5g
2、确定12,k k 的值:分别为12k k ==46N/mm 、230 N/mm 其余尺寸参数结合压电发电装置整体结构进行确定。
1.1压电材料概述 1.1.1压电效应1880年法国物理学家皮埃尔和雅各居里兄弟在研究石英晶体的物理性质时 发现:当沿着晶片的某些方向施加作用力使晶片发生变形后, 晶片上相对的两个 表面会出现等量的正负电荷,电荷的密度与施加的力的大小有关, 这种现象称为 压电现象,具有压电现象的介质称为压电体。
压电效应反应了晶体的弹性性能与介电性能之间的耦合。
当对压电陶瓷施加一个与极化方向平行的压力F ,如图1.1( a )所示,陶瓷片将产生压缩变形,片 内的正、负束缚电荷之间的距离变小,极化强度也变小。
因此,原来吸附在电极 上的自由电荷,有一部分被释放,片内的正、负电荷之间的距离变大,极化强度 也变大,因此电极上又吸附一部分自由电荷而出现充电现象。
这种由机械效应转变为电效应的现象就是压电效应。
压电效应包括正压电效应和逆压电效应。
如图 所示: 图1.1压电效应示意图:(a )正压电效应(b )负压电效应正压电效应:当压电晶体在外力作用下发生形变时,在它的某些相对应的面 上产生异号电荷,这种没有电场作用,只是由于形变产生的极化现象称为正压电 效应。
逆压电效应:当压电晶体施加一电场时,不仅产生了极化,同时还产生了形 变,这种由电场产生形变的现象称为逆压电效应。
1.1.2压电陶瓷的诞生与发展具有压电效应性能的陶瓷称为压电陶瓷, 1942年美国麻省理工学院绝缘研究室发现,在钛酸钡铁电陶瓷上施加直流高压电场,使其自发极化沿电 场方向择优取第一章绪论向,除去电场后仍能保持一定的剩余极化,使它具有压电效应,从此诞生了压电陶瓷。
钛酸钡(BaTiO s )陶瓷的发现促进了压电材料的发展,它不但使压电材料从一些单晶体材料发展到压电陶瓷等多晶体材料,而且在压电性能上也有了大幅度提高。
当今广泛应用的压电陶瓷是PZT,即Pb Zr,Ti O3压电陶瓷,其压电效应强,稳定性好。
它是由美国学者B.贾菲等人于1954年发现的PbZrO3 - PbTiO3二元系固溶体压电陶瓷,其机械品质因数约为钛酸钡(BaTiO 3)陶瓷的两倍。
摩擦系数━━━━━━━━━━━━━━━━━━━━━━━━摩擦副材料摩擦系数μ无润滑有润滑────────────────────────钢-钢 0.15* 0.1-0.12*0.1 0.05-0.1钢-软钢 0.2 0.1-0.2钢-不淬火的T8 0.15 0.03钢-铸铁 0.2-0.3* 0.05-0.150.16-0.18钢-黄铜 0.19 0.03钢-青铜0.15-0.18 0.1-0.15*0.07钢-铝0.17 0.02钢-轴承合金0.2 0.04钢-夹布胶木0.22 -钢-钢纸0.22 -钢-冰0.027* -0.014石棉基材料-铸铁或钢 0.25-0.40 0.08-0.12皮革-铸铁或钢 0.30-0.50 0.12-0.15材料(硬木)-铸铁或钢 0.20-0.35 0.12-0.16软木-铸铁或钢 0.30-0.50 0.15-0.25钢纸-铸铁或钢 0.30-0.50 0.12-0.17毛毡-铸铁或钢 0.22 0.18软钢-铸铁 0.2*,0.18 0.05-0.15软钢-青铜 0.2*,0.18 0.07-0.15铸铁-铸铁 0.15 0.15-0.160.07-0.12铸铁-青铜 0.28* 0.16*0.15-0.21 0.07-0.15铸铁-皮革0.55*,0.28 0.15*,0.12铸铁-橡皮 0.8 0.5皮革-木料0.4-0.5* -0.03-0.05铜-T8钢0.15 0.03铜-铜0.20 -黄铜-不淬火的T8钢 0.19 0.03黄铜-淬火的T8钢 0.14 0.02黄铜-黄铜 0.17 0.02黄铜-钢 0.30 0.02黄铜-硬橡胶 0.25 -黄铜-石板 0.25 -黄铜-绝缘物 0.27 -青铜-不淬火的T8钢 0.16 -青铜-黄铜 0.16 -青铜-青铜 0.15-0.20 0.04-0.10 青铜-钢0.16 -青铜-夹布胶木0.23 -青铜-钢纸0.24 -青铜-树脂0.21 -青铜-硬橡胶0.36 -青铜-石板0.33 -青铜-绝缘物0.26 -铝-不淬火的T8钢0.18 0.03铝-淬火的T8钢0.17 0.02铝-黄铜0.27 0.02铝-青铜0.22 -铝-钢0.30 0.02铝-夹布胶木0.26 -硅铝合金-夹布胶木 0.34 -硅铝合金-钢纸 0.32 -硅铝合金-树脂 0.28 -硅铝合金-硬橡胶 0.25 -硅铝合金-石板 0.26 -硅铝合金-绝缘物 0.26 -钢-粉末冶金0.35-0.55* -木材-木材0.4-0.6* 0.1*0.2-0.5 0.07-0.10麻绳-木材0.5-0.8* -0.545号淬火钢-聚甲醛0.46 0.016 45号淬火钢-聚碳酸脂0.30 0.03 45号淬火钢-尼龙9(加0.57 0.02 3%MoS2填充料)45号淬火钢-尼龙9(加0.48 0.023 30%玻璃纤维填充物)45号淬火钢-尼龙1010 0.039 - (加30%玻璃纤维填充物)45号淬火钢-尼龙1010 0.07 - (加40%玻璃纤维填充物)45号淬火钢-氯化聚醚0.35 0.034 45号淬火钢-苯乙烯0.35-0.46 0.018-丁二烯-丙烯腈共聚体(ABS)━━━━━━━━━━━━━━━━━━━━━━━━注:1.表中滑动摩擦系数是试验数值,只能作为近似计算参考.2.表中带"*"者为静摩擦系数.各种工程用塑料的摩擦系数━━━━━━━━━━━━━━━━━━━━━━━━━━下试样上试样(钢) 上试样(塑料)静摩擦动摩擦静摩擦动摩擦(塑料) 系数μs系数μk系数μs系数μk──────────────────────────聚四氟乙烯0.10 0.05 0.04 0.04聚全氟乙丙烯0.25 0.18 - -低密度聚乙烯0.27 0.26 0.33 0.33高密度聚乙烯0.18 0.08-0.12 0.12 0.11聚甲醛0.14 0.13 - -聚偏二氟乙烯0.33 0.25 - -聚碳酸酯0.60 0.53 - -聚苯二甲酸乙0.29 0.28 0.27* 0.20*二醇酯聚酰胺(尼龙66) 0.37 0.34 0.42* 0.35*聚三氟氯乙烯0.45* 0.33* 0.43* 0.32*聚氯乙烯0.45* 0.40* 0.50* 0.40*聚偏二氯乙烯0.68* 0.45* 0.90* 0.52*━━━━━━━━━━━━━━━━━━━━━━━━━━注:*表示粘滑运动.常用材料的滚动摩擦系数━━━━━━━━━━━━━━━━━━━━摩擦副材料滚动摩擦系数k,cm────────────────────淬火钢-淬火钢0.001铸铁-铸铁0.05木材-钢0.03-0.04木材-木材0.05-0.08铁或钢质车轮-木面0.15-0.25钢质车轮-钢轨 0.05━━━━━━━━━━━━━━━━━━━━注:表中滚动摩擦系数是试验值,只能作近似参考.材料弹性模量及泊松比━━━━━━━━━━━━━━━━━━━━━━━━━名称弹性模量E 切变模量G 泊松比μGPa GPa─────────────────────────镍铬钢 206 79.38 0.25-0.30合金钢 206 79.38 0.25-0.30碳钢 196-206 79 0.24-0.28 铸钢 172-202 0.3球墨铸铁 140-154 73-76 0.23-0.27 灰铸铁 113-157 44 0.23-0.27 白口铸铁 113-157 44 0.23-0.27 冷拔纯铜 127 48轧制磷青铜 113 41 0.32-0.35 轧制纯铜 108 39 0.31-0.34轧制锰青铜 108 39 0.35铸铝青铜 103 41冷拔黄铜 89-97 34-36 0.32-0.42 轧制锌 82 31 0.27硬铝合金 70 26轧制铝 68 25-26 0.32-0.36铅 17 7 0.42玻璃 55 22 0.25混凝土 14-23 4.9-15.7 0.1-0.18 纵纹木材 9.8-12 0.5横纹木材 0.5-0.98 0.44-0.64橡胶 0.00784 0.47电木 1.96-2.94 0.69-2.06 0.35-0.38 尼龙 28.3 10.1 0.4可锻铸铁 152拔制铝线 69大理石 55花岗石 48石灰石 41尼龙1010 10.7夹布酚醛塑料4-8.8石棉酚醛塑料 1.3高压聚乙烯0.15-0.25低压聚乙烯0.49-0.78聚丙烯 1.32-1.42。
压电陶瓷材料测试需要知道的13个基本参数压电陶瓷材料是一种具有压电效应的材料,能够在外加电场或机械应力的作用下产生电荷分离效应。
因此,测试压电陶瓷材料的基本参数是非常重要的,这些参数可以用来评估材料的性能和用途。
以下是测试压电陶瓷材料常用的13个基本参数。
1.电阻:电阻是指材料对电流的阻碍程度。
测试电阻可以了解材料的导电性能和内部结构。
2.电容:电容是指材料对储存电荷的能力。
测试材料的电容可以了解其在电场下的响应能力。
3.线性压电系数:线性压电系数是指材料在外加应力下产生的电荷与应力之间的比例关系。
测试线性压电系数可以了解材料的压电性能。
4.介电常数:介电常数是指材料在电场下的电容性能。
测试介电常数可以了解材料的储存和释放电荷的能力。
5.机械弹性模量:机械弹性模量是指材料在单位应力下的应变程度。
测试机械弹性模量可以了解材料在外力下的变形性能。
6.导电性:导电性是指材料对电流的传输性能。
测试导电性可以评估材料的导电能力。
7.相对介电常数:相对介电常数是指材料在电场中的电容性能相对于真空的比例关系。
测试相对介电常数可以了解材料对电场的响应能力。
8.环境温度:环境温度是指材料所处环境的温度。
测试环境温度可以了解材料在不同温度下的性能。
9.硬度:硬度是指材料对外力的抵抗能力。
测试硬度可以评估材料的耐磨性和耐压性能。
10.热膨胀系数:热膨胀系数是指材料随温度变化时的尺寸变化率。
测试热膨胀系数可以了解材料在温度变化时的稳定性。
11.耐压强度:耐压强度是指材料在单位面积下能够承受的最大压力。
测试耐压强度可以评估材料的抗压性能。
12.自由震荡频率:自由震荡频率是指材料在无外界激励下自然振动的频率。
测试自由震荡频率可以了解材料的振动特性。
13.力学损耗因子:力学损耗因子是指材料在振动或应力下的能量损耗程度。
测试力学损耗因子可以评估材料的能量耗散性能。
以上是测试压电陶瓷材料常用的13个基本参数。
通过测试这些参数,可以了解材料的电性能、机械性能和热性能等方面,为材料的研究和应用提供重要参考。
压电陶瓷材料的性能测试和应用研究压电陶瓷材料:性能测试和应用研究概述压电陶瓷材料是一种具有压电效应的陶瓷材料,原理是在外加电场作用下会产生形变,反之,在受到机械应力的作用下也会产生电荷的积累。
由于其天然抗腐蚀性和高耐磨性,在众多领域都有广泛的应用,如声波传感器、压力传感器、可调谐滤波器等。
性能测试压电陶瓷材料的性能测试主要包括压电性能、介电性能、机械性能等。
压电性能是评估压电陶瓷材料性能的最重要指标之一,是描述材料能量转换效率的指标。
常用的压电系数包括短路压电系数$d_33$,开路压电系数$d_31$等。
在测试中,通常使用震荡器和电荷放大器来测量,通过调节频率和电极间距来测量压电系数。
介电性能是指压电材料在电场下的电容率和损耗因子。
在实际应用中,学者和工程师会考虑介电响应时间和介电滞后等因素。
介电性能的主要测试方法是测试材料的电容量和介电损耗,通过调整电源电压和频率来改变测试条件。
除了压电性能和介电性能外,机械性能也是评估压电陶瓷材料质量的一个关键指标,包括材料的硬度、弹性模量、磨损和断裂韧性等。
硬度测试通常使用维氏硬度计,磨损测试可使用磨损试验机,断裂韧性则可通过在试样上施加负载来测试材料的压缩、拉伸和弯曲分别使用。
应用研究压电陶瓷材料在许多领域中都有广泛的应用,如声波传感器、可调谐滤波器和振动器等。
下面将重点介绍它们在可调谐滤波器和声波传感器上的应用。
压电陶瓷材料的可调谐滤波器在移动通信、军事等领域中有重要的应用。
可调谐滤波器的主要作用是帮助减少选频器中的失真,它可以自动调整石英谐振器,帮助减小干扰和降低噪音水平。
当前,在移动电话和移动网络中普遍采用压电陶瓷材料制成的可调谐谐振器。
压电陶瓷材料在声波传感器,无线感应器和控制器等领域中同样有广泛的应用。
声波传感器通常使用压电陶瓷制成,以提高传感器的性能,同时还可以在多频段中工作。
压电材料的应力和变形可以被电极捕获并检测,以便测量气体、液体或固体的速度。
压电陶瓷常会涉及以下五个基本机电耦合系数:
1.平面机电耦合系数K P:反映薄圆片沿厚度方向极化和电激励,作径向伸缩振动时机电耦合效应的参数。
2.横向机电耦合系数K31:反映细长条沿厚度方向极化和电激励,作长度伸缩振动的机电耦合效应的参数。
3.纵向机电耦合系数K33:反映细棒沿长度方向极化和电激励,作长度伸缩振动的机电耦合效应的参数。
4.厚度伸缩机电耦合系数K T:反映薄片沿厚度方向极化和电激励,作厚度方向伸缩振动的机电效应的参数。
5.厚度切变机电耦合系数K15:反映矩形板沿长度方向极化,激励电场的方向垂直于极化方向,作厚度切变振动时机电耦合效应的参数。
压电陶瓷性能参数解析压电陶瓷是一种应用广泛的功能陶瓷材料,具有优异的压电性能。
压电陶瓷的性能参数对于材料的应用和设计具有重要的参考意义。
本文将对压电陶瓷的几个重要性能参数进行解析,并分析其对材料性能的影响。
1.压电系数压电系数是衡量压电陶瓷材料压电效应强弱的一个重要参数。
它表示了材料在受到外界应力或电场刺激下的压电响应程度。
压电系数通常分为压电应力系数d和压电电比系数g两种。
其中,d系数表示了材料在受到外力压紧时输出的电荷量与应力之间的关系,而g系数表示了材料在受到外电场刺激时输出电荷的量与电场强度之间的关系。
2.介电常数介电常数是指材料在外电场刺激下的电介质性能。
它反映了材料对电磁波的介质响应能力。
介电常数由静电介电常数ε和介电损耗tanδ两个参数组成。
静电介电常数ε表示了材料在频率趋近于零时的介电性能,而介电损耗tanδ则表示了材料在外电场作用下存在的能量损耗。
3.压电谐振频率和机械品质因数压电谐振频率是指压电元件在应用于谐振电路时的共振频率。
它是由压电材料的物理性质和结构参数共同决定的。
机械品质因数则是衡量压电元件在谐振电路中信号传输的能力和能量损耗的一个参数。
较高的机械品质因数意味着能够更有效地将能量传输给压电材料。
4.矢量磁导率矢量磁导率是压电陶瓷材料对磁场的响应能力。
它由静磁导率和磁导率损耗θ两个参数组成。
静磁导率描述了材料对磁场的响应能力,而磁导率损耗θ则表示了材料在外磁场作用下存在的能量损耗。
这些性能参数对于压电陶瓷材料的应用具有重要的影响。
例如,较高的压电系数和介电常数意味着材料具有更强的压电效应和介电性能,适用于压电传感器和电控驱动器件等领域。
而较高的压电谐振频率和机械品质因数则意味着材料能够更好地应用于高频谐振器和滤波器等器件。
另外,矢量磁导率的大小对于磁声换能器和磁传感器的性能也有着重要的影响。
总之,了解和解析压电陶瓷的性能参数对于材料的选择和应用具有重要的意义。
不同性能参数的大小和综合能力决定了压电陶瓷的功能和应用范围。
压电陶瓷的性能
_xhj整理,2005.5.21
摘自《水声材料手册》王荣津等编,科学出版社,1983
指标缩减:IEEE标准,即11,22,33,23,31,12--1,2,3,4,5,6
材料系数PZT-4PZT-5APZT-5HPAT-6APZT-6BPZT-7APZT-8
k
p
0.580.60.650.420.250.510.5
k
31
0.330.340.390.250.1450.30.3
k
33
0.70.7050.750.540.3750.660.62
k
15
0.710.8850.6750.3770.67
k
t
0.510.490.510.390.30.50.44
εT33/ε
o
13001700340010504604251000
εS33/ε
o
6358301470730386235600
εT11/ε
o
147517303130475840
εS11/ε
o
730*9161700407460
d33(10-12C/N)
28937459318971150218
d
31
-123-171-274-80-27-60-93
d
15
496584741130362
g33(10-3v.m/N)
26.124.8
g
31
-11.1-11.4
g
15
39.438.2
e33(c/m2)
15.115.823.312.57.19.5
e
31
-5.2-5.4-6.5-0.9-2.1
e
15
12.712.3174.69.2
h33(108v/m)
26.821.5
h
31
-9.2-7.3
h
15
19.715.2
SE11(10-12m2/N)
12.316.416.510.7910.7
S
E
33
15.518.820.7139.3513.9
S
E
12
-4.05-5.74
S
E
13
-5.31-7.22
S
E
44
3947.543.528.239.5
S
E
66
32.744.342.627.82427.829.6
S
D
11
10.914.414.110.18.89.710.1
S
D
33
7.99.468.999.28.057.858.5
S
D
12
-5.42-7.71
S
D
13
-2.1-2.89
S
D
44
19.325.223.724.221.8
CE11(1010N/m2)
13.912.112.616.814.8
C
E
12
7.787.54
C
E
13
7.437.52
C
E
33
11.511.111.713.116.313.1
C
E
44
2.562.11
C
E
66
3.062.26
C
D
11
14.512.61316.915.7
C
D
12
8.39
C
D
13
6.096.52
C
D
33
15.914.715.715.517.717.5
C
D
44
5.183.97
Q
M
500756545013006001000
Q
E
25050505011060250
N1(Hz.m)
1650140014201770192017501700
N
3t
200018902000214022252100
V
D
3
460043504560457048204800
V
D
4
26302260237523402490
TC(℃)
328365193335~350~350300
ρ(103kg/m37.57.757.57.457.557.67.6
比热容(J/kg.k)
420420420420420420420
热导率(w/m.k)
2.11.51.52.12.12.12.1
*注:原书370,这里改为730
PZT-2BaTiO3Pb2Nb2O6Pb0.6Ba0.4Nb2O6Na0.5K0.5NbO3PbTiO
3
0.470.360.070.380.460.096
0.280.210.0540.220.270.06
0.630.50.380.550.6050.48
0.70.480.6450.34
0.510.380.370.460.43
45017002251500496190
2601260306150
9901450938240
5041115545210
1521908522012756
-60-78-9-90-51-6.8
44026030668
12.642.516.52933
-5.2-4.5-6.8-11.6-4.1
20.236.932
917.59.8
-1.9-4.35
9.811.4
15.6
-3.9
11.5
11.69.111.58.27.7
14.89.525.410.18.2
-2.7-1.7
-2.9-1.2
4522.827.119
29.923.619
10.78.710.97.67.6
97.121.86.46.3
-3-1.7
-1.9-1
22.917.515.517
13.515
6.6
6.6
11.314.613
4.4
4.3
13.615
6.8
5.7
14.817.116
5.7
680300112502401050
20010010010070125
16802200191525702070
200025202120
441054704240
240031602700
370115570260420460
7.65.765.94.467.72
420500
2.13.5