导线绝缘子串参数大全
- 格式:xls
- 大小:30.00 KB
- 文档页数:4
10KV架空绝缘导线技术局部10KV 架空绝缘导线投标书〔技术局部〕1.总则1.1投标需知1.1.1 我公司认真阅读招标书,我公司提供的产品满足标书提出的要求。
1.1.2 我公司以书面的形式对招标书全部条款作出应答。
1.1.3 招标书的技术指标与投标书响应的技术指标不一致时,按两者之间较高的执行。
1.1.4 招标书经我厂书面确认后,成为订货合同的技术附件,与合同正文具有等同的法律效力。
1.2我公司提供的文件1.2.1 型式试验报告见附表1.2.2 省级以上的产品鉴定证书,见附表1.2.3 质量体系认证证书,见附表1.2.4 运行业绩,见附表1.2.5 产品的构造图和构造尺寸图,见本条款41.2.6 差异表,见附表1.2.7 生产设备和试验仪器,见下表:GB14049-93 额定电压10KV、35KV架空绝缘电缆3. 使用条件3.1 运行条件3.1.1 系统标称电压和频率: 10KV、50HZ3.1.2 系统最高运行电压: 12KV3.1.3 系统接地方式:中性点不接地系统,单相接地时允许持续运行8小时。
3.2 环境条件3.2.1 环境温度:-10℃--+45℃3.3 敷设条件架空敷设。
3.4 运行要求3.4.1 电缆导体的最高额定温度为90℃。
3.4.2 短路时电缆导体的最高温度不超过250℃。
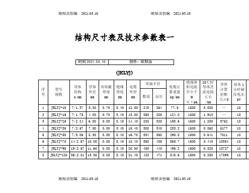
3.4.3 短路时间不超过5秒4. 技术要求(1)产品的构造图导体屏蔽绝缘(2)构造尺寸表及技术参数表构造尺寸表及技术参数表一〔JKLYJ〕构造尺寸表及技术参数表二. z.〔JKYJ〕构造尺寸表及技术参数表三. z.构造尺寸表及技术参数表四〔JKLYJ/Q〕. z.构造尺寸表及技术参数表五. z.构造尺寸表及技术参数表六. z.. z.-4.1 导体导体的生产在500型框绞机上进展,采用拉模分层紧压。
导体外表应光洁、无油污、无损伤屏蔽及绝缘的毛刺、锐边。
无凸起或断裂的单线。
导体应为圆形单线绞合紧压导线,紧压系数不小于0.9. 铜导体材料应为无氧铜杆。
盘形悬式玻璃绝缘子u70bp/146一、u70bp/146盘形悬式玻璃绝缘子概述用来支持导线并使其绝缘的器件称为绝缘子。
河间市天恒电力器材有限公司该绝缘子器件由玻璃制成,称为玻璃绝缘子;目前用在线路中最广泛的是钢化玻璃绝缘子。
主要是用来将导线固定在电杆等,并使导线与电杆等绝缘。
绝缘子是高压输电线路的关键部件之一,其性能优劣直接影响到整条输电线路的运行安全。
玻璃绝缘子因为零值自破、容易维护等特点而得到广泛应用。
二、盘形悬式玻璃绝缘子含义:u70bp/146盘形悬式玻璃绝缘子产品主要由:型号;名称,电压,电流,额定短路开断电流,尺寸,证书,质保。
四、盘形悬式玻璃绝缘子使用条件:1.适用于户内、外;2.环境温度-40℃~+40℃;3.海拔高度不超过3000m(瓷套式不超过1000m);4.电源频率不小于48Hz、不超过62 Hz;5.长期施加在盘形悬式玻璃绝缘子端子间的工频电压不超过盘形悬式玻璃绝缘子的持续运行电压;6.地震烈度8度及以下地区;7.大风速不超过35m/s。
8.盘形悬式玻璃绝缘子保护发电厂、变电站的交流电气设备免受大气过电压和操作电压的损坏。
盘形悬式玻璃绝缘子是变电站被保护设备免遭雷电冲击波袭击的设备。
盘形悬式玻璃绝缘子测量电流是否超过电动机的额定电流值,调整整定电流值。
电动机运行时过载,热继电器的辅助头,常闭点断开,常开点闭合的特性进行保护。
在继电控制中把常闭点与停止按钮串入,过载时停止电动机运行,并给出报警信号。
五、盘形悬式玻璃绝缘子选型用户可根据被保护对象选用不同型号的盘形悬式玻璃绝缘子,对使用场所的不同可选用防污型和高原型。
为满足市场的需求我厂可根据用户的要求设计各种非标产品。
绝缘子一般由绝缘体,金属附件和胶合剂三部分组成。
绝缘体主要起绝缘作用,制造绝缘体的材料目前广泛应用的是瓷,其次是钢化玻璃以及有机绝缘材料。
用电瓷制造高压输电用的绝缘子具有以下优良的性能:绝缘性能好,机械强度高,耐冷热急变性能强,和有机绝缘材料相比不易老化,在机械负荷的长期作用下不会产生永久的变形。
此外,原料来源广,成本低。
缺点是:脆性大,冲击强度小,瓷件机械加工困难,不易制成尺寸精确的制品。
目前我国电瓷工业就产品种类而言具有以下几个系列:高低压输电线路用的盘形悬式绝缘子,横担绝缘子,实心棒形支柱绝缘子以及各种大型电站设备用的空心瓷套和电容式瓷套管等。
绝缘子的制造工艺流程:泥料准备,形成,干燥,烧成和装配泥料准备包括:原料验收→选料粉碎→配料→湿碾→球磨→过筛除铁→泥浆→脱水→泥饼→真空练泥→泥段形成阶段包括:泥段→湿修湿接→车修成形→旋坯成形→钢丝刀成形→热压成形→冷压成形干燥,烧成和装配阶段包括:干燥→坯件→检查→上釉→烧成→瓷件→检查→切割研磨→装配→成品检查绝缘子分为哪些种类?答:绝缘子种类很多,主要有:悬式绝缘子(输电线路和变电站构架上常用绝缘子),针式绝缘子(6-10kV 配电线路常用绝缘子),棒形绝缘子(变电站支持绝缘子及合成绝缘子),瓷横担以及蝶式、拉紧式绝缘子和架空地线专用绝缘子等。
输电线路对绝缘子有哪些要求?答:(1)有良好的绝缘性能,能承受长期工作电压和短暂的各种过电压作用而不会发生放电现象。
(2)有足够的机械强度,能承受导线的自重、覆冰重量、风压力等各种力的作用而不致损坏。
(3)有可靠的热稳定性能,能承受气温变化的影响(如雨、雪、霜、高温、雷电等)。
有良好的防污性能:能承受恶劣环境污染的影响。
(4)有良好的防污性能:能承受恶劣环境污染的影响。
产品分类:1.架空输电线路用盘形悬式瓷绝缘子本公司输电线路用盘形悬式瓷绝缘子已具有60余年的历史,产品的规格型号较齐全,涵盖GB、IEC、ANSI、BS、AS等多个标准。
220kV 架空输电线路复合绝缘子配置的探讨【摘要】架空输电线路是电网稳定运行的重要组成部分,电网工程中220kV高压输电线路多采用复合绝缘子,若过分提高绝缘配置,则造成电网经济性降低,应根据工程实际合理选择绝缘水平。
本文从爬电比距原理分析,对220kV架空输电线路工频电压、操作过电压、雷电过电压等稳态及暂态下绝缘配置进行研究,并结合实际工程进行绝缘子选型。
【关键词】工频电压,操作过电压,统一爬电比距,绝缘配合0引言220kV高压输电线路在电力系统中的地位重要,一旦发生绝缘降低、设备闪络,将发生系统短路故障,严重时造成停电事故,影响整个电网的安全、稳定运行,对国民经济造成巨大损失。
复合绝缘子配置需在架空输电线路工频电压、操作过电压、雷电过电压等各种条件下保证可靠性。
1统一爬电比距绝缘子的爬电比距和线路沿线地区污秽等级有关,污秽等级分为五个等级,统一将现场污秽度从很轻到很重分为5个等级:a级—很轻污秽、b级—轻污秽、c级—中等污秽、d级—重污秽和e级—很重污秽。
统一爬电比距(USCD)概的定义为绝缘子爬电距离与绝缘子两端最高运行电压(对于交流系统,为最高相电压)之比;爬电比距(SCD)的定义为绝缘子爬电距离与系统标称运行电压(对于交流系统,为线电压)之比。
河南某220kV架空线路根据污区分布及线路运行经验,污秽等级按e级下限考虑,统一爬电比距取48.1mm/kV ,对应《110kV~750kV架空输电线路设计规范》(GB 50545 - 2010)中的32mm/kV。
2工频电压绝缘配合复合绝缘子串应满足工频电压要求,依据爬电比距法,由工频电压爬电距离所确定的线路每串绝缘子片数应符合下式要求:(1)式中:—每串绝缘子片数;—最高相电压,kV;—统一爬电比距,mm/kV;—每片悬式绝缘子的几何爬电距离,mm;—绝缘子爬电距离的有效系数。
河南某220kV架空线路采用2×JL3/G1A-630/45钢芯铝绞线,悬垂串采用160kN复合绝缘子;耐张串采用双联210kN复合绝缘子;跳线串采用120kN复合绝缘子。
总组装长度(总重量(kg)总受风面积(机械强度(N)用于直线序号电压等级(kV绝缘子串代号11010月2日-0.811.50.170000否21010月1日-0.20.50.0770000是310XP-70-0.49219.50.0756500否410PSQ-15T-0.36514.50.03563000是510LXP-70-0.49217.70.0756500否635FXBW-35/70-0.6840.1570000是735FXBW-35/70-0.6840.1570000否835FXBW4-35/70140.270000是93535XC0.80315.360.1270000是103535SXC 1.01336.930.2170000是113535XC-H0.9417.860.15100000是123535SXC-H 1.18621.140.3100000是133535NZ0.81921.830.1570000否143535NZ-H 1.0958.780.15100000否153535SNZ 1.20450.970.2770000否163535SNZ-H 1.3624.480.3100000否1735XWP2-35/100 1.7342100000否183535-DZ1 1.20438.980.27100000是193535-DZ2 1.20438.340.27100000是203535-DT 1.20450.650.27100000否213535-DN 1.20447.010.27100000否223535/150LS-030.86428.80.2270000否233535/150LS-04 1.0134.30.2270000否243535/150LS-10 1.27963.50.22100000否253535/150XC-070.88525.60.2270000是263535/150XC-080.8526.10.2270000是273535/150XC-250.96946.70.22100000是283535/150XC-260.97946.10.22100000是293535/240LSL-0 1.05537.30.2270000否303535/240LSL-00.9336.80.2270000否313535/240LS-05 1.0937.10.2270000否323535/240LS-06 1.0136.80.2270000否333535/240LS-10 1.279660.22100000否343535/240XC-050.89326.80.2270000是353535/240XC-060.89326.60.2270000是363535/240XC-250.97748.70.22100000是373535/240XC-260.98748.10.22100000是38110110-DZ1 1.4238.980.3100000是39110110-DZ2 1.4238.340.3100000是40110110-DT 1.4250.650.3100000否41110110-DN 1.4247.010.3100000否42110NH-03 2.1529.970.3140000否43110NH-04 2.52533.080.3140000否44110ZH-05 1.72739.010.3140000是45110ZH-06 1.81240.090.3140000是46110NH-01 1.84513.470.370000否47110NH-02 2.23516.590.370000否48110LXY-70 1.4533.020.1776100000是49110XP-7 2.681.7710.396100000否50110XP-83167.560.466100000否51110NP-03 2.02469.430.3140000否52110NP-04 2.39972.540.3140000否53110ZVH01 1.75729.90.3140000是54110NP-01 1.71960.390.370000否55110NP-02 2.10957.270.370000否56110ZP-05 1.445106.210.25140000是57110ZP-06 1.54107.290.25140000是58110ZP-03 1.6999.740.3140000是59110ZP-04 1.71899.510.3140000是60110ZP-01 1.44554.990.370000是61110ZP-02 1.5455.530.2570000是62110ZH-03 1.96244.740.3140000是63110ZH-04 1.98744.510.3140000是64110ZW-03 1.69124.740.3140000是65110ZW-04 1.718124.510.3140000是66110ZW-01 1.44561.390.2570000是67110ZW-02 1.5461.930.2570000是68110NW-01 1.71976.170.370000否69110NW-02 2.10979.290.370000否70110NW-03 2.024121.170.3140000否71110NW-04 2.399123.680.3140000否72110ZW-05 1.445101.410.25140000是73110ZW-06 1.54102.490.25140000是74110ZH-01 1.71721.390.370000是75110ZH-02 1.81221.930.370000是76110110XC 1.2833.720.24100000是77110110SXC 1.48773.650.45100000是78110110NZ 1.4241.910.27100000否79110110SNZ 1.84888.730.51100000否80110110-jy2*70N 2.265700.6100000否81110110-jy2*70Z 1.972800.6100000是82110110-jy70N 2.116400.370000否83110110-jy70Z 1.759430.3370000是84110FXBW-110/10 1.2460.22100000是85110FXBW-110/10 1.2460.22100000否86110FXBW1-110/1 1.68511.110.22100000否87110FXBW2-110/1 1.7511.20.22100000是88110FXBW4-110/1 1.680.25100000是89110FXBW4-110/7 1.680.2570000是90110XWP2-110/10 2.471.63 2.5100000否91110XWP-70 1.859.490.470000是92110XWP-100 1.87561.580.4100000否93110悬垂串 1.55748.640.2570000是94110耐张串 1.65576.760.3100000否95220ZH-01 3.073110.580.5170000是96220ZH-02 3.073221.2 1.02140000是97220ZV1 3.636215.8 1.02100000是98220ZV2 3.041137.140.68100000是99220NH-01 3.4219.73 1.02140000否100220NH-02 3.725233.79 1.02140000否101220SXV1 3.111221.38 1.02100000是102220NV1 3.162115.010.54100000否103220NV2 3.162149.010.72100000否104220BZ50-700.19860.0370000是105220BN50-700.3220.0170000否106220220-jy100Z 3.187740.51100000是107220220-jy2*100 3.562143 1.02200000是108220220-jy2*160 3.912226.8 1.08300000否109220220-jy2*70N 3.7130 1.08100000否110220XV1 3.041105.140.51100000是111220XV2 3.041137.140.68100000是112220SXV3 3.111285.38 1.36100000是113220VXV1 3.038199.71 1.02100000是114220VXV2 3.038248.91 1.28100000是115220VXV3 3.129225.71 1.02100000是116220VXV4 3.129274.91 1.28100000是117220SNV3 3.742320.31 1.44250000否118220SNV4 3.742252.31 1.08250000否119220TH7 2.89982.710.5470000否120220TH8 2.753134.710.6870000否121220TH5 2.877186.55 1.0870000否122220TH6 2.731290.55 1.3670000否123220XD1 2.374.150.4270000是124220XD2 2.374.40.4270000是125220XD3 2.371.50.4270000是126220ND1 2.574.20.4270000否127220ND2 2.7154.480.4270000否128220CC1 1.64347.030.18100000否129220CC2 1.82847.030.18100000否130220FXBW4-220/1 2.5110.3100000是131220XWP2-220/1042583100000否132220fgzd16 1.46535.530.1776100000是133220Z-01-10 2.8364.80.1776100000是134220ZG40-01-10 2.93734.20.1776100000是135220NS-01-16 3.5649.810.1776160000否136220NS-02-21 3.5649.810.1776210000否137220S1ZB-01-07 2.66562.720.4370000是138220S1ZB-02-07 2.88563.940.4370000是139220S2NB-01-10 3.419190.570.69100000否140220S2NB-02-10 3.565201.170.69100000否141330330-ZX1 3.81250.7100000是142330330-NZ1 4.5250 1.3320000否143330330-ZX1 3.81250.7100000是144330330-NZ1 4.5250 1.3320000否14533060-S589S-D0 4.5250 1.3320000否。