避雷器在线监测装置概述
- 格式:doc
- 大小:2.99 MB
- 文档页数:8
《避雷器状态监测装置(避雷器全电流在线监测单元)
技术规范书》
编制说明
1工作过程及团队
1.1 技术规范书编制工作过程
2023年3月~4月,完成避雷器状态监测装置技术规范书(通用部分)涉及到避雷器全电流在线监测单元部分的编制工作;2023年5月~6月,完成专用部分中工程概述、设备设备详细技术编制工作;2023年7月~9月,完成专用部分中投标方技术偏差、设计图纸提交要求编制工作。
1.2 参编单位及工作组成员
本标准主编单位:xxxx
本标准主要起草人:xxxx
2主要编制内容
新编技术规范书,系统功能:在线监测无间隙避雷器的全电流、动作次数,动作时刻,定时自动监测,数据上传到后台,适用于仅需监测全电流和动作次数的需求。
3 代替或废止现行企业标准的建议
新增。
4 其他说明
无。
1/ 1。
电气设备防雷装置防雷检测及运行维护电气设备防雷装置是保护设备免受雷击侵害的重要装置,具有防护和维护安全运行的功能。
为了确保电气设备防雷装置的有效运行,需要进行定期的防雷检测和运行维护工作。
本文将介绍电气设备防雷装置防雷检测和运行维护的相关内容。
一、防雷检测工作1. 雷电活动监测对于处于雷区的电气设备,需要安装雷电活动监测装置,对周围的雷电活动进行实时监测。
可采用雷电电场实时监测系统,对雷云、闪电和大气电位进行监测,实时获取雷电活动的信息。
2. 防雷装置绝缘检测电气设备防雷装置的绝缘性能是其是否能正常运行的重要指标。
定期进行绝缘检测,可以及时发现防雷装置绝缘性能的变化情况,做出相应的处理措施。
常用的绝缘检测方法包括绝缘电阻测量和介质损耗测量。
防雷装置的引下能力是其保护设备的关键。
定期进行引下测试,可以验证防雷装置的引下性能是否符合要求。
测试方法可以采用模拟雷击或真实雷击进行,通过测试结果评估防雷装置的引下能力。
防雷装置的接地系统是其正常工作的基础,需要对其接地电阻进行定期检测。
采用万用表或接地电阻仪对接地电阻进行测量,以确保接地系统的质量满足要求。
定期对防雷装置的工作状态进行检测,包括雷电击中次数、引下线圈状态、避雷母线状态等。
通过检测结果,判断防雷装置是否需要维修或更换。
二、运行维护工作1. 防雷装置的日常巡视定期对防雷装置进行日常巡视工作,主要包括观察引下线圈是否存在断丝、断裂、褪色等情况,检查避雷母线是否有锈蚀、腐蚀等现象。
对于发现的问题,及时处理或更换零部件。
定期对防雷装置进行清洁工作,除去表面的灰尘、污垢,保持装置的良好外观和导电性能。
清洁时要注意安全,避免对装置造成损坏。
3. 防雷装置的保养工作定期对防雷装置进行保养工作,包括涂抹防腐涂层、重新固定松动的零部件、检查连接螺栓是否松动等。
保养时要采用合适的工具和方法,确保操作的安全性。
当防雷装置存在故障或技术性能不符合要求时,需要进行维修或更换。
避雷器阻性泄漏电流检测仪说明书由于输入输出端子、测试柱等均有可能带电压,您在插拔测试线、电源插座时,会产生电火花,小心电击,避免触电危险,注意人身安全!安全要求请阅读下列安全注意事项,以免人身伤害,为了避免可能发生的危险,只可在规定的范围内使用。
只有合格的技术人员才可执行维修。
—防止火灾或人身伤害使用适当的电源线。
只可使用专用并且符合规格的电源线。
正确地连接和断开。
当测试导线与带电端子连接时,请勿随意连接或断开测试导线。
注意所有终端的额定值。
为了防止火灾或电击危险,请注意所有额定值和标记。
在进行连接之前,请阅读使用说明书,以便进一步了解有关额定值的信息。
使用适当的保险丝。
只可使用符合规定类型和额定值的保险丝。
避免接触裸露电路和带电金属。
有电时,请勿触摸裸露的接点和部位。
请勿在潮湿环境下操作。
请勿在易爆环境中操作。
-安全术语警告:警告字句指出可能造成人身伤亡的状况或做法。
目录一、概述 (5)二、仪器面板结构图 (5)三、主要技术指标 (5)四、接线图 (6)五、仪器的操作 (7)六、测量原理和数据分析 (9)七、注意事项 (11)一、概述:氧化锌避雷器测试仪用于氧化锌[MOA] 泄漏电流的测量分析。
主要是用于测量阻性电流,从而分析氧化锌老化和受潮的程度。
现场带电测试符合中华人民共和国电力行业标准《DL474.5—92现场绝缘试验实施导则—避雷器试验》的要术。
也可用于实验室做出厂和验收试验。
二、仪器面板结构图: 返回复位确认开关液晶显示器打印机测量接地IX全电流输入UREF参考电压输入AC220V对比度三、主要技术指标:参考电压输入范围(峰值): 10-400V全泄漏电流测量范围(峰值): 0-10mA阻性电流测量范围(峰值): 0-10mA容性电流测量范围(峰值): 0-10mA角度测量范围: 0°-360°功耗: 4W系统测量准确度: ±(读数⨯5% + 5个字)交流电源: AC 220V ±10%,50Hz ±1% 内附直流电池: DC 12V 2A四、接线图:1. 实验室接线图~220V 测量绕组避雷器电流输入电压输入电流输入避雷器测试仪保护器图2本方法需配可调交流高压电源,电压信号输入接到试验变压器的测量仪表端,氧化锌避雷器一端接高压,另一端经一保护器接地,与仪器的地在联接在一起。
避雷器在线监测传感器技术领域本发明属于防雷器件技术领域,具体是一种避雷器在线监测传感器。
背景技术现有的避雷器漏电流传感器采用光纤传输数据时,采用电压信号传输的方式,传输的电压信号和漏电流成比例,由于信号幅值不恒定,存在传输距离短、效率低等问题。
同时,现有的电子式避雷器漏电流传感器一般采用外供电源方式,外供电源方式当雷电进入时会有被打坏的可能;采用电池供电时,由于电池有一定寿命,需要定时更换。
发明内容本发明所要解决的技术问题在于提供一种适合光纤传输的,达到一定距离、一定效率、无需外供电源的避雷器漏电流传感器。
为实现上述目的,本发明通过以下技术方案来实现:一种避雷器漏电流传感器,包括全电流回路输入接口IN+/IN-、自取电源电路、漏电流取样电路、精密积分电路、电压比较电路和电光转换器;所述自取电源电路直接和输入接口IN+和IN-相连,串接在全电流回路中,IN+和IN-之间没有电流即避雷器没有漏电流时,不产生电源,有漏电流时,有电源电压;所述漏电流取样电路的取样电阻串接在全电流回路中;所述取样电阻的电流经精密积分电路后作为电压比较电路的一个输入端电压,电压比较电路的电源连接自取电源电路的输出电源;电压比较器的输出端经过驱动电路连接光电转换器的输入端。
是所述自取电源电路的核心电路包括串接的精密稳压管Q 1和Q 2;Q 2的阴极通过电阻连接IN+,Q 1的阳极连接IN-,取样电阻串接在Q 1的阳极连接IN-之间;Q 2的阴极端为自取电源电路的输出电源端。
所述精密积分电路包括精密电阻R 3、精密可调电阻R 4、比较器和电容C 5;所述R 3和R 4并联后连接在比较器的反相输入端与IN-之间;比较器的同相输入端连接在Q 1阳极端;C 5连接在比较器的反相输入端与输出端之间。
所述电压比较电路包括运算放大器U 1B ,U 1B 的反相输入端连接在Q 2的阳极端,U 1B 的同相输入端连接比较器的输出端,U 1B 的输出端即为电压比较电路的输出端。
避雷器在线监测电流标准一、监测范围避雷器在线监测电流标准的监测范围应覆盖避雷器的正常工作电流和故障电流。
通常情况下,避雷器的正常工作电流范围为0-100mA,故障电流范围为100mA以上。
因此,在线监测设备的监测范围应至少为0-100mA,以确保能够实时监测避雷器的运行状态。
二、测量精度避雷器在线监测电流标准的测量精度应满足相关标准和规范的要求。
通常情况下,测量精度应达到±5%以内,以确保监测数据的准确性和可靠性。
如果测量精度过高,可能会导致设备成本增加;如果测量精度过低,则可能会导致监测数据失真或误报。
三、响应时间避雷器在线监测电流标准的响应时间应尽可能短,以便及时发现避雷器的故障或异常情况。
通常情况下,响应时间应小于5ms,以便在避雷器发生故障时迅速发出报警信号。
四、报警阈值避雷器在线监测电流标准的报警阈值应根据避雷器的规格和运行情况进行设置。
通常情况下,报警阈值应设定在正常工作电流的1.5-2倍左右,以便及时发现避雷器的故障或异常情况。
如果报警阈值设置过高,可能会导致漏报;如果报警阈值设置过低,则可能会导致误报。
五、通讯协议避雷器在线监测电流标准的通讯协议应符合相关标准和规范的要求,以便与上位机系统进行数据传输和交互。
常见的通讯协议包括RS485、Modbus、Profibus等,具体选择应根据实际需求和系统配置进行确定。
六、电源要求避雷器在线监测电流标准对电源的要求应根据设备的功耗和供电情况进行确定。
通常情况下,设备的功耗应小于10W,供电电压应为220V AC或110V AC,以保证设备的正常运行和稳定性。
七、环境适应性避雷器在线监测电流标准应具备适应各种环境的能力,以便在不同的气候和环境下进行正常运行和监测。
具体而言,设备应具备防水、防尘、防腐、防震等功能,以保证其长期稳定性和可靠性。
同时,设备还应能够在-25℃~70℃的温度范围内正常工作,以满足不同地区和气候的需求。
八、安全性能避雷器在线监测电流标准应具备完善的安全性能,以确保设备和人员的安全。
电网氧化锌避雷器在线监测和带电测试技术规定一、总则1.电网35~110kV变电站过电压保护采用氧化锌避雷器。
为了做好氧化锌避雷器的在线监测和带电测试这项工作,保证避雷器与电网设备的安全运行,特制定本规定。
2.本规定适用于35kV及以上氧化锌避雷器的在线监测;110kV氧化锌避雷器带电测试。
公司所属各部门、基建安装单位均应按此规定执行。
二、在线监测(一)在线监测装置的技术要求1.带有避雷器动作次数计数器的在线监测装置应符合JB2440-91《避雷器用放电记数》标准的规定,其表面清晰、直观、密封可靠,上下端与接地线应能可靠连接。
2.在线监测装置准确测量的量程应能满足下表要求,超过准确测量量程后应具有限幅功能,在最大量程内,限幅的电流应满足下表要求:1.在线监测装置应安装在易于观察处,在保证安全要求的前提下,高度宜低些。
2.在线监测装置上部引线与避雷器底部的引下线宜采用软连接过渡,或带有伸缩结构的硬连接。
为排除由于MOA 底座用4个小瓷瓶支撑,螺栓孔易积水分流所致在线监测仪数值明显降低,底座选用单个大瓷柱支撑。
3.避雷器的底座无论气候状况如何变化应保持绝缘良好,否则应采用防雨等措施。
4.在避雷器爬距留有裕度的条件下,在线监测装置宜采用屏蔽安装。
(三)运行监测1.安装在线监测装置后,应每天抄表一次(无人值守站至少每周抄表一次),除记录泄漏电流外,还应记录时间、运行电压、环境温度、气候状况等参数。
在雷电季到来之前,各站应对避雷器进行全面检查,登记避雷器放电次数,同时检修部应及时消缺,保证避雷器保持可投状态。
2.变电部在避雷器投运后,应确定所安装避雷器在晴天时运行电流正常值的变化范围(可以以两周记录的电流值变化范围来确定)。
若在正常运行状态下,晴天或采用屏蔽安装的避雷器的运行电流增加到正常值上限的1.1倍;雨天或湿度大于85%时,避雷器的运行电流增加到正常值上限的1.2倍,记录人员应及时上报生技部,并每天增加一次抄表。
(19)中华人民共和国国家知识产权局(12)实用新型专利(10)授权公告号 (45)授权公告日 (21)申请号 201920513502.2(22)申请日 2019.04.16(73)专利权人 河南郑能电力设备有限公司地址 450003 河南省郑州市金水区农业路东45号名门国际1417室
(72)发明人 王冠锋 邢红杰 (74)专利代理机构 焦作市科彤知识产权代理事务所(普通合伙) 41133代理人 何贯通
(51)Int.Cl.G01R 1/04(2006.01)
G01R 19/00(2006.01)
G01R 31/52(2020.01)
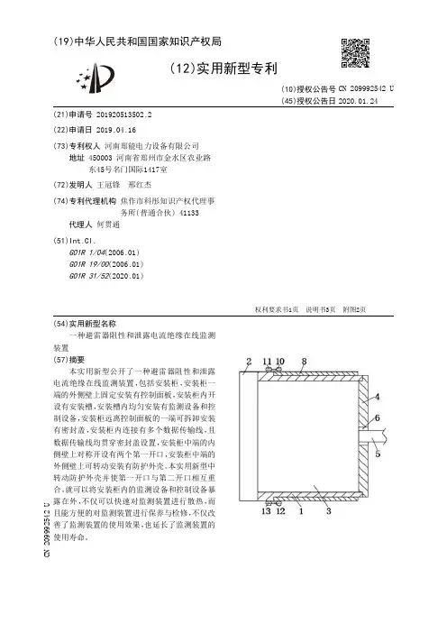
(54)实用新型名称一种避雷器阻性和泄露电流绝缘在线监测装置(57)摘要本实用新型公开了一种避雷器阻性和泄露电流绝缘在线监测装置,包括安装柜,安装柜一端的外侧壁上固定安装有控制面板,安装柜内开设有安装槽,安装槽内均匀安装有监测设备和控制设备,安装柜远离控制面板的一端可拆卸安装有密封盖,安装柜内连接有多个数据传输线,且数据传输线均贯穿密封盖设置,安装柜中端的内侧壁上对称开设有两个第一开口,安装柜中端的外侧壁上可转动安装有防护外壳。本实用新型中转动防护外壳并使第一开口与第二开口相互重合,就可以将安装柜内的监测设备和控制设备暴露在外,不仅可以快速对监测装置进行散热,而且能方便的对监测装置进行保养与检修,不仅改善了监测装置的使用效果,也延长了监测装置的使用寿命。
权利要求书1页 说明书3页 附图2页CN 209992542 U2020.01.24
CN 209992542 U1.一种避雷器阻性和泄露电流绝缘在线监测装置,包括安装柜(1),其特征在于:所述安装柜(1)一端的外侧壁上固定安装有控制面板(2),所述安装柜(1)内开设有安装槽(3),所述安装槽(3)内均匀安装有监测设备和控制设备,所述安装柜(1)远离控制面板(2)的一端可拆卸安装有密封盖(4),所述安装柜(1)内连接有多个数据传输线(5),且数据传输线(5)均贯穿密封盖(4)设置,所述安装柜(1)中端的内侧壁上对称开设有两个第一开口(7),所述安装柜(1)中端的外侧壁上可转动安装有防护外壳(8),且防护外壳(8)位于第一开口(7)的外侧,所述防护外壳(8)的外侧壁上对称开设有两个第二开口(9),所述第二开口(9)与第一开口(7)一一对应,且第二开口(9)与第一开口(7)相互配合,所述防护外壳(8)上设有定位装置。2.根据权利要求1所述的一种避雷器阻性和泄露电流绝缘在线监测装置,其特征在于:所述密封盖(4)靠近安装柜(1)一侧的外侧壁上均匀设有螺纹,所述安装柜(1)靠近密封盖(4)一端的内侧壁上开设有与密封盖(4)相互啮合的螺纹孔。3.根据权利要求1所述的一种避雷器阻性和泄露电流绝缘在线监测装置,其特征在于:所述密封盖(4)上开设有与数据传输线(5)相互配合的安装口(6),且安装口(6)位于密封盖(4)的轴心处。4.根据权利要求1所述的一种避雷器阻性和泄露电流绝缘在线监测装置,其特征在于:所述第一开口(7)和第二开口(9)分别贯穿安装柜(1)和防护外壳(8)设置,且第一开口(7)、第二开口(9)和安装槽(3)相互连通。5.根据权利要求1所述的一种避雷器阻性和泄露电流绝缘在线监测装置,其特征在于:所述定位装置包括对称固定安装在防护外壳(8)外侧壁上的两个第一定位杆(10),所述安装柜(1)靠近第一定位杆(10)一侧的外侧壁上均匀安装有四个与第一定位杆(10)相互配合的第二定位杆(11),相邻的所述第一定位杆(10)和第二定位杆(11)之间共同连接有连接套(12),所述连接套(12)的两端分别设有两个套环(13),且两个套环(13)分别套设在相邻的第一定位杆(10)和第二定位杆(11)上。
避雷器在线监测系统安全操作及保养规程前言现代建筑工程中,避雷器作为一种预防雷击的必要设备,在保障建筑物安全方面发挥着重要作用。
然而,避雷器的使用和维护也需要特别注意,以保证其持续有效并避免安全事故的发生。
本文将介绍避雷器在线监测系统的安全操作及保养规程,以便保证该系统正常运行。
安全操作规程1. 操作前的准备在进行操作之前,请仔细阅读使用说明书,并确保已经具备必要的操作知识和技能。
此外,在进行操作之前还需要注意以下几点:•请确认避雷器在线监测系统已经正确安装并接通电源;•操作人员应按照规定穿戴好工作服、手套等防护用品,以保护自己安全;•在操作过程中,请勿随意触摸设备内部,避免发生电击或其他危险事故。
2. 操作过程中的注意事项•在操作过程中,应严格按照使用说明书中的要求进行操作,不得随意更改设备设置或进行非法操作;•禁止将湿手接触设备,避免电击事故的发生;•避免在大风天气下进行操作,以免遭受风雨的侵袭。
3. 操作完毕后的注意事项完成操作之后,需要将设备恢复到正常状态并关闭电源。
同时,还需要进行以下安全措施:•将设备周围的杂物清理干净,避免影响设备的正常工作;•检查设备是否正常关机,并确认所有操作已经完成;•保持设备周围的通风良好,以保证设备散热正常;•关闭所有接口及连接线。
保养规程1. 周期性维护为了保证避雷器在线监测系统的持续有效,需要定期进行系统维护。
维护具体流程如下:•对避雷器在线监测系统定期检查,发现问题及时修复;•定期对设备进行升级及更新程序;•定期清洁设备外表及内部,保证内部干燥清洁。
2. 长期维护及保养措施对于长时期未使用的避雷器在线监测系统,还需要进行以下保养措施:•对所有电路板进行防潮处理,并定期进行检查;•采用防涂铜劑或导电漆等措施,保证设备的导电正常;•定期观察设备是否出现水印、氧化等情况,及时采取相应的维护措施。
总结避雷器在线监测系统作为保障建筑物安全的必要设备,其安全操作与保养工作同样重要。
避雷器在线检测实验原理一、引言避雷器是一种用于保护电力系统设备免受雷击和过电压的重要设备。
然而,由于长期使用和环境因素等原因,避雷器会出现老化、损坏等问题,影响其保护作用。
因此,对避雷器进行在线检测是非常必要的。
二、避雷器的工作原理避雷器是利用气体放电原理来消除过电压的一种设备。
当系统中出现过电压时,避雷器中的气体会在电场的作用下发生放电,从而将过电压消除。
具体来说,当系统中出现过电压时,避雷器内部会产生一个高强度的电场,在此强度下,空气分子会被离子化形成等离子体,并形成闪络通道,从而将过电压放到地面上。
三、避雷器在线检测原理1. 传统检测方法传统的避雷器检测方法主要有:直流高压试验法、交流耐压试验法、放电计数法等。
这些方法虽然可以检测到一些故障情况,但是其缺点也很明显:需要停机维修、无法实时监测等。
2. 基于电流互感器的在线检测方法电流互感器是一种用于测量电流的设备,其原理是利用电磁感应产生电势差。
基于电流互感器的在线检测方法是通过将电流互感器安装在避雷器上,实时监测避雷器内部的放电情况。
具体来说,当避雷器内部发生放电时,会引起一定的电流变化,这些变化可以通过电流互感器进行监测和记录。
3. 基于超声波传感器的在线检测方法超声波传感器是一种利用超声波进行物体检测的设备。
基于超声波传感器的在线检测方法是通过将超声波传感器安装在避雷器上,实时监测避雷器内部的结构和状态。
具体来说,当避雷器内部出现故障或损坏时,会引起一定程度上的结构变化或振动,这些变化可以通过超声波传感器进行监测和记录。
四、总结目前,在线检测技术已经成为了避雷器维护管理中不可或缺的手段。
基于电流互感器和超声波传感技术的在线检测方法都具有优点:无需停机维修、可实时监测等。
然而,这些技术也存在一些问题,例如:检测结果的准确性、设备的稳定性等。
因此,在实际应用中,需要根据具体情况选择合适的检测方法,并结合其他维护手段进行综合管理和维护。
输变电系统氧化锌避雷器在线监测系统分析随着科学技术的发展,我国的自动化技术有了很大进展,氧化锌避雷器的自动化发展水平越来越高,电力系统的内部检修能力逐步提高。
专家都非常重视输变电系统氧化锌避雷器使用过程中的状态参数。
在线维修过程中,需要掌握设备的相关参数。
从长远发展的角度来看,运用输变电系统氧化锌避雷器在线监控系统进行实际维修至关重要。
基于此,结合实际情况全面分析输变电系统氧化锌避雷器在线监测系统,以期为相关人员提供帮助。
标签:输变电系统;氧化锌避雷器;在线监测系统引言避雷器是电力系统中重要的预防及保护类设备,能够准确并及时掌握其运行状态并开展必要的检修对电力系统的安全运行至关重要,其性能优劣将直接影响电网的安全稳定运行。
本文提出了一种基于多传感器的避雷器工作状态的监测装置,其通过多个传感器采集避雷器运行时的多种数据并采用一定的算法加以融合,计算出避雷器是否存在需要检修或将要损坏的萌芽状态,以准确反映避雷器的工作状态及性能,从而提前对其进行状态检修,保障避雷器的正常使用。
1氧化锌避雷器氧化锌避雷器的工作原理主要是指,当雷击出现时,氧化锌避雷器接线端口会产生过电压,进而激发避雷器内部的阀片进行非线性工作,从而使氧化锌避雷器处于导通状态,将雷击中的电流通过氧化锌避雷器的引进而引向大地,进而避免了雷击电压对电力设备以及输电线路的破坏。
2氧化鋅避雷器在线监测系统的整体框架传统操作模式下,国内多数电力企业的监控系统非常原始和孤立,不仅增加了工作人员的工作量,而且不能全面分析相关监测数据,无法快速找到故障。
因此,需要建立一套集管理、控制和诊断于一体的变电设备监测系统。
建立一套新的氧化锌避雷器在线监测系统能够实现变电设备的在线监测,促使整体信息技术框架更加规范和统一。
实际使用过程中,规范各种类型监测装置的内部数据后,再实现接入和控制,只有这样才能全面实现氧化锌避雷器在线监测系统的预警、分析和评估功能。
避雷器在线监测系统主要遵循“三层两网”的原则全面实施。
防雷装置检测报告_一、检测概述本次防雷装置检测是对建筑物的防雷装置进行全面检测,以评估其性能和可靠性。
检测包括对接地装置、避雷针、避雷带、引下线等进行检测和测量。
二、检测仪器和设备本次检测使用以下仪器和设备:1.接地电阻测试仪,用于测量接地装置的接地电阻。
2.高压电压表,用于测量雷击电压。
3.雷电流测试仪,用于测量避雷带和引下线中的雷电流。
4.红外热像仪,用于检测避雷器和避雷线路之间的热分布情况。
三、检测内容和方法1.接地装置检测:使用接地电阻测试仪对接地装置进行测量,确保接地电阻在规定范围内。
2.避雷针检测:通过目视检测,确认避雷针是否完好无损,并进行清洁。
3.避雷带检测:使用雷电流测试仪对避雷带进行测量,检测避雷带是否具有足够的导电能力。
4.引下线检测:使用雷电流测试仪对引下线进行测量,确保引下线的电气参数符合要求。
5.防雷器热分布检测:使用红外热像仪对防雷器和避雷线路之间的热分布进行检测,确保防雷器工作正常。
四、检测结果1.接地装置:测量结果显示接地电阻为20欧姆,符合规定的要求。
2.避雷针:目视检测结果显示避雷针完好无损,并进行了清洁。
3.避雷带:测量结果显示避雷带的导电能力良好,雷电流流过时阻抗较小。
4.引下线:测量结果显示引下线的电气参数符合要求,雷电流能够有效引导。
5.防雷器热分布:红外热像仪显示防雷器和避雷线路之间的热分布均匀,无异常。
五、结论与建议经过全面检测,建筑物的防雷装置性能良好,能有效保护建筑物、设备和人员免受雷击的危害。
建议定期对防雷装置进行检测,确保其持续有效。
六、其他问题在检测过程中未发现其他问题或异常情况。
七、检测人员检测工作由***公司的专业技术人员完成,他们具备相关的资质和经验。
八、备注根据需要,详细的数据和测量结果可在附件中提供。
以上是一份防雷装置检测报告,通过对各个防雷装置进行全面检测和测量,对其性能和可靠性进行评估,为建筑物、设备和人员提供了有效的保护措施。
四、电气参数
五、安装
参照外形图进行安装,运行监测器串联在避雷器与地之间,安装时,先将监测器M10
能将失效。
(2)用简易方法检测监测器的动作性能
用1000V摇表一只,600V 10μF电容器二只,并联连接。
检测步骤:先转动摇表对电容器充电,等待充电稳定后,在保持摇表转速的情况下,断开充电回路,再迅速将充好电的电容器对监测器两端放电一次,计数器应记录一次,连续试验10次均能准确可靠地动作,则认为监测器动作性能良好,否则,可能有问题,应进行检修或更换。
2.监测器上的指针不指在零位,用户又需要调零时,可按第1条的第(2)项进行调零,也可以把计数器上已有的数字作为记录起始基数,累计避雷器的动作次数。
3.监测器投入运行后,记录毫安表的读数,以便于监测器将来定期巡视记录的读数时进行对比、分析(避雷器表面状况与泄漏电流有很大关系,数据分析时应注意)。
4.从线路卸下监测器时,应先用导线将监测器的高压端可靠接地,然后拆下监测器。
检修完毕后,经检测合格后才能装回去,再把接地导线拆掉。
如违反本规定有可能造成对操作人员人身安全的危害。
5.安装时请注意,监测器高压端的引线拉力不大于100N,底板上的6只M6×20螺栓,不得随意松动,以免破坏产品密封。
6.用户在遵守规定条件下使用,自发货之日起两年内,如有制造质量不良而不能使用者,本厂负责“三包”。
监测器安装示意图。
WUHAN CENTURY FARSEE TECHNOLOGY CO.,LTD.
www.100mw.cn
避雷器在线监测装置
一、系统概述及特点
1 监测意义
金属氧化锌避雷器是电力设备的关键设备之一,流经避雷器上的阻性电流
是衡量避雷器绝缘程度的一项重要指标。通过对避雷器的全电流、阻性电流、
容性电流、雷击次数及雷击时刻进行实时在线监测,可实现对高压电气设备的
绝缘状况进行实时监测;同时,通过分析监测数据可及时发现金属氧化锌避雷
器潜在的故障并为状态检修提供重要的数据依据,为电力系统安全、可靠、稳
定、经济的运行提供了一个强力、可靠的保证,为运行检修人员提供可靠的设
备绝缘信息和科学的检修依据,从而达到减少事故发生,延长检修间隔,减少
停电检修次数和时间,提高设备利用率和整体经济效益的目的。
2 系统介绍
FS-JC-OM200避雷器在线监测装置实现金属氧化锌避雷器绝缘性能的
监测,FS-JC-OM200避雷器在线监测装置共分FS-JC-OM200/MOA和
FS-JC-OM200/PT两个子型号:
FS-JC-OM200/MOA用于采集1台避雷器的泄露电流及雷击次数和雷击事
件;
FS-JC-OM200/MOA-3 用于采集3台避雷器的泄露电流及雷击次数和事
件;
FS-JC-OM200/PT用于采集避雷器所在母线的3相电压。
FS-JC-OM200避雷器在线监测装置与FS-JC-8000综合智能在线监测装
置和状态监测综合服务器,一起构成避雷器在线监测系统,系统组成如图
1.1所示。避雷器在线监测系统采用先进的分层分布式结构,应用总线控制
技术和模块化设计原理,使系统的抗干扰性能、测量的准确性和稳定性都
得到了很大的提高,满足了工业现场实用要求,并采用独有的专家诊断系
WUHAN CENTURY FARSEE TECHNOLOGY CO.,LTD.
www.100mw.cn
统对采集的数据进行科学分析诊断,便于及时方便地了解并掌握变电设备
的健康状态。
通过实时监测避雷器的全电流、阻性电流、容性电流以及雷击次数、
雷击时刻,通过对监测到的数据进行分析、拟合处理,并结合现场工况,
可及时地发现避雷器由污秽或内部受潮引起的瓷套泄漏电流或绝缘杆泄漏
电流增大等问题,以避免事故的发生。
图1.1 避雷器在线监测系统结构图
3 技术特点
采用高精度有源零磁通穿心式互感器,根据被测电流大小自动选择放大
倍数,实现高精度测量
采用动态相量补偿算法,实现高精度测量信号分析
WUHAN CENTURY FARSEE TECHNOLOGY CO.,LTD.
www.100mw.cn
采用数字滤波算法,摒除模拟滤波器带来的“零漂问题”
采用分布式测量结构,即就地测量、数字传输
可带电安装,即不需要主设备停电安装,方便、快捷的接入系统
4 技术参数
本装置技术参数完全满足或优于以下国家、企业标准和规定:
Q/GDW 534-2010《变电设备在线监测系统技术导则》
Q/GDW 535-2010《变电设备在线监测系统装置通用技术规范》
Q/GDW 410-2010《高压设备智能化技术导则》
Q/GDW 383-2009《智能变电站技术导则》
国家电网公司《高压开关设备智能化技术条件》
《IEC61850国际标准工程化实施技术规范》
南方电网公司《变电设备在线监测装置通用技术规范》
耐压:2.0KV/min无击穿和闪络
绝缘电阻符合IEC255-5标准
耐压符合IEC255-5标准
脉冲电压测试符合IEC255-5标准
湿热性能符合IEC68-2-38标准
共模符合IEC255-22-1标准
差模符合IEC255-22-1标准
静电放电符合IEC255-22-2标准
电磁场辐射干扰符合IEC255-22-3标准
快速瞬变干扰符合IEC255-22-4标准
4.1 工作环境
工作电压:交流 220V±10%,50Hz
功 耗: 额定电压下<5W
环境温度
WUHAN CENTURY FARSEE TECHNOLOGY CO.,LTD.
www.100mw.cn
户内系统: -10℃ ~ +55℃
户外系统: -25℃ ~ +70℃
工作环境湿度: ≤95%
4.2 监测参数指标
测量电流范围: 0.05mA~650mA,测量精度±1%
母线电压测量范围:35kV~1000kV, 测量精度0.5%
谐波电压测量范围:3、5、7、9次,测量精度±2%
系统频率测量范围:45~65Hz,测量精度±0.001Hz
雷击次数记录:0~255,年月日时分秒
温度:-20℃~80℃,±1%
湿度:0~100%RH,±1%
4.3 系统最大容量
就地模块:80个
4.4 监测周期
出厂设置:1 小时
最短周期:5 分钟
4.5 数据通讯
CAN网结构,网络速率为:<500Kbps
RS485结构,网络速率为: ≤9600bps
4.6 数据生存周期
生存周期为2年。
WUHAN CENTURY FARSEE TECHNOLOGY CO.,LTD.
www.100mw.cn
4.7 平均无故障时间
系统的平均无故障工作时间(MTBF):户内:大于5×104小时。
户外:大于3×104小时。
二、 装置功能
FS-JC-OM200避雷器在线监测装置有如下功能:
1、采集避雷器装置的泄露电流及参考电压,计算避雷器泄露电流基波及3、
5、7、9次谐波,统计雷击次数及雷击时间等。
2、采集PT单元母线电压及参考电压,计算母线电压基波及3、5、7、9次
谐波。
3、CAN或485网络通信
4、实时时钟
5、温湿度采集控制
6、IEC61850通信
FS-JC-OM200装置采用模块化设计,每个装置分别采样避雷器的ABC三相电
流或同时采集母线ABC三相电压,同时还采集公用电源220V的幅值和相位,为
采集控制单元提供计算对比数据。每个避雷器在线监测装置都具备CAN或485
通信功能,装置之间通过总线互联。
1 采集功能介绍
FS-JC-OM200/MOA采集避雷器泄露电流幅值、相位、频率测量;
FS-JC-OM200/PT采集三相PT电压幅值、相位、频率测量;
2 母线测量单元
计算出各个电压等级的母线电压。
计算出各个电压等级目前电压的3、5、7、9次谐波数据
WUHAN CENTURY FARSEE TECHNOLOGY CO.,LTD.
www.100mw.cn
3 CAN网络通信功能
避雷器在线监测就地单元及采集控制单元之间采用高速CAN网络通信,采用
自定义符合CAN2.0的总线规约,实现数据的交互。
4 实时时钟功能
每个装置都具备实时时钟的功能。
5 温湿度采集控制
采用高精度温湿度传感器,可以实时采集装置内部温湿度。
6 IEC61850通信
避雷器在线监测系统实现了61850通信功能,实现跟不同主站系统的无缝连
接。
7 装置算法介绍
避雷器在线监测系统计算阻性电流时需要获得避雷器泄露电流与避雷器所
在母线电压的相位差。获得精确相位差是阻性电流计算精度的重要保证。考虑到
泄露电流与母线电压在不同装置中实现,且装置安装位置可能间隔较远,本装置
采用市电同步法解决不同装置之间同步采样的问题,以获得精确的相位差。同步
原理图如图2.1所示。
WUHAN CENTURY FARSEE TECHNOLOGY CO.,LTD.
www.100mw.cn
图2.1 算法同步原理图
以A相避雷器监测为例:
(1)FS-JC-8000综合智能在线监测装置下发同步采集命令给
FS-JC-OM200/MOA装置和FS-JC-OM200/PT装置:
FS-JC-8000装置同步采集A相避雷器泄露电流和市电电压,经FFT快速滤
波算法得到A相泄露电流基波相位()IA与市电基波相位()Uref,计算相位差
1()()IAUref
;
FS-JC-OM200/PT装置同步采集避雷器所在母线A相电压和市电电压,经
FFT快速滤波算法得到A相母线电压基波相位()UA与市电基波相位()Uref,
计算相位差2()()UAUref;
(2)FS-JC-8000综合智能在线监测装置下发读数据命令给
FS-JC-OM200/MOA装置和FS-JC-OM200/PT装置,FS-JC-OM200/MOA装置和
FS-JC-OM200/PT装置将相角差1、2及其他监测数据上送到FS-JC-8000综
WUHAN CENTURY FARSEE TECHNOLOGY CO.,LTD.
www.100mw.cn
合智能在线监测装置,综合智能在线监测装置计算相角差:
()12()()()()()()IAUAIAUrefUAUrefIAUA
以及其他监测数据,做出诊断,并将数据和诊断结果上送至后台软件。