关于推进建设工程质量保险工作的意见 (建质[2005]133号)
- 格式:docx
- 大小:14.88 KB
- 文档页数:2
建设工程质量保修保险条款第一章保险合同的构成第一条建设工程质量保修保险合同(以下简称本合同)由保险单、投保单、批注、批单以及其他有关凭证共同构成。
第二章投保人和被保险人第二条凡获得建设行政主管部门资质认可的开发商或建筑施工企业,就其开发或施工的建设工程(工程报价在人民币1000万元以上)经竣工验收合格后,向天安保险股份有限公司(以下简称本公司)投保本保险。
第三条本保险的被保险人为建筑施工企业。
第三章保险责任第四条在保险期间内,由于被保险人的疏忽或过失引起本条所列的质量事故,本公司负责赔偿约定的维修费用以及本公司书面认可的诉讼和咨询费用,但总的赔偿金额不得超过本保险条款所规定的累计赔偿限额:(一)建筑物产生超出设计规范允许的整体或局部倾斜;(二)地基产生超出设计规范允许的不均匀沉降;(三)结构、构件承载能力不满足设计规范的要求或变形超过设计规范的允许值;(四)主体结构产生影响使用安全的裂缝、破损、断裂;(五)屋面、外墙面、厕浴卫生间、厨房发生渗漏水;(六)供热和供冷系统不能正常工作;(七)电气系统、给排水管道、设备安装系统不能正常工作;(八)装饰缺陷。
第五条发生保险责任事故后,被保险人为缩小或减少事故损失所支付必要的、合理的费用本公司亦负责赔偿。
第四章保险期间第六条本合同保险责任第四条中第一、二、三、四项所述质量事故的保险期间为九年,第五项所述质量事故的保险期间为四年, 第六、七、八项所述质量事故的保险期间为一年。
以上保险期间自工程竣工验收合格之日一年以后起算。
第五章责任免除第七条在下述任一情况下,保险标的产生的维修费用本公司不负赔偿责任:(一)火灾、爆炸、雷击、暴雨、洪水、地震、台风、暴风、龙卷风、飓风、雪灾、冰雹、冰凌、泥石流、海啸、地面突然塌陷、飞行物体及其他空中运行物体坠落等超过建筑物设计规范限定的自然灾害;(二)战争、武装冲突、暴动、抢劫及恐怖活动、核爆炸、核辐射或核污染;(三)保险标的发生全损或丧失修理价值;(四)对于保险标的的任何结构性改变、修理和增加(得到本公司的书面认可,保险单作了批注,并调整了保险费用的除外);(五)建筑物竣工验收合格后,进行不适当的装修和装饰,非正常使用,荷载超过设计规定值,或改变建筑物的建筑用途;(六)保险标的在保险责任开始前发生过维修,在保险期间内由于同一原因在同一部位又发生维修的;(七)附近工程施工、抽取地下水或任何第三者的行为引起的保险标的受损;(八)使用者的使用不当所致;(九)投保人、被保险人及其代表的故意行为或纵容所致;(十)政府命令或任何公共当局的没收、征用、销毁或毁坏;(十一)由工程质量检查机构在竣工检查评估报告上所指出的,但未及时纠正的工程质量问题(得到保险人书面认可的除外);(十二)大气、土地、水污染及其他各种污染引起的任何损失、费用和责任;(十三)由于白蚁等虫害造成的质量事故(施工企业在施工时已经采取了符合国家要求措施的除外);(十四)其他不属于保险责任范围内的一切损失和费用。
关于印发《工程建设工法管理办法》的通知(建质[2005]145号)各省、自治区建设厅,直辖市建委,江苏、山东省建管局,新疆生产建设兵团建设局,国务院有关部门建设司,有关总公司:现将《工程建设工法管理办法》印发给你们,请认真贯彻执行。
原《建筑施工企业工法管理办法》(建建[1996]163号)同时废止。
中华人民共和国建设部二○○五年八月三十一日工程建设工法管理办法第一条为推进我国工程建设工法的开发和应用,促进企业加大技术创新力度和技术积累,提升我国整体施工技术管理水平和工程科技含量,加强对工法的管理,制定本办法。
第二条本办法适用于工程建设工法的开发、申报、评审和成果管理。
第三条本办法所称的工法是以工程为对象,工艺为核心,运用系统工程原理,把先进技术和科学管理结合起来,经过一定的工程实践形成的综合配套的施工方法。
工法分为房屋建筑工程、土木工程、工业安装工程三个类别。
第四条工法必须符合国家工程建设的方针、政策和标准、规范,必须具有先进性、科学性和实用性,保证工程质量和安全,提高施工效率,降低工程成本,节约资源,保护环境等特点。
第五条工法分为国家级、省(部)级和企业级。
企业根据承建工程的特点、科研开发规划和市场需求开发、编写的工法,经企业组织审定,为企业级工法。
省(部)级工法由企业自愿申报,由省、自治区、直辖市建设主管部门或国务院主管部门(行业协会)负责审定和公布。
国家级工法由企业自愿申报,由建设部负责审定和公布。
第六条国家级工法每两年评审一次,评审数量原则上不超过120项。
国家级工法具体评审工作委托中国建筑业协会承担。
第七条国家级工法的申报条件:(一)已公布为省(部)级的工法;(二)工法的关键性技术属于国内领先水平或达到国际先进水平;工法中采用的新技术、新工艺、新材料尚没有相应的国家工程建设技术标准的,应已经国务院建设行政主管部门或者省、自治区、直辖市建设行政主管部门组织的建设工程技术专家委员会审定。
(三)工法经过工程应用,经济效益和社会效益显著;(四)工法的整体技术立足于国内,必须是申报单位自行研制开发或会同其它单位联合研制开发;(五)工法编写内容齐全完整,应包括:前言、工法特点、适用范围、工艺原理、施工工艺流程及操作要点、材料与设备、质量控制、安全措施、环保措施、效益分析和应用实例。
工程质量保险制度监理工程质量保险制度是指在建筑工程的设计、施工及保修阶段,由保险公司对工程质量潜在缺陷提供保险服务的一种风险管理机制。
这种保险通常涵盖结构安全、主要功能以及使用寿命等方面,一旦工程出现质量问题,保险公司将按照保险合同的约定进行赔偿。
这不仅为业主提供了一种风险转移的手段,也为施工单位和设计单位提供了一定的风险保障。
在实施工程质量保险制度时,监理工作显得尤为重要。
监理单位作为独立的第三方,负责监督和管理工程建设全过程,确保工程质量符合国家标准和行业规范。
监理单位需要与保险公司紧密合作,共同制定监理范本,明确监理的职责、工作流程以及监督检查的标准和方法。
监理范本通常包括以下几个方面的内容:1. 监理单位的职责:明确监理单位需对工程质量进行全程监督,包括但不限于原材料检验、施工过程控制、竣工验收等环节。
2. 监理工作流程:详细描述监理工作的具体步骤,如现场巡查、质量抽检、问题记录和处理等。
3. 监督检查标准和方法:依据国家和行业标准,制定具体的检查标准和方法,确保工程质量的可靠性和一致性。
4. 风险评估与管理:监理单位需定期对工程的潜在风险进行评估,并提出相应的风险管理措施。
5. 信息记录与报告:监理单位应详细记录工程进度、质量情况以及任何潜在的风险点,并定期向保险公司和相关方报告。
6. 应急处置与事故处理:制定应急预案,一旦发生质量问题,能够迅速采取措施,减少损失。
通过这些详细的规定,监理单位能够有效地监控工程质量,及时发现并解决问题,为工程质量保险制度的顺利实施提供坚实的基础。
同时,这也有助于提升整个建筑行业的质量管理水平,促进行业的健康发展。
逐步推行工程质量保险制度工程质量保险制度是指在建筑工程建设过程中,由保险公司对建筑工程的质量风险进行承保,一旦发生质量问题,保险公司将按照保险合同的约定进行赔偿。
这种制度的核心在于通过市场化的手段,转移和分散工程质量风险,从而降低各方的经济负担,提高工程质量。
在全球范围内,工程质量保险制度已经得到广泛应用。
例如,欧美国家在建筑工程领域普遍实行质量保证期制度,即在工程竣工后的一定期限内,如果发现质量问题,施工单位必须负责无偿修复。
而在我国,这一制度尚处于起步阶段,但随着政策的推动和市场的认可,其发展前景十分广阔。
推行工程质量保险制度的好处显而易见。
它能够有效保障消费者权益。
在传统的建筑工程中,一旦发生质量问题,消费者往往难以获得及时有效的赔偿。
而有了工程质量保险,消费者可以直接向保险公司索赔,简化了赔偿流程,提高了赔偿效率。
工程质量保险能够促进建筑行业的整体水平提升。
保险公司在承保前会对建筑工程进行严格的风险评估,这迫使施工单位提高施工标准,加强质量管理。
同时,保险公司还会定期对在保工程进行检查,确保工程质量符合要求。
工程质量保险有助于缓解建筑行业的资金压力。
在建筑工程中,由于质量问题导致的返工、维修等费用往往巨大,给施工单位带来沉重的经济负担。
通过购买工程质量保险,可以将这部分风险转嫁给保险公司,减轻企业的资金压力。
要顺利推行工程质量保险制度,还需要解决一些实际问题。
比如,如何制定合理的保险费率、如何建立完善的风险评估体系、如何处理保险赔付中的争议等。
这些问题的解决,需要政府、行业协会、保险公司和建筑企业共同努力,形成合力。
政府应当出台相关政策,鼓励和支持保险公司开展工程质量保险业务,同时加强对建筑市场的监管,确保工程质量保险制度的有效实施。
行业协会可以发挥桥梁和纽带的作用,协调各方面的利益,推动制度的完善。
保险公司则需要创新产品和服务,提供更加多样化、个性化的保险方案,满足市场的需求。
建筑企业则应当提高自身的质量管理水平,积极配合保险公司的工作,共同维护建筑工程的质量安全。
福建省工程质量保险制度一、福建省工程质量保险制度的制定背景和意义1. 制定背景福建省是中国东南沿海地区的一个重要省份,拥有着众多重要的经济建设项目。
然而,由于一些工程管理和技术水平的限制,工程质量问题时有发生。
为了解决这一问题,福建省政府决定制定工程质量保险制度,引入市场化机制,提高工程质量,降低事故风险。
2. 制定意义(1)保障工程质量。
工程质量保险制度的落实可以促使各方更加注重工程施工过程中的质量控制,提高工程质量,降低质量事故的发生率。
(2)减少工程风险。
工程质量保险制度可以为建设单位、承包商等各方提供一种保险方式,降低经济风险,减少因质量事故而导致的经济损失。
(3)促进工程管理和技术创新。
工程质量保险制度的实施,将促进工程管理和技术水平的提高,推动工程施工模式的创新,促进产业升级。
(4)维护社会公共利益。
工程质量保险制度的建立将有利于维护社会公共利益,推动工程建设行业的规范发展,保障人民群众的生命财产安全。
二、福建省工程质量保险制度的主要内容1. 保险范围福建省工程质量保险制度适用于建筑工程、地质灾害隐患治理工程、城市基础设施建设工程、交通设施建设工程等项目。
其中,重点关注高风险工程项目和重大工程项目,确保重点工程的质量安全。
2. 保险主体(1)政府主导。
福建省政府对工程质量保险制度进行政策指导和监督管理,建立健全相关政策法规,推动工程质量保险制度的落实。
(2)保险公司参与。
保险公司是工程质量保险制度的主要参与者,承担对工程施工过程中的质量风险进行评估和管理的职责。
(3)建设单位购买。
建设单位作为工程的委托方和决策者,需要按照相关规定购买工程质量保险,为工程建设提供保障。
(4)施工单位实施。
施工单位作为工程的执行单位,需要按照标准施工程序和要求,确保工程质量符合相关标准和规范。
3. 保险责任根据福建省工程质量保险制度的规定,保险责任主要包括工程质量事故的赔偿责任和风险管控责任。
保险公司需要对参保项目进行风险评估和管控,及时处理工程质量事故,保障受益方的合法权益。
中国人民财产保险股份有限公司建设工程质量保证保险条款总则第一条本保险合同由保险条款、投保单、保险单及批单组成。
凡涉及本保险合同的约定,均应采用书面形式。
第二条与工程发包人签订真实、合法、有效的建设工程施工合同的承包人可作为本保险合同的投保人,建设工程施工合同的发包人可作为本保险合同的被保险人。
第三条本保险合同中涉及释义的特定用词,以释义内容为准。
保险责任第四条在保险期间内,投保人未按照与被保险人签订的建设工程施工合同有关约定履行建设工程质量缺陷维修义务,给被保险人造成直接经济损失的,视为保险事故发生。
保险人依据本保险合同的约定,向被保险人承担赔偿责任。
责任免除第五条下列原因造成的损失、费用和责任,保险人不负责赔偿:(一)战争、敌对行动、军事行为、武装冲突、罢工、骚乱、暴动、恐怖活动、谋反、政变;(二)核辐射、核爆炸、核污染及其他放射性污染;(三)大气污染、土地污染、水污染及其他各种污染;(四)洪水、地震、海啸及其他人力不可抗拒的自然灾害;(五)空中运行物体坠落,及火灾、爆炸等意外事故;(六)行政行为或司法行为;(七)被保险人及其代表的故意或犯罪行为。
第六条存在下列情况之一的,保险人不负责赔偿:(一)投保人与被保险人签订的建设工程施工合同或交易基础不成立、不生效、无效、被撤销或在保险事故发生前被解除的;(二)投保人或其雇员与被保险人或其雇员采用欺诈、串通、贿赂等手段订立建设工程施工合同,或恶意串通违反建设工程施工合同约定;(三)投保人与被保险人变更建设工程施工合同,未经保险人书面同意确认的;(四)非投保人原因造成的建设工程质量缺陷;(五)被保险人明知或应该知道投保人违反建设工程施工合同约定或法律法规的规定进行转包或违法分包的;(六)被保险人或第三方在本合同生效后未经保险人同意擅自改动工程项目结构、附属设施或设备位置。
第七条下列损失、费用和责任,保险人不负责赔偿:(一)建设工程施工合同中有关质量缺陷维修约定以外的任何损失和费用;(二)投保人与被保险人因建设工程质量缺陷维修责任以外的纠纷所致的任何损失或费用;(三)被保险人为收集、确认、证明投保人违反建设工程质量缺陷维修约定导致其损失所产生的法律费用及其他相关费用,以及诉讼、仲裁、执行阶段所发生的任何法律费用;(四)因建设工程设计错误、缺陷或设计变更导致的损失;(五)建设工程施工合同中约定的或未在建设工程施工合同中约定的材料、人工价格超过实际发生时当地政府相关主管部门指导价(若无指导价,则参考一般市场价)的部分;(六)建筑设施在维护、维修、改建、安装及其他工程施工过程中发生意外事故导致的损失;(七)自然磨损、折旧、物质本身变化或其他渐变原因造成的损失和费用;(八)未在保险单中载明的建筑设施附属及配套设施的损失,如景观设施、绿化工程、公共照明设施等;(九)保险事故发生后,对建筑设施进行修复过程中,因功能改变或性能提高等原因产生的额外费用;(十)被保险人的任何间接损失以及被保险人以外的第三方的任何损失;(十一)违约金、滞纳金、罚款、罚金及惩罚性赔偿;(十二)本保险合同中载明的免赔额或按本保险合同中载明的免赔率计算的金额,两者以高者为准。
关于山东省房屋建筑和市政工程领域全面推进保证保险工作的指导意见(鲁建建管字〔2021〕8号)无【期刊名称】《建筑市场与招标投标》【年(卷),期】2021()5【摘要】各市住房城乡建设局、发展改革委、财政局、银保监分局,相关保险机构:为扎实做好“六稳”工作、全面落实“六保”任务,进一步优化营商环境,切实减轻企业负担,根据《住房和城乡建设部等部门关于加快推进房屋建筑和市政基础设施工程实行工程担保制度的指导意见》和《关于促进建筑业高质量发展的十条措施》要求,现就在全省房屋建筑和市政工程领域全面推进保证保险工作,提出如下指导意见:一、全面推行。
山东省行政区域内的房屋建筑和市政工程项目,依法需要提供投标、履约、工程质量和工程款支付担保的,建筑市场主体可以根据自身情况,自愿选择现金、保证保险或银行保函任一形式缴纳,政府和国有资金投资项目应带头采用保证保险方式缴纳,其他投资项目凡是能够通过保证保险方式缴纳的,建设单位和相关主管部门一律不得拒绝。
【总页数】1页(P39-39)【作者】无【作者单位】山东省住房和城乡建设厅;山东省发展和改革委员会;山东省财政厅;中国银行保险监督管理委员会山东监管局;中国银行保险监督管理委员会青岛监管局【正文语种】中文【中图分类】TU7【相关文献】1.山东省住房和城乡建设厅关于发布《山东省房屋建筑和市政工程招标类信息发布办法》的通知鲁建建管字[2017]3号2.山东省住房和城乡建设厅山东省发展和改革委员会中国保险监督管理委员会山东监管局中国保险监督管理委员会青岛监管局关于开展房屋建筑和市政工程投标保证保险工作的意见(试行)3.山东省住房和城乡建设厅关于印发《山东省房屋建筑和市政基础设施工程质量检测信用管理办法》的通知(鲁建质监字〔2021〕1号)4.山东省人民政府办公厅关于印发2021年全省湾长制工作要点和3个省级海湾污染整治指导意见的通知(鲁政办字﹝2021﹞47号)5.山东省住房和城乡建设厅关于印发《山东省房屋建筑和市政基础设施工程见证取样和送检管理规定》的通知(鲁建质监字〔2021〕2号)因版权原因,仅展示原文概要,查看原文内容请购买。
建设部关于开展建筑施工安全质量标准化工作的指导意见建质[2005]232号各省、自治区建设厅,直辖市建委,江苏省、山东省建管局,新疆生产建设兵团建设局:为贯彻落实《国务院关于进一步加强安全生产工作的决定》(国发[2004]2号),加强基层和基础工作,实现建筑施工安全的标准化、规范化,促使建筑施工企业建立起自我约束、持续改进的安全生产长效机制,推动我国建筑安全生产状况的根本好转,促进建筑业健康有序发展,现就开展建筑施工安全质量标准化工作提出以下指导意见:一、指导思想和工作目标指导思想:以“三个代表”重要思想为指导,以科学发展观统领安全生产工作,坚持安全第一、预防为主的方针,加强领导,大力推进建筑施工安全生产法规、标准的贯彻实施。
以对企业和施工现场的综合评价为基本手段,规范企业安全生产行为,落实企业安全主体责任,全面实现建筑施工企业及施工现场的安全生产工作标准化。
统筹规划、分步实施、树立典型、以点带面,稳步推进建筑施工安全质量标准化工作。
工作目标:通过在建筑施工企业及其施工现场推行标准化管理,实现企业市场行为的规范化、安全管理流程的程序化、场容场貌的秩序化和施工现场安全防护的标准化,促进企业建立运转有效的自我保障体系。
目标实施分2006年至2008年和2009年至2010年两个阶段。
建筑施工企业的安全生产工作按照《施工企业安全生产评价标准》(JGJ/T77-2003)及有关规定进行评定。
2008年底,建筑施工企业的安全生产工作要全部达到“基本合格”,特、一级企业的“合格”率应达到100%;二级企业的“合格”率应达到70%以上;三级企业及其他施工企业的“合格”率应达到50%以上。
2010年底,建筑施工企业的“合格”率应达到100%。
建筑施工企业的施工现场按照《建筑施工安全检查标准》(JGJ59-99)及有关规定进行评定。
2008年底,建筑施工企业的施工现场要全部达到“合格”,特级企业施工现场的“优良”率应达到90%;一级企业施工现场的“优良”率应达到70%;二级企业施工现场的“优良”率应达到50%;三级企业及其他各类企业施工现场的“优良”率应达到30%。
住房城乡建设部关于印发工程质量安全提升行动方案的通知文章属性•【制定机关】住房和城乡建设部•【公布日期】2017.03.03•【文号】建质[2017]57号•【施行日期】2017.03.03•【效力等级】部门规范性文件•【时效性】现行有效•【主题分类】工程质量安全监管正文住房城乡建设部关于印发工程质量安全提升行动方案的通知建质[2017]57号各省、自治区住房城乡建设厅,直辖市建委(规划国土委),新疆生产建设兵团建设局:为贯彻落实《中共中央国务院关于进一步加强城市规划建设管理工作的若干意见》和《国务院办公厅关于促进建筑业持续健康发展的意见》(国办发[2017]19号)精神,进一步提升工程质量安全水平,确保人民群众生命财产安全,促进建筑业持续健康发展,我部决定开展工程质量安全提升行动。
现将《工程质量安全提升行动方案》印发给你们,请遵照执行。
中华人民共和国住房和城乡建设部2017年3月3日工程质量安全提升行动方案百年大计,质量第一;安全生产,人命关天。
为进一步提升工程质量安全水平,确保人民群众生命财产安全,促进建筑业持续健康发展,特制定本行动方案。
一、指导思想贯彻落实《中共中央国务院关于进一步加强城市规划建设管理工作的若干意见》和《国务院办公厅关于促进建筑业持续健康发展的意见》(国办发[2017]19号)精神,巩固工程质量治理两年行动成果,围绕“落实主体责任”和“强化政府监管”两个重点,坚持企业管理与项目管理并重、企业责任与个人责任并重、质量安全行为与工程实体质量安全并重、深化建筑业改革与完善质量安全管理制度并重,严格监督管理,严格责任落实,严格责任追究,着力构建质量安全提升长效机制,全面提升工程质量安全水平。
二、总体目标通过开展工程质量安全提升行动(以下简称提升行动),用3年左右时间,进一步完善工程质量安全管理制度,落实工程质量安全主体责任,强化工程质量安全监管,提高工程项目质量安全管理水平,提高工程技术创新能力,使全国工程质量安全总体水平得到明显提升。
2009年⼆类费⽤⽂件摘录⼯程建设其它费⽤(⽂件摘录)根据⼭西省建设厅⽂件晋建标字(2009)第9号⽂,关于发布《⼭西省⼯程建设其它费⽤标准》的通知,⾃2009年1⽉1⽇起执⾏。
第⼀章与⼟地使⽤有关的费⽤(⼀)集体⼟地1、⼟地补偿费(费⽤标准第7页)表1参考⽂件:《中华⼈民共和国⼟地管理法》;《⼭西省征⽤、占⽤林地补偿费收取和使⽤暂⾏办法》的通知(晋价涉字〔1994〕第32号)2、安置补助费(费⽤标准第8页)表2参考⽂件:《中华⼈民共和国⼟地管理法》;《⼭西省征⽤、占⽤林地补偿费收取和使⽤暂⾏办法》的通知(晋价涉字〔1994〕第32号)3、地上附着物和青苗补偿费(费⽤标准第9页)表3参考⽂件:《中华⼈民共和国⼟地管理法》;《⼭西省征⽤、占⽤林地补偿费收取和使⽤暂⾏办法》的通知(晋价涉字〔1994〕第32号)4、耕地开垦费计算⽅法(费⽤标准第10页)参考⽂件:《⼭西省基本农⽥保护条例》(⼭西⼈⼤常委会1999年11⽉30⽇通过)5、耕地占⽤税(费⽤标准第10页)表4参考⽂件:《⼭西省耕地占⽤税实施办法通知》(晋政发〔1987〕64号);《中华⼈民共和国耕地占⽤税暂⾏条例》(国发〔1987〕27号)6、征地管理费(费⽤标准第12页)表5参考⽂件:⼭西省财政厅《关于重新核定部分住房建设收费标准的通知》(晋价房字〔2007〕70号)7、⼟地价格评估费(费⽤标准第12页)表6参考⽂件:国家计委、⼟地局《关于⼟地价格评估收费标准的通知》(计价格〔1994〕2017号)8、⼟地复垦费(费⽤标准第13页)表7参考⽂件:《⼭西省⼟地复垦实施办法》(⼭西省⼈民政府令第66号);《⼟地复垦规定》(中华⼈民共和国国务院令第19号);《⼭西省基本农⽥保护条例》(⼆)国有⼟地1、⼟地使⽤权出让:出让年限及⽅式(费⽤标准第14页)①国有⼟地使⽤权出让最⾼年限2、⼟地使⽤权出让⾦计算⽅法(费⽤标准第14页)⼟地使⽤权出让⾦也就是购地价,除政府投资基础设施、重点⼯程、政府机关办公楼、安居⼯程外的⼯程项⽬。
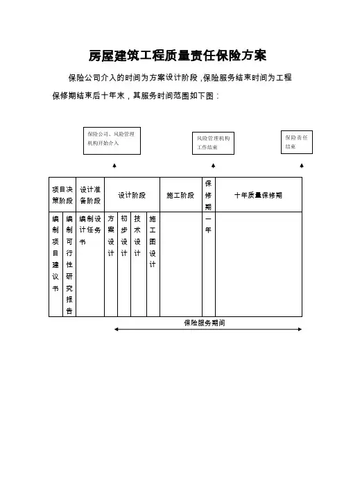
房屋建筑工程质量责任保险方案保险公司介入的时间为方案设计阶段,保险服务结束时间为工程保修期结束后十年末,其服务时间范围如下图:保险服务期间根据本项目的风险状况,保险公司建议贵公司通过投保以下险种来分散运营过程中所面临的工程质量责任风险,使贵司能以最少的保费支出获取最大的安房屋建筑工程质量责任保险条款总则第一条本保险合同由保险条款、保险单、保险凭证、批单及投保单组成。
凡涉及本保险合同的约定,均应采用书面形式。
第二条凡获得国家或当地建设主管部门资质认可的建筑开发商均可作为本保险合同的投保人,于工程开工前就其开发的住宅商品房及写字楼工程(以下简称建筑物)投保本保险。
第三条对上述建筑物具有所有权的自然人、法人或其他组织为本保险合同的被保险人。
保险责任第四条本保险合同中载明的、由投保人开发的建筑物,按规定的建设程序竣工验收合格满一年后,经保险人指定的建筑工程质量检查控制机构检查通过,在正常使用条件下,因潜在缺陷在保险期间内发生下列质量事故造成建筑物的损坏,经被保险人向保险人提出索赔申请,保险人按照本保险合同的约定负责赔偿修理、加固或重置的费用:(一)整体或局部倒塌;(二)地基产生超出设计规范允许的不均匀沉降;(三)阳台、雨篷、挑檐等悬挑构件坍塌或出现影响使用安全的裂缝、破损、断裂;(四)主体结构部位出现影响结构安全的裂缝、变形、破损、断裂。
正常使用:指按照建筑物的原设计条件使用,包括但不限于:(1)不改变建筑物主体结构;(2)不改变使用用途;(3)不超过设计荷载。
潜在缺陷:指在竣工验收合格满一年后,保险人指定的建筑工程质量检查控制机构检查时未能发现的引起建筑物损坏的缺陷,包括勘察缺陷、设计缺陷、施工缺陷和建筑材料缺陷。
建筑物的损坏:指投保人交付给被保险人的建筑物出现结构损坏或渗漏。
投保人交付时的建筑物包含装修、设备、设施的,该装修、设备、设施因前述结构损坏或渗漏造成损坏,也在建筑物损坏范围内。
主体结构部位:指建筑物的基础、墙体、柱、梁、楼盖、屋盖等。
解读国家建设部《建市(2005)208号》文肖庆平【期刊名称】《建筑市场与招标投标》【年(卷),期】2006(000)004【摘要】建设部《建市(2005)208号》文是2005年12月发布的。
从立法原则和法的广义上来讲,该文当属于法规的一部分。
作为能够发布并贯彻的一项法规,它必然与宪法不悖。
任何法规除了不允许与宪法相抵触外,不会存在法规之间的抵触与矛盾,有的只能是后法、新法对前法、旧法的补充、完善,细化与阐释。
我认为除了宪法、法律外,任何部门发布的“令”与“文”则均属于同一个层级,应具同等地位,同等效力。
作为一个国家主管建筑行业的最高机构——国家建设部,其每项行政举措都是以行政法规形式出台的,其作用都是对行政意图、行政法律的细化或完善。
这次出台的《建市(2005)208号文》就是对现实有着重要且及时的指导、规范意义的,是一个非常切合实际地、非常可操作的指令性的行政法规。
说她及时、切合实际、可操作,是因为与已有的相关法规相比,它至少有如下几点区别或特点。
【总页数】3页(P3-5)【作者】肖庆平【作者单位】辽宁省本溪市招标投标管理办公室【正文语种】中文【中图分类】F426.9【相关文献】1.国家建设部关于发展节能省地型住宅和公共建筑的指导意见建科[2005]78号 [J],2.国家建设部关于新建居住建筑严格执行节能设计标准的通知建科[2005]55号 [J],3.国家建设部关于建设领域资源节约今明两年重点工作的安排意见建科[2005]98号 [J],4.建设部关于加快推进建筑市场信用体系建设工作的意见〈建市[2005]138号〉[J],5.建设部、国家安全监管总局关于加强建设工程安全生产工作的紧急通知(建质[2005]135号) [J],因版权原因,仅展示原文概要,查看原文内容请购买。
呼唤全面推行工程责任保险制度■ 立方数科股份有限公司大数据研究院工程建设行业市场化改革开放以来,我国工程建设基础设施建设经历了“井喷式”发展,无论是建筑总量还是建造水平都已居于世界前列。
在这样的宏观背景下,加快工程建设行业的市场化步伐,成为中国工程建设行业深化改革的关键性步骤。
《中华人民共和国国民经济和社会发展第十四个五年规划和二○三五年远景目标纲要》中指出,我们“必须坚定不移扩大开放,持续深化要素流动型开放,稳步拓展制度型开放,依托国内经济循环体系形成对全球要素资源的强大引力场”,政府缔造市场化、法治化、国际化营商环境的目标坚定不移。
在打造“中国建造”升级版的新形势下,工程风险管控、生产要素流动、建立健全公平的营商环境等多方面都在要求加快工程建设行业的市场化进程,而工程建设行业的市场化过程中,要求一整套与之相适应的市场机制,其中非常重要的一项就是工程责任保险的全面推行,它是我国工程建设从行政管控走向市场化自律的重要基础,意义重大。
我国工程责任保险的发展现状工程责任保险是“责任保险”在工程建设领域的对应实施险种,为建设行为主体(投保人)通过保险机制,分散和转嫁其不可避免又无力承担的责任风险。
本世纪初,我国积极加入世界贸易组织(WTO),建筑市场要面向国际市场开放,建立工程责任保险制度是与国际市场接轨的重要举措。
在海外市场中,工程责任保险已经发展了将近200年,美国、日本、欧洲等发达国家和地区均已形成较为成熟的建设工程保险管理机制、法律体系和市场体系。
2000年1月,北京、上海、深圳正式启动工程设计责任保险试点。
在此基础上,2003年原建设部先后发文,要求全面推行工程保险制度,并协调有关部门出台有利于推进工程责任保险的法规制度,规范工程保险市场秩序;重点推进和开办设计责任险和工程质量保证保险等险种等。
同年年末,下发了《关于积极推进工程设计责任保险工作的指导意见》(建质[2003]218号),要求“各地建设行政主管部门要充分认识建立工程设计责任保险制度的重要性,结合本地区的实际,积极、稳妥地推进此项工作,力争于2004年年底前,在全国范围内建立工程设计责任保险制度。
工程质量保险制度
工程质量保险制度是指在建筑工程、交通工程、水利工程等领域中,为保障工程质量,减少工程质量事故的发生,保护建设单位、施工单位和投资者的利益而建立的一种保险制度。
该制度的实施可以有效地提高工程质量,降低工程质量事故的发生率,保障建设单位、施工单位和投资者的利益,促进工程建设的可持续发展。
工程质量保险制度的实施需要建立完善的法律法规和政策体系,明确保险责任和保险范围,规范保险公司的经营行为,加强监管和评估,确保保险制度的有效实施。
同时,还需要建立健全的工程质量管理体系,加强工程质量监督和检测,提高工程质量水平,减少工程质量事故的发生。
工程质量保险制度的实施可以为建设单位、施工单位和投资者提供一定的保障,降低他们的风险和损失。
同时,也可以促进保险业的发展,增加保险公司的业务量和收益,提高保险公司的盈利能力。
此外,还可以促进工程建设的可持续发展,提高社会经济效益和环境效益。
工程质量保险制度的实施对于保障工程质量、降低工程质量事故的发生率、保护建设单位、施工单位和投资者的利益、促进保险业的发展、提高工程建设的可持续发展等方面都具有重要的意义和作用。
因此,我们应该加强对工程质量保险制度的研究和推广,推动其在工程建设领域的广泛应用。
关于推进建设工程质量保险工作的意见(建质[2005]133号)
关于推进建设工程质量保险工作的意见
建质[2005]133号
各省、自治区建设厅,直辖市建委,各保监局:
为进一步完善我国建设工程质量保证机制,发挥市场在建设工程质量保证机制中的基础性作用,有效防范和化解工程风险,根据《中华人民共和国建筑法》、《中华人民共和国保险法》和《建设工程质量管理条例》,现就推进建设工程质量保险工作提出以下意见:
一、随着我国加入WTO及政府职能的转变,以及工程建设法律、法规的健全,人民群众维权意识的提高,需要进一步改革和完善工程质量保证机制,在工程建设领域引入工程质量保险制度。
建设工程质量保险对于化解工程建设各方技术及财务风险、维护社会稳定、促进建设各方诚实守信都具有重要意义。
建立起完善的建设工程质量保险制度,有利于用经济手段切实保护消费者权益,确保最终用户的利益;有利于使法律法规所规定的各方质量责任落到实处;有利于形成优胜劣汰的市场竞争机制,规范市场秩序,发挥市场配置建设资源的基础性作用。
二、建设工程质量保险是一种转移在工程建设和使用期间由可能的质量缺陷引起的经济责任的方式,它由能够转移工程技术风险、落实质量责任的一系列保险产品组成,包括建筑工程一切险、安装工程一切险、工程质量保证保险和相关职业责任保险等。
其中,工程质量保证保险主要为工程竣工后一定期限内出现的主体结构问题和渗漏问题等提供风险保障。
三、各地建设行政主管部门和保险监管部门要加强对工程质量保险工作的指导,有关单位也要高度重视,积极参与,主动配合,共同推进工程质量保险工作健康发展。
(一)大型公共建筑和地铁等地下工程的建设单位要高度重视技术风险管理工作,应积极投保建设工程质量保险。
其他类型的工程为了加强风险管理,也应根据情况投保建设工程质量保险。
工程勘察单位、设计单位、监理单位、施工图审查机构、工程质量检测机构等应积极投保相应的责任保险。
(二)商品房的开发单位以及施工单位应积极投保建设工程质量保证保险等关系到工程使用人利益的相关保险。
(三)鼓励建设单位(或开发单位)牵头,就建设工程项目统一投保。
(四)保险公司要努力发展风险管理技术,对投保的工程项目,可委托有资质的工程监理单位、工程质量检测单位、经建设行政主管部门认定的施工图审查机构对建设工程施工图设计文件和施工过程进行检查,或进行技术风险分析评估,根据工程技术风险状况,逐步实行费率差异化。
(五)各有条件的保险公司应遵循市场经济规律,在有效防范风险的前提下,积极开发能满足工程建设需要的保险产品。
保险条款既要符合国际惯例,又要适应我国基本建设规模大、地区发展不平衡的实际情况。
四、各地建设行政主管部门和保险监管部门应共同推动工程技术风险评级体系的建立,并充分发挥各行业协会在制定工程质量保险合同示范文本、教育培训等方面的作用,加强有关工程损失案例和数据的搜集与共享。
要在不断总结和改进试点工作的基础上,积极稳妥地全面推进实施建设工程质量保险制度。
中华人民共和国建设部
中国保险监督管理委员会
二○○五年八月五日。