(完整版)社会管理和公共服务综合标准化试点评估计分表
- 格式:doc
- 大小:67.51 KB
- 文档页数:4
南京市质量技术监督局、南京市发展和改革委员会关于下达我市现代服务业集聚区标准化试点项目的通知文章属性•【制定机关】南京市质量技术监督局,南京市发展和改革委员会•【公布日期】2007.11.05•【字号】•【施行日期】2007.11.05•【效力等级】地方规范性文件•【时效性】现行有效•【主题分类】机关工作正文南京市质量技术监督局、南京市发展和改革委员会关于下达我市现代服务业集聚区标准化试点项目的通知有关项目承担单位、各区县质监局(分局)、各区县发改局:为推进我市现代服务业集聚区建设,更好地引导服务业健康快速发展,根据市质监局、市发改委下发《关于推进我市现代服务业集聚区开展标准化试点工作的意见》(宁质技监标字[2007]152号、宁发改服务字[2007]576号)的布置。
截止日前,经各区县质监局、发改局推荐,地方政府同意,各单位自主申报,共收集申报项目20项,涉及中央商务区、软件园、商贸暨产品交易市场集聚区、旅游休闲集聚区、科技创业园等现代服务业集聚区重点建设领域。
为做好今年我市现代服务业集聚区标准化试点工作,现将确定项目及相关要求通知如下:一、项目计划围绕我市22个现代服务业集聚区建设计划和推进重点,结合有关集聚区现有服务标准体系建设情况,本着与省、市级试点同步进行和有现成服务标准优先立项的原则,确定今年我市现代服务业集聚区标准化试点项目7个,培育项目13个,具体名录见附件1。
二、推进要求(一)试点项目1、加强组织管理,落实职责、权限明确的服务标准化试点推进部门(单位)和专(兼)职标准化人员。
明确服务标准化试点工作计划、实施方案、阶段目标和保障措施。
2、建立健全适合试点需要的服务业标准体系,重点健全服务质量标准、服务管理标准和服务岗位标准,标准覆盖率达到80%以上,确保服务提供有据可依。
3、围绕服务业标准体系,贯彻执行服务业国家标准、行业标准、地方标准,标准贯彻实施率达到90%以上。
加强标准实施管理和持续改进,建立标准实施档案和标准实施检查制度,不断完善服务标准,增强标准化工作有效性。
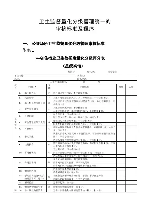
附表 1单位名称地址卫生许可证编号:项评查内容目1.卫生许可证2.亮证经营3.卫生信誉度等级公示4.卫生管理制度5.自查记录6.卫生管理及人员7.体检培训8.个人卫生卫生管检测报告9.理10.集中空调评价报告11.集中空调档案12.客用化妆品13.消毒间14.消毒间环境消毒设施(化学、物理消毒可二选一)15.消毒药品消毒药物配比容器16.非一次性拖鞋消毒17.清洗消毒程序18.客用饮具19.布草间住宿业卫生监督量化分级评分表总得分:标化分:核定等级:负责人联系电话第号分评查标准得分备注数※无有效卫生许可证;不予评定等级。
2卫生许可证悬挂在大厅、入口等醒目处;不合格扣 2 分。
2公共场所卫生信誉度等级标识悬挂在大厅、入口等醒目处;不合格扣 2 分。
4卫生管理制度齐全;不合格扣 2 分卫生管理制度置于相应岗位的墙上;不合格扣 2 分。
4有自查记录;不合格扣 4 分。
每月至少自查一次;缺一次扣 2 分,扣完为止。
6有健全的卫生管理体系;不合格扣 3 分。
配备专职或兼职的卫生管理人员;不合格扣 3 分。
6直接为顾客服务从业人员具备有效体检、培训证明;缺一人扣2 分,扣完为止。
从业人员个人卫生良好(不留长指甲、不涂指甲油及不佩带饰4物);不合格扣 2 分。
从业人员操作时穿戴洁净工作服;不合格扣 2 分。
6持有效公共场所卫生检测评价报告;不合格扣 6 分。
6持有效集中空调系统卫生学评价报告;不合格扣 6 分。
通风管道清洗资料,不合格扣 1 分。
空气过滤、冷凝盘管、加湿器等设备清洗、消毒记录;不合格4扣1分。
开放式冷却塔清洗、消毒记录;不合格扣 1 分。
空调系统竣工图;不合格扣 1分。
无过期产品;不合格扣 6 分。
6产品标签标注齐全;缺一个标注扣 2 分,扣完为止。
产品有效卫生许可批件;每件扣2分,扣完为止。
※未设立专用密闭消毒间;不予评定等级。
消毒间不能正常使用;不予评定等级。
消毒间面积与接待能力不适应不予评定等级。
卫生监督量化分级管理统一的审核标准及程序一、公共场所卫生监督量化分级管理审核标准附表1**省住宿业卫生信誉度量化分级评分表(星级宾馆)被监督单位陪同人(签字):卫生监督执法人员(签字):、年月日年月日填表说明1. 本表适用于星级宾馆、客房均为自带卫生间和床位数>50的非星级宾馆。
2.“项目”栏为一级指标,“评查内容”栏为二级指标,“评查标准栏”为三级指标。
3.※为关键项,不合格不予评定等级。
4.标化分﹦100×实得分/应得分,应得分=112-合理缺项总分。
5.核定等级:依照标化分为进行评级,具体标准如下:(1)标化分为90分以上者,评为优秀,核定为A级;(2)标化分为70-89分者,评为良好,核定为B级;(3)标化分为60-69分者,评为合格,核定为C级;(4)标化分低于60分者,不予评定等级。
6.评查内容扣分,均扣完为止,不能出现负分。
附表2**省住宿业卫生信誉度量化分级评分表(普通旅店)总得分:标化分:核定等级:被监督单位陪同人(签字):卫生监督执法人员(签字):、年月日年月日填表说明1. 本表适用于普通旅店。
2.“项目”栏为一级指标,“评查内容”栏为二级指标,“评查标准栏”为三级指标。
3.※为关键项,不合格不予评定等级。
4.标化分﹦100×实得分/应得分,应得分=93-合理缺项总分。
5.核定等级:依照标化分为进行评级,具体标准如下:(1)标化分为90分以上者,评为优秀,核定为A级;(2)标化分为70-89分者,评为良好,核定为B级;(3)标化分为60-69分者,评为合格,核定为C级;(4)标化分低于60分者,不予评定等级。
6.评查内容扣分,均扣完为止,不能出现负分。
附表3游泳场所卫生监督量化分级管理评分表综合评定总得分:;合理缺项分:;标化分:;核定等级:级。
被监督单位陪同人(签字):卫生监督人员(签字):、年月日年月日注:1. 有合理缺项的须进行标化。
标化分﹦100×实得分/应得分,应得分=100-合理缺项总分。
全国旅游标准化试点企业工作标准序号评估项目最高得分分档计分检查得分1 旅游标准化组织100 100 1.1 领导及工作机构1.1.1 成立旅游标准化试点工作机构10 10 说明:本单位由总经理张军亲自抓标准化创建工作,得10分。
1.1.2 机构负责人定期召开标准化工作会议,部署相关工作10 10说明:自创建伊始,我单位已召开8次会议,进行标准化工作部署,有会议记录及影像资料,得10分。
1.2 组织管理1.2. 1编制试点方案,明确目标和任务8 8 说明:我单位试点工作实施方案是结合本单位实际工作制定的,工作目标、任务和步骤明确,符合各岗位需要,部门任务明确,责任分解到人,具有较强的操作性,得8分1.2.2定期向开封旅游网旅游标准化信息交流平台发布试点工作信息9 9 说明:试点期间我单位报送信息简报18条,得9分。
1.2.3建立明确的监督检查制度8 8 说明:试点期间对试点工作检查督促达到6次,得8分1.2.4 企业对标准化工作有专项政策1.2.4.1 对标准化工作有专项预算资金并按预算执行8 8 说明:我单位为支持标准化试点工作,设有五万元专项资金,得8分。
1.2.4.2 对部门或员工有表彰奖励7 7 说明:我单位结合年度工作,尤其是在标准化创建工作当中成绩突出的员工进行了表彰和奖励,得7分。
1.3 宣传推广1.3.1 召开试点启动大会 5 5 说明:我单位于2014年12月6日,召开了试点启动大会,有会议通知、议程、简报等记录,得5分。
1.3.2 利用各类社会媒体进行宣传10 10 说明:我单位在中国质量报、河南电视台、开封电视台、开封广播电视报进行了标准化创建工作的宣传和推广,得10分。
1.3.3 在单位内部进行宣传10 10说明:我单位网站设有创建标准化工作的专栏,由专人负责,并定期更新;单位定期对部门和员工进行检查、考核,使员工对企业标准化及试点工作知晓度逐步提高。
得10分1.3.4 结合单位业务进行宣传15 15说明:我单位利用电视、报纸、网站、LED显示屏、宣传栏开展标准化基础知识、企业标准化工作推进情况、企业标准化工作成果的宣传,得15分。
可编辑修改精选全文完整版战略新兴产业标准化试点项目考核验收评分表项目名称:总分:专家签字:— 10 —AA省服务业标准化试点项目考核验收评分表项目名称:总分:— 11—— 12—— 13—— 14——15—专家签字:AA 省社会事业标准化试点项目考核验收评分表项目名称: 总分:— 16 —— 18 —— 17 —专家签字:— 19 —附件2AA省标准化试点申请书试点名称:试点类型:申报单位(章):推荐单位:AA省市场监督管理局AA省发展和改革委员会年月日— 20 —填写说明1、“试点名称”应按试点具体产业填写为:“XXX标准化试点”。
其中,战略性新兴产业标准化试点应按标准化对象填写为:“XXX战略性新兴产业标准化试点”,如:精密液压元件战略性新兴产业标准化试点。
2、“试点类型”有战略性新兴产业、服务业和社会事业共3类。
3、“推荐单位”为设区市市场监督部门或省直部门,名称应填写全称。
4、“申报单位简介”应简述申报单位规模,近两年利税和运营情况,产业发展模式及水平,与国内外的情况比较,科研技术成果、专利、自主知识产权等。
其中,战略性新兴产业标准化试点还应简述高新技术产品认定或是否拥有自主知识产权的核心技术。
5、“标准化工作基础、存在问题和需求”简述申报单位有无专兼职标准化部门,主导或参与制修订国家、行业、地方标准情况,标准体系及标准覆盖率,存在问题以及拟制定标准、标准化工作需求分析等。
6、“试点工作目标”包括标准体系建立、标准制定数量、标准化人才培养、内部管理、科技成果转化、经济社会效益等。
工作目标分为总体目标和具体目标,总体目标应高度概括试点创建的特点和效益,具体目标设置应对照验收考核表,定性与定量相结合,体现标准化元素。
7、“工作内容与工作计划”,工作内容包括目的意义、总体任务、组织管理、运行机制与保障措施。
工作计划包括宣传培训、标准体系建立、组织实施标准、持续改进、自查、申请评估等阶段的工作步骤、时间进度、阶段工作内容。
附件1关于推进服务标准化试点工作的意见各省、自治区、直辖市质量技术监督局,发展和改革委员会,民政厅(局),商务厅,体育局,旅游局:近年来,各地积极开展服务标准化试点工作,取得了一定的成效。
实践证明,服务标准是规范服务行为和服务市场、增强服务企业自律和调整服务企业与消费者关系的重要技术支撑;推进服务标准化工作是构建和谐社会、建立诚信服务的具体措施,也— 1 —是优化服务产业结构、促进服务业可持续发展的重要手段。
为加快服务标准化工作的深入开展,提高我国服务业的整体水平,促进我国和谐社会的建设。
经研究,决定在全国范围内进一步推进服务标准化试点工作。
现提出如下意见:一、指导思想以邓小平理论和“三个代表”重要思想为指导,全面贯彻科学发展观,围绕我国服务业的发展方向,以提升我国服务业的整体水平、满足人民群众日益增长的物质和文化生活的需要为目标,进一步加快服务标准的制定、实施和推广,规范服务业管理,保障服务安全,提高服务质量,为我国服务业的有序、健康、协调发展提供支撑,为构建社会主义和谐社会作出贡献。
二、基本原则(一)政府推动与中介服务相结合。
既要依靠政府的力量,推动服务标准化在全社会得到广泛认同和普遍实施,又要发挥中介服务组织的作用,运用市场机制激发市场主体的积极性和创造性,加快服务标准化进程。
(二)标准的制定与行业发展要求相结合。
服务标准的制定过程和实际内容要体现行业特点,满足行业发展需求,内容及时更新。
(三)标准的实施与规范行业行为相结合。
服务标准的实施过程要立足于规范服务业行为,提高服务业管理水平和市场竞争力,维护服务提供者和消费者的合法权益。
(四)标准的实施方法与评价相结合。
推广实施服务标准要—2 —讲究方法,要通过对实施效果的评估,不断摸索和总结经验,将实施过程、实施方法与实施效果的评价有机结合起来。
(五)试点效果与创建服务品牌相结合。
将创建服务品牌作为衡量实施效果的重要指标,引导服务企业向标准化、品牌化的方向发展。
国家标准化管理委员会关于印发《服务业标准化试点实施细则》的通知正文:----------------------------------------------------------------------------------------------------------------------------------------------------国家标准化管理委员会关于印发《服务业标准化试点实施细则》的通知(国标委服务联[2009]47号)各省、自治区、直辖市质量技术监督局、发展和改革委员会:现将《服务业标准化试点实施细则》印发你们,请结合本地区实际,认真组织有关部门抓好服务业标准化试点的实施。
尽快制定和完善各项配套政策措施,切实加强对试点工作的指导和支持,确保取得实效。
二〇〇九年七月一日服务业标准化试点实施细则第一章总则第一条为贯彻落实《国务院办公厅关于加快发展服务业若干政策措施的实施意见》(国办发[2008]11号),提高服务业整体发展水平和国际竞争力,促进和谐社会建设,推动服务业标准化试点(以下简称试点)工作的有序开展,更好发挥标准化对服务业发展的促进作用,培育服务品牌,根据国家标准化管理委员会、国家发展和改革委员会等六部委下发的《关于推进服务标准化试点工作的意见》(国标委农联[2007]7号)制定本细则。
第二条本细则所称的服务业标准化试点是指由国家标准化管理委员会和国家发展和改革委员会牵头并会同国务院有关部门和地方质量技术监督局、地方有关部门共同组织,开展以建立和实施服务业标准体系为主要内容,以实现管理规范、服务质量良好、顾客满意度高为目标的探索性活动。
第三条试点分为国家级试点和省级试点。
国家级试点工作由国家标准化管理委员会和国家发展和改革委员会牵头组织和管理,并会同国务院相关部门共同推进。
省级试点工作由各省、自治区、直辖市质量技术监督局及发展和改革委牵头组织和管理,并会同相关部门共同推进。
附件1-2服务标准化试点评估准则(试行)第一条为推动服务标准化试点工作,提高服务业标准化水平,保障服务标准化试点评估工作的有序开展,制定本准则。
第二条服务标准化试点评估工作要围绕《关于推进服务标准化试点工作的意见》,按照推进服务标准化试点工作的总体要求开展。
第三条服务标准化试点评估工作由省级标准化主管部门会同有关行业主管部门负责,同时应积极发挥中介组织和行业协会的作用。
第四条试点期满,试点单位可按照《服务标准化试点评估计分表》自查,自查合格的可向省级标准化主管部门提出评估申请。
第五条试点单位三年内如发生过重大质量、安全、环保等事故的,或受过通报批评、处分、媒体曝光的,将不予受理。
第六条评估组由有关方面的专家和管理人员组成,成员一般为3-5人。
第七条评估组依据评估计分表对试点单位进行现场考核评估,并根据试点单位的实际情况制定评估方案。
第八条现场考核评估程序:(一)宣布评估组成员、评估程序及有关事宜;(二)评估组听取试点单位工作汇报;(三)查阅必备的文件、记录、标准文本等资料;(四)考核服务现场;(五)随机调查消费者满意程度;(六)依据评估计分表进行测评;(七)形成考核评估结论;(八)评估组向试点单位沟通评估情况,提出改进意见和建议。
第九条评估组向省级标准化主管部门提交试点单位评估报告以及考核评估结论。
一般现场考核评估得分达到80分以上的试点为合格。
第十条省级标准化主管部门会同有关行业主管部门,根据评估报告、考核评估结论和申请材料,确定并公布试点评估结果。
对未通过评估的试点单位提出整改意见,对通过评估的试点单位颁发“服务标准化单位”证书。
第十一条“服务标准化单位”证书有效期为三年。
到期须重新申请,并由原发证部门认定。
第十二条试点合格单位,一经发现与标准不符或给消费者带来利益损害的行为时,发证部门可视情节作出书面警告、通报批评,直至撤销证书的处理。
证书被撤销的,两年内不得重新申请试点。
附件1-3顾客满意度调查方法一、原则满意度是衡量企业服务质量优劣的一个指标。