原子吸收光谱法测定水样中铝的含量
- 格式:pdf
- 大小:265.75 KB
- 文档页数:2
石墨炉原子吸收光谱法测定水产品中的铝张美琴1,2,罗 玲3,陈海仟4,李 萍1,2,吴光红1,2,*(1.农业部渔业产品质量监督检验测试中心(南京),江苏 南京 210017;2.江苏省淡水水产研究所,江苏 南京 210017;3.中国药科大学药学院,江苏 南京 211198;4.江苏同生科技有限公司,江苏 南京 210042)摘 要:应用微波消解-石墨炉原子吸收光谱法测定水产品中铝的含量,通过多次实验优化实验条件,建立水产品中铝的测定方法,对水产品及标准物质中铝含量进行实样检测,并且对铝的线性范围、最低检测限、回收率、精密度和准确度进行评价验证。
结果表明:铝在1.63~40.0μg/L 范围内,与其吸光度呈良好的线性关系,线性方程为Y =0.0204X +0.1461,线性系数r =0.998;铝最低检测限为1.63μg/kg ;在鲈鱼、对虾和梭子蟹等水产样品中添加5.00mg/kg 的铝溶液,回收率达到100.20%~101.73%,相对标准偏差为3.98%~5.85%;标准物质扇贝中铝含量的检测值在标准物的允许误差范围内。
该方法灵敏度高,准确可靠,适合水产品中痕量铝的检测。
关键词:水产品;铝;石墨炉原子吸收光谱法Determination of Aluminum in Aquatic Products by Graphite Furnace Atomic Absorption SpectrometryZHANG Mei-qin 1,2,LUO Ling 3,CHEN Hai-qian 4,LI Ping 1,2,WU Guang-hong 1,2,*(1. Fishery Products Quality Supervision and Testing Center (Nanjing), Ministry of Agriculture, Nanjing 210017, China ;2. Freshwater Fisheries Research Institute of Jiangsu Province, Nanjing 210017, China ;3. College of Pharmacy, China Pharmaceu-tical University, Nanjing 211198, China ;4. Jiangsu Tongsheng Technology Co. Ltd., Nanjing 210042, China)Abstract :In order to develop a microwave digestion followed by graphite furnace atomic absorption spectrometry (GFAAS)method to determine aluminum in aquatic products, sample pretreatment and instrumental conditions were optimized. The detection limit of the method was 1.63μg/kg and the linear range was from 1.63 to 40.0μg/L (Y = 0.0204X + 0.1461, r = 0.998).Adding 5.00 mg/kg aluminum solution into perch, prawn and portunid samples, the recoveries were from 100.20% to 101.73%,and the RSDs from 3.98% to 5.85%. The contents in the scallop certified reference material determined by the method were in the allowable range. The method has high sensitivity and accuracy and, consequently is suitable for the determination of aluminum in aquatic products.Key words :aquatic products ;aluminum ;graphite furnace atomic absorption spectrometry (GFAAS)中图分类号:TS207.3 文献标识码:A 文章编号:1002-6630(2011)10-0156-04收稿日期:2010-08-24基金项目:江苏省科技基础设施建设计划项目(BM2008158)作者简介:张美琴(1969—),女,高级工程师,硕士,主要从事水产品中重金属的检测研究。
石墨炉原子吸收分光光度法检测分析自来水中的铝摘要:自来水是生产和生活中比较重要也是最为常见的水资源,自来水的卫生质量是人们饮用水安全的重要保证,但随着工业化的不断深入,环境污染问题越来越严重,尤其是其中的酸雨问题,会使土壤中的铝元素溶出,并渗透到地下水中,严重污染人们的饮用水,本文就这一问题进行探究。
关键词:石墨炉;自来水;检测分析;铝一、石墨炉原子吸收分光光度法检测分析自来水中铝的研究背景(一)自来水中铝含量过多的危害铝是一种银白色的轻金属,具有很好的延展性,并且铝元素在地壳中的含量仅次于氧和硅,位居第三位,是地壳中含量最为丰富的金属元素,含量高达8.3%,在航天、建筑、汽车等领域的应用非常广泛。
铝的硬度仅次于金刚石,具有熔点高、耐腐蚀的特点,在金属中仅次于钢铁位居第二。
但是除了这些优点以外,铝也有许多的危害,在2017年10月27日,世界卫生组织国际癌症研究机构公布的致癌清单中,铝制品处于致癌清单的前列,对人体有着一定的危害。
不仅如此铝作为一种低毒且非人体必需的微量元素,是多种脑部疾病的重要因素,摄入过多可能会导致阿尔茨海默病。
近年来随着工业化的不断深入,环境污染的问题日益严重,尤其是酸雨的问题,会使土壤中的铝元素溶出,并深入到地下水中,严重危害饮用水的安全。
综上所述,对自来水中的铝元素检测是至关重要,不仅可以了解自来水的污染情况,还可以给饮用水的安全提供保障。
(二)自来水中铝检测的现状和问题现阶段自来水中铝检测的方法主要有以下几种,分别是原子吸收分光光度法、可见光分光光度法、荧光分光光度法、返滴定法四种。
其中原子吸收分光光度法是使用物质在反应中产生的原子蒸气,而后依据待测元素特征谱线的吸收作用来进行定量分析,这种方式具有简单快捷的特点,但其中用到的火焰材料灵敏度并不高,水中微量的铝元素很难测定出来。
而可见光和荧光分光光度法虽然可以检测出自来水中铝的含量,但是灵敏度不高、检测的范围小、使用萃取剂使操作变得复杂等缺点,也导致这两种检测自来水中铝含量的方式并不可取。
石墨炉原子吸收光谱法测定环境水样中的铝含量作者:胡蓝天来源:《科技与创新》2014年第12期摘要:以实验研究的方式建立石墨炉原子吸收光谱法测定环境水样中铝含量的方法,介绍了实验的主要材料和具体操作过程,并分析了实验结果。
关键词:石墨炉;原子吸收光谱法;线性关系;铝含量中图分类号:O657.31;TS207.51 文献标识码:A 文章编号:2095-6835(2014)12-0151-02社会经济的不断发展促进了人们生活质量的提高,可持续发展观念的深入使得人们的环保理念逐渐增强,对城市的居住环境提出了更高的要求。
在众多环境保护工作中,铝在环境水体中的检测逐渐跃升为人们关注的焦点。
金属铝是水体中的主要污染物,假如水中的铝含量过高,不仅会对水生生物带来严重的危害,而且会以食物链的方式直接对人们的健康造成严重威胁,对自然界生态环境的平衡造成影响,所以必须加强对水中铝元素含量的监测工作。
目前,检测铝含量的方法主要有原子荧光法、火焰原子吸收法和石墨炉原子吸收光谱法等,其中石墨炉原子吸收光谱法具有消耗电能少、设备精简和便于操作的优势。
1 资料和方法1.1 检测仪器和试剂1.1.1 检测仪器实验采用novAA400型号的石墨炉原子吸收分光光度检测仪器、WA-2050S自动进样器、校准曲线的自动化在线稀释和铝空式心阴极灯。
1.1.2 仪器的参数1.1.3 标准配置的铝储备液采用国家级物质中心标准配置的质量浓度为200 ug/L的铝储备溶液,物质国标号为GBW (E)107595.1.1.4 标准配置的铝使用液用质量分数为0.3%的硝酸把标准配置的铝储备液稀释到质量浓度为0.1 g/L的标准配置铝使用液。
1.1.5 标准配置的硝酸采用符合高级、纯正标准的硝酸。
1.2 方法将设备仪器参数设定到标准值,并将其调整到最佳状态。
用质量分数为0.3%的硝酸溶液作为空白试剂,将质量浓度为0.02 mg/L的标准配置铝溶液稀释到标准测定的规定曲线阀值。
水中铝的检测方法及研究进展[摘要] 结合国内外的研究进展,综述了水中铝的各种检测方法,并展望了铝在检测方法上的发展趋势。
[关键词] 水铝检测进展铝是重要的金属元素,在自然界中含量丰富,在地壳中分布广泛,含量高达8.8%(重量),仅次于氧、硅位居第三。
存在的最主要形式是复硅酸盐及风化产物[1],主要矿物为冰晶石、铝土矿和高岭土,活性溶解态的铝含量非常有限,一般不会对植物的根系造成伤害,也很少被人体消化道吸收。
在生物体内,铝的含量很少,被称为微量元素。
长期以来,铝一直被认为是无毒元素,但随着它在人们生活中的广泛应用,使其对环境的污染日益突出,尤其是对水环境的污染。
过量铝不仅对各类水生生物,植物等有强烈的毒害作用,还会导致人体多种疾病[2]。
因此,水中铝检测方法的探讨也日益成为人们关注的热点。
本文对几种检测方法做简单的论述,以便为今后的研究提供参考。
1.水中铝的检测方法1.1 分光光度法分光光度法是基于郎伯-比耳定律,即被测物质的浓度与吸光度呈线性关系来进行定量分析的方法。
分光光度法在水中铝的测定中有广泛的应用,根据所用显色剂的不同,有7-碘-8-羟基喹啉-5-磺酸荧光分光光度法,铬天青S——溴化十六烷基三甲胺分光光度法,铍试剂Ⅲ分光光度测定法和铝试剂分光光度法等。
1.1.1 7-碘-8-羟基喹啉-5-磺酸荧光分光光度法杨阳[3]等研究了在502nm波长下,以pH5.0的乙酸-乙酸钠为缓冲液,依据铝与H2QSI(7-碘-8-羟基喹啉-5-磺酸荧光分光光度法)结合成的二元配合物和有CTMAB(六烷基溴化铵)存在下形成的三元配合物以及试剂空白的荧光强度与水中铝的含量呈线性关系,建立了测定水中铝含量的7-碘-8-羟基喹啉-5-磺酸荧光分光光度法。
结果表明,用该法测水中铝的含量,平均回收率达96.0%,精密度较好,其检测范围为0.01—0.3mg/L,且该法操作简便,不需要有机溶剂萃取即可直接测定,易于掌握适合生活饮用水中铝的测定。
火焰原子吸收光度法测定水中铝的方法改进一、研究背景:现状:铝是一种对人体健康有害的元素, 可在人体积蓄并产生慢性毒性。
研究证实,脑组织对铝元素有亲和性,脑组织中的铝沉积过多,可使人记忆力减退、智力低下、行动迟钝、催人衰老。
日前侧定环境水体中痕量铝的方法主要有分光光度法、荧光分析法和原子吸收光度法。
用火焰原子吸收光度法( FAAS ) 测定铝时共存离子的干扰十分严重, 同时铝在火焰中生成难溶性化合物,测定灵敏度极低。
目的:改进FAAS法测定水中铝含量的方法。
意义:用于环境水体中铝的测定, 操作简便、快速、准确的高。
二、研究内容:1、反应介质的选择。
2、表面活性剂的选择,测定表面活性剂对体系A 的影响3、测定助燃比对测定体系灵敏度的影响。
4、绘制工作曲线和计算检出限。
5、实际试样及回收率的测定。
三、研究方法:对比法:在最佳仪器操作条件下, 加人质量浓度为75.0ug/ml的铝标准溶液4.0ml分别以硫酸、硝酸、高氯酸、盐酸为介质,考察不同介质对测体系吸光度的影响。
在最佳仪器操作条件下, 加人质量浓度为75.0ug/ml的铝标准溶液4.0mL,分别以PEG 一400、PEG 一200、NP一7、AEO一3、吐温一80和SDBS为表面活性剂, 考察表面活性剂对测定体系A 的影响。
标准曲线法:在25ml容量瓶中分别加人5.0ml体积分数为50%的盐酸,适量质量浓度为0.01g/mL的表面活性剂溶液和4.0ml一定浓度的铝标准溶液后定容, 在原子吸收分光光度计上用FAAS法测定吸光度( A ) ,绘制工作曲线法。
用同样的方法处理待测液,测量吸光度,计算铝的含量。
对照法:取预处理后的试样用铬天青S分光光度法[12]作为对照方法进行对比实验。
四、实验结论:在盐酸介质中, 壬基酚聚氧乙烯一7 醚( N P 一7 ) 活化下, 火焰原子吸收光度法测定环境水体中铝的方法改进。
在25mL 容量瓶中, 加人5.0mL体积分数为50%的盐酸、2.0ml质量浓度为0.01g/mlN P一7和4.0mL 质量浓度为75.0ug/mL的铝标准溶液,在原子吸收分光光度计的最佳测定条件下测定吸光度。
第1篇一、实验目的1. 了解水样中铝的测定原理和方法。
2. 掌握水样中铝的测定操作步骤。
3. 学会运用化学分析方法对水样中铝含量进行测定。
二、实验原理铝是一种常见的金属元素,广泛存在于自然界和人类生活中。
水样中的铝主要来源于土壤、岩石、工业排放等。
铝对人体的健康有一定影响,因此,测定水样中的铝含量具有重要意义。
本实验采用分光光度法测定水样中的铝含量。
其原理是:在一定的pH值下,铝离子与显色剂形成稳定的络合物,该络合物在特定波长下有最大吸收,通过测定其吸光度,即可计算出铝的含量。
三、实验仪器与试剂1. 仪器:分光光度计、电子天平、容量瓶、移液管、锥形瓶、烧杯、滴定管等。
2. 试剂:(1)硝酸:分析纯;(2)氢氧化钠:分析纯;(3)铝标准溶液:1000mg/L;(4)显色剂:分析纯;(5)其他试剂:无水碳酸钠、氯化钠、盐酸等。
四、实验步骤1. 准备工作(1)将实验仪器清洗干净,并用蒸馏水冲洗;(2)配置铝标准溶液:准确吸取1.00mL 1000mg/L铝标准溶液于100mL容量瓶中,用蒸馏水定容至刻度,得到10.0mg/L铝标准溶液;(3)配置显色剂:按照试剂说明书配置显色剂。
2. 样品测定(1)准确吸取5.00mL水样于50mL锥形瓶中;(2)加入5.0mL硝酸,混匀;(3)加入0.5g无水碳酸钠,混匀;(4)加入5.0mL显色剂,混匀;(5)室温下放置15分钟;(6)用1cm比色皿,于660nm波长处,以试剂空白为参比,测定吸光度。
3. 结果计算(1)根据标准曲线,得到水样中铝的浓度;(2)计算水样中铝的质量;(3)计算水样中铝的含量。
五、实验数据与结果1. 标准曲线绘制以铝标准溶液的浓度为横坐标,吸光度为纵坐标,绘制标准曲线。
2. 水样中铝含量的测定根据标准曲线,得到水样中铝的浓度为0.050mg/L。
3. 结果计算水样中铝的质量为:0.050mg/L × 0.005L = 0.00025g水样中铝的含量为:0.00025g ÷ 5.00mL = 0.005mg/L六、实验结论本实验采用分光光度法测定水样中的铝含量,操作简便、准确度高。
第1篇一、实验目的1. 掌握水中铝的测定方法;2. 了解不同测定方法的特点和适用范围;3. 提高化学实验操作技能。
二、实验原理水中铝的测定方法有多种,本实验采用原子吸收光谱法(AAS)测定水中铝的含量。
原子吸收光谱法是基于试样中被测元素原子蒸气对特定波长的光产生吸收,其吸光度与被测元素浓度成正比,从而测定水中铝的含量。
三、实验仪器与试剂1. 仪器:原子吸收光谱仪、高压气瓶、玻璃量器、水浴锅、磁力搅拌器等。
2. 试剂:(1)硝酸(1+1):将1体积硝酸与1体积水混合;(2)铝标准溶液:浓度为1000mg/L;(3)去离子水。
四、实验步骤1. 标准曲线的绘制(1)取6个50mL容量瓶,分别加入0、0.5、1.0、2.0、3.0、4.0mL铝标准溶液,用去离子水稀释至刻度;(2)将标准溶液放入水浴锅中,恒温加热至80℃;(3)用原子吸收光谱仪测定铝的吸光度,以铝浓度(mg/L)为横坐标,吸光度为纵坐标,绘制标准曲线。
2. 样品测定(1)取50mL水样,用硝酸(1+1)溶液酸化;(2)将酸化后的水样放入水浴锅中,恒温加热至80℃;(3)用原子吸收光谱仪测定水样中铝的吸光度;(4)根据标准曲线,计算水样中铝的含量。
五、实验结果与分析1. 标准曲线的绘制绘制标准曲线,得到线性回归方程:y = 0.0062x + 0.0028,相关系数R² =0.9999。
2. 样品测定根据标准曲线,计算水样中铝的含量为:0.85mg/L。
六、实验结论本实验采用原子吸收光谱法测定水中铝的含量,结果表明,该方法操作简便、快速、准确,适用于水中铝的测定。
七、实验注意事项1. 在实验过程中,注意安全操作,避免硝酸等试剂对人体造成伤害;2. 实验过程中,保持仪器设备的清洁,防止污染;3. 在绘制标准曲线时,注意选择合适的线性范围;4. 在测定样品时,严格控制水浴温度和时间,以保证实验结果的准确性。
八、实验总结通过本次实验,我们掌握了水中铝的测定方法,了解了不同测定方法的特点和适用范围,提高了化学实验操作技能。
广东化工2020年第23期· 228 · 第47卷总第433期石墨炉原子吸收光谱法测定水中的铝巢文军,张燕波,曾俊源(江苏省常州环境监测中心现场监测科,江苏常州213003)[摘要]采用石墨炉原子吸收光谱法测定水中铝含量,优化了波长、灰化温度和时间、原子化温度和时间、基体改进剂种类和用量的实验条件,选择了酸种类和酸度比例,进行了干扰和消除试验研究。
实验室对电镀废水和地表水实际样品进行了精密度、加标回收率测试,结果满意。
[关键词]石墨炉原子吸收光谱法;水质;铝的测定[中图分类号]X832 [文献标识码]A [文章编号]1007-1865(2020)23-0228-03 Determination of Aluminum in Water by Graphite Furnace Atomic AbsorptionSpectrometryChao Wenjun, Zhang Yanbo, Zeng Junyuan(Field Monitoring Department, Environment Monitoring Center in Changzhou City of Jiangsu Province, Changzhou 213003, China) Abstract: The aluminum content in water was determined by graphite furnace atomic absorption spectrometry. The experimental conditions of wavelength, ashing temperature and time, atomization temperature and time, type and dosage of matrix modifier were optimized. The acid type and acidity ratio were selected, and the interference and elimination experiments were carried out. The precision and recovery rate of electroplating wastewater and surface water samples were tested in laboratory, and the results were satisfactory.Keywords: graphite furnace atomic absorption spectrometry;water;determination of aluminum近年发现铝浓度的增加是酸性土壤里植物受铝毒害和造成大量鱼类等水生物死亡的致毒因素[1],同时人体摄入过量铝可能会导致慢性脑、骨、肾病和非缺铁性贫血乃至痴呆[2]。
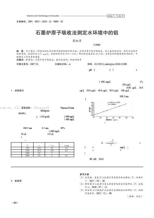
科技与创新┃Science and Technology & Innovation ·80·文章编号:2095-6835(2016)22-0080-02石墨炉原子吸收法测定水环境中的铝廖淑芳(梅州市梅江区环境监测站,广东梅州 514000)摘 要:为了建立一种适合测定水环境中痕量铝的分析方法,采用石墨炉原子吸收法,加入基体改进剂,测定水环境中的痕量铝,检出限为2.57 μg/L,加标回收率为95%~110%,相对标准偏差在4%以内,具有良好的精密度和回收率,可供相关工作参考和借鉴。
关键词:痕量铝;石墨炉原子吸收法;基体改进剂;加标回收率中图分类号:O657.31 文献标识码:A DOI:10.15913/ki.kjycx.2016.22.080铝是一种轻金属,其具有多种优良的性能,被广泛应用于众多领域。
但是,铝与人们的身体健康息息相关。
近年来,随着老年人痴呆症发病率的提高,人们越来越重视水环境中铝的检测。
水环境中铝的测定常采用可见光和荧光分光光度法,但是,该方法受水的浊度、色度等因素干扰,测定重复性差。
而火焰原子吸收法灵敏度低,预处理较为烦琐。
基于此,笔者初步研究了使用石墨炉原子吸收法测定水环境中的铝的相关情况。
1 试验部分1.1 方法原理水样品经过处理后,注入石墨炉原子化器,将石墨管加热高温,使铝原子化。
铝的基态原子吸收来自铝空心阴极灯发射的共振线,其吸收强度在一定范围内与铝浓度成正比。
1.2 仪器与试剂仪器:ICE3500型原子吸收分光光度计(美国Thermo Fisher公司),超纯水制备仪(美国Millipore公司),高纯氩气,纯度不低于99.99%.试剂:硝酸(优级纯,ρ=1.423 g/mL),质量浓度为1 000 mg/L的铝标准溶液(购自国家环境标准样品中心),质量浓度为1 000 mg/L的硝酸镁(购自国家环境标准样品中心)。
1.3 仪器条件波长为309.3 nm,通带为0.5 nm,灯电流为80%,背景校正为塞曼,基体改进剂是质量浓度为1 000 mg/L的硝酸镁,进样体积为10 μL,基体改进剂体积为2.0 μL。
一、实验目的1. 熟悉石墨炉原子吸收光谱仪的操作方法;2. 掌握水中铝含量的测定方法;3. 提高分析实验操作技能。
二、实验原理石墨炉原子吸收光谱法是一种高灵敏度的分析方法,适用于测定水、土壤、食品等样品中的铝含量。
实验原理基于原子吸收光谱法,即样品中的铝元素在特定波长下,其原子蒸气对光的吸收强度与铝元素的浓度成正比。
三、实验仪器与试剂1. 仪器:石墨炉原子吸收光谱仪、电子天平、移液器、容量瓶、比色皿等。
2. 试剂:铝标准溶液(1000mg/L)、硝酸、盐酸、氢氧化钠等。
四、实验步骤1. 样品前处理:准确量取一定体积的水样,加入适量硝酸和盐酸,在电热板上加热消解,待溶液呈无色透明后,冷却至室温,转移至容量瓶中,定容。
2. 标准溶液配制:分别吸取不同体积的铝标准溶液,加入适量硝酸和盐酸,在电热板上加热消解,待溶液呈无色透明后,冷却至室温,转移至容量瓶中,定容。
3. 仪器调试:打开石墨炉原子吸收光谱仪,按照仪器说明书进行调试,包括波长选择、狭缝宽度、灯电流等。
4. 标准曲线绘制:分别吸取标准溶液和样品溶液,按照仪器操作规程进行测定,以铝含量为横坐标,吸光度为纵坐标,绘制标准曲线。
5. 样品测定:按照标准曲线测定样品溶液的吸光度,根据标准曲线计算样品中铝的含量。
五、实验数据与结果1. 标准曲线:以铝含量为横坐标,吸光度为纵坐标,绘制标准曲线。
2. 样品测定:根据标准曲线计算样品中铝的含量。
六、实验结果与分析1. 标准曲线:根据实验数据,绘制标准曲线,线性范围为0.00~1.00mg/L,相关系数R²=0.998。
2. 样品测定:根据标准曲线计算样品中铝的含量,结果如下:样品1:铝含量为0.45mg/L;样品2:铝含量为0.55mg/L;样品3:铝含量为0.60mg/L。
七、实验结论本实验采用石墨炉原子吸收光谱法测定水中铝含量,结果表明该方法具有灵敏度高、准确度好、操作简便等优点。
在实验过程中,注意样品前处理、仪器调试、标准曲线绘制等环节,以确保实验结果的可靠性。
石墨炉原子吸收分光光度法测定饮用水中的铝摘要本文介绍了铝对人体健康的影响以及测定铝的多种方法,详细介绍了原子吸收分光光度法,并对火焰原子吸收分光光度法和无火焰原子吸收分光光度法进行了比较,确定了石墨炉原子吸收分光光度法是测定饮用水中痕量铝的优良方法。
本实验应用上海分析仪器厂生产的AA320N型原子吸收分光光度计和GA3202型石墨炉系统测定饮用水中的铝含量,用标准溶液进行条件实验,对最佳调零时间、积分时间、灯电流、狭缝宽度以及原子化温度、清洗温度和酸的种类及用量进行选择,实验过程中,在前人工作的基础上加以改进,采用基体改进剂技术,考查了以上这些条件对原子吸收信号的影响,从而确定了石墨炉原子吸收分光光度法测定饮用水中铝的最佳实验条件。
实验结果表明,延迟时间(调零时间)为5s,积分时间为2s,灯电流为9.0mA,狭缝宽度为1.4nm,原子化温度为27000C,清洗温度为28000C,在硝酸(5%)体系中,用石墨炉原子吸收分光光度法测量水溶液中铝含量,吸光度值稳定或最大,并且选用Ca-抗坏血酸作为基体改进剂,很好的消除了基体干扰。
用该法对渤海大学饮用水中铝进行测定,表明其含量符合国家饮用水标准。
关键词石墨炉,原子吸收分光光度法,测定,铝,饮用水The Determination of Aluminum in Drinking Water with the Graphite Furnace Atomic Absorption SpectrophotometryAbstract Influence of aluminum on human body as well as many kinds of methods of determining aluminum were introduced in the paper, The atomic absorption spectrophotometry was introduced in detail. The flame atomic absorption spectrophotometry (FAAS) was compared with the flameless one. As a result, the graphite furnace atomic absorption spectrophotometry (GFAAS) is a good method in determining aluminum in drinking water.The GA3202 graphite furnace system and AA320N atomic absorption spectrophometer were used in this experiment (which is produced by ShangHai precise analysis instrument plant) to determine aluminum in drinking water. The conditional experiment was carried on with standard solution. The best conditions of determining aluminum in drinking water was determined with the GFAAS, such as the best delay time, integral time, the lamp current, the slit width as well as the atomization temperature, the clean temperature, the type of sour and the amount used. The influence of these conditions on atomic absorbance was examined in the experimental process using the matrix modifier technology.The experiment results indicated that absorbance value is stable or the biggest, when the delay time (adjust to zero time) is 5s, the integral time is 2s, the electric current of lamp is 9.0mA, the atomization temperature is 27000C, the clean temperature is 28000C. In the nitricacid(5%)system, the GFAAS was used to determine aluminum in drinking water. In the meantime, substrate disturbance can be eliminated using calcium-ascorbic acid as the matrix modifier. This method was used to determine aluminum in drinking water of BoHai university, experimental results indicated that its content conforms to the national drinking water standard.Key words graphite furnace, atomic absorption spectrophotometry, determination, aluminum, drinking water目录一、引言 (1)二、测定铝的方法 (2)(一)原子吸收分光光度法 (2)1.无火焰原子吸收分光光度法 (2)2.火焰原子吸收分光光度法 (4)3.火焰原子化与无火焰原子化的比较 (5)(二)可见光分光光度法 (6)(三)荧光分光光度法 (7)(四)电感耦合等离子体发射光谱法 (8)(五)返滴定法 (8)(六)容量法 (9)三、选题意义及研究目的 (9)四、理论依据 (10)(一)原子吸收分光光度法的基本原理 (10)(二)仪器结构 (10)(三)测定方法 (11)(四)影响石墨炉原子吸收法测定饮用水中铝含量的因素 (11)五、实验部分 (15)(一)实验仪器与主要试剂 (14)1.实验仪器 (15)2.实验药品及主要试剂的配制 (15)3.实验方法 (16)(二)最佳工作条件的选择 (16)1.最佳调零时间的选择 (16)2.最佳积分时间的选择 (17)3.最佳灯电流的选择 (17)4.最佳狭缝宽度的选择 (18)5.最佳基体改进剂的选择 (19)6.最佳酸及用量的选择 (19)7.最佳原子化温度和清洗温度的选择 (20)(三)工作曲线的绘制 (21)(四)结论 (22)六、参考文献 (24)七、附录 (26)八、致谢 (31)石墨炉原子吸收分光光度法测定饮用水中铝一、引言铝是自然界中的常量元素,分布广泛。
原子吸收光谱仪测铝元素
原子吸收光谱仪(Atomic Absorption Spectrophotometer,AAS)是一种用于测定金属元素含量的分析仪器,包括测定铝元素。
以下是使用原子吸收光谱仪测定铝元素的一般步骤:
1. 样品制备:
•将待测样品(可能是液体或固体)制备成适合仪器分析的形式。
对于溶液样品,通常需要进行适当的稀释。
对于固体样品,可
能需要使用酸或其他试剂进行溶解。
2. 校准仪器:
•在进行分析之前,必须校准原子吸收光谱仪。
通过使用已知浓度的铝标准溶液进行校准,建立铝浓度与吸光度之间的标准曲
线。
这有助于将实际样品的吸光度转化为相应的铝浓度。
3. 能量调谐:
•调谐光谱仪以选择适当的光谱线,以确保最大的灵敏度和准确性。
铝的常用吸收线通常在可见光或紫外光区域。
4. 吸收测量:
•将校准好的光谱仪应用于实际样品。
样品中的铝吸收光谱中特定波长的辐射,而未吸收的光量与溶液中铝的浓度成正比。
5. 结果计算:
•使用校准曲线和实际样品的吸光度值,计算出铝的浓度。
这通常涉及将吸光度值代入校准曲线方程中,得到对应的铝浓度。
6. 质控:
•进行质控步骤,包括分析标准溶液和质控样品,以确保仪器的准确性和稳定性。
7. 报告结果:
•报告测得的铝浓度,通常以单位为ppm(百万分之一)或mg/L (毫克/升)。
原子吸收光谱仪是一种非常常用的分析仪器,可用于测定多种金属元素的含量。
在测定铝元素时,合理的样品制备和校准过程对于获得准确的结果至关重要。
HZHJSZ00100 水质铝的测定间接火焰原子吸收法HZ-HJ-SZ-0100水质间接火焰原子吸收法铝是自然界中的常量元素由于铝的盐类不易被肠壁吸收铝的毒性不大后经研究表明对胃蛋白酶的活性有抑制作用因此WHO日本的目标值为0.2mg/L USEPA天然水中铝的含量变化幅度较大冶金工业造纸木材加工纺织等工业排放废水中都含较高量的铝硝酸铝毒性较大当大量铝化合物随污水进入水体时例如水生生物繁殖会受到抑制水体自净作用受到抑制测定范围为0.1~0.8mg/LµØÏÂË®K Na+ (各10 mg)Mg2Fe2Mo6+(各50ìg)不干扰20ìgAl3+的测定Cl SO−24Cu2+µ«ÔÚ¼ÓÈëCu-EDTA前则50ìg Cu2+及50ìg Ni2+无干扰干扰严重还原为Fe2从而消除干扰与AI3¼ÓÈëÅðËá¿ÉÏû³ýÆä¸ÉÈÅÒÒËáÄÆ»º³å½éÖÊÖм°ÔÚPAN存在的条件下与Cu-EDTA发生在定量交换Cu-EDTA Al3Cu-PAN IIIIIÓÃ¿ÕÆø´Ó¶ø¼ä½Ó²â¶¨ÂÁµÄº¬Á¿×¼È·³ÆÈ¡KAI2 AR用0.5²¢¶¨ÈÝÖÁ100mL3.2 铝标准使用液用0.05%H2SO溶液将铝标准贮备液逐级稀释g/mL的标准使用液EDTA³ÆÈ¡ÒÒ¶þ°·ËÄÒÒËá¶þÄÆ0.372 g ʹÓÃʱϡÊÍ10倍3.4 0.1mg/mL铜熔液NO33H2O 0.039g, 溶于100 mL水中.3.5 12萘酚乙醇溶液乙酸钠缓冲溶液称取NaCH3COO溶于适量水中稀释至500mL3.7 CuÎüÈ¡0.001mol/L EDTA溶液5mL于250mL锥形瓶中乙酸钠缓冲溶液5mLPAN乙醇溶液5滴至颜色由黄变紫红待溶液冷至室温弃有机相即为Cu3.8 95 A. R3.9 三氯甲烷百里香酚蓝203.11 硼酸溶液 3.12 抗坏血酸溶液 4 仪器及工作条件4.1 原子吸收光光度计4.3 工作条件波长火焰种类乙炔蓝色5 操作步骤5.1 试样的预处理取水样100mL于250mL烧杯中置于电热板上消煮加入2继续消煮取下稍冷抗坏血酸10mLÓÃË®¶¨ÈÝ使Al350ìg¼ÓÈë1滴百里香酚蓝指示剂1氨水调至刚刚变黄NaA C缓冲溶液5mL乙醇6mL PAN溶液1mL׼ȷ¼ÓÈëCu用水定容至刻度在约80冷却至室温静置分层测定水相中铜的吸光度加入铝标准使用液0 1.0 3.0以下操作同试液的制备并绘制铜的吸光度ìg6 结果计算c铝mg/Lm––从校准曲线上查得样品中铝的微克数mL7 精密度与准确度6个实验室对含Al3½á¹ûΪ0.50mg/L配制铝标准溶液前SO12H2O在玛瑙研体中研碎在硅胶干燥器中放置3天再进行称量2以便于萃取3在消解水样时消解到最后时否则在下一步调酸度时会因加入的氨水太多超出50mL刻度线水和废水监测分析方法指南中国环境科学出版社1997。
原子吸收光谱法测定水样中铝的含量
发表时间:2016-08-21T15:46:32.087Z 来源:《低碳地产》2015年第11期作者:陈刚
[导读] 详细介绍了实验所用的材料及方法,并针对实验研究所得的结果作了阐述和讨论。
梅州市梅江区环境监测站广东梅州 514000
【摘要】本文就原子吸收光谱法测定水样中铝的含量进行了探讨,结合了一系列具体的实验研究,详细介绍了实验所用的材料及方法,并针对实验研究所得的结果作了阐述和讨论,以期能为有关方面的需要提供参考借鉴。
【关键词】原子吸收光谱法;水样;铝含量
1引言
所谓的原子吸收光谱法,就是基于气态的基态原子外层电子对紫外光和可见光范围的相对应原子共振辐射线的吸收强度来定量被测元素含量为基础的分析方法,是一种测量特定气态原子对光辐射的吸收的方法。
由于此种方法主要适用样品中微量及痕量组分分析,所以在水样中测定铝含量时,原子吸收光谱法得到了普遍的应用。
本文就原子吸收光谱法测定水样中铝的含量进行了探讨,相信对原子吸收光谱法的推广应用具有一定的促进作用。
2材料与方法
2.1主要仪器与工作条件
AA670型原子吸收分光光度计;铜空心阴极灯;PHS-3C型pH计;ML24-4型电热板;电热恒温水槽;玻璃器皿先用去污剂洗净后再用硝酸(1+1)浸泡过夜,用前以纯水冲洗干净方可使用。
铜元素灯,波长324.8nm,灯电流3.0mA,狭缝0.5nm,燃烧器高度6.0mm,乙炔流量1.8L/min,空气压力0.25Mpa。
2.2主要试剂及材料
铝标准贮备液(1.000mg/mL);铝标准使用液(10μg/mL);0.1mg/mL铜溶液;Cu(Ⅱ)-EDTA溶液;上述溶液配制。
0.1%PAN乙醇溶液;95%乙醇;三氯甲烷;0.1%甲基红乙醇溶液;2%硼酸溶液;5%抗坏血酸溶液;硝酸(优级纯);氨水;试剂除特别注明外均为分析纯,水为二次蒸馏水。
试验用离子储备液按GB/T602-2002配制。
2.3实验方法
样品预处理:取水样100mL于250mL烧杯中,加入HNO35mL,置于电热板上消解,待溶液约剩10mL时,加入2%硼酸溶液5mL,继续消解,蒸至近干。
取下稍冷,加入5%抗坏血酸10mL,转至100mL容量瓶中,用水定容。
试液的制备与测定:准确移取试样0.5~30mL(使Al3+[50μg)于50mL比色管中,加入1滴甲基红指示剂,用(1+1)氨水调至刚刚变黄,然后依次加入pH4.5的HAc-NaAc缓冲液5mL,95%乙醇6mL,0.1%PAN溶液1mL,摇匀。
准确加入Cu(Ⅱ)-EDTA溶液5mL,用水定容至刻度,摇匀。
在约80℃水浴中加热10min,冷却至室温,用10ml三氯甲烷萃取1min,静置分层,用原子吸收分光光度计测定水相中铜的吸光度,从校准曲线上查得样品中铝的的微克数,根据取样体积计算样品中铝含量(mg/L)。
校准曲线的绘制:于7支50mL比色管中,加入铝标准使用液0、0.5、1.0、2.0、3.0、4.0、5.0mL,以下操作同试液制备。
按试液的测定条件测其吸光度,并绘制铜的吸光度-铝的量(μg)曲线。
3结果与讨论
3.1酸度的影响
配制系列浓度的铝标准溶液,仅改变醋酸-醋酸钠缓冲体系的pH值,按分析方法进行交换反应,并测水相中铜的吸光度值,制作铜的吸光度-铝的量(μg)曲线。
结果表明,酸度范围在pH3.8~5.0时曲线呈直线,若pH>5.0或pH<3.8曲线均不呈直线,说明定量交换时适宜酸度范围是pH3.8~5.0,故选择pH4.5。
3.2干扰及消除
水和废水中各种离子含量复杂多变,离子对试验的干扰是本文关注的对象,试验结果,Cu2+、Ni2+对试验干扰严重,但在加入Cu (Ⅱ)-EDTA前,先加入PAN,则1.0mg/L的Cu2+和0.1Ni2+对试验无干扰。
Fe3+干扰严重,加入抗坏血酸可使Fe3+还原为Fe2+,从而消除干扰。
F-对测定亦有干扰,加入硼酸可消除。
2.5mg/L的Cr6+对试验稍有干扰,但一般水和废水中六价铬含量远低于这一浓度(地表水V类水质标准限值为六价铬[0.1mg/L)。
其它离子方面,制备0.4mg/L的铝溶液,当相对误差在±5%的范围内,共存离子的允许量(mg/L)为:K+(200),Na+(200),Ca2+(40),Mg2+(40),Fe2+(5),Zn2+(1),Mn2+(1),Cl-(20),NO-3(20),SO2-4(20)。
自然水和废水(地表水和地下水)中上述离子的含量一般均小于允许量,废水经过稀释后,上述离子的含量亦小于允许量,所以,上述离子的存在,不影响测定。
3.3工作曲线与检出限
配制0.0~1.0mg/L铝的标准溶液系列,按实验方法操作测定其吸光度,并对数据进行回归分析,其回归方程为
Conc=-465.42Abs+107.61,相关系数r=-0.9980,线性范围为0.1~1.0mg/L。
对空白溶液进行连续20次测量其吸光度值,以3R/S计算,本方法的检出限为0.02mg/L。
3.4方法检测范围
试验中铝的线性范围为0.1~1.0mg/L,但实际测定水和废水的浓度范围较宽。
当水样中含铝低于0.1mg/L时,样品制备可不经过定容这个步骤,如将100mL水样消化完成后,全部用于试液制备,则最低可检测含铝0.05mg/L的水样;当水样含铝浓度较高,试液制备时可少量分取,如取0.5mL,则最高可检测含铝100mg/L的水样。
因此,本方法适宜检测水和废水中铝浓度的范围为0.05~100mg/L。
3.5试验注意事项
本试验需注意三方面的问题:一是样品消解到最后时,应当将酸尽量赶掉,否则在下一步调酸度时会因加入的氮水太多,使体积增大,超出50mL刻度线;二是试液制备时需使用刻度线和塞之间空间较大的比色管,以便于充分萃取;三是待样品分层后测定水相中铜,此
时注意火焰原子吸收的进样吸管不要接触有机相(下层),应与有机相保持2cm以上的距离。
4结论
本方法采用络合物交换反应间接原子吸收法通过测定Cu达到定量测定铝,方法虽然操作复杂,但灵敏度高、检测的浓度范围宽、稳定性好,其检出限0.02mg/L,适宜测定范围0.05~100mg/L,精密度达到(RSD)8%以内,对于水和废水中铝检测,应用前景非常广阔。
5 结语
综上所述,在测定水样中痕量元素的含量时,原子吸收光谱法因其独特的优异性而得到了普遍的应用。
本文就原子吸收光谱法测定水样中铝的含量进行了探讨,相信能对原子吸收光谱法在痕量元素测定中的应用起到推广的作用。
参考文献:
[1]董江庆、高盐生.原子吸收光谱法测定水样中铜的含量[J].辽宁化工.2011(02)
[2]杨忠乔、虞爱旭、任韧、丁华.火焰原子吸收光谱法测定水样中铅含量的不确定度评定[J].分析测试技术与仪器.2006(02).
[3]高鹏、杨雪琴.火焰原子吸收光谱法最佳测试条件的选择[J].浙江工贸职业技术学院学报.2007(03).。