KTW135矿用本安型手机说明书
- 格式:doc
- 大小:960.00 KB
- 文档页数:10
1.档案盒《通风仪器、仪表检验报告》①仪器仪表标校记录2.档案盒《甲烷传感器》①KG970/A型低浓度甲烷传感器使用说明书、合格证、设备(仪器)卡片3.档案盒《温度传感器》①GW50(A)型文明度传感器使用说明书、合格证、煤矿矿用产品安全标志证书4.档案盒《一氧化碳传感器》①GTH500(B)型一氧化碳传感器使用说明书、合格证、设备(仪器)卡片5.档案盒《携式甲烷传感器》①携式甲烷传感器说明书、合格证6.档案盒《风速传感器》①KGFL5型风速传感器说明书、合格证7.档案盒《烟雾传感器》①烟雾传感器说明书、合格证8.档案盒《束管监测》①束管监测传感器说明书、合格证1.档案盒《井下远程断》①电器井下远程断电器井下远程断电器使用说明书、合格证、煤矿矿用产品安全标志证书、设备(仪器)卡片2.档案盒《开停传感器》①GT--L(A)型开停传感器使用说明书、合格证、煤矿矿用产品安全标志证书、设备(仪器)卡片3.档案盒《语音提示风门开闭状态传感器》①GFK40T型语音提示风门开闭状态传感器使用说明书、合格证、煤矿矿用产品安全标志证书4.档案盒《矿用本安型音响》①KXY25矿用本安型音响使用说明书、合格证、煤矿矿用产品安全标志证书5.档案盒《矿用隔爆型激光指向仪》①矿用隔爆型激光指向仪使用说明书、合格证、煤矿矿用产品安全标志证书6.档案盒《避难硐室》①隔爆型摄像仪合格证②本安型电源合格证、矿用分站合格证、③GYH25型煤矿用氧气传感器说明书、合格证④读卡分站合格证⑤GHG5H传感器合格证、说明书⑥GWSD50/100煤矿用温湿度传感器说明书、合格证、煤矿矿用产品安全标志证书7.档案盒《矿用无线通信基站》①KTW118K(B)型矿用无线通信基站说明书、合格证、煤矿矿用产品安全标志证书②矿用本安型手机合格证、煤矿矿用产品安全标志证书8.档案盒《矿用隔爆兼本安直流稳压电源》①KDW660/18(D)型矿用隔爆兼本安直流稳压电源说明书、合格证、煤矿矿用产品安全标志证书9.档案盒《水泵矿用隔爆型阀门电动装置控制箱》①水泵矿用隔爆型阀门电动装置控制箱说明书、合格证、煤矿矿用产品安全标志证书10.档案盒《风筒风量开关传感器》①GFK70(A)型风筒风量开关传感器说明书11.档案盒《风流压力传感器》①GF型风流压力传感器使用说明书、设备(仪器)卡片12.档案盒《围岩移动传感器》①GUW300型围岩移动传感器使用说明书GMY400型矿用锚杆(索)应力传感器使用说明书《三》监控中心1.档案盒《中心站软件》①中心站软件说明书2.档案盒《监控分站》①KJ90--F8/KJ90--F16型井下监控分站说明书、合格证、矿用产品安全标志说明书②KJ90--F16(D)/KJ90--F16型井下监控分站说明书、合格证、矿用产品安全标志证书/设备(仪器)卡片3.档案盒《中心站电脑软件》①中心站电脑软件说明书4.档案盒《中心站电脑硬件》①主机、显示屏、音响、麦克风、鼠标、打印机使用说明书、合格证5.档案盒《监控直流电源》①KDBW660/24B(B)型矿用隔爆兼本安直流电源合格证、说明书、矿用产品安全标志证书②充电板信号口设置说明书6.档案盒《红外摄像仪》①KBA127隔爆红外摄像仪合格证、说明书、矿用产品安全标志证书7.档案盒《人员定位》①KJ128A-K3型标示卡KBW28矿用隔爆兼本安不间断电源KJ128A-F1读卡分站KJ128A-F型传输分站说明书、8.档案盒《显示屏》①PH24(A)矿用本安型显示屏说明书9.档案盒《液晶屏幕单元》①液晶屏幕单元使用手册、产品保修单10.档案盒《铅酸蓄电池》①阀控密封式铅酸蓄电池合格证、说明书(四)内页管理1.安全监察系统管理机构及内页管理2.安全监控各种报表3.安全监控系统各种报表①岗位责任制4.安全监察系统各项操作规程①安全操作规程5.探头标校记录①便携式瓦检器标校记录②甲烷传感器标校记录③一氧化碳传感器标校记录6.安全监控系统设备故障记录7.安全监控系统记录台账①甲烷传感器使用登记表②标示卡登记表8.安全监察系统设备巡视检查记录①安全监察系统巡查记录②瓦斯电闭锁实验记录③风电闭锁实验记录④监控分站升井检修记录9.安全监控系统设计①安全监控系统设计②煤矿安全监控系统级检测仪器使用范围③检测仪器溯源使用与维护10.监控室交接班记录11.瓦斯日报表12.监测监控异常信息记录表13.中心站运行记录14.主扇风机运行记录。
在安装使用前请仔细阅读产品使用说明书KJ353-K本安型识别卡使用说明书本产品执行标准:Q/FSKJ-01.2-2011 GB3836-2000发布日期:2011-01-05防爆合格证:1114603安全标志使用证:MFC080130济南福深兴安科技有限公司目录1.概述 (2)1.1 主要用途 (2)1.2 型号组成及其代表意义 (2)1.3 使用条件 (2)1.4电源 (2)2.结构及工作原理 (3)3.主要技术指标、功能 (3)4.安装使用说明 (4)4.1系统工作原理框图 (4)5.保养与维修 (4)6.运输和贮存 (4)6.1包装形式 (5)6.2随机文件 (5)6.3 运输条件 (5)6.4 贮存条件 (5)附录配套设备 (6)1.概述本说明书参照《KJ353矿用人员管理系统企业标准》制定,本说明书符合《KJ353矿用人员管理系统企业标准》的相关要求,技术内容符合GB3836.1,GB 3836.4,MT209,MT210等有关煤炭行业标准。
1.1 主要用途井下识别卡发射的无线数据信号,经数据信息软件处理转换成位置数据,使井下人员(或机车等移动目标)动态分布或环境安全状态在主计算机中得以实时反映,从而实现井下安全状态在井上数字化管理的目的。
1.2 型号组成及其代表意义识别卡由一节3V钮扣锂锰电池、单片机、无线收发器和看门狗电路组成。
1.3 使用条件环境温度:0℃~+40℃;相对湿度:<95%(+25℃);污染等级:3级;储存温度:-40℃~+60℃大气压力:86kPa~106kPa;机械环境:无显著振动和冲击的场合。
不要在强电磁场或电磁屏蔽的条件下使用。
可在含有甲烷和煤尘爆炸环境的矿井中使用。
1.4电源供电电源:一节纽扣式锂锰电池(Li-Mn02)电池生产厂家:常州锂霸电池有限公司电池型号:CR2477电池容量: 950mAh输出电压:3.0V2.结构及工作原理识别卡为PCB板式结构,可装在封闭塑料盒内。
防爆合格证号:2084141安全标志证号:MAJ080056KXH18(原KHJ6.4)矿用本质安全型声光报警器使用说明书江苏三恒科技集团有限公司JiangSu Shine Technology Group Co.,Ltd重要的安全使用防范措施:阅读以下简单说明,并遵守这些规则,谨防因违规操作而导致危险的发生。
1.本手册详细介绍了产品的性能、安装及使用方法,无论您是第一次使用该产品,还是以前接触过很多类似设备,都必须在使用前仔细阅读本说明书。
江苏三恒科技集团有限公司不对任何由于违反安全事项而造成的损失承担任何责任!!2.本传感器维修时,不得改变本安电路和本安电路有关的元器件的电器参数、规格和型号,本安产品不得随意与其他未经联检的设备连接!!3.传感器的安装位置及调校周期应符合煤矿安全规程的有关规定!!4.设备具有一定的防水能力,但绝对不能浸泡在水里使用!!执行标准:Q/3204JSSH025-2008KXH18(原KHJ6.4)矿用本质安全型声光报警器企业标准关联设备:DJ4G-Z煤矿用固定式甲烷断电仪主机安标证号:MFC080099 KDW0.7/18-J(原KHJ6.2)矿用隔爆兼本安电源继电器箱安标证号:MAB080207 KDW17矿用隔爆兼本安电源安标证号:20011148 KDW28-18矿用隔爆兼本安不间断电源安标证号:MFC080025目录1、概述 (3)2、环境条件 (3)3、工作原理 (3)4、主要技术指标 (4)5、使用方法 (4)6、常见故障及排除方法 (5)7、运输与贮存 (6)8、质量保证 (6)9、附件 (6)1、概述KXH18(原KHJ6.4)矿用本质安全型声光报警器(以下简称报警器)是一种将声和光相结合并交替产生报警的一种矿用本质安全型仪器。
作为甲烷断电仪的组成部分之一,由KHJ6.1型控制主机监测掘进工作面及其相关巷道里的甲烷浓度,当甲烷浓度达到报警值时,由KHJ6.1型控制主机发出信号作为报警器输入信号从而;产生声光的报警信号。
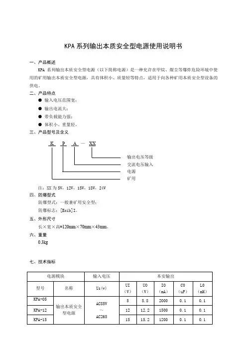
KPA 系列输出本质安全型电源使用说明书一、产品概述KPA 系列输出本质安全型电源(以下简称电源)是一种允许在甲烷、煤尘等爆炸危险环境中使用的矿用输出本质安全型电源,具有体积小、质量轻等特点,适用于向各种矿用本质安全型设备的供电。
二、产品特点● 输入电压范围宽; ● 输出电流大; ● 带负载能力强; ● 体积小、重量轻。
三、产品型号及含义注:XX 为5V ,12V ,15V ,18V ,24V 四、防爆型式防爆型式:一般兼矿用安全型; 防爆标志:[Exib]I 。
五、外形尺寸长×宽×高=120mm ×70mm ×43mm 。
六、重量 0.3kg七、技术指标输出电压等级 交流电压输入 电源 矿用八、外部接线注:﹙1﹚交流输入电压,电压范围:AC85V~AC265;﹙2﹚接地端可靠接入外壳地;﹙3﹚本安输出电压接本安型设备。
九、使用环境安装于安全场合或隔爆腔内,用于向I类本质安全型设备提供电源。
十、注意事项●电源应安装在安全场所或置于隔爆腔内。
●电源通往现场(危险场所)的软铜导线截面积应大于0.5mm2。
●电源本安端和非本安端电路配线不得接错和混淆。
●使用时必须注意电源的型号,电源极性,电压等级及电源外壳接线端上的标号。
●过流保护动作时,本电源输出接近为零;故障消失后,输出自动恢复在正常值。
十一、贮存与保养长期不用时,应包装好,存放在通风良好、无腐蚀性气体、无强烈振动、干燥的仓库中。
十二、随机文件装箱单;产品说明书;产品合格证等。
十三、服务承诺◆本公司产品严格按企业标准与行业标准生产,不合格产品不予出厂。
◆负责控制方案的确定与设备的安装调试,对现场人员进行技术指导和技术培训。
◆质保期内,厂家对产品进行免费维护,产品出现问题将免费维修。
◆长期跟踪服务,随时解决使用中遇到的问题。
煤矿wifi无线通讯系统设计方案设计方案山西宇德矿山设备2021年5月7日目录第一章 wifi无线通讯系统的背景 (3)1.1. 实现矿井语音通讯的重要性 (3)1.2. 实现矿井语音通讯的必要性 (3)1.3. KT135的优势和现有煤矿试验的情形 (4)1.3.1产品优势 (4)1.3.2 KT135矿用无线通讯系统在现有煤矿试验的情形 (4)第二章 wifi无线通讯系统介绍 (5)2.1. 综述 (5)2.1.1 设计目的 (5)2.1.2 设计原那么 (5)2.1.3 设计依据和标准 (6)2.1.4 先进性 (7)2.1.5 有用性 (8)2.1.6 可扩展性 (8)2.1.7 经济性 (8)2.2. 系统特点及优势 (8)2.3. 系统的技术规格 (9)2.4. 系统功能 (10)2.5. 系统拓扑图及连接关系图 (12)2.5.1 系统拓扑图 (12)2.5.2 系统连接关系图 (12)2.6 系统要紧设备硬件概要介绍 (13)2.7 应用条件 (26)第三章无线通讯系统的具体设计 (28)3.1 此煤矿无线通讯系统的设计目标 (28)3.2 基站装配位置及覆盖区域 (28)3.3 供电 (28)3.4 与工业交换机的对接 (29)3.5 光缆 (29)3.6 地面与调度系统的对接 (29)3.7 施工具体要求 (29)第四章施工组织设计 (31)4.1 工程特点及施工条件 (31)4.2 工程流程图 (32)4.3 工程施工总设计 (33)4.3.1 施工组织治理机构 (33)4.3.2工程技术设计 (33)4.3.3工程施工图设计 (33)4.3.4布线规范 (33)4.3.5工期操纵 (34)4.3.6施工机械设备及工具 (34)4.3.7工程材料及人员治理 (34)4.3.8质量治理 (34)4.3.9工期保证措施 (34)4.3.10成品质量保证措施 (35)第一章wifi无线通讯系统的背景1.1.实现矿井语音通讯的重要性时期众多煤矿企业差不多完成或正在建设中的信息化建设包括:➢千兆工业以太环形网络➢安全检测系统➢工业视频监控大屏系统➢主、副井监控系统➢主运输集控系统➢排水监控系统➢采掘工作面监控系统➢通风机监控系统➢压风机监控系统➢供电监控系统等一系列全部基于以太网络的监控系统。
KT23煤矿井下无线通信系统| [<<][>>]1概述KT23煤矿无线通信业务是杭州北辰天地推出的一种满足企业多业务接入的整体解决方案。
KT23煤矿无线通信内置PBX功能,在一个设备上集中提供了KTW14矿用本安型手机、LAN、POTS等业务,KT23煤矿无线通信系统提供的KTW14矿用本安型手机业务可以实现公网小灵通号码和私网无线分机号码的双待机模式。
KT23煤矿无线通信解决方案不仅能够满足企业多业务接入的需求,而且使企业用户也能够享受移动通信业务的高效与便捷。
KT23煤矿无线通信提供的小灵通系统即支持公众KTW14矿用本安型手机网和企业私网的双待机的双模模式,也支持待机在公众KTW14矿用本安型手机网或者是企业私网的单待机模式。
如果在公私网双待机的情况下,企业用户如果在企业内,那么他的小灵通手机就既是一个无线分机也是一个公网小灵通,KT23煤矿无线通信系统在网络中的位置类似于传统的PBX,该系统直接配置在企业内,上行采用PRI接口或FXO接口和PSTN网络连接,提供语音业务。
采用ADSL或100Base-T与城域网相连,提供数据业务。
KT23煤矿无线通信系统下行提供FXS接口提供企业内部固定分机接入,提供BRI接口提供私网和公网KTW14矿用本安型手机基站的接入,并支持无线分机的切换。
同时提供以太网接口可连接企业内部局域网系统。
在KT23煤矿无线通信 R1.2版本中,还增加了对ECM2000(Enterprise core manager)的支持,ECM2000可以通过IP网络连接企业总部和分支机构的KT23煤矿无线通信系统,也可以连接iAD或者其他的接入设备如WLAN的AP,也可以直接连接SIP电话来增加号码资源。
2KT23煤矿无线通信系统在网络中的架构KT23煤矿无线通信系统在网络中的位置类似于传统的PBX,该系统直接配置在企业内,上行采用PRI接口或FXO接口和PSTN网络连接,提供语音业务。
Q 南京北路自动化系统有限责任公司企业标准Q/320115BL165-2019 KT162-S3矿用本安型手机2019-11-01发布2019-11-01实施南京北路自动化系统有限责任公司发布前言本标准防爆性能要求符合GB3836.1-201《爆炸性环境第1部分设备通用要求》及GB3836.4-2010《爆炸性环境第4部分:由本质安全型“i”保护的设备》的有关规定。
本标准技术要求符合MT209-1990《煤矿通信、检测、控制用电工电子产品通用技术要求》及MT210-1990《煤矿通信、检测、控制用电工电子产品基本试验方法》(抗干扰和可靠性除外)。
本标准在编写格式、表达方式和引用标准上贯彻了GB/T1.1-2009《标准化工作导则第1部分:标准的结构和编写》。
本标准由南京北路自动化系统有限责任公司提出。
本标准由南京北路自动化系统有限责任公司起草。
本标准主要起草人:王坤本标准批准人:金勇本标准自2019年11月01日起首次发布、实施。
KT162-S3矿用本安型手机1范围本标准规定了KT162-S3矿用本安型手机的产品分类、技术要求、试验方法、检验规则、标志、包装、运输和贮存。
本标准适用于KT162-S3矿用本安型手机(以下简称“手机”)。
2规范性引用文件下列文件对于本文件的应用是必不可少的。
凡是注日期的引用文件,仅所注日期的版本适用于本文件。
凡是不注日期的引用文件,其最新版本(包括所有的修改单)适用于本文件。
GB/T191-2008包装储运图示标志GB/T2829-2002周期检验计数抽样程序及表(适用于对过程稳定性的检验)GB3836.1-2010爆炸性环境第1部分设备通用要求GB3836.4-2010爆炸性环境第4部分:由本质安全型“i”保护的设备GB/T4208-2017外壳防护等级(IP代码)GB/T9969-2008工业产品使用说明书总则GB/T10111-2008随机数的产生及其在产品质量抽样检验中的应用程序GB/T13384-2008机电产品包装通用技术条件AQ1043-2007矿用产品安全标志标识MT209-1990煤矿通信、检测、控制用电工电子产品通用技术要求MT210-1990煤矿通信、检测、控制用电工电子产品基本试验方法MT/T286-1992煤矿通信、自动化产品型号编制方法和管理办法3产品分类3.1产品型号KT162S3手机登记序号矿用通信系统或设备3.2防爆型式防爆型式:矿用本质安全型;防爆标志:Ex ib I Mb。
中阳梗阳煤业有限公司监控配备山西吕梁中阳梗阳煤业有限公司矿井地处河东煤田中部,位于山西省中阳县树泽林—高家岭一带,中阳县城西南约12km处,行政区划属于中阳县下枣林乡管辖。
1、井下增设KT25煤矿无线通讯系统一套,配备本安手机150部,增加多种通讯方式,为矿井生产提供方便,为矿井事故处理增加新的手段。
2、本矿井已装备JSY2000-06D型数字程控调度交换机一套,3、本矿现安装有一套BH-WTA型产量监控系统。
4、矿井已安装KJ223型矿井人员管理系统。
系统由KGE107本安型无线编码器、KJ223-F隔爆兼本安型传输分站、KTW101本安型无线读卡器、KJJ107隔爆兼本安型网络传输接口(交换机)、工控计算机及系统软件组成。
5、KJ70N型煤矿安全生产监控系统6、选用KJ159型煤矿电力监控系统一套。
中阳麦地掌煤业有限公司监控配备1、KJ95N煤矿安全生产监控系统KJ95N系统满足以上各项要求并符合AQ6201-2006《煤矿安全监控系统通用技术要求》,属两级分布式结构,由监控主机及其外设、传输接口、井上分站、传感器和信号电缆等组成,系统可对瓦斯、风速、负压、烟雾、温度、煤位、水位、流量、电压、电流等井下参数及局部通风机的开停、主要风门的开闭状况进行连续监测,对掘进工作面实现风电瓦斯闭锁,此外还对固定设备,采掘设备、供电系统等的开停工况、馈电开关状况及其他相关参数进行连续监测。
2、采用KJ32光纤工业电视系统,3、矿井装备一套KJ69型井下人员定位及考勤系统。
系统主要设备包括地面中心控制站、身份识别卡、无线数据收发机及配套矿用电源等。
4、井下环境监测还另设一套KSS-200束管监测系统,主要用于对井下气体成份的分析,实现H2、O2、N2、CO、CO2、CH4、C2H4、C2H6气体含量的24h在线连续监测,对其含量变化情况进行预测。
5、调度通信系统选用一套DDK程控数字调度交换机,安装于工业场地办公楼,初装模拟用户200线,配置2Mb/S数字中继电路1套。
六枝矿无线通信及人员定位系统设计方案天地(常州) 自动化股份有限公司煤科总院常州自动化研究院目录矿用无线通信及人员定位系统 (3)1.1概述 (3)1.1.1天地(常州)自动化股份有限公司简介 (3)1.1.2无线通信及人员定位简介 (4)1.2 无线通信及人员定位系统介绍 (5)1.2.1 系统各产品使用环境条件 (5)1.2.2 系统组成及框图 (6)1.3系统主要功能 (10)1.3.1 调度功能 (10)1.3.2 用户(手机终端)功能 (15)1.3.3在线实时录音功能 (15)1.3.4 其他功能 (15)1.3.5 备用电源 (16)1.3.6实时监测功能 (16)1.3.7 查询功能 (18)1.3.8 安全保障功能 (21)1.3.9 统计考勤功能 (22)1.3.10 信息联网功能 (24)1.3.11系统运行状态提示(自诊断功能) (25)1.3.12 操作权限及操作日志 (25)1.4工作原理及主要技术参数 (25)1.4.1 工作原理 (25)1.4.2 主要技术参数 (26)1.5技术方案设计 (27)1.5.1 基站的无线信号覆盖设计 (27)1.5.2 系统设备的设计规程 (31)1.5.3 系统设备配置说明 (32)矿用无线通信及人员定位系统1.1概述1.1.1天地(常州)自动化股份有限公司简介天地(常州)自动化股份有限公司(煤炭科学研究总院常州自动化研究院)专业从事煤矿安全生产监测监控、生产过程自动化和通信产品的研发、生产、销售和服务,是集科研开发、工程设计、加工制造、系统集成和工程安装、服务于一体的科技实体。
天地(常州)下设监控研究所、通信研究所、电气研究所、营销中心和产业中心、质保中心等部门。
现有职工400余人,其中科研技术人员340多名,研究员及高级工程师61名,工程师78名,专业覆盖了有线通信、无线通信、计算机通信、计算机软件与网络技术、工业自动化、电子技术、测量仪表、传感技术、机械设计等煤矿自动化和通信所涉及的主要领域,专业配置齐全、合理。
【目录】前言 (6)安全事项 (6)1 您的手机 (9)1.1 手机外观 (9)1.2 按键说明 (10)1.3 界面图标说明 (11)1.4 耳机 (12)2 开始使用 (14)2.1 电池 (14)2.1.1 电池的拆装 (14)2.1.2 电池的充电 (15)2.2 SIM卡的安装 (17)2.3 记忆卡的安装 (18)2.4 开机和关机 (18)3 通话功能 (19)3.1 拨打电话 (19)3.1.1 拨打国内电话 (19)3.1.2 拨打固定电话分机 (19)3.1.3 拨打国际长途电话 (19)3.1.4 使用电话簿拨打电话 (20)3.1.5 重拨最近拨过的电话号码 (20)3.2 接听电话 (20)3.3 拒绝接听电话 (21)3.4 通话中选项 (21)4 输入文本 (23)4.1 切换输入法 (23)4.2 智能拼音 (23)4.3 智能英文大写 (24)4.4 智能英文小写 (24)4.5 英文输入法 (24)4.6 输入标点和符号 (25)4.7 输入空格 (25)5 使用菜单 (25)5.1 通过滚动方式进入菜单 (25)5.2 使用快捷方式进入菜单 (26)6 菜单功能 (26)6.1 文件管理 (26)6.2 电话簿 (29)6.2.1 快速查找 (29)6.2.2 查找联系人 (30)6.2.3 添加联系人 (30)6.2.4 全部复制 (31)6.2.5 删除 (31)6.2.6 来电群组 (31)6.2.7 其它号码 (31)6.2.8 设置 (32)6.3 娱乐和游戏 (32)6.4 通话中心 (33)6.4.1 通话记录 (33)6.4.2 一般通话设置 (33)6.5 信息 (37)6.5.1 短信 (37)6.5.2 彩信 (41)6.5.3 聊天 (46)6.5.4 语音信箱 (46)6.5.5 小区广播 (47)6.6 多媒体 (47)6.6.1 相机 (47)6.6.2 相册 (48)6.6.4 音乐播放器 (49)6.6.5 录音 (50)6.7 工具箱 (52)6.7.1 日历 (52)6.7.2 备忘录 (52)6.7.3 闹钟 (52)6.7.4 世界时间 (52)6.7.5 电子书 (53)6.7.6 附加功能 (53)6.8 设置 (53)6.8.1 切换SIM卡 (53)6.8.2 手机设置 (54)6.8.3 情景模式 (55)6.8.4 网络设置 (55)6.8.5 安全设置 (56)6.8.6 恢复出厂设置 (58)6.8.7 音效 (58)6.8.8 快捷功能 (58)6.9 网络服务 (59)6.9.1 STK (59)6.9.2 WAP (59)7 电池信息 (62)7.1 使用信息 (62)7.2 注意事项 (62)8 重要的安全信息 (64)8.1 交通安全 (64)8.2 使用环境 (64)8.3 电子设备 (64)8.3.1 起搏器 (65)8.3.2 助听器 (65)8.3.3 其它医疗设备 (65)8.3.4 车辆设备 (66)8.3.5 有明文规定的场所 (66)8.4 有可能发生危险的环境 (66)8.5 紧急呼叫 (67)9 维护和保养 (69)前言衷心感谢您选择本公司移动电话!我们的手机符合中华人民共和国通信行业标准,也符合欧洲标准,经核准适用于GSM 网络。
目录目录 (1)前言 (3)安全及注意事项 (5)手机外观示意图 (15)主屏幕介绍及显示图标 (19)使用前须知 (21)输入法 (28)电话簿 (32)信息 (35)通话中心 (48)设置 (55)音乐 (61)多媒体 (62)娱乐 (68)工具箱 (69)网络 (75)使用USB (78)有限保证 (79)附录一 (80)附录二 (82)附录三 (83)前言衷心感谢您选择本公司移动电话!本款手机符合中华人民共和国通信行业标准,真正的双卡双待手机,其方便的手写触摸屏功能与数字键盘的完美结合﹑中英文输入、悦耳的铃音﹑名片夹式电话薄、来电大头贴﹑强大的档案管理功能(支持T-Flash卡)﹑时尚的照相机功能和录音功能﹑多媒体播放器、计算器、调频广播、游戏、免提通话功能等在内的多种实用功能,给您的工作和休闲活动带来无限方便和无穷乐趣。
声明:本公司遵循持续发展的策略。
因此,保留在不预先通知的情况下对本文档中描述的产品进行修改和改进的权利;对公司产品的性能说明保留最终解释权。
在适用法律允许的最大限度内,在任何情况下,本公司或其任何许可证持有方均不对任何数据或收入方面的损失,或任何特殊、偶然、附带或间接损失承担责任,无论该损失由何种原因引起。
本文档的内容按“现状”提供,除非适用的法律另有规定,否则不对本文档的准确性、可靠性和内容做出任何类型的、明确或默许的保证,其中包括但不限于对适销性和对具体用途的适用性的保证。
本公司保留在不预先通知的情况下随时修订或收回本文档的权利。
若本手册所载与产品的功能、规格或设计有所不符,请以您手机的实际功能为准。
随设备提供的第三方应用程序可能由不属于本公司或与本公司无关的个人或实体开发,且归其所有。
本公司不拥有这些第三方应用程序的版权或知识产权。
鉴于此,本公司不会为这些应用程序的最终用户提供支持,也不对这些应用程序的功能是否正常及应用程序或相关资料中提供的信息是否属实承担任何责任。
警示:1.安装、使用前应阅读本说明书。
2.本安电路用户不得擅自改动。
3.凡与本产品连接的关联配接设备,必须与产品联机检验合格后方可联机使用!4.检修时不得修改本安电路及关联电路的元器件型号、规格及参数。
121 概述KJF130矿用本安型监控分站(以下简称分站),是监测监控系统的重要组成部分,具有与不同设备进行有线无线通信、键盘与遥控输入、液晶显示等功能。
分站具有高速数据处理能力,外围接口和供电电源采用特殊抗干扰措施,使得本分站通过GB/T 17626.4-2008规定的严酷等级为3级的电快速瞬变脉冲群抗扰度试验,通过GB/T 17626.5—2008规定的严酷等级为3级的浪涌(冲击)抗扰度试验,通过GB/T 17626.3—2008规定的严酷等级为2级的射频电磁场辐射抗扰度试验,有利于系统产品抗干扰能力的提高。
1.1 防爆型式矿用本质安全型,标记为Ex ia I 。
1.2 型号KJ F130 登记序号 分站设备 矿用监测、控制系统或设备1.3外形尺寸及重量外形尺寸(长×宽×高):333mm×357mm×92mm,见图1。
重量: 4.82kg。
3图 1 分站外形尺寸41.4使用条件a)环境温度:0℃~+40℃;b)湿度:不大于95%(+25℃):c)大气压力:80kPa~106kPa;d)无显著振动和冲击的场合。
e)煤矿井下有瓦斯和煤尘爆炸性混合物,但无破坏绝缘的腐蚀性气体的场合。
2主要技术参数2.1基本功能2.1.1分站具有RS485、CAN有线通信功能;2.1.2分站具有通过以太网光端口和电端口实现网络通信和级联功能;2.1.3分站具有通过遥控器、按键配置,通过液晶屏观察的人机交互功能;2.1.4分站具有配置信息等参数存储及掉电保护功能。
2.1.5分站具有初始化参数设置和掉电保护功能。
初始化参数可通过主站或遥控器修改。
52.1.6分站具有自诊断和通信故障指示功能。
ISO9001:2000认证企业煤炭科学研究总院重庆研究院产品使用说明书KJ90-F16(B)/KJ90-F16(C)矿用本安型分站执行标准:Q/MKC 401-2008版本号:出版日期: 2009年10月感谢您选购本产品!为了保证安全并获得最佳效能,在安装、使用产品前,请详细阅读本使用说明书并妥善保管,以备今后参考。
前言本说明书详细地介绍了KJ90-F16(B)/KJ90-F16(C)矿用本安型分站的使用方法及使用注意事项,使用者在使用前请务必仔细阅读。
KJ90-F16(B)/KJ90-F16(C)矿用本安型分站在生产过程中执行的是煤炭科学研究总院重庆研究院发布的企业标准Q/MKC 401-2008。
目次1 概述 (1)2 结构特征与工作原理 (2)3 基本功能 (4)4 主要技术指标 (5)5 尺寸、重量 (7)6 连接、使用 (8)7 故障分析与排除 (17)8 保养、维护 (18)9 安全警示 (18)10 运输、贮存 (18)11 产品资质编号 (19)附录A 分站相关联/配接/配套设备表 (20)KJ90-F16(B)/KJ90-F16(C)矿用本安型分站1 概述产品特点KJ90-F16(B)/KJ90-F16(C)矿用本安型分站(以下简称分站)是一种以基于ARM 内核的32位嵌入式微控制器为核心的嵌入式控制系统,可挂接多种传感器,能对井下多种环境参数诸如瓦斯、风速、一氧化碳、负压、设备开停状态、读卡器、智能综合保护器等下级智能设备等进行连续监测,具有多通道、多制式的信号采集功能和通讯功能,通过工业以太网能及时将监测到的各种环境参数、设备状态传送到地面中心站,并执行中心站发出的各种命令,及时发出报警和断电控制信号。
主要用途及适用范围1.2.1 主要用途1.2.1.1 为井下所挂接的各种传感器、断电器提供工作电源;1.2.1.2 采集各传感器的实测参数,设备运行状况、开停状态;1.2.1.3 通过工业以太网快速向地面的系统中心站传送巡检参数;1.2.1.4 执行地面中心站发往井下的各种控制命令;1.2.1.5 对异常状况进行断电控制。
FYF35 矿用本安型遥控发射机使用说明书上海邦狄机电技术有限公司执行标准: Q/BD004-4月发布安全守则·严禁在无法确认被控设备运行状态的情况下进行遥控操作!资料内容仅供您学习参考,如有不当或者侵权,请联系改正或者删除。
·使用者必须熟悉被控对象的工作特性, 完全了解各个安全装置包括紧急停止装置的位置和使用方法!警告 :·本产品井下使用必须严格遵守”煤矿安全规程”的相关规定!·严禁使用说明书规定外的电池!·严禁在井下充电!·严禁在井下打开遥控发射机电池仓盖、更换电池或对其进行拆检维修!·维修时不得改变本安电路和与本安电路有关的元、器件的电气参数、规格和型号!一、概述FYF35 矿用本安型遥控发射机是专为煤矿等工业应用而设计。
本产品生产制造和出厂检验执行标准为Q/BD004- 。
产品的主要特点:·无线发射部分采用PLL锁相回路及低噪声压控振荡器加上双重石英稳频技术。
采用高性能微波管放大, 射频信号输出稳定, 信号抗干扰能力强;·采用3节5号镍氢充电电池供电, 超低功耗设计技术, 长时闲置自动关机功能, 电池寿命长。
·设有液晶显示屏, 可为操作员提供操作指示信息及遥控装置状态指示;·外壳采用不锈钢和增强型塑料, 结构坚固, 体积小巧( H×W×D: 192×70×35mm, 外置天线高度50) ;·产品设计满足GB3836.1- 和GB3836.4- 要求, 适合在具有瓦斯和煤尘爆炸性混合物的煤矿井下使用。
对适用环境的一般要求:环境温度: 0℃~40℃;平均相对湿度: 不大于95%( 25℃) ;大气压力: 80kPa~106 kPa;在无破坏绝缘的气体或蒸汽的环境中;根据MT/T154.10-1996规定本遥控发射机命名型号为:FYF35 矿用本质安全型遥控发射机F Y F 35 表示遥控距离主参数表示发射机表示遥控装置表示辅助设备产品外形如图1所示。
KTC102-A通讯控制保护系统使用说明书文本编号 HNDZ-XX-XXX版本号 NO.01出版日期 2008/03/06天津华宁电子有限公司目录第一章概述——————————————————————————2 (一)系统简介———————————————————————— 3 (二)系统功能———————————————————————— 3 (三)系统组成———————————————————————— 4 (四)工作原理———————————————————————— 6 (五)典型系统配置图————————————————————— 5 第二章系统介绍及原理详解———————————————————7 (一)KTC102通讯控制系统组成—————————————————7 (二)产品介绍及工作原理介绍————————————————— 7 第三章 KTC102.1-A控制器—————————————————— 35 (一)屏幕显示————————————————————————35 (二)键盘定义————————————————————————36 第四章参数设定——————————————————————— 37 (一)参数设定说明——————————————————————37 第五章故障处理——————————————————————— 44 (一)电话及控制器故障————————————————————44 (二)电话故障————————————————————————45 (三)电缆故障————————————————————————45 第六章维护与使用—————————————————————— 47第一章概述(一)系统简介KTC102-A型通讯、控制一体化系统是我公司自行设计,制造的一种新型煤矿井下用通讯控制系统。
它具有灵活的组合方式,可适用于综采工作面和顺槽皮带的通讯、控制及皮带综合保护,也可用于综掘工作面、皮带巷、泵站等多种场合的通讯控制。
KTW135-S矿用本安型无线通信手机说明书WIFI手机携带方便,操作简单。
在与之配套的网络覆盖下(802.11b/g),手机之间可以实现语音通信,短信通信。
WIFI手机具有较高的接收灵敏度,保证最大限度的发挥无限网络功能。
WIFI手机平均工作功耗较低,具有较长的待机时间。
手机使用可充电的锂离子电池,可以使用公司配套的座充进行充电。
1.设备工作条件设备工作条件1)海拔不超过2000米;2)环境温度:0~40℃;3)大气压力:(80~106)kPa;4)相对湿度:不大于95%(25℃);5)可用于含有甲烷和煤尘等爆炸性混合物的矿井中。
2.物理特性1)外形尺寸:120mm(L)*52mm(W)*22mm(H)。
2)重量:139g;3)电池:3.7V/1200mAh;4)待机时间:100小时;5)通话时长:6小时;3.手机示意图4.常用使用说明开机长按开机键开启手机,背景灯亮,显示开机动画。
手机开机后,将自动连接网络并注册到服务器。
若手机搜索到授权网络,在屏幕上会显示网络名称和信号强度;若手机搜索不到授权网络,屏幕将显示出来,此时手机将不能进行正常的通讯。
拨打电话待机状态下,按对应的数字键输入要拨打的电话号码。
按右返回键删除错误的输入,完成后按呼叫键呼叫该号码。
接听来电当有电话来时,手机会发出响铃提示。
如果网络支持,手机屏幕会显示来电者的姓名和号码(取决于电话本中是否有此来电者的信息),此时可以按呼叫键来接听来电。
拒接来电当有电话来时,可以按挂机键拒接来电。
结束通话通话完毕后或者拨号后想取消,按挂机键来结束通话。
调整音量您可以通过菜单(设置 音量)来调整音量,也可以在通话中按手机的左右导航键调整听筒的音量。
在待机模式下,长按挂机键可关闭您的手机。
其他♦通过向上导航键进入短信息功能♦通过向下导航键进入已接电话♦通过左键进入功能表♦通过接听键进入已拨电话♦通过右软键进入电话本8.菜单结构8.1 信息此功能能够发送、接收、转发和编辑各种文字信息。
此服务需要服务器支持。
收件箱和发件箱的容量分别为100条信息,草稿箱的容量为10条信息。
写短信在信息菜单列表界面,选择写短信,您可使用此功能编写新的信息。
收件箱此选项下可以存放所有已读或未读的短信息。
发件箱此选项用来保存所有发送成功和发送失败的短信息。
草稿箱此选项用来读取未发送的信息。
内存状态此选项用于指示各个信箱的容量状态。
即允许存放的最大短信条数和已经存放的短信条数。
8.2电话本该功能可让您浏览电话本,存储、编辑和删除手机中的电话记录,并可对电话本进行分组管理等。
电话本的容量为400条记录。
浏览在电话本功能界面中,选择浏览进入电话本浏览界面。
如果您的电话本中没有任何记录,屏幕便会弹出提示对话框,并返回到电话本功能界面。
如果您的电话本中至少有一条记录,则进入此项界面,屏幕将会显示所有电话本记录的列表。
查找在功能界面中,选择查找进入电话本查找界面。
您需要保证电话本中至少添加了一条以上的记录,才可以进入此项界面。
进入该界面后,屏幕会提示您在下方输入想查询号码的姓名拼音,此时只允许拼音输入。
在电话本功能界面中,选择增加,显示电话本添加界面,您可以通过上下导航键选择需要编辑的项目。
删除在电话本功能界面中,选择删除进入电话本删除界面。
分组信息在电话本功能界面中,选择分组信息,进入分组管理界面。
单键拨号在电话本功能界面中,选择单键拨号,进入单键拨号列表界面。
本手机最多可设置9个单键拨号,对应数字键为1-9。
设置后,在待机界面,长按相应的数字键可实现快速拨号功能。
存储状况在电话本功能界面中,选择存储状况,显示电话本的内存状态界面。
从显示中,可以得到手机允许存放的最大电话本记录数,以及已经存储的电话本记录数。
8.3 呼叫记录此功能可以让您查看最近的未接来电、已接来电、已拨电话和通话时间等记录。
可以记录的未接来电、已接来电和已拨电话各20条。
未接来电显示出您最近未接的电话号码列表。
已接来电显示出您最近已接的电话号码列表。
已拨电话显示出您最近拨出的电话号码列表。
通话时间可查看最后通话、已接来电、播出电话和所有通话的通话时间。
8.4 网络设置您可以对手机进行各种网络参数的设置,实现配置终端访问AP的一些参数功能。
网络设置完成后,重启手机后,设置才会生效。
网络设置菜单主要用来设置WIFI无线参数、IP网络参数以及VOIP参数。
请联系系统管理员得到正确的网络参数。
进入此菜单进行设置,需要输入管理员密码,默认密码是080921。
如修改管理员密码,请牢记!注:网络设置菜单修改设置参数后,需要重启手机才能生效。
AP 配置此菜单选项允许您设置AP(接入点)参数。
网络名此选项用来设置WIFI无线网络的网络名。
进入此选项后,输入网络名(最多32个字母数字字符),然后按左软键完成操作。
安全设置此选项用来设置WIFI无线网络的安全参数。
进入此选项后,选择开放系统,WEP 的密钥,WPA-TKIP,WPA-AES或WPA2的选项。
如果选择WEP密钥,则需要进行WEP Key菜单的设置。
如果选择WPA加密,则需要进行WPA/WPA2菜单的设置。
WEP Key 设置如果AP配置文件的安全模式设置为WEP密钥,选择此选项可以设置WEP密钥。
进入此选项,请遵守以下操作:♦根据WIFI无线网络的WEP密钥设置选择64位或128位,按左软键确定完成。
♦如果64位被选中,确保WEP密钥5个ASCII字符或者10个十六进制字符或组成。
♦如果128位被选中,确保WEP密钥的13个ASCII字符或26个十六进制字符组成♦注:WEP密钥设置可能会有所不同,由WIFI无线网络的设置决定。
♦如果WIFI无线网络只支持一个固定的16进制的WEP密钥,您应该输入与手机相同的WEP密钥。
♦如果WIFI无线网络同时支持ASCII和十六进制的WEP密钥,您可以输入WEP密钥的ACSII或十六进制的WEP密钥。
WPA/WPA2 Key Setting如果WIFI无线网络的安全模式为WPA/WPA2 PSK,则选择此选项进行设置。
进入此选项后,输入WPA-PSK的值,按左软键(确定)来完成操作。
信号协议选择此选项,主要用来设置VOIP等相关协议。
SIP此选项用来设置SIP协议。
SIP用户名选择此选项以设置SIP用户名。
进入此选项后,输入用户名(1〜32个字母数字字符),按左软键完成操作。
SIP密码选择此选项可以设置的SIP密码。
进入此选项后,按照提示输入密码,输入的SIP密码(0〜32个字母数字字符),按左软键完成操作。
鉴权用户名选择此选项可以设置的SIP认证字符串。
很多情况下,鉴权用户名和SIP用户名是一致的。
进入此选项后,输入验证字符串,按左软键完成操作。
SIP注册服务器选择此选项可以设置的SIP注册服务器的名称。
进入此选项后,输入服务器域名,按左软键完成操作。
SIP注册服务器端口选择此选项可以设置的SIP注册服务器端口。
默认为5060。
进入此选项后,输入端口号,然后按下左软键完成操作。
使用Outbound代理选择此选项以启用或禁用的SIP Outbound代理功能。
此选项是否需要设置,请联系服务器管理员。
SIP Outbound服务器名称选择此选项可以设置服务器的SIP Outbound的名称。
只有启用Outbound代理功能打开,才需要设置此选项。
进入此选项后,输入域名,按左软键完成操作。
SIP Outbound服务器端口选择此选项可以设置服务器的SIP Outbound服务器端口。
只有启用Outbound代理功能打开,才需要设置此选项。
进入此选项后,输入端口号,然后按下左软键完成操作。
语音设置语音编码设置有g.711a、g.911mu、g.729a协议可选。
双音多频模式有RFC2833、Inband 可选。
对讲权限设置对讲权限为主机模式或者分机模式。
主机模式可以发起对讲呼叫,分机模式只能进行对讲接听。
对讲群组设置对讲群组的组号,可输入0~3组号。
软件升级此选项用来本地无线升级手机软件。
进入服务器地址选项后,输入服务器的地址,然后选择软件升级选项,按左软键进行程序升级。
参数下载支持批量参数设置,从服务器下载配置参数。
NTP设置设置NTP相关参数。
网络协议此选项您可以设置IP网络参数:DHCP如果DHCP功能被启用,DHCP服务器会自动为手机分配IP地址。
进入此选项后,选择禁用或启用DHCP。
注:只有当DHCP功能禁用时,才需要设置下面的IP地址、子网掩码、默认网关和域名服务器等参数,否则这些参数无需设置。
IP地址选择此功能可以设置手机的IP地址子网掩码选择此选项可以设置子网掩码。
默认网关选择此选项可以设置网关的IP地址。
域名服务器选择此选项可以设置域名服器信息。
首选域名服务器IP地址选择此选项可以设置本地首选域名服务器的IP地址。
备用域名服务器IP地址选择此选项可以设置本地备用域名服务器的IP地址。
网络信息显示网络名、IP地址、子网掩码、网关IP地址、DNS地址、MAC地址等相关信息。
高级设置连接模式用户可设置为自动连接、802.11b或者802.11g 协议连接网络类型用户可根据需要,设置话机为AP模式或者Adhoc模式AP切换方式用户可根据网络状况设置话机的AP切换方式。
通道选择此选项用来设置无线网络的通道(CHANNEL)。
密码设置此选项用来修改管理员密码。
恢复出厂设置此选项用来恢复出厂设置。
搜索网络对当前位置进行网络搜索,列出当前位置的AP信息,并可以把它们保存到AP配置的菜单中。
具体操作同上AP配置。
Ping测试实现ping功能。
用于检测网络的连通情况。
8.5设置在该功能表中,您可以对手机进行各种设置。
手机设置日期/时间可设置手机时钟选择语言可设置手机为简体中文或者英文操作。
自动锁键盘开启该功能时,手机会自动锁键盘。
背景光设置背景光自动熄灭的时间周期按键灯设置按键灯的开启或者关闭耳机设置设置耳机功能的启用或者禁用版本信息可查看该手机的软件版本、资源版本、产品信息音量设置可设定手机通话、来电、来信、闹钟音量、铃声类型可设定手机来电提醒、短信提醒、闹铃提醒的铃声。
响铃方式可设定来电、来信的响铃方式闹钟设置设置闹铃功能对讲功能此选项用来设置对讲功能的启用或者禁用。
9.包装、运输、贮存包装BW80 WIFI本安型手机产品包装盒内组件包括:●手机一部●原配充电器一个●使用说明书一本;运输包装后的BW80 WIFI手机在避免雨雪直接淋袭的条件下,可适用于水运、陆运及空运等各种运输方式。
贮存包装后的BW80 WIFI手机能在温度为-10℃~40℃,相对湿度不大于90%的环境中贮存12个月以上。
10.保养与维护●新电池可能是尚未充满电的,建议您在使用时,一定将电池充足电后再使用。
●一般情况下,环境温度超过45℃或低于-10℃时建议用户不要充电。