再热器汽温控制系统课程设计说明书
- 格式:pdf
- 大小:668.00 KB
- 文档页数:23
汽车发动机散热器的自控系统课程设计说明书一、引言汽车发动机散热器是保证发动机正常运行的关键部件之一。
发动机工作时会产生大量的热量,如果不能及时有效地散热,会导致发动机过热,甚至造成发动机损坏。
为了解决发动机散热问题,本课程设计旨在设计一个自动控制系统来管理发动机散热器的散热效果,确保发动机温度在安全范围内。
二、系统设计该自控系统的设计思路如下:1.传感器部分:通过安装温度传感器来实时检测发动机的温度,并将检测结果发送给控制单元。
2.控制单元部分:控制单元接收来自传感器的温度数据,并根据预设的温度范围制定散热策略。
如果温度过高,控制单元将会自动开启散热器以加速散热;如果温度过低,则会自动关闭散热器以避免过量散热。
3.执行部分:控制单元通过输出控制信号来控制散热器的开关状态,以实现自动控制散热器的散热效果。
三、硬件设计本系统的硬件设计主要包括传感器部分和执行部分。
1.传感器部分:选择适用于汽车发动机温度检测的温度传感器,如NTC温度传感器。
将传感器安装在发动机的散热器上,以便实时检测发动机的温度。
2.执行部分:选择合适的继电器模块作为执行部分,通过继电器控制散热器的开关状态。
继电器模块的输入端接收控制单元输出的控制信号,输出端连接散热器的电源线。
四、软件设计该自控系统的软件设计主要包括控制单元的算法设计和执行部分的驱动程序设计。
1.控制单元算法设计:通过编程实现控制单元的温度策略。
当温度超过上限时,控制单元输出控制信号以打开继电器,使散热器工作;当温度低于下限时,控制单元输出控制信号以关闭继电器,停止散热器工作。
2.执行部分驱动程序设计:编写相应的驱动程序,实现控制单元与继电器模块的通讯和控制。
五、实验步骤1.搭建系统硬件框架:将温度传感器安装在散热器上,将继电器模块连接到散热器的电源线上。
2.编写控制单元的算法和执行部分的驱动程序:根据系统设计要求,编写相应的算法和驱动程序。
3.软硬件集成测试:将编写好的驱动程序与硬件连接起来,进行具体的测试,检查系统的功能和稳定性。
DCS课程设计报告--过热汽温控制系统组态课程设计报告( 2012-- 2013年度第2学期)名称:控制装置与仪表A(DCS部分)课程设计题目:过热汽温控制系统组态院系:自动化系班级:测控1003学号:20100203学生姓名:指导教师:翟永杰设计周数:一周成绩:日期:2013 年7 月10 日《控制装置与仪表A(DCS部分)课程设计》课程设计任务书一、目的与要求1.了解DCS应用过程中的主要工作内容及应该注意的问题,并能根据应用目的,进行分散控制系统的设计组态、调试操作等工作。
2.以LN2000分散控制系统为平台,完成过热汽温控制系统的组态。
3.进行DCS的调试工作。
二、主要内容分为组态设计和系统调试两个部分:1.组态设计1.1系统配置组态主要是指DCS中工程师站、操作员站、控制站的主机系统配置信息及外设类型,I/O-卡件信息,电源布置,控制柜内安装接线等。
此部分内容作为了解内容,不进行具体组态。
1.2实时数据库组态数据库组态是系统组态中应尽早完成的工作,因为只有有了数据库,其他的组态工作(控制回路组态、画面组态等)才可以调试。
数据库组态一般通过专用软件进行,数据录入时一定要认真仔细,数据库中一个小的错误就会给运行带来极大的麻烦,如造成显示错误、操作不当甚至死机故障。
1.3控制算法组态控制算法组态指的是将系统设计时规定的模拟量控制、开关量控制等功能用DCS算法予以实现。
本设计以主汽温度串级控制策略为对象,并且模拟控制对象,构成闭环回路,完成这些控制算法的组态工作。
1.4操作员站显示画面组态运行人员主要通过操作员站画面来观察生产过程运行情况,并通过画面提供的软操作器来干预生产过程,因此画面设计是否合理、操作是否方便都会对运行产生重要影响。
本设计要求设计关于主汽温控制的简单流程图画面、趋势画面、参数显示画面、操作画面,并把有关的动态点同控制算法连接起来。
1.5报警显示在数据库中进行温度报警值设置,在运行界面中显示报警窗口。
课程设计报告(2015—2016年度第一学期)名称:过程控制课程设计题目:主汽温度控制系统设计(减温控制系统)院系:自动化班级:自动化1201指导教师:马平设计周数: 1周日期: 2016 年1月18日一、课程设计目的与要求“过程控制课程设计”是“过程控制”课程的一个重要组成部分。
通过实际工业过程对象控制方案的选择、控制功能的设置、工程图纸的绘制等基础设计和设计说明的撰写,培养学生基本控制系统工程设计能力、创新意识,完成工程师基本技能训练。
二、课程设计正文1. 被控对象的影响因素及动态特性 1.1影响过热蒸汽温度的因素影响过热蒸汽温度的主要扰动有三种: (1)蒸汽流量(负荷)扰动;(2)烟气热量扰动(燃烧器运行方式、燃料量变化、风量变化等); (3)减温水流量扰动。
1.2 过热汽温控制对象的动态特性分析在各种扰动下气温控制对象动态特性都有迟延和惯性。
典型的气温阶跃响应曲线如下图所示。
可以用迟延,时间常数,放大系数来描述其动态特性。
即传递函数可写为:()se Ts K s G τ-+=1为了在控制机构动作后能及时影响到气温(即控制机构扰动时,气温动态特性的τ、T 和T /τ应尽可能小),因此正确选择控制气温的手段是非常重要的,目前广泛采用喷水减温作为控制气温的手段。
在设计自动控制系统时,应该引入一些比过热蒸汽温提前反映扰动的补充信号,使扰动发生后,过热气温还没有发生明显变化的时刻就进行控制,消除扰动对主气温的影响,而有效地控制气温的变化。
2. 过热汽温控制方案通过对过热蒸汽汽温动态特性的分析可知,该被控对象具有惯性,且过热器的惯性比较大。
目前普遍采用的控制方案有:采用导前汽温微分信号的双回路控制系统、过热汽温串级控制系统、采用相位补偿的汽温控制系统、过热汽温分段控制系统等。
通过对这些控制方案的比较发现[1],采用导前汽温微分信号控制系统的控制效果不如串级控制系统好,尤其当控制对象惰性区的惯性比较大时更为明显。
《过程控制》课程设计任务书一、目的与要求“过程控制课程设计”是“过程控制”课程的一个重要组成部分。
通过实际工业过程对象控制方案的选择、控制功能的设置、工程图纸的绘制等基础设计和设计说明的撰写,培养学生基本控制系统工程设计能力、创新意识,完成工程师基本技能训练。
二、主要内容1.根据对被控对象进行的分析,确定系统自动控制结构,给出控制系统原理图;2.根据确定控制设备和测量取样点和调节机构,绘制控制系统工艺流程图(PID图);3.根据确定的自动化水平和系统功能,选择控制仪表,完成控制系统SAMA图(包括系统功能图和系统逻辑图);4.对所设计的系统进行仿真试验并进行系统整定;5.编写设计说明书。
三、进度计划四、设计(实验)成果要求1.绘制所设计热工控制系统的SAMA图;2.根据已给对象,用MATABL进行控制系统仿真整定,并打印整定效果曲线;3.撰写设计报告五、考核方式提交设计报告及答辩学生姓名:指导教师:年月日一、课程设计目的与要求1.通过实际工业过程对象控制方案的选择、控制功能的设置、工程图纸的绘制等基础设计和设计说明的撰写,培养学生基本控制系统工程设计能力、创新意识,完成工程师基本技能训练。
掌握汇编语言程序设计的基本方法和典型接口电路的基本设计方法。
2.掌握过程控制系统设计的两个阶段:设计前期工作及设计工作。
2.1设计前期工作(1)查阅资料。
对被控对象动态特性进行分析,确定控制系统的被调量和调节量;(2)确定自动化水平。
包括确定自动控制范围、控制质量指标、报警设限及手自动切换水平;(3)提出仪表选型原则。
包括测量、变送、调节及执行仪表的选型。
2.2设计工作(1)根据对被控对象进行的分析,确定系统自动控制结构,给出控制系统原理图;(2)根据确定控制设备和测量取样点和调节机构,绘制控制系统工艺流程图(PID图);(3)根据确定的自动化水平和系统功能,选择控制仪表,完成控制系统SAMA图(包括系统功能图和系统逻辑图);(4)对所设计的系统进行仿真试验并进行系统整定;(5)编写设计说明书。
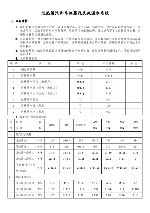
过热蒸汽和再热蒸汽及减温水系统一、设备资料1.我厂炉膛内前墙布置有六片中温过热器管屏、六片高温过热器管屏,六片高温再热器管屏及一片水冷隔墙,后墙布置两片水冷蒸发屏。
尾部采用双烟道结构,前烟道布置了三组低温再热器,后烟道布置四组低温过热器。
2.过热器系统中设有两级喷水减温器,分别布置与屏过前后。
再热器系统中布置有事故喷水减温器和微喷水减温器,分别布置于低再前后。
过热器减温水来自给水母管,再热器减温水来自给水泵中间抽头。
3.低温过热器、低温再热器管组采用长伸缩式吹灰器吹灰,低温过热器管组间8只,低温再热器管组间6只。
过热器安全阀再热器入口安全阀再热器出口安全阀过热器出口电磁泄放阀二、过热蒸汽及其减温水系统1.过热蒸汽流程从汽包分离出来的饱和蒸汽从汽包顶部的蒸汽连接管引出。
饱和蒸汽从汽包引出后,由饱和蒸汽连接管引入冷却式旋风分离器入口烟道的上集箱,下行冷却烟道后由连接管引入冷却式旋风分离器下集箱,上行冷却分离器筒体之后,由连接管从分离器上集箱引至尾部竖井侧包墙上集箱,下行冷却侧包墙后进入侧包墙下集箱,由包墙连接管引入前、后包墙下集箱,向上行进入中间包墙上集箱汇合,向下进入中间包墙下集箱,即低温过热器进口集箱,逆流向上对后烟道低温过热器管组进行冷却后,从锅炉两侧连接管引至炉膛顶部中温过热器进口集箱,流经中温过热器受热面后,在炉前从锅炉两侧连接管引至炉前高温过热器进口集箱,最后合格的过热蒸汽由位于炉膛顶部的高过出口集箱两侧引出。
2.过热蒸汽温度调节方式过热器系统采取调节灵活的喷水减温作为汽温调节和保护各级受热面管子的手段,整个过热器系统共布置有两级喷水。
一级减温器(左右各一台)布置在低过出口至屏过入口管道上,作为粗调控制屏式过热器出口温度,保护屏式过热器;二级减温器(左右各一台)位于屏过与高过之间的连接管道上,作为细调控制高过出口温度,保证蒸汽参数合格,其主环和付环均为比例积分调节。
3.过热器设计规范4.启动初期过热器温的调整(1)应采用一、二级减温器喷水调节,维持进入屏式过热器和高温过热器的蒸汽温度至少有11℃的过热度。
目录第一章引言 (1)1.1课题研究背景及发展 (1)1.2PID控制系统的发展现状 (2)第二章汽温控制系统原理 (4)2.1过热汽温控制对象的动态特性 (4)2.1.1减温水流量扰动下汽温的动态特性 (4)2.1.2蒸汽负荷扰动下汽温的动态特性 (5)2.1.3烟气侧扰动时的汽温动态特性 (6)2.1.4过热汽温控制系统的方案 (7)2.2串级汽温控制系统的工作原理 (8)2.2.1串级汽温控制系统的组成 (8)2.2.2串级汽温控制系统的工作原理 (9)第三章串级汽温控制系统的设计 (10)3.1汽温控制对象的实验建模 (10)3.1.1控制系统的数学建模 (10)3.1.2单位阶跃响应曲线 (10)3.1.3控制对象传递函数求取 (15)3.2串级控制系统的设计和调节器的选型 (22)3.2.1主、副回路的设计原则 (22)3.2.2主、副调节器的选型 (22)3.3串级汽温控制系统的整定 (23)3.3.1当串级汽温控制系统中内、外回路的工作频率相差大时整定 (24)3.3.2当串级汽温控制系统中内、外回路的工作频率差别不大时整定 (25)3.3.3串级控制系统的整定 (28)第四章过热汽温控制系统实例与分析 (31)4.1过热蒸汽流程 (31)4.2过热汽温控制系统方案 (32)第五章参考文献 (33)第一章引言1.1课题研究背景及发展火电厂中汽温控制系统是锅炉的重要控制系统之一。
汽温控制的质量直接影响到机组的安全与经济运行。
蒸汽温过高,会引起锅炉和汽轮机金属材料的超温过热,加速金属的氧化,降低材料的使用寿命;而汽温过低会降低热力循环的效率,同时使汽轮机末级叶片处的湿度增加,对叶片侵蚀作用增强,影响汽轮机安全运行。
火电厂在额定功率运行时通常规定允许主汽温偏离额定值的范围为-10~+5℃,然而影响主汽温变化的因素很多,主要有锅炉负荷、炉膛过量空气系数、给水温度、燃料性质、受热面污染情况和燃烧器的运行方式等;且主汽温被控对象本身具有大迟延、大惯性和时变特性。
基于工业以太网过热器汽温监测系统设计过热器汽温监测系统设计一、设计背景概述过热器是锅炉的重要部件,其作用是在锅炉中将一定压力下的饱和水蒸汽加热成相应压力下的过热蒸汽。
其性能如寿命等与温度有着密不可分的关系,电站中的与锅炉相关的整个系统由于受到外界环境或内在的影响,各个部件内的温度不可能保持恒定不变的,但是与锅炉相关的各个部件在设计以及过热器安装还之后,设计工况不仅有流速,功率等,更重要的还有一个设计好的温度界限。
对于过热器来说,尤其是当温度超过温度界限并且累积到一定次数后,容易产生爆管事故。
对整个系统的运行产生影响,严重的甚至会影响整个电站的运行,对电站产生影响。
故再过热气的运行过程中,对过热器的温度进行实时监控十分重要,可以保证整个系统的正常运行。
中将蒸汽从饱和温度进一步加热至过热温度的部件,称为蒸汽过热器。
大部分不装设过热器,因为许多工业生产流程和生活设施只需要饱和蒸汽。
在电站、机车和船用锅炉中,为了提高整个的循环热效率,一般都装有过热器。
采用过热蒸汽可以减少排汽中的含水率。
过热蒸汽温度的高低取决于锅炉的压力、蒸发量、钢材的耐高温性能以及燃料与钢材的比价等因素,对来说,4兆帕的锅炉一般为450℃左右;10兆帕以上的锅炉为540~570℃。
少数电站锅炉也有采用更高过热汽温的(甚至可达650℃)。
现代电站锅炉的过热器是在高温、高压条件下工作的部件,过热蒸汽温度是锅炉给水通道中温度最高的地方。
如果过热蒸汽温度过高, 则过热器容易损坏, 也会使用汽负荷设备内部引起过度的热膨胀, 严重影响运行的安全,过热蒸汽温度偏低, 则设备的热效率降低以及影响汽轮机的安全运行。
因此, 必须对过热蒸汽温度加以实时监测控制。
二、硬件系统设计所需设备温度传感器(热电偶)、温度变送器、数据采集卡、服务器、集线器硬件设计主要包括系统的总体组网设计、原理图设计、硬件的选型及其介绍三部分构成。
(1)、组网图客户端服务器图1.组网图(2)、原理图(3)、硬件选型(1)热电偶热电偶是一种感温元件,是一种。
锅炉丨二次再热机组再热汽温控制方案研究再热汽温是表征锅炉运行工况的重要参数之一。
汽温过高,会使锅炉受热面及蒸汽管道金属的蠕变速度加快,影响锅炉使用寿命;汽温过低将会引起机组热效率降低,使汽耗率增大,还会使汽轮机末级叶片处蒸汽湿度偏大,造成汽轮机末级叶片侵蚀加剧。
再热汽温对象具有大延迟、大惯性的特点,而且影响再热汽温变化的因素很多,如机组负荷变化、煤质变化、减温水量、受热面结焦、风煤配比、燃烧工况以及过剩空气系数等,汽温对象在各种扰动作用下反映出非线性、时变等特性,使其控制难度增大。
随着电网规模不断增大以及大容量机组在电网中的比例不断增加,电网要求发电机组具有更高的负荷调整范围和调整速率,快速的负荷变化极易导致再热器超温,而大量使用喷水减温又会严重降低机组热效率。
如何保证再热汽温自动调节系统正常投用,同时兼顾机组运行的安全性和经济性,是一个长期而复杂的课题。
随着近年来火力发电技术的不断发展,二次再热超超临界发电技术逐渐成熟,国内已有多台二次再热机组在建或即将开建。
而二次再热机组锅炉增加了一级二次再热循环,锅炉的受热面布置更加复杂,锅炉汽温控制的复杂性和难度也相应增加,其中最主要的在于两级再热汽温的控制。
因此,合理的再热汽温控制是二次再热机组安全性、经济性、可靠性的有力保证。
二次再热机组锅炉特点二次再热机组锅炉相比一次再热增加了一级再热器,主要的蒸汽参数也有很大差异,下表是典型的二次再热π型锅炉与常规的一次再热π型锅炉的主要参数对比。
表1二次再热锅炉与常规一次再热锅炉的主要参数对比从表1可以看出,二次再热锅炉具有以下特征:(1)增加了一级二次再热循环,主汽流量减少,主汽与再热汽之间的吸热比例发生变化。
(2)蒸汽温度调节对象由一次再热的主汽温度、再热汽温度变为主汽温度、一次再热汽温度、二次再热汽温度三个,调节方式和系统耦合将更加复杂。
(3)再热汽温度和给水温度提高,空预器入口的烟温将会提高,导致排烟温度的控制难度增大。
换热器温度控制系统课程设计一、设计背景及目的1.1 设计背景换热器是工业生产中常见的设备,其主要作用是将热量从一个物质传递到另一个物质中。
在换热器的使用过程中,为了保证其正常运行和安全性,需要对换热器进行温度控制。
因此,本课程设计旨在设计一种能够实现换热器温度控制的系统。
1.2 设计目的本课程设计旨在通过对换热器温度控制系统的设计与实现,培养学生对自动控制原理和电气控制技术的理解和应用能力,提高学生对工业自动化技术的认识和应用水平。
二、设计内容2.1 系统结构本系统采用分层结构,包括上位机、下位机、传感器、执行机构等四个部分。
其中上位机负责监测和控制整个系统;下位机负责接收上位机指令并控制执行机构;传感器负责采集温度信号;执行机构则根据下位机指令调节换热器内部水流量。
2.2 系统功能本系统主要包括以下功能:(1)实时监测换热器内部的温度变化,并将数据传输给上位机;(2)根据上位机发送的指令,下位机调节执行机构控制水流量,从而实现对换热器内部温度的控制;(3)当系统出现异常情况时,自动报警并停止运行。
2.3 系统设计2.3.1 上位机设计上位机采用C#语言编写,主要包括以下功能:(1)实时监测温度数据,并进行显示;(2)设置温度控制参数,并发送给下位机;(3)接收下位机状态信息,并进行显示;(4)当系统出现异常情况时,自动报警并停止运行。
2.3.2 下位机设计下位机采用单片机进行设计,主要包括以下功能:(1)接收上位机指令,并解析指令内容;(2)根据指令调节执行机构控制水流量;(3)采集执行机构状态信息,并发送给上位机。
2.3.3 传感器设计本系统采用PT100型号温度传感器进行温度信号采集。
该传感器具有精度高、稳定性好等优点。
2.3.4 执行机构设计本系统采用电磁阀作为执行元件。
电磁阀具有调节水流量的功能,可实现对换热器内部温度的控制。
三、系统实现3.1 系统硬件设计本系统采用单片机作为下位机控制核心,通过串口与上位机进行通信;采用PT100型号温度传感器进行温度信号采集;采用电磁阀作为执行元件,控制水流量。
摘要过热蒸汽温度控制系统是单元机组不可缺少的重要组成部分,其性能和可靠性已成为保证单元机组安全性和经济性的重要因素。
过热蒸汽温度较高时,机组热效率则相对较高,但过高时,汽机的金属材料又无法承受,气温过低则影响机组效率。
过热蒸汽温度的稳定对机组的安全经济运行非常重要,所以对其控制有较高的要求。
但是由于过热蒸汽温度是一个典型的大迟延、大惯性、非线性和时变性的复杂系统,本次设计采用串级控制以提高系统的控制性能,在系统中采用了主控-串级控制的切换装置,使系统可以适用于不同的工作环境。
通过使用该系统,可以使得锅炉过热器出口蒸汽温度在允许的范围内变化,并保护过热器营壁温度不超过允许的工作温度。
关键词:过热蒸汽温度,减温水,串级控制系统,PIDAbstractThe superheated steam temperature control system is an important and indispensable unit aircrew part, its performance and reliability has become ensure safety and economic behavior of the unit aircrew important factors. The superheated steam temperature is higher, the thermal efficiency is relatively high, but is high, the metal materials and the turbine unable to bear, the temperature is too low will influence the unit efficiency. The superheated steam temperature stability of the unit safe and economic operation is very important, so for the control have higher requirements. But because the superheated steam temperature is a typical time-delayed, large inertia, nonlinear and changeable complex system, this design USES the cascade control in order to improve the control performance of the system, in the system by the master-cascade control of switching device, make the system can be used in different working environment. By using this system, can make the boiler overheating export steam temperature in allowed within the scope of the change, and the protection of superheater wall temperature not more than allow the camp of working temperature.Key words: the superheated steam temperature, reduce warm water, cascade control system, PID目录摘要 (I)Abstract (II)1 绪论 (1)1.1 选题的背景及意义 (1)1.2 国内外研究现状 (2)1.3 本次设计的目的 (3)1.4 本次设计所做的工作 (3)2 汽温控制系统的组成与对象动态特性 (4)2.1汽温调节的概念和方法 (4)2.1.1 从蒸汽侧调节汽温 (4)2.1.2 从烟气侧调节汽温 (6)2.2过热器的分类及其基本结构 (8)2.2.1 过热器的分类 (8)2.2.2 过热器的基本结构 (11)2.3 过热蒸汽温度控制系统的基本结构和工作原理 (12)2.3.1 过热器一级减温控制系统 (12)2.3.2 过热器二级减温控制系统 (13)2.4 过热蒸汽温度控制对象的动静态特性 (15)2.4.1 静态特性 (15)2.4.2 动态特性 (15)3 过热汽温控制系统的基本方案 (19)3.1 串级汽温控制系统 (19)3.2 串级控制系统的基本结构和原理 (19)3.3 串级汽温控制系统的设计 (21)3.4 串级汽温控制系统的整定 (22)4 器件的选型 (25)4.1 温度检测变送器的选择 (25)4.2 控制器的选型 (27)4.3 执行器的选型 (28)4.4 阀门定位器的选型 (29)5 主蒸汽温度控制系统的仿真和改进 (31)5.1 串级PID系统仿真 (31)5.2 基于Smith预估计补偿器的串级汽温控制系统 (34)5.3 基于改进型Smith预估器的串级汽温控制系统 (38)结论 (42)致谢 (43)参考文献 (44)附录 (45)附录A (45)1 绪论1.1 选题的背景及意义过热汽温的控制就是维持过热出口蒸汽温度在允许范围内,并且保护过热器,使管壁温度不超过允许的工作温度。
目录一 600MW火电机组DCS系统设计 11.1电源部分 11.2通信部分 21.3 系统接地 21.4 软件部分 3二、设计正文 42.1 已知技术条件与参数 42.2设计总体方案及传感器、执行器、调节器等的选择 42.2.1 再热汽温的影响因素 42.2.2再热汽温控制的任务 52.2.3 再热汽温的控制方法 52.2.4执行器的选择 62.2.5变送器的选择 82.2.6控制器的选择 102.4画出系统框图及接线图 122.4.1再热器烟道挡板控制系统 132.4.2再热器喷水减温控制回路 14三、设计心得 16五、附表 18一 600MW火电机组DCS系统设计DCS系统配置应能满足机组任何工况下的监控要求(包括紧急故障处理),CPU负荷率应控制在设计指标之内并留有裕度;所有站的CPU负荷率在恶劣工况下不得超过60%,所有计算站、数据管理站、操作员站、历史站等的CPU负荷率在恶劣工况下不得超过40%;控制站、操作员站、计算站、数据管理站、历史站或服务器脱网、离线、死机,在其它操作员监视器上应设有醒目的报警功能,或在控制室内设有独立于DCS系统之外的声光报警;DCS应采用合适的冗余配置和直至卡件的自诊断功能,使其具有高度的可靠性,系统的任何一个组件发生故障均不影响整个系统工作。
DCS系统应易于组态、易于实用和易于扩展;系统的报警、监视和自诊断功能应高度集中在CRT上,控制功能应尽可能在功能和物理上进行分散;主要控制器应采用冗余配置,重要I/O点应考虑采用非同一板件的冗余配置;系统设计应采用各种抗噪声技术、包括光电隔离、高共模抑制比以及合理的接地和屏蔽;分配控制回路和I/O信号时,应使一个控制器或一块I/O板件损坏时对机组的安全运行的影响尽可能小。
I/O板件及其电源故障时,应使I/O处于对系统安全的状态,不出现误动;电子设备机柜的外壳防护等级应满足有关标准的规定;机柜内的模件应能带电插拔,而不影响其它模件的正常运行。
DCS设计完成后能保证以下安全原则:单一故障不应引起DCS系统的整体故障。
单一故障不应引起锅炉或汽机/发电机保护系统的误动作或拒动作。
控制功能的分组划分应使某个区域的故障将只是部分降低整个控制系统的控制功能,此类控制功能的降低应能通过运行人员干预进行处理。
控制系统的构成应能反映电厂设备的冗余配置,以使控制系统内单一故障不会导致运行设备与备用设备同时不能运行。
整个DCS的可利用率至少为99.98%。
当DCS系统通讯发生故障或运行操作员站和LCD全部故障时,应能确保安全停机,当控制器单元发生故障时,应能保证稳定负荷下安全停机。
1.1电源部分系统电源应设计有可靠的后备手段(如采用UPS电源),备用电源的切换时间应小于5ms(应保证控制器不能初始化),同时,系统电源故障应在控制室内设有独立于DCS之外的声光报警;有条件的机组,DCS应采用隔离变压器供电。
系统应设计双回路供电,其中一路电源要采用UPS 供电,并应进行定期切换试验;UPS电源应能保证连续供电30min,以确保安全停机、停炉的需要;采用直流供电方式的重要I/O板件,其直流电源应采用冗余配置。
1.2通信部分主系统及主系统连接的所有相关系统(包括专用装置)的通讯负荷率设计必须控制在合理的范围(保证在高负荷运行时不出现“瓶颈”现象)之内,其接口设备(板件)应稳定可靠:连接到系统数据高速公路上的任一系统或设备发生故障都不应导致通讯系统瘫痪或影响其它联网和系统和设备的工作;通信总线应有冗余设置,冗余的数据高速公路在任何时候都能同时工作,通信负荷率在繁忙工况下不得超过30%,对于以太网则不得超过30%;通讯高速公路的故障不应引起机组跳闸或使DPU(分散处理单元)不能工作;当数据通信系统发生某个通讯错误时,系统应能自动采取某种安全措施如切除故障的设备或切换到冗余装置等;系统应能在电子噪声、射频干扰和振动都很大的现场环境中连续运行而不降低系统性能。
1.3 系统接地DCS的系统接地必须严格遵守技术要求,所有进入DCS系统控制信号的电缆必须采用质量合格的屏蔽电缆,且有良好的单端接地;DCS系统与电力系统共用一个接地网时,控制系统接地线与电气接地网只允许有一个连接点,且接地电阻应小于0.5Ω;重点处理好两种接地:保护地(CG)和屏蔽地(AG)。
保护地接至电厂电气专业接地网,接地电阻小于2Ω;屏蔽地当电厂电气专业接地网接地电阻不大于0.5Ω,直接接入电厂电气专业接地网;当电气专业接地网接地电阻较大时,独立设置接地系统,接地电阻不大于2Ω;屏蔽地接地点应远离电厂大电流设备,如给水泵、磨煤机等,距离应大于10m以上;模拟量信号(模入、模出,特别是低电平的模入信号,如热电偶、热电阻信号等)最好采用屏蔽双绞线电缆连接,且有良好的单端接地。
1.4 软件部分整个系统应该采用统一的组态技术和方法,操作系统应选用适用于工业控制要求的稳定的系统,应用软件的安全性和稳定性应能完全胜任工业控制;所有算法和系统整定参数应驻存在各处理模件的非易失性存储器内,执行时无须重新装载;系统应留有后继开发应用软件的方式;在工程师站上应能对系统组态进行修改,不论该系统在线或离线,均能对系统组态进行修改。
增加或改变系统中的一部分内容应不必重新编译整个系统的程序。
在编程或修改完成之后,系统组态程序应能通过数据高速公路装入到各有关处理模件而不影响系统的正常运行;所有程控逻辑的修改都在系统内完成,而无需使用外部硬接线、专用开关或其它替代物作为逻辑的组态输入;应提供方便查阅历史数据的工具软件;应设计有对报警历史、操作员操作历史的记录和查阅程度包;应提供对事故顺序记录的主录和查阅程序包;系统应有对生产过程数据的记录和查阅功能,对于一般过程点应能精确到一秒,重要事件应能记录到毫秒级。
系统应有完善的在线诊断和离线诊断能力,查找故障的自诊断功能应至少诊断至模件级故障,报警功能应能使使用人员方便地辨别和解决各种问题。
二、设计正文2.1 已知技术条件与参数已知技术条件与参数表1系统误差满足控制指标要求使用环境温度传感器-30℃~+80℃变送器执行器-30℃~+80℃调节器记录显示仪表0℃~40℃相对湿度≤90%电源交流220V(+10%、-15%),50Hz2.2设计总体方案及传感器、执行器、调节器等的选择2.2.1 再热汽温的影响因素(1) 给水温度给水温度降低时(如高压加热器出系),若锅炉出力保持不变,则需要增加燃料,以补充因给水温度降低而减少的热量;这样,炉膛出口烟气量增加,以对流受热面为主的再热器吸热量增加,导致再热汽温升高(2) 过剩空气系数过剩空气系数增加,以对流受热面为主的再热器吸热量增加,再热汽温升高;反之则降低。
(3) 炉膛火焰中心炉膛火焰中心的高度对再热汽温有相当显著的影响,是调节再热汽温的主要手段。
当火焰中心抬高时,炉膛出口温度上升,以对流受热面为主的再热器其进口烟温升高,吸热量增加,再热汽温提高;反之,再热器吸热量减少,再热汽温降低(4) 受热面结渣再热器受热面结渣或积灰,吸热量减少,再热汽温降低。
炉膛水冷壁结渣,水冷壁吸热量减少,导致炉膛出口烟温上升,再热器吸热增加,再热汽温提高。
(5) 过热蒸汽温度和压力过热蒸汽温度变化会引起高压缸排汽变化。
过热汽温降低,高压缸排汽温度降低;在再热器吸热量不变的条件下,因再热器进口温度降低,导致再热器出口温度降低。
过热蒸汽压力的变化也会引起再热汽温的变化。
过热蒸汽压力降低,在过热汽温不变的情况下,过热蒸汽的焓增大,高压缸排汽温度上升;在再热器吸热量不变的条件下,因再热器进口温度升高,使再热器出口温度提高;反之,过热蒸汽压力升高,再热汽温降低。
这与变压运行时,可保持较高再热汽温的原理相同。
2.2.2再热汽温控制的任务为了提高大容量、高参数机组的循环效率,并防止汽轮机末级蒸汽带水,需采用中间再热系统。
提高再热汽温对于提高循环热效率是十分重要的,但受金属材料的限制,目前一般机组的再热蒸汽温度都控制在560℃以下。
另一方面,在锅炉运行中,再热器出口温度更容易受到负荷和燃烧工况等因素的影响而发生变化,而且变化的幅度也较大,如果不进行控制,可能造成中压缸转子与汽缸较大的热变形,引起汽轮机振动。
再热蒸汽温度控制系统的任务是将再热蒸汽温度稳定在设定之上。
此外,在低负荷、机组甩负荷或汽轮机跳闸时,保护再热器不超温,以保证机组的安全运行。
2.2.3 再热汽温的控制方法再热蒸汽温度调节采用调节延期挡板,摆动火嘴和喷水减温的控制方式。
按设计,再热蒸汽温度正常情况下由烟气挡板的摆动来控制。
也就是说一般以采用烟气控制的方式为主,这比采用喷水控制有较高的热经济性。
1.采用烟气挡板控制再热汽温的控制系统采用烟气挡板需把尾部烟道分成两个并联烟道,在主烟道中布置低温再热器,旁路烟道中布置低温过热器。
在低温过热器下面布置省煤器,调温挡板则布置在工作条件较好的省煤器下面。
主,旁两侧挡板的动作是相反的,即再热器侧开,过热器侧关,反之亦然。
2、摆动火嘴:摆动燃烧器火嘴倾角是设计用来调节再热汽温的正常手段,它是一个带前馈信号的单回路调节系统。
在锅炉A,B侧末级再热器出口联箱上各装有两个出口蒸汽温度测点,可由运行人员在OIS上手动选择每侧的某一测点或两个测点的平均值作为本次再热汽温控制使用。
根据主蒸汽流量经函数发生器给出的随机组负荷变化的再热汽温设定值,与运行人员手动设定值经小值选择器后与再热蒸汽测量值进行比较,偏差进入控制器。
控制器设计为SMITH预估器和PID调节器互相切换的方式,两者只能由一个起控制作用,可由热控工程师通过软件调节。
为了提高再热汽温在外扰下的调节品质,控制回路设计了机组负荷和送风量经函数发生器给出的前馈信号。
根据再热汽温的偏差经控制器的控制运算后在加上前馈信号,形成了对燃烧器火嘴倾角的控制指令,这个指令信号分四路并列输出去驱动炉膛四角的燃烧器火嘴倾角。
当进行炉膛吹扫时,火嘴倾角将被自动连锁到水平位置。
3、喷水减温:喷水减温只起辅助或保护性质的减温作用。
每侧的再热汽温有两个测量信号,当摆动火嘴在自动控制状态时,喷水减温的再热汽温设定在摆动火嘴控制系统设定值的基础上加上根据摆动火嘴控制指令经函数发生器给出的偏置量,意在当摆动火嘴有调节与低时抬高喷水减温控制系统设定值以确保喷水减温阀门关死。
当摆动火嘴控制指令接近下限而将失去调节余地时,该偏置量应该减小到零以便再热汽温偏高时喷水阀门接替摆动火嘴的减温手段。
由于喷水减温系统只是设计用作辅助调节手段,故系统设计比较简单,再热汽温设定值与测量值的偏差经PID调节器后直接作为喷水减温阀门开度指令,控制器未设计SMITH预估器,也未设计任何前馈信号2.2.4执行器的选择一、作用控制机构与执行机构合称执行器,它是电厂热工自动控制系统的执行环节。