减速器三维课程设计说明书
- 格式:doc
- 大小:3.90 MB
- 文档页数:33
前言卷扬机是一种常见的提升设备,其主要是用电动机作为原动机。
由于电动机输出的转速远远大于卷扬机中滚筒的转速,故必须设计减速的传动装置。
传动装置的设计有多种多样,如皮带减速器、链条减速器、齿轮减速器、涡轮蜗杆减速器、二级齿轮减速器等等。
通过合理的设计传动装置,使的卷扬机能够在特定的工作环境下满足正常的工作要求。
同时通过本课程设计将学过的基础理论知识进行综合应用,培养结构设计,计算能力,熟悉一般的机械装置设计过程。
目录设计任务书 (3)第一部分传动装置总体设计 (4)第二部分电动机的选择及传动比分配 (4)第三部分 V带设计 (7)第四部分齿轮的设计 (9)第五部分轴的设计 (16)第六部分校核 (19)第七部分箱体及其它附件 (21)总结 (23)参考文献 (23)设计任务书1 设计要求:1.1 卷扬机由电动机驱动,用于建筑工地提升物料,空载启动,连续运转,工作平稳。
1.2 室外工作,生产批量为5台。
1.3 动力源为三相交流380/220V,电动机单向运转,载荷较平稳。
1.4工作期限为10年,每年工作300天,3班制工作,每班工作4小时,检修期间隔为3年。
原技数图。
3.2 完成卷扬机主要传动装置结构设计。
3.3 完成装配图1章(A0或A1),零件图2张。
3.4 编写设计说明书。
第一部分传动装置总体设计1.1 传动方案1.1.1组成:传动装置由电机、减速器、工作机组成。
1.1.2特点:齿轮相对于轴承不对称分布,故沿轴向载荷分布不均匀,带传动承载能力较低,在传递相同转矩时,结构尺寸较其他形式大,但有过载保护的优点,还可缓和冲击和振动,故布置在传动的高速级,以降低传递的转矩,减小带传动的结构尺寸。
齿轮传动的传动效率高,适用的功率和速度范围广,使用寿命较长,是现代机器中应用最为广泛的机构之一。
本设计采用的是展开式两级直齿轮传动。
总体来讲,该传动方案满足工作机的性能要求,适应工作条件、工作可靠,此外还结构简单、尺寸紧凑、成本低传动效率高。
目录1.引言――――――――――――――――――――――--――――――――22.零件体的设计、造型――――――――――――――――――――――-- -32.1 下箱体设计――――――――――――――――――――――――--32.2 上箱体设计――――――――――――――――――――――――--62.3 大齿轮的设计――――――――――――――――――――――—- 72.4 小齿轮的设计――――――――――――――――――――――― 212.5 轴的设计――――――――――――――――――――――――― 342.6 其他零部件的绘制―――――――――――――――――――――-353、减速器的装配――――――――――――――――――――――――――414、工程图的设计――――――――――――――――――――――――――435、齿轮仿真――――――――――――――――――――――――――——456、结论――――――――――――――――――――――――――――――487、致谢语―――――――――――――――――――――――――――――498、参考文献――――――――――――――――――――――――――――50引言减速器是应用于原动机和工作机之间的独立传动装置,具有结构紧凑、传动效率较高、传递运动准确可靠、使用维护方便和可成批生产等特点。
传统的减速器手工设计通常采用二维工程图表示三维实体的做法,这种做法不仅不能以三维实体模型直观逼真地显现出减速器的结构特征,而且对于一个视图上某一尺寸的修改,不能自动反应在其他对应视图上Pro/ENGINEER技术可以方便快捷的实现建立基于零件或子装配体的三维模型设计和装配,并且提供了丰富的约束条件完成可以满足的工程实践要求。
建立三维模型在装配体环境下可以很好的对零件进行编辑和修改,在生产实际中便捷的把立体图转换为工程图,在生产应用中充分利用Pro/E软件进行几何造型设计,进一步利用数控加工设备进行技术加工,可以显著提高减速器的设计制造精密、设计制造质量、设计制造效率,从而缩短产品更新换代生产的整个周期。
减速器课程设计说明书(5)机械设计课程说明书设计题目:减速器班级:08机电2班姓名:许鹏学号: 01指导教师:朱老师__年_月_日学院目录一、设计任务书………………………………………二、传动方案的拟定………………………………三、电动机的选择和计算…………………………四、整个传动系统运动和动力参数的选择和计算…………………………五、传动零件的设计计算…………………………六、联轴器的选择和轴的设计计算…………………七、滚动轴承的计算………………………………八、键连接的选择………………………………九、润滑方式及密封形式的选择…………………十、其他,如装配、拆卸、安装、使用与维护………………………………………………十一、参考资料……………………………………十二、总结……………………………(-)运输皮带拉力η=2500N ,皮带=1.7m/s 卷筒直径320mm二、选电动机 1、计算电机需要功率pdη1—弹性联轴器传动功率0.99η2—轴承传动效率0.98(对)η3—齿轮传动效率0.97(8级) η4—卷筒传动效率0.96ηz—电动机至工作机之间的总效率 F=2500N V=1.7 m/s D=320mmηηW =η=η1×η23×η32×η4 Pw =w 1000ηFV Pd=ηηw FV1000 ηηW= 85.0322654231=ηηηηηηPd=83.01000⨯FV=5KWn d =()i i i n 21⋯⋯⋅n W0.96w η=kw pd22.4=min 46.101r nw=Y 型全封闭鼠笼型三相异步电动机轴的强度合格mmN 192102192101MM b ⋅=⋅=-合B mmN。
山东大学机械设计基础课程设计设计计算说明书院系材料科学与工程学院年级2011专业包装姓名于俊杰学号201000150259指导老师纪琳2013年12月23号目录一.设计任务及题目 (1)二.机械传动装置的总体设计 (2)三.普通V带的设计 (4)四.齿轮传动的设计 (5)五.轴的设计计算 (9)六.滚动轴承的设计 (15)七.键联接和联轴器的设计 (16)八.润滑和密封的设计 (18)九.齿轮的结构设计 (18)十.箱体结构的设计 (19)十一.设计小结 (19)m /m二.机械传动装置的总体设计1.确定传动方案⑴电动机的同步转速初选1500r/min ⑵初估总传动比 i ' 工作机的输入转速w w 601000v 601000 1.8n 85.750r /min D400⨯⨯⨯===ππ⨯D w n 1500i =17.094n 85.750'===电动机同步转速工作机输入转速⑶确定传动系统由带,齿轮,链传动组成,平面简图如下所示:2.选择电动机⑴选择电动机类型根据传动装置的工作条件、电动机的结构特点、适用范围,优先选用全封闭自扇冷式笼型Y 系列异步电动机⑵确定电动机型号①工作机输入功率的计算w w w W T n 48087.750P 4.410K 95509550⨯==≈②电动机所需的输出功率P 0计算42420.980.950.960.990.9920.845η=η⋅η⋅ηη⋅η=⨯⨯⨯⨯=齿带链联滚n w =85.750r/mini 17.094'=P W =4.410KwW 0W P 4.410P 5.22K 0.845==≈η③确定电动机型号0D +0.018m m +0.002P 5.22Kw,n 1500r /min.2-3Y132S 4P 5.5Kw,n 1440r /min 2-4mm==-==查表用并且查表得:D=38E=80mm 3.传动装置总传动比的计算及其分配⑴计算总传动比 m w n 1440i 16.410n 87.750==≈ ⑵分配传动比 取i =4.000i 2.000=,减带i 16.410i =2.051i i 4.000 2.000==⨯故链减带 4.传动装置的运动参数和动力参数的计算 ⑴各轴输入功率 P 0=P 电=5.22KwP 1= P 0 5.220.95 4.96Kw ⋅η=⨯=带P III = P II 5.220.950.990.98 4.81Kw ⋅η⋅η=⨯⨯⨯=齿滚 ⑵各轴转速n 0=n m =1440r/minn I =0n 1440r /min 720r /min i 2==带 n II =n 720180r /min n 4.000I ==减 ⑶各轴输入转矩000II P 5.22T 9550955034.62N m n 1440P 4.96T 9550955065.79N m n 720P 4.81T 95509550255.20N m n 180I I I ∏∏==⨯=⋅==⨯=⋅==⨯=⋅0m 0.98(7=0.8455.22Kwn 1440r /minη=η==齿级精度)Pi 16.410i 4.000i 2.000i 2.051====减带链P 0=5.22Kw P I =4.96Kw P II =4.81Kwn 0=1440r/min n I =720 r/min n II =175.61r/min0T 34.62N m T 65.79N m T 255.20N mI ∏=⋅=⋅=⋅140mm.4.确定中心距和带长 初步确定中心距a 0,即()()1212d d 0d d 000.7d d a 2d d 235.2mm a 672mm,a =450mm+≤≤+⇒≤≤取初定V 带基准长度()()()()21122d d 00d d 02d d L 2a d d 24a 22411224501122241434.76mm24450-π=+++-π=⨯+++=⨯根据初定的0L ,由表13-2选取接近的基准长度 d L 1400mm = 实际中心距为d 00L L 14001436.76a a 450432.62mm 22--≈+=+= 5.验算小带轮包角21d d 1d d 11218057.318057.3165.17120a432.62-α=︒-⨯︒=︒-⨯︒=︒>︒ 故包角符合要求 6.确定V 带的根数 ⑴由表13-5查得1d 10d 112mm,n 1440r /min,A V 1.62Kw ===型带P⑵由式(13-22)得0b 1i 1P K n 1K ⎛⎫∆=-⎪⎝⎭其中传动比()()21d d d 224i 2.04d 111210.02===-ε-由表13-9得i K 1.12= 由表13-8得3b K 1.0310-=⨯则30b 1i 11P K n 1 1.031014401Kw 0.16KwK 1.12-⎛⎫⎡⎤⎛⎫∆=-=⨯⨯⨯-= ⎪ ⎪⎢⎥⎝⎭⎣⎦⎝⎭ ⑶由表13-10得K 0.96,α=由表13-2得L K 0.96=,则V 带根数()()C 00L P 6.264z 3.82P P K K 1.620.160.960.96α≥==+∆+⨯⨯取z=4根,大带轮结构如下图所示7.计算张紧力F 0由表13-1查得 q=0.10kg/m2C 02500P 2.5F 1qv zv K 500 6.264 2.510.108.44155.95N 156N 48.440.96α⎛⎫=-+⎪⎝⎭⨯⎛⎫=-+⨯=≈ ⎪⨯⎝⎭8.计算作用在轴上的压轴力Q 由式(13-24) 1Q 0165.17F 2zF sin24155.95sin 1237.17N 1237N 22α︒==⨯⨯⨯=≈ 四.齿轮传动的设计闭式斜齿圆柱带轮 i 4.000.μ==齿取小齿轮齿数为1z 25= 21z z 100,=12=μ=β︒取齿轮按7级精度计算。
机械课程设计目录一、前言课程设计书 (2)二、设计步骤第一章传动方案的拟定 (4)第二章电动机的选择 (4)第三章传动比的分配 (6)第四章V带传动的设计 (8)第五章齿轮的设计 (9)第六章轴的设计 (11)第七章轴承寿命计算 (16)第八章键联接设计 (17)第九章箱体结构的设计 (18)第十章润滑密封设计 (19)第十章联轴器设计 (19)三、设计小结 (19)四、参考资料 (21)前言《机械设计》课程设计任务书题目:设计用于带式运输机的传动装置原始数据:(数据编号)见表1工作条件:三班制工作,连续单向运转,载荷平稳,室内环境,有粉尘(运输带与卷筒及支承间、包括卷筒轴承的摩擦阻力影响已在F中考虑)。
使用期限:十年,大修期三年。
生产批量:10台生产条件:中等规模机械厂,可加工7—8级精度的齿轮。
动力来源:电力,三相交流(220/380V)运输带速度允许误差:±5%设计工作量:1.减速器装配图1张(A1);2.减速器零件图2张(A3);3.设计说明书1份(宋体小四字体不少于20页)。
表1注:除装配草图要求手工绘图(A1)外,其余的图纸和说明书要求打印文档。
第一章 传动方案的拟定题目:设计用于带式运输机的传动装置(1) 工作条件:使用年限10年,大修期三年,工作为三班工作制,连续单向运转,载荷平稳,室内环境,有粉尘(运输带与卷筒及支承间、包括卷筒轴承的摩擦阻力影响已在F 中考虑)。
(2) 原始数据:运输带工作拉力F=2500N ;运输带工作速度V=1.3m/s ;卷筒直径D=280mm 。
设计简图:第二章 电动机的选择1、电动机类型和结构型式的选择:按已知的工作要求和条件,选用 Y 系列三相交流异步电动机(JB/T10391-2002)。
2、工作机所需要的有效功率根据已知条件,工作机所需要的有效功率:KWKW Fv 25.310003.125001000P d =⨯==为了计算电动机的所需功率Pd ,先要确定从电动机到工作机之间的总效率η。
中北大学课程设计说明书学生姓名:学号:学院:机电工程学院专业:飞行器制造工程题目:单级斜齿圆柱齿轮减速器职称:年月日目录一、设计任务书 (4)二、传动装置总体设计方案 (7)2.1 传动方案特点 (7)2.2 计算传动装置总效率 (7)三、电动机的选择 (7)3.1 电动机的选择 (7)3.2 确定传动装置的总传动比和分配传动比 (8)四、计算传动装置的运动和动力参数 (9)五、V带的设计 (9)六、齿轮传动的设计 (14)七、传动轴和传动轴承及联轴器的设计 (20)7.1 输入轴的设计 (20)7.2 输出轴的设计 (24)八、键联接的选择及校核计算 (29)8.1 输入轴键选择与校核 (30)8.2 输出轴键选择与校核 (30)九、轴承的选择及校核计算 (30)9.1输入轴上轴承的校核 (30)9.2 输出轴上轴承的校核 (31)十、联轴器的选择 (33)十一、减速器的润滑和密封 (33)11.1 减速器的润滑 (33)11.2 减速器的密封 (34)十二、减速器附件及箱体主要结构尺寸 (34)12.1 附件的设计 (34)12.2 箱体主要结构尺寸 (36)设计小结 (37)参考文献 (37)中北大学课程设计任务书2006 /2007 学年第学期学院:机电工程学院专业:飞行器制造工程学生姓名:学号:课程设计题目:单级斜齿圆柱齿轮减速器起迄日期:课程设计地点:指导教师:系主任:下达任务书日期: 2007年月日二、传动装置总体设计方案2.1 传动方案特点1.组成:传动装置由电机、V 带、减速器、工作机组成。
2.特点:齿轮相对于轴承对称分布。
3.确定传动方案:考虑到电机转速高,V 带具有缓冲吸振能力,将V 带设置在高速级。
选择V 带传动和一级圆柱齿轮减速器。
2.2 计算传动装置总效率543321ηηηηηη⋅⋅⋅⋅=a式中η1、η2、η3、η4、η5分别为带传动、联轴器、轴承、齿轮和开式齿轮的传动效率。
目录传动装置总体设计:........................................... 错误!未定义书签。
动机的选择. (3)选择电动机类型: (3)选择电动机的容量 (4)确定电动机转速 (4)计算传动装置的运动和动力参数: (6)设V计带和带轮: (8)确定计算功率Pca (8)确定V带型号 (8)计算V带的根数Z: (9)计算单根V带的额定功率Pr (9)齿轮的设计: (10)高速级大小齿轮的设计 (10)选择齿轮材料 (10)按齿面接触强度设计 (10)计算 (11)按齿根弯曲强度的设计公式可得 (12)设计计算 (13)几何尺寸计算 (13)低速级大小齿轮的设计 (14)按齿面接触强度设计 (14)按齿根弯曲强度的设计公式可得 (16)设计计算 (17)几何尺寸计算 (18)减速器机体结构尺寸如下: (18)轴的设计: (20)高速轴的设计: (20)低速轴的设计: (23)中间轴的设计: (26)轴承的校核 (31)对高速轴轴承的校核 (31)对低速轴轴承的校核 (32)对中间轴的轴承的校核 (33)连接设计 (34)减速器润滑及密封 (35)课程设计题目4:带式运输机传动装置1、运动简图:2、已知条件: 1、工作情况:连续单向运转,2、工作环境:室内,灰尘较大,环境最高温度35°C ;3、滚筒效率:ηj =0.96效率损失);4、动力来源:电力,三相交流,电压5、检修间隔期:4年1次大修,2年1次中修,半年1次小修;6、制造条件及生产批量:一般机械厂生产制造,小批量;7、允许运输带工作速度误差为±5%。
3原始数据:4、设计工作量:1、减速器装配图1张(A0或A1);2、零件工作图1~3张;3、设计说明书1份。
动力及传动装置1. 组成:传动装置由电机、减速器、工作机组成。
2. 特点:齿轮相对于轴承不对称分布,故沿轴向载荷分布不均匀,要求轴有较大的刚度。
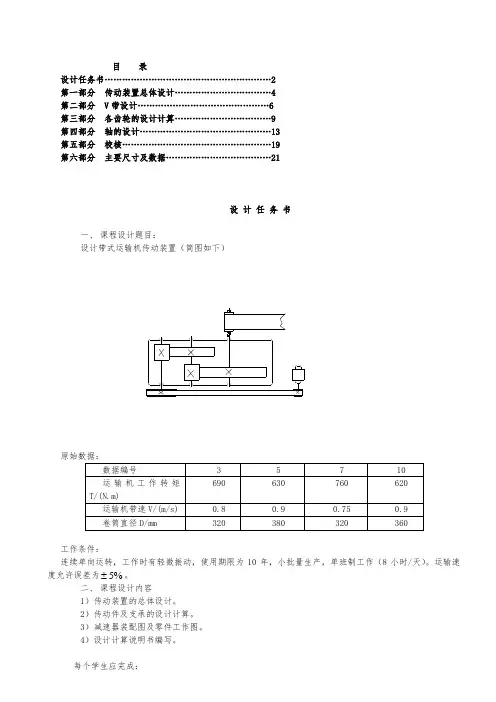
目 录设计任务书.........................................................2 第一部分 传动装置总体设计.................................4 第二部分 V 带设计.............................................6 第三部分 各齿轮的设计计算.................................9 第四部分 轴的设计.............................................13 第五部分 校核...................................................19 第六部分 主要尺寸及数据 (21)设 计 任 务 书一、 课程设计题目:设计带式运输机传动装置(简图如下)原始数据:工作条件:连续单向运转,工作时有轻微振动,使用期限为10年,小批量生产,单班制工作(8小时/天)。
运输速度允许误差为%5 。
二、 课程设计内容1)传动装置的总体设计。
2)传动件及支承的设计计算。
3)减速器装配图及零件工作图。
4)设计计算说明书编写。
每个学生应完成:1)部件装配图一张(A1)。
2)零件工作图两张(A3)3)设计说明书一份(6000~8000字)。
本组设计数据:第三组数据:运输机工作轴转矩T/(N.m) 690 。
运输机带速V/(m/s) 0.8 。
卷筒直径D/mm 320 。
已给方案:外传动机构为V带传动。
减速器为两级展开式圆柱齿轮减速器。
第一部分传动装置总体设计一、传动方案(已给定)1)外传动为V带传动。
2)减速器为两级展开式圆柱齿轮减速器。
3)方案简图如下:二、该方案的优缺点:该工作机有轻微振动,由于V带有缓冲吸振能力,采用V带传动能减小振动带来的影响,并且该工作机属于小功率、载荷变化不大,可以采用V带这种简单的结构,并且价格便宜,标准化程度高,大幅降低了成本。
目录设计任务书 (2)第一部分传动装置总体设计 (4)第二部分各齿轮的设计计算 (7)第三部分轴的设计 (17)第四部分主要尺寸及数据 (23)设计任务书一、课程设计题目:方案3:电机→圆锥圆柱齿轮(斜齿)减速器→开式一级齿轮减速→工作机1—电动机;2、4—联轴器;3—圆锥-圆柱斜齿轮减速器;5—输送带;6—滚筒 2原始数据(1)皮带的有效拉力:F=3000N;(2)输送带工作速度:v=1.2m/s;(3)滚筒直径:400mm;3.设计条件1.工作条件:机械厂装配车间;两班制,每班工作四小时;空载起动、连续、单向运转,载荷平稳;2.使用期限及检修间隔:工作期限为8年,每年工作250日;检修期定为三年;3.生产批量及生产条件:生产数千台,有铸造设备;4.设备要求:固定;5.生产厂:减速机厂。
4.工作量1.减速器装配图零号图1张;2.零件图2张(箱体或箱盖,1号图;中间轴或大齿轮,1号或2号图);3.设计说明书一份不少于7000字。
第一部分 传动装置总体设计一、 传动方案(已给定) 1) 外传动为V 带传动。
2) 减速器为两级展开式圆锥-圆柱斜齿轮减速器。
3)方案简图如下:。
计 算 与 说 明结果 三、电动机的选择(一) 类型选择:根据动力源和工作条件,选用Y 型三相异步电动机。
(二) 功率计算 (1)确定工作功率KW FV P w 6.310002.130001000=⨯==(2)原动机功率∑=ηW d P P根据题意 联轴器一个 轴承五对 圆柱齿轮两个 圆锥齿轮一个 滚筒轴一个98.0=轴η97.0=齿η96.0=滚筒η992.0=联η滚筒联齿轴ηηηηη∙∙∙=∑325837.096.0992.098.098.0235=⨯⨯⨯=∑η电动机所需的功率为:30.4837.06.3===∑ηwP P ddP P ed 〉所以选择电动机5.5KW 的(3)电动机的转速 1、工作机主轴转速 min 32.574002.1100060r n w =⨯⨯=π2、各级传动比可选范围 查参考文献[1]表2-2得两级展开式圆柱齿轮减速器的传动比范围'a i 为40~83、电动级转速的确定0.837η∑=4.30d P =57.32min w n r =电动机可选转速范围min 10031~68.137532.57)175~24(r n i n w d =⨯==总从课本查得: 同步转速为1500r/min 满载转速为1440r/min ;电动机额定功5.5KW 制表如下: 电动机型号 额定功率 电动机转速同步 满载 Y132S-414401500 1440Y132S-4电动机的外型尺寸(mm ): (见课设表19-3)A :216B :140C :89D :38E :80F :10G :33H :132 K :12 b: 280 b1: 210 b2: 135 h:315 AA: 60 BB:200 HA:18 L1:475 (二)、传动比分配根据上面选择的电动机型号可知道现在的总传动比 12.2532.571440===w m n n i 总 ;为了使两级大齿轮直径相近取设 2.42=i23.33.1/23==i i 85.1/321=∙=∑i i i i 10.25321=∙∙=∑i i i i(三)、传动装置的运动和动力参数1375.68~10031mind n r =2.42=i3 3.23i = 1 1.85i =25.10i ∑=1、各轴的转速计算 电机轴10min /1440n r nn m===min /38.77885.1/14402r n ==min /33.1852.4/38.7783r n ==min /38.5723.3/33.1854r n ==卷筒min /32.574r n n =≈卷筒 2、各轴输入功率计算KWP KW P P KW P P KW P P KW nd P IV IV 86.3992.090.390.399.098.002.402.499.098.014.414.498.099.027.427.4992.03.412332213=⨯=⨯=⨯⨯===⨯⨯===⨯⨯===⨯==ηηηηηηηηⅢⅡⅢⅠⅡⅠ3 各轴的输入转矩m mN T T m m N i T T m m N i T T m m N i T T m mN T T m mN n P T IV d m d d ⋅⨯=⨯⨯⨯==⋅⨯=⨯⨯⨯⨯==⋅⨯=⨯⨯⨯⨯==⋅⨯=⨯⨯⨯⨯=∙∙=⋅⨯=⨯⨯=∙=⋅⨯=⨯⨯=⨯=552145532335423224413214414661091.699.0992.010036.710036.723.398.099.01025.21025.22.498.099.01051.51051.585.198.099.01083.21083.2992.01085.21085.214403.41055.91055.9ηηηηηηηηηⅢⅡⅠ所以可得表格:01440/minn r =2778.38/min n r = 3185.33/min n r = 457.38/minn r =57.32/minr n=卷筒14.274.144.023.903.86IV IV P KWP KW P KW P KW P KWη====⨯=ⅠⅡⅢ4445552.85102.83105.51102.25107.036106.9110d IV T N mm T N mm T N mm T N mm T N mm T N mm=⨯⋅=⨯⋅=⨯⋅=⨯⋅=⨯⋅=⨯⋅ⅠⅡⅢ轴名功率P/kw转矩T/mm转速n/1min-传动比效率电机轴 4.32.85×410144010.992Ⅰ轴 4.272.83×41014401.85 0.97Ⅱ轴 4.14 5.51×410778.384.2 0.97Ⅲ轴 4.02 2.25×510185.333.230.97IV 轴3.907.036×51057.381 0.98卷筒3.86 6.91510⨯57.32第二部分各齿轮的设计计算一、直齿圆柱齿轮的传动设计1.已知输入功率P2=4.27KW,小齿轮转速960r/min,齿数比u=1.85。
任务书、任务书的内容:1、目的:(1)通过课程设计培养正确的设计思想,掌握机械设计的基本方法,巩固、提高及综合运用本课程及先修课程的理论知识,结合生产实际知识,训练分析和解决一般工程实际问题的能力。
(2)进行工程设计的基本技能训练,培养和提高计算、绘图、运用设计资料、手册、图表、国家标准和规范以及使用经验数据、进行经验估算和处理数据的能力。
2、任务:根据以下所给数据,设计带式运输机上的单级圆柱齿轮减速器。
原始数据:1—电动机2—V带传动3—单级圆柱齿轮减速器4—联轴器5—卷筒6—运输带设计数据:(数据编号 A3 .)数据编号A1 A2 A3 A4 A5 A6运输带工作拉力F/N 1600 1 800 2 000 2 200 2 500 3000运输带工作速度v/m·s-1 1.5 1.2 1.5 1.5 1.5 1.1卷筒直经D/ mm 220 240 250 280 300 240工作条件:1、连续单向运转,载荷有轻微振动,室外工作,有粉尘;2、运输带速度允许误差±5 %;3、两班制工作,3年大修,使用期10年。
批量及加工条件:生产15台,中等规模机械厂,可加工7~8级精度齿轮。
要求:完成以下设计工作量:1、减速器装配图1张;2、零件工作图1~3张;3、设计计算说明书1份。
五、设计进程步骤主要内容学时比例时间安排(业余)1.设计准备工作(1)熟悉任务书,明确设计的内容和要求;(2)熟悉设计指导书、有关资料、图纸等;(3)观看录像、实物、模型或进行减速器装拆实验等,了解减速器的结构特点与制造过程。
5%周2.总体设计(1)确定传动方案;(2)选择电动机;(3)计算传动装置的总传动比,分配各级传动比;(4)计算各轴的转速、功率和转矩。
10%周3.传动件的设计计算(1)计算(带传动)齿轮传动的主要参数和几何尺寸;(2)计算各传动件上的作用力。
5% 周4.装配图草图的绘制(1)确定减速器的结构方案;(2)绘制装配图草图(草图纸),进行轴、轴上零件和轴承组合的结构设计;(3)校核轴的强度、校核滚动轴承的寿命;(4)绘制减速器箱体结构;(5)绘制减速器附件。
减速器课程设计说明书机械课程设计说明书——题目D3.机械厂装配车间输送带传动装置设计机电学院:机自06—3班姓名:刘云雷学号:03061004班级序号: 11指导教师:周晓谋目录机械设计任务书机械课程设计任务书 (3)机械课程设计第一阶段1.1确定传动方案 (4)1.2电动机选择 (4)1.3、传动件的设计 (8)机械课程设计第二阶段2.1装配草图设计第一阶段说明 (16)2.2轴的设计及校核 (16)2.3轴承的设计及校验 (21)2.4键的设计及校验 (22)机械课程设计第三阶段3.1、轴与齿轮的关 (23)3.2、端盖设计 (23)3.3、箱体尺寸的设计 (26)3.4、齿轮和轴承的润滑 (27)机械课程设计小结4.1机械课程设计小结 (28)附1:参考文献一、设计任务书题目D3.机械厂装配车间输送带传动装置设计图1:塔式起重机行走部示意图一、设计要求1、设计条件:1)机器功用由输送带传送机器的零部件;2)工作情况单向运输、轻度振动、环境温度不超过35℃;3)运动要求输送带运动速度误差不超过5%;4)使用寿命10年,每年350天,每天16小时;5)检修周期一年小修;两年大修;6)生产批量单件小批量生产;7)生产厂型中型机械厂2、设计任务1)设计内容1、电动机选型;2、带传动设计;3、减速器设计;4、联轴器选型设计;5、其他。
2)设计工作量1、传动系统安装图1张;2、减速器装配图1张;3、零件图2张;4、设计说明书一份。
3、原始数据主动滚筒扭矩(Nm):800运动速度(m/s):0.7主动滚筒直径(mm):300 弹性套柱销联轴器(两个):由电动机至工作机的输入端)235 4.92P ηη=、各个轴扭矩的计算119550/9550P n =()1011.81N m 传动比i 效率2时,由于受到锻造设备能力的限制,采用铸钢。
当毛坯的制造方法不同时,齿轮的结构也不同,也就是齿轮结构必须与毛坯的制造方法相适应。
减速器课程设计说明书(5篇可选)第一篇:减速器课程设计说明书减速器课程设计一、零件建模1、箱体零件建模过程1、新建零件命名为箱体,确定进入草绘环境。
2、草绘箱体轮廓,完成后确定,拉伸1603、选择抽壳工具,选择平面放置,输入厚度为124、选择上平面草绘,提取外边绘制长方形,到提取的边左右为32.25,上下为25。
单击确定完成草绘。
5、选择相反方向拉伸。
6、选择箱体左边平面草绘,提取下边,绘制三个圆,直径分别为84、61、61.大圆到左边距离为152,两小圆到右边距离分别为112.5、188.57、删除多余线段,点击完成,拉伸25.8、单击草绘使用先前平面进行草绘,绘制三个同心圆。
直径分别为100、71、71。
单击确定,拉伸25.9、使用先前平面草绘三个同心圆直径分别为84、61、61.确定拉伸去除材料。
10、选择上三步拉伸镜像。
选择筋工具绘制两个加强筋,镜像,完成箱体建模。
底座建模方式相同。
箱体建模主要采用拉伸、旋转、镜像,基准面、基准轴的建立等。
11、二、装配1、输入轴装配新建组建命名为输入轴装配,点击确定进入组件装配界面。
插入轴3选择缺省,点击完成,再插入轴承,点击放置选择对齐,选择轴3中心轴和轴承中心轴完成部分约束。
新建约束,选择对齐,选择轴承面与轴面,完成完全约束。
同上完成另一轴承与齿轮的装配。
2、中间轴的装配新建组建命名为中间轴装配,点确定进入装配环境。
插入轴2选择缺省点击完成,再插入轴承1点击放置选择对齐进行约束,选择两零件的中心轴完成部分约束,新建约束,选择轴承面与轴端面完成完全约束,重复插入轴承与轴另一端面完成约束。
插入齿轮,点击放置选择两零件中心轴完成部分约束,新建约束,选择轴承端面与轴的面完成完全约束。
3、输出轴装配新建组建不使用缺省模板命名为输入轴装配,进入组件装配环境,插入轴1选择缺省点击完成,再插入轴承点击放置选择对齐,选择两零件中心轴完成部分约束,新建约束,选择对齐,再选择轴承面与轴端面完成完全约束。
目录摘要------------------------------------------------------2 第一部分传动方案的拟定----------------------------------3 第二部分电动机的选择及传动装置的运动和动力参数计算------3 第三部分传动零件的设计计算------------------------------5 第四部分主要尺寸及数据----------------------------------12第五部分润滑油及润滑方式的选择--------------------------13 第六部分轴的设计及校核----------------------------------13 结论------------------------------------------------------29 参考文献--------------------------------------------------29摘要机械设计课程设计是在完成机械设计课程学习后,一次重要的实践性教学环节。
是高等工科院校大多数专业学生第一次较全面的设计能力训练,也是对机械设计课程的全面复习和实践。
其目的是培养理论联系实际的设计思想,训练综合运用机械设计和有关先修课程的理论,结合生产实际分析和解决工程实际问题的能力,巩固、加深和扩展有关机械设计方面的知识。
本次设计的题目是带式运输机的减速传动装置设计。
根据题目要求和机械设计的特点作者做了以下几个方面的工作:①决定传动装置的总体设计方案,②选择电动机,计算传动装置的运动和动力参数,③传动零件以及轴的设计计算,轴承、联接件、润滑密封和联轴器的选择及校验计算,④机体结构及其附件的设计和参数的确定,⑤绘制装配图及零件图,编写计算说明书。
关键词:减速器机械设计带式运输机。
课程设计任务书设计题目:二级圆柱轮减速器造型设计院(部)机械工程专业机械设计制造及其自动化班级指导老师教研室主任一、目的:学习机械产品CAD设计基本方法,巩固课程知识,提高动手实践能力,进一步提高运用计算机进行三维造型及装配设计、工程图绘制方面的能力,了解软件间的数据传递交换等运用,掌握CAD软件应用。
二、基本任务:结合各人已完成机械原理、机械设计等课程设计成果,综合应用UG等CAD软件完成齿轮减速器三维实体造型及工程图设计。
三、设计内容及要求1)减速器零部件三维造型设计。
建模必须依据设计图纸表达出零件的主要外形特征与内特征,对于细部结构,也应尽量完整的表达。
2)应用工程图模块转化生成符合国家标准二维工程图。
装配图上应标注外形尺寸、安装尺寸、装配尺寸以及技术特性数据和技术要求,并应有完整的标题栏和明细表。
零件工程图上应包括制造和检验零件所需的内容,标注规范(如形位公差、粗糙度、技术要求,对齿轮还要有啮合参数表等)。
3)减速器虚拟装配。
将各零件按装配关系进行正确定位,并生成爆炸图。
4)撰写课程设计说明书。
说明书应涵盖整个设计内容,包括总体方案的确定,典型零件造型的方法,工程图生成过程,虚拟装配介绍,心得体会(或建议)等,说明书的字数不少于3千字。
四、进度安排:第一天:布置设计任务,查阅资料,拟定方案,零部件造型设计;第二天:零部件造型设计;第三天:工程图生成;第四天:虚拟装配、撰写说明书;第五天:检查、答辩。
(每人上交说明书和工程图打印稿,以及完整设计电子资料方可参加答辩)目录第1章总体方案 (1)第2章典型零件造型设计 (2)第3章工程图的生成 (11)第4章零件的虚拟装配 (13)第5章心得体会 (14)参考文献 (15)第1章总体方案本课程设计在机械设计课程设计基础之上运用UG软件对所设计的二级圆柱齿轮减速器进行三维建模,并通过文件的导出功能将三维模型转化为工程图。
并根据国家标准要求对工程图进行尺寸的标注以及制定出个零件相应的制造以及装配要求。
第一章《机械CAD/CAM课程设计》任务书学生姓名学号班级一、课程设计题目带式输送机传动装置已知条件:1、运输带工作拉力F= 1.7N2、滚筒的直径D= 300 MM3、运输带速度V= 1.8M/S技术与条件说明:1、工作条件:两班制,连续单向运转,载荷较平稳,室内工作,有粉尘,环境最高温度35摄氏度;2、使用折旧期:8年,工作制度(两班制)3、检修间隔期:四年一次大修,两年一次中修,半年一次小修;4、动力来源:电力,三相交流,电压380/220V;5、制造条件及生产批量:一般机械厂制造,小批量生产。
6、带速允许偏差(±5%)二、设计内容1、减速器三维装配图;2、各零件的建模;3、编写课程设计说明书。
三、设计期限1、设计开始日期:2012 年4 月16日2、设计完成日期:2012 年4 月27 日第二章:零件三维CAD建模三维造型思维框架,根据三维构型图学理论,在未使用计算机前应具有心理造型的一个思维框架。
体素分解,传统的手工二维图或二维CAD图是用各种线条绘制,无论怎样图形总能绘出,因此该顺序的重要性显得不太突出。
而计算机实体造型是几何特征的集合,其造型的先后顺序尤为重要,类似于模拟客观世界中对零件的加工顺序,若安排不当零件就无法生成,或生成过程太复杂。
反之生成零件既简单又方便。
为此可以按模块化的方式来处理,对造型体进行体素分解。
分解原则为从反映形体主要特征的明显程度和占总体积的大小及其主要功能等方面进行划分,一般可分为基本特征体素系列、辅助特征体素系列、附加特征体素系列,然后在每个系列内再进行细分。
其分解步骤如下:1划分基本特征体素系列。
该部分体素的局部组合体现了实体的主要形体特征和主要功能并且所占体积比例相对较大。
在该系列内再根据主次进一步划分出若干单一的体素。
划分出来的最主要的第一个体素应为构形的基础特征体素,即生成其它体素的基准体。
2划分辅助特征体素系列。
该部分体素是加在基本特征体素上,在功能上不起主要作用,例如肋板、凸台等结构。
(完整)减速器课程设计说明书完成本编辑整理:尊敬的读者朋友们:这里是精品文档编辑中心,本文档内容是由我和我的同事精心编辑整理后发布的,发布之前我们对文中内容进行仔细校对,但是难免会有疏漏的地方,但是任然希望((完整)减速器课程设计说明书完成本)的内容能够给您的工作和学习带来便利。
同时也真诚的希望收到您的建议和反馈,这将是我们进步的源泉,前进的动力。
本文可编辑可修改,如果觉得对您有帮助请收藏以便随时查阅,最后祝您生活愉快业绩进步,以下为(完整)减速器课程设计说明书完成本的全部内容。
《机械设计》课程设计说明书姓名:系别:汽车系班级:学号:指导老师:目录一、传动方案分析.。
...。
....。
.。
.。
..。
..。
.。
.。
..。
...。
...。
.。
.。
..。
.。
2二、选择电动机 (3)三、计算总传动比及分配各级的传动比 (5)四、计算传动装置的运动和动力参数 (5)五、V带传动设计计算..。
..。
.。
.。
..。
.。
..。
........。
...。
..。
.。
..。
(7)六、直齿圆柱齿轮传动设计计算.。
..。
..。
.。
..。
...。
.。
..。
..。
.。
.11七、滚动轴承的选择及校核计算 (16)八、轴的结构设计计算 (19)九、联轴器的选择计算 (25)十、润滑与密封 (26)十一、参考文献 (28)十二、设计小结 (29)设计计算及说明结果一、传动方案分析机械设计课程设计题目:设计两级圆柱齿轮减速器减速器工作条件:此减速器用于热处理车间两件清洗传送带的减速,此设备两班制工作,工作期限十年,户内使用。
传送方案如下图所示:已知工作条件:鼓轮直径380mm,传送带运行速度0.80m/s,传送带从动轴所需扭矩1050N·m为了估计传动装置的总传动比范围,以便选择合适的传动机构和拟定传动方案,可先由已知条件计算鼓轮的转速,即:40/min wn r3)、电动机转速的选择为了便于选择电动机转速,先推算电动机转速的可选范围。
减速器传动部分的三维实体课程设计说明书西安文理学院机械电子工程系课程设计报告专业班级课程机械CAD/CAM课程设计题目减速器传动部分的三维实体设计与运动仿真学号学生姓名指导教师2012年 9 月目录1零件体的设计 (1)1.1轴的零件体设计 (1)1.1.1草绘 (1)1.1.2旋转和倒角 (1)1.1.3拉伸切除 (1)1.2键的零件体设计 (7)1.2.1草绘 (7)1.2.2拉伸 (7)1.3轴承的零件体设计 (7)1.3.1草绘 (7)1.3.2旋转 (8)1.3.3旋转切除 (8)1.3.4旋转-加保持架 (9)1.3.5阵列 (10)1.4轴承端盖的零件体设计 (10)1.4.1草绘和拉伸 (10)1.4.2最后拉伸 (11)1.4.3挖孔 (11)1.4.4阵列 (12)1.5齿轮的零件体设计 (12)1.5.1设置参数 (12)1.5.2草绘 (13)1.5.3列出关系式 (13)1.5.5镜像 (14)1.5.6曲面拉伸 (15)1.5.7投影 (15)1.5.8拉伸 (15)1.5.9扫描混合 (15)1.5.10复制 (15)1.5.11阵列 (15)1.5.12拉伸切除 (16)1.6齿轮轴 (16)1.6.1拉伸 (16)1.6.2拉伸切除 (16)1.7套筒的零件体设计 (16)1.7.1拉伸和草绘 (16)1.7.2最后拉伸和倒角 (17)1.8挡油圈 (17)2装配体的设计 (18)2.1轴的导入 (18)2.2键的导入 (19)2.2.1配对 (19)2.2.2配对 (19)2.2.3对齐 (19)2.3斜齿轮的导入 (19)2.3.1插入 (19)2.3.2配对 (20)2.3.3配对 (20)2.4套筒的导入 (20)2.4.1插入 (20)2.4.2配对 (20)2.5轴承的导入 (21)2.5.1插入 (21)2.5.2配对 (21)2.6轴承端盖的导入 (22)2.6.1插入 (22)3.工程图的设计 (23)3.1轴的标注 (23)3.2截面的制作 (23)3.3工程图 (24)4.减速器传动部分的实体运动仿真 (25)4.1创建骨架 (25)4.2建基准轴线和基准端面 (25)4.3导入装配轴 (25)4.4测量图 (26)4.5G代码 (26)5 设计小结 (28)6致谢 (31)7参考资料目录 (31)1零件体的设计以低速轴的设计为例1.1.1草绘新建零件-disuzhou-缺省模式-mmns_part_solid,进入绘图界面。
第一章《机械CAD/CAM课程设计》任务书学生姓名学号班级一、课程设计题目带式输送机传动装置已知条件:1、运输带工作拉力F= 1.7N2、滚筒的直径D= 300 MM3、运输带速度V= 1.8M/S技术与条件说明:1、工作条件:两班制,连续单向运转,载荷较平稳,室内工作,有粉尘,环境最高温度35摄氏度;2、使用折旧期:8年,工作制度(两班制)3、检修间隔期:四年一次大修,两年一次中修,半年一次小修;4、动力来源:电力,三相交流,电压380/220V;5、制造条件及生产批量:一般机械厂制造,小批量生产。
6、带速允许偏差(±5%)二、设计内容1、减速器三维装配图;2、各零件的建模;3、编写课程设计说明书。
三、设计期限1、设计开始日期:2012 年4 月16日2、设计完成日期:2012 年4 月27 日第二章:零件三维CAD建模三维造型思维框架,根据三维构型图学理论,在未使用计算机前应具有心理造型的一个思维框架。
体素分解,传统的手工二维图或二维CAD图是用各种线条绘制,无论怎样图形总能绘出,因此该顺序的重要性显得不太突出。
而计算机实体造型是几何特征的集合,其造型的先后顺序尤为重要,类似于模拟客观世界中对零件的加工顺序,若安排不当零件就无法生成,或生成过程太复杂。
反之生成零件既简单又方便。
为此可以按模块化的方式来处理,对造型体进行体素分解。
分解原则为从反映形体主要特征的明显程度和占总体积的大小及其主要功能等方面进行划分,一般可分为基本特征体素系列、辅助特征体素系列、附加特征体素系列,然后在每个系列内再进行细分。
其分解步骤如下:1划分基本特征体素系列。
该部分体素的局部组合体现了实体的主要形体特征和主要功能并且所占体积比例相对较大。
在该系列内再根据主次进一步划分出若干单一的体素。
划分出来的最主要的第一个体素应为构形的基础特征体素,即生成其它体素的基准体。
2划分辅助特征体素系列。
该部分体素是加在基本特征体素上,在功能上不起主要作用,例如肋板、凸台等结构。
在该系列内再划分出单独的体素。
3附加特征体素系列。
该类体素具有不能独立存在、必须附加于上述二种体素系列之内的特征,如孔、空腔、槽等。
属于挖切即差集。
而上述系列均为体素的叠加即并集。
依照这种有序的体素分解逐步在大脑内建立起了形象的“搭积木”的顺序。
因此该思考过程是规划零件几何特征创建顺序的依据。
即在基本特征体素系列内确定出基础特征体素,然后在此基础上通过布尔运算的并集先依次构建基本特征体素系列内的其它体素,再构建辅助特征体素系列内的各体素,然后通过差集运算在以上构建的基础上依此减去附加特征体素系列内的各体素。
体素几何特征形成分析体素的创建是造型重要的—步,只要体素特征创建成功,按上述顺序搭建即可完成造型。
点的运动轨迹是线,线的运动轨迹是面,而面的运动轨迹是体。
根据这一几何描述可以把大多数体素看成是某一几何形状的初始面沿一定的轨迹线运动而形成的扫描体。
如常见的长方体和圆柱体可看成是长方形和圆沿直线运动而形成,但大多数轨迹线是复杂的,常常应用扫描的概念,它的形成分为初始面的形成、扫描轨迹的形成及扫描方向的确定。
经过上述的3个过程才能全面准确地描述一个体素的几何特征的形成。
分解出来的每个单独的体素绘制可视为一个局部特征的创建过程,上述详细思考的步骤为该局部的绘图顺序的规划提供了依据。
体素的空间定位分析要创建零件特征还需要分析构成零件的各单元体的相互位置,即体素的空间定位。
由于创建每一个体素特征都是以前一个体素的某个面为基准面创建的,因此确定构建该体素的基准面位置所在及绘制该体素“草绘截面”的起点相当于构成基准面的几何元素的几何定位。
该思考过程为3D造型中准确定出创建每一个体素几何特征的起点提供了操作顺序规划的依据。
第一节齿轮的建模过程(1)新建文件夹。
选择【文件】→【新建】下拉菜单,在模板中选择“模型”,在名称中输入“chilun”,点击“确定”按钮,进入UG建模环境。
(2)快捷键CTRL+E进入表达式输入菜单,UG中齿轮表达式由三部分组成。
1、基本参数ββ螺旋角m t=m n cos(β) m n 端面模数αt tan(αt)=tan(αn)/cos(β) ( αn=200) arctan(tan200/cosβ) 端面压力角h*at =h*an*cos(β) (h*an=h a*=0.8或1) ( 0.8或1) cos(β) 齿顶高系数c t*=c n**cos(β) (0.25或0.3) cos(β) 齿径向间隙系数z z 齿数b b 齿宽2、基本圆方程d a= m t(z+2h*at+2x t-2δy t) d+2m n cos2(β) 齿顶圆d f= m t(z-2h*at- 2c t*+2x t) d-2.5m n cos2(β) 齿根圆d= m t*z m n zcos(β) 分度圆d b= m t*z*cos(αt) m n zcos(β)*cos(αt) 基圆3、渐开线方程qita=900*t 滚动角角度值s=3.14*d b*t/4 滚动角弧度值t=0 系统变量x t=d b/2*cos(qita)+s*sin(qita) x轴坐标值y t= d b/2*sin(qita)-s*cos(qita) y轴坐标值z t=0 z轴坐标值*输入时注意各个变量的单位,画齿轮时通常修改βm n b z四项的值就可以。
1)绘制一条直线,第一点位于渐开线与分度圆的交点,第二点位于坐标原点。
2)变换,将画好的直线绕Z轴旋转a齿槽宽角度的一半如图。
3)将渐开线对旋转后的直线镜像,最后修剪成齿槽截面曲线串。
图2-1绘制渐开线图2-2渐开线齿槽端面轮廓(3)创建齿轮两端面的二等分基本平面,镜像齿槽轮廓曲线串。
通过快捷键CTRL+T打开变换菜单,对镜像的曲线串进行变换操作旋转一螺旋角β。
任意连接两曲线串的对应点,两点间的螺旋线作为扫略特征的引导线如下图:图2-3二等分基准平面旋转后的齿槽轮廓螺旋线做扫略特征的引导线角β旋转前的齿槽轮廓图2-4(4)扫掠,选择前面绘制的渐开线轮廓线为截面曲线,选择直线线为引导线完成特征的扫略如图1-5图2-5扫略特征的建立(5)通过变换命令对扫略体进行圆形阵列变换,生成如图1-6所示。
图2-6(6)齿轮细部结构的绘制包括腹板结构、轮毂、边倒圆与倒角等最终结果如图1-7。
图2-7第二节箱体的CAD建模过程(1)零件分析在对整个减速器建模时,箱体和箱盖的设计是最为复杂的。
以下是对此类零件进行三维建模的过程,总的原则是按先主要后次要,先简单后复杂,先拉伸后切除的原则。
首先分析零件的特点,寻找出零件中最为重要且比较形状规则易成形的实体部分作为切入口。
箱体中的上下底面和中间部分的长方体、箱盖中的下底面,此部分直接使用拉伸命令便可实现。
然后在此基础上绘制其他大的轮廓以及将用来确定其他特征的轮廓,如,放样箱体和箱盖上的各类凸台、切除轴承孔等,基本上完成大致轮廓的绘制。
最后开各类沟槽、螺栓孔,以及对各边线进行倒角、倒圆,完成最后的绘制。
减速器箱盖建模的具体步骤如下:1、创建主体特征。
2、创建轴承座。
3、创建装配凸缘。
4、创建轴承孔。
5、创建箱座安装孔以及定位销孔。
6、创建吊耳。
7、创建视窗。
(2)创建的具体过程1、新建文件创建名称,选择草绘绘制草图,将绘制出的草图进行拉伸为实体。
继续绘制草图,绘制零件的边侧将其拉伸,接着绘制零件底座草图,继续拉伸为实体。
如下图所示:图2-8草图的绘制2、选择底座的顶部为参照平面绘制草图,单方向拉伸为实体。
选择圆台命令,输入直径尺寸及高度尺寸,选取圆台位置。
创建基准平面。
选取镜像命令,将拉伸、圆台等以基准平面镜像。
如下图所示:图2-9拉伸特征的建立3、ug孔命令,在圆台部分进行孔命令,输入直径、深度、定位孔的位置。
选择裁剪体命令,圆台多余实体。
选取草绘绘制草图,将绘制的草图将其拉伸为实体,将零件进行倒圆角,选取孔命令在零件上打孔。
如下图所示:图2-10连接孔的绘制4、选取草绘绘制草图,将绘制的草图拉伸为实体。
在拉伸的实体上倒圆角,选取实体的4个角,输入尺寸为:5。
以下图形基本操作无区别,就不一一展示,如下图所示:图2-11经过一系列的特征操作之后得到如下的三维形体图2-12箱盖模型第三节减速箱座的CAD建模(1)零件分析减速器箱座由吊耳、底座、油孔、轴承孔、加强筋等基本结构特征组成。
减速器箱座的具体建模步骤如下:1、创建主体特征。
2、创建轴承座孔。
3、创建安装孔。
4、创建加强筋。
5、创建油孔和游标孔。
6、创建吊耳。
(2)创建的具体过程1、新建文件创建名称,选择草绘绘制草图,将绘制出的草图进行拉伸为实体。
继续绘制草图,绘制零件的边侧将其拉伸,接着绘制零件底座草图,继续拉伸为实体。
如下图所示:图2-13箱座主体的草图2、创建拉伸特征,选择草图截面,对草图进行拉伸,参数设置如图所示:图2-14创建拉伸主体3、创建轴承座孔、轴承旁凸台和安装凸缘;(1)进入草图平面绘制如下的草图:图2-15创建草图依次进行如下的拉伸操作;图2-16轴承旁凸台的拉伸图2-17安装凸缘的拉伸图2-18轴承座的拉伸(2)对各个拉伸体进行求和操作结果如图;图2-19求和各个特征图2-20轴承座孔的创建(3)创建箱体内腔图2-21创建内腔图2-22箱体内腔4、创建孔特征,输入直径、深度、尖角的尺寸,选取定位孔的位置,将绘制出的孔将其阵列的操作。
如下图所示:图2-23孔参数图2-24创建孔5、创建放油孔(1)打开凸台命令,出现凸台对话框,选择放置面和输入参数并进行定位。
(2)打开孔命令,选择凸台面,在孔对话框中输入参数应用,得到如图的结果。
图2-25放油孔的创建6、油标孔的创建(1)按成一角度创建基准平面,并选择偏置距离。
(2)在所创建的基准平面上绘制草图如图2-26.(3)创建拉伸体,拔模斜度8度。
(4)孔命令创建油标孔,并创建螺纹特征如图2-28.图2-26绘制草图图2-27拉伸体图2-28创建油标孔7、创建安装孔图2-29创建安装孔8、创建吊耳图2-30绘制吊耳的草图图2-31拉伸体9、进行细部的处理结果如图:图2-32减速器下箱体第三节中间轴的CAD建模过程1、启动UG7.0,选择【文件】→【新建】下拉菜单,选择模型类型,创建新部件,文件名为zhongjianzhou,进入建立模型模块。
2、新建一个草图,进入草图绘制界面。
3、绘制一个直径为55mm的圆,如图2-33所示。
图2-33 图2-344、拉伸长度为10mm,如图2-34所示。
5、新建草图,绘制一个Φ35mm的圆,如图2-35所示。
图2-35 图2-366、拉伸,拉伸长度为88mm,如图2-36所示。
7、创建【草绘】,绘制一个如图2-37所示。