审计第八章练习题
- 格式:doc
- 大小:68.50 KB
- 文档页数:16
第8章练习一、单项选择题1.注册会计师在制定总体审计策略时,对审计范围的考虑事项不包括()。
A.编制财务报表适用的会计准则和相关会计制度B.其他注册会计师参与审计集团内组成部分的范围C.评估的财务报表层次的重大错报风险对指导、监督及复核的影响D.需审计的业务分部性质,包括是否需要具备专门知识2.下列不属于注册会计师在财务报表审计中的具体审计计划所包括的内容是()。
A.风险评估程序B.计划实施的进一步审计程序C.确定财务报表层次的重要性水平D.计划实施的其他审计程序3.下列有关计划审计工作的描述中不正确的是()。
A.计划审计工作并非审计业务的一个孤立阶段,而是一个持续的、不断修正的过程,贯穿于整个审计业务的始终B.注册会计师可以就总体审计策略、具体审计计划的某些内容与被审计单位的治理层和管理层沟通,所以制定总体审计策略和具体审计计划是注册会计师和被审计单位共同的责任C.注册会计师应当记录总体审计策略和具体审计计划,包括在审计工作过程中做出的任何重大更改D.注册会计师应该针对评估的认定层次的重大错报风险,计划实施进一步审计程序的性质、时间和范围4.对于计划审计工作的记录,通常不包括()A.对于总体审计策略的记录B.对具体审计计划的记录C.对计划的重大修改的记录D.对于被审计单位规模、具体审计业务情况的记录5.当汇总数接近重要性水平时,应考虑();当汇总数超过重要性水平时,应考虑()。
A.追加审计程序, 追加审计程序B.扩大审计程序的范围,追加审计程序C.追加审计程序, 扩大审计程序的范围D.扩大审计程序的范围, 扩大审计程序的范围6.下列有关重要性的说法中,不正确的是()。
A.重要性与可接受的审计风险之间呈同向关系,即可接受的审计风险越高,重要性水平越高B.重要性与审计证据成反向关系,即重要性水平越低,所需审计证据越多C.重要性不仅包括对错报数量金额的考虑,还包括对错报性质的考虑D.对重要的账户或交易,为了提高效率,相应的重要性水平应越低7.下列有关重要性水平的说法中错误的是()。
注册会计师-审计-强化练习题-第八章风险应对[单选题]1.下列有关采用总体审计方案的说法中,错误的是()。
A.注册会计师可以针对不同认定采用不同的审计方案B.注册会计师可以采用综合性方案或(江南博哥)实质性方案应对重大错报风险C.注册会计师应对特别风险,也可以采用综合性方案D.注册会计师应当采用与前期审计一致的审计方案,除非评估的重大错报风险发生重大变化正确答案:D参考解析:选项D,注册会计师所确定的总体审计方案类型依据对被审计单位评估的重大错报风险。
掌握“总体应对措施对拟实施进一步审计程序的总体审计方案的影响”知识点。
[单选题]2.在对资产的存在性获取审计证据时,正确的测试方向是()。
A.从财务报表到尚未记录的项目B.从尚未记录的项目到财务报表C.从会计记录到支持性证据D.从支持性证据到会计记录正确答案:C参考解析:要获取资产存在性认定的审计证据,注册会计师实施细节测试的方向是“逆查”,即从“账簿记录”追查至“原始凭证”。
掌握“实质性程序的性质”知识点。
[单选题]3.如果注册会计师认为管理层面临实现盈利指标的压力而可能提前确认收入,以下实质性程序中,属于专门应对这种特别风险的是()。
A.向客户函证应收账款的账户余额B.向客户询证交货、结算时间C.从营业收入明细账追查到顾客订货单D.从发货凭证追查到营业收入明细账正确答案:B参考解析:选项AC均属于针对高估收入实施的常规程序,选项D是针对完整性实施的常规程序。
掌握“实质性程序的含义和要求”知识点。
[单选题]4.在考虑进一步审计程序时,注册会计师判断正确的是()。
A.对拟信赖的特别风险的控制自上次测试后未发生变化,由于本次测试与上次测试的时间间隔未超过2年,注册会计师可在本期审计中不进行测试B.当控制环境存在缺陷时,注册会计师主要依赖实施细节测试获取审计证据,不应依赖控制测试或实质性分析程序C.注册会计师设计和实施的控制测试和实质性程序的性质、时间安排、范围,无需与评估的认定层次重大错报风险具有明确的对应关系D.如果重大错报风险较大或对控制的信赖程度较高,注册会计师应当缩短再次测试控制的时间间隔或完全不信赖以前审计获取的审计证据正确答案:D参考解析:对于旨在减轻特别风险的控制,拟信赖的情况下,应当每次都进行测试,选项A错误;控制环境存在缺陷,主要依赖实施实质性程序获取审计证据,并非不能运用实质性分析程序,选项B错误;进一步审计程序应当与评估的认定层次重大错风险具有明确的对应关系,选项C错误。
第八章重大错报风险旳评估与应对一、单选题1.甲注册会计师针对销售交易, 从订单解决一-核准信用状况及赊销条款一-填写订单并准备发货一-编制货运单据一-订单运送/递送追踪至客户或由客户提货-一开具销售发票一-复核发票旳精确性并邮寄/送至客户一-生成销售明细账一-汇总销售明细账, 并过账至总账和应收账款明细账等交易旳整个流程, 考虑之前对有关控制旳理解与否对旳和完整, 并拟定有关控制与否得到执行, 这是(D )。
A.重新执行B.抽样测试C.实质性程序D.穿行测试2.注册会计师理解被审计单位及其环境旳目旳是(C )。
A.为了进行风险评估程序B.收集充足合适旳审计证据C.为了辨认和评估财务报表层次旳重大错报风险D.控制检查风险3.《中国注册会计师审计准则第1211号——理解被审计单位及其环境并评估重大错报风险》作为专门规范风险评估旳准则, 规定注册会计师应当(B ), 以充足辨认和评估财务报表重大错报风险, 设计和实行进一步审计程序。
A.理解被审计单位旳内部控制B.理解被审计单位及其环境C.理解被审计单位公允价值计量和披露旳程序D.理解被审计单位旳业务和经营状况4.在审计过程中, 如果注册会计师(C), 则可以就这些内部控制缺陷与被审计单位旳管理层进行沟通。
A.辨认出被审计单位未加控制旳重大错报风险B.觉得被审计单位旳风险评估过程存在重大缺陷C.注意到被审计单位内部控制执行方面旳重大缺陷D.辨认出被审计单位控制不当旳重大错报风险5.下列有关财务报表层次重大错报风险旳说法不对旳旳是(D)。
A.一般与控制环境有关B.与财务报表整体存在广泛联系C.也许影响多项认定D.可以界定于某类交易、账户余额、列报旳具体认定6.一般状况下, 注册会计师出于成本效益旳考虑可以采用( C )设计进一步审计程序, 即将测试控制运营旳有效性与实质性程序结合使用。
A. 风险评估程序B. 实质性程序C. 综合性方案D. 实质性方案7.为了应对财务报表层次较高旳重大错报风险,注册会计师可以通过提高审计程序不可预见性。
注册会计师-审计-基础练习题-第八章风险应对-第二节针对认定层次重大错报风险的进一步审计程序[单选题]1.下列各项中,不属于应对重大错报风险的进一步审计程序的是()。
A.控制测试B.细节(江南博哥)测试C.穿行测试D.实质性分析程序正确答案:C参考解析:穿行测试在风险评估中进行,在进一步审计程序中并不适用。
[单选题]2.确定进一步审计程序的性质时,注册会计师首先需要考虑的是()。
A.报表层次重大错报风险的评估结果B.被审计单位内部控制的有效性C.认定层次重大错报风险的评估结果D.对被审计单位及其环境的了解正确答案:C参考解析:进一步审计程序是注册会计师为应对认定层次的重大错报风险而实施的程序。
[单选题]3.下列有关注册会计师实施进一步审计程序的范围的说法中,错误的是()。
A.确定的重要性水平越低,注册会计师实施进一步审计程序的范围越广B.评估的重大错报风险越高,实施的进一步审计程序的范围越广C.扩大进一步审计程序的范围可以弥补审计程序本身与特定风险相关性的不足D.在既定的可容忍误差下,预计总体误差越大,所需的样本规模越大正确答案:C参考解析:随着重大错报风险的增加,注册会计师应当考虑扩大审计程序的范围,但是,只有当审计程序本身与特定风险相关时,扩大审计程序的范围才是有效的。
[单选题]4.针对特别风险的进一步审计程序,下列做法中,不恰当的是()。
A.实施控制测试和实质性程序B.实施实质性分析程序C.实施细节测试和实质性分析程序D.实施控制测试、细节测试和实质性分析程序正确答案:B参考解析:为应对特别风险需要获取具有高度相关性和可靠性的审计证据,仅实施实质性分析程序不足以获取充分、适当的审计证据,故选项B不恰当。
[单选题]5.下列有关总体应对措施和进一步审计程序的说法中,错误的是()。
A.注册会计师应当针对评估的财务报表层次重大错报风险确定总体应对措施B.当使用分析程序比细节测试能更有效地将认定层次的检查风险降至可接受的水平时,注册会计师可以考虑单独或结合细节测试,运用实质性分析程序C.如果预期控制有效性的保证程度越高,则需要实施的控制测试的范围越广D.如果评估的重大错报风险是高水平,则应当针对所有重大的各类交易、账户余额或披露实施控制测试和实质性程序正确答案:D参考解析:无论评估的重大错报风险是高水平还是低水平,对于重大的各类交易、账户余额和披露,注册会计师都应当实施实质性程序,故选项D错误。
第八章审计抽样一单项选择题1.审计师在属性抽样确定样本规模时,没有必要考虑的因素有:()A.可同意的信任过度风险B.估量总体偏差C.总体变异性D.可容忍偏差2.在未对总体进行分层的情形下,审计师不宜采纳的抽样方法是:()A.均值估量抽样B.比率估量抽样C.差额估量抽样D.概率比例金额抽样3.审计师从总体规模为1000个,账面价值为300000元的存货中选取200个项目进行检查,确定其审定金额为50500元,假如采纳比率估量抽样,审计推断的存货总体金额为:()A.500B.2500C.3000D.475004.下列有关概率比例金额抽样的表述中正确的是:()A.抽样分布更接近正太分布B.与低估的账户相比,高估的账户被抽取的那可能性更小C.每个账户被选中的机会相同D.余额为零的账户没有被选中的机会5.在下列各项风险中,对审计的效率和成效都产生阻碍的是:()A.信任过度风险B.信任不足风险C.误受风险D.非抽样风险6.审计师对总体进行分层抽样的要紧目的在于:()A.减少样本的非抽样风险B.决定审计对象总体特点的正确发生率C.审计可能有较大错误的项目,并减少样本量D.无偏见的选取样本项目7.下列属于信任不足风险的是:()A.依照抽样结果对实际存在重大错误的账户余额得出不存在重大错误的结论B.依照抽样结果对实际不存在重大错误的账户余额得出存在重大错误的结论C.依照抽样结果对内部审计的信任高于事实上际应信任的程度D.依照抽样结果对内部审计的信任低于事实上际应信任的程度8.审计师期望从2000帐编号为0001至2000的支票中抽取100张进行审计,随机确定的抽样起点为1955,采取系统抽样的方法,抽到的第四个样本为A.2019B.0015C.2005D.19959.在操纵测试中,信任过度风险与样本数量之间是()变动关系A.同向B.反向C.比例D.不变10.下列关于审计师关于审计抽样方法运用的描述,不恰当的是:()A.风险评估程序通常不涉及审计抽样,然而假如审计师在了解内部操纵的同时对内部控运行的有效性进行测试能够运用审计抽样B.当操纵的运行留下轨迹时能够将审计抽样用于操纵测试C.操纵测试过程中审计师采纳审计抽样D.审计抽样适用于细节测试,不适用于实质性程序11.属性抽样中,总体偏差上限为4.1%,能够容忍的错报风险为7%,审计保证程度为95%,保证审计师做出的结论中不正确的是:()A.总体偏差超过4.1%的可能性为10%B.总体的实际偏差超过能够容忍的偏差的可能性专门小,总体能够同意C.审计师对内部操纵有效性的评判是恰当的D.内部操纵是有效的。
第八章审计抽样一、单项选择题1、在采用统计抽样进行控制测试时,注册会计师应当在推断的总体误差与可容忍误差进行比较,并根据比较结果确定是否接受所测试的内部控制总体。
以下与此相关的说法中,正确的是()。
A. 如果总体偏差率低于可容忍偏差率,可以接受总体B. 如果估计的总体偏差率上限等于可容忍偏差率,则样本结果不支持计划的重大风险错报水平C. 如果总体偏差率远低于可容忍偏差率,可以接受总体D. 如果估计的总体偏差率上限低于且很接近于可容忍偏差率,则样本结果支持了计划的重大风险错报水平2、可容忍误差在控制测试中表现为可容忍偏差率,注册会计师在确定可容忍偏差率时,主要考虑的因素是()。
A. 重大错报风险的初步评估水平B.对被审单位及其环境的了解程度C.计划估计的控制有效性D.控制风险的高低3、注册会计师在控制测试中使用统计抽样,估计的总体偏差率上限低于但接近可容忍偏差率,则其应得出的结论和采取的措施为()oA. 注册会计师应确认总体可接受,不用采取任何措施B. 注册会计师应确认总体不可接受,并修正重大错报风险评估水平,增加实质性程序的数量C. 注册会计师应确认总体不可接受,并对影响重大错报风险评估水平的其他控制进行测试,以支持计划的重大错报风险评估水平D. 注册会计师应当结合其他审计程序的结果,考虑是否接受总体,并考虑是否需要扩大测试范围4、X注册会计师在对Y公司主营业务收入进行测试的同时,一并对应收账款进行了测试。
假定Y公司2009年12月31日应收账款明细账显示其有2 000户顾客,账面余额为10 0 00万元° X注册会计师拟通过抽样函证应收账款账面余额,抽取130个样本。
样本账户账而余额为500万元,审定后认定的余额为450万元。
根据样本结果采用差额估计抽样法推断应收账款的总体余额为()万元。
A. -769.23B.9 230.76C.6 923.08D.8 2005、A注册会计师在利用差额估计抽样审查甲公司的应收账款时,采用随机抽样方法从300 笔业务构成的应收账款总体中抽取了50笔业务进行逐笔审查。
练习中心基础学习班第八章练习题共计用时:本次客观题得分:0分;本次客观题总分:40分一、单项选择题1.注册会计师应当记录总体审计策略和具体审计计划,包括在审计工作过程中作出的任何重大更改,下列()表述不正确。
A.注册会计师对总体审计策略的记录,应当包括为恰当计划审计工作和向项目组传达重大事项而作出的关键决策B.注朋会计师对具体审计计划的记录,应当能够反映计划实施的风险评估程序的性质、时间和范围,以及针对评估的重大错报风险计划实施的进一步审计程序的性质、时间和范围C.注册会计师应当记录对总体审计策略和具体审计计划作出的重大更改及其理由,以及对导致此类更改的事项、条件或审计程序结果采取的应对措施D.为了使审计计划工作规范化,注册会计师可以使用标准的审计程序表或审计工作完成核对表,不应调整标准表格A B C D您没有做这道题正确答案:D知识点:审计过程中对计划的修改答案解析:注朋会计师可以使用标准的审计程序表或审计工作完成核对表,但应当根据具体审计业务的情况作出适当修改。
试题编号:139872.利达会计师事务所承接了A上市公司2004的会计报表审计业务,派出了注册会计师陈某进入A 股份有限公司进行审计,注册会计师陈某按资产总额1000万元的5%。
计算了资产负债表的重要性水平,按净利润100的10%计算了利润表的重要性水平万元,则其最终应取()作为会计报表的重要性水平。
A.10B.5C.7.5D.0A B C D您没有做这道题正确答案:B知识点:计划审计工作时对重要性的评估答案解析:如果同一时期各个会计报表的重要性水平各不相同,注朋会计师应取其最低者作为会计报表的重要性,这样最符合谨慎性原则。
但取。
是注册会计师所无法办到的,因为当代审计为抽样审计,在不全审的情况下,不可能将错报漏报的最高界限降低为0。
试题编号:13988 3.注册会计师可以通过设定审计程序而控制的风险是()。
A.固有风险B.控制风险C.检杏风险D.重大错报风险A B C D您没有做这道题正确答案:C知识点:重大错报风险答案解析:认定层次的重大错报风险包括固有风险和控制风险,重大错报风险是指财务报表在审计前存在重大错报的E能性,注期会计师不能通过设定审计程序而控制的风险。
第八章审计抽样练习一、单选题1、注册会计师在控制测试确定样本规模时没有必要考虑的因素是()。
A.可接受的信赖过度风险B.预计总体偏差率C.总体变异性D.可容忍偏差率2、注册会计师采用系统选样法从8000张凭证中选取200张作为样本,确定随机起点编号为17号的凭证,则抽取的第五张凭证的编号应为()A.97B.137C.177D.2173、下列各项风险中,对审计工作的效率和效果都产生影响的是()。
A信赖过度风险B信赖不足风险C误受风险D非抽样风险4.审计人员决定抽查3、8、13、18、23……号凭证进行审查,这种选样方法称为()。
A 分层选样B随机选样C系统选样D属性抽样5.注册会计师采用系统选样法从连续编号的发票中抽取5%进行审查,在抽取样本时,每个样本之间的间隔为()。
A10 B20 C50 D1006、应收账款总金额为400万元,重要性水平为6万元,根据抽样结果推断的差错为4.5万元,而账户的实际差错额为8万元,此时,注册会计师承受了()。
A误拒风险B信赖不足风险C误受风险D信赖过度风险二、多选题1、下列各项风险中,对审计工作的效率产生影响的是()。
A信赖过度风险B信赖不足风险C误受风险D误拒风险误受风险是指抽样结果表明账户余额不存在重大错报而实际上存在重大错报的可能性。
2、下列各项中,与注册会计师设计样本时所确定的样本量存在反向变动关系的是()。
A可接受的抽样风险B总体变异性C可容忍误差D预期总体误差3、下列关于样本规模的说法正确的是()。
A在控制测试中,注册会计师确定的总体项目的变异性越低,样本规模就越小B总体规模对样本规模影响很小C注册会计师愿意接受的抽样风险越低,样本规模就越大D预计总体误差越大,则样本规模越大三、判断1.由于抽样风险可以量化,注册会计师可以控制,但非抽样风险是由人为错误造成的,不能量化,所以注册会计师无法控制非抽样风险()。
2.审计抽样不仅用于细节测试、分析程序等实质性测试还可用于控制测试()。
第八章获取审计证据
一、单项选择题
1.C
2.B
3.A
4.D
5.A
6.C
7.B
8.B
9.D 10. A
二、多项选择题
1.AB
2.CD
3. ABC
4.AD
5.ABCD
6.ADEF
7.BF
8.CF
9.CF
三、判断题
1. √
2.×
3. √
4. √ 5 . √ 6.×7. √8. √9. √10√
四、案例分析题
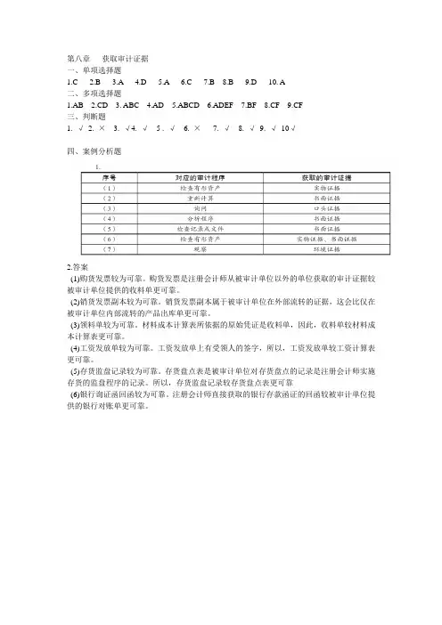
2.答案
(1)购货发票较为可靠。
购货发票是注册会计师从被审计单位以外的单位获取的审计证据较被审计单位提供的收料单更可靠。
(2)销货发票副本较为可靠。
销货发票副本属于被审计单位在外部流转的证据,这会比仅在被审计单位内部流转的产品出库单更可靠。
(3)领料单较为可靠。
材料成本计算表所依据的原始凭证是收料单,因此,收料单较材料成本计算表更可靠。
(4)工资发放单较为可靠。
工资发放单上有受领人的签字,所以,工资发放单较工资计算表更可靠。
(5)存货监盘记录较为可靠。
存货盘点表是被审计单位对存货盘点的记录是注册会计师实施存货的监盘程序的记录。
所以,存货监盘记录较存货盘点表更可靠
(6)银行询证函回函较为可靠。
注册会计师直接获取的银行存款函证的回函较被审计单位提供的银行对账单更可靠。
第八章计划审计工作一、单项选择题1.会计师事务所开展初步业务活动,以确保在计划审计工作时执行审计工作的注册会计师达到()的要求。
A.合理利用专家工作B.独立性和专业胜任能力C.对客户的商业机密保密D.按适当的方式收费2.天成会计师事务所的王华注册会计师作为天籁公司2006年度财务报表审计的项目负责人,编制并向事务所的业务部门负责人提交了总体审计计划。
部门负责人在对总体审计计划进行审核时,如果发现总体审计计划中包含了以下()内容,应建议王华注册会计师将其纳入具体审计计划中。
A.时间预算B.审计程序C.重点审计领域D.审计重要性3.注册会计师可以根据被审计单位的性质和环境来具体确定重要性的基准。
以下说法中,你不认同的是()。
A.对于以盈利为目的的被审计单位而言,来自经常性业务的税前利润或税后净利润可能是一个适当的基准B.对于收益不稳定的被审计单位或非盈利组织来说,选择税前利润或税后净利润作为判断重要性水平的基准可能比较合适C.由于销售收入和总资产具有相对稳定性,注册会计师经常将其用作确定计划重要性水平的基准D.对于资产管理公司来说,净资产可能是一个适当的基准4.昌盛会计师事务所承接了天成上市公司2006的财务报表审计业务,派出了注册会计师王华进入天成股份有限公司进行审计,注册会计师王华按资产总额1000万元的2‰计算了资产负债表的重要性水平,按净利润500万元的2%计算了利润表的重要性水平万元,则其最终应取()作为财务报表的重要性水平。
A.10 8.2 C.5 D.05.各类交易、账户余额、列报认定层次的重要性水平称为“可容忍错报”。
在以下关于“可容忍错报”的说法中,不正确的是()。
A.财务报表层次重要性水平的确定以注册会计师对可容忍错报的初步评估为基础B.在确定可容忍错报时,应当考虑各类交易、账户余额、列报的性质及错报的可能性C.可容忍错报对审计证据数量有直接的影响D.可容忍错报是在不导致财务报表存在重大错报的情况下,注册会计师对各类交易、账户余额、列报确定的可接受的最大错报6.尚未更正错报的汇总数包括已经识别的具体错报和推断误差。
注册会计师-审计-基础练习题-第八章风险应对-第一节针对财务报表层次重大错报风险的总体应对措施[单选题]1.下列各项措施中,不能应对财务报表层次重大错报风险的是()。
A.在期末而非期中实施(江南博哥)更多的审计程序B.扩大控制测试的范围C.增加拟纳入审计范围的经营地点的数量D.增加审计程序的不可预见性正确答案:B参考解析:应扩大实质性程序测试的范围,以应对财务报表层次重大错报风险。
选项B错误。
一.财务报表层次重大错报凤险与总体应对措施1.向项目组强调保持职业怀疑的必要性。
2.指派更有经验或具有特殊技能的审计人员,或利用专家的工作。
3.提供更多的督导4.在选择拟实施的进一步审计程序时融入更多的不可预见的因素。
5.对拟实施审计程序的性质.时间安排或范围作出总体修改,其中包括(1)在期末而非期中实施更多的审计程序。
控制环境的缺陷通常会削弱期中获得的审计证据的可信赖程度。
(2)通过实施实质性程序获取更广泛的审计证据。
良好的控制环境是其他控制要素发挥作用的基础。
控制环境存在缺陷通常会削弱其他控制要素的作用,导致注册会计师可能无法信赖内部控制,而主要依赖实施实质性程序获取审计证据。
(3)增加拟纳入审计范围的经营地点的数量。
[单选题]3.如果注册会计师评估的财务报表层次重大错报风险属于高水平,则拟实施的总体方案倾向于()。
A.风险应对方案B.控制测试方案C.综合性方案D.实质性方案正确答案:D参考解析:当评估的财务报表层次重大错报风险属于高风险水平时,拟实施进一步审计程序的总体方案往往更倾向于实质性方案。
应选D选项。
[单选题]5.针对总体审计方案,以下说法中,不恰当的是()。
A.针对某一认定而言,如果注册会计师了解的内部控制预期无效,注册会计师以实质性程序为主,获取该认定的充分、适当的审计证据B.针对某一认定而言,如果注册会计师了解的内部控制预期有效,则注册会计师应当将控制测试与实质性程序结合,获取该认定的充分、适当的审计证据C.如果评估的财务报表层次重大错报风险是低风险水平,从成本效益的角度考虑,则拟实施进一步审计程序的总体方案常常是综合性方案D.如果评估的财务报表层次重大错报风险是高风险水平,则拟实施进一步审计程序的总体方案往往是综合性方案正确答案:D参考解析:当评估的财务报表层次重大错报风险属于高风险水平时,拟实施进一步审计程序的总体方案往往更倾向于实质性方案,故选项D不恰当。
第八章审计证据一、单项选择题1. 审计人员询问被审计单位相关人员所做的记录属于()。
A. 实物证据B. 书面证据C. 口头证据D. 环境证据2. 被审计单位的会计记录属于()。
A. 实物证据B. 书面证据C. 口头证据D. 环境证据3. 被审计单位的固定资产属于()。
A. 实物证据B. 书面证据C. 口头证据D. 环境证据4. 审计人员到被审计单位车间和仓库拍摄的照片属于()。
A. 实物证据B. 书面证据C. 口头证据D. 环境证据5. 审计证据的相关性是指审计证据应与()相关。
A. 审计目标B. 审计范围C. 审计事实D. 会计报表6. 下列证据中,属于外部证据的是()。
A. 被审计单位管理层声明书B. 被审计单位的会计记录C. 被审计单位提供的购货发票D. 被审计单位提供的销货发票7. 下列证据中,既属于书面证据,又属于内部证据的是()。
A. 存货监盘表B. 材料入库单C. 应收账款函证回函D. 购货发票8. 审计证据的载体是()。
A. 被审计单位财务报表B. 审计工作底稿C. 审计计划D. 审计报告9. 审计人员重新编制被审计单位的银行存款余额调节表属于()审计程序。
A. 检查记录或文件B. 检查有形资产C. 重新计算D. 重新执行10. 审计人员现场观察被审计单位原材料的收、发、存情况属于()审计程序。
A. 观察B. 检查有形资产C. 询问D. 分析程序二、多项选择题1(. )属于基本审计证据。
A. 实物证据B. 书面证据C. 口头证据D. 环境证据2(. )属于辅助审计证据。
A. 实物证据B. 书面证据C. 口头证据D. 环境证据3. 下列各项属于环境证据的是()。
A. 企业内部控制情况B. 被审计单位管理人员的素质C. 被审计单位各种管理条件和管理水平D. 被审计单位管理层声明书4. 下列各项属于内部书面证据的是()。
A. 会计记录B. 库存现金监盘表C. 律师对审计询证函的回函D. 董事会会议记录5. 获取下列证据中,需要运用分析程序的是()。
审计第八章课后习题答案审计第八章课后习题答案第一题:1. 审计证据的特征有哪些?审计证据的特征包括充分性、适当性、可靠性和相关性。
- 充分性:审计证据必须足够充分,能够支持审计师对财务报表的结论。
审计师需要收集足够的证据来评估财务报表的真实性和公允性。
- 适当性:审计证据必须适当,即与审计目标和审计程序的性质、时间和范围相适应。
审计师需要选择适当的审计程序和方法来收集证据。
- 可靠性:审计证据必须可靠,即具有可信度和可验证性。
审计师需要评估证据的来源、性质和可靠性,确保其具有足够的可靠性。
- 相关性:审计证据必须与审计目标和审计程序的目的相关。
审计师需要确保所收集的证据与审计目标和审计程序的要求相符。
第二题:2. 请说明以下审计程序的目的和适用范围:- 物理检查:通过检查实物、资产和文件等来确认其存在、完整性和准确性。
适用于需要确认实物存在和准确性的情况,如存货、固定资产等。
- 样本抽查:通过抽取一部分样本进行检查,来推断整体的情况。
适用于大规模数据的情况,如客户账户、销售记录等。
- 确权确认:确认客户的权益和负债,以验证其准确性和完整性。
适用于需要确认客户权益和负债的情况,如股东权益、借款等。
- 询问与确认:通过与客户、管理层、员工和第三方进行沟通和确认,获取相关信息和证据。
适用于需要获取口头和书面确认的情况,如内部控制、合同约定等。
- 分析比较:通过对财务数据和业务活动进行分析和比较,来评估其合理性和一致性。
适用于需要评估财务数据和业务活动的情况,如财务比率分析、行业对比等。
第三题:3. 请说明以下审计程序的优缺点:- 物理检查:优点:直接观察实物,能够确认其存在和准确性,具有较高的可靠性。
缺点:耗时耗力,无法检查大规模数据,可能无法检查隐形的错误或问题。
- 样本抽查:优点:能够通过抽样来推断整体情况,节省时间和成本。
缺点:抽样可能存在偏差,无法保证抽样结果与整体情况完全一致。
- 确权确认:优点:能够确认客户的权益和负债,验证其准确性和完整性。
审计(2021) 第八章风险应对单元测试(下载版)审计(2021)第八章风险应对单元测试(下载版)第八章风险应对(单元测试)一、单项选择题1.被审计单位财务报表层次的重大错报风险很可能源于()。
a.控制环境薄弱b.管理人员专业能力较弱c.企业战略方向错误d.现金项目管理纷乱2.下列审计程序中,具有不可预见性的是()。
a.针对营业收入,实施截止测试b.针对应收账款账款,函证关键性关联方交易c.针对存货,至现场实行存货监盘d.针对银行存款,多选几个月的银行存款余额调节表进行测试3.注册会计师无论选择综合性方案还是实质性方案,都应当对所有重大的各类交易、账户余额和披露设计和实施()。
a.控制测试b.实质性程序c.重新计算d.重新执行4.登记注册会计师在确认进一步审计工作程序的性质时,首先必须考量的就是()。
a.财务报表层次关键性错报风险的评估结果b.判定层次关键性错报风险的评估结果c.被审计工作单位使用的特定掌控的性质d.风险的重要性5.下列关于控制测试含义及其性质的相关理解中,正确的是()。
a.在了解控制是否得到执行时,注册会计师需要对多个不同时点进行观察b.控制测试与了解内部控制的目的不同,采用审计程序的类型也完全不同c.查问就是实行掌控测试的程序之一,可以与其他程序融合采用,也可以单独采用d.通常只有当查问、观测和检查程序融合在一起仍无法赢得充份的证据时,登记注册会计师才考量通过再次继续执行去证实掌控与否有效率运转6.注册会计师获取控制在某一时点有效运行的审计证据,并测试被审计单位对控制的监督,其目的是()。
a.测试掌控在某一期间与否有效率运转b.测试掌控在某一时点与否有效率运转c.测试掌控与否获得继续执行d.测试掌控的设计与否合理7.在审计中,注册会计师本期开始实施控制测试的时间一般是在()。
a.期中b.期末c.期后d.随时8.在继续执行甲公司2021年度财务报表审计工作业务时,a登记注册会计师辨认出甲公司掌控环境脆弱。
第八章购货与付款循环审计一、单项选择题1.注册会计师对采购与付款循环的内部控制进行了了解和测试,认为可能构成重大缺陷的是()。
A.仓库负责根据需要填写请购单,并经预算主管人员签字批准B.采购部门根据经批准的请购单编制订购单采购货物C.货物到达,由独立的验收部门验收,并填制一式多联未连续编号的验收单D.记录采购交易之前,由应付凭单部门编制付款凭单2.下列制度中不属于固定资产内部控制制度的是()。
A.预算制度B.维护保养制度 C.授权批准制度D.调查制度3.计算固定资产原值与本期产品产量的比率,并与以前期间比较,是对固定资产实施()的审计程序之一。
A.控制测试B.实质性程序 C.审计抽样 D.分析性程序4.对于应付账款项目,注册会计师常常将检查有无未入账的业务作为重要的审计目标。
在以下程序中,难以达到这一目标的程序是()。
A.结合存货监盘,检查在资产负债表日是否存在有材料入库凭证,但未收到购货发票的经济业务B.检查资产负债表日后收到的购货发票,关注购货发票的日期C.检查资产负债表日后应付账款贷方发生额的相应凭证D.检查资产负债表日前应付账款明细账及库存现金、银行存款日记账5.以下审计程序中,D注册会计师最有可能证实已记录应付账款存在的是()。
A.从应付账款明细账追查至购货合同、购货发票和入库凭单等凭证B.检查采购文件以确定是否采用预先编号的采购单C.抽取购货合同、购货发票和入库单等凭证,追查至应付账款明细账D.向供应商函证零余额的应付账款6.注册会计师在对预付账款进行审计时发现,预付ABC公司的款项长期挂账,注册会计师证实,ABC公司于2006年7月就已破产。
注册会计师应提出正确的建议是()。
A.将预付账款调整为应收账款B.将预付账款调整为其他应收款C.将预付账款调整为营业外支出 D.全额计提坏账准备7.注册会计师从被审计单位的验收单追查至相应的采购明细账,是为了证实采购预付款循环中的()。
A.存在 B.完整性 C.计价和分摊 D.表达与可理解性8.对固定资产审计实施实地检查审计人员的重点是()固定资产。
注册会计师考试《审计》第八章经典题解一、单项选择题1、下列各项措施中,不能应对财务报表层次重大错报风险的是()。
A.扩大掌握测试的范围B.在期末而非期中实施更多的审计程序C.增加审计程序的不行预见性D.增加拟纳入审计范围的经营地点数量A选项A属于针对认定层次重大错报风险的应对措施。
2、下列有关注册会计师实施进一步审计程序的时间的说法中,错误的是()。
A.假如被审计单位的掌握环境良好,注册会计师可以更多地在期中实施进一步审计程序B.注册会计师在确定何时实施进一步审计程序时需要考虑能够猎取相关信息的时间C.对于被审计单位发生的重大交易,注册会计师应当在期末或期末以后实施实质性程序D.假如评估的重大错报风险为低水平,注册会计师可以选择资产负债表日前适当日期为截止日实施函证C对于被审计单位发生的重大交易,注册会计师应当在期末或接近期末实施实质性程序。
3、下列有关掌握测试程序的说法中,正确的是()。
A.注册会计师应当将观看与其他审计程序结合使用B.通常只有当询问、观看和检查程序结合在一起仍无法获得充分的证据时,注册会计师才考虑实施重新执行程序C.重新执行程序适用于全部掌握测试D.检查程序适用于全部掌握测试B选项A观看可以得到掌握运行的有效性结论,但是它是时点的,假如想要得到整个期间的掌握运行的有效性结论,应当将观看与其他审计4、下列有关实质性程序的说法中,正确的是()。
A.注册会计师对认定层次的特殊风险实施的实质性程序应当包括实质性分析程序B.注册会计师应针对全部类别的交易、账户余额和披露实施实质性程序C.注册会计师实施的实质性程序应包括财务报表与其所依据的会计记录进行核对或调整D.假如在期中实施了实质性程序,注册会计师应当对剩余期间实施掌握测试和实质性程序C选项A应对特殊风险时,实质性程序不是必需做的,存在预期性关系时需要做分析,所以A不正确。
选项B注册会计师应针对全部重大类别的交易、账户余额和披露实施实质性程序。
第八章审计抽样一、单项选择题1、抽样总体的适当性是指注册会计师确定的总体适合于特定的审计目标,包括适合于测试的方向。
在注册会计师为下列审计目标确定的抽样总体中,适当的是()。
A.为证实所有发运商品是否都已开具账单,注册会计师将全年已开具的账单作为抽样总体B.为证实营业收入项目是否被高估,注册会计师将全年发生的营业收入作为抽样总体C.为证实资产负债表上列示的应收账款是否被高估,注册会计师将全年的赊销业务作为抽样总体D.为证实坏账准备计提的是否充分,注册会计师将余额超过应收账款项目重要性水平的应收账款作为抽样总体2、在决定样本规模所需考虑的各个因素中,()不是必须的,即它需要根据抽样对象的具体情况决定是否进行。
A.确定可信赖程度B.确定可接受的抽样风险C.分层D.确定可容忍误差3、下列说法中正确的是()。
A.统计抽样和非统计抽样都可以利用概率法则来量化、控制抽样风险B.统计抽样和非统计抽样的根本区别在于是否利用概率法则来量化、控制抽样风险C.注册会计师的专业胜任能力与抽样风险成反向变动关系,即较高的专业胜任能力有助于降低抽样风险,反之,较低的专业胜任能力将使抽样风险增加D. 非抽样风险是由人为错误造成的,在审计中可以将其量化并加以控制4、注册会计师由于执行了与审计目标不符的审计程序,导致财务报表有重大错报未被发现,这种审计风险属于()。
A.非抽样风险B.误受风险C.抽样风险D.信赖过度风险5、注册会计师获取审计证据时可能使用三种目的的审计程序:风险评估程序、控制测试和实质性程序,下列属于注册会计师拟实施的审计程序中通常可以使用审计抽样的是()。
A.当控制的运行未留下轨迹时的控制测试B.实质性分析程序C.风险评估程序D.当控制的运行留下轨迹时的控制测试6、信赖过度风险和误受风险影响的是()。
A.审计的效率B.审计的效果C.初步判断的重要性水平D.可接受的审计风险水平7、下列各项风险中,对审计工作的效率和效果都产生影响的是()。
第八章审计抽样一、单项选择题1、在采用统计抽样进行控制测试时,注册会计师应当在推断的总体误差与可容忍误差进行比较,并根据比较结果确定是否接受所测试的内部控制总体。
以下与此相关的说法中,正确的是()。
A.如果总体偏差率低于可容忍偏差率,可以接受总体B.如果估计的总体偏差率上限等于可容忍偏差率,则样本结果不支持计划的重大风险错报水平C.如果总体偏差率远低于可容忍偏差率,可以接受总体D.如果估计的总体偏差率上限低于且很接近于可容忍偏差率,则样本结果支持了计划的重大风险错报水平2、可容忍误差在控制测试中表现为可容忍偏差率,注册会计师在确定可容忍偏差率时,主要考虑的因素是()。
A.重大错报风险的初步评估水平B.对被审单位及其环境的了解程度C.计划估计的控制有效性D.控制风险的高低3、注册会计师在控制测试中使用统计抽样,估计的总体偏差率上限低于但接近可容忍偏差率,则其应得出的结论和采取的措施为()。
A.注册会计师应确认总体可接受,不用采取任何措施B.注册会计师应确认总体不可接受,并修正重大错报风险评估水平,增加实质性程序的数量C.注册会计师应确认总体不可接受,并对影响重大错报风险评估水平的其他控制进行测试,以支持计划的重大错报风险评估水平D.注册会计师应当结合其他审计程序的结果,考虑是否接受总体,并考虑是否需要扩大测试范围4、X注册会计师在对Y公司主营业务收入进行测试的同时,一并对应收账款进行了测试。
假定Y公司2009年12月31日应收账款明细账显示其有2 000户顾客,账面余额为10 000万元。
X注册会计师拟通过抽样函证应收账款账面余额,抽取130个样本。
样本账户账面余额为500万元,审定后认定的余额为450万元。
根据样本结果采用差额估计抽样法推断应收账款的总体余额为()万元。
A.-769.23B.9 230.76C.6 923.08D.8 2005、A注册会计师在利用差额估计抽样审查甲公司的应收账款时,采用随机抽样方法从300笔业务构成的应收账款总体中抽取了50笔业务进行逐笔审查。
经查证,发现这些业务中共存在1 000元的误差,据此推断总体中的错误金额为()元。
A.5 000B.6 000C.7 000D.8 0006、关于PPS抽样的说法不正确的是()。
A.PPS抽样一般比传统变量抽样更易于使用B.PPS抽样的样本规模需考虑被审计金额的预计变异性C.对零余额或负余额的选取需要在设计时特别考虑D.PPS抽样的样本更容易设计,且可在能够获得完整的总体之前开始选取样本7、如果抽样结果有95%的可信赖程度,则()。
A.抽样结果有5%的可容忍误差B.抽样结果有5%的抽样风险C.抽样结果有5%的可容忍偏差率D.抽样结果有5%的预计总体偏差率8、在统计抽样中,如果总体误差低于可容忍误差时,注册会计师应()。
A.不接受总体B.接受总体C.判断是否接受总体D.尚不能得出结论9、可接受的抽样风险与样本规模之间的关系是()。
A.反向变动B.正向变动C.无关系D.等于10、只要使用了审计抽样,抽样风险就会存在,注册会计师在审计抽样中需要控制抽样风险的唯一途径是()。
A.减少样本规模B.不选择统计抽样,而是选择非统计抽样C.扩大样本规模D.提高审计风险11、可接受的抽样风险在控制测试中主要指(),它与样本规模成()。
A.可接受的信赖过度风险,反向变动关系B.可接受的误受风险,反向变动关系C.可接受的信赖不足风险,正向变动关系D.重大错报风险,正向变动关系12、注册会计师在将统计抽样用于细节测试时,如果(),则可以接受抽样总体,认为所测试的交易或账户余额不存在重大错报。
A.计算的总体错报上限低于但很接近可容忍错报B.调整后的总体错报低于但很接近可容忍错报C.样本偏差率远远低于可容忍偏差率D.估计的样本偏差率上限低于但接近于可容忍偏差率13、下列关于“在细节测试中使用非统计抽样方法”的说法中,不正确的是()。
A.注册会计师应确信抽样总体适合于特定的审计目标B.识别单个重大项目(超过可容忍错报应当单独测试的项目)和极不重要的项目C.剔除百分之百检查的所有项目后估计总体的账面金额D.在非统计抽样中,根据样本中发现的错报金额推断总体错报金额的方法主要有均值估计抽样和差额估计抽样14、注册会计师在对被审计单位财务报表审计中,关于资产类账户余额实施相关审计抽样从而获取充分、适当的审计证据。
下列说法正确的是()。
A.注册会计师应当根据具体情况并运用职业判断,确定使用统计抽样或非统计抽样方法,以最有效地获取审计证据B.审计抽样适用于控制测试和实质性程序中的所有审计程序C.统计抽样和非统计抽样方法的选用,在于对样本实施的审计程序D.注册会计师采用不适当的审计程序可能导致抽样风险15、信赖过度风险和误受风险影响的是()。
A.审计的效率B.审计的效果C.初步判断的重要性水平D.可接受的审计风险水平16、注册会计师获取审计证据时可能使用三种目的的审计程序:风险评估程序、控制测试和实质性程序,下列属于注册会计师拟实施的审计程序中通常可以使用审计抽样的是()。
A.当控制的运行未留下轨迹时的控制测试B.实质性分析程序C.风险评估程序D.当控制的运行留下轨迹时的控制测试17、下列关于审计抽样的说法中,不正确的是()。
A.审计抽样是对某类交易或账户余额中低于百分之百的项目实施审计程序B.在审计抽样中,所有单元都有被选取的机会C.审计抽样的目的是为了获取或评价与被选取项目的某些特征有关的审计证据,以形成或帮助形成对从中抽取样本的总体的结论D.在审计抽样中,并不是所有单元都有被选取的机会18、下列关于注册会计师对审计抽样方法运用中,不恰当的是()。
A.风险评估程序通常不涉及审计抽样,但如果注册会计师在了解内部控制的同时对内部控制运行有效性进行测试可以运用审计抽样B.当控制的运行留下轨迹时可以将审计抽样用于控制测试C.控制测试过程中注册会计师应当采用审计抽样D.审计抽样适用于细节性测试,不适用于实质性分析程序19、审计抽样既可以用于控制测试,又可以用于实质性程序,在下列具体审计程序中,适宜采用审计抽样的是()。
A.询问B.细节测试C.分析程序D.观察20、抽样总体的适当性是指注册会计师确定的总体适合于特定的审计目标,包括适合于测试的方向。
在注册会计师为下列审计目标确定的抽样总体中,适当的是()。
A.为证实所有发运商品是否都已开具账单,注册会计师将全年已开具的账单作为抽样总体B.为证实营业收入项目是否被高估,注册会计师将全年发生的营业收入作为抽样总体C.为证实资产负债表上列示的应收账款是否被高估,注册会计师将全年的赊销业务作为抽样总体D.为证实坏账准备计提的是否充分,注册会计师将余额超过应收账款项目重要性水平的应收账款作为抽样总体21、在总体较大的情况下,与确定样本规模无关的是()。
A.预计总体误差B.总体变异性C.总体规模D.可接受的抽样风险22、在对选取的样本项目实施审计程序时可能出现以下几种情况,其中描述不正确的是()。
A.如果注册会计师能够合理确信该收据的无效是正常的且不构成对设定控制的偏差,就要用另外的收据替代B.注册会计师对未使用或不适用单据的考虑与无效单据类似C.有时注册会计师可能在对样本的第一部分进行测试时发现大量偏差,此时注册会计师应直接放弃控制测试,转而执行实质性程序D.如果注册会计师无法对选取的项目实施计划的审计程序或适当的替代程序,就要考虑在评价样本时将该样本项目视为控制偏差23、下列关于“在细节测试中使用非统计抽样方法”的说法中,不正确的是()。
A.注册会计师应确信抽样总体适合于特定的审计目标B.识别单个重大项目(超过可容忍错报应当单独测试的项目)和极不重要的项目C.剔除百分之百检查的所有项目后估计总体的账面金额D.在非统计抽样中,根据样本中发现的错报金额推断总体错报金额的方法主要有均值估计抽样和差额估计抽样二、多项选择题1、为通过抽样方法确定被审计单位赊销审批签字执行的有效性,注册会计师需要确定审计抽样的样本规模。
在以下各种说法中,正确的有()。
A.样本规模与总体变异性成同向变动关系,即总体变异性越大,样本规模越大B.样本规模与可容忍偏差率成反向变动关系,即可容忍偏差率越小,样本规模越大C.在既定的可容忍偏差率下,样本规模与预计总体偏差率成同向变动关系,即预计总体偏差率越大,样本规模越大D.样本规模与可接受的抽样风险(可接受的信赖过度风险)成反向变动关系,即可接受的抽样风险越小,样本规模越大2、下列各项中,与注册会计师设计样本时所确定的样本量存在反向变动关系的有()。
A.可接受的抽样风险B.可信赖程度C.可容忍误差D.预期总体误差3、下面有关样本规模提法正确的有()。
A.在控制测试中,注册会计师确定的总体项目的变异性越低,样本规模就越小B.相对于大规模总体来说,对于小规模总体,则总体规模越大则需选取的样本越多C.注册会计师愿意接受的抽样风险越低,样本规模就越大D.在可容忍误差一定的情况下,预计总体误差越大,则样本规模越大4、下列有关细节测试中使用非统计抽样方法的提法中,正确的有()。
A.在确定样本规模时,也会运用统计抽样的方法B.如果样本规模占总体规模的比例与样本中包含的账面金额占总体账面金额的比例相同,注册会计师只能选择比率法推断总体错报C.注册会计师通过百分之百检查的重大项目所发现的错报,应计入总体错报D.如果推断的错报总额接近但不超过可容忍错报时,注册会计师通常得出总体不可接受的结论5、有关审计抽样的下列表述中,注册会计师不能认同的有()。
A.审计抽样适用于所有审计程序B.统计抽样的产生并不意味着非统计抽样的消亡C.统计抽样能够客观地计量抽样风险,并通过调整样本规模精确地控制风险,因此不涉及注册会计师的专业判断D.对可信赖程度要求越高,需选取的样本量就应越大6、注册会计师必须事先准确定义构成误差的条件,下列对误差的描述正确的有()。
A.在控制测试中,误差是指控制偏差B.在控制测试中,误差是指内部控制的缺陷C.在细节测试中,误差就是可容忍错报D.在细节测试中,误差是指错报7、下列有关审计抽样的说法中,恰当的有()。
A.只要进行抽样,就会存在抽样风险B.注册会计师在抽样中既可以使用统计抽样方法,也可以使用非统计抽样方法C.非抽样风险是由人为错误造成的,在审计中可以将其量化并加以控制D.一般情况下,属性抽样适用于控制测试;变量抽样适用于细节测试8、审计抽样应当具备三个基本特征有()。
A.选样方法能够计量并控制审计风险在可接受的水平B.所有抽样单元都有被选取的机会C.审计测试的目的是为了评价该账户余额或交易类型的某一特征D.对某类交易或账户余额中低于百分之百的项目实施审计程序9、统计抽样应同时具备的两个条件是()。