京运通多晶铸锭炉培训教材
- 格式:ppt
- 大小:10.24 MB
- 文档页数:39
烟化炉培训教材直接炼铅厂二零一零年二月目录第一节烟化冶金第二节工艺流程图第三节烟化炉构造及操作第四节影响烟化过程因素第五节烟化炉故障处理第六节技术指标、工艺条件、质量标准第七节主要设备第一节烟化冶金一、烟化冶金过程基本原理烟化的实质是一种还原挥发过程,是把空气和粉煤吹入烟化炉内的熔渣中,燃烧后产生热量和一氧化碳,使熔渣保持高温,并使熔渣中的化合物和游离的ZnO及PbO还原成Zn和Pb的蒸汽,上升到炉子的上部空间,遇到CO2或吸进来的空气再度氧化成氧化锌和氧化铅,并以烟尘状态被收集。
二、化学反应1、燃烧反应 C+O2→CO C+O2→CO2H2+O2→H2O2、还原反应 MeO+CO→Me+CO2 MeO+C→Me+CO3、氧化反应 Me+O2→MeO Me+CO2→MeO+CO第二节工艺流程图第三节烟化炉的构造及操作一、烟化炉的构造烟化炉的四壁全由水套构成,炉宽2.14m,长3.72m,5.13m高,侧边最下层的水套设有风口,直径38mm,水套内壁焊有Φ16mm长50mm的销钉,钉间距离为50mm,以便冷凝的炉渣粘附其上,形成渣层,保护水套和降低热损失。
炉前端水套上设有Φ120mm的放渣口,水套下一层及斜烟道用水冷循环,上层水套用汽化冷却。
风口结构采用带球阀风口,有两个支管,靠近水套的称为一次风煤管,外边的是二次风管。
为防止粉煤逸出炉外,二次风压略比一次风压高(约100mmHg)。
在炉子上部开有三次风口,方便操作观察,且可吸入空气氧化金属蒸汽。
烟化炉的给煤设备为用螺旋给煤机和压缩空气送入炉内。
二、烟化炉的生产操作开炉前先往水套上水,中压、低压汽包水位正常,然后开动排风机和鼓风机。
具有足够温度的还原炉渣从电热前床放到渣包内,由行车吊来经进料溜槽加注入炉(进料前必须用黄泥把渣口堵严),并送入部分粉煤进行燃烧,随着熔渣的不断加入,熔池深度不断增高,送煤量和风压也不断增大,直至正常状态。
每个周期的吹炼时间约为120分钟左右,根据挥发物的性质及其含量而定。
LF钢包精炼炉培训教材冶二车间2010年4月目录1 精炼炉的常识及功能 (3)2 精炼炉设备的认知 (5)2.1 布局形式 (5)2.2 主要工艺参数 (5)2.3 钢包炉盖 (5)2.4 LF钢包精炼炉用耐火材料 (6)3 LF对炉前钢水的要求 (8)4 LF炉生产工艺和操作技术 (9)4.1 处理过程 (9)4.2 造渣技术 (10)4.3 发泡和埋弧技术 (15)4.4 供电技术 (16)4.5 脱硫技术 (17)4.6 铝含量控制技术 (18)4.7 温度控制技术 (19)4.8 喂线技术 (19)4.9 钢中气体控制技术 (22)4.10 吹氩技术 (23)4.11 夹杂物控制技术 (24)4.12 热态钢渣循环利用技术 (27)4.13 防止增碳技术 (28)1 精炼炉的常识及功能LF炉(ladle refining furnace )起源常称钢包精炼炉或钢包炉,是由日本特殊钢公司于1971年研制成功的。
开发初意是把EAF中的还原操作移到钢包中进行。
LF炉特点LF炉是一种特殊的精炼容器,多采用埋弧精炼操作。
其特点主要有:将初炼炉内熔炼的钢水送入钢包,再将电极插入钢包钢水上部炉渣内并产生电弧,加入合成渣,形成高碱度白渣,用氩气搅拌,使钢包内保持强还原性气氛,进行所谓埋弧精炼(如图1-1所示)。
由于氩气搅拌加速了渣-钢之间的化学反应,用电弧加热进行温度补偿,可以保证较长的精炼时间,从而使钢中的氧、硫含量降低(硫大约最低可到10ppm,总氧可到25ppm以下)。
LF钢包精炼炉设备投资少,可显著提高车间产量。
最近,此法广泛应用于转炉炼钢车间,与转炉配合生产,可以在浇注(铸)前有效地均匀和调节钢水温度、成份,从而使得转炉炼钢厂可以较低的成本生产质量极高的钢材产品。
LF炉分类按电极加热方式分:交流钢包炉和直流钢包炉(≤50t)。
直流钢包炉包括单电极直流钢包炉、双电极直流钢包炉、三电极直流电弧电渣钢包炉。
加热炉电气岗位培训教材(传动部分)一、岗位工艺: 1、 工艺:加热炉装炉板坯主要有冷装和热装两种。
其中:冷装主要是将板坯库中的库存板坯,根据轧制计划,由吊车将板坯吊装到1#或2#上料台架上,经1#或2#上料推钢机,分别将板坯推至A1或A2辊道上进行上料;热装是将连铸出来的热坯经连铸热送1、2号辊道直接运送到A1、A2辊道上进行上料。
板坯在A3辊道上完成对中定位后,经液压电子秤秤重,操作工根据板坯轧制计划,进行板坯数据核对,将数据传送给L2级,板坯运送到1#或2#加热炉装炉辊道上并完成板坯炉前定位。
定位好的板坯由1#炉、2#炉装钢机分别将板坯装入炉内。
加热炉内板坯由步进梁一步步向加热炉出料端运送,当出炉侧激光LMD22检测到板坯时,允许出钢。
出钢机将板坯托出并放到出炉辊道上,经出炉辊道将板坯送往轧线进行轧制。
2、 设备范围及设备布置:1)、控制设备:加热炉电气控制设备主要有:收料辊道E 辊道(3组);上料A1~A3辊道;B1~B2(2#装炉辊道);B3辊道;B4~B5(1#炉装炉辊道);1#、2#上料推钢机;1#、2#炉装钢机;1#、2#炉装/出料炉门;返回D 辊道;C1(2#炉出炉辊道);C2辊道;C3(1#炉出炉辊道);1#、2#炉出钢机;热收F 辊道(2组);加热炉步进梁电控设备。
加热炉助燃风机电机、加热炉循环水电控设备、板坯库电子秤液压站系统。
2)、设备平面布置:F’CE2B1-PGCMD1E1CMD2CMD4CMD20E3CMD7CMD3E2CMD19CMD5CMD61CSCMD8CMD17P1-PGCMD01A1CMD15CMD16F1A3-PGP2-PGA2CMD02CMD18A3B1DC1F2B5-PG B4-PGB2-PG4)B4-PG、B5-PG、CMD10-20为新增。
3)SYP1-PG、SYP2-PG、A3-PG、B1-PG、B2-PG、B4-PG及2)冷金属检测器CMD1-CMD20的作用距离为15米。
加热炉培训教材第一章加热原理一、钢加热的目的1.提高钢的塑性,以降低钢在热加工时的变形抗力,从而减少轧制中轧辊的磨损盒断辊等机械设备事故。
2.使坯料内外温度均匀,以避免由于温度应力过大造成成品的严重缺陷或废品。
3.改善金属的结晶组织或消除加工时所形成的内应力。
总之,钢的加热对于钢材的质量、产量、能耗以及机械寿命等都有直接关系。
二、钢的加热工艺:1.钢的加热工艺包括:1)加热温度2)加热速度3)加热时间4)炉温制度5)炉内气氛1.1 钢的加热速度:加热时间内,钢在加热时的温度变化叫钢的加热速度。
(单位:℃/h或℃/min、mm/min)1.2钢的加热制度:钢在加热炉内加热升温的温度变化过程叫钢的加热制度。
1)加热制度考虑的因素:●钢种●坯料尺寸●装炉方式(冷装/热装)●炉膛结构●坯料在炉内的布置方式(单、双排,推钢、步进梁式、辊底式等)2)加热制度从炉型分为:●一段式●二段式●三段式●多段式三、钢的加热缺陷1.钢的加热缺陷包括:●钢的氧化●脱碳●过热、过烧●加热温度不均匀2.预防加热缺陷的措施2.1 钢的氧化1)定义:钢在加热炉内加热时,钢的表面同炉气中的CO2、H2O、O2、SO2发生反应,生成氧化铁皮的过程叫钢的氧化。
2)生成的氧化铁皮即所说烧损,通常为0.5~3%。
氧化铁皮结构示3)影响氧化的因素:加热温度、加热时间、炉气成分、钢的成分等。
●加热温度的影响:在850~900℃以下时,钢的氧化速度很小;当达1000℃以上时,钢的氧化速度急剧增加。
●加热时间的影响:在相同条件下,加热时间愈长则钢的氧化层愈厚。
●炉气成分的影响:火焰中的炉气成分决定与燃料成分、空气消耗系数、完全燃烧成都等。
炉气成分对氧化的影响很大。
按照对钢氧化的效应把炉气分为:氧化性气氛、中性气氛和还原性气氛。
●钢的成分的影响:对于碳钢随其含炭量的增加钢的烧损量有所下降。
合金元素如Cr、Si、Mn、Al等本身即已被氧化成相应的氧化物,但由于这些氧化物组织结构十分致密稳定,可进一步阻止钢的氧化。
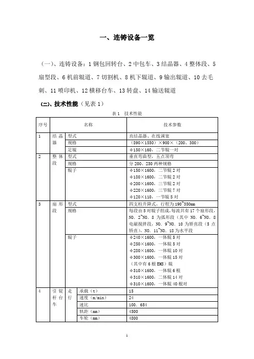
一、连铸设备一览(一)、连铸设备:1钢包回转台、2中包车、3结晶器、4整体段、5扇型段、6机前辊道、7切割机、8机下辊道、9输出辊道、10去毛刺、11喷印机、12横移台车、13转盘、14输送辊道(二)、技术性能(见表1)表1 技术性能序号名称技术参数1 结晶器型式直结晶器、在线调宽规格(890×1550)×900×(200、300)足辊φ150×160,二节辊一对2 整体段型式垂直弯曲型,五点顶弯规格分200、230两种规格辊子φ150×1600,二节辊2对φ180×1600,二节辊2对φ200×1600,三节辊2对φ220×1600,三节辊7对φ120×110,一节辊5对3 扇形段型式四支柱升降式,行程为190~350mm规格每段由5对辊子组成,每流共有17个扇形段,NO.2~NO.8为弧形段(其中NO.6~NO.8电磁搅拌段,NO.9~NO.10为矫直段(5点矫直),NO.11~NO.18为水平段辊子φ240×1600,一体辊5对φ250×1600,一体辊5对φ280×1600,一体辊10对φ300×1600,一体辊15对(其中有6根EMS)辊φ310×1600,一体辊6根φ310×1600,二体辊14对φ310×1600,一体辊40根对4 引锭杆台车走行承载(t)15速度(m/min)24速比100.654轨距(mm)4500车轮(mm)4800序号名称技术参数卷动对中速度(m/min)5.4链子94节×300mm电动机30KW,120r.p.m 平减速机I=16.862蜗轮减速机I=49/2链轮φ600电动机内藏闸式,I=6行程(mm)240承载(N)50000速比24导程(mm)85 引锭杆卷上承载(t)13电动机15KW,1200r.p.m 速比542.02高速(m/min) 2钢绳(mm)φ18卷简(mm)φ1150扬程(m)φ166 放气装置气源(Mpa)N2,0.4~0.8汽缸φ125/φ36×600st 冷却水(Mpa)0.4工作气压(Mpa)0.05~0.107 间接水结晶器铜板(Mpa)0.8 辊子、轴承座(Mpa)0.5 框架(Mpa)0.4 直接冷却水(Mpa)0.7 直接冷却水(Mpa)0.4(三)、拆装工序及技术要求表2:拆装工序及技术要求序号项目拆装工序技术要求1 更换结晶器1)在中控室停结晶器各冷却水和整体段环路水,在4米液压站停整体段间接水,并做防冻。
真空系统培训教材(一)一、工艺路线1. 真空脱气站尽管精炼炉操作合理可以解决大部分的工艺和质量问题,人们还是不断地倾向于更多使用真空脱气技术,这不尽是用户的要求。
从金相原理着眼,采用真空脱气技术的原因是:·总氧含量最低(弹簧钢小于10 ppm,轴承钢小于8 ppm)。
·非金属夹杂物(工程夹杂物)形态正确。
·深度脱硫,使硫含量重复值小于10 ppm。
·减少氢气(对于较大直径型材和轴承钢之类的小断面的特种钢型材很重要)。
·减少氮气(对于使用电弧炉的炼钢相当重要)。
·钢均化程度高,铸造性能改进,使得液相线温度过热降低(对于降低高碳钢中的碳偏析很重要)。
1.1 真空脱气站设计特点真空脱气装置设计由以下主要组成部分组成:·使用两个固定的真空罐。
·一个可移动的真空罐盖,此盖下面悬挂一块用于脱气操作的挡热板。
·配备特别开关的空吸管,用于将各罐交替地连接至真空泵。
·组合式旋风分尘器。
·配备水环泵的蒸汽喷射器真空泵。
·用于日常检查和监督检查的电视摄像机。
·一个手动测温和取样装置。
·各罐有一个4线喂丝机,配备单独的金属线导向系统。
·配备两条单独管线(每个罐配一条管线)和两个不同气体流量调节范围的惰性气体搅拌管线。
·将合金送进各罐的铁合金装卸系统。
真空脱气站为两罐配置,共用一个真空泵。
由于预计的精炼时间长,这种配置是绝对必要的。
用这种方式,在前一炉钢水处于调质操作的同时,可以在真空下处理下一个钢包。
在设计真空脱气站时使用联合SMS设计平台(MEVAC)。
1.2 真空罐和空吸管为了降低操作成本和缩短抽真空时间,设计真空系统需考虑以下方面:·最大限度降低系统总容积。
·最大限度提高在两次加热之间能够在低压下保持的容积,从而缩短排空时间。
在设计真空罐时,以及通过在空吸管中安装专用切断阀(这些专用切断阀使主切断阀下游到真空泵入口一直保持真空),上述方面问题已经得到充分考虑。
开铁口机·泥炮培训教程培训对象:高炉炉前工培训目的:使炉前工全面了解开铁口机泥炮并能正确进行维护保养。
培训内容:一开铁口机简介开铁口机,是炼铁厂的一种常用设备,其功能是用来打开高炉铁口,实现现代化高炉冶炼。
1.1 组成部分:开铁口机结构主要由回转部分和钻进部分等组成。
钻进部分主要由推进和冲钻部分组成,回转部分将其由停放位置送到工作位置,打开铁口后,再迅速将其送回至停放位置。
开铁口机的可靠性和使用性能直接关系到高炉炼铁的生产效率。
1.2 分类:现今,国内外应用于高炉的开铁口机类型较多,可谓五花八门。
从传动形式上可分为电动开铁口机、气动开铁口机、气液复合传动开铁口机等;从安装方式上可分为悬挂式开铁口机、落地式开铁口机。
落地式气动、液压复合传动的开铁口机在全国大、中、小高炉上应用最多,其次是悬挂式全气动型式和落地式全液压型式。
这几种典型的开铁口机的共同结构特点是都具有导向轨梁和送进机构,钻机沿着一定角度的倾斜轨道行进,开出的铁口孔道是和这个角度相同的圆孔,钻机都具有冲打功能。
应用领域:开铁口机被广泛用于工业、钢铁、冶金、等行业。
1.3 技术参数(1#高炉开铁口机的参数)钻头直径:Φ55~Φ80mm开铁口深度:3500mm钻孔角度:10º(8º~16º可调角度)最大进给速度:0.025~0.05m/s 返退速度: 1 m/s钻杆转速:300rpm大臂旋转角:150º液压凿岩机冲击机构型号YYG300冲击油压Mpa13~16冲击流量L/min90~100冲击频率HZ40~50冲击能量J350钻销机构钻销油压10~13钻销流量70~90钻销扭矩N.m320~540钻销转速r/min300~4OO送进机构工作油压Mpa10~13送进流量L/min4返退流量L/min80旋转机构工作油压Mpa10~13工作流量L/min35~70摆动机构工作油8压Mpa工作流量L/min15吹灰空气流量M3/min 5吹灰空气压力Mpa 0.2~0.51.4 开口机的润滑及点检标准D--天 W--周 M--月 Y--年装置名称润滑部位润滑点数油脂名称给油量kg润滑方法润滑周期润滑分工设备状态维护操作维护操作运行停止转臂主轴轴承 43#二硫化钼锂基脂0.5人工给油4D 1D * * *回转油缸关节轴承 23#二硫化钼锂基脂0.5人工给油4D 1D * * *送进机构侧盖轴承 13#二硫化钼锂基脂0.5人工给油4D 1D * * *行走车轮轴承 43#二硫化钼锂基脂0.2人工给油4D 1D * * *。
司炉工培训教材(底吹系统)目录1.设备概况 3 1.1设备用途 3 1.2工作参数 3 1.3锅炉结构 3 1.4主要部件压力 3 1.5水质要求 5 1.6锅炉特性表 51.7热力系统图 52.正常开炉 6 2.1锅炉投入运行的必要条件 6 2.2开炉前的检查 6 2.3开炉前的准备 6 2.4开炉 72.5锅炉正常运行的监视与调整 83.停炉 9 3.1正常停炉 9 3.2事故停炉 93.3锅炉停炉后的保养 104.事故处理规程 11 4.1锅炉缺水 11 4.2锅炉满水 12 4.3水位不明 12 4.4水位计损坏 13 4.5汽水共腾 13 4.6假水位 13 4.7厂用电中断和强制循环泵故障而无备用泵 14 4.8锅炉受热面损坏 14 4.9给水泵故障而无备用泵 15 4.10炉膛内的二次燃烧 154.11炉墙和钢架损坏 155.安全规程 156.、岗位责任制 16 6.1锅炉岗位责任制 166.2软水工岗位责任制 167.巡回检查制 178.交接班 179.定期检查及加油制度 1710.安全保卫制度 1811.附属设备明细表 181、设备概况:1.1、设备用途本余热锅炉用于氧气底吹炉烟气的冷却与回收,产生饱和蒸汽供生产与生活使用。
1.2、工作参数1)工作压力: 4.0Mpa2)蒸发量:8t/h3)蒸汽温度:250℃4)给水温度:102-104℃5)锅炉排烟温度:400-435℃1.3、锅炉结构1)本余热锅炉由直升烟道和锅炉本体二部分组成。
直升烟道为全膜式壁结构,管子间距80mm。
锅炉本体分为辐射冷却室和对流区。
辐射冷却室采用膜式壁结构,管子间距100mm。
对流区外壁为全膜式壁结构,内部沿烟气流向,依次布置了凝结管屏,第一、二、三对流管束。
锅炉受热面采用φ38×4无缝钢管。
2)锅筒内径1508mm,长度3500mm。
3)锅炉受热面的分配,集汽联箱布置在受热面上方,直升烟道下半部分受热面的分配,集汽联箱布置在直升烟道中部侧面。
公司简介一、公司概况北京京运通科技股份有限公司成立于2002年8月8日,并于2008年10月31日改制为股份有限公司,注册资金亿元人民币,公司总资产15亿元人民币。
公司主要产品包括:软轴单晶炉、多晶铸锭炉、区熔单晶炉、硅芯炉、多晶硅还原炉、晶体下拉炉等。
企业2008年总产值达8亿元,2009年总产值6亿元,2010年全年总产值约10亿元。
公司目前员工总数560余人,大专以上学历人员占30%以上。
2008年4月公司在董事长冯焕培先生提议下,董事会聘请美国麻省理工学院机械工程博士黎志欣先生任京运通公司总裁兼首席运营官,负责公司的日常运营。
公司目标是要成为世界级光伏设备制造商,要把国际光伏先进设备和服务与国内的制造成本结合起来,为客户提供性价比最高的产品。
公司总部位于北京经济技术开发区经海四路158号,建筑面积达万平方米的现代化大型装配厂房已于2009年初投入使用。
公司产能得到大幅度提升,已具备单晶炉月产150台,多晶硅铸锭炉50台的产能。
原有张家湾开发区厂区在改造扩建的同时,新购入各种大型及精密加工设备,已成为公司的设备加工基地,为京运通的发展奠定了坚实的基础。
我公司为北京市高新技术企业,中国电子专用设备工业协会和中国半导体材料协会会员单位。
公司从2003年申请并通过了ISO9001:2000质量管理体系认证审核。
主要产品进行了CE认证,公司拥有光伏设备相关专利30余项,具有较强的研发能力,不断推出的新产品,将促进企业的持续发展。
二、公司产品介绍公司产品硅晶体生长设备主要以软轴硅单晶炉和多晶硅铸锭炉为主力产品,其次还有区熔炉和多晶硅还原炉等其他相关炉型。
其中软轴单晶硅炉包括JRDL-800,JRDL-900两种主要炉型,从控制上分为(PLC IRCON 工控机),(PLC CCD 工控机)和(全自动.只限JRDL-900-AT)三种形式;多晶铸锭为JZ-270/450、JZ-460/660几种机型,控制上全部实现自动化,PLC控制系统为西门子新型产品。