国家电网公司输变电工程标准工艺库变电土建项目划分表
- 格式:doc
- 大小:221.50 KB
- 文档页数:6
技术标准和要求1、施工范围1.1 35kV线路部分: 35KV高压配电装置出线柜同杆双回路,线路长度为2×6.743km;在#23~#24处跨越浙赣铁路;在#10~#11处穿越沪昆高速铁路采用电缆穿越;在#03~#04穿越马路采用电缆;在#1杆处连接原线路;。
新建双回线路长6.743km,其中双回电缆线路长 1.111km,导线采用JL/G1A-400/25,地线采用OPGW-24B1-50,电缆采用YJV-26/35-1*630单芯电缆。
本工程新立钢管杆6基,角钢塔26基。
负责本工程所有杆塔标示标牌制作安装(包括但不限于杆塔标号牌、警示牌、防护栏等)。
负责本工程35kV输电线路投运、通信施工及设备调试、保护调试等工作。
本次招标工程中#10~#11塔(穿越沪昆高速铁路)之间的电缆井、电缆沟道、排管等土建费用按实际米数计算。
1.2 投标方应负责施工范围内设备采购、安装、调试(包括单体调试、分系统调试、整套启动调试等),土建施工,市政道路施工协调恢复绿化工作以及配合协调政治处理等工作。
1.3 投标方在报价时应充分考虑线路跨越、穿越原有各电压等级线路、道路、河流、绿化、高大树木以及施工临时便道等不利因素,费用包含在投标总价中。
主要设备品牌推荐如下:电缆:江苏上上、浙江万马、浙江开成投标方须根据招标方提供的品牌采购。
2、工程概况发电机出线电压为10.5kV,分别直接接入10kV两段母线上,两段发电机母线之间设联络开关,10kV主母线采用单母线分段接线。
分别经2台20MVA双绕组主变升压至35kV。
35kV 母线采用单母线分段接线方式。
3、技术标准及规范表一:变电站土建工程现行主要质量标准、规范验收质量标准目录》(基建质量[2011]79号)文件,未提及标准请参考基建质量[2011]79号文件。
在施工过程中相关质量标准规范版本更新,由施工提供最新版本。
表二:变电站电气安装工程现行主要质量标准、规范备注:上述标准规范引自《国家电网公司输变电工程建设现行主要目录管理制度、施工与验收质量标准目录》(基建质量[2011]79号)文件,未提及标准请参考基建质量[2011]79号文件。
一、编制说明燕山(格力)变电站工程质量工艺总体策划以河北省电力公司质量工艺及控制要求为纲领,对工程质量工艺进行了总体策划,本次策划通过图文并茂形式体现,明确如何做及要达到什么样的效果,实现什么质量标准,以便指导工程施工。
施工项目部将严格按照样板先行的指导思想,落实责任,切实提升工程质量工艺水平。
二、编制目的为落实省公司质量工艺标准及控制要求、质量通病治理、强制性条文实施管理规程等管理要求,对施工管理进行统筹安排、质量工艺进行源头控制,实现质量工艺管控超前;针对在质量工艺方面存在的共性问题、重点问题制定针对性措施,使质量工艺管控具有可操作性,确保工艺效果。
为确保对工程实体质量的有效管控,对施工质量过程实现数码照片管理,实现质量工艺管控的可追溯性;切实提高燕山(格力)110kV变电站工程质量及工艺。
三、编制依据1、《国家电网公司输变电工程质量通病防治工作要求及技术措施》(基建质量[2010]19号)2、建设单位《燕山(格力)110kV变电站工程创优实施规划》3、《110kV〜1000kV变电(换流)站土建工程施工质量验收及评定规程》Q/GDW183-20084、《国家电网公司输变电工程标准化施工作业手册》110kV变电工程分册5、《建筑装饰装修工程质量验收规范》GB50210-20016、《建筑工程施工质量验收统一标准》GB50300-20017、《屋面工程技术规范》GB/T50345-2004&《消防通信指挥系统施工及验收规范》GB50401-20079、《给水排水管道工程施工及验收规范》G B50268-200810、《建筑地面工程施工质量验收规范》GB50209-201011、《地下防水工程施工质量验收规范》GB50208-201112、《建筑物防雷工程施工与质量验收规范》GB50601 - 201013、《混凝土外加剂》GB8076-200814、《国家电网公司电力建设工程施工技术管理导则》(国家电网工[2003]153号)15、《国家电网公司输变电工程施工工艺示范手册》(中国电力出版社出版)16、《国家电网公司输变电工程施工工艺示范光盘》(2011年版)17、《国家电网公司输变电工程工艺标准库》(2011年版)18、关于应用《国家电网公司输变电工程典型施工方法》的通知基建质量〔2011〕78号19、《混凝土结构工程施工质量验收规范(2010年修订版)》GB50204-200220、《通风与空调工程施工质量验收规范》GB50243-2002四、质量工艺总体策划目标分项、分部工程合格率100%,单位工程优良率100%,观感得分率》95%;安装部分:分项、分部工程合格率100%, 单位工程优良率100%;确保工程零缺陷移交,达标投产,确保国家电网公司优质工程,争创国家电网公司质量管理流动红旗,争创国家优质工程。
变电所电气安装工程验评范围项目划分表划分原则和说明一、质量验评范围主要包括六部分内容:1、工程编号—工程编号是单位、分部、分项工程或工序的唯一代号,执行国家统一验收标准或电力行业标准均可。
单位、分部、分项、分段验收评定表、主要施工技术记录、隐蔽工程记录、检验记录,均使用工程编号标识且相互对应。
如主变保护及其自动装置分部工程师的分项验评、检验记录、隐蔽记录及主要施工技术记录,工程编号相同但名称不同。
单位工程开工报告、竣工报告中单位工程名称应与项目划分表保持一致,便于资料衔接、检索、查阅和综合管理;2、工程名称—与工程编号唯一对应;3、、工程性质—按验标及工程重要性确定;4、检验单位—施工单位三级验收和建设(监理)单位四级验收,含检验级别;5、质量管理(控制)点—即监理质量工作的三个控制点;6、验评编号—分项工程验评采用的验标表号。
二、划分原则单位工程项目划分基本按形成生产使用功能和作用进行划分,并与《电力工业基本建设预算项目划分办法》基本一致;分部工程项目划分基本按建筑物或构筑物工程的安装部位划分;建筑物或构筑物工程中的电气安装分项工程基本按主要设备安装、用途、种类、组别或调试试验划分。
三、说明划分表应结合验标、图纸实际确定,本表为施工单位和监理单位综合用表,三级验收项目由施工单位确定后,报请监理确定四级和三个控制点,并由建设、监理、施工三方签字确认。
本表中包含的单位工程有所区地基处理、主控楼、综合楼、××配电装置室、检修间、变压器基础及架构、××屋外配电装置、所区室外给排水供热及照明、围墙大门及场平和所内道路、所区护坡防洪及排水、所外道路、引桥工程等12单位工程,单位、分部、分项工程数量,应根据所区实际及图纸设计进行取舍。
变电所电气安装工程验评范围项目划分表表3—1变电所电气安装工程验评范围项目划分表表1—1变电所电气安装工程验评范围项目划分表表1—1变电所电气安装工程验评范围项目划分表表1—1变电所电气安装工程验评范围项目划分表表1—1变电所电气安装工程验评范围项目划分表表1—1变电所电气安装工程验评范围项目划分表表1—1变电所电气安装工程验评范围项目划分表表1—1变电所电气安装工程验评范围项目划分表表1—1变电所电气安装工程验评范围项目划分表表1—1变电所电气安装工程验评范围项目划分表表1—1变电所电气安装工程验评范围项目划分表表1—1变电所电气安装工程验评范围项目划分表表1—1变电所电气安装工程验评范围项目划分表表1—1(注:文件素材和资料部分来自网络,供参考。
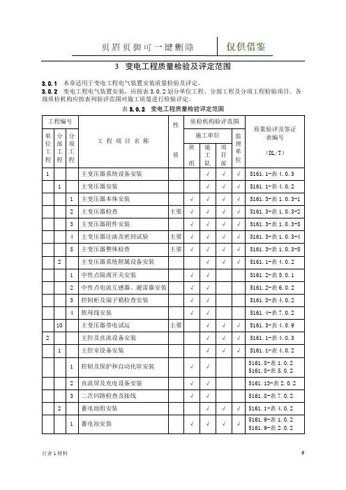
3 变电工程质量检验及评定范围3.0.1本章适用于变电工程电气装置安装质量检验及评定。
3.0.2变电工程电气装置安装,应按表3.0.2划分单位工程、分部工程及分项工程检验项目。
各级质检机构应按表列验评范围对施工质量进行检验评定。
表3.0.2变电工程质量检验评定范围工程编号工程项目名称性质质检机构验评范围质量验评及签证表编号(DL/T)单位工程分部工程分项工程施工单位监理单位班组施工队项目部1 主变压器系统设备安装√√√5161.1-表4.0.31 主变压器安装√√√5161.1-表4.0.21 主变压器本体安装√√√√5161.3-表1.0.3-12 主变压器检查主要√√√√5161.3-表1.0.3-23 主变压器附件安装√√√√5161.3-表1.0.3-34 主变压器注油及密封试验主要√√√√5161.3-表1.0.3-45 主变压器整体检查主要√√√√5161.3-表1.0.3-52 主变压器系统附属设备安装√√√5161.1-表4.0.21 中性点隔离开关安装√√5161.2-表5.0.12 中性点电流互感器、避雷器安装√√5161.2-表6.0.23 控制柜及端子箱检查安装√√5161.8-表4.0.24 软母线安装√√5161.4-表7.0.210 主变压器带电试运主要√√√5161.3-表4.0.92 主控及直流设备安装√√√5161.1-表4.0.31 主控室设备安装√√√5161.1-表4.0.21 控制及保护和自动化屏安装√√5161.8-表1.0.2 5161.8-表5.0.22 直流屏及充电设备安装√√5161.13-表2.0.23 二次回路检查及接线√√5161.8-表7.0.2 2 蓄电池组安装√√√5161.1-表4.0.21 蓄电池安装√√√√5161.9-表1.0.2 5161.9-表2.0.22 充放电及容量测定√√√√5161.9-表3.0.3 5161.9-表3.0.4工程编号工程项目名称性质质检机构验评范围质量验评及签证表编号(DL/T)单位工程分部工程分项工程施工单位监理单位班组施工队项目部3 ×××kV配电装置安装√√√5161.1-表4.0.31 主母线及旁路母线安装√√√5161.1-表4.0.21 绝缘子串安装√√5161.4-表2.0.22 软母线安装√√√√5161.4-表7.0.23 支柱绝缘子安装√√5161.4-表2.0.34 管形母线安装主要√√√√5161.4-表6.0.25 接地开关安装√√5161.2-表5.0.12 电压互感器及避雷器安装√√√5161.1-表4.0.21 避雷器安装√√5161.2-表6.0.22 电压互感器安装√√5161.3-表3.0.23 隔离开关及接地开关安装√√√√5161.2-表5.0.14 支柱绝缘子安装√√5161.4-表2.0.35 引下线及跳线安装√√√√5161.4-表7.0.26 箱柜安装√√5161.8-表1.0.2 5161.8-表4.0.23进、出线(母联、分段及旁路)间隔安装√√√5161.1-表4.0.21 隔离开关安装√√√√5161.2-表5.0.12 断路器安装主要√√√√5161.2-表2.0.15161.2-表2.0.23 电流互感器安装√√5161.3-表3.0.24 避雷器安装√√5161.2-表6.0.25 穿墙套管安装√√5161.4-表2.0.46 支柱绝缘子安装√√5161.4-表2.0.3 7引下线及跳线安装√√√√5161.4-表7.0.2工程编号工程项目名称性质质检机构验评范围质量验评及签证表编号(DL/T)单位工程分部工程分项工程施工单位监理单位班组施工队项目部8 就地控制设备安装√√5161.8-表1.0.25161.8-表4.0.25 铁构架及网门安装√√√5161.1-表4.0.21 铁构架及网门安装√√5161.4-表1.0.25161.4-表1.0.3 10 ×××kV配电装置带电试运主要√√√5161.1-表5.0.5-14 ×××kV封闭式组合电器安装√√√5161.1-表4.0.31 封闭式组合电器检查安装√√√5161.1-表4.0.21 基础检查及设备支架安装√√5161.2-表1.0.12 封闭式组合电器本体检查安装主要√√√√5161.2-表1.0.23 电压互感器、避雷器安装主要√√√√5161.3-表3.0.1 5161.2-表6.0.22 配套设备安装√√√5161.1-表4.0.21 电压(流)互感器安装√√5161.3-表3.0.12 避雷器安装√√5161.2-表6.0.23 软母线及引下线安装√√√√5161.4-表7.0.2 3 就地控制设备安装√√√5161.1-表4.0.21 控制柜及就地箱安装√√5161.8-表1.0.2 5161.8-表4.0.22 二次回路检查及接线√√5161.8-表7.0.210 ×××kV封闭式组合电器带电试运主要√√√5161.2-表8.0.8。
35kV***变电站扩建工程施工质量验收及评定项目划分表**电力集团有限责任公司35kV***电站扩建工程项目部编制说明为规范和统一**35kV**变电站增容扩建工程的施工质量检查、验收和单位工程质量评定,加强工程建设质量的管理与控制,保证工程质量,特制定本划分表。
本施工质量验收及评定项目划分表依据工程实际和现行国家有关工程质量的法律、法规、管理标准、技术规范及电力行业有关标准所编制,并符合国家标准和有关强制性标准的规定。
**35kV**变电站增容扩建工程施工质量验收及评定项目划分表分为单位工程、子单位工程、分部工程、子分部工程、分项工程和检验批。
检验批质量验收记录中主控项目、一般项目的划分以及“质量标准”的内容与《35kV~110kV变电站工程施工质量验收及评定规程》一致。
检验批是按同一生产条件或规定方式汇总起来供检验用的,由一定数量样本组成的检验体;可根据施工及质量控制和专业验收需要按施工段进行划分。
分项工程按施工工艺、主要工种、材料划分,由一个或若干个检验批组成。
分项工程所含的检验批均应符合合格质量的规定;所含检验批的质量验收记录应完整。
如模板分项、混凝土分项等。
分部工程按专业性质、建筑部位确定的各分项工程的汇总。
工程施工质量检查、验收和单位工程质量评定均应在施工单位自行检查、评定的基础上进行;隐蔽工程在隐蔽前应由施工单位通知有关单位进行验收并形成验评文件;涉及结构安全的试块、试件以及有关材料应按规定进行见证取样检测;工程观感质量和结构尺寸应由验收人员通过现场检查共同确认。
35kV**变电站扩建工程质量检验项目划分表(电气安装部分)工程编号工程项目名称性质质检机构验评范围质量验评及签证表编号(DL/T)单位工程分部工程分项工程施工单位监理单位班组施工队项目部1 主变压器系统设备安装√√√5161.1-表4.0.31 主变压器安装√√√5161.1-表4.0.21 主变压器本体安装√√√√5161.3-表1.0.3-12 主变压器器身检查主要√√√√5161.3-表1.0.3-23 主变压器附件安装√√√√5161.3-表1.0.3-34 主变压器注油及密封试验主要√√√√5161.3-表1.0.3-45 主变压器整体检查主要√√√√5161.3-表1.0.3-52主变压器系统附属设备安装√√√5161.1-表4.0.21 控制柜及端子箱检查安装√√5161.8-表4.0.22 主变压器带电试运主要√√√5161.3-表4.0.92 主控及直流设备安装√√√5161.1-表4.0.31 主控设备安装√√√5161.1-表4.0.21 控制及保护和自动化屏安装√√5161.8-表1.0.25161.8-表5.0.22 直流屏及充电设备安装√√5161.13-表2.0.23 二次回路检查及接线√√5161.8-表7.0.2 2 蓄电池组安装√√√5161.1-表4.0.21 蓄电池安装√√√√5161.9-表1.0.2 5161.9-表2.0.22 充放电及容量测定√√√√5161.9-表3.0.3 5161.9-表3.0.43 35kV配电装置安装√√√5161.1-表4.0.31 主母线安装√√√5161.1-表4.0.21 绝缘子串安装√√5161.4-表2.0.22 软母线安装√√√√5161.4-表7.0.23 基础设备支架安装√√5165.2-表1.0.1工程编号工程项目名称性质质检机构验评范围质量验评及签证表编号(DL/T)单位工程分部工程分项工程施工单位监理单位班组施工队项目部4 隔离开关及接地开关安装主要√√√√5161.2-表5.0.15 断路器安装主要√√√√5161.2-表2.0.15161.2-表2.0.26 端子箱安装√√5161.8-表4.0.2 2 电压互感器及避雷器安装√√√√5161.1-表4.0.21 避雷器安装√√5161.2-表6.0.22 电压互感器安装√√5161.3-表3.0.23 基础设备支架安装√√5165.2-表1.0.14 隔离开关及接地开关安装主要√√√√5161.2-表5.0.15 端子箱安装√√5161.8-表4.0.26 引下线及跳线安装√√√√5161.4-表7.0.2 3 进线间隔安装√√√5161.1-表4.0.21 基础设备支架安装√√5165.2-表1.0.12 隔离开关及接地开关安装√√√√5161.2-表5.0.13 端子箱安装√√5161.8-表4.0.24 断路器安装主要√√√√5161.2-表2.0.15161.2-表2.0.25 引下线及跳线安装√√√√5161.4-表7.0.2410kV配电装置安装(配电柜及母线桥)√√√5161.1-表4.0.3 1 配电柜安装√√5161.1-表4.0.11 母线安装主要√√√√5161.4-表3.0.22 断路器检查主要√√√√5161.2-表3.0.25161.2-表4.0.13 二次回路检查接线√√5161.8-表7.0.24固定式高压成套配电柜安装√√√5161.1-表4.0.2工程编号工程项目名称性质质检机构验评范围质量验评及签证表编号(DL/T)单位工程分部工程分项工程施工单位监理单位班组施工队项目部2 母线安装主要√√√√5161.4-表3.0.21 支柱绝缘子安装5161.4-表2.0.32 母线安装主要√√√√5161.4-表3.0.23 10KV高压配电装置带电试运√√5161.1表5.0.5-15 无功补偿装置安装√√√5161.1-表4.0.31 电抗器安装√√√5161.1-表4.0.21 电抗器安装主要√√√√5161.3-表1.0.22 电容器安装√√√5161.1-表4.0.21 电容器安装√√√√5161.2-表7.0.32 放电线圈安装√√√√5161.2-表7.0.43 隔离开关及接地开关安装主要√√√√5161.2-表5.0.11 隔离开关及接地开关安装主要√√√√5161.2-表5.0.1 6 全站电缆施工√√√5161.1-表4.0.31 电缆管配制及敷设√√√5161.1-表4.0.21 电缆管配制及敷设√√5161.5-表1.0.22 电缆敷设√√√5161.1-表4.0.21 屋内电缆敷设√√5161.5-表2.0.22 屋外电缆敷设√√5161.5-表2.0.33 电力电缆终端头制作及安装√√√5161.1-表4.0.21 电力电缆终端制作及安装√√5161.5-表3.0.24 控制电缆终端制作及安装√√√5161.1-表4.0.21 控制电缆终端制作及安装√√5161.5-表3.0.3(土建部分项目划分表)工程编号工程名称验收单位本标准编号单位工程子单位工程分部工程子分部工程分项工程检验批施工单位勘测单位设计单位监理单位建设单位0 1综合楼√√√√表3.0.18-(4~8)1地基与基础工程√√√√表3.0.18-3 01土方√√√√表3.0.18-3 01定位及高程控制√√表3.0.18-2 01定位及高程控制√√表5.2.1 02挖方√√表3.0.18-2 01开挖√√表5.3.1 03填方√√表3.0.18-2 01土方回填√√表5.3.2 02桩基工程√√表3.0.18-3 01钢筋混凝土预制桩(打桩) √√表3.0.18-2 01钢筋混凝土预制桩(打桩) √√表5.4.20 03混凝土基础√√√表3.0.18-3 01垫层√√表3.0.18-2 01垫层√√表5.12.7 02基础模板√√表3.0.18-2 01模板安装√√表5.10.1 02模板拆除√√表5.10.3 03基础钢筋√√表3.0.18-2 01钢筋加工√√表5.10.4 02钢筋安装√√表5.10.54基础混凝土√√表3.0.18-2 01混凝土施工√√表5.10.7表4.0.1-1(续)工程编号工程名称验收单位本标准编号单位工程子单位工程分部工程子分部工程分项工程检验批施工单位勘测单位设计单位监理单位建设单位2混凝土外观及结构尺寸偏差√√表5.10.8 04沟道√√√表3.0.18-3 01沟道垫层√√表3.0.18-2 01垫层√√表5.12.7 02沟道模板√√表3.0.18-2 01模板安装√√表7.3.2 02模板拆除√√表5.10.3 03沟道钢筋√√表3.0.18-2 01钢筋加工√√表5.10.4 02钢筋安装√√表7.3.5 04沟道砌体√√表3.0.18-2 01沟道砌体√√表7.3.1 05沟道混凝土√√表3.0.18-2 01混凝土施工√√表5.10.7 0混凝土沟道外观尺寸偏差√√表7.3.8表4.0.1-1(续)工程编号工程名称验收单位本标准编号单位工程子单位工程分部工程子分部工程分项工程检验批施工单位勘测单位设计单位监理单位建设单位26沟道一般抹灰√√表3.0.18-2 01沟道一般抹灰√√表5.13.1 07钢构件焊接√√表3.0.18-2 01钢构件焊接√√表5.11.1 08盖板钢筋√√表3.0.18-2 01钢筋加工√√表5.10.4 02钢筋安装√√表5.10.5 09盖板混凝土√√表3.0.18-2 01混凝土施工√√表5.10.7 02混凝土盖板外观尺寸偏差√√表7.3.15 1钢盖板制作√√表3.0.18-2 01钢盖板制作√√表7.3.16 11盖板安装√√表3.0.18-2 01盖板安装√√表7.3.17 05主变基础√√√表3.0.18-3 01垫层√√表3.0.18-2表4.0.1-1(续)工程编号工程名称验收单位本标准编号单位工程子单位工程分部工程子分部工程分项工程检验批施工单位勘测单位设计单位监理单位建设单位1垫层√√表5.12.7 02模板√√表3.0.18-2 01模板安装√√表6.6.1 02模板拆除√√表5.10.3 03钢筋√√表3.0.18-2 01钢筋加工√√表5.10.4 02钢筋安装√√表5.10.5 04混凝土√√表3.0.18-2 01混凝土施工√√表5.10.7 02混凝土外观及结构尺寸√√表6.6.7 06支架基础√√√表3.0.18-3 01垫层√√表3.0.18-2 01垫层√√表5.12.7 02模板√√表3.0.18-2 01模板安装√√表6.2.2 02模板拆除√√表5.10.3 03钢筋√√表3.0.18-2表4.0.1-1(续)工程编号工程名称验收单位本标准编号单位工程子单位工程分部工程子分部工程分项工程检验批施工单位勘测单位设计单位监理单位建设单位1钢筋加工√√表5.10.4 02钢筋安装√√表5.10.5 04混凝土√√表3.0.18-2 01混凝土施工√√表5.10.7 02混凝土外观及结构尺寸√√表6.2.10 02主体工程√√√表3.0.18-3 01混凝土结构√√√表3.0.18-3 01模板√√表3.0.18-2 01模板安装√√表5.10.1 02模板拆除√√表5.10.3 02钢筋√√表3.0.18-2 01钢筋加工√√表5.10.4 02钢筋安装√√表5.10.5 03混凝土√√表3.0.18-2 01混凝土施工√√表5.10.7 02混凝土外观及结构尺寸√√表5.10.8 02砌体工程√√√表3.0.18-3表4.0.1-1(续)工程编号工程名称验收单位本标准编号单位工程子单位工程分部工程子分部工程分项工程检验批施工单位勘测单位设计单位监理单位建设单位1砖砌体√√表3.0.18-2 01砖砌体√√表5.9.1 03建筑装饰装修√√√表3.0.18-3 01地面√√√表3.0.18-3 01基层√√表3.0.18-2 01基层√√表5.12.8 02面层√√表3.0.18-2 01面层√√表5.12.17、22 02抹灰√√√表3.0.18-3 01一般抹灰√√表3.0.18-2 01一般抹灰√√表5.13.1 03门窗√√√表3.0.18-3 01木门安装√√表3.0.18-2 01木门安装√√表5.14.2 02金属门窗安装√√表3.0.18-2 01金属门窗安装√√表5.14.3、4 03特种门安装√√表3.0.18-2表4.0.1-1(续)工程编号工程名称验收单位本标准编号单位工程子单位工程分部工程子分部工程分项工程检验批施工单位勘测单位设计单位监理单位建设单位1特种门安装√√表5.14.7 04饰面砖√√√表3.0.18-3 01饰面砖粘贴√√表3.0.18-2 01饰面砖粘贴√√表5.17.2 05涂饰√√√表3.0.18-3 01水性涂料涂饰√√表3.0.18-2 01水性涂料涂饰√√表5.19.1 06细部√√√表3.0.18-3 01护栏和扶手制作与安装√√表3.0.18-2 01护栏和扶手制作与安装√√表5.20.4 04建筑屋面√√√表3.0.18-3 01屋面找平层√√表3.0.18-2 01屋面找平层√√表5.21.1 02屋面卷材防水层√√表3.0.18-2 01屋面卷材防水层√√表5.21.3 03屋面涂膜防水层√√表3.0.18-2 01屋面涂膜防水层√√表5.21.4表4.0.1-1(续)工程编号工程名称验收单位本标准编号单位工程子单位工程分部工程子分部工程分项工程检验批施工单位勘测单位设计单位监理单位建设单位4屋面细石混凝土防水层√√表3.0.18-2 01屋面细石混凝土防水层√√表5.21.5 05屋面工程细部构造√√表3.0.18-2 01屋面工程细部构造√√表5.21.10 06架空屋面√√表3.0.18-2 01架空屋面√√表5.21.11 05建筑给水、排水√√√表3.0.18-3 01室内给水系统√√√表3.0.18-3 01室内给水管道及配件安装√√表3.0.18-2 01室内给水管道及配件安装√√表5.23.1 02室内排水系统√√√表3.0.18-3 01室内排水管道及配件安装√√表3.0.18-2 01室内排水管道及配件安装√√表5.23.4 02雨水管道及配件安装√√表3.0.18-2 01雨水管道及配件安装√√表5.23.5 03卫生器具及配件安装√√√表3.0.18-3 01卫生器具安装√√表3.0.18-2表4.0.1-1(续)工程编号工程名称验收单位本标准编号单位工程子单位工程分部工程子分部工程分项工程检验批施工单位勘测单位设计单位监理单位建设单位1卫生器具安装√√表5.23.6 02卫生器具给水配件安装√√表3.0.18-2 01卫生器具给水配件安装√√表5.23.7 03卫生器具排水配件安装√√表3.0.18-2 01卫生器具排水配件安装√√表5.23.8 06建筑电气√√√表3.0.18-3 01电气照明安装工程√√√表3.0.18-3 01动力、照明配电箱(盘)安装√√表3.0.18-2 01动力、照明配电箱(盘)安装√√表5.24.1 02电线导管、电缆导管和线槽敷设√√表3.0.18-2 01电线导管、电缆导管和线槽敷设√√表5.24.2 03电线、电缆穿管和线槽敷线√√表3.0.18-2 01电线、电缆穿管和线槽敷线√√表5.24.3 04电缆头制作、接线和线路绝缘测试√√表3.0.18-2 01电缆头制作、接线和线路绝缘测试√√表5.24.5 05普通灯具安装√√表3.0.18-2 01普通灯具安装√√表5.24.6表4.0.1-1(续)工程编号工程名称验收单位本标准编号单位工程子单位工程分部工程子分部工程分项工程检验批施工单位勘测单位设计单位监理单位建设单位6专用灯具安装√√表3.0.18-2 01专用灯具安装√√表5.24.7 07开关、插座安装√√表3.0.18-2 01开关、插座安装√√表5.24.8 08建筑物照明通电试运行√√表3.0.18-2 01建筑物照明通电试运行√√表5.24.9 07通风与空调工程√√√表3.0.18-3 01通风机安装√√表3.0.18-2 01通风机安装√√表5.25.5 08支架安装√√√表3.0.18-3 01支架吊装√√表3.0.18-2 01支架吊装√√表6.4.40 2事故油池及排油管√√√√表3.0.18-(4~6、8)01事故油池及排油管√√√表3.0.18-3 01垫层√√表3.0.18-2 01垫层√√表5.12.7 02模板√√表3.0.18-2表4.0.1-1(续)工程编号工程名称验收单位本标准编号单位工程子单位工程分部工程子分部工程分项工程检验批施工单位勘测单位设计单位监理单位建设单位1模板安装√√表5.10.1 02模板拆除√√表5.10.3 03钢筋√√表3.0.18-2 01钢筋加工√√表5.10.4 02钢筋安装√√表5.10.5 04混凝土√√表3.0.18-2 01混凝土施工√√表5.10.7 02混凝土外观及结构尺寸√√表5.10.8 05砌体√√表3.0.18-2 01砖砌体√√表5.9.1 06抹灰√√表3.0.18-2 01一般抹灰√√表5.13.1 07排油管道安装√√表3.0.18-2 01排油管道安装√√表8.3.10 3站区道路、电缆沟、照明及其他工程√√√√表3.0.18-(4~8)1地基工程√√√√表3.0.18-3 01土方√√√√表3.0.18-3表4.0.1-1(续)工程编号工程名称验收单位本标准编号单位工程子单位工程分部工程子分部工程分项工程检验批施工单位勘测单位设计单位监理单位建设单位1定位及高程控制√√表3.0.18-2 01定位及高程控制√√表5.2.1 02挖方√√表3.0.18-2 01开挖√√表5.3.1 03填方√√表3.0.18-2 01土方回填√√表5.3.2 02桩基工程√√√√表3.0.18-3 01钢筋混凝土预制桩(打桩) √√表3.0.18-2 01钢筋混凝土预制桩(打桩) √√表5.4.20 02站区道路√√√表3.0.18-3 01 路基√√表3.0.18-2 01 路基√√表7.2.1 02 基层√√表3.0.18-2 01基层√√表7.2.2~表7.2.6 03面层√√表3.0.18-2 01混凝土施工√√表5.10.7 02水泥混凝土路面√√表7.2.7表4.0.1-1(续)工程编号工程名称验收单位本标准编号单位工程子单位工程分部工程子分部工程分项工程检验批施工单位勘测单位设计单位监理单位建设单位4 预制块(地砖)路面√√表3.0.18-2 01 预制块(地砖)路面√√表7.2.9 03电缆沟√√√表3.0.18-3 01砖砌体沟道√√√表3.0.18-3 01垫层√√表3.0.18-2 01垫层√√表5.12.7 02模板√√表3.0.18-2 01模板安装√√表7.3.2 02模板拆除√√表5.10.3 03钢筋√√表3.0.18-2 01钢筋加工√√表5.10.4 02钢筋安装√√表7.3.5 04混凝土√√表3.0.18-2 01混凝土施工√√表5.10.7 02混凝土外观及结构尺寸√√表7.3.8 05沟道砌筑√√表3.0.18-2 01沟道砌筑√√表7.3.1表4.0.1-1(续)工程编号工程名称验收单位本标准编号单位工程子单位工程分部工程子分部工程分项工程检验批施工单位勘测单位设计单位监理单位建设单位6一般抹灰√√表3.0.18-2 01一般抹灰√√表5.13.1 02混凝土沟道√√√表3.0.18-2 01垫层√√表3.0.18-2 01垫层√√表5.12.7 02模板√√表3.0.18-2 01模板安装√√表7.3.2 02模板拆除√√表5.10.3 03钢筋√√表3.0.18-2 01钢筋加工√√表5.10.4 02钢筋安装√√表7.3.5 04混凝土√√表3.0.18-2 01混凝土施工√√表5.10.7 02混凝土外观及结构尺寸√√表7.3.8 03盖板制作与安装√√√表3.0.18-3 01钢构件焊接√√表3.0.18-2 01钢构件焊接√√表5.11.1表4.0.1-1(续)工程编号工程名称验收单位本标准编号单位工程子单位工程分部工程子分部工程分项工程检验批施工单位勘测单位设计单位监理单位建设单位2钢筋√√表3.0.18-2 01钢筋加工√√表5.10.4 02钢筋安装√√表5.10.5 03混凝土√√表3.0.18-2 01混凝土施工√√表5.10.7 02混凝土外观及结构尺寸√√表7.3.15 04钢盖板制作√√表3.0.18-2 01钢盖板制作√√表7.3.16 05盖板安装√√表3.0.18-2 01盖板安装√√表7.3.17 04站区照明√√√表3.0.18-3 01电缆沟内电缆敷设√√表3.0.18-2 01电缆沟内电缆敷设√√表7.4.2 02配电箱(盘)安装√√表3.0.18-2 01配电箱(盘)安装√√表5.24.1 03电线导管、电缆管线槽敷设安装√√表3.0.18-2 01电线导管、电缆管线槽敷设安装√√表7.4.4表4.0.1-1(续)工程编号工程名称验收单位本标准编号单位工程子单位工程分部工程子分部工程分项工程检验批施工单位勘测单位设计单位监理单位建设单位4电线、电缆穿管和线槽敷线√√表3.0.18-2 01电线、电缆穿管和线槽敷线√√表5.24.3 05普通灯具安装√√表3.0.18-2 01普通灯具安装√√表5.24.6 06电缆头制作、接线和线路绝缘测试√√表3.0.18-2 01电缆头制作、接线和线路绝缘测试√√表5.24.5 07建筑物景观照明灯和庭院灯安装√√表3.0.18-2 01建筑物景观照明灯和庭院灯安装√√表7.4.8 08照明通电试运行√√表3.0.18-2 01照明通电试运行√√表5.24.90 4消防水池√√√√表3.0.18-(4~6、8)01地基与基础工程√√√√表3.0.18-3 01土方√√√√表3.0.18-3 01定位及高程控制√√表3.0.18-2 01定位及高程控制√√表5.2.1 02挖方√√表3.0.18-2 01开挖√√表5.3.1表4.0.1-1(续)工程编号工程名称验收单位本标准编号单位工程子单位工程分部工程子分部工程分项工程检验批施工单位勘测单位设计单位监理单位建设单位3填方√√表3.0.18-2 01土方回填√√表5.3.2 02桩基工程√√表3.0.18-3 01钢筋混凝土预制桩(打桩) √√表3.0.18-2 01钢筋混凝土预制桩(打桩) √√表5.4.20 03混凝土基础√√√表3.0.18-3 01垫层√√表3.0.18-2 01垫层√√表5.12.7 02基础模板√√表3.0.18-2 01模板安装√√表5.10.1 02模板拆除√√表5.10.3 03基础钢筋√√表3.0.18-2 01钢筋加工√√表5.10.4 02钢筋安装√√表5.10.5 04基础混凝土√√表3.0.18-2 01混凝土施工√√表5.10.7 02混凝土外观及结构尺寸偏差√√表5.10.8表4.0.1-1(续)工程编号工程名称验收单位本标准编号单位工程子单位工程分部工程子分部工程分项工程检验批施工单位勘测单位设计单位监理单位建设单位2主体工程√√√表3.0.18-31模板√√表3.0.18-21模板安装√√表5.10.12模板拆除√√表5.10.32钢筋√√表3.0.18-21钢筋加工√√表5.10.42钢筋安装√√表5.10.53混凝土√√表3.0.18-21混凝土施工√√表5.10.72混凝土外观及结构尺寸√√表5.10.84钢结构制作(安装)焊接√√表3.0.18-21钢结构制作(安装)焊接√√表5.11.13建筑装饰装修√√√表3.0.18-31抹灰√√√表3.0.18-31一般抹灰√√表3.0.18-21一般抹灰√√表5.13.12涂饰√√√表3.0.18-3表4.0.1-1(续)工程编号工程名称验收单位本标准编号单位工程子单位工程分部工程子分部工程分项工程检验批施工单位勘测单位设计单位监理单位建设单位1水性涂料涂饰√√表3.0.18-2 01水性涂料涂饰√√表5.19.10 5站区给水、排水√√√√表3.0.18-(4~8)1土方√√√√表3.0.18-3 01定位及高程控制√√表3.0.18-2 01定位及高程控制√√表5.2.1 02挖方√√表3.0.18-2 01开挖√√表5.3.1 03填方√√表3.0.18-2 01土方回填√√表5.3.22站区给水√√√表3.0.18-3 01给水管道安装√√表3.0.18-2 01给水管道安装√√表8.2.13站区排水√√√表3.0.18-3 01排水管道√√√表3.0.18-3 01排水管道安装√√表3.0.18-2 01排水管道安装√√表8.3.1表4.0.1-1(续)工程编号工程名称验收单位本标准编号单位工程子单位工程分部工程子分部工程分项工程检验批施工单位勘测单位设计单位监理单位建设单位2排水管沟及井池√√表3.0.18-2 01排水管沟及井池√√表8.3.2 02砖砌沟道√√√表3.0.18-3 01垫层√√表3.0.18-2 01垫层√√表5.12.7 02砖砌沟道√√表3.0.18-2 01砖砌沟道√√表7.3.1 03沟道一般抹灰√√表3.0.18-2 01沟道一般抹灰√√表5.13.1 03污水处理(化粪池)表3.0.18-3 01模板√√表3.0.18-2 01模板安装√√表5.10.1 02模板拆除√√表5.10.3 02钢筋√√表3.0.18-2 01钢筋加工√√表5.10.4 02钢筋安装√√表5.10.5 03混凝土√√表3.0.18-2表4.0.1-1(续)工程编号工程名称验收单位本标准编号单位工程子单位工程分部工程子分部工程分项工程检验批施工单位勘测单位设计单位监理单位建设单位1混凝土施工√√表5.10.7 02混凝土外观及结构尺寸√√表5.10.8 04砖砌体√√表3.0.18-2 01砖砌体√√表5.9.1 05一般抹灰√√表3.0.18-2 01一般抹灰√√表5.13.1 04盖板制作与安装√√√表3.0.18-3 01盖板模板√√表3.0.18-2 01盖板模板安装√√表7.3.9 02盖板模板拆除√√表5.10.3 02盖板钢筋√√表3.0.18-2 01盖板钢筋加工√√表5.10.4 02盖板钢筋安装√√表5.10.5 03盖板混凝土√√表3.0.18-2 01盖板混凝土施工√√表5.10.7 02盖板混凝土外观及结构尺寸√√表7.3.15 04钢盖板制作√√表3.0.18-2表4.0.1-1(续)工程编号工程名称验收单位本标准编号单位工程子单位工程分部工程子分部工程分项工程检验批施工单位勘测单位设计单位监理单位建设单位1钢盖板制作√√表7.3.16 05盖板安装√√表3.0.18-2 01盖板安装√√表7.3.17。
附件一:110kV~1000kV变电(换流)站土建工程施工质量验收及评定统一表式国家电网公司二○○八年五月目次编制说明表格填写说明质量验收及评定范围表说明变电站质量验收及评定范围(标准表)换流站质量验收及评定范围(标准表)一、检验批验收及工程评定统一表式1. 检验批标准表样及附件表2. 分项工程质量验收记录表3. 分部(子分部)工程质量验收记录表4. 单位(子单位)工程质量验收记录及评定表5. 通用建筑部分5.2 单位工程定位放线5.3 土石方与基坑工程5.4 地基处理与桩基工程5.5 地下建筑防水工程5.6 砌体工程5.7 混凝土结构工程5.8 钢结构工程5.9 地面与楼面工程5.10 抹灰工程5.11 门窗工程5.12 吊顶工程5.13 轻质隔墙工程5.14 饰面板(砖)工程5.15 幕墙工程5.16 涂饰工程5.17 裱糊工程5.18 装饰装修细部工程5.19 屋面工程5.20 建筑给水与排水工程5.21 建筑电气工程5.22 通风与空调工程5.23 电梯工程6 屋外配电装置土建工程6.2 构架6.3 基础与设备支架6.4 电缆沟道与直埋电缆排管6.5 独立避雷针7 水工建(构)筑物工程7.2 水池7.3 水泵房下部结构7.4 沉井8 屋外附属工程8.2 站内外道路工程8.3 护坡工程9 附录附录B 预埋件制作、安装质量标准附录C 钢筋焊接接头质量标准附录D 混凝土强度评定标准附录E 钢结构焊缝内部质量检测以及高强螺栓连接副紧固质量检测标准二、补充检验批记录表编制说明本表式为国家电网公司企业标准《110kV~1000kV变电(换流)站土建工程施工质量验收及评定规程》(Q/GDW 183—2008)的配套使用表式。
本表式适用于110kV~1000kV变电(换流)站土建工程(包括新建、扩建、改建)施工质量检查、试验、验收和单位工程质量评定,相应电压等级的开关站、串补站土建工程遵照使用。
110kV以下变电(换流)站等土建工程的施工质量检查、验收和单位工程质量评定,可参照使用。
变电站扩建工程建设质量验收与评价编译说明为规范和统一**35 kV **变电站扩建工程的施工质量检验、验收和单位工程质量评价,加强工程施工质量管控,确保工程质量,特制定本分表专门配制的。
本工程质量验收评价项目划分表根据工程实际及现行国家电力行业法律、法规、管理标准、技术规范及相关标准编制,符合国家标准及相关强制性标准的规定。
.** 35kV **变电站扩容扩容工程施工质量验收考核项目划分表分为单元工程、子单元工程、子工程、子工程、子工程和检验批。
检验批次质量验收记录中主要控制项目和一般项目的划分及“质量标准”的内容与《35kV ~ 110kV变电站工程施工质量验收评价规程》一致。
检验批是由一定数量的样品组成的试验体,按相同的生产条件或规定的方法采集检验;根据施工、质量控制和专业验收的需要,可分为施工段。
子项目按施工工艺、主要工种、材料划分,由一个或多个检验批次组成。
纳入子项目的检验批次应符合质量合格要求;纳入的检验批质量验收记录应当完整。
如模板子项、混凝土子项等。
子项目是根据专业性质和建筑位置确定的子项目的汇总。
施工质量验收和单位工程质量评价应当在建设单位自查评价的基础上进行;施工单位应当在隐蔽前通知有关单位验收,并形成隐蔽工程的检验评价文件;试块、试件及相关材料按规定进行见证取样检测;工程外观质量和结构尺寸质量由验收人员通过现场检查共同确认。
35kV**变电站扩建工程质量检验项目划分表(电气安装部分)(土建部分项目划分表)表4.0.1-1 (续)表4.0.1-1 (续)表4.0.1-1 (续)表4.0.1-1 (续)表4.0.1-1 (续)表4.0.1-1 (续)表4.0.1-1 (续)表4.0.1-1 (续)表4.0.1-1 (续)表4.0.1-1 (续)表4.0.1-1 (续)表4.0.1-1 (续)表4.0.1-1 (续)表4.0.1-1 (续)。
输变电工程初步设计内容深度规定110kV变电站分册国家电网公司输变电工程初步设计内容深度规定kV变电站)国家电网公司基建部XX年5月Q/—目次前言 1 1 范围 2 2 规范性引用文件 2 3 总则 3 4 总的部分 4概述 4 站址概况 5 技术原则及存在问题 6 主要技术经济指标 7 5 电力系统 8电力系统概述 8 建设规模 8 主要电气参数 9 电力系统图纸 9 计算项目及其深度要求 9 6 电气部分 10电气主接线 10 短路电流及主要设备选择 10 绝缘配合及过电压保护 11 电气总平面布置及配电装置 11 站用电及照明 11 防雷接地 11 电缆设施 12 电气部分图纸 12 计算项目及其深度要求 13 7二次系统 14系统继电保护及安全自动装置 14 系统调度自动化 15 系统及站内通信 16 变电站自动化系统 17 元件保护及自动装置 18 直流及交流不停电电源系统 18 其他二次系统 18 二次设备组柜及布置 19 二次系统图纸 19 计算项目及深度要求21 8 土建部分 21站区总布置与交通运输 21 建筑 24 结构 25 给排水 26 采暖通风与空气调节 27 土建部分图纸 28计算项目及其深度要求 31 9 消防部分 31概述 32 消防措施 32 消防给水系统 32 消防部分图纸 32 10 环境保护、水土保持和节能减排 33环境保护 33 水土保持 33 节能减排综述 33 11 劳动安全卫生 33 12 主要设备材料清册 33编制内容及要求 33 编制分项 34 13 专题报告 34试验研究项目 34 其它专题 35 14 概算部分 35概述 35 编制原则和依据 35 投资分析 36 概算表及附表、附件 36 15 附件37 附录本规定用词说明 38前言为贯彻落实公司“集团化运作、集约化发展、精益化管理、标准化建设”的要求,规范工程设计工作,提高设计能力,全面推广应用国家电网公司标准化建设成果,推进基建新技术应用,适应坚强智能电网的建设要求,对原《国家电网公司输变电工程初步设计内容深度规定》进行修订本次修订,紧紧围绕坚强智能电网建设,加强设计管理,强化应用全寿命周期管理理念和方法,依托“三个目录”,提高“三通一标”应用率,推进新技术、新设备、新材料、新工艺的应用,进一步提高工程设计的精益化、标准化水平本次修订,为适应电网建设新的要求,认真总结了目前输变电工程设计经验,广泛征求了网省公司、建设管理、设计、设计评审等单位的意见,深化和细化了电气、土建等相关内容,补充和扩展了二次系统和征地拆迁等相关内容,明确了智能变电站设计的相关要求对于在可行性研究阶段已确定的结论,如电力系统部分,本次修订进行了简化本规定共分15章,主要包括:范围、规范性引用文件、总则、总的部分、电力系统、电气部分、二次系统、土建部分、消防部分、环境保护、水土保持和节能减排、劳动安全卫生、主要设备材料清册、专题报告、概算部分、附件1Q/—国家电网公司输变电工程初步设计内容深度规定kV变电站)1 范围本规定适用于国家电网公司(66)kV变电站的新建、扩建和改建工程的设计本规定只对设计的内容深度做出要求,不作为各设计单位内部专业分工和卷册划分标准2 规范性引用文件除执行现行的国标、行标外,下列文件中的条款通过本规定的引用而成为本规定的条款凡是注日期的引用文件,其随后所有的修改(不包括勘误的内容)或修订版均不适用于本规定,然而,鼓励根据本规定达成协议的各方研究是否可使用这些文件的最新版本凡是不注日期的引用文件,其最新版本适用于本规定国家电网公司输变电工程通用设计国家电网公司输变电工程通用造价国家电网公司输变电工程通用设备国家电网公司输变电工程标准工艺国家电网公司标准化建设成果应用及管理办法国家电网公司标准化成果应用目录国家电网公司国家电网公司“两型一化”变电站设计建设导则国家电网公司基建新技术研究及应用集约化管理办法国家电网公司电网工程限额设计控制指标国家电网公司电网工程建设预算编制与计算标准国家电网公司变电站通用设计深化完善方案Q/ - 智能变电站技术导则及编制说明2Q/—Q/ -kV~kV智能变电站设计规范3 总则设计文件应遵守国家及其有关部门颁发的设计文件编制和审批办法的规定应执行国家规定的基本建设程序核准的可行性研究报告和设计基础资料是初步设计的前提条件设计文件应贯彻国家各项技术方针、政策及上级部门对工程建设的要求;应符合现行有关标准的规定;大力推广应用通用设计、通用造价、通用设备典型规范,贯彻“两型一化”变电站建设有关要求,积极应用新技术初步设计文件的内容 1 设计文件总目录 2 设计说明书 3设备材料清册 4 设计图纸5 专题报告 6 概算书 7 勘测报告 8 附件设计说明书内容 1 总的部分 2 电力系统 3 电气部分 4 二次系统 5 土建部分 6 消防部分7 环境保护、水土保持和节能减排 8 劳动安全卫生初步设计文件编制的一般要求3Q/—1 说明书、设备材料清册和概算书宜按A4版面出版设计图纸不宜大于1号设计说明书应包括设计总说明,各专业设计说明封面:写明项目名称、编制单位,编制年月扉页:写明设计人、校核人、审核人和批准人,并经上述人员签署或授权盖章2 对改扩建工程,应说明已建工程建设及规划情况,图纸应采用规定的图线标明已建、本期和远期规模3 初步设计文件中应包含外委项目的初步设计文件,主体设计单位应负责概算汇总对设计中的重大问题,应进行多方案的技术经济比较,提出推荐方案当进行专题论证时,应对各方案的技术优缺点、工程量及技术经济指标做详细论述如做经济比较时,应做到概算深度初步设计文件各部分具体的内容及深度要求,在以下各章节中分别说明4 总的部分概述工程设计的主要依据 1国家相关的政策、法规和规章 2工程设计有关的规程、规范3 *和上级有关部门批准、核准的文件4 可行性研究报告及评审文件5 设计中标通知书或委托文件6 城乡规划、建设用地、水土保持、环境保护、防震减灾、地质灾害、压覆矿产、文物保护、消防和劳动安全卫生等相关依据工程建设规模和设计范围 1 工程建设规模说明变压器容量、台数;无功补偿装置台数及容量;4Q/—各电压等级出线回路数;分期建设的情况2设计范围与分工说明本工程设计的范围和外部协作项目的分工界限对改扩建工程,尚应说明原有工程情况及其与本期工程的衔接和配合3 试验研究项目说明依托本工程开展的试验研究项目站址概况站址自然条件1 说明站址地理位置,工程所在地的省市、区县、乡镇街道的名称,站址距主要城镇的距离及相互位置关系简述站址周围自然与人文环境、道路、交通、市政基础设施与公共服务设施情况,以及四邻原有的和规划的重要建筑物等设施2 概述场地地形地貌;描述场地内原有土地情况,原有植被、沟渠、水塘、输电线路、通信设施、市政基础设施等情况,原有民房、坟墓、等建筑物及其拆迁情况;说明站址地下文物及矿藏分布情况3 站外交通运输及公路的引接概述站址区域公路、铁路、水运、航运现状及发展规划,进站道路引接公路的等级、路宽及路况环境影响评价结论说明本工程环境影响评价的主要批复意见及结论进出线走廊条件说明站址周围环境,出线走廊条件近远期出线规划情况,本期出线方向及出线情况征地拆迁及设施移改的内容结合站址自然条件及建站条件、进出线走廊情况,说明站址征地拆迁建筑及设施移改的内容具体应包括土地利用现状与类型,征地面积总量、房屋拆迁总量、林木砍伐总量、以及对工程投资有较大影响的其它重要移改设施总量工程地质、水文地质和水文气象条件 1 工程地质和水文地质5Q/—站区地形地貌、地层分布、地质构造、各层岩土的物理力学性质及主要指标,不良地质作用,软弱层和不稳定与特殊性岩土层的分布情况站区地震基本烈度及确定的依据,地震动峰值加速度地下水类型、埋深及对建筑材料腐蚀性的评价场地土类别和建筑物的场地类型 2 水文气象一般包括气温、气压、降雨量、湿度、蒸发量、日照、雷暴日数、风速和风向、积雪厚度、土壤冻结深度,以及大气污染说明站址频率为2%的高水位或历史最高内涝水位;或说明站址频率为2%的山洪流量根据需要,简述河流冲刷、山洪影响、站区周围场地汇水、水系环境变化等因素对站址防洪、排涝、排洪措施的影响技术原则及存在问题主要技术方案包括电气主接线、主要设备选择、配电装置布置型式、变电站运行管理模式、系统保护、调度自动化、通信、变电站自动化系统及其他二次系统、总平面及竖向布置、建筑方案等通用设计、通用设备、通用造价的应用对应标准化成果应用目录,说明通用设计、通用设备应用情况,并填写成果应用表;未采用时,应说明原因与通用造价进行投资对比分析,说明控制工程造价的措施表变电站通用设计、通用设备成果应用表电压等级主变台数及容量出线规模 kV断路器设备编号kV避雷器设备编号6工程概况设计方案通用设备Q/—35kV、10 kV开关柜开关柜设备编号注:表中设计方案号和模块、设备编号应对照《国家电网公司标准化成果应用目录》进行选取新技术、新设备、新工艺的应用说明新技术、新设备、新工艺应用情况说明控制工程造价的措施提请在设计评审时需解决或确定的主要问题1 有关城乡规划,建设用地、拆迁赔偿、水源、电源和道路等问题2 总概算存在的问题3 设计选用标准方面的问题4 主要设备标准及来源问题5 其他需要说明的问题主要技术经济指标主要技术方案和经济指标统计表序号 1 2 3 4 5 6 7 8 9 10 11 12 13 14 15项目主变压器规模,远期/本期,型式电压出线规模,远期/本期电压出线规模,远期/本期电压出线规模,远期/本期低压电容器规模,远期/本期电气主接线,远期/本期电气主接线,远期/本期电气主接线,远期/本期配电装置型式,断路器型式、数量配电装置型式,断路器型式、数量配电装置型式,断路器型式、数量地区污秽等级/设备选择的污秽等级运行管理模式智能变电站变电站系统通信方式、本期建设规模7技术方案和经济指标Q/—16 17 18 19 20 21 22 23 24 25 26 27 28 29 30 31 32 33 34 35 36 37 38 39 40 41 电力电缆控制电缆/ 光缆接地材料/长度变电站总用地面积围墙内占地面积进站道路长度新建/改造总土石方工程量及土石比挖方/填方弃土工程量/购土工程量边坡工程量护坡/挡土墙站内道路面积远期/本期电缆沟长度远期/本期水源方案站外供水/排水管线长度总建筑面积远期/本期主控通信楼建筑层数/面积/体积(层/m2/m3)构架结构型式及工程量地震动峰值加速度地基处理方案和费用动态投资静态投资建筑工程费用设备购置费用安装工程费用其他费用建设场地征用及清理费5 电力系统电力系统概述简述与变电站有关的电力系统现状及系统发展规划初步设计阶段应对可行性研究阶段确定的规模和设备参数等进行校核,如有重大变化时,应提出相应的论证报告建设规模主变规模8Q/—说明变电站已建、本期、远期主变规模出线规模变电站各电压等级出线回路数、方向和分期建设情况无功补偿装置已建、本期、远期低压侧装设的无功补偿设备,说明其型式、组数、分组容量和总容量等主要电气参数主要电气参数的确定应满足通用设备的选用要求,若不满足应重点论述主变型式及参数选择,包括绕组数、接线组别及阻抗参数等选择为满足电力系统各种运行方式的需要对主接线提出要求提出电力系统短路计算结果,包括电力系统归算到变电站有关电压母线的阻抗;电力系统中期或远景年归算到变电站有关电压母线的阻抗中性点接地方式选择及变压器中、低压侧接地电容电流计算结果电力系统图纸电力系统部分图纸目次序号 1 2图纸名称电力系统现状地理接线图电力系统规划地理接线图备注图纸深度要求 1 电力系统现状地理接线图表示现有主要电厂、变电站、电网的连接方式;主干线的走向、导线截面和长度2 电力系统规划地理接线图表示出与本工程设计方案有关的本期及规划电厂、变电站和线路等计算项目及其深度要求电力系统计算项目见表,具体工程可视需要增减计算书底稿不列入设计文件,一般只引述计算条件和计算结果,但必须存档妥善保存,以备查用9Q/—表电力系统计算项目目次表序号 1 2计算书深度相关设计、计算应给出明确的边界条件,如:变电站各电压侧的运行方式、线路杆塔参数等列出短路电流计算结果,归算出近期、远期归算至相关母线的系统阻抗计算项目远期、近期归算至相关母线的系统阻抗变压器中、低压侧接地电容电流计算备注必要时6 电气部分电气主接线简述变电站本期、远期建设规模数)对改扩建工程应分别说明工程规划规模、已建情况和本期建设规模电气主接线方案应与通用设计及“两型一化”变电站建设设计导则一致说明选用的通用设计方案,未采用时说明理由论述电气主接线方案说明各级电压中性点接地方式短路电流及主要设备选择说明短路电流计算的依据和条件,并列出短路电流计算结果说明导体和主要电气设备的选择原则和依据包括变电站自然条件、环境状况、污秽等级、地震烈度等说明通用设备应用情况未采用时应说明理由说明导体和主要电气设备的选择结果改、扩建工程应校验原设备当采用金属封闭气体绝缘组合电器10Q/—设备时,应论述其必要性当采用智能一次设备时,应论述其必要性并进行方案论证对电子式互感器,应分析技术经济合理性根据工程特点及运行的需求,提出设备状态检测范围与参量并提出各传感测量装置的安装方式必要时进行专题论述结合工程实际情况,提出新技术、新设备、新材料的应用因地制宜推广采用节能降耗、节约环保的新产品绝缘配合及过电压保护论述过电压保护措施,说明避雷器选型及其配置情况提出变电站电气设备外绝缘的爬电比距和绝缘子串的型式和片数选择电气总平面布置及配电装置说明各级电压出线走廊规划、站区自然环境因素等对电气总布置的影响电气总平面方案设计应与通用设计及“两型一化”变电站建设设计导则一致,并说明选用通用设计的方案及适应性依据,未采用通用设计时应说明理由说明电气总平面布置方案说明各级配电装置型式选择、间隔配置及远近期结合的合理性根据变电站所在地区地震烈度要求,说明电气设备的抗震措施站用电及照明说明站用工作/备用电源的引接及站用电接线方案说明站用负荷计算及站用变压器选择结果简要说明站用配电装置的布置及设备选型说明工作照明、事故照明、检修电源和消防电源等的供电方式,并说明主要场所的照明及其控制方式当选用清洁能源为照明电源时,应说明供电方式,论证其必要性及经济合理性防雷接地说明变电站的防直击雷保护方式提供变电站土壤电阻率和腐蚀性情况,说明接地材料选择、接地装置11Q/—设计技术原则及接触电势和跨步电势计算结果,需要采取特殊降阻、隔离措施时应详细说明并进行接地方案的技术经济比较说明二次设备对接地的要求电缆设施说明站区电缆构筑物型式及尺寸、电缆/光缆敷设方式的选择应说明电缆及其构筑物采取的防火和阻燃措施电气部分图纸电气专业图纸可参考表所示编制,各工程视具体情况确定表电气部分图纸目次序号1 2 3 4 5图纸深度要求 1 电气主接线图应表示主变压器与各级电压母线的连接表示各级电压的电气接线方式及设备配置情况表示中性点接地方式及补偿设备标注图中设备和导体的型号及其主要技术规范各级电压出线回路应标注名称应绘出远景接线示意图;对工程的原有部分、本期及预留扩建应加以区分2 电气总平面布置图应表明主要电气设备、站区建筑物、电缆隧道及道路等的布置应表示各级电压配电装置的间隔配置及进出线排列母线和出线宜标注相序布置图应表明方位、标注位置尺寸,并附必要的说明及图例3 各级电压配电装置平断面图应表示出配电装置的布置平面图应表示进出线排列及间隔配置;表示出通道、走廊等12图纸名称电气主接线图电气总平面布置图各级电压配电装置平断面图站用电接线图全站直击雷保护范围图比例- 1:: 1:: - 1::备注包括各比较方案~包括各比较方案~包括各比较方案~推荐总平面方案Q/—设施,并标注布置尺寸及母线和进出线相序屋内配电装置宜绘制配置接线断面图应按不同类型间隔出图,并表明设备安装位置、尺寸、标高、导线引接方式、电气距离校验等,且宜有本间隔的接线示意图4 站用电接线图应表示站用工作电源的引接方式应表示站用母线的接线方式标注开关柜型号、回路名称、主要设备及元件规范等5 全站直击雷保护范围图应表示需要进行保护的电气设备、建构筑物的平面布置,并标注其高度应表示避雷针的布置位置,并标注其高度应绘出对不同保护高度的保护范围宜将保护范围计算结果列表于图中计算项目及其深度要求电气部分计算项目见表,具体工程可视需要增减计算书底稿不列入设计文件,一般只引述计算条件和计算结果,但必须存档妥善保存,以备查用序号 1 2 3 4 5 6计算项目名称表电气部分计算项目目次备注工程需要时进行工程需要时进行短路电流计算及主要设备选择站用电负荷及站用变压器选择导体的电气及力学计算配电装置的电气校核计算接地计算防雷保护范围计算计算书深度1 短路电流计算及主要设备选择说明短路电流计算的依据和条件,并列出短路电流计算结果对导体和电器的动稳定、热稳定以及电器的开断电流应进行选择计算和校验本项计算的成品应包括:短路电流计算阻抗图、短路电流计算结果表13Q/—2 站用电负荷及站用变压器选择应进行站用电负荷统计和计算,并编制负荷计算及站用变压器容量选择表 3 导体的电气及力学计算应进行导体的电气及力学计算 4 配电装置的电气校核计算根据工程具体情况,对配电装置间隔宽度、架构的高度、宽度、母线最大弧垂以及各种状态的电气净距进行校验5 接地计算应计算接地电阻、接地装置截面、接触电势、跨步电势 6 防雷保护范围计算计算结果列入防雷保护范围图7二次系统系统继电保护及安全自动装置一次系统概况简述一次系统的概况和特点现状和存在的问题概述与本工程有关的系统继电保护现状,包括配置、通道使用情况、运行情况,并对存在的问题进行分析系统继电保护配置方案分析一次系统对继电保护配置的特殊要求,论述系统继电保护配置原则提出与本工程相关线路保护、母线保护、自动重合闸、故障录波器等的配置方案1对于线路改接,当对侧保护需要调整时,应提出相应的保护设备配置或改造方案2 当采用分布式母差、分布式故障录波时,应论述其必要性及实施方案3 当采用测控保护一体化装置时,应论述其必要性及实施方案备用电源自动投切装置根据需要提出各电压等级备用电源自动投切装置配置方案14Q/—对相关专业的技术要求 1 对通信通道的技术要求保护对通信通道的技术要求,包括传输时延、带宽、接口方式等 2 提出对电流及电压互感器、断路器、直流电源等的技术要求,当采用电子式互感器时,应论述保护对不同类型互感器的适应性及其解决方案3 当变电站采用智能设备时,应提出继电保护对过程层设备的接口要求和方案4提出系统继电保护与变电站自动化系统接口设计方案,说明继电保护设备通信规约要求,对于改扩建变电站,新配置继电保护装置规约与原有保护装置不一致时,应提出解决方案系统调度自动化现状及存在的问题概述与本工程相关的调度端能量管理系统、调度数据网络及安全防护等的现状及存在问题远动系统根据调度关系,提出远动系统配置方案,明确技术要求及远动信息采集范围和传输要求电能计量装置及电能量远方终端 1 现状及存在的问题简述与本工程有关的电能量计量系统现状及存在的问题 2 电能计量装置及电能量远方终端配置根据各相关电网电能量计量建设要求,提出本工程计费、考核关口计量点设置原则,明确关口表和电能量采集处理终端配置方案,提出电能量信息传送及通道配置要求当采用电子式互感器时,论述计费关口表适应性及精度要求调度数据通信网络接入设备根据相关调度端调度数据通信网络总体方案要求,分析本工程在网络中的作用和地位,提出本工程调度数据通信网络接入设备配置要求、网络接入方案和通道配置要求二次系统安全防护15Q/—根据相关调度端和变电站二次系统安全防护总体要求,分析本工程各应用系统与网络信息交换、信息传输和安全隔离要求,提出二次系统安全防护分区方案、设备配置要求及示意图相关调度端系统根据电网二次系统规划及可研结论,结合本工程建设情况、如需完善和改造相关调度端主站系统,初步设计阶段应根据合同要求同步开展相关单项工程设计,提出设备配置方案和投资概算系统及站内通信通信现状叙述与变电站相关的电力系统通信现状,包括传输型式、电路制式、电路容量、组网路由、设备配置、相关光缆情况等通道要求。
国家电网公司输变电工程标准工艺库(变电土建)项目划分表
项目 编 号 项目/工艺名称 工艺库内容
工艺库名称 子工
艺库名称 项目类别 项目名称 工艺类别 工艺编号 设计要求 施工工艺要点 图片示例 适用范围
01 变电工程标准工艺库
01 变电土建工程标准工艺库
01 通用建筑工程
01 建筑内墙面
01 0101010101 内墙涂料墙面
02 0101010102 内墙贴瓷砖墙面
02 窗台
01 0101010201 人造石
02 0101010202 预制水磨石
03 建筑内楼地面
01 0101010301 水泥地面
02 0101010302 细石混凝土地面
03 0101010303 贴通体砖地面
04 0101010304 水磨石地面
05 0101010305 自流平地面
06 0101010306 环氧树脂漆地坪
07
0101010307 石塑地板地面
08
0101010308 抗静电活动地板
09 0101010309 耐磨砼地面
04 建筑顶棚
01
0101010401 涂料顶棚
02
0101010402 吊顶顶棚(PVC板)
03
0101010403 吊顶顶棚(铝扣板)
05 建筑门窗
01
0101010501 木门
02 0101010502 钢门
03 0101010503 塑钢窗
04 0101010504 断桥铝合金窗
06 楼梯
01 0101010601 楼梯栏杆(含临空栏杆)
02 0101010602 楼梯防滑条
07 建筑外墙面
01
0101010701 外墙涂料墙面
02
0101010702
外墙贴砖墙面
03 0101010703 外墙干粘石墙面
08 踏步
01 0101010801 板材踏步
02 0101010802 细石混凝土踏步
03 0101010803 剁假石踏步
04 0101010804 水泥砂浆踏步
09 坡道
01 0101010901 细石混凝土坡道
02 0101010902 剁假石坡道
03 0101010903 水泥砂浆礓碴坡道
10 散水
01 0101011001 细石混凝土散水
11 栏杆(护栏)
01 0101011101 钢制护栏
02 0101011102 不锈钢(铝合金)护栏
12 建筑屋面
01 0101011201 卷材防水
02 0101011202 刚性防水
13 建筑电气
01 0101011301 吊杆式灯具
02 0101011302 嵌入式灯具
03 0101011303 吸顶式灯具
04 0101011304 壁灯
05 0101011305 专用灯具
06
0101011306 建筑室内配电箱、开关及插座
07
0101011307 室内接地
14 建筑通风
01 0101011401 屋顶风机
02 0101011402 墙体轴流风机
03 0101011403 通风百叶窗
15
建筑空调
01 0101011501 空调室内机布置
02 0101011502 空调室外机布置
03 0101011503 冷凝水
04 0101011504 室内外机连接及电气部分
16 建筑给水
01 0101011601 给水管道预留和预埋
02 0101011602 室内给水管道
03 0101011603 给水设备
17 建筑排水
01 0101011701 室内排水管道布置
02 0101011702 雨水管道明排
03 0101011703 雨水管道暗敷
04 0101011704 雨水管排水口
05 0101011705 地漏
06 0101011706 卫生器具(含大便器、小便器、洗手池和拖布池)
02 屋外配电装置土建
01 构架及基础
01 0101020101 构架梁
02 0101020102 构架柱(钢管结构)
03 0101020103 接地连接点
04 0101020104 变电构架基础
05 0101020105 保护帽(地面以上部分)
06 0101020106 独立避雷针
02 设备支架及基础
01 0101020201 设备支架
02 0101020202 现浇清水混凝土设备基础(电抗器、GIS等大体积砼)
03 0101020203 现浇清水混凝土设备基础(其它设备)
03 设备基础预埋件
01 0101020301 普通预埋件
02 0101020302 倒角预埋件
03 0101020303 设备支架接地连接点
04 主变压器
01 0101020401 现浇清水混凝土主变基础
02 0101020402 主变油池(含格栅等)
05 防火墙
01 0101020501 混凝土框架清水墙砌体防火墙
02 0101020502 现浇清水混凝土防火墙
03 0101020503 砂浆饰面防火墙
03 屋外场地工程
01 围墙
01 0101030101 清水砖墙
02 0101030102 砂浆饰面砌体墙
03 0101030103 围墙预制压顶
04 0101030104 围墙变形缝
05 0101030105 预制板墙
06 0101030106 格栅式围墙
02 标志墙
01 0101030201 标志墙
03 大门
01 0101030301 电动金属大门
04 道路及广场
01 0101030401 道路(郊区型)
02 0101030402 道路(城市型)
03 0101030403 路沿石
04 0101030404 场地砖(含细石混凝土、吸水砖等)
05 设备区场地
01 0101030501 碎石场地
02 0101030502 绿化场地
06 水工构筑物
01 0101030601 雨水口
02 0101030602 检查井
07 电缆沟
01 0101030701 砖砌体沟壁(含橡胶垫)
02 0101030702 现浇砼沟壁(含橡胶垫)
03 0101030703 预制压顶
04 0101030704 电缆支架(埋件、预埋螺栓等)
05 0101030705 电缆沟盖板
08 端子箱基础
01 0101030801 端子箱砌体基础
02 0101030802 端子箱现浇清水混凝土基础
09 厂区灯具
01 0101030901 普通灯具
02 0101030902 太阳能灯具
10 照明接地装置安装
01 0101031001 照明软线接地
02 0101031002 照明扁铁接地
11 灯具支座
01 0101031101 灯具预制混凝土基础
02 0101031102 灯具现浇清水混凝土基础
04 01 站区及主变消防
01 0101040101 消防给水
02 0101040102 SP泡沫灭火消防系统
注:
1.工艺库名称指:变电土建工程工艺标准库、变电电气工程工艺标准库、线路工程工艺标准库、电缆工程工艺标准库四部分。
2.子工艺库名称指:变电土建、电气工程指单位工程单位工程,线路工程指分部工程,电缆工程指单位工作。
3.项目类别指:变电土建、电气指子单位工程,线路工程指单元工程。
4.项目名称指:工艺控制项目。
03 0101040103 水喷雾灭火系统
04 0101040304 充氮灭火系统