铁硅铝磁粉芯主要技术指标及型号对照表
- 格式:xls
- 大小:300.00 KB
- 文档页数:6
名称:正品美国MAGNETICS铁硅铝磁芯77191A7材料:Kool Mu(铁硅铝磁芯)磁导率:26U,AL =60nH/N2尺寸:外径58.0mm,内径25.6mm,高度16.1mm净重:165克磁导率26U,AL:60,颜色:灰色对应行业料号:CSC CS571026;ARNOLD MS-226026-8;美磁简介:美磁是世界电子行业中居领先地位的精密软磁元件和材料的供应商。
其专注于研究,设计和生产范围广泛的高质量磁粉芯,粉末磁芯,铁氧体磁芯和绕带磁芯,应用于各类型扼流圈,电感器,滤波器,变压器,使用替代能源的供电系统,电信,航空航天,汽车,军事,计算机,医疗等电子系统。
产品特点:美磁的铁硅铝磁芯是一种具有均匀分布式气隙,在高频率下有较低损耗,由85%的铁,9%的硅,和6%的铝合金粉末所组成的磁芯。
•高饱和度(1.05 T);•磁芯损耗比铁粉芯低;•适量的成本;•低磁滞伸缩;•居里温度高;•高温下性能稳定;•各种可用形状(环形,E形,U形,块状,分段磁芯等) 。
用途:•铁硅铝磁芯非常适合用于开关电源中的储能滤波电感器。
与同样大小和磁导率的间隙铁氧体或铁粉芯相比,10,500高斯饱和度的铁硅铝磁芯提供更高的储存能量的能力。
•与铁粉芯相比,铁硅铝在高温下的表现较好,在一些应用中,使用铁硅铝也比用铁粉芯尺寸更小。
•在必须通过大型交流电压,而不产生饱和的噪音滤波电感器中,非常适合使用铁硅铝磁芯。
采用铁硅铝磁芯可缩小在线滤波器的尺寸,因为需要的匝数比使用铁氧体少。
铁硅铝还具有接近零的磁致伸縮系数,也就是说,在可听频率范围内噪音或在线电流的糙作中非常安静。
•高磁通密度和低磁芯损耗的特性,使铁硅铝磁芯非常适用于功率因数校正电路,以及单向驱动的应用,如回扫变压器,脉冲变压器。
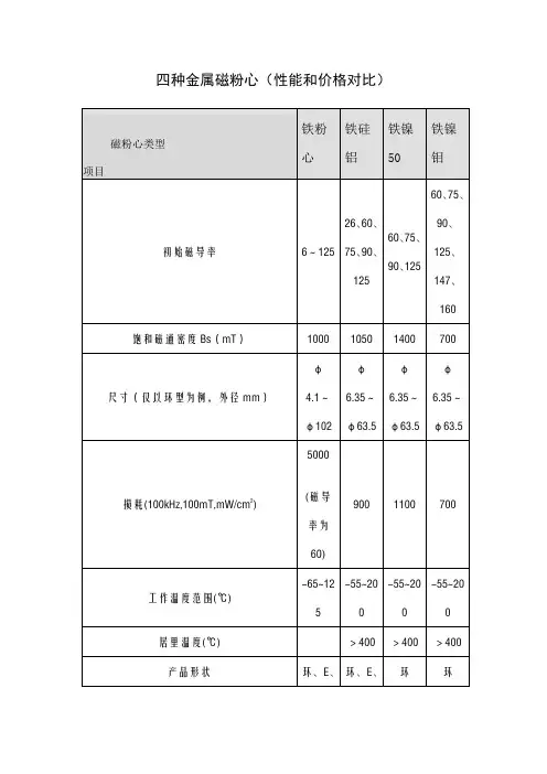
四种金属磁粉心(性能和价格对比)金属磁粉心与铁氧体材料应用对比应用之功率变压器材料典型频率范围(Hz)工作温度范围(℃)尺寸类型极限功率容量价格优(劣)特性MnZn铁氧体NiZn铁氧体10k~1M50k~1G-55~150-55~150Gu、环、E等极限尺寸为500cm3Gu、环、E等极限尺寸为250cm3低低低中高磁导率、高频低损耗(饱和磁通密度低)适中的磁导率和高频低损耗(饱和磁通密度低)高磁导率铁粉心中磁导率铁粉心—25k~1M1M~1G—-55~125-55~125—极限尺寸为350cm3极限尺寸为—中中—低低(高损耗,低磁导率)低损耗,良好的稳定性(磁导率低)低损耗,良好的稳定性(磁导率低)低磁导率铁粉心350cm3铁镍钼磁粉心铁镍50磁粉心铁硅铝磁粉心5k~200k5k~50k5k~200k-55~200-55~200-55~200环型极限外径到φ63.5mm环型极限外径到φ63.5mm环型极限外径到φ63.5mm中中中高高中非常稳定(低的磁导率限定该材料只能用到单端反激变压器上)非常稳定、高BS(低的磁导率限定该材料只能用到单端反激变压器上)非常稳定、高BS(低的磁导率限定该材料只能用到单端反激变压器上)应用之RF变压器材料典型频率范围(Hz)工作温度范围(℃)尺寸类型极限功率容量价格优(劣)特性MnZn铁氧体NiZn铁氧体1M~5M50k~1G-55~150-55~150大多为环、Gu和其他小类型环、Gu和其他小类型低低低中高磁导率、可调、高Q(稳定性很差)适合的磁导率、可调、在高频具有高Q值高磁导率铁粉心中磁导率铁粉心—1M~10M—-55~125—极限尺寸为350cm3—中—中(高损耗)良好的稳定性低损耗,良好的稳定性(磁导低磁导率铁粉心25k~1M-55~125 极限尺寸为350cm3中率低)铁镍钼磁粉心铁镍50磁粉心铁硅铝磁粉心5k~200k——-55~200——环型极限外径到φ63.5mm——低——高——非常稳定(与铁氧体相比具有低的磁导率,低的Q值)——应用之精密变压器材料典型频率范围(Hz)工作温度范围(℃)尺寸类型极限功率容量价格优(劣)特性MnZn铁氧体NiZn铁氧体10k~5M—-55~150—Gu、环、E等极限尺寸为500cm3—中—低—高磁导率、高频低损耗(饱和磁通密度低)(低磁导率)高磁导率铁粉心中磁导率铁粉心低磁导率铁粉心———————————————(低磁导率)(低磁导率)(低磁导率)铁镍钼磁粉心DC~500k -55~200 环型极限外径到φ63.5mm 非常低高低磁导率有益于高频下、高电叠加小信号传感器应用铁镍50磁粉心铁硅铝磁粉心————————————应用之纯电感材料典型频率范围(Hz)工作温度范围(℃)尺寸类型极限功率容量价格优(劣)特性MnZn铁氧体NiZn铁氧体10k~5M50k~1G-55~150-55~150Gu、环、E等极限尺寸为500cm3Gu、环、E等极限尺寸为250cm3低中低中高磁导率、高频低损耗、可调(饱和磁通密度低,稳定性很差)适中的磁导率和高频低损耗、可调(饱和磁通密度低)高磁导率铁粉心中磁导率铁粉心低磁导率铁粉心1k~5050k~2M25k~1M-55~125-55~125-55~125环型极限外径到φ63.5mm极限尺寸为350cm3极限尺寸为350cm3高高高低低中高Bs、低价格(损耗高,磁导率低)低损耗,良好的稳定性(磁导率低)低损耗,良好的稳定性(磁导率低)铁镍钼磁粉心DC~300k -55~200 环型极限外径到φ63.5mm环型极限外径到φ高高非常稳定、高BS、低磁滞损耗,是金属磁粉心中损耗最低的低损耗、良好的稳定性(低的磁导率)铁镍50磁粉心铁硅铝磁粉心DC~100kDC~300k-55~200-55~20063.5mm环型极限外径到φ63.5mm极高高高中低损耗、良好的稳定性(低的磁导率)应用之纯电感材料典型频率范围(Hz)工作温度范围(℃)尺寸类型极限功率容量价格优(劣)特性MnZn铁氧体NiZn铁氧体10k~5M50k~1G-55~150-55~150Gu、环、E等极限尺寸为500cm3Gu、环、E等极限尺寸为250cm3低中低中高磁导率、高频低损耗、可调(饱和磁通密度低,稳定性很差)适中的磁导率和高频低损耗、可调(饱和磁通密度低)高磁导率铁粉心中磁导率铁粉心低磁导率铁粉心1k~5050k~2M25k~1M-55~125-55~125-55~125环型极限外径到φ63.5mm极限尺寸为350cm3极限尺寸为350cm3高高高低低中高Bs、低价格(损耗高,磁导率低)低损耗,良好的稳定性(磁导率低)低损耗,良好的稳定性(磁导率低)铁镍钼磁粉心DC~300k -55~200 环型极限外径到φ高高非常稳定、高BS、低磁滞损耗,铁镍50磁粉心铁硅铝磁粉心DC~100kDC~300k-55~200-55~20063.5mm环型极限外径到φ63.5mm环型极限外径到φ77.2mm极高高高中是金属磁粉心中损耗最低的低损耗、良好的稳定性(低的磁导率)低损耗、良好的稳定性(低的磁导率)。
国内外铁硅铝磁粉芯产品对比1.前言随着电子和通讯行业的迅猛发展,磁性材料成为其发展的支柱材料之一。
其中磁粉芯产品在开关电源、滤波器、各种电路以及各种电感元件的应用越来越广,并且元器件向高频化和高性价比方向发展,这要求磁粉芯产品高频性能和性价比的提高。
高频化要求磁粉芯具有高频下导磁率变化小、损耗小;高性价比要求磁粉芯对现有产品技术升级以提高性能或降低磁粉芯成本。
综合而言,新的发展方向要求开发新一代的磁粉芯。
目前市场预期最高的是非晶磁粉芯,由于其非晶特性带来的一系列优异的软磁特性和电特性,有望满足市场新的发展需求或代替市场上现有部分产品。
2.性能测试及特点就磁粉芯而言,衡量其性能的参数有损耗、直流偏置等:损耗测试:B-H分析仪,设备厂家及型号:日本岩崎8232。
2.1铁硅铝损耗测试及比较表1 各厂家FeSiAl磁粉芯损耗性能比较厂家磁导率损耗(mW/cm3)(0.1T,100KHz)规格CSC 125/90/75/60 500 Φ22.9 美磁125/90/75/60 828 Φ22.9 湖州科达125/90/75/60 781 Φ22.9 本案125/90/75/60 480 Φ22.90.050.060.070.080.090.1010100损耗(m W /c m 3)磁感应强度(T)f=50k f=100k磁导率=60/75/90/125图1 本案FeSiAl 磁粉芯损耗性能2.2直流偏置特性测试及比较1010020406080100磁导率=60 磁导率=75 磁导率=90 磁导率=125 磁导率=137电感相对变化(%)磁场(Oe)图2 本案FeSiAl 磁粉芯直流偏置特性表2 各厂家FeSiAl 磁粉芯(μ=125)直流偏置性能比较厂家 磁导率 直流偏置(电感下降50%对应的外场)规格 CSC 125 38 Φ22.9 美磁 125 32 Φ22.9 湖州科达 125 37 Φ22.9 本案12543Φ22.9表3 各厂家FeSiAl磁粉芯(μ=60)直流偏置性能比较厂家磁导率直流偏置(电感下降50%对应的外场)规格CSC 60 85 Φ22.9 美磁60 75 Φ22.9 湖州科达60 85 Φ22.9 本案60 85 Φ22.92.3磁导率规格及测试比较表4 各厂家FeSiAl磁粉芯各种规格比较磁导率规格CSC 美磁湖州科达本案60 有有有有75 有有有有90 有有有有125 有有有有147 无无无有3. 产品经济性计算表4 各厂家FeSiAl磁粉芯材料成本比较厂家磁导率材料成本CSC 125/90/75/60 -美磁125/90/75/60 -湖州科达125/90/75/60 -本案125/90/75/60 30元/公斤Welcome To Download !!!欢迎您的下载,资料仅供参考!。
如何选择合适的金属磁粉芯磁导率对于电感器,如选用金属磁粉芯,就需要面对磁导率的选择问题。
现在以一个22uH@3A 的设计理论计算下选择不同磁导率的区别1,输入条件磁芯KS068特性AE 0.232104-⋅:=Le 4.14:=Ve 0.96:=AL_2619109-⋅:=I 3:=ΔI 0.6:=Fsw 300:=AL_6043109-⋅:=AL_7553109-⋅:=AL_9064109-⋅:=AL_12589109-⋅:=D 0.7:=2计算圈数,N_choose2635:=N_choose6024:=N_choose7523:=N_choose9021:=3核算设计,L0_26AL_26N_choose262⋅ 2.328105-⨯=:=L0_60AL_60N_choose602⋅ 2.477105-⨯=:=L0_75AL_75N_choose752⋅ 2.804105-⨯=:=L0_90AL_90N_choose902⋅ 2.822105-⨯=:=L0_125AL_125N_choose1252⋅ 2.884105-⨯=:=结论:选用不同的磁导率,通过绕制不同的圈数,都可以满足电性能要求4,计算漆包线损耗MLT 24.63:=P_cu_26I 2R_26⋅0.015=:=P_cu_60I 2R_60⋅0.01=:=P_cu_75I 2R_75⋅9.884103-⨯=:=P_cu_90I 2R_90⋅9.024103-⨯=:=P_cu_125I 2R_125⋅7.735103-⨯=:=P_cv60ΔB_6010⋅2⎛ ⎝⎫⎪⎭2.2254.584Fsw ⋅0.0238Fsw1.966+()⋅27.301=:=P_core60P_cv60Ve ⋅103-⋅0.026=:=P_60P_core60P_cu_60+0.037=:=P_core75P_cv75Ve ⋅103-⋅0.029=:=P_75P_core75P_cu_75+0.039=:=P_core90P_cv90Ve ⋅103-⋅0.035=:=P_90P_core90P_cu_90+0.044=:=P_core125P_cv125Ve ⋅103-⋅0.05=:=P_125P_core125P_cu_125+0.057=:=6,设计总结22uH@3A 100KHz 的应用条件,相关参数对比如下磁芯圈数L_0A(uH)L_3A(uH)P_cu(W)P_core(W)P(W)KS068-263523.322.580.0150.0050.02KS068-602424.722.970.010.00550.0155KS068-752328.124.610.00980.00610.0159KS068-902128.224.420.00910.00740.0165KS068-1251828.824.140.00770.010.017722uH@3A 200KHz 的应用条件,相关参数对比如下磁芯圈数L_0A(uH)L_3A(uH)P_cu(W)P_core(W)P(W)KS068-263523.322.580.0150.0140.029KS068-602424.722.970.010.0140.024KS068-752328.124.610.00980.0160.0258KS068-902128.224.420.00910.0190.0281KS068-1251828.824.140.00770.0270.034722uH@3A 300KHz 的应用条件,相关参数对比如下磁芯圈数L_0A(uH)L_3A(uH)P_cu(W)P_core(W)P(W)KS068-263523.322.580.0150.0270.042KS068-602424.722.970.010.0260.036KS068-752328.124.610.00980.0290.0388KS068-902128.224.420.00910.0350.0441KS068-1251828.824.140.00770.050.0577如果要做到损耗最低,磁导率选择60/75是比较好的选择。
ROHSISO9001:2000通过国家认证——全系列铁硅铝、铁硅磁粉芯生产供给商中国·浙江·海宁市伊尔曼格电子Haining Electronic-Magnetics CO., .Zhejiang<< 公司简介(中文)中国·浙江·海宁市伊尔曼格电子(Haining Electronic-Magnetics CO.,)中国·浙江·海宁市伊尔曼格电子(Hai Ning Electronic ., LTD)是一家集研发、生产、销售、效劳于一体的高科技企业。
公司总部设在浙江省海宁市科技创业中心,生产基地座落于国家批准的浙江省海宁磁芯城(盐官镇),交通便利,信息畅通。
公司要紧产品有铁硅铝磁粉芯,铁硅磁粉芯,新型铁粉芯等,产品技术效劳领域涉及开关电源、UPS 电源、液晶电视、汽车ABS、电力、电子、通信、仪器及自动化操纵等行业,专门是铁硅铝磁粉芯-2六、-40、-60、-7五、-90、-125及铁硅磁粉芯-14、-2六、-40、-60、-7五、-90、-125、-147的研制成功与生产,填补了国内该领域的空白,成为国内首家全系列铁硅铝磁粉芯、铁硅磁粉芯产品的生产供给商。
公司是上海大学、上海电器科学研究所、天通电子股分有限公司等多名理论基础坚实,实践体会丰硕的教授、高级工程师及工程师基础上创建的,还吸收了多名其他学校毕业生,技术力量雄厚;同时由一些有卓越技术专长知识、体会丰硕的销售人员为客户提供技术支撑与效劳,现已拥有一批国内外客户!公司拥有大块合金粉碎机;高性能粉碎机;新型制粉设备;大压力压机;高温热处置炉;高真空高温烧结炉等要紧设备和多种相关测试仪器设备。
还与浙江大学、南京大学、西安交通大学及其研究所等成立了合作关系,为产品质量提供了保证。
公司提倡“精心设计,精心制造,质量第一,用户至上”的宗旨,贯彻“科学求实、创新高效,争创金属磁粉芯闻名品牌”的质量方针。
磁芯材料知识类型:管理经验谈发布人: 发布尔日期: 2016-9-6 11:35:08摘要:1.磁芯材料基本概念 ui 值磁芯的初始透磁率,表示材料对于磁力线的容纳与传导能力。
(ui=B/H) AL 值:电感系数. 表示CORE成品所具备的帮助线圈产生电感的能力.其数值等于单1.磁芯材料基本概念ui 值磁芯的初始透磁率,表示材料对于磁力线的容纳与传导能力。
(ui=B/H)AL 值:电感系数. 表CORE 成品所具备的帮助线圈产生电感的能力.其数值等于单匝电感值,单位是nH/N2 .磁滞回线:1﹕B-H CURVES (磁滞曲线)Bms:饱和磁束密度﹐表示材料在磁化过程中﹐磁束密度趋于饱和状态的物理量﹐磁感应强度单位﹕特斯拉=104 高斯﹒我们对磁芯材料慢慢外加电流,磁通密度(磁感应强度)也会跟着增加,当电流加至某一程度时我们会发现磁通密度会增加很慢,而且会趋近一渐进线,当趋近这一渐进线时这个时候的磁通密度我们就称为的饱和磁通密度(Bms)Bms 高:表明相同的磁通需要较小的横截面积,磁性组件体积小Brms:残留磁束密度﹐也叫剩余磁束密度﹐表示材料在磁化过程结束以后﹐外磁场消失﹐而材料内部依然尚存少量磁力线的特性Hms:能够使材料达到磁饱和状态的最小外磁场强度﹐单位﹕A/m=104/2π奥斯特﹒Hc:矫顽力﹐也叫保持力﹐是磁化过程结束以后﹐外磁场消失,因残留磁束密度而引起的剩余磁场强度﹒因为剩余磁场的方向与磁化方向一致﹐所以﹐必须施加反向的外部磁场﹐才可以使残留磁束密度减小到零﹒从磁滞回线我们可以看出:剩磁大,表示磁芯ui 值高。
磁滞回线越倾斜,表示Hms 越大磁芯的耐电流大。
矫顽力越大,磁芯的功率损耗大。
铁粉芯:铁粉芯是磁芯材料四氧化三铁的通俗说法,主要成分是氧化铁,价格比较低,饱和磁感应强度在1.4T 左右:磁导率范围从22-100,初始磁导率ui 值随频率的变化稳定性好,直流电流迭加性能好,但高频下消耗高。
Amidon公司铁粉芯环形磁芯型号规格表材料序号基本铁粉材料磁导率μ温度稳定性(ppm/℃)谐振电路频率范围(MHz)颜色标记0酚醛10 838电子100.0 - 300.0黄褐色1C型 羰基202800.5 - 5.0Blue蓝色2E型 羰基1095 2.0 - 30.0Red红色3HP型 羰基353700.05 - 0.5Grey灰色6SF型 羰基83510.0 - 50.0Yellow黄色7TH型 羰基930 5.0 - 35.0White白色10W型 羰基615030.0 - 100.0Black黑色12合成氧化物4170*50.0 - 200.0Green/White绿/白色15GS6型 羰基251900.10 - 2.0Red/White红/白色17羰基45050.00 - 200.0Blue/Yellow蓝/黄色26特殊75882低频滤波器,扼流圈Yellow/White黄/白色材料序号:0 -- 磁导率 1, 频率范围 100 MHz - 300 MHz, 颜色 - 黄褐色型号外径.(英寸)内径(英寸)高(英寸)l e 磁路长度(cm)A e 截面积(cm)2V e 磁芯有效体积(cm)3A L值µh/100圈T-12-0.125.062.050.74.010.007 3.0 T-16-0.160.078.060.95.016.015 3.0 T-20-0.200.088.070 1.15.025.029 3.5 T-25-0.255.120.096 1.50.042.063 4.5 T-30-0.307.151.128 1.83.065.119 6.0 T-37-0.375.205.128 2.32.070.162 4.9 T-44-0.440.229.159 2.67.107.286 6.5 T-50-0.500.303.190 3.03.121.367 6.4 T-68-0.690.370.190 4.24.196.8317.5 T-80-0.795.495.250 5.15.242 1.2468.5 T-94-0.942.560.312 6.00.385 2.31010.6 T-106-0 1.060.570.437 6.50.690 4.48519.0 T-130-0 1.300.780.4378.29.730 6.05215.0材料序号:1 -- 磁导率 20, 频率.范围 0.5 MHz 到 5 MHz, 颜色 - 蓝色型号外径.(英寸)内径(英寸)高(英寸)l e 磁路长度(cm)A e 截面积(cm)2V e 磁芯有效体积(cm)3A L值µh/100圈T-12-1.125.062.050.74.010.00748 T-16-1.160.078.060.95.016.01544T-20-1.200.088.070 1.15.025.02952 T-25-1.255.120.096 1.50.042.06370 T-30-1.307.151.128 1.83.065.11985 T-37-1.375.205.128 2.32.070.16280 T-44-1.440.229.159 2.67.107.286105 T-50-1.500.303.190 3.03.121.367100 T-68-1.69.370.190 4.24.196.831115 T-80-1.795.495.250 5.15.242 1.246115 T-94-1.942.560.312 6.00.385 2.310160 T-106-1 1.060.570.437 6.50.690 4.485325 T-130-1 1.300.780.4378.29.730 6.052200 T-157-1 1.570.950.57010.05 1.14011.457320 T-184-1 1.840.950.71011.12 2.04022.685500 T-200-1 2.000 1.250.55012.97 1.33017.250250材料序号:2 -- 磁导率 10, 频率范围 2 MHz 到 30 MHz, 颜色 - 红色型号外径.(英寸)内径(英寸)高(英寸)l e 磁路长度(cm)A e 截面积(cm)2V e 磁芯有效体积(cm)3A L值µh/100圈T-12-2.125.062.050.74.010.00720 T-16-2.160.078.060.95.016.01522 T-20-2.200.088.070 1.15.025.02925 T-25-2.255.120.096 1.50.042.06334 T-30-2.307.151.128 1.83.065.11943 T-37-2.375.205.128 2.32.070.16240 T-44-2.440.229.159 2.67.107.28652 T-50-2.500.303.190 3.03.121.36749 T-68-2.690.370.190 4.24.196.83157 T-80-2.795.495.250 5.15.242 1.24655 T-94-2.942.560.312 6.00.385 2.31084 T-106-2 1.060.780.437 6.50.690 4.485135 T-130-2 1.300.950.4378.29.730 6.052110 T-157-2 1.570.950.57010.05 1.14011.457140 T-184-2 1.840 1.250.71011.12 2.04022.685240 T-200-2 2.000 1.250.55012.97 1.33017.250120 T-200A-2 2.000 1.405 1.00012.97 2.24029.050218 T-225-2 2.250 1.485.55014.56 1.50821.956120 T-225A-2 2.250 1.250 1.00014.56 2.73039.749215 T-300-2 3.058 1.925.50019.83 1.81035.892114 T-300A-2 3.048 1.925 1.00019.83 3.58070.991228 T-400-2 4.000 2.250.65024.93 3.66091.244180T-400A-2 4.000 2.250 1.30024.937.432185.250360 T-520-2 5.200 3.080.80033.16 5.460181.000207材料序号:3 -- 磁导率 35, 频率范围 0.05 MHz 到 0.5 MHz, 颜色 - 灰色型号外径.(英寸)内径(英寸)高(英寸)l e 磁路长度(cm)A e 截面积(cm)2V e 磁芯有效体积(cm)3A L值µh/100圈T-12-3.125.062.050.74.010.00760 T-16-3.160.078.060.95.016.01561 T-20-3.200.088.070 1.15.025.02976 T-25-3.255.120.096 1.50.042.063100 T-30-3.307.151.128.183.065.119140 T-37-3.375.205.128 2.32.070.162120 T-44-3.440.229.159 2.67.107.286180 T-50-3.500.303.190 3.03.121.367175 T-68-3.690.370.190 4.24.196.831195 T-80-3.795.495.250 5.15.242 1.246180 T-94-3.942.560.312 6.00.385 2.310248 T-106-3 1.060.570.437 6.50.690 4.485450 T-130-3 1.300.780.4378.29.730 6.052350 T-157-3 1.570.950.57010.05 1.14011.457420 T-184-3 1.840.950.71011.12 2.04022.685720 T-200-3 2.000 1.250.55012.97 1.33017.250425 T-200A-3 2.000 1.250 1.00012.97 2.24029.050460 T-225-3 2.250 1.405.55014.56 1.50821.956425材料序号:6-- 磁导率 8, 频率范围 10 MHz 到 50 MHz, 颜色 - 黄色型号外径.(英寸)内径(英寸)高(英寸)l e 磁路长度(cm)A e 截面积(cm)2V e 磁芯有效体积(cm)3A L值µh/100圈T-12-6.125.062.050.74.010.00717 T-16-6.160.078.060.95.016.01519 T-20-6.200.088.070 1.15.025.02922 T-25-6.255.120.096 1.50.042.06327 T-30-6.307.151.128.183.065.11936 T-37-6.375.205.128 2.32.070.16230 T-44-6.440.229.159 2.67.107.28642 T-50-6.500.303.190 3.03.121.36746 T-68-6.690.370.190 4.24.196.83147 T-80-6.795.495.250 5.15.242 1.24645 T-94-6.942.560.312 6.00.385 2.31070 T-106-6 1.060.570.437 6.50.690 4.485116 T-130-6 1.300.780.4378.29.730 6.05296T-157-6 1.570.950.57010.05 1.14011.457115 T-184-6 1.840.950.71011.12 2.04022.685195 T-200-6 2.000 1.250.55012.97 1.33017.250100 T-200A-6 2.000 1.250 1.00012.97 2.24029.050180 T-225-6 2.250 1.405.55014.56 1.50821.956100材料序号:7 -- 磁导率 9, 频率范围 3 MHz 到 35 MHz, 颜色 - 白色型号外径.(英寸)内径(英寸)高(英寸)l e 磁路长度(cm)A e 截面积(cm)2V e 磁芯有效体积(cm)3A L值µh/100圈T-25-7.255.120.096 1.50.042.06329 T-37-7.375.205.128 2.32.070.16232 T-50-7.500.303.190 3.03.121.36743 T-68-7.690.370.190 4.24.196.83152材料序号:10-- 磁导率 6, 频率范围 30 MHz 到 100 MHz, 颜色 - 黑色型号外径.(英寸)内径(英寸)高(英寸)l e 磁路长度(cm)A e 截面积(cm)2V e 磁芯有效体积(cm)3A L值µh/100圈T-12-10.125.062.050.74.010.00712 T-16-10.160.078.060.95.016.01513 T-20-10.200.088.070 1.15.025.02916 T-25-10.255.120.096 1.50.042.06319 T-30-10.307.151.128.183.065.11925 T-37-10.375.205.128 2.32.070.16225 T-44-10.440.229.159 2.67.107.28633 T-50-10.500.303.190 3.03.121.36731 T-68-10.690.370.190 4.24.196.83132 T-80-10.795.495.250 5.15.242 1.24632 T-94-10.942.560.312 6.00.385 2.31058材料序号:12-- 磁导率 4, 频率范围 50 MHz 到 200 MHz, 颜色 -绿白色型号外径.(英寸)内径(英寸)高(英寸)l e 磁路长度(cm)A e 截面积(cm)2V e 磁芯有效体积(cm)3A L值µh/100圈T-12-12.125.062.050.74.010.0077.5 T-16-12.160.078.060.95.016.0158.0 T-20-12.200.088.070 1.15.025.02910 T-25-12.255.120.096 1.50.042.06312.0 T-30-12.307.151.128.183.065.11916.0 T-37-12.375.205.128 2.32.070.16215.0 T-44-12.440.229.159 2.67.107.28618.5 T-50-12.500.303.190 3.03.121.36718.0 T-68-12.690.370.190 4.24.196.83121.0T-80-12.795.495.250 5.15.242 1.24622.0 T-94-12.942.560.312 6.00.385 2.31032.0材料序号:15-- 磁导率 25, 频率范围 0.1 MHz 到 2.0 MHz, 颜色 - 红色白色型号外径.(英寸)内径(英寸)高(英寸)l e 磁路长度(cm)A e 截面积(cm)2V e 磁芯有效体积(cm)3A L值µh/100圈T-12-15.125.062.050.74.010.00750 T-16-15.160.078.060.95.016.01555 T-20-15.200.088.070 1.15.025.02965 T-25-15.255.120.096 1.50.042.06385 T-30-15.307.151.128.183.065.11993 T-37-15.375.205.128 2.32.070.16290 T-44-15.440.229.159 2.67.107.286160 T-50-15.500.303.190 3.03.121.367135 T-68-15.690.370.190 4.24.196.831180 T-80-15.795.495.250 5.15.242 1.246170 T-94-15.942.560.312 6.00.385 2.310200 T-106-15 1.060.570.437 6.50.690 4.485345 T-130-15 1.300.780.4378.29.730 6.052250 T-157-15 1.570.950.57010.05 1.14011.457360材料序号:17-- 磁导率 4, 频率范围 20 MHz 到 200 MHz, 颜色 - 蓝色与黄色型号外径.(英寸)内径(英寸)高(英寸)l e 磁路长度(cm)A e 截面积(cm)2V e 磁芯有效体积(cm)3A L值µh/100圈T-12-17.125.062.050.74.010.0077.5 T-16-17.160.078.060.95.016.0158.0 T-20-17.200.088.070 1.15.025.02910.0 T-25-17.255.120.096 1.50.042.06312.0 T-30-17.307.151.128.183.065.11916.0 T-37-17.375.205.128 2.32.070.16215.0 T-44-17.440.229.159 2.67.107.28618.5 T-50-17.500.303.190 3.03.121.36718.0 T-68-17.690.370.190 4.24.196.83121.0 T-80-17.795.495.250 5.15.242 1.24632.0 T-90-17.942.560.312 6.00.385 2.31032.0。