25岩石渗透率讲解
- 格式:pptx
- 大小:833.29 KB
- 文档页数:30
第三章岩石密度、孔隙度和渗透率3.1岩石的密度密度是岩石的一种固有性质。
岩石密度是决定重力场的一个基本物理参数。
密度又对岩石的其它许多物性有着重要影响,如弹性波速度、岩石强度、导电性和孔隙度等。
岩石密度是重力法勘探和地震勘探中一个主要参数。
在地壳中由于所经历的地质作用不同,所形成的岩石,其密度也具有相应变化。
因此岩石密度不但是地球物理学研究的基本参数,也是研究地质问题的很重要信息。
3.1.1密度的有关定义有关岩石密度的术语和定义,由于测试方法的不同,在不同的文献中的表述有所不同,所定义密度概念不一样。
有一些密度定义在测量时容易实现,而且也能表示岩石密度特征。
常见的概念如下:1)真密度岩石的质量/(岩石体积-孔隙度体积),即单位体积岩石的质量,体积中不包含任何孔隙体积。
其量纲为g/cm3,T/m3。
2)真比重岩石的质量/(同体积蒸馏水的质量),即岩石质量与同等体积水质量的比值,岩石体积中不包含任何孔隙体积。
3)视密度岩石在空气中的重量/(岩石体积-孔隙体积),即单位体积岩石的重量,体积中不包含任何孔隙体积。
其量纲为g/cm3,T/m3。
4)视比重岩石在空气中的重量/同体积蒸馏水的重量(空气中干重-浸在水中的重量),即岩石重量与同等体积水重量的比值,岩石体积中不包含任何孔隙体积。
5)体密度岩石在空气中的重量/(包括全部空隙在内的体积),即单位体积岩石的重量,此时的单位体积中包含各种孔隙的体积。
6)体比重岩石在空气中重量/同体积水的重量(饱和重量-浸在水中重量),即岩石重量与同等体积水重量的比值,岩石此时的体积中包含各种孔隙的体积。
7)粒密度对于粒状结构的岩石,可用粒密度来定义,即单位体积颗粒的质量,颗粒的总质量/颗粒的总体积,如下式表示:∑==ni ii v1ρρ8)堆密度对于松散堆积物可用堆密度来定义,即岩石(或矿物)颗粒自然堆积后单位体积的质量。
3.1.2岩石密度的主要影响因素1)岩石中矿物成分岩石中矿物种类及含量是影响岩石密度的重要因素。
岩石渗透率测定方法岩石渗透率是指岩石内部流体(如水、油气)通过岩石孔隙或缝隙的能力,是评价岩石储层质量的重要指标之一。
下面将介绍常见的岩石渗透率测定方法。
1. 压汞法压汞法是一种常用的岩石渗透率测定方法。
该方法利用汞的表面张力测定孔隙体积和岩石渗透率。
首先将样品置于一个容器中,然后通过双向压力装置使汞进入样品孔隙中,测得样品体积和样品渗透率。
该方法的优点是测量精度高,适用于多种岩石类型。
2. 油水置换法油水置换法是通过测量岩石中水溶液被油置换的速度来确定渗透率。
首先将样品置于一个装有水的容器中,然后在容器的上方加入一层油。
通过渗流计测量岩石中水的置换速度,进而得到渗透率。
这种方法的优点是操作简单,适用于低渗透率的岩石。
3. 封闭式测压法封闭式测压法是利用孔隙压力的变化来确定岩石渗透率的方法。
首先将样品置于一个封闭装置中,然后通过向装置中加压,观测孔隙压力随时间的变化。
利用Darcy定律和经验公式,可以计算出岩石的渗透率。
这种方法需要较长的测试时间,但适用于多种岩石类型。
4. 稳态渗流法稳态渗流法是通过稳态流动的条件来测定岩石渗透率的方法。
首先将样品置于一个测压装置中,施加一定的压力差,然后通过测量单位时间内通过岩石的流体量和有效渗流面积,计算出岩石的渗透率。
这种方法操作简单,适用于高渗透率的岩石。
5. 动态压力法动态压力法是通过测量岩石孔隙中渗透流体的动态压力来确定渗透率的方法。
首先将样品置于一个流动装置中,通过施加一定的流速,测量进口和出口处的压力差。
通过Darcy定律和经验公式,可以计算出岩石的渗透率。
该方法适用于特殊形态的岩石。
除了上述方法外,还有一些辅助方法可用于确定岩石渗透率,如压缩气体法、核磁共振法和CT扫描法等。
这些方法对于不同类型的岩石和不同的实验条件有着不同的适用性。
在实际应用中,通常需要结合多种方法进行岩石渗透率的测定,以得到更准确的结果。
综上所述,岩石渗透率的测定方法有很多种,每种方法都有其优缺点。
某些岩石的渗透系数值2 渗透率2.1渗透率的定义渗透率:压力差为1pa 时,动力黏滞系数为lpa.s 的渗流液体,渗流通过面积为12m 长度为1m 的多孔介质,体积流量为13m 时,多孔介质的渗透率定义为12m 。
实际中采用2m μ为实用单位。
定义式为=10QL k A p μ∆,其中,各参量与以上的参量相同 2.2渗透率的物理意义及影响因素渗透率是表征土或岩石本身传导液体能力的参数,其大小与孔隙度、液体渗透方向上空隙的几何形状、颗粒大小以及排列方向等因素有关,而与在介质中运动的液体性质无关。
渗透率(k )用来表示渗透性的大小。
2.3渗透率的评价渗透率的评价级别平方微米(2m μ) 评价 1>1.0 渗透性极好 20.1—1.0 渗透性好 30.01—0.1 渗透性一般 4 0.001—0.1渗透性差5 测定步骤5.1 试件描述试件干燥前,核对岩石名称和岩样编号,对试件颜色、颗粒、层理、节理、裂隙、风化程度、含水状态以及加工过程中出现的问题等进行描述,并填入附录B。
5.2 测量试件尺寸对试件描述后,应核对编号,并测量尺寸。
在其高度方向的中部两个相互垂直的方向上测量直径,在过端面中心的两个相互垂直的方向上测量高度,将其平均值以及试件编号和试件轴线与层理方向的关系(⊥,//),填入附录B。
5.3 压力选择5.3.1 入口端渗透气体压力视试件致密程度进行调节,一般为0.06~0.09MPa。
5.3.2 围压一般为0.4~0.5MPa。
5.4 皂膜流量计选择视试件渗透率的大小选用不同直径的皂膜流量计。
预计渗透率大的可选较大直径的皂膜流量计。
5.5 测定系统检验每次测定前用直径25mm、高径比1:1的实心钢柱代替试件,按图1装入试件夹持器,检验测定系统,测定系统如图2。
开动空气压缩机,顺序加围压和渗透压力至选定值,保持5min不漏气,确认系统完好。
图1 试件夹持器示意图1—上端盖;2、7—压片;3—橡胶套;4—夹持器外壳;5—试件(或钢柱);6—下端盖;8—钢柱图2 渗透率测定系统示意图3 渗透系数与渗透率的区别与联系渗透系数和渗透率是两个完全不同的概念。
1 / 2
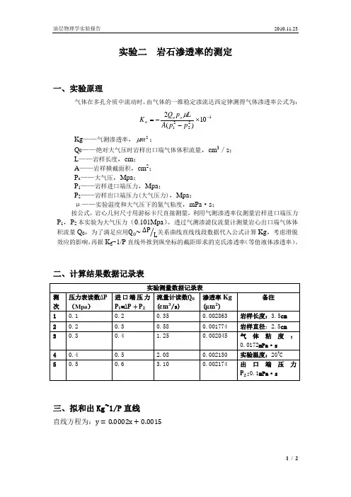
实验二 岩石渗透率的测定
一、实验原理
气体在多孔介质中流动时,由气体的一维稳定渗流达西定律测得气体渗透率公式为:
1
2
22110)
(2-⨯--
=p p A L p Q K o o a μ Kg ——气测渗透率,2m μ;
Q 0——绝对大气压时岩样出口端气体体积流量,cm 3/s ; L ——岩样长度,cm ;
A ——岩样横截面积,cm 2; P a ——大气压,Mpa ;
P 1——岩样进口端压力,Mpa ;
P 2——岩样出口端压力(大气压力),Mpa ;
μ——实验温度和大气压下的氮气粘度,mPa ·s ;
按公式,岩心几何尺寸用游标卡尺直接测量,利用气测渗透率仪测量岩样进口端压力P 1,P 2本实验为大气压力(0.101Mpa )。
透过气测渗滤仪流量计测量岩心出口端气体体积流量Q 0,为了满足应用Q 0~∆P L ⁄关系曲线直线线段数据代入公式计算Kg ,考虑滑脱效应的影响,再据K g ~1/P 直线外推到纵坐标的截距即求的克氏渗透率(等值液体渗透率)。
二、计算结果数据记录表
三、拟和出Kg~1/P 直线
直线方程为:y =0.0002x +0.0015
四、等值液体渗透率
当x=0 时,y=0.0015
2/ 2。
实验二╲t 岩石渗透率的测定本实验旨在通过不同岩石样品的渗透测试来探究岩石渗透性质的差异和影响因素。
在实验中,我们采用了两种不同的测试方法:一种是静态法,另一种是动态法。
以下是实验步骤和实验结果分析。
实验步骤:1. 实验前准备:在实验开始前,需要准备好所有实验所需设备和材料,包括岩石样品、压力计、封口胶、秤、氢氧化钠溶液、滴管、注射器等。
2. 静态法测试:首先,选取一个圆柱形的岩石样品,并将其两端用封口胶密封。
然后,将样品放入容器中,并注入一定量的氢氧化钠溶液。
随后,将容器盖上,并用压力计测量容器内的压力。
在一定时间内,记录容器内的压力和变化情况。
最后,根据实验结果计算出岩石样品的渗透系数。
3. 动态法测试:先将测量装置的导管接到岩石样品上,然后打开水泵,将冷却水直接喷射到岩石样品表面。
根据进入水的流量和岩石样品的温度变化来测量岩石样品的渗透系数。
实验结果分析:通过实验,我们得出了以下结论:1. 静态法和动态法测试方法各有特点。
静态法测试方法通过记录压力变化情况来计算渗透系数,需要进行一定的前期准备;而动态法测试方法通过测量进入水的流量和岩石样品的温度变化来计算渗透系数,需要更加精确的测量仪器和数据分析方法。
2. 岩石渗透系数的大小受到多种因素的影响。
岩石的孔隙度、孔隙分布、孔隙连通性和孔隙形状等因素都会影响岩石的渗透性质。
此外,周围环境的温度、压力和流体粘度等也会对渗透系数产生影响。
通过本次实验,我们通过静态法和动态法两种测试方法探究了岩石渗透性质的差异以及影响因素。
结果表明,岩石渗透系数的大小受到多种因素的影响,需要进行更加细致的分析和研究。
这对于石油工业等领域来说,有重要的应用价值。
岩石渗透率岩石渗透性的好坏,以渗透率的数值大小来表示,有绝对渗透率、有效渗透率和相对渗透率三种表示方式。
在一定压差下,岩石允许流体通过的性质称为岩石的渗透性。
在一定压差下,岩石允许流体通过的能力叫岩石渗透率(k),是表征岩石本身传导液体能力的参数,是用来表示岩石渗透性的大小。
物理意义是:压力梯度为1时,动力黏滞系数为l的液体在介质中的渗透速度。
其大小与孔隙度、液体渗透方向上空隙的几何形状、颗粒大小以及排列方向等因素有关,而与在介质中运动的液体性质无关。
1、绝对渗透率岩石的绝对渗透率是岩石孔隙中只有一种流体(单相)存在,流体不与岩石起任何物理和化学反应,且流体的流动符合达西直线渗滤定律时,所测得的渗透率。
2、有效渗透率(相渗透率)多相流体在多孔介质中渗流时,其中某一相流体的渗透率叫该相流体的有效渗透率,又叫相渗透率。
相渗透率不是岩石本身的固有性质,它受岩石孔隙结构、流体性质、流体饱和度等因素的影响,因此它不是一个定值。
在不同的条件下,相渗透率千变万化。
为了找到它们的规律,也便于与绝对渗透率相比较,因此引入了相对渗透率的概念。
3、相对渗透率多相流体在多孔介质中渗流时,其中某一相流体在该饱和度下的渗透率与岩石绝对渗透率的比值叫相对渗透率,是无量纲量。
与有效渗透率一样,相对渗透率的大小与液体饱和度有关。
同一多孔介质中不同流体在某一饱和度下的相对渗透率之和永远小于1。
相对渗透率虽然也受诸多因素的影响,但在岩石孔隙结构、流体性质一定时,它主要是流体饱和度的函数,因此通常用相对渗透率曲线来表示它。
4、相对渗透率曲线根据测得的不同饱和度下的相对渗透率值绘制的相对渗透率与饱和度的关系曲线,称相对渗透率曲线。