第二章-污水管网的设计与计算教案资料
- 格式:pdf
- 大小:554.31 KB
- 文档页数:17
目录摘要 .................................................................................... 错误!未定义书签。
第一章给水管网的设计说明............................................ 错误!未定义书签。
1.1给水管网布置的影响因素....................................... 错误!未定义书签。
1.2管网系统布置原则................................................... 错误!未定义书签。
1.3配水管网布置........................................................... 错误!未定义书签。
1.4给水管网设计计算................................................... 错误!未定义书签。
1.5设计用水量的组成................................................... 错误!未定义书签。
1.6设计用水量的计算................................................... 错误!未定义书签。
1.7最高日最高时用水量............................................... 错误!未定义书签。
1.8泵站供水流量设计................................................... 错误!未定义书签。
1.9清水池和水塔有效容积的计算............................... 错误!未定义书签。
1.10管网水力计算......................................................... 错误!未定义书签。
污水管道系统的课程设计一、课程目标知识目标:1. 让学生理解污水管道系统的基本概念、组成及功能;2. 掌握污水管道系统的设计原则和流程;3. 了解污水处理的基本方法及其对环境保护的意义。
技能目标:1. 培养学生运用所学知识分析、解决实际问题的能力;2. 提高学生设计简单污水管道系统的能力;3. 培养学生进行实地调查、数据收集和处理的能力。
情感态度价值观目标:1. 培养学生关注环境保护、积极参与污水治理的意识;2. 增强学生的团队合作精神,提高沟通协调能力;3. 培养学生对水利工程学科的兴趣,激发学习热情。
课程性质:本课程为水利工程学科的一门实践性较强的课程,旨在让学生了解污水管道系统的基本知识,掌握设计原则和方法,提高解决实际问题的能力。
学生特点:学生为八年级学生,具有一定的物理、化学基础知识,对环境保护有一定认识,但缺乏污水管道系统的专业知识和实践经验。
教学要求:结合学生特点,注重理论与实践相结合,充分调动学生的主观能动性,培养学生的动手操作能力和创新思维。
通过本课程的学习,使学生能够达到课程目标,为后续相关课程打下坚实基础。
二、教学内容1. 污水管道系统基本概念:污水来源、分类及性质;污水管道系统的定义、组成及功能。
教材章节:第二章第一节2. 污水管道系统设计原则:污水管道系统设计的基本原则、要求及影响因素。
教材章节:第二章第二节3. 污水处理方法:物理、化学和生物处理方法的原理、优缺点及适用场景。
教材章节:第二章第三节4. 污水管道系统设计流程:污水管道系统设计的步骤、方法和注意事项。
教材章节:第二章第四节5. 实践操作:污水管道系统设计实例分析,分组进行设计实践,培养实际操作能力。
教材章节:第二章第五节6. 污水管道系统与环境保护:污水管道系统对环境保护的意义,现代污水治理技术的发展趋势。
教材章节:第二章第六节教学内容安排与进度:第一课时:污水管道系统基本概念第二课时:污水管道系统设计原则第三课时:污水处理方法第四课时:污水管道系统设计流程第五课时:实践操作(分组设计)第六课时:污水管道系统与环境保护三、教学方法1. 讲授法:针对污水管道系统基本概念、设计原则及流程等理论性较强的内容,采用讲授法进行教学。
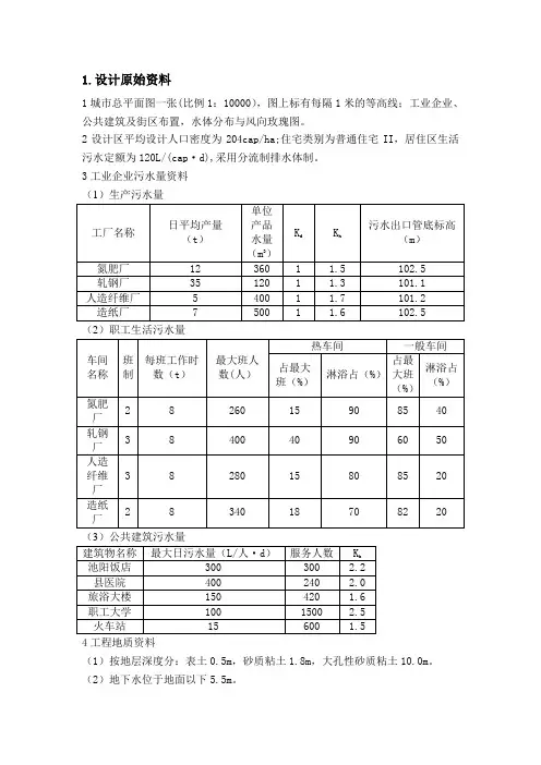
1.设计原始资料1城市总平面图一张(比例1:10000),图上标有每隔1米的等高线;工业企业、公共建筑及街区布置,水体分布与风向玫瑰图。
2设计区平均设计人口密度为204cap/ha;住宅类别为普通住宅II,居住区生活污水定额为120L/(cap·d),采用分流制排水体制。
3工业企业污水量资料(1)生产污水量(2)职工生活污水量(3)公共建筑污水量4工程地质资料(1)按地层深度分:表土0.5m,砂质粘土1.8m,大孔性砂质粘土10.0m。
(2)地下水位于地面以下5.5m。
(3)地基承载力15t/m2 5气象资料(1)雨量资料:A1=3.00,C=1.38; n=0.65,b=0,m=2,t1=10min(2)土壤冰冻深度在地面以下0.5m。
6设计区地表资料厂区占10%;沥青路面占20%;干砌砖石路面占20%;非铺砌地面占30%;草地占20%。
7水体资料(1)正常水位94.20m,最低水位91.79m,洪水位96.03m。
(2)水体历年流量38m2/s,流速0.28m/s,PH=7.0。
8设计期限:近期为2010年,远期为2020年。
2.设计任务根据给予的城市规划平面图,做出该城市排水管道的初步设计。
设计内容包括1.设计区污水处理厂位置的确定2.设计区污水管道的定线及水力计算3.设计区雨水管道的定线及水力计算(应采用电算)4.绘图:(1)污水管道平面布置图(CAD,比例1:10000);(2)雨水管道平面布置图(CAD,比例1:10000);(2)雨水干管纵断面图(CAD,比例尺:纵1:100,横1:5000)。
3.排水体制选择3.1排水系统规划设计原则3.1.1 排水系统规划应符合城市和工业企业的总体规划,并应与城市工业企业中期他单项工程建设密切配合,相互协调,该现成的道路规划、建筑界限、设计规模对排水系统的设计有很大的影响。
3.1.2 排水系统设计要与邻近区域的污水和污泥处理和处置协调。
给排水工程课程设计——污水、雨水管网设计指导书福建工程学院环境与设备工程系给水排水教研室2011年10月污水管网设计指导书班级学生姓名学号一、设计步骤:1、排水量计算(1).居民生活污水定额和综合生活污水定额居民生活污水采用定额法计算,我国现行《室外排水设计规范》规定,可按当地用水定额的80%~90%采用。
对给排水系统完善的地区可按90%计,一般地区可按80%计。
综合生活污水定额(还包括公共建筑排放的污水)注意:采用平均日污水量定额。
(2)工业企业工业废水和职工生活污水和淋浴废水定额,与给水定额相近,可参考。
(3)污水量的变化:生活污水量总变化系数宜按现行《室外排水设计规范》规定采用。
2、污水管网定线:排水管网一般布置成树状网,根据地形、竖向规划、污水厂的位置、土壤条件、河流情况以及污水种类和污染程度等分为多种形式,其中以地形为主要考虑因素。
一般按主干管、干管、支管的顺序进行布置主要原则:采用重力流排除污水,尽可能在管线最短和埋深较小的情况下,让最大区域的污水能自流排出。
3、划分设计管段:两个检查井之间的管段,如果采用的设计流量不变,且采用同样的管径和坡度,则称它为设计管段。
划分设计管段:只是估计可以采用同样管径和坡度的连续管段,就可以划作一个设计管段。
根据管道的平面布置图,凡有集中流量流入,有旁侧管接入的检查井均可作为设计管段的起止点。
设计管段的起止点应依次编上号码。
4、汇水面积划分:汇水面积划分主要根据地形条件。
5、管段设计流量计算:每一设计管段的污水设计流量可能包括本段流量、转输流量、集中流量本段流量是以管段的服务面积来计算。
6、污水管道水力计算:在各设计管段的设计流量确定后,便可按照污水管道水力计算的方法,从上游管段开始依次进行各设计管段的水力计算,计算过程中要求保证各设计参数符合规范要求,并作到经济合理。
7、各设计管段上、下端的管内底标高和埋设深度计算:各条干管的起点一般都是这条管道的控制点。
给排水污水管网课程设计一、课程目标知识目标:1. 学生能理解并掌握给排水污水管网的基本概念、组成及工作原理。
2. 学生能了解给排水污水管网的设计原则、流程及主要参数。
3. 学生能掌握给排水污水管网系统的维护与管理方法。
技能目标:1. 学生能够运用所学知识,分析并解决实际给排水污水管网系统中的问题。
2. 学生能够设计简单的给排水污水管网,并对其进行优化。
3. 学生能够运用计算机软件进行给排水污水管网系统的模拟与分析。
情感态度价值观目标:1. 学生能够认识到给排水污水管网在环境保护和资源利用方面的重要性,增强环保意识。
2. 学生能够培养对给排水污水管网工程建设的兴趣,激发学习热情。
3. 学生能够树立正确的工程观念,关注社会发展,积极参与给排水污水管网相关领域的创新与进步。
课程性质:本课程为工程专业基础课程,旨在让学生掌握给排水污水管网的基本理论、设计方法和实践技能。
学生特点:学生处于大学本科阶段,具备一定的专业知识基础,思维活跃,具备较强的学习能力和动手能力。
教学要求:结合学生特点,注重理论与实践相结合,提高学生的分析、设计及创新能力。
通过课程学习,使学生能够达到上述课程目标,为未来从事相关工作奠定坚实基础。
二、教学内容1. 给排水污水管网基本概念:包括给水管网的分类、功能及组成,污水管网的基本构成及作用。
教材章节:第一章 给排水污水管网概述2. 给排水污水管网的设计原则与流程:介绍设计原则、设计流程及主要技术参数。
教材章节:第二章 给排水污水管网设计原理3. 给排水污水管网系统的主要组成部分及工作原理:详细讲解管网中的泵站、管道、阀门等设施的工作原理。
教材章节:第三章 给排水污水管网系统组成4. 给排水污水管网的设计计算:介绍设计计算方法,包括流量计算、管网水力计算等。
教材章节:第四章 给排水污水管网设计计算5. 给排水污水管网施工与维护:讲解管网施工技术、施工管理及管网维护方法。
教材章节:第五章 给排水污水管网施工与维护6. 计算机辅助给排水污水管网设计:介绍计算机软件在给排水污水管网设计中的应用。
第2章给水排水管网工程规划2.1 规划原则和工作程序2.2 技术经济分析方法2.3 城市用水量预测计算2.4 给水管网系统规划布置2.5 排水管网系统规划布置2.1 规划原则和工作程序给水排水系统规划是城市总体规划工作的重要组成部分,必须与城市总体规划相协调。
2.1.1给排水工程规划原则•(1)执行相关政策、法规•(2)服从城镇发展规划(以城市规划作为给排水系统规划的依据)•(3)规划时兼顾给水排水工程•(4)近远期规划与建设相结合•(5)合理利用水资源和保护环境•(6)规划方案尽可能经济、高效2.1.2给排水工程规划与建设程序2.1.2给排水工程规划与建设程序主要任務1确定服务范围、规模2水资源利用与保护措施3确定系统的组成与体系结构4主要构筑物位置5确定给水处理及污水处理的工艺流程与水质保证措施6管网规划和干管定线7废水处置方案与环境影响评价8工程规划的技术经济比较2.1.2给排水工程规划与建设程序2.2给排水工程技术经济分析方法技术经济分析法1.数学分析法:是将工程方案构成工程费用最小化数学模型,将工程费用作为目标函数,就工程技术要求作为约束条件,通过数学最优化求解计算,使目标函数达到最优解。
2.方案比较法:通过多方案的比较,从有限个方案中寻求经济效果最佳的方案(对比分析法)2.3给水管网系统规划布置给水管网由输水系统和配水系统组成。
总要求:供给用户所需的水量、保证配水管网足够的水压、水质,保证不间断供水。
2.3.1给水管网布置原则➢按照城市总体规划,结合实际情况,进行多方案经济技术比较➢管线均匀分布给水区,保证水量、水压、水质➢以最短管线铺设,节约工程投资与运行费用➢保证供水安全,局部故障时,保证不间断供水或减小断水范围➢尽量减少拆迁、少占或不占农田➢管渠施工、运行、维护方便➢规划时应远近期结合2.3.2给水管网布置的基本形式1树状管网特点:管线长度短,构造简单,投资省;安全可靠性差;水力条件差,易产生“死水区”,末端水流停滞影响水质适用:对供水安全可靠性要求不高的小城市和小型工业企业。
污水管网的设计说明及设计计算1. 设计概况此次设计主要针对衡阳市白沙工业园工业、生活污水处理,将园区内的污水收集后进行集中排放,通过提升泵站提升后送到铜桥港污水处理厂,加强了园区的环境治理。
二根污水干管分别布置于幸福河南北两侧,在富园路东侧约250 米处设倒虹管将北侧管道收集的污水引入南侧干管;污水汇集后进入污水提升泵站将污水通过压力管道送入工业大道与富园路交汇处污水井,污水沿工业大道既有污水管道向东汇流至湘江南路,在湘江南路西侧敷设污水干管,将污水收集汇流至铜桥港污水处理厂。
2.污水管道布管(1). 管道系统的布置形式对比各种排水管道系统的布置形势,本设计的污水管铺设采用截留式,在地势向水体适当倾斜的地区,各排水区域的干管可以最短距离沿与水体垂直相较的方向布置,沿河堤低边在再敷设主干管,将各个干管的污水截留送至污水厂,截流式的管道布置系统简单经济,有利于污水和雨水的迅速排放,同时对减轻水体污染,改善和保护环境有重大作用,适用于分流制的排水系统,将生活污水、工业废水及初降废水经处理后排入水体。
截流式管道系统布置示意图如下.1—城镇边界2—排水流域分界线3—干管4—主干管5—污水厂6—泵站7—出水口(2).污水管道布管原则a.按照城市总体规划,结合当地实际情况布置排水管道,并对多种方案进行技术经济比较;b.首先确定排水区界、排水流域和排水体制,然后布置排水管道,应按主干管、干管、支管c.的顺序进行布置;d.充分利用地形,尽量采用重力流排除污水,并力求使管线最短和埋深最小;e.协调好与其他地下管线和道路工程的关系,考虑好与企业内部管网的衔接;f.规划时要考虑使管渠的施工、运行和维护方便;g.规划布置时应该近远期结合,考虑分期建设的可能性,并留有充分的发展余地。
(3).污水管道布管内容①.确定排水区界、划分排水流域本设计中有很明显的排水区界,一条河流自东向西流动,将整个城镇划分为河南区与河北区;同时降排水区域分为四个部分,分别有四条干管收集污水,同一进入位于河堤的主干管,送至污水处理厂。
第2章给水排水管网工程规划2.1 规划原则和工作程序2.2 技术经济分析方法2.3 城市用水量预测计算2.4 给水管网系统规划布置2.5 排水管网系统规划布置2.1 规划原则和工作程序给水排水系统规划是城市总体规划工作的重要组成部分,必须与城市总体规划相协调。
2.1.1给排水工程规划原则?(1)执行相关政策、法规?(2)服从城镇发展规划(以城市规划作为给排水系统规划的依据)?(3)规划时兼顾给水排水工程?(4)近远期规划与建设相结合?(5)合理利用水资源和保护环境?(6)规划方案尽可能经济、高效2.1.2给排水工程规划与建设程序2.1.2给排水工程规划与建设程序主要任務1确定服务范围、规模2水资源利用与保护措施3确定系统的组成与体系结构4主要构筑物位置5确定给水处理及污水处理的工艺流程与水质保证措施6管网规划和干管定线7废水处置方案与环境影响评价8工程规划的技术经济比较2.1.2给排水工程规划与建设程序2.2给排水工程技术经济分析方法技术经济分析法1.数学分析法:是将工程方案构成工程费用最小化数学模型,将工程费用作为目标函数,就工程技术要求作为约束条件,通过数学最优化求解计算,使目标函数达到最优解。
2.方案比较法:通过多方案的比较,从有限个方案中寻求经济效果最佳的方案(对比分析法)2.3给水管网系统规划布置给水管网由输水系统和配水系统组成。
总要求:供给用户所需的水量、保证配水管网足够的水压、水质,保证不间断供水。
2.3.1给水管网布置原则?按照城市总体规划,结合实际情况,进行多方案经济技术比较?管线均匀分布给水区,保证水量、水压、水质?以最短管线铺设,节约工程投资与运行费用?保证供水安全,局部故障时,保证不间断供水或减小断水范围?尽量减少拆迁、少占或不占农田?管渠施工、运行、维护方便?规划时应远近期结合2.3.2给水管网布置的基本形式1树状管网特点:管线长度短,构造简单,投资省;安全可靠性差;水力条件差,易产生“死水区”,末端水流停滞影响水质适用:对供水安全可靠性要求不高的小城市和小型工业企业。
二级泵站2环状管网特点:管线长度长,投资大;安全可靠性好;水力条件较好,不易产生“死水区”,水锤危害轻。
适用:大中城镇和工业企业采用。
2.3.3给水管网定线给水管网定线是指地形平面图上确定管线的位置和走向。
1.城镇给水管网一般铺设在街道下,取决于城镇平面布置,受建筑物、地形、交通要到影响。
要求:干管延伸方向与水源、输水管、水池、水塔、大用户方向一致,干管间要有连接管,形成环路,避免在高级路面或重要路面下通过,分配管与接户管,安装必要阀门和管件。
2.工业企业管网根据水质、水压分别布置管网,用水集中,定线较容易,但避免地下建筑物。
3.输水管渠定线远距离输水时,定线比较复杂。
受地形、河流、山川、交通影响。
要求:与城市建设规划相协调,减少拆迁、少占农田,尽量沿现有道路定线,较少交叉,避免穿越地质灾害区、岩层、高地下水位区,一般不少于两条,之间设置连接管和阀门,要有一定坡度,设置排气阀和排水阀。
2.4排水管道系统规划布置2.4.1排水管网布置原则(1)按照城市总体规划,结合实际布置(2)先确定排水区域和排水体制,然后布置排水管网,按从主干管到干管到支管的顺序进行布置;(3)充分利用地形,采用重力流排除污水和雨水,并使管线最短和埋深最小;(4)协调好与其他管道关系(5)施工、运行和维护方便(6)远近期结合,留有发展余地2.4排水管道系统规划布置2.4.2排水管道系统布置形式排水管网一般布置成树状网,根据地形、竖向规划、污水厂的位置、土壤条件、河流情况以及污水种类和污染程度等分为多种形式,以地形为主要考虑因素的布置形式有以下几种:(1)正交式:在地势向水体适当倾斜的地区,各排水流域的干管可以最短距离沿与水体垂直相交的方向布置。
特点:干管长度短,管径小,较经济,污水排出也迅速。
由于污水未经处理就直接排放,会使水体遭受严重污染,影响环境。
适用:老城镇合流制、雨水排水系统。
(2)截流式:沿河岸再敷设主干管,并将各干管的污水截流送至污水厂,是正交式发展的结果。
污水厂特点:减轻水体污染,保护环境。
适用:分流制污水排水系统。
(3)平行式:在地势向河流方向有较大倾斜的地区,可使干管与等高线及河道基本上平行,主干管与等高线及河道成一倾斜角敷设。
污水厂特点:保证干管较好的水力条件,避免因干管坡度过大以至于管内流速过大,使管道受到严重冲刷或跌水井过多。
适用:地形坡度大的地区。
(4)分区式:在地势高低相差很大的地区,当污水不能靠重力流至污水厂时采用。
分别在高地区和低地区敷设独立的管道系统。
高地区的污水靠重力流直接流入污水厂,而低地区的污水用水泵抽送至高地区干管或污水厂。
污水厂泵站优点:能充分利用地形排水,节省电力。
适用:个别阶梯地形或起伏很大的地区。
(5)分散式:当城镇中央部分地势高,且向周围倾斜,四周又有多处排水出路时,各排水流域的干管常采用辐射状布置,各排水流域具有独立的排水系统。
特点:干管长度短,管径小,管道埋深浅,便于污水灌溉等,但污水厂和泵站(如需设置时)的数量将增多。
适用:在地势平坦的大城市(6) 环绕式:可沿四周布置主干管,将各干管的污水截流送往污水厂集中处理,这样就由分散式发展成环绕式布置。
污水厂特点:污水厂和泵站(如需设置时)的数量少。
基建投资和运行管理费用小。
2.4排水管道系统规划布置2.4.2排水管道系统布置形式区域排水系统:将两个城镇以上地区的污水统一排除和处理的系统特点:一个大型污水厂替代多个小型污水厂,降低污水厂基建和运行费用,提高污水处理效果和运行稳定性2.4.3污水管道系统布置污水管道系统布置的主要内容:1.确定排水区界,划分排水流域(可设置若干排水流域,每个流域应有一根或以上的干管)2.污水厂和出水口位置的选定(应在城市河流下游,出水口不设回水区,污水厂设置在城市夏季主导风向的下风向)3.污水管道的布置与定线(按照主干管、干管、支管的顺序,地形是主要影响因素,沿城市道路铺设)4.确定污水管道系统的控制点和泵站的设置地点(各干管的起点、最低点均为控制点,埋深应保证大部分排污点污水能够自流排出,个别点可增加地面高程或设置泵站)5.确定污水在街道下的具体位置(保证安全距离,在给水管下方,注意铺设顺序)2.4.3污水管道系统布置?各种管线在平面上布置的次序一般是,从建筑规划线向道路中心线方向依次为:电力电缆——电讯电缆——煤气管道——热力管道——给水管道——雨水管道——污水管道。
?若各种管线布置时发生冲突,处理的原则是:未建让已建的,临时让永久的,小管让大管,压力管让无压管,可弯管让不可弯管。
2.4.4雨水管渠系统布置雨水管渠布置的主要内容:确定排水流域与排水方式,进行雨水管渠的定线;确定雨水泵房、雨水调节池、雨水排放口的位置1.充分利用地形,就近排入水体(1)基本原则:雨水管渠应尽量利用自然地形坡度布置,要以最短的距离靠重力流将雨水排入附近的池塘、河流、湖泊等水体中。
(2)当地形坡度较大时,雨水干管布置在地形低处或溪谷线上;当地形平坦时,雨水干管布置在排水流域的中以便于支管接入,尽量扩大重力流排除雨水的范围。
(3)尽量避免设置雨水泵站,当地形平坦,且地面平均标高低于河流的洪水位标高时,需将管道适当集中,在出水口前设雨水泵站,经抽升后排入水体。
尽可能使通过雨水泵站的流量减到最小,以节省泵站的工程造价和经常运行费用。
2.根据城市规划布置雨水管道通常应根据建筑物的分布,道路布置及街坊或小区内部的地形,出水口的位置等布置雨水管道,使街坊或小区内大部分雨水以最短距离排入街道低侧的雨水管道。
雨水管道应平行道路敷设,宜布置在人行道或绿化带下,不宜布置在快车道下,以免积水时影响交通或维修管道时破坏路面。
当道路大于40 m时,应考虑在道路两侧分别设置雨水管道。
3、采用明渠或暗管的选择暗管:在城市市区或厂区内,由于建筑密度高,交通量大,一般采用暗管排除雨水。
特点----卫生条件好、不影响交通,造价高。
明渠:在城市郊区,建筑密度较低,交通量较小的地方,一般考虑采用明渠。
特点---造价低;但明渠容易淤积,孳生蚊蝇,影响环境卫生,且明渠占地大,使道路的竖向规划和横断面设计受限,桥涵费用也增加。
在地形平坦、埋设深度或出水口深度受限制的地区,可采用暗渠(盖板渠)排除雨水。
2.4.4雨水管渠系统布置4、合理布置雨水口,保证路面雨水顺畅排除一般在道路交叉口的汇水点、低洼地段均应设置雨水口。
此外,在道路上每隔25~50 m也应设置雨水口。
5、出水口位置分散出水口与集中出水口6、调蓄水体的布置7、排洪沟的设置课后习题1.给水排水工程规划的主要任务2.给水排水工程的建设程序3.给水排水工程技术经济分析方法4.以地形为主要考虑因素,城镇排水管道系统有哪些布置形式5.什么是控制点,在确定控制点的管道埋深时应考虑哪些因素。