机器振动与测量标准
- 格式:ppt
- 大小:1.70 MB
- 文档页数:20
振动监测参数选择与判定标准机械运动消耗的能量除了做有用功外,其他的能量消耗在机械传动的各种摩擦损耗之中,并产生正常振动。
如果出现非正常的振动,说明机械发生故障。
这些振动信号包含机械内部运动部件各种变化信息。
分辨正常振动和非正常振动,采集振动参数,运用信号处理技术,提取特征信息,判断机械运行的技术状态,这就是振动检测。
在机械设备的振动监测中,往往是将测得的振动参数量值与判断标准进行对比,从而分析判定振动的原因和机器状态的好坏.目前,在现场实际应用中,主要是参照国际标准ISO、某些国外先进标准、我国的部标、专业标准,或结合本行业设备具体情况制定限值来进行分析判定.(1)振动测量的方位选择① 测量位置(测点)测量的位置选择在振动的敏感点,传感器安装方便,对振动信号干扰小的位置,如轴承的附近部位。
② 测量方向由于不同的故障引起的振动方向不同,一般测量互相垂直的三个方向的振动,即轴向(A向)、径向(H向、水平方向)和垂直方向(V向)。
例如对中不良引起轴向振动;转子不平衡引起径向振动;机座松动引起垂直方向振动。
高频或随机振动测量径向,而低频振动要测量三个方向。
总之测量方向和数量应全面描述设备的振动状态。
(2)测量参数的选择测量振动可用位移、速度和加速度三个参数表述。
这三个参量代表了不同类型振动的特点,对不同类型振动的敏感性也不同。
① 振动位移选择使用在低频段的振动测量(<10Hz),振动位移传感器对低频段的振动灵敏。
在低频段的振动,振动速度较小,可能振动位移很大,如果振动产生的应力超过材料的许用应力,就可能发生破坏性的故障。
② 振动速度选择使用在中频段的振动测量(10~1000Hz)。
在大多数情况下转动机械零件所承受的附加载荷是循环载荷,零件的主要失效形式是疲劳破坏,疲劳强度的寿命取决于受力变形和循环速度,即和振动位移与频率有关,振动速度又是这两个参数的函数,振动能量与振动速度的平方成正比。
所以将振动速度作为衡量振动严重程度的主要指标。
震动测试标准震动测试是指在一定条件下对产品进行振动试验,以评估产品在运输、使用和储存过程中对振动环境的适应能力,以及产品结构的可靠性和稳定性。
在不同的行业和领域中,对于产品的震动测试标准也有所不同,接下来将对一些常见的震动测试标准进行介绍。
1. 国际标准。
国际上常用的震动测试标准包括ISO 16750(汽车电子设备振动试验)、ISO 13355(航空航天产品振动试验)、ISO 10819(手套振动性能测试)等。
这些标准是由国际标准化组织制定的,具有全球通用性,适用于各种不同的产品和行业。
2. 行业标准。
不同行业有着各自的震动测试标准,例如汽车行业的JIS D 1601、航空航天行业的RTCA DO-160、电子产品行业的IEC 60068等。
这些标准是由各行业的专业组织或协会制定,针对特定行业的产品特点和使用环境进行了详细规定,具有针对性和实用性。
3. 国家标准。
各个国家也会根据自身的国情和产业发展制定相应的震动测试标准,例如中国的GB/T 2423.10(电工电子产品环境试验第2部分,试验Fa,振动(固定频率))等。
这些标准是在考虑国家实际情况和行业需求的基础上制定的,具有一定的局部性和适用性。
4. 企业标准。
一些大型企业也会根据自身的产品特点和质量要求,制定企业标准来进行震动测试,以确保产品的质量和可靠性。
这些标准通常是在国际、行业和国家标准的基础上进行了细化和补充,更加贴近企业产品的实际情况。
总结。
不同的震动测试标准适用于不同的产品和行业,选择合适的标准进行测试对于评估产品的可靠性和稳定性至关重要。
在进行震动测试时,需要根据产品的特点和使用环境选择相应的标准,并严格按照标准要求进行测试,以确保产品在实际使用中能够经受住各种挑战和考验。
同时,不断完善和更新震动测试标准,也是提高产品质量和竞争力的重要手段。
振动测量方法和标准(一)振动测量方法和标准概述•振动测量是工程领域中常用的一种测试方法,用于评估物体振动的强度和频率。
通过振动测量,可以帮助我们分析和优化结构的设计,预测设备的寿命以及判断机器运行是否正常。
常用的振动测量方法1.加速度法:通过测量物体在特定点上的加速度来评估振动。
这种方法可以用于结构的动态响应分析和冲击问题。
2.速度法:通过测量物体在特定点上的速度来评估振动。
速度法适用于精密设备和需要高精度的振动测量。
3.位移法:通过测量物体在特定点上的位移来评估振动。
位移法适用于机械系统和结构的频率响应分析。
4.功率谱法:通过将振动信号转换为频谱来评估振动。
功率谱法可以帮助我们了解在不同频率下振动的能量分布情况。
国际标准和规范•ISO 10816:该标准是国际上最常用的用于评估机械设备振动的标准。
它包含了振动级别的分级标准以及对振动测量的方法和仪器的要求。
•ISO 2372:该标准适用于旋转机械的振动测量。
它提供了用于评估旋转机械振动的标准指导,并包含了振动级别的分级标准。
•ISO 7919:该标准适用于机组振动测量和评估。
它为机组振动评估提供了详细的指导,并包含了对测点位置和振动级别的要求。
•DIN 4150:该规范适用于建筑物振动的评估和控制。
它提供了对建筑物振动的测量和评估的标准指导,并包含了对振动限值的要求。
结论•振动测量是一种重要的工程技术方法,可以帮助我们评估和优化结构的设计,预测设备的寿命以及判断机器运行是否正常。
在进行振动测量时,可以选择适合具体应用场景的测量方法,并遵循相应的国际标准和规范进行评估。
通过合理的振动测量,我们可以提高工程项目的质量和可靠性,减少潜在的风险和故障发生。
iso20816振动标准
ISO 20816-1:2016是国际标准化组织(ISO)制定的一项标准,名称为"机器的机械振动-测量和评估机器的振动的指南"。
该标准提供了测量和评估旋转机械在运行状态下的机械振动的方法和指导。
ISO 20816-1:2016标准主要适用于测量发电机组、压缩机、
齿轮箱、泵等机械设备的振动。
它规定了振动测量的基本原则,包括测量点的选择、传感器类型和安装方式,以及测量结果的分析和评估。
此外,ISO 20816-1还介绍了振动的评估和限值的确定。
它提
供了用于评估机器振动是否处于可接受水平的指导,并提供了限制值的建议。
这些限制值可用于评估机器的健康状况,并确定是否需要采取进一步的维修和维护措施。
ISO 20816-1标准的目的是帮助用户正确地测量和评估机器的
振动水平,以便有效地监测和维护机械设备,在减少故障和提高设备可靠性方面发挥作用。
这项标准已被广泛采用,并成为机械振动监测和维护的重要参考。
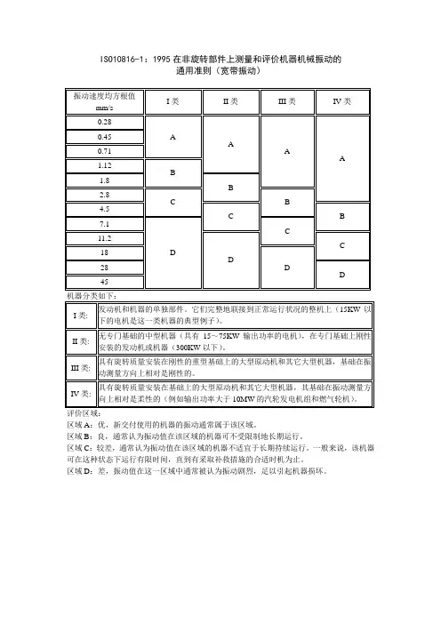
振动判定标准
表1 ISO 2372国际振动烈度标准
注:
第一类小型机械(如15Kw以下的电机);
第二类中型机械(如15~75Kw的电机以及300Kw以下的机械);
第三类大型机械(支承系统为刚性状态);
第四类大型机械(支承系统为挠性支承状态);转速:600~12000rpm;振动测量范围:10~1000Hz。
区域说明:区域A:新交付使用的设备应达到的状态或优良状态;区域B:设备可以长期运行或合格状态;区域C设备尚可短期运行但必须采取相应补救措施,或不合格状态:注意;区域D:不允许状态。
说明:ISO 2372标准仅适用于机壳或轴承座的振动;
表2 ISO 10186国际振动标准
注:
1、适合条件:额定功率大于15KW和额定转速在120 rpm~15000rpm在现场测量的工业机器;
2、区域说明:区域A:新交付使用的设备应达到的状态或优良状态;区域B:设备可以长期运行或合格状态;区域C设备尚可短期运行但必须采取相应补救措施,或不合格状态:注意;区域D:不允许状态。
说明:ISO 10186适用于设备非旋转部件的测量;。
泵的振动测量和评价标准在工业生产和日常生活中,泵是一种广泛应用的设备,用于输送液体、增加压力等。
然而,泵在运行过程中可能会产生振动,如果振动过大,不仅会影响泵的性能和寿命,还可能导致噪音污染,甚至引发安全事故。
因此,对泵的振动进行测量和评价是非常重要的。
一、泵振动产生的原因要理解泵的振动测量和评价标准,首先需要了解泵振动产生的原因。
泵的振动可能源于多种因素,例如:1、不平衡:包括叶轮、轴等部件的质量分布不均匀,旋转时产生离心力,从而引起振动。
2、不对中:泵与电机或其他连接部件的轴线不对中,导致连接处受力不均,产生振动。
3、机械松动:泵的地脚螺栓松动、连接件松动等,会使泵在运行时产生额外的振动。
4、泵内流场不稳定:如液体的气蚀、回流、漩涡等,会对叶轮和泵壳产生冲击,引起振动。
5、轴承故障:轴承磨损、损坏或润滑不良,会导致轴的支撑不稳定,产生振动。
二、振动测量的方法为了准确测量泵的振动,需要采用合适的测量方法和仪器。
常见的测量方法包括:1、加速度测量:使用加速度传感器测量振动的加速度信号,通过积分可以得到速度和位移信号。
加速度传感器具有较高的频率响应,适用于测量高频振动。
2、速度测量:速度传感器直接测量振动的速度信号,常用于中频段振动的测量。
3、位移测量:位移传感器测量振动的位移量,适用于低频振动的测量。
在测量时,传感器的安装位置也非常重要。
一般来说,应选择在泵的轴承座、泵体等关键部位进行测量,以获取最能反映泵振动状况的信号。
三、振动评价标准有了测量数据,还需要有明确的评价标准来判断泵的振动是否正常。
目前,常用的泵振动评价标准主要有以下几种:1、 ISO 标准:国际标准化组织(ISO)制定了一系列关于旋转机械振动的标准,如 ISO 10816 系列。
这些标准根据泵的功率、转速等参数,规定了不同的振动限值。
2、 API 标准:美国石油学会(API)的标准在石油化工行业中广泛应用。
API 610 标准对离心泵的振动限值和测量方法进行了详细规定。
阳谷祥光铜业有限公司企业标准泵的振动测量和评价标准阳谷祥光铜业有限公司发布文件名称:泵的振动测量和评价标准本页修订次数:前言本标准是根据JB/T 8097—95《泵的振动测量与评价方法》进行修订。
本标准的测量方法其主要技术内容与国际标准ISO 10816–1∶1995《机械振动——在非旋转部件上测量和评价机器振动》等效。
本标准的评价方法保留JB/T 8097—95的内容。
对于含有挠性转子的一些泵在非旋转部件上测量是不完全合适的,须由ISO 7919–1《非往复式机器的机械振动——旋转轴的测量与评价准则第一部分总则》给出轴振动总则来补充。
本标准的附录A是提示的附录。
本标准起草单位:设备管理科本标准主要起草人:文件名称:泵的振动测量和评价标准本页修订次数:文件更改状态记录表编号:泵的振动测量与评价方法1 范围本标准规定了在泵的非旋转部件表面进行振动测量与评价方法。
本标准适用于除潜液泵、往复泵以外的各种型式泵和泵用调速液力偶合器,转速一般为600~12 000 r/min;小于600 r/min可参照使用。
2 测量2. 1 测量参数2. 1. 1 频率范围振动测量应是宽带,以便充分覆盖泵的频谱,其范围通常为10~1 000 Hz。
2. 1. 2 振动值用满足第3章要求的仪器所做测量结果叫作指定测量位置和方向上的振动值。
当评价泵的宽带振动时,根据经验通常考虑振动速度的均方根值,因为该值与振动能量有关。
2. 1. 3 振动烈度通常在两个或三个测量方向及各个测量位置上进行测量以得到一组不同的振动值,在规定的泵支承和运行条件下所测得的最大宽带值定义为振动烈度。
2. 1. 4测量量为达到本标准的目的,可使用以下的量:A)振动位移,μm;B)振动速度,mm/s;C) 振动加速度,m/s2。
一般来说,振动的宽带加速度、速度和位移之间,峰值(o–p),峰–峰值(p–p),均方根值和平均值之间没有简单的关系式,附录A(提示的附录)简要论述了理由,当振动谐波分量已知时,附录A 规定了以上量的确切关系式。
振动测量方法和标准振动测量是一种用于评估机械设备运行状况和故障诊断的重要工具。
通过测量机械设备产生的振动信号,可以获得有关设备结构的信息以及潜在故障的迹象。
正确选择适当的振动测量方法和遵循相应的标准,对于准确评估设备状况和制定维护计划至关重要。
本文将探讨振动测量方法和标准的相关内容。
1、振动测量方法1.1 加速度传感器加速度传感器是一种广泛用于振动测量的传感器。
它可以测量垂直方向和水平方向的加速度。
该传感器将振动转化为电信号,进而分析并显示振动特性。
加速度传感器具有高频响应和较低的成本,适用于连续振动监测和机械故障诊断。
1.2 速度传感器速度传感器可以测量振动的速度。
它适用于低频振动测量和对振动的整体评估。
速度传感器可以直接测量振动,并提供振动速度的输出信号。
与加速度传感器相比,速度传感器具有较低的灵敏度和频率响应,但在某些应用中仍然具有一定的实用价值。
1.3 位移传感器位移传感器可以测量振动的位移。
它适用于低频振动测量和对机械设备结构变化的评估。
位移传感器可以直接测量振动的位移,并提供相应的输出信号。
位移传感器通常具有较低的频率响应和较高的灵敏度,适用于对振动幅值的精确测量。
2、振动测量标准2.1 ISO 10816系列标准ISO 10816系列标准是振动测量中最常用的国际标准之一。
该系列标准规定了振动测量的一般要求,以及根据不同类型的机械设备和应用的振动限值。
这些标准提供了一种测量和评估机械设备振动水平的一般方法,并提供了用于判断机械设备运行状况的准则。
2.2 ASME标准ASME标准适用于美国机械工程师学会制定的振动测量标准。
这些标准更加具体和详细,适用于各类机械设备和应用。
ASME标准提供了更为细致的振动测量方法和评估准则,有助于更准确地判断设备的运行状况,并制定相应的维护计划。
2.3 DIN标准DIN标准是德国国家标准组织制定的振动测量标准。
这些标准被广泛用于欧洲地区。
DIN 标准与ISO标准相似,提供了一种测量和评估机械设备振动的方法和准则。
设备振动标准ISO2372是一个国际标准,它规定了在1至200转/秒的转速下,机器在10至1000赫兹频率范围内的机械振动烈度范围。
根据振动烈度量级,机器的运行质量被分为四个等级。
A级表示机器正常运转时的振级,此时机器的运行状态被认为是“良好”的;B级表示已超过正常运转时的振级,但对机器的工作尚无显著的影响,这种运行状态是“容许”的;C级表示机器的振动已达到相当剧烈的程度,致使机器勉强维持工作,此时机器的运行状态被称为“可容忍”的;D级表示机器的振级已大到使机器不能运转、工作,这种机器的振级是“不允许”的。
除此之外,ISO2372将常用的机械设备分为六大类,并使用同一标准来衡量运行质量。
第一类是指在其正常工作条件下与整机连接成一整体的发动机和机器的零件(如15千瓦以下的发电机)。
第二类是指没有专用基础的中等尺寸的机器(如15至75千瓦的发电机)以及刚性固定在专用基础上的发动机和机器(300千瓦以下)。
第三类是指安装在测振方向上相对较硬的、刚性的和重的基础上的具有旋转质量的大型原动机和其他大型机器。
第四类是指安装在测振方向上相对较软的基础上具有旋转质量的大型原动机和其他大型机器(如透平发电机)。
第五类是指安装在测振方向上相对较硬的基础上具有不平衡惯性力的往复式机器和机器驱动系统。
第六类是指安装在测振方向上相对较软的基础上具有不平衡惯性力的往复式机器和机器驱动系统。
ISO2372推荐了各类机器的振动标准,其中振动烈度分级范围为0.18至28毫米/秒。
A级表示优秀,B级表示良好,C级表示及格,D级表示不允许。
需要注意的是,一类指小型设备。
ISO3945是另一个振动标准,但本文未提及其内容。
ISO 3945是关于大型旋转机械振动的现场测量和评定的标准,包括电动机、发电机、汽轮机、燃气轮机、涡轮压缩机、涡轮泵和风机。
该标准适用于功率大于300KW、转速在600~r/min的大型旋转机械。
表格中给出了评定等级,适用于罗茨机、压缩机、造气风机等机械,根据支承类型和振动烈度(mm/s)进行评估。
电机测振方法及振动标准测振仪测振仪也叫测震表振动分析仪或者测震笔,是利用石英晶体和人工极化陶瓷(PZT)的压电效应设计而成。
当石英晶体或人工极化陶瓷受到机械应力作用时,其表面就产生电荷。
采用压电式加速度传感器,把振动信号转换成电信号,通过对输入信号的处理分析,显示出振动的加速度、速度、位移值。
正面测振仪实拍图测振仪显示屏实拍图(m/s²(加速度)、mm/s(速度)、或mm(位移)、HI(高频)、LO(低频))测振仪实拍图(电池为9V)使用方法根据测量的需要,在测量前分别拨动仪器顶部的两个拨动开关,使仪器处于速度(mm/s)、加速度(m/s²)、或位移(mm)的测量状态,然后再按下测量键进行测量。
注:测量电机振动时位移(mm)即振幅、速度(mm/s)即振速测量加速度时,将开关置于加速度档,使显示屏指示单位箭头指向“m/s²” 同时根据实际需要拨动频率档使频率指示箭头指向“高频(HI)”或“低频(LO)档。
测量速度时,将开关置于速度档,指示单位箭头指向“mm/s”测量位移时,将开关置于位移档,指示单位箭头指向“mm”注:在进行速度或位移测量时,频率没影响,但应将开关拨至高频或低频任意一档。
数值换算及读取1 mm (毫米) = 100 丝1 mm (毫米)=1000um(微米)1um(微米)=0.001毫米(mm)=0.1丝10um(微米)=1丝1丝=0.01 mm (毫米)1丝=10um(微米)电机振动标准电机振动的原因很多,8极以上大极数电机不会因为电机制造质量问题引起振动。
振动常见于2~6极电机,GB10068-2000,《旋转电机振动限值及测试方法》规定了在刚性基础上不同中心高电机的振动限值、测量方法及刚性基础的判定标准,依据此标准可以判断电机是否符合标准。
(1)额定转速750r/min以下的转机,轴承振动值不超过0.12mm;(2)额定转速1000r/min的转机,轴承振动值不超过0.10mm;(3)额定转速1500r/min的转机,轴承振动值不超过0.085mm;(4)额定转速3000r/min的转机,轴承振动值不超过0.05mm。