组件设计规范-电池篇
- 格式:doc
- 大小:4.52 MB
- 文档页数:6
电芯设计方案规范随着现代社会的发展,电池已经成为了我们日常生活中不可或缺的电力来源。
其次,电池也广泛应用于各种领域,如汽车、航空、医疗设备、能源储存等等。
因此,电池设计方案的规范化具有极其重要的意义。
本文将就电芯设计方案规范的一些重点方面进行谈论。
首先,电芯设计方案的规范化包含着电芯的结构与材料的规范。
电芯的结构是指电池与其它组件之间的物理连接方式。
因此,电芯的结构必须严格遵守一定的规范。
一般来说,电池的结构由正极、负极、隔膜和电解液等组成。
正极和负极是电池最关键的两个部件,它们的设计必须严格按照规范要求进行。
比如,正极和负极的尺寸、形状、表面处理都必须符合规范,以保证电芯的安全性和可靠性。
同时,隔膜和电解液的选择与使用也是非常重要的。
隔膜的作用是隔离正负电极,防止短路。
电解液则是传递电子的介质,因此电解液的组成、稳定性、电导率等都是需要规范的。
其次,电芯设计方案的规范化也关乎到电池的性能。
电池的性能主要指的是电池存储的能量和输出的电压、电流。
在设计电芯时,必须要关注到电芯的这些性能参数。
首先,电池存储的能量与当前流通状态有直接关系。
因此,电芯设计方案必须充分考虑电池在不同工作状态下的能量变化,并确定最佳工作状态。
其次,电池的输出压力和电流也需要设计时考虑。
比如,在汽车电池的设计中,电池需要能够输出高强度的电流,在冷启动时能够启动发动机。
因此,电池的输出电压、电流也需在设计阶段考虑明确。
此外,电池的安全性也是电芯设计方案规范的重要考量。
电池的安全性主要涉及到电池在工作中可能发生的危险及风险。
因此,电芯设计方案需要考虑到多种安全因素。
比如,防止电池瞬间过充或过放,防止电芯间隔短路,防止温升过高等等。
因此,电芯设计方案中必须设置一个安全回路,当电池发生异常时,可以及时断开电池电路以保证电池的安全。
最后,电芯设计方案的规范化也涉及到电池的成本问题。
电池的成本在设计阶段就应该考虑到。
为了控制电池的成本,要尽量降低电芯的制造成本与材料成本。
太阳能电池组件及方阵的设计方法案例图文说明上面已经说过,太阳能电池组件的设计就是满足负载年平均每日用电量的需求。
所以,设计和计算太阳能电池组件大小的基本方法就是用负载平均每天所需要的用电量(单位:安时或瓦时)为基本数据,以当地太阳能辐射资源参数如峰值日照时数、年辐射总量等数据为参照,并结合一些相关因素数据或系数综合计算而得出的。
在设计和计算太阳能电池组件或组件方阵时,一般有两种方法。
一种方法是根据上述各种数据直接计算出太阳能电池组件或方阵的功率,根据计算结果选配或定制相应功率的电池组件,进而得到电池组件的外形尺寸和安装尺寸等。
这种方法一般适用于中小型光伏发电系统的设计。
另一种方法是先选定尺寸符合要求的电池组件,根据该组件峰值功率、峰值工作电流和日发电量等数据,结合上述数据进行设计计算,在计算中确定电池组件的串、并联数及总功率。
这种方法适用于中大型光伏发电系统的设计。
下面就以第二种方法为例介绍一个常用的太阳能电池组件的设计计算公式和方法,其他计算公式和方法将在下一节中分别介绍。
1.基本计算方注计算太阳能电池组件的基本方法是用负载平均每天所消耗的电量(Ah)除以选定的电池组件在一天中的平均发电量(Ah),就算出了整个系统需要并联的太阳能电池组件数。
这些组件的并联输出电流就是系统负载所需要的电流。
具体公式为:负载用电10A,负载工作8小时。
(220V ))组件日平均发电量()负载日平均用电量(电池组件并联数Ah Ah =其中, 组件日平均发电量=组件峰值工作电流(A)×峰值日照时数(h)。
假设告知负载日耗电(KWh ),如何计算负载日平均用电量(Ah )。
再将系统的工作电压除以太阳能电池组件的峰值工作电压,就可以算出太阳能电池组件的串联数量。
这些电池组件串联后就可以产生系统负载所需要的工作电压或蓄电池组的充电电压。
具体公式为:组件峰值工作电压系数)系统工作电压(电池组件串联数 1.43V ⨯=系数1.43是太阳能电池组件峰值工作电压与系统工作电压的比值。
安徽天康特种车辆装备有限公司动力电池系统设计规范编制:审核:批准:日期:2015年8月21日发布2015年10月22日实施安徽天康特种车辆装备有限公司发布目录前言.................................................................................................................................... I I 电动汽车动力系统设计规范 . (1)1.概述 (1)2.设计原则 (1)3.参考引用标准 (1)4.术语和定义 (2)5.设计要求 (4)6.设计验证 (24)前言本规范规定山东省普天新能源汽车(山东)有限公司开发的专用车辆时的线束设计规范。
本规范由安徽天康特种车辆装备有限公司产品开发部提出。
本规范由安徽天康特种车辆装备有限公司批准。
本规范主要起草人:李劲松本规范于2015年8月首次发布。
电动汽车动力系统设计规范1.概述动力电池系统是电动汽车的重要组成部分,为电动汽车驱动提供能量来源。
由于电池系统是高电压高能量密度产品,在设计电池系统时,主要从箱体设计、电池成组设计、电池安全、以及电池管理系统设计等方面进行。
2.设计原则动力电池系统设计以满足车辆动力要求为前提,同时从电池系统自身内部结构和安全设计、电池管理等方面进行设计,主要包括以下几个部分:(1)电池箱外观尺寸:电池箱体尺寸主要根据车辆提供的电池安装空间进行设计,并且要考虑到接插件和机械连接部位的尺寸影响。
电池箱内部尺寸,主要从整体设计考虑,从电池的排布、线束的排布以及电池管理系统尺寸位置、热管理系统尺寸及位置等方面进行设计。
电池箱的外观设计主要从材质、表面防腐蚀、绝缘处理、产品标识等方面进行设计。
(2)电池性能参数:电池系统参数,比如电压平台、额定容量、额定能量、最大可持续放电电流、瞬间峰值放电电流、瞬间峰值充电电流等,在设计时要根据车辆的动力参数和要求进行匹配。
锂电池设计规范范文1.引言锂电池作为一种重要的电源技术,广泛应用于移动通信、电动车辆、储能等领域。
为了确保锂电池的安全性、性能和可靠性,需要制定相应的设计规范。
本文档旨在提供一套完整的锂电池设计规范,帮助设计人员在设计过程中遵循相关安全和技术要求。
2.锂电池基本知识2.1锂电池分类:按照锂电池的结构和性能特点,可将其分为锂离子电池、锂聚合物电池和锂离子聚合物电池等几类。
2.2锂电池组成:锂电池主要由正极、负极、电解质和隔膜等组成,其中正极材料常见有三元材料和钴酸锂材料等。
3.锂电池设计安全要求3.1电池外壳设计:电池外壳应采用阻燃材料,并具备良好的散热性能和抗冲击性能,以防止外力引起电池短路或起火等事故。
3.2温控系统设计:锂电池在高温或低温环境下工作容易引发安全问题,因此需要设计合理的温控系统,包括温度传感器、温度调节器等,以确保电池在合适的温度范围内工作。
3.3过充保护设计:通过设计过充保护电路,确保电池在充电时不会超过额定电压,避免发生过充现象,降低安全风险。
3.4过放保护设计:通过设计过放保护电路,确保电池在放电时不会低于最低允许电压,避免发生过放现象,延长电池寿命。
3.5短路保护设计:通过设计短路保护电路,确保电池在遭受外力短路时能够及时切断电路,防止电池起火或爆炸。
4.锂电池设计性能要求4.1能量密度:电池的能量密度决定了其储能能力,设计中应追求高能量密度,以提高电池的使用时间和续航里程。
4.2功率密度:电池的功率密度决定了其输出能力,设计中应追求高功率密度,以满足高功率需求,如电动车加速等。
4.3循环寿命:电池的循环寿命是指电池充放电循环次数达到规定条件的次数,设计中应追求长循环寿命,提高电池的使用寿命和可靠性。
4.4自放电率:电池的自放电率影响其长时间储存能力,设计中应追求低自放电率,以保证电池长时间存储后能够正常工作。
5.锂电池设计可靠性要求5.1组件设计可靠性:设计中应合理选择电池正负极材料和电解液,以确保电池组件的可靠性和稳定性。
光伏组件电池板检验要求规范一、材料要求:1.硅片:硅片应符合国家或国际标准,具有良好的质量和纯度。
2.连接线:连接线应具有良好的导电性和耐久性,不得出现划痕、脱漆等情况。
3.玻璃:玻璃应具有良好的透光性和耐候性,不得出现裂纹、气泡等缺陷。
二、外观要求:1.表面平整度:光伏组件电池板的表面应平整、无明显凹凸、起皱、熔融或漏胶等缺陷。
2.玻璃表面质量:玻璃表面应光滑、无划痕、气泡、模糊等缺陷。
3.边框:边框应平直、无断裂、变形等缺陷,并且固定牢固。
三、性能要求:1.转换效率:光伏组件电池板的转换效率应符合国家或行业标准,具有良好的能量转换性能。
2. 开路电压(Voc):光伏组件电池板的开路电压应符合设计要求,并具有稳定的电压输出。
3. 短路电流(Isc):光伏组件电池板的短路电流应符合设计要求,并具有稳定的电流输出。
4.填充因子(FF):光伏组件电池板的填充因子应符合设计要求,达到最佳电池效能。
5.绝缘电阻:光伏组件电池板的绝缘电阻应符合国家或行业标准,确保安全使用。
6.抗PID性能:光伏组件电池板应具有良好的抗PID性能,保证在高湿度和高温环境下的稳定性能。
7.抗反射性能:光伏组件电池板的表面应具有良好的抗反射性能,提高光吸收效率。
四、标识要求:1.标识清晰:光伏组件电池板的标识应清晰、易读,能够准确表示产品的型号、生产日期、生产厂家等信息。
2.防伪标识:光伏组件电池板的防伪标识应具有高度的防伪性,防止假冒产品的流通。
3.认证标识:光伏组件电池板应标明通过的相关认证,如国家质量认证、国际质量认证等。
以上是光伏组件电池板检验要求规范的主要内容。
通过对光伏组件电池板的材料、外观、性能和标识等方面的检验,可以确保产品的质量和性能符合要求,并且提供准确的产品信息和防伪保障。
光伏组件电池板的检验要求规范的制定和实施,对于推动光伏产业的发展、增强产品竞争力具有重要意义。
太阳电池组件成品技术规范编写:校对:审核:会签:、、、、、、批准:太阳电池组件技术总规范1目的通过制定太阳电池组件技术总规范,使公司所生产的太阳能电池组件的生产及质量处于规范、可控的状态。
保证产品质量,满足客户要求。
2适用范围2.1本技术规范规定了太阳电池组件的技术要求、外观质量及性能要求。
2.2本技术规范适用于本公司生产的太阳能电池组件(客户另有要求除外)。
2.3本技术规范不能取代本公司与客户签订的技术协议。
3职责权限3.1技术开发部制定太阳能电池组件成品技术总规范;3.2公司各相关部门在电池组件生产、检验等环节依据本规范执行。
4引用文件4.1 GB/T 9535 地面用晶体硅光伏组件——设计鉴定和定型(IEC 61215-2005,IDT);4.2 GB/T 20047.1-2006 光伏(PV)组件安全鉴定第1部分:结构要求(IEC 61730-1:2004);4.3 GB/T 20047.2-2006光伏(PV)组件安全鉴定第2部分:试验要求(IEC 61730-2:2004);4.4 QEH-2011-RD-I139A太阳电池组件用晶硅电池片技术规范V1.0;4.5 QEH-2011- RD-I115A太阳电池组件用钢化玻璃技术规范V2;4.6 QEH-2011- RD-I121A太阳电池组件用EVA技术规范V2;4.7 QEH-2011- RD-I122A太阳电池组件用背板材料技术规范 V2;4.8 QEH-2011- RD-I114A太阳电池组件用焊带技术规范V1.2;4.9 QEH-2011- RD-I123A太阳电池组件用接线盒技术规范V2.0;4.10 QEH-2010-RD-I118A太阳电池组件用铝合金边框技术规范;4.11 QEH-2011-RD-I119A 太阳电池组件用透明胶带技术规范V1.0;4.12 QEH-2011-RD-I124太阳能电池组件制造工艺过程卡汇总V4.0;4.13 IEC 60364-2005 Electrical installations of buildings-Part 5-51 Selection and erection of electrical equipment-Common rules.5定义5.1 组件:具有封装及内部连接的、能单独提供直流电输出的、不可分割的最小太阳能电池组合装置。
太阳能光伏电池组件设计与制造自工业革命以来,能源消耗一直是人类经济发展的关键,但随着经济的不断发展,对于能源的需求也越来越大。
同时,环境问题也逐渐成为人类关注的热点。
在这种情况下,太阳能光伏电池组件作为一种新型的可再生能源,逐渐开始被广泛运用。
太阳能光伏电池组件是由多个太阳能电池单元拼接而成,可用于转换太阳光能为电能供应。
由于其具有广泛的应用,因此其制造和设计变得非常重要。
下面将从设计和制造两个方面来详细介绍。
设计方面:1.光伏电池单元设计光伏电池单元的设计对于太阳能光伏电池组件的整体效率具有重要影响。
一般来说,光伏电池单元采用p-n结构,它们可以充分利用太阳光强烈的辐射,通过半导体材料转换为电能。
在设计时,我们需要考虑的因素包括欧姆电阻、短路电流、开路电压等。
2.电池片组合电池片组合实际上是将多个光伏电池单元拼合到一起,成为一个光伏电池板,可以用于装载到太阳能光伏电池组件上。
在电池片组合的环节中,我们需要考虑的因素包括电池片尺寸、电池间隔、电极连接方式等。
3.模块设计在光伏电池板的设计中,最后要将电池片组合到一起形成整个太阳能光伏电池组件。
模块设计中,我们需要考虑光伏电池板的大小、玻璃厚度、支架结构、保护层等因素,同时,还需要考虑在不同的环境和气候条件下,太阳能光伏电池组件可以正常工作或旋转。
制造方面:1.制造材料太阳能光伏电池组件的制造材料是多种多样的。
一般来说,我们使用的是具有较高转换效率的单晶硅或多晶硅。
在制造时,以单晶硅为例,需要先准备晶状硅块,之后将其进行切割后形成光伏电池片。
因此,材料的准备对于光伏电池组件的制造至关重要。
2.组件制造光伏电池组件的制造通常分为以下几个环节:切割、清洗、钝化、涂覆等。
组件制造的目的是在制造过程中尽可能减少组件中光电效应失效的可能性,促进其在太阳光下的工作。
总之,太阳能光伏电池组件的制造和设计是一个复杂的过程,需要各个环节相互配合、相互支持,始能最终制造出高效率、高质量的太阳能光伏电池组件。
动力电池技术的国际标准与规范随着全球能源转型和汽车产业的快速发展,动力电池作为电动汽车的核心组件之一,其技术标准与规范的制定和实施变得至关重要。
本文将对动力电池技术的国际标准和规范进行探讨,以期为相关行业提供参考和借鉴。
一、动力电池技术的国际标准1. ISO/IEC 62660系列标准ISO/IEC 62660系列标准是国际上最重要的动力电池标准之一。
该系列标准主要规定了动力电池的性能测试方法、耐久性能要求、安全性能要求等内容,为动力电池的设计、研发、制造和使用提供了一致的技术规范。
2. UN R100UN R100是联合国制定的动力电池国际标准,适用于电动汽车和混合动力汽车的高压动力电池系统。
该标准对动力电池的安全性能、机械强度、电气安全性和安全管理等方面进行了详细规定,确保了动力电池的安全可靠性。
3. GB/T 31485-2015GB/T 31485-2015是中国制定的动力电池技术标准,是中国汽车工业领域的动力电池技术标准,与国际标准相互衔接。
该标准细化了电池的性能指标、测试方法和试验条件,有力地推动了我国动力电池行业的规范化和标准化发展。
二、动力电池技术的国际规范1. ISO/IEC 29167系列规范ISO/IEC 29167系列规范是国际电工委员会和国际标准化组织联合制定的,主要规范了动力电池与车辆之间的通信标准。
该系列规范确保了动力电池在不同车辆之间的互操作性和通信的安全性,为电动汽车的发展提供了技术保障。
2. SAE J2929SAE J2929是美国汽车工程师协会制定的动力电池规范,详细规定了动力电池的构造、性能和测试方法。
该规范对动力电池的设计、制造、测试和使用提供了指导,为动力电池的研发和市场应用奠定了基础。
3. GB/T 31467.3-2015GB/T 31467.3-2015是中国制定的动力电池规范之一,主要规定了动力电池的储存、运输和安全要求。
该规范要求电池制造商和使用者制定和执行相应的管理制度和操作规程,确保动力电池的安全运输和存储。
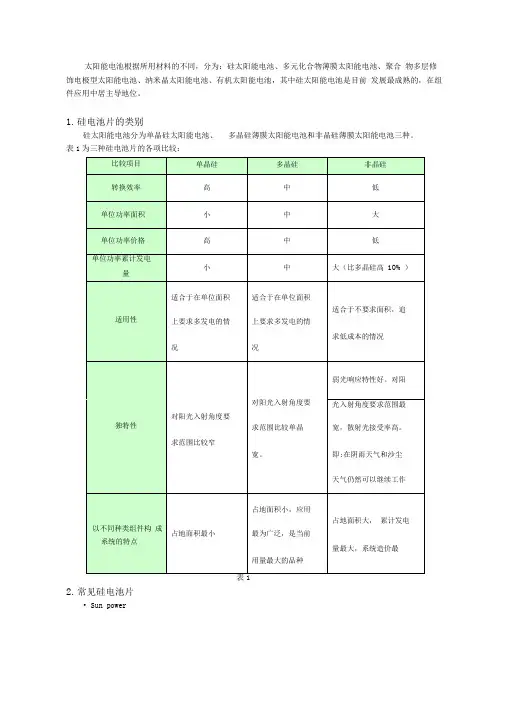
太阳能电池根据所用材料的不同,分为:硅太阳能电池、多元化合物薄膜太阳能电池、聚合物多层修饰电极型太阳能电池、纳米晶太阳能电池、有机太阳能电池,其中硅太阳能电池是目前发展最成熟的,在组件应用中居主导地位。
1.硅电池片的类别硅太阳能电池分为单晶硅太阳能电池、多晶硅薄膜太阳能电池和非晶硅薄膜太阳能电池三种。
表1为三种硅电池片的各项比较:2.常见硅电池片• Sun power特点:采用只在背面配置电极的背接触式(Back Con tact )结构。
由于表面没有遮光的电极, 因此,不仅转换效率高,而且整个电池单元呈黑色,富于创意性。
• EverGreen特点:背面采用方形电极。
• Motech(茂迪)/JA(晶澳)/JW(珈伟)/GE/SM(西门子)/SF(林洋)3.太阳能电池的电性能参数3.1转换效率n太阳能电池转换效率是太阳能电池的输出功率P与投射到太阳能电池面积上的入射光功率S 之比,其值取决于工作点。
如果阵列不工作于最大功率点,则阵列的效率实际上都低于按此定义的效率致,世纪效率可以任意的低,甚至低到零。
此外,只有当所有的其他重要参数(如日照强度、光谱、温度等)都已确定时,效率才能被唯一的定义。
3.2填充因子FF可以定义为最大输出功率与Isc、Voc之比,也就是最大功率矩形面积对Isc、Voc矩形面积的比例。
对于太阳能电池来说,填充因子是一个重要的参数,它可以反映太阳能电池的质量。
太阳能电池的串联电阻越小,并联电阻越大,填充系数就越大,反映到太阳能电池的电流-电压特性曲线上,曲线就越接近正方形,此时太阳能电池的转换效率就越高。
3.3短路电流Isc当V=0时,电流达到最大,称短路电流Isc (Short-Circuit Current )。
3.4开路电压Voc当 I=0 时,电压达到最大,称开路电压Voc ( Open Circuit Voltage )。
3.5最大工作功率 Pm在 l=lsc,V=O 及 V=Voc,=0 处,其功率值P=0°V=Vm,l=lm,可得最大功率 Pm( Maximum Power Point) =VmIm,功率取之于 0〜Pm之间。
光伏发电站设计规范组件选型与布局原则光伏发电站的设计规范是确保光伏发电系统能够正常运行和高效发电的关键因素之一。
在光伏发电站的设计中,组件的选型和布局原则至关重要。
本文将详细介绍光伏发电站设计中组件选型与布局的相关原则。
一、组件选型1. 高效率组件选型在光伏发电站设计中,应优先选用高效率的组件。
组件的效率直接影响到整个发电系统的发电量。
选择高效率的组件不仅可以提高光伏发电系统的发电效率,还可以降低系统建设和运维成本。
因此,在选型过程中应该比较不同品牌和型号的组件,选择效率最高的组件。
2. 质量可靠组件选型光伏发电站建设是长期投资,因此在组件选型中要考虑质量可靠性。
应选择经过长期运行验证且有较好口碑的厂商和品牌,确保组件的质量可靠,降低故障发生的可能性。
此外,还应结合供应商的售后服务能力进行综合评估。
3. 适应性强的组件选型光伏发电站通常会面临各种不同的环境条件,如高温、低温、高海拔、风沙等。
在组件选型时,要选择适应性强的组件,能够在不同环境条件下稳定运行并保持较高的发电效率。
一般来说,应选择通过相关环境测试认证和具有良好抗压、防水、防尘性能的组件。
二、组件布局原则1. 布局方向一致性光伏发电站中的组件布局应保持方向一致性,即组件的朝向应一致。
这样可以最大程度地利用太阳能资源,提高光伏发电系统的发电效率。
在布局时要考虑站址的地形、建筑物遮挡等因素,合理安排组件的布局方向。
2. 避免阴影遮挡阴影遮挡会降低光伏组件的发电效率,因此在组件的布局中要避免阴影遮挡。
可以采用合理的间距和高度安排来减少组件之间的相互遮挡,提高整个发电系统的发电效率。
3. 布局密度合理组件布局的密度会影响到光伏发电系统的发电量和功率密度。
在组件布局中,要根据光伏电池板的尺寸、最佳太阳照度、安全间距等因素,合理安排组件的布局密度,以获得最大的发电量和功率密度。
4. 电缆布线规范在组件布局中,电缆布线也非常重要。
应采用符合规范的电缆布线方式,避免电缆的交叉和错综复杂,减少线损和故障发生的可能性。
电池组件结构设计与参数指标分析在生产电池组件之前,就要对电池组件的外型尺寸、输出功率以及电池片的排列布局等进行设计,这种设计在业内就叫太阳能电池组件的板型设计。
电池组件板型设计的过程是一个对电池组件的外型尺寸、输出功率、电池片排列布局等因素综合考虑的过程。
设计者既要了解电池片的性能参数,还要了解电池组件的生产工艺过程和用户的使用需求,做到电池组件尺寸合理,电池片排布紫凑美观。
组件的板形设计一般从两个方向入手。
一是根据现有电池片的功率和尺寸确定组件的功率和尺寸大小;二是根据组件尺寸和功率要求选择电池片的尺寸和功率。
电池组件不论功率大小,一般都是由36片、72片、54片和60片等几种串联形式组成。
常见的排布方法有4片×9片、6片×6片、6片×12片、6片×9片和6片×10片等。
下面就以36片串联形式的电池组件为例介绍电池组件的板型设计方法。
例如,要生产一块20W 的太阳能电池组件,现在手头有单片功率为2.2~2.3W的125mm×125mm单晶硅电池片,需要确定板型和组件尺寸。
根据电池片情况,首先确定选用2.3W的电池片9片(组件功率为2.3W×9-20.7W,符合设计要求,设计时组件功率误差在±5%以内可视为合格),并将其4等分切割成36小片,电池片排列可采用4片×9片或6片×6片的形式,如图3-7所示。
图中电池片与电池片中的间隙根据板型大小取2~ 3mm;上边距根据板型大小一般取35~50mm;下边距根据板型大小一般取20~35mm;左右边距根据板型大小一般取10~20mm。
这些尺寸都确定以后,就确定了玻璃的长宽尺寸。
假如上述板型都按最小间隙和边距尺寸选取,则4×9板型的玻璃尺寸长为633.5mm,取整为635mm,宽为276mm;6×6板型的玻璃尺寸长为440mm,宽为405mm。
光伏组件标准IEC61215光伏组件是利用太阳能光伏效应转化为电能的设备,广泛应用于太阳能发电系统中。
为保证光伏组件的性能和安全,国际电工委员会(IEC)制定了一系列的标准,其中最为重要和广泛适用的是IEC61215标准。
IEC61215标准是光伏组件的设计、性能和质量测试的国际标准,它涵盖了光伏组件的各项技术要求,是衡量光伏组件质量的重要标准之一。
该标准的制定旨在为光伏组件的设计和生产提供统一的规范,确保光伏组件具有良好的可靠性和性能。
IEC61215标准主要包括以下内容:1. 设计要求IEC61215标准对光伏组件的设计提出了具体要求,包括光伏电池片的选用、组件的结构设计和外观要求等。
这些设计要求旨在确保光伏组件具有良好的耐候性和机械强度,能够在各种恶劣环境下长期稳定运行。
2. 性能测试该标准对光伏组件的性能进行了详细的测试要求,包括光电转换效率、电性能、热性能、光老化性能等多个方面。
这些测试要求旨在确保光伏组件具有良好的电能转换效率和稳定的性能表现。
3. 质量控制IEC61215标准对光伏组件的生产过程和质量控制提出了具体要求,包括材料选择、工艺控制、产品检测等方面。
这些要求旨在确保光伏组件的质量稳定和可靠,确保产品符合设计要求。
4. 标识和包装标准要求光伏组件在生产完成后,必须进行明确的产品标识和合理的包装,确保产品在运输、存储和安装过程中不受损坏。
在实际生产和应用中,遵守IEC61215标准对光伏组件的设计、生产和应用具有重要意义。
遵守标准可以提高光伏组件的质量和可靠性,降低运行风险,延长产品使用寿命。
另通过遵守国际标准,可以增强产品的市场竞争力,获得更多的国际认可和市场机会。
IEC61215标准是光伏组件行业的重要标准之一,对光伏组件的设计、生产和应用具有重要意义。
只有严格遵守该标准,光伏组件才能具有良好的性能和质量,为可持续发展和清洁能源产业的发展做出应有贡献。
光伏组件的应用前景随着全球对清洁能源的需求不断增加,光伏组件作为太阳能发电系统的核心部件,具有广阔的应用前景。
电池组件生产工艺流程规范1. 原材料采购- 选用高质量的正极、负极材料、电解液和隔膜等原材料。
- 严格依照生产要求采购原材料,确保符合相关标准和规范。
2. 正负极制备- 将正极和负极材料分别与电解液混合,进行浆料制备。
- 利用涂布机将浆料均匀涂覆在铝箔或铜箔基底上。
- 对正负极材料进行烘干和卷绕,形成正负极片。
3. 隔膜处理- 将隔膜材料切割至合适尺寸。
- 对隔膜进行浸润处理以增强其电解液的导电性能。
4. 组装与封装- 将正负极片和隔膜按照一定规格叠放,并进行卷绕成电芯。
- 将电芯放入外壳中,注入电解液后,进行封装。
5. 充放电测试- 对已封装好的电池组件进行充电和放电测试。
- 检测电池组件的性能、容量和循环寿命等参数。
6. 成品检验- 对成品电池组件进行外观检查、电压测试和安全性能测试。
- 确保每个电池组件符合相关要求和标准。
7. 包装与出厂- 对合格的电池组件进行包装,并做好相应标识。
- 出厂前进行最终的质量检验,确保产品符合出厂标准。
以上就是电池组件生产的工艺流程规范,通过严格执行以上流程,可以确保生产出高质量的电池组件产品。
电池组件生产工艺流程规范的实施不仅直接关系到电池组件的品质,而且也非常重要,这是因为电池组件在如今的社会中有着广泛的应用,从电动汽车到便携式电子设备都需要它们。
因此,制定和执行一套完善的生产工艺流程规范可以确保电池组件的稳定性和性能,同时保障产品的可靠性和安全性。
8. 设备保养与维护- 确保生产设备的正常运行,进行定期的保养和维护。
- 对设备进行定期校准,以确保其稳定的生产能力。
9. 废料处理- 对生产过程中产生的废料进行分类处理和回收利用,减少环境污染。
- 确保废料处理符合相关环保法规和标准。
10. 生产记录与追溯- 对每一道工序的生产数据进行记录和保存,建立完整的生产档案。
- 实行生产批次追溯制度,以便能够对产品进行追溯并及时处理质量问题。
11. 人员培训- 对生产员工进行岗位培训,确保其具备相关生产技能和质量意识。
动力电池设计方案1 综述电动车的的电池就好比汽车油箱里的汽油。
它是由小块单元电池通过串并联方式级联后,通过BMS的管理,将电能传递到高压配电盒,然后分配给驱动电机和各个高压模块(DC/DC、空调压缩机、PTC等)。
电池管理系统(BMS)采用的是一个主控制器(BMU)和多个下一级电池采集模块(LECU)组成模块化动力电池管理系统,是一种具有有效节省电池电能、提高车辆安全性、实现充放电均衡和降低运行成本功能的电池管理系统模式。
高压控制系统的预充电及正负极高压继电器均由BMS控制,设置了充电控制继电器,增加高压充电时的安全性。
2 设计标准下列文件为本次MA00-ME100设计整改参考标准。
凡是注日期的文件,其随后所有的修改单(不包括勘误的内容)或修订版均不适用于本次设计开发,然而,鼓励根据本文件达成协议的各方研究是否可使用这些文件的最新版本。
凡是不注日期的文件,其最新版本适用于本次设计开发。
GB/T 18384.1-2001 电动汽车安全要求第1部分:车载储能装置GB/T 18384.2-2001 电动汽车安全要求第2部分:功能安全和故障保护GB/T 18384.3-2001 电动汽车安全要求第3部分:人员触电GB/T 18385 -2005 电动汽车动力性能试验方法GB/T 18386 -2005 电动汽车能量消耗率和续驶里程试验方法GB/T 18388 -2005 电动汽车定型试验规程GB/T 18487.1-2001 电动车辆传导充电系统一般要求GB/T 18487.2-2001 电动车辆传导充电系统电动车辆与交流/直流电源的连接要求GB/T 18487.3-2001 电动车辆传导充电系统电动车辆与交流/直流充电机(站)GB/T 17619-1998 机动车电子电器组件的电磁辐射抗扰性限值和测量方法GB/T 18387-2008 电动车辆的电磁场辐射强度的限值和测量方法带宽9KHz~30MHz QC/T 743-2006 电动汽车用锂离子蓄电池QC/T 413-2002 汽车电气设备基本技术条件ISO 11898-1-2003 道路车辆控制面网络(CAN) 第1部分:数据链接层和物理信号ISO 11898-2-2003 道路车辆控制器局域网(CAN) 第2部分:高速媒体访问单元ISO7637-2 道路车辆由传导和耦合引起的电骚扰(电源线瞬态传到干扰抗绕性试验)ISO11452-2 道路车辆窄带辐射的电磁能量产生的电干扰的部件试验方法(吸波屏蔽外壳)3 动力电池的标准在电动汽车中,动力电池组必须是具有强大能量的动力电源,除了作为驱动动力能源外,还要向空调系统、动力转向系统等提供电力能源。
太阳能电池组件国家标准太阳能电池组件是太阳能发电系统中的核心部件,其性能和质量直接影响着太阳能发电系统的发电效率和稳定性。
为了规范太阳能电池组件的生产和应用,保障太阳能发电系统的安全和可靠运行,国家制定了一系列的太阳能电池组件国家标准。
首先,太阳能电池组件国家标准对太阳能电池组件的设计和制造提出了具体要求。
其中包括太阳能电池组件的外形尺寸、材料选用、结构设计、工艺要求等方面的规定。
这些要求旨在确保太阳能电池组件具有良好的机械强度和耐候性,能够在各种恶劣的环境条件下稳定运行。
其次,太阳能电池组件国家标准对太阳能电池组件的性能测试和评定提出了详细规定。
这些规定主要包括太阳能电池组件的光电转换效率、温度特性、耐久性、防火性能等指标的测试方法和要求。
通过对这些性能指标的测试评定,可以全面了解太阳能电池组件的实际性能表现,为用户选择和使用太阳能电池组件提供准确的参考依据。
此外,太阳能电池组件国家标准还对太阳能电池组件的安装和维护提出了相应的规范。
这些规范主要包括太阳能电池组件的安装位置、安装角度、安装结构、接线方式、防雷防盗措施等方面的要求。
同时,还对太阳能电池组件的日常维护和定期检查提出了具体的建议,以确保太阳能电池组件能够长期稳定、高效地运行。
总的来说,太阳能电池组件国家标准的制定和实施,为太阳能电池组件的设计、制造、测试、安装和维护提供了统一的技术规范和质量要求。
这不仅有利于提高太阳能电池组件的质量和性能,也有利于促进太阳能发电系统的健康发展,推动太阳能产业的持续发展。
因此,各相关企业和机构应当严格遵守太阳能电池组件国家标准的要求,不断提升自身的技术水平和产品质量,为太阳能产业的发展做出积极贡献。
电池组件生产工艺流程及操作规范电池组件生产工艺目录太阳能电池组件生产工艺介绍 (1)晶体硅太阳能电池片分选工艺规范 (5)晶体硅太阳能电池片激光划片工艺规范 (8)晶体硅太阳能电池片单焊工艺规范 (13)晶体硅太阳能电池片串焊工艺规范 (18)晶体硅太阳能电池片串焊工艺规范 (21)晶体硅太阳能电池片叠层工艺规范 (24)晶体硅太阳能电池组件层压工艺规范 (30)晶体硅太阳能电池组件装框规范 (35)晶体硅太阳能电池组件测试工艺规范 (38)晶体硅太阳能电池组件安装接线盒工艺规范 (41)晶体硅太阳能电池组件清理工艺规范 (44)太阳能电池组件生产工艺介绍组件线又叫封装线,封装是太阳能电池生产中的关键步骤,没有良好的封装工艺,多好的电池也生产不出好的组件板。
电池的封装不仅可以使电池的寿命得到保证,而且还增强了电池的抗击强度。
产品的高质量和高寿命是赢得可客户满意的关键,所以组件板的封装质量非常重要。
1流程图:电池检测——正面焊接—检验—背面串接—检验—敷设(玻璃清洗、材料切割、玻璃预处理、敷设)——层压——去毛边(去边、清洗)——装边框(涂胶、装角键、冲孔、装框、擦洗余胶)——焊接接线盒——高压测试——组件测试—外观检验—包装入库;2组件高效和高寿命如何保证:2.1高转换效率、高质量的电池片2.2高质量的原材料,例如:高的交联度的EVA、高粘结强度的封装剂(中性硅酮树脂胶)、高透光率高强度的钢化玻璃等;2.3合理的封装工艺;2.4员工严谨的工作作风;由于太阳电池属于高科技产品,生产过程中一些细节问题,一些不起眼问题如应该戴手套而不戴、应该均匀的涂刷试剂而潦草完事等都是影响产品质量的大敌,所以除了制定合理的制作工艺外,员工的认真和严谨是非常重要的。
3太阳电池组装工艺简介:3.1工艺简介:在这里只简单的介绍一下工艺的作用,给大家一个感性的认识,具体内容后面再详细介绍:3.1.1电池测试:由于电池片制作条件的随机性,生产出来的电池性能不尽相同,所以为了有效的将性能一致或相近的电池组合在一起,所以应根据其性能参数进行分类;电池测试即通过测试电池的输出参数(电流和电压)的大小对其进行分类。
手机电池设计规范目录一.概述 (1)二.常用手机电池封装方式介绍 (3)三.各类封装方案设计规范 (6)1.框架工艺电池设计规范 (6)2.点胶工艺电池设计规范 (12)3.注塑工艺设计规范 (18)4.MPACK电池设计规范 (25)5.软包工艺电池设计规范 (28)6.激光点焊工艺设计规范 (34)7.软包电池自动化设计规范 (37)8.部件尺寸公差设计规范 (40)一.概述全球通信行业飞速发展,一个崭新的移动互联时代正向我们走来,手机的需求量将更大。
对手机电池而言,这将是一个充满机遇与挑战的大市场。
近年来手机的功能和款式更新换代虽然频繁,但手机电池封装工艺却并没有明显的进步。
作为手机电池企业,如何才能在技术上取得突破?如何才能在国际竞争中争取到更大的优势呢?封装专业化将是手机电池封装厂商的出路。
要成为专业的封装厂商,必先在自身设计和工艺上形成具有专业性、规范性、前瞻性的指导文件。
我司在手机电池封装行业已经拼搏十数年,累计下了丰富的设计和生产经验,拥有目前封装行业所有的封装工艺,并推出了两项自主专利的封装方式。
本规范旨在为飞毛腿电子有限公司累计多年封装检验,总结和规范封装设计及工艺要求,满足客户要求,市场要求,成本要求,进一步提升封装水平。
二.常用手机电池封装方式介绍手机电池发展到今天,已经形成多种封装方式,其封装难度、工艺成本、外观尺寸各有优势,目前常用有七种封装方式,详见下文介绍:一.框架类方案优势:该方案适用面广,过程工艺相对简单;适用范围:适用与电池长度方向尺寸极限,但宽度方向空间富余,可以将保护板放置在侧面的方案;二.打胶类方案优势:电池空间利用率高,成品尺寸较小;方案不足:因该方案公差易产生一定累积;而国产电芯尺寸的公差远大于进口电芯,该方案不适用使用国产电芯方案.三.注塑类厚度方向空间利用率高,生产工艺简单,适合Polymer电芯封装(注:由于高温胶填充,视不同厂家电芯而异)四、MPACK工艺类新方案(上下钢片方式)前后壳+上下钢片+上下双面胶+填充硅胶+铭牌;PTC改为贴片在PCB上,点焊方便,工序简单。
太阳能电池根据所用材料的不同,分为:硅太阳能电池、多元化合物薄膜太阳能电池、聚合物多层修饰电极型太阳能电池、纳米晶太阳能电池、有机太阳能电池,其中硅太阳能电池是目前发展最成熟的,在组件应用中居主导地位。
1.硅电池片的类别硅太阳能电池分为单晶硅太阳能电池、多晶硅薄膜太阳能电池和非晶硅薄膜太阳能电池三种。
表表12. 常见硅电池片●Sunpower特点:采用只在背面配置电极的背接触式(Back Contact)结构。
由于表面没有遮光的电极,因此,不仅转换效率高,而且整个电池单元呈黑色,富于创意性。
●EverGreen特点:背面采用方形电极。
●Motech(茂迪)/JA(晶澳)/JW(珈伟)/GE/SM(西门子)/SF(林洋)3. 太阳能电池的电性能参数3.1转换效率η太阳能电池转换效率是太阳能电池的输出功率P与投射到太阳能电池面积上的入射光功率S 之比,其值取决于工作点。
如果阵列不工作于最大功率点,则阵列的效率实际上都低于按此定义的效率致,世纪效率可以任意的低,甚至低到零。
此外,只有当所有的其他重要参数(如日照强度、光谱、温度等)都已确定时,效率才能被唯一的定义。
3.2 填充因子FF可以定义为最大输出功率与Isc、V oc之比,也就是最大功率矩形面积对Isc、Voc矩形面积的比例。
对于太阳能电池来说,填充因子是一个重要的参数,它可以反映太阳能电池的质量。
太阳能电池的串联电阻越小,并联电阻越大,填充系数就越大,反映到太阳能电池的电流-电压特性曲线上,曲线就越接近正方形,此时太阳能电池的转换效率就越高。
3.3 短路电流Isc当V=0时,电流达到最大,称短路电流Isc(Short-Circuit Current)。
3.4 开路电压Voc当I=0时,电压达到最大,称开路电压Voc(Open Circuit Voltage)。
3.5 最大工作功率Pm在I=Isc,V=0及V=V oc,I=0处,其功率值P=0。
V=Vm,I=Im,可得最大功率Pm(Maximum Power Point)=VmIm,功率取之于0~Pm之间。
4. 电池片的使用流程电池片的作为组件最核心的原材料,在进行组件装配之前会进行一系列的前期准备工作。
包括弱光、分选、电性能测试、划片等或其中的几个步骤。
下面列举常用的Sunpower电池片和EverGreen电池片的使用流程。
4.1 Sunpower电池片使用流程:4.1.1 将Sunpower的Q档电池片进行弱光测试,将弱光测试≥0.1V的电池片进行第3步(外观分选);将<0.1V的电池片进行下一步(单片热斑测试)4.1.2 进行单片热斑测试,合格片进行第3步(外观分选);不合格片进行第5步(切片);4.1.3 进行外观分选,将外观合格片进行下一步(电性能测试);不合格片进行第5步(切片);4.1.4 进行功率或电流分选,电性能合格片将入库;不合格片进行下一步;4.1.5 激光划片机切割成1/3片;或将1/3片切割成做小板型。
4.1.6 将切割的1/3片进行弱光测试,将弱光测试≥0.1V的电池片进行第3步,将<0.1V的电池片返回进行第2步(单片热斑测试);4.2 Evergreen电池片使用流程:4.2.1 整片进行外观分选4.2.24.2.34.2.45. 电池片的划片在组件设计过程中有时候需要将整片电池片切割成更小的单体电池片,再进行串并联电路连接。
针对不同的电池片,激光划片操作略有不同,下面针对两种典型的Sunpower电池片和Evergreen电池片的划片操作进行说明。
5.1 Sunpower电池片划片操作规程:5.1.1开启电源、水循环、水温控制空调、吸尘泵、吸附泵并确认已正常工作;5.1.2启动激光调制和载片平台;5.1.3启动计算机,进入系统,开启程序,按切割图纸要求的尺寸设定载片台的运行路径和速度(如果之前已设定好,可直接载入);5.1.4调整激光切割机工作电流直至切割后的电池好掰为止;5.1.5调整操作台初始位置,关闭频率,放一片电池在载片台上,运行一次程序。
看切割后电池的尺寸是否按图纸要求,是否切割在绝缘线内;5.1.6把光滑平整的纸用胶带固定到载片台非切割区域堵住吸附孔,防止气体流通;5.1.7将一定数目的电池(背面向上),放到载片台上非切割区域;5.1.8双手轻轻拿起一片电池(背面向上)放到载片,负极这一边紧靠铁条,然后启动切割程序,按照图纸要求进行切割。
将已切割好的电池放到托盘上,再将正极这一边紧靠铁条,按上述步骤操作;5.1.9切片完后,用一张白纸轻轻插入切好的电池正面下面,然后用白纸将切好的电池托起放到工作台上,再用白纸放在已掰好电池的正面,将一定数量的电池按大角、小角、直片分类摆放并做好标识,放入托盘内,在切割区域放上下一片电池准备切割;5.1.10将切割不良的电池挑出,做好标识。
5.2 Evergreen电池片划片操作规程:5.2.1打开激光机电源,启动激光切割程序,校准载片台的初始位置;5.2.2打开吸尘泵,确认激光机和吸尘泵工作正常;5.2.3按所需切割尺寸进行编程,然后将分选好电池紧靠中心铁条放在切片平台上;5.2.4用压条压在被切割电池上,如被切割的电池上、下两端翘起,应用手把电池压住,然后开始切割;5.2.5关闭吸尘泵,小心拿起切片平台上切好的电池,力度均匀的掰开;5.2.6将切割后的电池按照《EG电池检验标准》自检,然后纵向有序地放置在周转纸箱里;5.2.7操作的过程中,发现不良品,挑出并存放在指定区域。
3.电池片的分选3.1 单片电性能测试制作太阳能电池组件时,要分选出电性能参数一致的单体电池片进行组合和封装,以保证太阳能电池组合的损失最小。
常见分选方式:1.电流分档:以定电压测电流的方法,将电池片分为若干个档位,通常电压取经验值0.52V,测得电流以0.00~0.09A的电流区间分档。
2.功率分档:直接测得单片电池片的工作功率Pm,通常以0.00~0.09W的功率区间进行分档。
单片测试操作规程:1.准备工作1.1穿好工作衣、工作鞋,戴好工作帽、手套。
1.2清洁、整理工作场地、设备和工具。
2.自检:对上道工序来料进行检验。
检验要求如下:2.1芯片无破损、裂纹、无栅线断线。
2.2缺角面积不大于1mm2,每片不超过2个。
3.分检操作过程:3.1按单片测试仪设备操作规程打开分检测试仪电源开关。
3.2按下“量程”、“分标”、“小片”按钮,测试仪自动闪光(需自动闪光半小时,对设备进行预热)。
3.3将标准电池片置于测试铜板上校准,功率误差不超过±1%W,否则请维修人员调整。
将校准结果做好记录。
3.4将待测电池沁片置于测试台铜板上,并将电极压在电池芯片正面的主栅极上,保证正、负电极其接触良好,在电脑显示器上设定一栏里设定芯片面积,单晶125电池片面积为0.14857mm2,156电池片为0.241 mm2,多晶片输入实际的边长尺寸即可。
3.5设备预热后进行分检测试,按最大功率1W以上的每0.1W一个档次进行分档,1W以下的每0.05W一个档次进行分档。
3.6每隔2个小时校准一次标准片,若发现功率超出标准范围后,前2个小时测试的芯片重新进行检测。
3.7检测结束后,进行自检。
4.自检要求如下:4.1芯片无碎片、裂纹,缺角面积符合要求。
4.2记录清晰,堆放整齐,无混档现象。
4.3符合要求,做好相关记录,并流下道工序。
4.4发现有批质量问题,立即报告生产主管。
5. 注意事项5.1分检测试仪的铜电极一定要与电池芯片背表面的印刷电极接触良好。
5.2将操作时产生的待处理片和废片分类放置。
5.3不符合自检要求的单片,为待处理片。
3.2电池片的外观分检由于不同厂家生产的电池片制作工艺及结构均有差异,故外观分选的标准各有差异。
通常观察以下几个方面:电池片缺口、崩边、表面污点、花斑、划伤、磨花、裂纹、栅线破损等,依据缺陷的程度分为A,B…等级。
1. 准备工作1.1穿好工作衣、工作鞋,戴好工作帽、手套。
1.2清洁、整理工作场地、设备和工具。
2. 自检:对上道工序来料进行检验。
检验要求如下:2.1对来料包装进行确认与生产任务书上要求的芯片效率一致。
2.2对生产商进行确认与生产任务书上生产商一致,包装完好无破损。
2.3对来料数量进行确认,来料数量与领料单上的数据相符再进行拆箱分检。
3. 分检要求如下:3.1外观缺陷检验,来料电池片必须完好,缺角面积不大于1mm2的每片不超过两处,无碎片、无隐裂、无栅线断线、无银铝浆脱落、无鼓包等现象,若有以上缺陷现象挑出后按照不同的缺陷现象进行分类包装并做好记录。
3.2规格尺寸及印刷图案检验,来料的电池片尺寸必须一致,无平行四边形、斜边或缺边现象,印刷图案一致。
3.3按单片不同的颜色进行分类,把颜色相近的电池片放在一起。
3.4按不同的电池片效率进行分类,把相同效率的电池片放在一起3.5把相同颜色、相同效率的电池片按照当日生产规格组件规定的串联电池片的数量要求进行分类。
3.6按照当日生产组件的数量分好相应数量的电池片。
3.7把分检好的电池片按照总数量的千分之二进行电性能抽检,按照单片测试操作规程进行检测,电性能误差不超过《原材料检验规范》的规定即可通过,检测完成后的电池片必须放回原来的分类档次里边。
3.7检测结束后,进行自检。
4. 自检要求如下:4.1检测分类好的电池片必须是完好的,外观缺陷检验必须是百分百的检验,不能有漏检现象,分类要清晰,标识要准确。
4.2记录清晰准确,堆放整齐,无混档现象。
4.3符合要求,做好相关记录,并流下道工序。
4.4发现有批质量问题,立即报告生产主管。
5. 注意事项5.1分检过程中必须戴好手套或指套,不可以用手直接接触电池片。
5.2将操作时产生的碎片按大小形状分类放置。