架空线路杆塔接地装置
- 格式:ppt
- 大小:1.36 MB
- 文档页数:50
架空线路杆塔的接地装置一、架空线路杆塔的接地装置第一节架空线路杆塔接地的意义及要求一、架空线路杆塔的意义架空线路杆塔接地对电力系统的安全稳定运行至关重要,降低杆塔接地电阻是提高线路耐雷水平,减少线路雷击跳闸率的主要措施。
由于杆塔接地电阻高而产生的雷击闪络事故相当多,典型的有500kV天平Ⅰ、Ⅱ回输电线路。
由于大部分位于山区、地质条件较差,许多杆塔的接地电阻不合格,有不少杆塔的接地电阻在100Ω以上,造成线路耐雷水平低,经常发生雷电绕击、反击,使线路跳闸,影响了电网的安全稳定运行。
经对线路杆塔接地进行了降阻高燥,使线路雷击跳闸率得到了有效的控制。
又如,信阳110kV信李线,由于部分杆塔的接地电阻不合格,在1992年和1993年多次发生雷击跳闸事故。
特别是110kV平宝线,因线路的部分杆塔要经过雷电流活动强烈的震雷山,杆塔的接地电阻又不合格,高的达100Ω以上,因而在1995年前,每年都要发生雷击跳闸,有的一年发生多次跳闸,1996年对接地电阻不合格的杆塔接地进行了改造,改造后的5年间没有发生一次雷击跳闸事故。
因此可见,降低杆塔接地电阻,使之达到合格范围,对防止雷击跳闸,保证电网安全是非常重要的。
二、架空线路杆塔接地的标准要求对架空线路杆塔的接地电阻和型式在电力行业标准DL/T620-1997《交流电气装置的过电压保护和绝缘配合》、L/T621-1997《交流电气装置的接地》中都提出了具体的要求。
是设计、安装和改造架空线路杆塔接地的依据。
1、杆塔的接地电阻(1)有避雷线线路杆塔的接地电阻。
有避雷线的线路,每基杆塔不连避雷线时的工频接地电阻,在雷季干燥时,不宜超过表4-1所列数值。
雷电活动强烈的地方和经常发生雷击故障的杆塔和线段,应改善接地装置,适当提高绝缘水平或架设耦合地线。
表1 有避雷线的线路杆塔接地电阻注:如土壤电阻率超过2000Ω.m,接地电阻很难降低到30Ω时,可采用6-8根总长不超过500m的放射形接地体,或采用连续伸长接地体,其接地电阻不受限制(2)无避雷线线路杆塔的接地电阻。
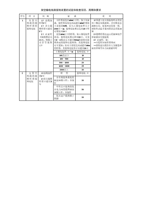
架空输电线路接地装置的试验和检查项目、周期和要求序号项目周期要求说明1 有架空地线的线路杆塔的接地电阻1)进线段杆塔2年2)其它线路杆塔不超过5年3)必要时(如线路雷击跳闸、绝缘子击穿等故障后)当杆塔高度在40m以下时,按下列要求,如杆塔高度达到或超过40m时则取下表值的50%,但当土壤电阻率大于2000Ω·m,接地电阻难以达到15Ω时可增加至20Ω高度40m以下的杆塔,如土壤电阻率很高,接地电阻难以降到30Ω,可采用6~8根总长不超过500m的放射形接地体或连续伸长接地体,其接地电阻可不受限。
但对于高度达到或超过40m的杆塔,其接地电阻也不宜超过20Ω1)基建工程交接验收时必须采用三极法布线测量,并用钳表法测量比对,如果两者结果一致,预防性试验才能用钳表法直接测量2)线路杆塔改造后的测量程序和要求同交接验收3)必要时,如:—巡检时怀疑杆塔地网—放射延长线存在人为偷盗和雨水冲刷等外力因素破坏时土壤电阻率,Ω·m接地电阻,Ω100及以下10100~500 15500~1000 201000~2000 252000以上302 无架空地线的线路杆塔接地电阻1)进线段杆塔2年2)其它线路杆塔不超过5年种类接地电阻,Ω非有效接地系统的钢筋混凝土杆、金属杆30中性点不接地的低压电力网的线路钢筋混凝土杆、金属杆50低压进户线绝缘子铁脚30。
架空输电线路的接地装置所谓接地是指用接地线和接地体将电力设备、架空送电线路杆塔、避雷线、避雷器与大地相连。
接地体是指埋入地中并与大地接触的金属导体,分为自然接地体和人工接地体两种。
自然接地体是指直接与大地接触的金属构件、杆塔基础和拉线等。
人工接地体是指特地敷设的金属导体。
根据敷设方法的不同,又分为水平接地体和垂直接地体两种。
水平接地体一般采纳圆钢或扁钢。
接地体的长度和根数依据接地电阻值的要求确定。
接地体的埋深应不小于0.6m。
为了削减相邻接地体之间的屏蔽作用,接地体之间的距离不宜小于5m。
垂直接地体垂直敷设于地中。
一般采纳角钢或钢管,为了使接地体与大地联结牢靠,接地体的长度不宜小于2m。
为了削减接地电阻,确保接地牢靠,接地体不宜少于两根。
为了削减接地体间的屏蔽作用,提高利用系数,接地体间的距离一般为其长度的两倍。
为充分发挥接地体的散流作用,接地体顶端距地面应不小于0.6m。
接地线是指电力设备、避雷线、避雷器或架空送电线路杆塔与接地体连接的金属导体。
接地体和接地线的规格,既要满意热稳定性的要求,又要能承受肯定年限的腐蚀。
其最小规格见表1规定。
表1接地体和接地线的最小规格种类规格及单位地上(屋外)地下圆钢直径(㎜)68扁钢截面(mm2)4848厚度(㎜)44角钢厚度(㎜)2.54钢管管壁厚度(㎜)2.53.5对于南方湿热地区、盐碱地区或其他严峻腐蚀地区,应适当加大截面,或实行热镀锌、热镀锡措施。
接地体和接地线总称为接地装置,其作用是将雷电流引入大地,并通过接地体向大地集中,以爱护送电线路的正常运行。
接地装置的型式,有设计部门依据土壤电阻率及允许的接地电阻(见表2)确定。
表2有避雷线架空送电线路杆塔的工频接地电阻土壤电阻率ρ(Ω·m)ρ≤100100<ρ≤500500<ρ≤10001000<ρ≤2000ρ≥2000允许工频电阻(Ω)1015202530有关详细规定不述。
在土壤电阻率ρ≤100Ω·m的潮湿地区,如杆塔的自然接地电阻不大于表1-7中规定,可利用铁塔和钢筋混凝土电杆的自然接地(包括铁塔基础以及钢筋混凝土杆埋入地中的杆段和底盘、拉线盘等),不必另人工接地装置,但发电厂、变电所的进出线地段除外。
架空线路杆塔接地电阻的计算1杆塔接地装置的工频接地电阻杆塔水平接地装置的工频接地电阻可利用下式计算j2R=-^-(↑n-+A l)(1)2πLhd,式中的A.和L按表1取值。
2杆塔接地装置与单独接地极的冲击系数杆塔接地装置接地电阻的冲击系数,可利用以下各式计算:铁塔接地装置:a=0.74∕√)4(7.0+√Z)[1.56-exp(-3.0∕,Γ04)](D2)式中:L一一流过杆塔接地装置或单独接地极的冲击电流,kA;P 以Q∙m表示的土壤电阻率。
钢筋混凝土杆放射型接地装置:a=1.36∕√4(1.3+√Z)[1.23-exp(-4.0/产力(D3)钢筋混凝土杆环型接地装置:a=2.94夕川(6.0+√Z)[1.23-exp(-2.0/苫力(D4)单独接地极接地电阻的冲击系数,可利用以下各式计算:垂直接地极:a=2.752s-S+√Z)[0.75-exp(T.5/苫)](D5)单端流入冲击电流的水平接地极:a=1.62,°4(5.o+√Z)[θ.79-exp(-2.3∕/2)](D6)中部流入冲击电流的水平接地极a=l.l6夕《4(7.1÷√Z)[0.78-exp(-2.3∕,^∙2)](D7)3杆塔自然接地极的冲击系数杆塔自然接地极的效果仅在P《300。
・m才加以考虑,其冲击系数可利用下式计算:式中:a i——对钢筋混凝土杆、钢筋混凝土桩和铁塔的基础(一个塔脚)为0.053;对装配式钢筋混凝土基础(一个塔脚)和拉线盘(带拉线棒)为0.038O4接地极的利用系数各种型式接地极的冲击利用系数ni可采用表D2所列数值。
工频利用系数一般为ng ni∕o.9≤io但对自然接地极,nn i∕o.7。
5接地电阻的简易计算各种型式接地装置工频接地电阻的简易计算式列于表30表3各种型式接地装置的工频接地电阻简易计算式。
架空线路的基本结构架空输电线路的主要部件有: 导线和避雷线(架空地线)、杆塔、绝缘子、金具、杆塔基础、拉线和接地装置等。
如图所示。
图架空输电线路一、导线和避雷线导线是用来传导电流、输送电能的元件。
输电线路一般都采用架空裸导线,每相一根,220kV及以上线路由于输送容量大,同时为了减少电晕损失和电晕干扰而采用相分裂导线,即每相采用两根及以上的导线。
采用分裂导线能输送较大的电能,而且电能损耗少,有较好的防振性能。
(一)架空导线的排列方式导线在杆塔上的排列方式:对单回线路可采用上字形、三角形或水平排列,对双回路线路可采用伞形、倒伞形、干字形或六角形排列,见图4—1。
图4-1 导线在杆塔上排列方式示意图导线在运行中经常受各种自然条件的考验,必须具有导电性能好、机械强度高、质量轻、价格低、耐腐蚀性强等特性。
由于我国铝的资源比铜丰富,加之铝和铜的价格差别较大,故几乎都采用钢芯铝线。
避雷线一般不与杆塔绝缘而是直接架设在杆塔顶部,并通过杆塔或接地引下线与接地装置连接。
避雷线的作用是减少雷击导线的机会,提高耐雷水平,减少雷击跳闸次数,保证线路安全送电。
(二)导、地线分类导、地线一般可按所用原材料或构造方式来分类。
1、按原材料分类裸导线一般可以分为铜线、铝线、钢芯铝线、镀锌钢绞线等。
铜是导电性能很好的金属,能抗腐蚀,但比重大,价格高,且机械强度不能满足大档距的强度要求,现在的架空输电线路一般都不采用。
铝的导电率比铜的低,质量轻,价格低,在电阻值相等的条件下,铝线的质量只有铜线的一半左右,但缺点是机械强度较低,运行中表面形成氧化铝薄膜后,导电性能降低,抗腐蚀性差,故在高压配电线路用得较多,输电线路一般不用铝绞线;钢的机械强度虽高,但导电性能差,抗腐蚀性也差,易生锈,一般都只用作地线或拉线,不用作导线。
钢的机械强度高,铝的导电性能好,导线的内部有几股是钢线,以承受拉力;外部为多股铝线,以传导电流。
由于交流电的集肤效应,电流主要在导体外层通过,这就充分利用了铝的导电能力和钢的机械强度,取长补短,互相配合。
线路杆塔接地装置维修施工方案及安全技术措施一、线路杆塔接地装置维修施工方案:1.施工组织方案:a.组织专业技术人员进行现场勘察和分析,确定维修的具体方案。
b.按照工程计划,确定施工队伍和所需的设备、材料及工具。
c.制定施工方案,包括具体的作业步骤、施工方法和注意事项。
2.施工准备工作:a.确定施工现场,划定警示线和施工专用区域。
b.安排专业技术人员进行现场安全培训,确保施工人员了解施工方案和相关安全技术措施。
c.对施工所需的工具和设备进行检查和维修,确保其正常运行。
d.进行现场环境检查,确保施工现场的安全和整洁。
3.施工步骤:a.封锁施工区域,确保施工现场安全。
b.拆除旧的接地装置,包括相关的接地线和接地极等。
c.对接地极进行清理和检查,确保其没有杂物和腐蚀现象。
d.安装新的接地装置,包括接地线、接地极和接地底座等。
e.进行接地装置的连接和调试,确保其正常工作。
f.进行接地装置的试验和检测,确保其符合相关要求。
4.施工验收:a.进行接地装置的电气性能测试,包括接地电阻和接地电势等。
b.对施工现场进行清理和整理,确保施工现场的安全和整洁。
c.进行施工质量验收,确保维修工作符合设计要求。
d.编制维修工作报告,记录维修的具体情况和施工表现。
二、安全技术措施:1.安全教育培训:a.对施工人员进行安全知识和施工技能的培训,确保其具备相关专业知识和技能。
b.强调施工人员的个人防护意识,包括佩戴安全帽、安全鞋、防护眼镜等。
2.施工现场管理:a.设立警示标志和警示线,防止未经授权的人员进入施工区域。
b.确保施工现场通风良好,防止有害气体积聚。
c.严禁在施工现场吸烟或进行其他火源活动。
d.安排专人对施工现场进行定期巡视,发现问题及时处理。
3.作业安全防护:a.在进行高空作业时,使用安全带、防护网等防止坠落。
b.使用绝缘工具,确保维修人员的人身安全。
c.在施工现场设置消防器材,以防火灾发生。
4.电气安全措施:a.在进行电气设备维修时,先切断电源并对电气设备进行安全检查。
架空输电线路基本组成图⽂详解通过图⽂对架空输电线路的杆塔、导线、绝缘⼦、线路⾦具、拉线、杆塔基础、接地装置等的简单阐述。
本次笔者打破常规分类,按从下到上对架空输电线路的主要构成部分进⾏简单介绍,让输电线路的⼊⾏者及⾮输电线路⼯作者了解架空输电线路的基本组成。
1. 杆塔基础及接地▲杆塔基础杆塔基础:埋设在地下,与杆塔底部连接,稳定承受所作⽤荷载的⼀种结构。
图中钢筋混凝⼟部分属于铁塔基础。
▲杆塔地脚螺栓杆塔地脚螺栓:埋设于杆塔基础中,与杆塔底部连接,稳定承受所作⽤荷载的⼀种圆钢结构。
图中红⽩相间的圆钢属于杆塔地脚螺栓。
▲杆塔基础基⾯杆塔基⾯:杆塔地⾯的基准平⾯(⾼低腿⼀般以杆塔中⼼为准)。
▲杆塔基础⽴柱基础⽴柱:杆塔的插⼊式主材与地脚螺栓埋设其中的部分。
▲杆塔基础保护帽基础保护帽:保护地脚螺栓与塔脚板及塔底部主材。
图中基础顶⾯中间包裹塔材部分的混凝⼟部分为保护帽。
▲杆塔基础排⽔沟基础排⽔沟:为防⽌杆塔或杆塔基础被⾬⽔等冲刷⽽砌筑的将⽔引向保护范围外的⽔沟。
▲杆塔基础挡⼟墙杆塔基础挡⼟墙:指⽀承杆塔基础填⼟或⼭坡⼟体、防⽌基础填⼟或⼟体变形失稳的构造物。
▲钢筋混凝⼟电杆底盘钢筋混凝⼟电杆底盘:是预制的⽔泥制品,承受电杆底部向下压⼒,防⽌杆塔下陷的基础部分。
▲钢筋混凝⼟电杆拉盘钢筋混凝⼟电杆拉盘:⽔泥拉线盘承受的是上拔⼒,为防⽌上拔的固定点的,通常埋在⼟中的装置。
▲钢筋混凝⼟电杆卡盘钢筋混凝⼟电杆卡盘:是预制的⽔泥制品,为稳定电线杆,防⽌倒伏,承受的是倾覆⼒,受拉⽅向随风向的改变⽽改变。
▲钢筋混凝⼟电杆拉线钢筋混凝⼟电杆拉线:为了平衡电杆各⽅⾯的作⽤⼒并抵抗风压,防⽌电杆倾倒。
架空输电线路的拉线⼀般由拉盘,拉线U型挂环,拉线棒,UT型线夹,钢绞线,楔型线夹,拉线包箍等组成。
▲接地装置接地装置:接地装置是指埋设在地下的接地电极与由该接地电极到杆塔之间的连接导线的总称。
图中圆钢部分属于接地装置⼀部分。
▲接地引下线接地引下线:接杆塔与接地体的⾦属导体。
浅析输电线路杆塔接地装置摘要:输电线路的杆塔接地是输电线路中最重要的一环,是防止雷电危害不可或缺的措施之一。
为保证输电系统安全稳定运行,降低杆塔接地电阻是提高线路耐雷水平、减少线路雷击跳闸率的主要措施。
文章通过分析杆塔接地装置的一般要求、杆塔接地电阻超标的原因,从而探讨有效降低杆塔接地电阻的措施。
关键词:架空输电线路;杆塔;接地装置;接地电阻输电线路的杆塔接地是线路防雷的主要措施之一,其可靠性对保证电力系统的安全稳定运行具有重大的意义。
其中接地电阻是指接地引下线、接地散流电阻和接触电阻,它是用来确保外来雷电流入地面,绝缘线路的设备,以便减少线路被雷击的跳闸率,避免跨步电压对人体产生伤害和提高运行可靠性。
降低杆塔接地电阻是提高线路耐雷水平、降低线路雷击跳闸率的主要措施。
1雷电对输电线路的危害架空输电线路在运行中,由于杆塔接地不良而引发的雷害事故占线路故障率的比例较高,这主要是由于雷击杆顶或地线(避雷线)时,当雷电流通过杆塔接地装置泄流入地,由于接地电阻偏高,从而产生了较高的反击过电压所致。
这种由于线路遭受雷击时产生的过电压称为大气过电压,会使线路设备及其绝缘受到破坏而产生事故,若变电站防雷措施不良,甚至会造成变电站设备的损坏。
2杆塔接地装置的要求(DL/ T5092-1999)中9.0.11根据《110-500 kV架空送电线路设计技术规程》节的要求:有地线的杆塔应接地。
在雷季干燥时,每基杆塔不连地线的工频接地电阻。
在常规的输电线路工程中,高压架空线路杆塔的接地装置一般要求采用以下几种形式:(1)在土壤电阻率P≤100Ω•m的潮湿地区,可利用铁塔和钢筋混凝土杆自然接地。
对发电厂、变电站的进线段应另设雷电保护接地装置。
在居民区,当自然接地电阻符合要求时,可不设人工接地装置。
(2)在土壤电阻率100Ω•m<P<300Ω•m的地区,除利用铁塔和钢筋混凝土杆的自然接地外,应增设人工接地装置,接地极埋设深度不宜小于0.6 m。