电能计量装置带电接线检查方法
- 格式:doc
- 大小:36.50 KB
- 文档页数:5
如何带电检查电能表接线是否正确一、低压三相电能表的接线检查1.直接接入或经低压电流互感器接入三相二元件电能表的接线检查。
(1)断开A相电压进表线,观察铝盘之转向;恢复A相电压,断开C相电压进表线,观察铝盘之转向,若接线正确则有:cosφ>0.5时,电能表铝盘皆正转,且断开A相电压时的转速慢于断开C相电压时的转速。
cosφ=0.5时,断开UA铝盘正转,断开UC停转。
cosφ<0.5时,断开UA铝盘正转,断开UC反转。
(2)断开B相电压进表线,观察铝盘之转向,若接线正确,断开UB后的转速应为断开前转速的1/2。
(3)恢复B相电压,将A、C电压进表线调换,若接线正确,调换后铝盘应停转或稍有蠕动。
2.直接接入或经低压电流互感器接入三相二元件电能表的接线检查。
(1)将任一相电流进表线短路或从电流互感器二次侧短路,正常情况电能表铝盘转速应为短路前的2/3。
(2)恢复电流进线,再将另外随意一相电压断开,正常情况下铝盘转速应为断开前的2/3。
二、高压三相电能表的接线检查1.检查电流回路(1)使用接地导线,先将一端良好接地,另一端接触电能表电流出线端,观察铝盘的转向及转速,如果电流回路接线正确,接地导线接触前后转速应无明显变化。
(2)将接地导线分别接触二元件电流进线端,当cosφ>0.5时,接触随意一电流进线,铝盘转速皆应减慢;cosφ=0.5时,接地或接触IA进线转速应不变,接触IC进线铝盘应停转。
计量二次回路若装二次接线盒时,上述测定可操作接线电流连接片进行。
2.检查电压回路(1)使用验电器,检验电能表尾有无电压,并用相序表测定相序。
(2)分别断开UA、UC接表线,观察铝盘转动情况(可操作接线盒电压连接片进行)。
cosφ>0.5时,断开UA或UC,铝盘应正转并减速。
cosφ=0.5时,断开UA铝盘应正转,转速不变,断开UC铝盘应停转。
cosφ<0.5时,断开UA铝盘应正转,转速加快,断开UC铝盘应反转。
电能计量装置接线检查及提高准确性电能计量装置是用来计量电能消耗的装置,是电力系统中非常重要的设备之一。
它的准确性对于电力企业的收益和用户的权益具有至关重要的意义。
对于电能计量装置的接线检查和准确性的提高是非常重要的。
本文将从这两个方面展开讨论,以期能够更好地保障电能计量装置的准确性。
一、电能计量装置接线检查1. 接线原理电能计量装置的接线原理是基础中的基础,正确的接线原理才能够保证正常的电能计量。
在进行接线检查时,首先要对接线原理进行全面的了解和掌握,了解各个部件之间的连接方式和作用,确保连接不会出现问题。
2. 接线检查步骤接线检查是非常重要的工作,它直接关系到电能计量装置是否能够准确计量电能的问题。
在进行接线检查时,首先需要对接线端子进行检查,保证接线端子没有松动或者接触不良的现象。
要对接线端子进行清洁,保证信号的正常传输。
要对接线是否正确进行仔细的查验,确保所有的接线都按照正确的接线原理进行。
3. 接线检查注意事项在进行接线检查的时候,需要特别注意一些事项。
要保证在进行检查的时候,电能计量装置是断电状态,确保安全。
要用手工工具进行接线的拆卸和连接,严禁使用电动工具进行拆卸,避免因过大的力量导致电能计量装置的损坏。
要在接线检查之后对电能计量装置进行测试,保证其正常工作。
二、提高准确性的方法1. 定期校准定期校准是保证电能计量装置准确性的关键措施之一。
通过定期对电能计量装置进行校准,可以及时发现并纠正其测量偏差,保证其准确性。
在进行定期校准时,要选择正规的检定机构和方法,保证校准结果的准确性和可靠性。
2. 温度补偿温度对于电能计量装置的准确性有着一定的影响,尤其是在环境温度发生变化的情况下,会导致电能计量装置的测量结果产生偏差。
在提高电能计量装置的准确性上,可以通过温度补偿的方式进行调整,以保证在不同温度下的测量结果具有一定的准确性。
3. 采用先进技术随着科技的不断发展,电能计量装置也在不断的更新换代。
电能计量装置的错误接线及接线检查方法摘要:电能计量和电网的运行有着密切的关系,同时也显示了电力企业当前的技术水平,在实际工作中需要加强对电能计量装置接线问题的深入分析,满足准确和可靠的要求,搭建电力企业和用户之间的良好关系,同时还要做好先进技术的融入,对电能计量装置运行情况的全面监督,避免出现损伤利益的行为,以此来提高电能计量装置管理的效果,推动电力企业的稳定发展。
关键词:电能计量装置;接线错误;检查电能计量装置在电力企业中的重要性是非常突出的,满足发电供电用电等不同的需要,但是如果在电能计量装置中出现接线错误的话,那么会导致电能计量装置存在不准确的问题,因此需要相关岗位人员进行规范性的检查以及安装,避免由于接线故障而导致设备无法正常的运行。
从宏观性的角度提出更加科学的优化策略,保证电能计量装置的正确使用,以此来提高最终的经济效益和使用效果。
一、电能计量装置接线错误的原因(一)装置本身1.单相电路有功电能计量错误接线这一现象在实际工作中是比较常见的,主要是由于安装人员在接线过程中存在一定的失误,使得一些线路出现反接的问题,并且在一些线路接线时还会存在较严重的混淆情况,影响设备的正常使用。
与此同时,在电能计量装置接线时,并没有正确地区分进线和出线,在安装时存在盲目性的特点,影响接线水平的提高。
电能计量装置的电流线圈和电源之间的短路情况使得电能表无法正常的运行,这也是出现接线错误的主要原因[1]。
最后在日常工作中由于相关安装人员的疏忽导致电压够连片,并没有正确的连接,不仅会增加电能表日常使用的故障,还会导致后续的工作产生一定的影响。
2.三相四线电路有功电能计量接线错误在电能计量装置管理过程中,需要加强日常检查的重视程度,并且合理的区分好不同的区域,提高最终检查的效果。
在进行线圈连接时,电压线圈会出现断线的问题,以此导致了电能表出现接线错误的问题,同时在电能表正常运行时需要将电流互感器接入到设备中,但是如果相关安装人员并没有加强对设备结构的深入分析,那么也会出现接线错误的问题。
现场电能计量装置错误接线的检查摘要:带电检查互感器二次回路接线是否正确,检查电压互感器断线、极性、接地点情况并分析判断;检查判断电流互感器极性、接地是否正确;带电检查电能表接线采用六角图法分析判断电能计量装置接线是否正确,停电检查法最为可靠是保证计量装置接线正确的基础。
关键词:断线极性相序接地六角图向量图停电检查本文简要介绍带电检查电压互感器、电流互感器、电能表及停电检查计量装置接线的正确判别方法。
单相电能表只有一组电磁元件,接线较为简单,出现接线错误时容易发现,三相四线电能表可以看成由三只单相电能表所组成,采用分相法即可检查接线的正确与否。
这里就以带电检查三相三线错误接线来具体说明。
1 带电检查互感器二次回路的接线。
1.1 检查电压互感器接线的正确性。
检查内容:主要检查电压互感器一、二次侧有无断线或极性反接。
检查方法:是用一只250 V的交流电压表依次测量二次各线间电压,然后根据测得的电压值、接线方式及二次负载情况判断接线的正确性。
若测量得三个电压数值不相等,且相差较大则说明电压互感器接线有断线、断保险或绕组极性接反的情况。
(3)极性反接的判断。
若极性反接,则在互感器二次侧测得的电压的数值与互感器的接线方式及极性反接绕组的相别有关。
①当互感器为V形接线时,要测得三个二次电压中有一个增加了3倍,就说明有极性接反的请况。
②当互感器为Y形接线时,只要测得二次线电压中有两个变为57.5 V,且这两相是与某一相有关,则说明是这相绕组极性接反。
1.2 确定接地点和定相别(1)确定是否有接地的方法。
电力系统中电压互感器和电流互感器其二次侧均应进行安全接地。
确定是否有安全接地,可将电压表的一端接地,另一端分别接向电能表的三个电压端子:①若电压表三次均指示零,则说明均无安全接地。
②若电压表两次指示100 V,一次指示零,则说明指零的一组接地,且接地相大多是b相。
③若电压表三次均指示100/3 V,则说明三相电压互感器是Y形接地,且二次侧是在中点接地。
谈谈电能计量装置常见错误接线和检查方法引言电能计量装置的准确性不仅取决于电能表、互感器的等级,还与它们的接线有关。
即使电能表和互感器本身准确性很高,接线错误也会导致整套计量装置少计、不计或反记,致使电力企业遭受损失。
因此,在电力运行过程中,需要对电能计量装置进行定期的检查,做到预防工作,以确保电能计量装置的准确性。
本文结合笔者的工作总结,主要就电能计量错误接线的形式及检查方法进行了论述。
1 电能计量装置中常见错误接线在整个电能计量装置中,主要包括电能表、互感器和附件、失压计时仪以及二次回路部分。
在出现接线错误的过程中,都能通过不同的部件反映出来。
而在电能计量装置中常见错误接线形式主要包括以下几方面:1.1 计量单相电路有功电能的错误接线计量单相电路有功电能的错误接线是整个电能计量装置错误接线中最为常见的错误类型,在这种错误类型中,主要分为以下5个方面:第一,工作人员在连接相线与零线的过程中,由于工作失误将其接反。
第二,在整个装置中,工作人员没有准确的区分装置的进出线。
第三,在接线的过程中,电流线圈与电源之间出现短路。
第四,在接线时,工作人员忘记连接电压钩连片。
第五,在计量380V单相负载电能时,工作人员习惯用一只220V的单相电能表读数乘以2的方法来计量,然而这种方法缺乏一定的规范性与稳定性。
1.2 計量三相四线电路有功电能的错误接线计量三相四线电路有功电能的错误接线形式中,主要包括以下3种:(1)在三相四线有功电能表电压线圈连接的过程中,电压线圈中线出现断线状况。
(2)三相四线有功电能表在运转的过程中,本应经过一台电流互感器接入电路,然而在某些状况下经过两台电流互感器连入电路,由此造成错误接线。
(3)在计量三相四线电路有功电能时,工作人员习惯使用三相三线两元件来对其进行计量,这样的计量结果与实际结果存在很大的偏差。
1.3 计量三相三线电路有功电能的错误接线计量三相三线电路有功电能的错误接线形式有:(1)电流端子进出线接反;(2)电压端子接线顺序不对;(3)电压与电流相位不对应等。
带电检查电能高压计量箱装置接线的方法和步骤电能计量装置中单相电能表只有一组电磁元件,接线较为简单,出现接线错误时容易发现。
三相四线电能表可以看成由三只单相电能表所组成。
采用分相法即可检查接线的正确与否。
经电流互感器(TA)、电压互感器(TV)接入的三相三线电能表误接线的种类和几率较多,特别是当前农网改造中更换此类表计较多的实际情况,出现接线错误,往往不易判断,而且由于该类表计所计量的电量大,其影响和后果也严重。
现以此类电能表为例浅析接线检查的方法和步骤。
1 电压回路的接线检查(1)测量各二次回路的线电压:在测量Uab、Ubc、Uca时,其值应接近相等且为110V。
测量过程中如发现三组电压不相等,且数值相差较大时,说明TV有一、二次侧断线、熔丝烧断或绕组反接等情况。
①对于采用V/V接线的TV,如线电压中有0V、50V等情况出现时,可能是一次或二次断线。
有一组电压为170V时,说明有一台TV绕组极性反接。
②对于Yyn接线的TV,当测量线电压的值中有58V出现时,说明有一次断线或一台TV绕组极性反接现象。
③带有表计等负载进行测量时,出现二次断线时不论采用何种方式接线的TV,没断的两相之间电压值总为100V其它两组电压按负载阻抗分配。
(2)检查接地点确定相别,用一只电压表一端接地,另一端依次接电能表三个电压端钮,可以判断TV的接地情况。
①电压表三次均指100V,说明TV二次侧回路没有接地,构不成回路.②两次为100V,一次为0,说明可能是两台单相互感器V形连接,也可能是三只单相TV或一台三相五柱TV为Y形连接。
以上三种均可断定B相接地,为0的一相即为B相,根据相序可以定出A相和C相.③三次均指100/ V,说明TV是Y形连接且中性点接地,这种情况一时还不能定相别。
(3)测量三相电压的相序:它应符合接线图规定。
如测出的是逆相序,有功表虽然正转,但因有相序误差,除正弦无功表外,其它无功表都将反转,接线时要把它改为正相序。
计量装置接线分析的步骤和方法摘要:正确计量是营销工作的基本要求。
现场计量装置的错误接线会导致计量误差,有时甚至可能造成电能表停转或反转,因此正确接线是保证电能表准确计量的必要条件。
安全的检查使用中的电能计量装置,而现场教学可能由于工作人员操作不熟练造成事故。
关键字:计量接线分析步骤方法正确接线是保证电能表准确计量的必要条件,电能表投运前必须检查接线是否正确。
新安装后的电能表在不带电的情况下检查接线,只要检查认真、细心、按标准接线图纸逐根进行核对,错误接线是完全可以防止的。
但运行中的电能表、经过更换的电能表或互感器均需进行带电检查接线是否正确。
带电检查电能计量装置的接线,需要通过使用相位伏安表测量有关相量,利用相量图法进行分析、判断接线正误。
以下就如何测量、分析计量装置接线的方法和步骤进行详细的说明。
步骤一:测量三相电压1.检查电压互感器的熔丝和导线在负荷或电压基本平衡的情况下,用相位伏安表电压档测量三相线电压和相电压Uab、Ubc、Uca、Uao、Ubo、Uco,在正常情况下,三相电压值是基本一致的。
如果电压互感器二次侧在三次线电压测量中,有两次读数为零,只有一次为100V,说明互感器二次侧有一相熔丝或导线断开了。
若Uab为100V,那就说明二次c相断线;若Uca为100V,则是b相断线;若Ubc等于100V,则a相断线。
电压互感器的一次侧也可能熔丝熔断或导线断线。
对于V/V-12接线的互感器组来说,若A相或C相断线,则测得的二次测电压必然有一个为零,其余两个电压为100V;若B相熔丝熔断,则二次侧电压Uca为100V,另外两个与b相有关的电压各为50V。
2.检查电压互感器极性由两只单相电压互感器组成的V形互感器组,若一次、二次中的任一个线圈极性反接,此时二次电压Uab和Ubc为100V,Uca则为173V。
换句话说当二次侧有一个线电压为173V时必有一相电压互感器极性反接。
此时可通过测量电压端子的电压差确定电压互感器是a相还是c相反接。
电能计量装置接线检查及提高准确性电能计量装置是电力系统中的重要设备,用于计量电能消耗量,是电费计算的基础。
为确保计量准确性,需要进行接线检查和提高准确性的措施。
一、接线检查1. 检查电表安装位置是否合理:电能计量装置应安装在电源进线处,与电源负荷之间无其他电器设备,防止电流互感影响。
2. 检查电表接线是否正确:检查电表的连接线路是否正确、牢固。
应确保所有接线端子的电缆处于良好的接触状态,接触面洁净无氧化物,接线良好。
3. 检查电表接线端子的标志是否清晰:确认每个接线端子的标志牌都清晰可见,便于接线和维护。
4. 检查电表的接线端子是否松动:检查电表的接线端子是否松动,是否需要紧固。
如果端子松动,应及时紧固,确保接线良好。
5. 检查遮拦是否完好:检查电表的遮拦是否完好,是否有损坏,如有损坏应及时更换,避免误操作和安全隐患。
二、提高准确性的措施1. 定期校核电表:电能计量装置应定期进行校核,保持计量准确性。
可以通过请专业机构对电表进行检测,或者与电力公司联系,由他们来进行准确性的检测。
2. 定期清洁电表:定期检查和清洁电表的接触端子和读数装置,以保持接触良好,避免接触不良导致计量误差。
3. 制定用电规范:制定用电规范,规范用电行为。
如避免低功率电器同时开启,避免窃电等行为,确保电能计量装置的准确性。
4. 安装电能质量监测设备:安装电能质量监测设备,监测供电质量,防止负载波动、电压失真等因素对电能计量装置的影响。
5. 建立监管机制:建立监管机制,加强对电能计量装置的巡检和监督,及时发现和解决计量装置的问题,确保计量准确性。
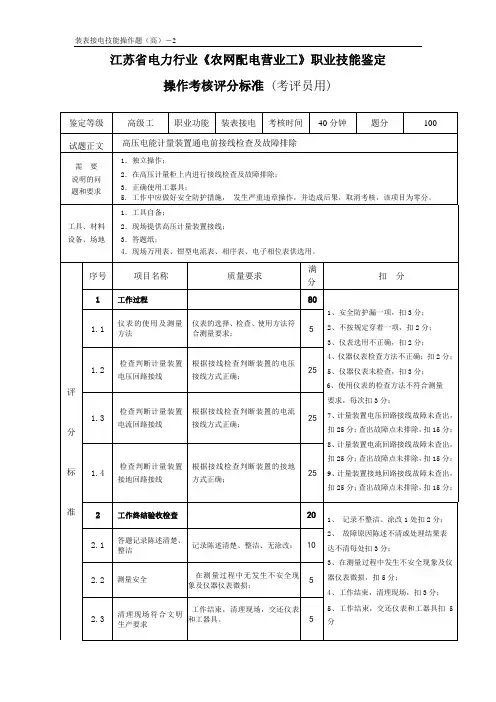
江苏省电力行业《农网配电营业工》职业技能鉴定操作考核评分标准(考评员用)江苏省电力行业《农网配电营业工》职业技能鉴定操作考核(考评员评分用)姓名准考证号操作开始时间结束时间江苏省电力行业《农网配电营业工》职业技能鉴定操作考核任务书1、操作项目高压电能计量装置通电前接线检查及故障排除2、操作时间本项作业时间 30分钟3、操作说明(1)独立操作;(2)现场提供高压计量装置接线柜并设置接线错误及故障;(3)正确使用工器具;(4)现场万用表、钳型电流表、相序表、电子相位表供选用;(5)整个计量装置接线柜内共设置三处故障点(包含:电流回路、电压回路、接地回路),故障点查出后可提前结束,但不加分;(6)计量装置接线柜内故障点查出后,需在柜内将故障点改正过来,但须记录在答题纸上,并把答题纸上各项内容填写完整,简单扼要表述清楚;(7)否决项:工作中未做好安全防护措施,发生安全违章,损坏计量设备或仪器仪表,立即取消考核,并作零分处理;(8)时间到应立即停止操作,整理工具材料离开操作场地。
江苏省电力行业《农网配电营业工》职业技能鉴定操作考核高压电能计量装置通电前接线检查及故障排除答题纸姓名江苏省电力行业《农网配电营业工》职业技能鉴定操作考核评分标准(考评员用)检查前准备:着工作服,戴安全帽,绝缘鞋,手套,验电笔。
1、检查万用表:将万用表拔至R*10档位,搭接两根测量棒以及延长辅助测量线是否连通。
2、用看的方法:(1)检查电能表、表尾接线盒以及TA、TV二次侧桩头压线是否紧固,可用手拽拉导线,用罗丝刀加以紧固。
(2)检查联合接线盒电压连接片以及U、W相电流线圈连接片连接是否正确。
3、测量电压回路(1)、打开联合接线盒U相、W相电压连接片。
(2)、测量联合接线盒到表计二次回路,方法:首先分清U、V、W相电压线颜色,如无交叉用万用表分别碰及接线盒U—表U、接线盒V---表V、接线盒W—表W,判断是否压皮及虚接现象。
(3)、测量联合接线盒到电压互感器二次回路,方法:用加长连接线夹住电压互感器二次侧桩头任意一相,用另一表棒分别碰触联合接线盒进线端的(上端)U、V、W电压线,应该全部相通,接线盒上的U、V、W相与电压互感器上的a、a-b、b三路导线颜色一致,则电压回路正确。
电能计量装置接线检查及电量处理电能计量装置是供用电双方进行电能公平买卖的测量工具,因此电能计量装置的准确性直接关系到供用电双方的经济利益。
经检定符合准确度等级的电能表和互感器其基本误差一般很小,但错误的接线所带来的计量误差可能高达百分之几十,甚至几百,故电能计量装置安装接线完工后须进行验收检查。
一般,电能计量装置错误接线的类型有:(1)缺相。
电压、电流量或一、或全部缺失,如电压开路,电流开(短)路等。
(2)接反。
电压、电流互感器极性接反或电流接反。
(3)移相。
进电能表的电压、电流不是电能表接线规则中所需相的电压、电流。
电能计量装置的接线检查分停电检查和带电检查。
停电检查主要是依据接线图纸排查互感器、二次接线、电能表接线是否正确,特别是在安装接线前检查互感器的极性,以免电能计量装置安装完毕后再重新安装。
带电检查是在计量装置投入使用后的整组定期检查,当发现电能计量装置错误接线后,除更正错误接线外,还应进行退补电量。
本节我们主要讨论带电检查电能计量装置接线。
一、瓦秒法检查电能计量装置接线瓦秒法是将电能表反映的功率(有功或无功)与线路中的实际功率比较,以定性判断电能计量装置接线是否正确。
它是电能计量装置接线检查中常用的一种检查手段,也是初步判断计量是否准确的常用手段。
瓦秒法的做法是:用一只秒表记录电能表圆盘转N(r)所需的时间t (s)或N个脉冲所需要的时间t(s)。
然后根据电能表常数(一次或二次常数)求出负载功率,将计算的功率值与线路中负载实际功率值相比较。
也可根据电能表常数(一次或二次常数)和负载实际功率计算出电能表圆盘转N(r)或发出N个脉冲所需要的时间t (s),然后将计算出的时间与实测时间相比较。
功率P(W)、时间、转数(脉冲数)之间的关系式为式中 C——有功电能表常数(一次或二次常数),r/kWh。
电能计量装置相对误差的计算有以下两种方法:(1)通过功率计算相对误差式中 P一一计算功率,P。
电能计量装置的错误接线及接线检查方法摘要:就目前的情况来看,随着经济的高速发展,各种各样的电子产品出现在人们的日常生活中,导致人们的用电需求日益增长。
在用电过程中,最不可忽视的就是电能计量装置的使用,在电能计量装置运行的过程中,如果线路发生了问题,那么就会导致电能计量的计量结果受到影响,甚至出现电能计量表的停止运行的情况,对于电力企业的收益造成影响。
在实际运行过程中,电能计量装置中的线路问题类型和检查线路的方式有很多,本文,就这些方面进行了仔细研究,归纳出了以下几点,希望能为电力企业在运用过程中提供一些帮助。
关键词:电能计量装置;错误接线;接线检查引言:作为电力企业中的重要组成部分,电能计量装置的正常使用与否直接关系到电力企业的直接收益的多少,体现了电力企业的技术管理水平的高低,影响着电力企业与用户之间的关系等。
电能计量装置在安装、运行过程中,容易受到相关技术人员的操作水平、用户的不法行为、设备质量等多方面的影响,造成用户与电力企业的利益受损。
因此,必须要重点关注电能计量装置的情况。
一、电能计量装置的内涵(一)电能计量装置的相关要求电能计量装置的主要作用是通过统计用户的电力使用情况已达到收取电费的目的,同时在记录用电量的情况下减少偷电、漏电的违法情况的出现,维护用户和电力企业的经济利益。
因此,在进行电能计量装置的安装过程中,应该要遵守以下要求:第一,在进行安装电能表和互感表的过程中,安装人员必须要端正态度,仔细的检查电能计量装置的零件的质量和类型有无问题。
第二,在安装的过程中,必须要对电能计量装置的计量结果进行测试,保证数据的误差超过规定范围。
第三,在安装过程中,必须要重点关注线路问题,保证接线无误,确保电能计量装置能够正常。
(二)电能计量装置的接线错误分析电能计量装置在电力企业运营的过程中占据了重要的地位,电能计量装置结果的准确性直接决定着电力企业的盈利情况,关系着企业与用户之间的交易是否公平公正。
计量接线错误检查方法解析电能计量装置的主要作用是为电费的收取提供依据,在人们的生活中具有不可或缺的作用。
因而作为新时期背景下的供电企业,必须确保其各项作用得到有效的发挥,尤其是作为企业用电检查人员和技术人员,必须确保电能计量装置接线的正确性,但是其在接线过程中,经常会出现这样或那样的错误,因而企业用电检查人员必须强化用电检查工作的开展,才能更好地促进其作用的发挥。
1 切实做好各项准备工作为了确保电能计量装置的接线错误情况得到有效控制,必须强化检查工作的开展。
但是任何工作的开展必须做好各项准备工作,所以用电检查人员必须在准备阶段切实强化以下工作的开展:第一,切实准备好用电检查所需的各种工具和设备。
常见的主要有试电笔、螺丝刀、扳手、铅封钳、相位表、万用表、铅封、铅封线、绝缘导线、梯子等,并对需要检查的用电客户上月和本月的用电量进行查看,通过对其比较之后找出其是否存在异常变化情况,同时还应对比往年与同年用电负荷情况,结合用电量的变化,对用户是否存在窃电嫌疑进行初步性的判断,从而为取证做好准备。
同时应准备检查所需的工作服和绝缘手套,以保证剩余电流动作保护器可以正常高效地运行,同时还应为高空作业做好安全保护措施。
第二,对需要检查的电能计量装置的型号规格以及营销MIS中的户号等情况进行核对,并对电能计量装置所安装的位置是否存在磁场干扰和热源以及剧烈的机械振荡等问题,并对电能表的接线固定度进行检查,电能计量装置安装是否倾斜,其各种配置齐全和安装牢固等进行观察,再对电能计量装置能否正常的高效的工作进行观察,通过听、摸、看等措施对其运行情况进行高效稳定检查。
2 检查工作的内容在做好各项准备工作的基础上,为了确保检查工作的高效开展,用电检查人员就必须在检查工作中切实强化以下工作的开展:第一,在对单相的电能计量装置进行错误接线检查时,若电能计量装置不转动且无计量电量,初步判断应该是电压小钩处于断开的状态,所以此时就应打开接线盒,并对其是否处于断开状态进行检查,若属于中性线和相线被反接,那么在正常用电过程中,电能计量装置虽然能够正常转动,但是其实是采取一火、一地的方式来窃电,同时也极易导致触电的情况出现。
电能计量装置错接线检查及故障分析摘要:近年来,我国对电能的需求不断增加,人们对电能的计量装置也越来越光柱。
电能计量装置在电能计量的工作中是最重要的组成部分,它是由电能表、互感器等来确保其准确性。
由于电能计量装置在安装与检查的过程中会因为工作失误造成接线故障,在运行的过程中也可能出现由于自然因素或是偷电行为造成接线故障。
而接线故障在计量时的误差远大于电能表与互感器的基本误差,因此为了可以更准确的计量电能,接线的准确性至关重要。
本文主要讲述了电能计量装置错接线的检查与故障分析。
关键词:电能计量装置;错接线检查;故障分析引言电能计量是电力商品交易中的/一杆秤,它的准确与否直接涉及到供用电双方的经济利益。
由于一般10kV及以上的高压系统均采用三相三线的供电方式,所以高压系统大多采用三相两元件电能表计量电能。
电能表的接线并不复杂,但由于疏忽,特别是附有电压互感器与电流互感器的电能表,错接的情况较多。
错接线会造成供电企业电量损失。
1电能计量装置中错接线的类1.1单相电能表错接线形式及检查方法①错接线形式一:电压小钩断开。
错接线下计量结果表达式为p=0,后果是电能表停转,不计电量。
检查方法:观察电能表运行情况,打开接线盒检查电压小钩连接情况。
②错接线形式二:中性线与相线接反,错误接线如下图GYND00902001-2。
错误接线形势下的结果表达式为P=UIcosφ,错误接线的后果是正常用电情况下电能表仍正常转动。
但存在的问题是用户易利用“一火一地”方式窃电,易触电且不安全。
检查方法是不断开电源,用万用表分别测量电能表进线的1号接线端子的对地电压,如读数为220伏,表明接线正确,如读数接近0,表明接线错误,此线为电源中性线。
③错接线形式三:电源与负载线在电能表端子接反。
错接线的结果是P=-UIcosφ,后果是电流反相进线,电能表反转,读数可读反转读数的绝对值,但有一定的误差。
检查方法是观察电能表运行情况,判断电能表是否反转。
电能计量装置带电接线检查方法电能计量装置带电接线检查方法探讨摘要本文给出了几种电能计量装置带电接线检查的方法,分析了这几种方法的原理、步骤及适用性。
关键词:接线检查,方法,步骤概述电能计量装置正确接线是保证计量准确的前提,因为电能表、电压互感器(PT)、电流互感器(CT)的误差很小,而错接线造成的误差却可达到无穷大(错接线时的停走现象),真可谓一线之差,电量千万,所以在投运前或运行中应定期进行接线检查。
接线检查可分两种情况:停电检查、带电检查。
停电检查必较简单,它一般是对于新装或更换PT、CT以及其它计量装置投运前进行检查,主要内容是检查PT、CT的极性、变比及二次接线的核对工作;而带电检查一般是对于运行中的计量装置进行检查,主要内容是测出其运行时的各类电参数(电流、电压、相位角等),然后根据这些电参数进行分析判断接线正确与否。
直接接入式的单相及三相四线接线简单,带电检查比较容易,而经PT、CT接入的三相三线有功电能表误接线种类和机率较多,这是因为它是由电压、电流、电能表三者组合的,错接线的种类有几百种,不易判别,而且电量大,后果严重。
本文重点讨论经PT、CT接入的三相三线有功电能表带电检查的方法和步骤。
通过对电压回路、电流回路的检查只能查出简单的各个回路的错接线,还不能确定计量装置的是否接线正确(比如电压、电流的不同相),这就要通过电压交叉法、断B相电压法、相量图法进一步确定。
通过对这几种方法的综合运用,都能确定错接线的情况,最终确保计量装置的准确运行。
一、电压回路的接线检查1、电压互感器断线可分为一次侧断线和二次侧断线,由于作者在工作中碰到的电压互感器基本上的接法为V /V接线,因此着重对此进行分析。
假定一二次侧只发生某一侧断线的情况,因为一二次侧同时发生断线情况的可能性很小,假设正常时三个线电压都为100V。
⑴一次侧断线图一所示为V/V接线的电压互感器,一般情况下一次侧断线都是高压熔丝烧断所造成,因此一般都断一相。
具体数据见表一。
图一图二⑵二次侧断线二次侧断线时,二次电压的值和PT的接线无关,但与PT二次负载有关。
二次侧断线不接负载的数据见表二,与断线相相关的电压数据都为0,其它为100V。
但与电能表相连时就不同了,现场一般断相情况电压数据A相B相C相Uab Ubc Uca断正常正常0V 100V 100V正常断正常50V 50V 100V正常正常断100V 0V 100V表一:表二:断相情况电压数据a相b相c相Uab Ubc Uca断正常正常0V 100V 0V正常断正常0V 0V 100V正常正常断100V 0V 0V任二相断0V 0V 0V图三是装设一只有功电能表、装设一只有功和一只无功电能表两种情况,装设一只有功电能表和一只无功电能表的情况正确接线时等值电路图如图二,由于有功、无功表的构造不同,因此各相分别断时的等值电路图也不同如图三。
各种情况下的具体数据见表三。
表三:负载一一只只有无功功表表断相情况电压数据a相b相c相Uab Ubc Uca断正常正常50V 100V 50V正常断正常66.7V 66.7V 100V正常正常断100V 66.7V 66.7V任二相同时断0V 0V 0V一只有功断正常正常0V 100V 100V 正常断正常50V 50V 100V正常正常断100V 0V 100V任二相同时断0V 0V 0V2、电压互感器极性接反电压互感器正确接线时,其原理接线图和相量图如图四,而当某相接反如C相极性接反时,原理接线图和相量图如图五;具体数据见表四,由此可知任何一相电压互感器极性接反时,总使Uca=173V Uab=100V Ubc =100V反极性情况电压数据a相b相c相Uab Ubc Uca反正常100V 100V 173V正常反100V 100V 173V二相同时反100V 100V 100V表四:图四图五3、通过以上分析,我们在检查接线时依照以下步骤⑴测量各二次线电压。
用万用表测量电能表电压端钮三相电压,若发现三个线电压不等且相差较大,则说明电压互感器一、二次回路存在着断线、极性反的问题,对于V/V接线的电压互感器,当线电压中有接近0V或低于70V电压出现时,为电压互感器一次测,二次测断线;当线电压出现173V时,则有一相电压互器极性接反。
⑵确定b相。
用万用表测量每相对地电压,正常时,对于V/V接法,Ua0=100V、Ub0=0V、Uc0=100V。
若两次为100V,一次为0V,则为零端钮那相才是真正b相;若三相都为0,则电压互感器二次侧没有接地,无法确定b相。
⑶测量三相电压相序,可用相序表测试。
测出相序后,结合确定的b相,来确定a相、c 相,最终即可确定三相电压的排列。
二、电流回路的接线检查1、电流互感器二次侧极性接反电流互感器正确接线时,其原理接线图和相量图如图六所示,图六图七Ib=Ia+Ic 。
A相接反时其相量图如图七所示,由于Ia 接成-Ia,则Ib幅值是每相电流的倍。
同理,C相按反时Ic幅值是每相电源倍。
由此可见,电流互感器不完全星形接线时,任一相电流互感器极性接反时,公共线上电流都要增大倍。
2、电流互感器二次侧断线每相电流互感器分别断线或同时断线时很简单,各断线相电流为0。
但二次公共线断线时就不同了,其AC相电流互感器二次侧为同极性串联,其错误接线等效电路如图八,由于电流互感器绕组和电能表电流线圈及连接导线的阻抗Z1、Z5、Z2很小,可以急略不计,IA与Ic由负载决定与副边电流回路状态无关,这样加在电流互感器副边绕组的等值电功势为Ea =IaZo,Ec=IcZo,则可简化成图九,图八图九由前述可知,根据叠加原理两绕组的合成电动势为Ea与Ec的向量差。
忽略电流互感器的误差,则流入电能表第一元件和第二元件电流线图中的电流分别为Ia=(Ea-Ec)/2Z0=、IC=(Ec - Ea)/2Z0Iac=Ia-Ic= -= Ia〈-303、通过以上分析,我们检查电流回路接线时依照以下步骤:⑴分别断a相或c相电压,观察表是否转动(有无脉冲)。
正常情况下,断a相或c相电压表都应转动(有脉冲),但要注意一点现场cosΦ值接近0.5时,断a相时表也不转动(无脉冲)。
若断a相,表不转动(无脉冲)则c相电流回路可能断路或短路。
若断c相,表不转动(无脉冲)则a相电流回路可能断路或短路。
⑵测量电流,确定电流互感器有无极性接反用钳表测量A相、C相、公共线电流,正常情况下应基本相等,若公共线电流为其它电流的3倍,则说明有一台电流互感器极性接反;若公共线电流为0,则说明公共线断线;也可用短路线将公共线接地,若表转速(脉冲数)变快,则说明公共线断线。
⑶判断电流回路接地正确性正常情况下,将一根短路线一端接地,另一端与电能表的电流接地端钮相连,表速(脉冲数)应不发生变化,与未接地端钮相连时,由于电流线圈中的电流经短路线分流,表转速(脉冲数)变慢。
但要注意现场的负荷不能变化太频繁,太频繁时表转速(脉冲数)本身就有变化,无法判断。
三、计量装置的接线检查经过电压、电流回路的检查,电压回路、电流回路单纯的错接线就可确定了,在确定了电压、电流回路的正确性后,接线的差错种类还可能成在以下48组可能的接线方式。
电能表的电压端钮共有6种可能的接法:Ua—Ub—Uc;Ub—Uc—Ua;Uc—Ua—Ub;Ub—Ua—Uc;Uc—Ub—Ua;Ua—Uc—Ub;电流端钮共有8种可能的接法:( Ia,Ic);( Ic,Ia);( -Ia,-Ic);( -Ic,-Ia);( -Ia,Ic);( Ic,-Ia);( Ia,-Ic);( -Ic,Ia)。
这其中只有2种能正确计量,由此我们可知整套计量装置的接线正确性(电压、电流的相位关系)还不能确定,因此还必须用电压交叉法、断b相电压法、相量图法等进一步确定。
⑴断b相电压法断b相电压法就是断开b相电压时表计运行情况和正常电压时表计运行情况对比,来判断表计接线是否正确的方法。
在电压、电流回路正确的情况下,断b相电压,电能表转速(脉冲数)应为原转速(脉冲数)的一半,如不为一半计量装置的接线就有差错。
但由于三相电压、三相电流不可能完全对称,负载可能有些波动,表计本身由于电压变化而带来的误差等原因,一般是一半左右就认为是正常。
同时要注意,不正常情况下断b相电压表计也会有以上现象。
这就要确定电压线公共端为b相,电流互感器接在A、C两相的前提下才能确定正确接线,下面的交叉电压法也如此。
⑵交叉电压法交叉电压法就是将电能表电压端钮a和c两根电压线互换位置后,观察表计的运行情况来判断表计接线是否正确的方法。
在电压、电流回路正确的情况下,将电能表电压端钮a和c两根电压线互换位置,电表不转(无脉冲)或向一侧微转,这也是在有条件下才存立的。
⑶相量图法以前绘制相量图是用两单相标准表现场测得各种数据,根据用户功率因数,绘制出相量图;现可用相位表直接测出电压、电流的相位,绘制出相量图;现在的WDX-ZK型现极校验仪直接显示相量图,可根据此相量图进行分析。
根据向量图分析出后更正的接线能正确计量,但并不是标准的正确接线。
1、感性负载下,电流向量应滞后电压向量一个角度,角度应在00至900之间;容性负载下,电流向量应超前电压向量一个角度,角度应在00至900之间;见图十。
图十图十一2、⑴Ia至Ic夹角应为2400,感性负载时,Ia、Ic应滞后就近电压向量,如超前的话则假设的Ia、Ic应为-Ia、-Ic;容性负载时,Ia、Ic应超前就近电压向量,如滞后的话则假设的Ia、Ic应为-Ia、-Ic。
⑵Ia至Ic夹角如为1200则假设的Ia、Ic应为Ic、Ia。
⑶Ia至Ic夹角如为600则假设的Ia、Ic有一相电流相量是负的。
3、确定电流相量后,就可根据1来确定电压相量。
例:某用户用钳型万用表、相位表测得电能表端钮处得数据如表五,相序表测得电压相序为逆相序,确定该表接线情况。
(I2为两相电流出线的合并测试值)表五:电压U12 U32 U32 U10 U20 U30 100V 100V 100V 100V 0V 100V电流I1 I2 I3 相位U12-I1 U32-I3 U12-U321.48A 1.48A 1.48A 1200 3000 600⑴从表五中电压数据可知,电压互感器接法为V/V,三相电压不存在断线、反极性情况;⑵从表五中电流数据可知,电流互感器不存在断线、反极性情况;据此我们可以看到单从电压回路、电流回路的检查,其电参数都正常,但是否就能判断其接线就正确呢?我们还应画出相量图,再对相量图进行分析。
⑴由于U20=0,则电能表电压第二端为b相,再根据相序表测得电压相序为逆相序就可确定三相电压排序为U1、U2、U3=c、b、a;⑵根据相位角画出相量图,见图十一,从图中可知I1、I3=Ic、Ia;⑶根据以上分析可知此表接线情况如下:电压为c、b、a;电流为Ic、Ia。