用友erp认证 固定资产部分题库
- 格式:doc
- 大小:65.50 KB
- 文档页数:9
ERP 报表单选ERP 报表多选ERP判断固定资产单选固定资产多选固定资产一、判断题二、单选题三、多选题ERP 总账判断新建科目是不能封存科目—对作废凭证不能审核,不能修改,不能记账—对F5—新增凭证F6—保存F2—常用凭证定义窗——————选入/F3—常用摘要—末级科目插分ctrl+I, 删分ctrl+DERP 总账系统单选题1.关于总账模块和其他模块关系说法错误的是AA.集团模块和总账模块可在同一个帐套中使用B.一个帐套中可不启用总账账套,只启用固定资产帐套C.总账模块一般和报表模块同时启用D.总账与其他模块协同工作2.关于客商信息说法,错误的是AA.客户供应商必须分类B.客户档案中客户总公司的作用是可以对各下属单位的业务统一开票C.客户级别主要是对客户进行再分类D.客户联系人档案主要是为销售部门提供客户联系人的管理工具3.一下对结算方式设置的描述,内容不包括DA.结算方式编码B.结算方式名称C.是否票据管理D.使用结算方式权限的设置4.会计科目辅助核算不能同时存在的模式是BA.部门和客户辅助核算B.个人往来和客户辅助核算C.个人往来和项目辅助核算D.部门和项目辅助核算5.关于会计科目设置原则。
正确的是BA.系统内的会计科目设置可参照国家制度,不用完全遵照B.会计科目的设置应当遵循会计科目的编码方案C.科目要保持稳定,会计年终不能删除任何科目无论使用与否D.科目设置只对总账模块有用,和其他模块无关6.下列说法错误的是CA.填制凭证时,系统允许复制指定凭证B.已审核的凭证可以生成常用凭证C.填制凭证界面查询不到已审核的凭证D.凭证可以输出成EXCEL格式7.关于常用摘要的说法错误的是DA.常用摘要的设置主要是为了加快录入速度B.在摘要栏中通过F2快捷键可调出常用摘要档案C.常用摘要的内容可以随时修改D.常用摘要一旦设立,编码不可以修改8.有关凭证操作错误的是CA.空格键可以改变分录金额的借贷方向B.“-”号可以填写红字金额C.辅助录入后无法在填制凭证界面直接修改D.制单人,审核人的姓名无法手工输入9.以下说法错误的是AA.审核凭证时,不可以联查明细账B.总账系统提供符合国家标准的凭证输出格式C.凭证界面可以排序D.凭证查询时允许以凭证来源为查询依据10.下列说法不正确的是CA.经过出纳签字的凭证就不能被修改、删除B.凭证控制到审核员选项为是,则即使有审核功能权限也不一定可以审核全部凭证C.作废的凭证在审核时可以被标错D.对照式审核是通过二次输入凭证,由系统自动审核11.关于多栏账的说法错误的是DA.多栏账分析栏目系统提供自动和手工两种编制方式B.分析栏目前置和后置是针对余额列而言的C.科目新增明细后,编制的多栏需手工增加新栏目或重新自动编制D.多栏账栏目顺序以科目顺序,不可调整12.关于我的账表说法错误的是DA.我的账表能保存个性设置的帐表B.可建立公用、专用文件夹C.可对建立的帐夹设口令加密D.自定义账夹内的账表可以自由拖动到其他账夹中13.下列说法错误的是AA.只有总账结账后,UFO报表才能生成当月的财务报表B.总账不结账,下月凭证仍可以正常录入C.总长不能结账,可以查看月末工作报告寻找问题所在D.总账结账前,最好先做备份ERP 总账系统多选题关于修改科目描述正确的是ABCDA.已有余额的科目就不能直接为其增加下级科目了B.已被使用过的科目不能直接新增下级科目了C.科目名称随时可以修改D.已使用过的科目不可以在本年度进行辅助核算变更关于记账的说法错误的是BCDA.期初余额不平,不能记账B.系统默认未经出纳签字不可以进行记账C.作废凭证需要审核,也要记账D.记账过程中,可以中断退出下列与期间损益设置相关说法错误的是ACDA.系统只能制定一次本年利润科目B.本年利润科目可以随时结转C.期间损益结转,系统允许一个会计月只能结转一次D.未记账的凭证数据也可以结转。
用友ERP 固定资产应用能手认证复习题一、判断题1.一个固定资产由多个部门(上限20)使用、分摊的问题,即为一个资产选择多个"使用部门",并且当资产为多部门使用时,累计折旧可以在多部门间按设置的比例分摊答案:True2.固定资产的自动编码方式只能一种,一经设定,该自动编码方式不得修改。
答案:True3.固定资产结账必须完成批量制单答案:False4.固定资产结账前必须与总账对账一致。
答案:False5.固定资产系统正常运行后,如果发现账套错误很多,或太乱,可以选择“维护”|“重新初始化账套”功能将账套内容全部清空。
答案:True6.在固定资产子系统的设置中,如果在选项中选择了“每次登录系统显示资产到期提示表”,则无论是否有到期的固定资产,都会显示资产到期提示表。
答案:True7.固定资产子系统中,所有的报表都能进行图形分析。
答案:False8.在用友ERP固定资产管理系统中,如果在业务发生时立即制单,凭证的摘要会根据业务情况自动填入。
答案:True 9.对于固定资产系统传递到总账中的凭证,若发现该凭证制作错误,在总账中可通过凭证修改功能进行更改。
答案:False10.在用友ERP固定资产管理系统中,已记账的凭证,不能通过“处理”|“凭证查询”功能删除。
答案:True11.为避免重复累计,固定资产子系统在一个期间内只能计提一次折旧。
答案:False12.计提折旧后又改变了某一固定资产的折旧方法,必须重新计提折旧,否则无法结账。
答案:True13.如某项已计提减值准备的固定资产的价值又得以恢复,应删除原减值准备变动单。
答案:False14.某次资产评估决定,对办公楼的原值在原有基础上增加一倍,在选择可评估项目时,则只需选择原值。
答案:False15.在进行资产评估时,如果对所有房屋的原值都要调整,有的增加一倍,有的减少一半,在选择要评估的资产时,可以采用手工选择方式,也可以采用条件选择方式。
用友ERP 固定资产应用能手认证复习题一、判断题1.一个固定资产由多个部门(上限20)使用、分摊的问题,即为一个资产选择多个"使用部门",并且当资产为多部门使用时,累计折旧可以在多部门间按设置的比例分摊答案:True2.固定资产的自动编码方式只能一种,一经设定,该自动编码方式不得修改。
答案:True3.固定资产结账必须完成批量制单答案:False4.固定资产结账前必须与总账对账一致。
答案:False5.固定资产系统正常运行后,如果发现账套错误很多,或太乱,可以选择“维护”|“重新初始化账套”功能将账套内容全部清空。
答案:True6.在固定资产子系统的设置中,如果在选项中选择了“每次登录系统显示资产到期提示表”,则无论是否有到期的固定资产,都会显示资产到期提示表。
答案:True7.固定资产子系统中,所有的报表都能进行图形分析。
答案:False8.在用友ERP固定资产管理系统中,如果在业务发生时立即制单,凭证的摘要会根据业务情况自动填入。
答案:True9.对于固定资产系统传递到总账中的凭证,若发现该凭证制作错误,在总账中可通过凭证修改功能进行更改。
答案:False10.在用友ERP固定资产管理系统中,已记账的凭证,不能通过“处理”|“凭证查询”功能删除。
答案:True11.为避免重复累计,固定资产子系统在一个期间内只能计提一次折旧。
答案:False12.计提折旧后又改变了某一固定资产的折旧方法,必须重新计提折旧,否则无法结账。
答案:True13.如某项已计提减值准备的固定资产的价值又得以恢复,应删除原减值准备变动单。
答案:False14.某次资产评估决定,对办公楼的原值在原有基础上增加一倍,在选择可评估项目时,则只需选择原值。
答案:False15.在进行资产评估时,如果对所有房屋的原值都要调整,有的增加一倍,有的减少一半,在选择要评估的资产时,可以采用手工选择方式,也可以采用条件选择方式。
1`存货管理子系统为用户提供的功能有( )A用户提供入库单据,加强对采购的管理B为用户提供出库单据,加强对生产和销售的管理C支持存货暂估库业务D按用户需要出各种业务明细帐及财务类明细帐、总分类帐,并提供17 固定资产核算系统中,执行()操作后,才能开始处理下一个月的业务()A生产凭证B帐簿输入C结帐D对帐18 能够按用户需要统计生产出、入库汇总表以及收发汇总表的模块是()A辅助核算B存货管理C帐务处理D报表管理19固定资产核算系统中,设置部门对应折旧科目所指的科目是()A成本或费用科目B累计折旧科目 C 固定资产科目 D 任意科目20 在电算化会计系统中,在实现财务核算的同时,企业如需对再建工程、产品成是()A帐务处理B辅助核算C项目管理 D 报表管理21对关键字的下列那些操作必须在数据状态下执行()A定义B偏移C录入D删除22 工资费用分配文件存放的数据是()A按职工类型分类汇总的结果B按职工工职称分类会总的结果C按职工代码分类汇总的结果D按职工所属部门分类汇总的结果23计算机网络按()分类可分为居域网、城域网、厂域网。
A按拓扑结构B介质访问方式 C 交换方式D网络覆盖范围24 开放式系统互连参考模型共分为几层()A 5 B6 C 7 D825如果上次计提折旧已制单并把数据传递到帐务系统。
则必须A冲销B修改C删除 D 都可以26 某企业的工资的项目“基本工资”的宽度是8 小数位是2 ,则A 4B 5C 6D 727 下面()内容不属于工资核算处理系统流程的范畴A人事变动B考勤记录C计提福利费 D 备用金制度28下列选项中,哪些正确*()A表示当前表页的最大列B建立新表时所有单元默认为数值型C字符单元在格式状态下输入D表样单元在格式状态下输入29工资核算系统中预设的分摊类型有()A职工养老保险基金B计提工会经费C职工教育经费D计提应付福利费1、可使用()功能进行工资核算数据管理A页编辑B定位C数据替换D 数据筛选2、下列那些函数至少要有一个参数()。
用友ERP考试试题答案试题一、导入账套4.2.2 且账套路径为D盘学号姓名的文件夹(登录平台时间为2008-01-25) (2分)二、日常工作(单位:百万)1、支付广告费 (3分)借 :广告费 1贷:库存现金 12、登记销售订单 (3分)订单号00000001订单日期2008-01-01业务类型普通销售本地客户部门销售部P1 5个销售额 32 3、支付应交税 (3分)借:应交所得税 1贷:库存现金 1 4、 1日,接受投资者投入资金10百万元。
(3分)借:库存现金 10贷:实收资本 10 5、 6日,企业向银行借入期限为6个月的Secretary must tree prison "grasp party is job, not caught party is dereliction of, caught bad party is not competent" of consciousness, effective performcaught party first responsibility people duties, seriously implementation grass-roots party work accountability贷款20百万 (3分)借 :库存现金 20贷 :短期借款 20 6、 8日,从F企业购入原材料R1 2个,单价1百万,买价2百万元,现金支付,材料同时验收入库。
(7分)借:原材料 2贷:库存现金 2录凭证不生产采购发票写入库单7、开始下一批生产 (10分)12日,生产P1产品领用原材料R12个,单价1百万;同时支付人工费2百万。
借 : 材料费 2人工费 2贷:原材料 2库存现金 2 8、企业变卖了一条手工生产线,上了一条全自动的生产线,在固定资产系统中制作卡片生成凭证。
同时,又将半自动的生产线转产 (15分)借 : 变更费 1贷 :库存现金 1 固定资产?处理?计提折旧?计提本月折旧?全关固定资产系统?卡片?资产减少?卡片编号00003资产编号02002 <增加> 减少方式?出售清理收入1 处理?批量制单?填制凭证?全选?制单设置?第一张第一行填<累计折旧1602>第三行<固定资产1601> Secretary must tree prison "grasp party is job, not caught party is dereliction of, caught bad party is not competent" of consciousness, effective perform caught party first responsibility people duties, seriously implementation grass-roots party work accountability第二张第二行<累计折旧 1602> ?制单?做凭证时写记。
用友维护工程师考试:固定资产1、单选企业的“生产部门”下设10个车间,其对应折旧科目均应为“生产成本”,在设置完“生产部门”的对应折旧科目为“生产成本”后,通过单击()按钮,系统能自动将其下级车间的折旧科目(江南博哥)替换为“生产成本”。
A.【修改】B.【预览】C.【查看】D.【刷新】正确答案:D2、多选固定资产原始卡片的录入中,对应折旧科目项目可通过()方式录入。
A.直接输入该科目编号。
B.直接输入该科目名称。
C.根据所选择的使用部门自动带出。
D.单击【对应折旧科目】按钮,显示参照界面,选择需要的科目。
正确答案:A, C, D3、多选企业某汽车原值为100000元,净残值率为2%,工作总量为98000公里,折旧方法采用工作量法。
上期期末累计工作量为97500公里,上期工作量为1000公里。
本期该汽车工作量为500公里,操作员在进行工作量输入时,可以采取下列哪几种操作?()A.在本月工作量栏中输入500。
B.选中本月工作量栏,并单击【继承上月工作量】。
C.在本月工作量栏中输入600。
D.在本月工作量栏中输入400。
正确答案:A, B4、多选在固定资产管理系统初始化时,发现主要折旧方法选择有误,可采取以下哪几种方法进行更改?()A.以后在对各具体固定资产类别时再定义。
B.初始化完成前,使用【上一步】到折旧信息中修改。
C.初始化完成后,使用【上一步】到折旧信息中修改。
D.初始化完成后,在“设置|选项”中进行重新设置。
正确答案:A, B, D5、多选下列哪些操作能实现对固定资产卡片的无痕迹修改?()A.单击“卡片”|“卡片管理”,在卡片列表中单击选择要修改的卡片,单击【修改】按钮。
B.单击“卡片”|“卡片管理”,在卡片列表中双击选择要修改的卡片,单击【修改】按钮。
C.单击“卡片”|“卡片管理”,在卡片列表中选择要修改的卡片,单击鼠标右键,在下拉表中选择“修改”。
D.在单张固定资产卡片查看状态下,单击鼠标右键,在下拉表中选择“修改”。
用友erp认证固定资产部分题库1.关于固定资产卡片录入的说法,不正确的是 A.删除非末张卡片,该卡片编号将保留空号,不能再使用。
B.使用年限可以是非整数年,但必须是整数月 C.资产通过原始卡片录入还是通过\资产增加\录入,在于资产的开始使用日期D.原始卡片的录入必须在第一个期间结账前答案:D2.在固定资产系统中每月可以进行多少次计提本月折旧操作A.只能做一次B.只能做两次C.次数无限制 D.在选项中可以控制计提折旧的次数答案:C3.有关固定资产卡片样式描述正确的是A.每张卡片的样式可以单独修改。
B.卡片样式修改中可以修改行高、列宽但无法增加行数和列数。
C.卡片的样式如何只能在资产类别中选择。
D.卡片样式最多不能超过四个答案:C 4.在固定资产中 A.无法查询已经减少了的卡片。
B.无法修改上年数据。
C.无法修改上月数据。
D.无法更改卡片信息答案:B 5.固定资产结账前A.必须与总账对账一致。
B.只能计提一次折旧。
C.必须将批量制单中业务全部制单。
D.以上都不对。
答案:D 6.固定资产当月有效的变动是。
A.使用年限调整B.部门转移C.原值调整D.累计折旧调整答案:A 7.下列有关固定资产模块描述正确的是。
A.选择\与账务系统进行对账\,则必须完成\批量制单\业务。
否则不能结账。
B.选择\月末结账前一定要完成制单登账业务\,则须将\批量制单\中所有记录全部生成凭证。
否则不能结账。
C.当月新增加的固定资产卡片一律不参加计提折旧。
D.当月新增的卡片作部门的变动不须作部门变动单,可直接修改卡片。
答案:D 8.经理要企业固定资产的最全面的资料,最好给他提供A.固定资产原值一览表B.固定资产到期提示表;C.固定资产统计表;D.役龄资产统计表;答案:C 9.要从总体上了解企业所拥有固定资产的折旧计提程度,可选择系统提供的。
A.部门构成分析表;B.价值结构分析表;C.类别构成分析表;D.使用状况分析表;答案:B 10.要了解企业各部门所拥有的固定资产,可选择固定资产子系统提供的。
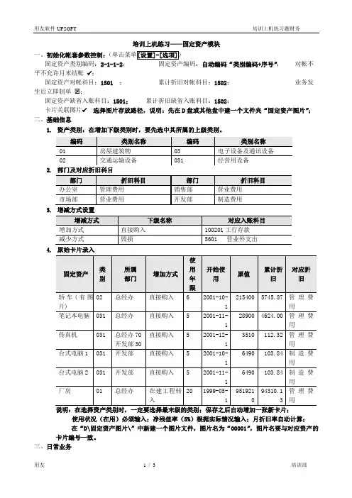
培训上机练习——固定资产模块一、初始化帐套参数控制:固定资产类别编码:2-1-1-2;固定资产编码:自动编码“类别编码+序号”;对帐不平不允许月末结账✓;固定资产对帐科目:1501;累计折旧对帐科目:1502;业务发生后立即制单☒;固定资产缺省入账科目:1501;累计折旧缺省入账科目:1502;卡片关联图片✓选择图片存放路径,说明:先在D盘或其他盘中建一个文件夹“固定资产图片”;二、基础信息1.资产类别:在增加下级类别时,要先选中其所属的上级类别。
2.部门及对应折旧科目3.增减方式设置4.原始卡片录入说明:在选择资产类别时,一定要选择最末级的类别;保存之后自动增加一张新卡片;使用状况(在用)必须输入;净残值率(5%)根据实际情况输入;月折旧率自动计算;在“D\固定资产图片\”中新建一个图片文件,图片名为“00001”,图片名要与对应资产的卡片编号一致。
三、日常业务1.资产增加:[日常操作]-[资产增加],2002-05-20市场部购入一台扫描仪,3500元,净残值率5%,可使用年限5年;修改查询:单击菜单[卡片]-[卡片管理]可以列表的方式查询所有的固定资产。
也可以对固定资产进行修改。
2.计提折旧:单击[计提折旧],系统自动计提。
修改月折旧额:在计提折旧之后,单击[处理]-[折旧清单],按Ctrl+Alt+G自动跳出[修改]按钮,双击月折旧额;3.资产减少:2002-05-05 将“台式电脑1”做毁损处理;单击[日常操作]-[资产减少],选择需减少的资产卡片,单击[增加]按钮,然后录入相关信息;取消资产减少:单击菜单[卡片]-[卡片管理],将窗口上面的“在役资产”改为“以减少资产”,选择以减少的资产,再单击菜单[卡片]-[撤消减少]。
4.批量制单:单击[批量制单],单击[全选]或双击<制单>列,然后单击[制单设置]页签,确定科目,再单击[制单]按钮。
再到总帐中对生成的凭证审核记账。
查询生成的凭证:单击菜单[处理]-[凭证查询]。
固定资产系统U852一、建账工作1、注册系统管理操作:开始——>程序——>用友ERP-U8——>系统服务——>系统管理——>系统——>注册——>操作员为Admin——>确定2、增加用户LJ刘军操作:权限——>用户——>增加——>输入人员信息——>增加3、按下列信息创建账套:操作:账套——>建立(按建账向导完成)(1)账套号:007 账套名称:固定资产练习启用会计期:当前月份(2)单位名称:本单位名称(3)企业类型:工业企业行业性质:新会计制度科目账套主管:LJ刘军(4)客户、供应商、存货均不做分类,无外币核算(5)分类编码方案中的部门编码为2(6)数据精度沿用默认值(7)以当前月份的第一天启用固定资产系统二、基础信息的设置1、注册企业门户操作:开始——>程序——>用友ERP-U8——>企业门户——>操作员输入LJ刘军、账套选择007(注意会计操作日期必须在当月)——>确定2、固定资产账套初始化操作:企业门户业务页签——>财务会计——>固定资产——>第一次打开此账套是否进行初始化——>点击“是”(按初始化向导进行操作)——>下一步——>下一步——>下一步——>固定资产编码方式选择为“自动编码”类别+序号,序号长为3——>下一步——>完成——>是——>确定3、公用信息的设置(企业门户——>设置页签——>基础档案)(1)部门信息(基础档案——>机构设置——>部门)(2)折旧科目信息分别在制造费用、营业费用、管理费用科目下增加”折旧费”的明细科目操作:基础档案——>财务——>会计科目——>增加(3)凭证类别信息操作:基础档案——>财务——>凭证类别——>选择“记账凭证”类别4、固定资产系统的初始设置操作:企业门户——>业务页签——>财务会计——>固定资产——>设置菜单(1)部门对应折旧科目的设置操作:进入该项功能——>选中相应的部门——>点“修改”——>参照输入科目代码——>保存(2)资产类别设置增加:01通用设备、使用年限5、残值率5%,其他信息默认——>保存02专用设备、使用年限10、残值率5%,其他信息默认——>保存(3)增减方式对应科目设置如:A.直接购入的方式——>点修改——>参照录入对应入帐科目1002——>保存B.出售的方式——>点修改——>参照录入对应入帐科目1701——>保存5、期初数据的录入操作:卡片——>原始卡片——>录入相关信息——>保存(1)联想电脑一台,资产类别为01通用设备,使用部门仅为财务部,增加方式为直接购入,使用状况为在用,已计提月份为1个月,原值8000累计折旧126.67(2)春兰空调一台,资产类别为02专用设备,行政部和销售部共同使用(五五分摊),增加方式为捐赠,使用状况为在用,已计提月份为6个月,原值6000累计折旧285三、日常操作及期末处理1、资产增加(新增TCL彩电一台,资产类别为02专用设备,使用部门为销售部,增加方式为直接购入,使用状况为在用,开始使用时间为当月5号,原值4000,其余沿用默认值。
工资管理1、单工资类别核算管理的新用户,其操作流程比多工资类别管理核算的企业相对简单,操作顺序基本相同。
(对)2、系统提供的固定工资项目不能进行修改、删除。
(对)3、在工资管理系统中,相同的工资项目不能定义公式。
(错)4、系统提供的固定工资项目不允许在计算公式中出现。
(对)5、在工资管理系统中,人员附加信息可以随时修改、删除。
(错)6、只要在工资建账时选择了“是否核算计件工资”,就可以在“计件工资统计表”中输入所有员工的计件数量和单价。
(错)7、在工资管理系统中,不能对人员附加信息进行数据加工。
(对)8、计件工资方案一旦停用,便不能录入计件工资统计数据。
(对)9、工资分摊的结果可以自动生成凭证传递到总账系统(对)10、工资管理系统默认以应发合计作为个人所得税的扣税基数。
(错)11、工资业务处理完毕后,需要经过记账处理才能生成各种工资报表。
(错)12、汇总工资类别不需要进行月末处理。
(对)13、第一次进行工资类别汇总时,需要在工资类别中设置工资项目的计算公式。
(对)14、在汇总工资类别时,必须在关闭工资类别时才可用。
15、系统自动以(登录日期)作为新建工资类别的启用日期。
16、增加工资类别下的工资项目时,可以采用的方法是(只能从名称参照中选择工资项目)。
17、调出人员当月月结后,不能取消调出标志;已调出人员所有档案信息均不能修改;调出人员年中不能删除。
18、调出人员的编号不能再使用。
(错)19、在工资管理系统中,(工资项目)使用后不能修改,而(人员类别名称、人员附加信息、银行名称)可以修改.20、计件工资标准“工序”来源于(成本管理系统)。
21、在工资管理系统中进行数据替换时,如果为输入替换条件,则系统默认为本工资类别的全部人员。
22、关于工资系统月末处理,12月不需要进行月末处理;月末处理只有主管人员才能进行;本月工资数据未汇总不允许进行月末处理。
23、若存在多个工资类别,只需要对汇总工资类别进行月末处理。
1.关于固定资产卡片录入的说法,不正确的是A.删除非末卡片,该卡片编号将保留空号,不能再使用。
B.使用年限可以是非整数年,但必须是整数月C.资产通过原始卡片录入还是通过"资产增加"录入,在于资产的开始使用日期D.原始卡片的录入必须在第一个期间结账前答案:D2.在固定资产系统中每月可以进行多少次计提本月折旧操作A.只能做一次B.只能做两次C.次数无限制D.在选项中可以控制计提折旧的次数答案:C3.有关固定资产卡片样式描述正确的是A.每卡片的样式可以单独修改。
B.卡片样式修改中可以修改行高、列宽但无法增加行数和列数。
C.卡片的样式如何只能在资产类别中选择。
D.卡片样式最多不能超过四个答案:C4.在固定资产中A.无法查询已经减少了的卡片。
B.无法修改上年数据。
C.无法修改上月数据。
D.无法更改卡片信息答案:B5.固定资产结账前A.必须与总账对账一致。
B.只能计提一次折旧。
C.必须将批量制单中业务全部制单。
D.以上都不对。
答案:D6.固定资产当月有效的变动是。
A.使用年限调整B.部门转移C.原值调整D.累计折旧调整答案:A7.下列有关固定资产模块描述正确的是。
A.选择"与账务系统进行对账",则必须完成"批量制单"业务。
否则不能结账。
B.选择"月末结账前一定要完成制单登账业务",则须将"批量制单"中所有记录全部生成凭证。
否则不能结账。
C.当月新增加的固定资产卡片一律不参加计提折旧。
D.当月新增的卡片作部门的变动不须作部门变动单,可直接修改卡片。
答案:D8.经理要企业固定资产的最全面的资料,最好给他提供A.固定资产原值一览表B.固定资产到期提示表;C.固定资产统计表;D.役龄资产统计表;答案:C9.要从总体上了解企业所拥有固定资产的折旧计提程度,可选择系统提供的()。
A.部门构成分析表;B.价值结构分析表;C.类别构成分析表;D.使用状况分析表;答案:B10.要了解企业各部门所拥有的固定资产,可选择固定资产子系统提供的()。
A.部门构成分析表;B.价值结构分析表;C.类别构成分析表;D.使用状况分析表;答案:A11.在固定资产(部门、类别)明细账窗口中,哪项操作能调出固定资产卡片或变动单等原始凭证?A.单击明细账的某一记录行。
B.双击明细账的某一记录行。
C.单击鼠标右键,在下拉表中选择“打开原始凭证”。
D.双击鼠标右键,在下拉表中选择“打开原始凭证”。
答案:B12.关于固定资产子系统的月末结账功能,下列说确的是()?A.本月不结账,可以以下月日期登录系统,处理下期数据。
B.结账后发现有未处理的业务,只能在下月处理。
C.结账后,不能再以本月日期登录系统。
D.为保证数据的安全性,结账前一定要进行数据备份。
答案:D13.在固定资产子系统中,哪项任务不能通过“处理”|“凭证查询”完成?A.制作凭证。
B.查询凭证。
C.修改凭证。
D.删除凭证。
答案:A14.在固定资产子系统中,为了将一批需要制单的业务连续制作凭证并传输到账务系统,避免多次制单的繁琐,可采用()。
A.在系统设置的“选项”中,选取“业务发生后立即制单”。
B.在业务发生后单击【制单】按钮。
C.在系统菜单中单击“处理”|“批量制单”。
D.在系统菜单中单击“处理”|“月末结账”,系统自动制单。
答案:C15.在固定资产子系统中,使用批量制单方式,记账凭证的摘要()。
A.系统自动给出,不能修改。
B.系统自动给出,能修改。
C.只能手工输入。
D.视具体情况而定。
答案:C16.若在系统设置的选项中选择了“业务发生后立即制单”,在计提固定资产折旧的时候,依次出现:A.折旧清单--记账凭证--折旧分配表。
B.折旧清单--折旧分配表--记账凭证。
C.折旧分配表--记账凭证--折旧清单。
D.记账凭证--折旧分配表--折旧清单。
答案:B17.下列关于固定资产折旧计提的说法,哪个是正确的?A.在没有输入本月工作量之前,不能计提折旧。
B.资产的使用部门必须是明细部门,折旧分配部门也必须分配到明细部门。
C.若自定义的折旧方法月折旧率或月折旧额出现负数,系统仍旧自动计提折旧。
D.在折旧分配表中,不仅有本月折旧额,还有各固定资产的累计折旧。
答案:A18.下列哪个项目在调整当月影响折旧的计提?A.原值。
B.累计折旧。
C.净残值(率)。
D.折旧方法。
答案:D19.由于误操作,本月1日固定资产子系统计提了一次折旧,并已制单且传递到总账系统。
要重新计提本月折旧,下列哪个操作步骤是正确的?A.单击“处理|查询凭证”选择该凭证--【删除】--“处理|计提本月折旧”。
B.单击“处理|查询凭证”选择该凭证--【冲销】--“处理|计提本月折旧”。
C.双击“处理|计提本月折旧”。
D.单击“处理|计提本月折旧”。
答案:A20.固定资产减值必须按()计提。
A.单项。
B.批量。
C.类别。
D.总体。
答案:A21.在固定资产子系统菜单下,哪种操作具有计提固定资产的减值准备功能?A.单击“处理”|“计提减值准备”;B.单击“处理”|“资产减少”;C.单击“卡片”|“变动单”|“计提减值准备”;D.单击“卡片”|“卡片管理”,对固定资产卡片进行修改;答案:C22.在固定资产子系统中,实施资产评估包括三个步骤,其正确顺序是()。
A.选择评估项目--选择要评估的资产--录入评估数据。
B.选择评估项目--录入评估数据--选择要评估的资产。
C.选择要评估的资产--选择评估项目--录入评估数据。
D.选择要评估的资产--录入评估数据--选择评估项目。
答案:A23.在对固定资产进行评估时,要选择定义公式的区域,下列说确的是()。
A.所选区域只能是评估后数据区域,且可以选择很多列。
B.所选区域只能是评估前数据区域,且可以选择很多列。
C.所选区域只能是评估后数据区域,且只可以选一列。
D.所选区域只能是评估前数据区域,且只可以选一列。
答案:C24.某项固定资产在使用中,下列项目发生了变动,哪项不需要通过变动单就可以修改?A.原值调整。
B.累计折旧调整。
C.部门转移。
D.编号变动。
答案:D25.企业将一办公用计算机折旧方法从平均年限法调整为加速折旧法,且会计制度规定需采用追溯调整法,则()。
A.系统在当月按照新的方法计提折旧,以前期间的数据不能自动调整,只能手工调整累计折旧额。
B.系统在下月按照新的方法计提折旧,以前期间的数据不能自动调整,只能手工调整累计折旧额。
C.系统在当月按照新的方法计提折旧,以前期间的数据自动调整,不需手工调整累计折旧额。
D.系统在下月按照新的方法计提折旧,以前期间的数据自动调整,不需手工调整累计折旧额。
答案:A26.办公楼1经过了三次调整,变动单编号分别为00002号、00010号、00008号,后来发现应调整的是办公楼2,要删除办公楼1的三变动单,删除顺序为()。
A.00002--00008--00010。
B.00010--00008--00002。
C.00010--00002--00008。
D.任意顺序。
答案:B27.已保存的变动单,不能进行的操作有()。
A.删除。
B.增加。
C.修改。
D.查看。
答案:C28.本月购进材料一批,会计误作为固定资产,已制作相关凭证。
下列哪种方式能删除该固定资产?A.直接使用固定资产减少功能。
B.直接删除固定资产卡片。
C.删除相关凭证后,再删除固定资产卡片。
D.删除相关凭证后,再使用固定资产减少功能。
答案:C29.下列哪项固定资产的卡片能通过“资产增加”功能录入系统?A.开始使用日期为1999-01-10,录入时间为1999-02-10;B.开始使用日期为1999-01-10,录入时间为2000-02-10;C.开始使用日期为1999-01-10,录入时间为1999-01-22;D.开始使用日期为1999-01-10,录入时间为1998-02-10;答案:C30.关于固定资产子系统中资产减少功能的运用,下些哪个说确?A.账套计提折旧前,要减少某项资产,可以通过“资产减少”功能实现。
B.账套计提折旧后,要减少某项资产,可以通过“删除卡片”功能实现。
C.当月减少的固定资产,可在当月恢复。
D.上月减少的固定资产,可在本月恢复。
答案:C31.在固定资产类别设置中,设备类(一级)下设机床和车床两类。
2002年8月企业直接购入汽车一辆,其类别应与机床或车床同级,为了在固定资产子系统中增加该汽车资料,首先应启动哪项功能?A.资产增加。
B.资产类别编码。
C.固定资产卡片录入。
D.资产增减方式。
答案:B32.下列哪些情况下,可对固定资产卡片作无痕迹修改?A.没有做变动单或评估单的原始卡片的原值项目,在录入当月。
B.没有做变动单或评估单的原始卡片的原值项目,在作过一次月末结账后。
C.做过变动单或评估单的原始卡片的使用部门项目,在录入当月。
D.做过变动单或评估单的原始卡片的使用部门项目,删除变动单或评估单后,并作过一次月末结账后。
答案:A33.小王是新到公司来的ERP系统固定资产子系统操作员,对公司部门结构不了解,经理经常需要询问他企业各部门使用房屋的情况,小王最好采用以下哪种方法进行查询?A.固定资产卡片管理窗口中,在卡片列表中逐项查找。
B.固定资产卡片管理窗口中,选择按部门查询。
C.固定资产卡片管理窗口中,选择按类别查询。
D.固定资产卡片管理窗口中,选择按自定义查询。
答案:D34.下列哪固定资产卡片能被直接删除?A.2003年6月发现2002年10月录入的有错误的固定资产卡片。
B.2003年6月发现本月录入的有错误的固定资产卡片。
C.2003年6月发现本月录入的有错误的固定资产卡片,但已作过变动单。
D.已作过凭证的卡片。
答案:B35.在固定资产卡片录入中,下列哪一个项目是自动给出的,不能更改?A.录入人。
B.固定资产名称。
C.存放地点。
D.对应折旧科目。
答案:A36.在固定资产卡片录入中,哪个说法是错误的?A.在录入一新卡片时,卡片编号根据固定资产编码方案自动给出,不能修改。
B.“类别编号”项目和“类别名称”项目只需选择录入其中一项,另一项目能自动显示。
C.选择“部门名称”后,“对应折旧科目”能自动给出,不能再作修改。
D.可以为一个资产选择多个使用部门。
答案:C37.()页签的信息能在固定资产卡片录入窗口进行手工编辑?A.固定资产主卡片页签。
B.原值变动页签。
C.大修理记录页签。
D.资产转移记录页签。
答案:A38.在系统设置的“选项”对话框,固定资产的缺省入账科目为空时,系统以后在制作记账凭证时,凭证缺省科目为()。
A.固定资产。
B.累计折旧。
C.减值准备。
D.空。
答案:D39.企业的“生产部门”下设10个车间,其对应折旧科目均应为“生产成本”,在设置完“生产部门”的对应折旧科目为“生产成本”后,通过单击()按钮,系统能自动将其下级车间的折旧科目替换为“生产成本”。