【CN209721867U】一种基于微生物燃料电池组的小型成套污水梯度处理装置【专利】
- 格式:pdf
- 大小:399.68 KB
- 文档页数:7
专利名称:一种生物阴极型微生物燃料电池废水处理系统和处理废水的方法
专利类型:发明专利
发明人:李浩然,李洪珊
申请号:CN201510172618.0
申请日:20150413
公开号:CN104773827A
公开日:
20150715
专利内容由知识产权出版社提供
摘要:本发明公开了一种生物阴极型微生物燃料电池废水处理系统和处理废水的方法,该系统主要由阳极室、阴极室、膜组件和外电路系统组成,在阳极室微生物催化氧化有机物产生电子和质子,电子被阳极捕集并通过外电路转移到阴极上,质子则通过分隔膜从阳极室迁移到阴极室,在阴极室中利用微生物作为催化剂将阴极的硝酸盐最终还原为氮气。
本发明的目的在于降低微生物燃料电池成本的同时在阴极室实现脱氮。
本发明采用生物阴极和阳极产电来促进污染物的降解,可实现同步废水脱氮和生物产电,有效回收含氮废水中蕴含的能量,降低生物脱氮成本,处理效果好,性能高效稳定。
申请人:中国科学院过程工程研究所,中国大洋矿产资源研究开发协会
地址:100190 北京市海淀区中关村北二条1号
国籍:CN
代理机构:北京方安思达知识产权代理有限公司
更多信息请下载全文后查看。
专利名称:一种用于污水处理与能量回收的微生物燃料电池专利类型:发明专利
发明人:冯玉杰,何伟华,王鑫,史昕欣
申请号:CN201310177939.0
申请日:20130514
公开号:CN103259034A
公开日:
20130821
专利内容由知识产权出版社提供
摘要:一种用于污水处理与能量回收的微生物燃料电池,本发明涉及一种能处理污水的微生物燃料电池。
可用于处理生活污水,可实现出水COD达标排放,且能回收电能。
本发明的微生物燃料电池包括至少四个电池模块、进水围堰和出水围堰,每两个电池模块为一组以上水平狭缝相邻来贴靠设置,两组电池模块贴靠在一起形成矩形阵列;水从进水围堰溢流流入每个电池模块中,在上阴极板和下阴极板分别与阳极杆件之间形成的电池体之间发电,处理后的水流入出水围堰排出。
由于电池模块的进水和排水都是并联方式,任何一个模块出现故障和维修,不影响整体装置的运行。
通过叠加的方式增加装置的容量和工作能力,真正实现了产业化的进步。
申请人:哈尔滨工业大学
地址:150001 黑龙江省哈尔滨市南岗区西大直街92号
国籍:CN
代理机构:哈尔滨市松花江专利商标事务所
代理人:牟永林
更多信息请下载全文后查看。
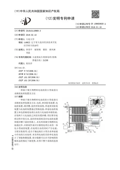
(19)中华人民共和国国家知识产权局(12)发明专利申请(10)申请公布号 (43)申请公布日 (21)申请号 201910119969.3(22)申请日 2019.02.18(71)申请人 大连大学地址 116622 辽宁省大连市经济技术开发区学府大街10号(72)发明人 李秀平 谢智荆 曹阳 黄凤林 刘意 (74)专利代理机构 大连智高专利事务所(特殊普通合伙) 21235代理人 祝诗洋(51)Int.Cl.C02F 9/14(2006.01)H01M 8/16(2006.01)C02F 101/30(2006.01)C02F 101/20(2006.01)(54)发明名称一种基于微生物燃料电池组的小型成套污水梯度处理装置及方法(57)摘要一种基于微生物燃料电池组的小型成套污水梯度处理装置及方法,包括,密封除氧装置、电池组装置、缓冲槽、监控控制系统,所述密封除氧装置与电池组装置通过管路连接,所述电池组装置主体包括梯度处理污水的大电池组串联组成,在每两个大电池组之间设有缓冲槽,用以暂存处理过程中的污水,监控控制系统设在电池组装置和缓冲槽下游的管路上。
本发明将微生物燃料电池通过串、并联制作成可以梯度处理污水的一体化小型成套装置,在处理污水的同时产生电能,方便安装使用,适合于偏远地区小型企业和家庭小作坊的污水处理。
本发明电池组里的单电池设计了智能换膜装置,使分隔膜可以在不影响阴阳极状态的情况下被更换,有利于整个系统的连续运行。
权利要求书2页 说明书4页 附图1页CN 109650680 A 2019.04.19C N 109650680A权 利 要 求 书1/2页CN 109650680 A1.一种基于微生物燃料电池组的小型成套污水梯度处理装置,其特征在于,包括,密封除氧装置(22)、电池组装置、缓冲槽、监控控制系统,所述密封除氧装置(22)与电池组装置通过管路连接,所述电池组装置主体包括梯度处理污水的大电池组串联组成,在每两个大电池组之间设有缓冲槽,用以暂存处理过程中的污水,监控控制系统设在电池组装置和缓冲槽下游的管路上;每一个大电池组均是由若干双室微生物燃料电池的单电池组成,单电池主要由阳极室(10)、阴极室(11)和换膜装置构成,在阳极室(10)和阴极室(11)两侧外壁上分别设有污水流出口(1)和污水流入口(2),在阳极室(10)和阴极室(11)顶面上分别嵌接设置排气阀(3),在阳极室(10)和阴极室(11)内各有一个旋转电极(12),在旋转电极(12)上设有旋转电极帽(6),旋转电极帽(6)嵌接设置在每个阳极室(10)和阴极室(11)顶面中心,使旋转电极(12)位于阳极室(10)和阴极室(11)的中心,每个旋转电极帽(6)上均活动连接一条可旋转线路带(4),在单电池顶面和底面分别设有选择性电路节点(5),选择性电路节点(5)和旋转电极帽(6)通过可旋转线路带(4)连接;内固电路(9)通过选择性电路节点(5)固定在单电池的前后外壁上;所述的阳极室(10)和阴极室(11)之间用换膜装置将其隔开。
专利名称:一种污水处理用的微生物燃料电池专利类型:发明专利
发明人:于洪洲
申请号:CN201310629242.2
申请日:20131128
公开号:CN104681842A
公开日:
20150603
专利内容由知识产权出版社提供
摘要:本发明涉及一种将液固流化床和微生物燃料电池相集成用于废水处理的技术装置,特别是一种污水处理用的微生物燃料电池;其底部制有污水入口,污水入口上部制有预分布室,预分布室和流化床体之间制有液体分布板,流化床体内下部装有流化颗粒;阳电极竖向位于流化床体内侧,一端插入流化颗粒内引出电子,空气膜阴极位于流化床体外侧,并通过环氧胶密封,阳电极另一端和空气膜阴极之间通过导线连接,并串联负载形成闭合回路;气体收集出口位于密封盖顶部中心;上下顺序排列的测试口位于流化床体外侧壁;其制备成本低,性能高,操作可靠,效果好,速率快,易于放大和工业化应用。
申请人:于洪洲
地址:266200 山东省青岛市即墨嵩山二路296号14号楼2单元401
国籍:CN
更多信息请下载全文后查看。
专利名称:一种基于A2/O工艺的同步污水处理的微生物燃料电池
专利类型:发明专利
发明人:高悠娴,高东东,肖杰,杨平,杨长军,李金星,蔡芹
申请号:CN202210218987.9
申请日:20220308
公开号:CN114573093A
公开日:
20220603
专利内容由知识产权出版社提供
摘要:本发明涉及一种基于A2/O工艺的同步污水处理的微生物燃料电池,包括电池主体,其内同轴设有圆柱内腔,圆柱内腔内设有分隔体,分隔体内形成厌氧区,分隔体外设有两个分隔块,两个分隔块将分隔体与圆柱内腔之间的部分分为缺氧区和好氧区;分隔体包括质子交换膜,分隔体设有第一过孔,其中一个分隔块上设有第二过孔,电池主体设有第一污水回流结构;厌氧区设有阳极电极,好氧区设有阴极电极,电池主体外设有电阻,电阻与阳极电极与阴极电极相连;好氧区内设有悬浮填料,好氧区设有曝气装置;阳极区设有活性污泥层;厌氧区设于污水总入口,厌氧区设有氢气出口,电池主体还设有污水总出口。
本发明能实现废水处理和生物发电相结合的新型废水处理技术。
申请人:四川省生态环境科学研究院
地址:610042 四川省成都市人民南路四段18号
国籍:CN
代理机构:成都华瑾知识产权代理事务所(普通合伙)
代理人:文莹森
更多信息请下载全文后查看。
专利名称:一种基于微生物燃料电池的猪场废水处理系统专利类型:发明专利
发明人:倪红军,陈青青,马骏,汪兴兴,黄明宇,朱昱,李志扬,裴一
申请号:CN201510265162.2
申请日:20150522
公开号:CN104986914A
公开日:
20151021
专利内容由知识产权出版社提供
摘要:本发明涉及一种基于微生物燃料电池的猪场废水处理系统,包括按照废水的处理顺序依次分布的集粪池、机械栅格过滤塔、集水池、调节池、厌氧池、微生物燃料电池调节池、微生物燃料电池反应器、活性炭过滤塔及出水池,且各个部件之间通过输水管实现废水的流通;所述集粪池与机械栅格过滤塔之间通过水泵实现废水的流通。
本发明的优点在于:在本发明中,将微生物燃料电池与传统废水处理技术相结合,应用于养殖猪场废水处理,回收电能,治理废水。
申请人:南通大学
地址:226000 江苏省南通市崇川区啬园路9号
国籍:CN
代理机构:北京一格知识产权代理事务所(普通合伙)
代理人:滑春生
更多信息请下载全文后查看。
(19)中华人民共和国国家知识产权局
(12)实用新型专利
(10)授权公告号 (45)授权公告日 (21)申请号 201920206467.X
(22)申请日 2019.02.18
(73)专利权人 大连大学
地址 116622 辽宁省大连市经济技术开发
区学府大街10号
(72)发明人 李秀平 谢智荆 曹阳 黄凤林
刘意
(74)专利代理机构 大连智高专利事务所(特殊
普通合伙) 21235
代理人 祝诗洋
(51)Int.Cl.
C02F 9/14(2006.01)
H01M 8/16(2006.01)
C02F 101/30(2006.01)
C02F 101/20(2006.01)
(ESM)同样的发明创造已同日申请发明专利
(54)实用新型名称一种基于微生物燃料电池组的小型成套污水梯度处理装置(57)摘要一种基于微生物燃料电池组的小型成套污水梯度处理装置,包括,密封除氧装置、电池组装置、缓冲槽、监控控制系统,所述密封除氧装置与电池组装置通过管路连接,所述电池组装置主体包括梯度处理污水的大电池组串联组成,在每两个大电池组之间设有缓冲槽,用以暂存处理过程中的污水,监控控制系统设在电池组装置和缓冲槽下游的管路上。
本实用新型将微生物燃料电池通过串、并联制作成可以梯度处理污水的一体化小型成套装置,在处理污水的同时产生电能,方便安装使用,适合于偏远地区小型企业和家庭小作坊的污水处理。
本实用新型电池组里的单电池设计了智能换膜装置,使分隔膜可以在不影响阴阳极状态的情况下被更换,有利于整个系统的连
续运行。
权利要求书1页 说明书4页 附图1页CN 209721867 U 2019.12.03
C N 209721867
U
权 利 要 求 书1/1页CN 209721867 U
1.一种基于微生物燃料电池组的小型成套污水梯度处理装置,其特征在于,包括,密封除氧装置(22)、电池组装置、缓冲槽、监控控制系统,所述密封除氧装置(22)与电池组装置通过管路连接,所述电池组装置主体包括梯度处理污水的大电池组串联组成,在每两个大电池组之间设有缓冲槽,用以暂存处理过程中的污水,监控控制系统设在电池组装置和缓冲槽下游的管路上;每一个大电池组均是由若干双室微生物燃料电池的单电池组成,单电池主要由阳极室(10)、阴极室(11)和换膜装置构成,在阳极室(10)和阴极室(11)两侧外壁上分别设有污水流出口(1)和污水流入口(2),在阳极室(10)和阴极室(11)顶面上分别嵌接设置排气阀(3),在阳极室(10)和阴极室(11)内各有一个旋转电极(12),在旋转电极(12)上设有旋转电极帽(6),旋转电极帽(6)嵌接设置在每个阳极室(10)和阴极室(11)顶面中心,使旋转电极(12)位于阳极室(10)和阴极室(11)的中心,每个旋转电极帽(6)上均活动连接一条可旋转线路带(4),在单电池顶面和底面分别设有选择性电路节点(5),选择性电路节点(5)和旋转电极帽(6)通过可旋转线路带(4)连接;内固电路(9)通过选择性电路节点(5)固定在单电池的前后外壁上;所述的阳极室(10)和阴极室(11)之间用换膜装置将其隔开。
2.根据权利要求1所述的一种基于微生物燃料电池组的小型成套污水梯度处理装置,其特征在于,所述的换膜装置包括活动连接在阳极室(10)、阴极室(11)之间的壁板中的隔绝插板(7)和密封膜插板(8),该隔绝插板(7)在换膜时插入且与密封膜插板(8)平行排列,使密封膜插板(8)位于两块隔绝插板(7)之间,使得密封膜插板(8)与阴、阳两极室隔绝。
3.根据权利要求1所述的一种基于微生物燃料电池组的小型成套污水梯度处理装置,其特征在于,选择性电路节点(5)的数量为内固电路(9)数量的二倍,由选择性电路节点(5)套接在内固电路(9)的上下两端,使内固电路(9)分别嵌入设置在单电池前后侧壁中部,位于单电池顶面的选择性电路节点(5)分别与对应的可旋转线路带(4)活动连接,所述的可旋转线路带(4)以旋转电极帽(6)为轴心旋转。
4.根据权利要求1所述的一种基于微生物燃料电池组的小型成套污水梯度处理装置,其特征在于,单电池之间为串联连接,串联成五个电池纵向竖直叠放组成的小电池组,若干小电池组之间并联连接成大电池组,大电池组之间为串联连接实现梯度处理污水,产生的电能最终通过电线(15)连接电力检测装置(24)和变电器(25)得以利用。
5.根据权利要求1所述的一种基于微生物燃料电池组的小型成套污水梯度处理装置,其特征在于,污水流入管(13)与电池组装置连接,在该管路的上游还设有密封除氧装置(22)和供水泵(30);阳极液流入管(29)与电池组装置连接,电池组装置由三组大电池组串联连接组成,在每个大电池组上均设有电线(15),电线(15)与变电器(25)连接,在变电器(25)与电线(15)连接的线路上还设有电力检测装置(24);在大电池组Ⅰ(31)和大电池组Ⅱ(32)之间设有缓冲槽Ⅰ(20),在大电池组Ⅱ(32)和大电池组Ⅲ(33)之间设有缓冲槽Ⅱ(21),缓冲槽与位于其下游的之间还设有污水循环管(19),大电池组Ⅰ(31)与缓冲槽Ⅰ(20)通过第一电池组污水流出管(14)连接,大电池组Ⅱ(32)与缓冲槽Ⅱ(21)通过第二电池组污水流出管(16)连接,大电池组Ⅲ(33)的排水管(23)上还设有阳极液出水口(17),在与大电池组Ⅲ(33)处理水管路上分别设有水质实时监控装置(27)、控制阀门(28)和处理水出口(18);远端数据采集分析系统(26)与水质实时监控装置(27)连接。
2。