矿用隔爆真空电磁启动器的常见故障及处理方法
- 格式:doc
- 大小:35.50 KB
- 文档页数:2
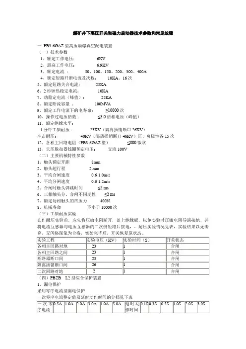
煤矿井下高压开关和磁力启动器技术参数和常见故障一 PB3-6GAZ型高压隔爆真空配电装置(一)技术参数1、额定工作电压: 6KV2、最高工作电压: 6.9KV3、额定电流: 50、100、150、200、300、400A4、额定短路开断电流及次数: 10KA、16次5、额定短路关合电流: 25KA6、2秒钟热稳定电流: 10KA7、动稳定电流(峰值): 25KA8、额定断流容量: 100MV A9、额定工作电流下的电寿命:≥10000次10、操作过电压倍数:≤3.0倍相电压(峰值)11、额定绝缘水平:1分钟工频耐压: 23KV(隔离插销断口26KV)冲击耐压: 40KV(隔离插销断口46KV)正、负极性各15次12、各相主回路电阻(PB3-6GAZ型)≤800微欧13、失压脱扣器线圈额定电压:交流100V(二)主要机械特性参数1、触头额定开距 8mm2、触头超行程 2 mm3、平均合闸速度 0.6-1.0m/s4、平均分闸速度 0.6-1.2m/s5、合闸时触头弹跳时间≤5 ms6、三相触头分、合闸不同期性≤2 ms7、额定每相触头的终压力 400N8、机械寿命不小于10000次(三)工频耐压实验在作耐压实验前,应先将压敏电阻断开,盖上绝缘板,以免实验时压敏电阻导通接地,并将电流互感器与电压互感器的二次侧短路后接地,。
耐压实验情况见表,实验结果以无击(四)PBZB---L2型综合保护装置1、漏电保护采用零序电流型漏电保护2、过载保护过载保护的整定值为额定二次电流(5A)的0.4-1.2倍,即2—6A,分为0.4(2A)、0.5(2.5A)、0.6(3A)、0.7(3.5A)、0.8(4A)、0.9(4.5A)、1.0(5A)、1.1(5.5A)、1.2(6A)共9档。
综保的板面上是按过载倍数刻度的过载延时具有反时限特性3、短路保护短路保护的整定值为额定二次电流(5A)的2—6倍,即10—30安,分为2(10A)、2.2(11A)、2.4(12A)、2.6(13A)、2.8(14A)、3(15A)、4(20A)、5(25A)、6(30A)共9档。
★011QBZ系列隔爆真空电磁起动器常见故障处理故障处理有门道,贵在记录总结。
喜欢记录的人总是进步的比别人快,因为他有资本经常去复盘那些重要的时刻,而那所谓的资本就是他的记录笔记。
不要小看那小小的笔记,它在积蓄着力量,爆发的那一刻总是有惊人的力量。
不信你可以复盘一下今天所做的事,昨天所做的事,这一周所做的事,上一周所做的事,上个月所做的事,去年所做的事......我相信你会惊到自己——完全记不住!这就是记录的威力,重要的时刻一个也不落下!推荐大家读一读《奇特的一生》,你会无比震撼!好了,闲话少说,我在这里给大家给出一些常见的故障及处理方法,处理时你必须熟记那个“电路原理图”。
一、按下起动按钮,接触器不吸合原因分析及处理方法:1、接线腔1、2、9线没有按要求连接,9线没有接地,近远控开关没有按需选择。
这时需检查近远控按钮并拨至相应位置,检查接线腔接线,检查9线是否接地。
2、按钮破碎。
这个只能更换破碎的按钮,别无他法。
3、按钮接触不良。
使用0号砂纸擦拭触点,或者更换按钮。
4、36V电源无电。
检查隔离开关是否打到位,检查熔断器FU1及FU2是否烧断,检查接线端子是否脱落。
5、整流桥损坏。
更换损坏的二极管或者更换整流桥电路板。
6、接触器线圈烧坏。
只能更换线圈或者更换接触器。
7、保护器3、4接点不能闭合。
可以暂时将3、4线接在一起试着起动开关,如果能起动并正常运行则说明保护器故障,需更换保护器。
二、能起动,但不能自保1、接触器辅助触点接触不良。
绝对要沿着自保电路检查,从电源出发,追中间继电器的线圈自保电路,很有可能是接触器辅助触点常开点在接触器吸合后不能有效闭合引起的,一查辅助触点的触头,二查辅助触点动作机构是否到位。
2、有时候电源电压低于额定电压的75%也会出现上述故障。
三、开关起动后不能停止1、中间继电器卡死或者触点熔焊检查中间继电器,排除卡阻原因。
若是触点熔焊,则必须更换中间继电器。
四、阻容保护器烧毁1、电容击穿需更换阻容装置。
一、矿用隔爆型真空可逆电磁起动器型号:QBZ—80N(BQD—80N)常见故障判断及维修1、按反、正车启动按钮,电机只正转;远方启动按钮其中一个损坏。
2、按启动按钮开关不启动;(1)检查变压器熔断是否熔断,检查本身停止按钮接触是否良好。
(2)检查JDB综合保护器是否正常。
(3)电机正转不启动:检查ZJ1常闭点、ZC接点是否良好。
(4)电机反转不启动:检查ZJ2常闭点、FC接点是否良好。
(5)检查远方启动、停止按钮常开、常闭点接触是否良好。
二、矿用隔爆型真空馈电开关型号:KBZ10—630/1140常见故障及处理方法1、开关指示灯指示正常,按合闭钮,开关不合闸?处理方法:(1)220V保险丝断、更换。
(2)时间继电器未吸合,查找继电器电源。
(3)试验选择开关接触不良,处理接点。
2、合上电源开关,分闸灯亮,漏电闭锁灯亮,开关合不上闸?(1)操作方法不对,没按复位按钮,首先按复位铵钮,检测灯亮,所有故障指示灯灭,按合闸钮,开关合闸。
(2)所漏电故障,漏电保护动作,闭锁,查找漏电故障是负荷侧还是开关本身,如果是负荷测,查找潜心电故障点处理即可;如果是开关本身,查找开关本身。
3、开关指示灯允许合闸,但机构维持不住?(1)欠压线圈的压簧未压到位,机构搭半轴不位,查找压簧不到位的原因,使压簧压到位。
(2)欠压线圈断,没有工作,更换欠压线圈。
三、矿用隔爆型照明综合信号保护器型号:ZBZ—4.0/660(380)M常见故障判断1、漏电指示灯常亮开关送不上电;变压器二次127V接地,用兆欧表查找接地。
2、按下启动按钮开关不吸合检查变压器一次熔断大是否熔断;检查组合开关是否通路;检查二次熔断器是否熔断;检查控制断电器IJ1常闭点接触是否良好;检查启动、停止按钮常开、常闭接点接触是否良好。
四、煤矿风机用隔爆型双电源真空电磁起动器型号:QBZ—120/1140(660)-SF 故障分析排除1、RD1、RD01指示灯不亮。
产能经济369浅析QJZ-630/1140(660)-4矿用隔爆兼本质安全型真空磁力起动器常见故障与排除方法王 英 大同煤矿集团有限责任公司技师学院摘要:煤矿生产过程中,会不可避免发生各类电气设备故障,其中大部分故障是因为电气设备本身出现问题而造成的。
本文阐述了QJZ-630/1140(660)-4矿用隔爆兼本质安全型真空磁力起动器常见故障与排除方法,为煤矿安全生产和科学管理提供了保障。
关键词:煤矿;真空磁力起动器;故障;排除方法中图分类号:F426.6 文献识别码:A 文章编号:1001-828X(2019)022-0369-01安全供电是矿井安全生产的重要保障,因此,日常要加强维护和检测。
煤矿电气设备检修工的主要任务是对生产矿井所使用的各种起动器、电动机、变压器等电气设备进行维护和检测。
检测方法通常有直观法检测和仪表法检测。
一、直观法检测通过人的视觉或其它感觉器官去发现故障、排除故障的一种检测方法。
它是最基本的检测故障方法之一。
外观检测要查看起动器外壳有无变形、裂纹、生锈等现象。
防爆外壳要求符合《煤矿安全规程》相关规定,必须具有耐爆性和隔爆性。
如隔爆接合面满足隔爆性要求,接合面的间隙必须小于所规定的最大间隙,接合面有效宽度必须不小于所规定的最小有效宽度,接合面的粗糙度必须不大于规定的粗糙度等。
检查接装置是否正确、牢固,检查接地(包括控制线和通信线)是否良好,检查端子接线及裸露部分、电气间隙等是否满足要求。
潮湿性气体会导致起动器结露或金属生锈,而在结露或生锈情况下运行,将会有炸机的危险。
如发现有结露或积水现象,应清理干净并烘干,没用结露或积水现象,应在保养的同时换干燥剂。
二、仪表法检测仪表测法检可采用电压表、电流表、电阻表、验电笔、兆欧表等各类仪表检测电路的断路、短路、漏电等各类故障。
送电前,仔细检查供电电压及回路绝缘状态,当出现过电压、欠电压、瓦斯超限、漏电闭锁时,各电机将不能启动,同时显示出故障状态。
煤矿防爆开关常见故障检修十例煤矿防爆开关故障检修十例重庆天府技工学校曹正刚一,电原理图QBZ矿用隔爆型真空电磁起动器原理图二、操作过程(1)搞清楚故障现象:如按起动按钮时开关不闭合、起动后回路不能自保、起动后不能停止、磁铁的鸣叫声很响、磁铁闭合缓慢、开关闭合时上一级馈电开关掉闸、过热继电器不能自动复位、触头过热和勺伤、触头熔焊在一起、线圈过热或线圈烧毁、触头磨损较快等等。
(2)故障分析:根据故障现象从原理上分析可能的故障环节和故障点。
(3)检查判断:按分析结果,依靠原理图、接线图在磁力起动器上找准检测位置,用适当的方法和手段判断出故障所在。
(4)排除故障:或修或换发生故障的元件,使磁力起动器恢复正常,但要注意消除发生故障的根本原因,以免相同故障再重复发生。
例:故障时磁力起动器起动后回路不能自保分析:可能是2号线有断路,或辅助触头接触不良或损坏,也有可能是按钮接错(指新装的按钮)。
检查处理:将隔离开关断开,打开磁力起动器外盖,用万用表欧姆档检查2号线的通路;进一步检查辅助触头(人为使磁力起动器吸合,用万用表欧姆档检查辅助触头的通断情况);若都正常,则再检查按钮接线是否正确;查出故障原因后,采取相应的方法进行处理。
三、QBZ防爆开关故障检修实例例1、启动按钮按下后出现断相、电动机转速慢并出现嗡嗡声。
分析与检修:通过故障现象分析,怀疑故障是由真空断路器接触不良或损坏,进线三相电源是否正常或隔离换相开关而导致该故障。
检查方法:开机带电状况下用万用表500伏档测L1、L2和L3有无380V交流电测真空断路器进线端有无380V,如缺一相可能问题在换相开关,如有再测真空接触器出线U、V 和W端如缺一相,可基本判断某一真空管内有问题。
拆下故障真空管修复,如能调整触头距离可恢复,如已烧坏,更换同规格真空接触器。
例2、按下启动按钮,真空接触器吸合不好,声音很大,不能正常工作。
分析与检修,通过故障现象分析,怀疑故障是启动线圈或启动控制变压器有问题,或中间继电器KA13-14触头接触不良造成。
煤矿井下高压开关和磁力启动器技术参数和常见故障一PB3-6GAZ型高压隔爆真空配电装置(一)技术参数1、额定工作电压:6KV2、最高工作电压: 6.9KV3、额定电流:50、100、150、200、300、400A4、额定短路开断电流及次数:10KA、16次5、额定短路关合电流:25KA6、2秒钟热稳定电流:10KA7、动稳定电流(峰值):25KA8、额定断流容量:100MV A9、额定工作电流下的电寿命:≥10000次10、操作过电压倍数:≤3.0倍相电压(峰值)11、额定绝缘水平:1分钟工频耐压:23KV(隔离插销断口26KV)冲击耐压:40KV(隔离插销断口46KV)正、负极性各15次12、各相主回路电阻(PB3-6GAZ型)≤800微欧13、失压脱扣器线圈额定电压:交流100V(二)主要机械特性参数1、触头额定开距8mm2、触头超行程 2 mm3、平均合闸速度0.6-1.0m/s4、平均分闸速度0.6-1.2m/s5、合闸时触头弹跳时间≤5 ms6、三相触头分、合闸不同期性≤2 ms7、额定每相触头的终压力400N8、机械寿命不小于10000次(三)工频耐压试验在作耐压试验前,应先将压敏电阻断开,盖上绝缘板,以免试验时压敏电阻导通接地,并将电流互感器与电压互感器的二次侧短路后接地,。
耐压试验情况见表,试验结果以无击穿,1、漏电保护采用零序电流型漏电保护一次零序电流整定值及延时动作时间的分档见下表2、过载保护过载保护的整定值为额定二次电流(5A)的0.4-1.2倍,即2—6A,分为0.4(2A)、0.5(2.5A)、0.6(3A)、0.7(3.5A)、0.8(4A)、0.9(4.5A)、1.0(5A)、1.1(5.5A)、1.2(6A)共9档。
综保的板面上是按过载倍数刻度的过载延时具有反时限特性3、短路保护短路保护的整定值为额定二次电流(5A)的2—6倍,即10—30安,分为2(10A)、2.2(11A)、2.4(12A)、2.6(13A)、2.8(14A)、3(15A)、4(20A)、5(25A)、6(30A)共9档。
QBZ-120/660(380V)矿用隔爆型真空电磁启动器经常用于煤矿井下,周围环境介质中含有瓦斯(主要成分为甲烷)、煤尘等混合物的易燃易爆气体环境当中,适合电源特点:工频50HZ ,三相中性点不接地的线路当中。
此启动器有电压380V 和660V 两个电压等级,额定电流最大可到120A ,常用于控制小容量三相异步电动机频繁启动。
一、工作原理(一)启动器送电启动方式1.接触器线圈供电方式(直流36V )。
启动器的接触器线圈为直流线圈,电压等级36V ,由控制变压器提供36V 交流电源,通过桥式整流得到36V 直流电给接触器线圈使用。
2.桥式整流。
采用四个二极管两两正反连接组成全波整流装置,把控制变压器提供的36V 交流电变成36V 直流电源。
3.大电流启动、小电流维持。
如图所示,交流真空接触器吸合线圈组由四个线圈串并联组成,当接触器吸合瞬间线圈Q11和线圈Q12串联得电;接触器吸合后KM1常闭点断开,由两个线圈串联转换为四个线圈串联得电来维持住吸合状态。
即大电流吸合,小电流维持。
(二)保护功能1.漏电闭锁保护:在启动器启动之前,电动机综合保护器如果检测到有漏电现象,即当电路电源电压380V 时,检测到一相对地绝缘电阻值低于7K Ω或当电路电源电压660V 时,检测到一相对地绝缘电阻值低于22K Ω时,电动机综合保护器内部的执行继电器线圈释放,其常开触点不动作,则启动器无法启动,从而实现漏电闭锁。
2.过载、短路、断相及三相不平衡保护:在启动器启动后,当电路发生过载、短路、断相及三相不平衡故障时,电动机综合保护器内部的执行继电器线圈失电释放,其常开触点断开,切断启动器控制回路,启动器跳闸,主回路断开,从而实现过载、短路、断相及三相不平衡保护。
二、在生产过程中产生的故障实例:某矿某队生产工作面一台矿用隔爆型电磁启动器,启动时烧坏电动机综合保护器,致使启动器无法正常工作。
为了不影响生产,机电人员迅速对启动器进行了检查,检查后没有发现故障,于是更换一台新的综保,但更换后,启动器启动时又烧坏。
矿用隔爆型真空可逆电磁启动器的保养与维修作者:潘筠雅来源:《中国科技博览》2014年第12期【摘要】矿用隔爆型真空磁力启动器的应用,对于煤矿开采活动的顺利进行具有重要意义,本文我们从矿用隔爆型真空磁力启动器自身结构性质特点入手,对其保养维护问题做出分析与探究。
【关键词】矿用;隔爆型真空可逆电磁启动器;保养;维修【分类号】:TM615一、矿用隔爆型真空可逆电磁启动器的维修原理1、根据电路及工作原理查找故障范围弄清楚被检修电路、设备的结构和工作原理,是循序渐进、避免盲目检修的前提。
查找故障时,先从主电路入手,看换向器合、分是否正常,然后检查主电路的触头系统、热元件、熔断器及线路本身是否有故障,接着根据主电路与控制电路的控制关系,检查控制回路的线路接头、自锁或连锁触点、电磁线圈是否正常,PLC的输入、输出电压是否正常,从而找出故障部位。
如能通过直观检查发现故障点,如 PLC 的指示、线圈脱落、触头(点)、线圈烧毁等,则检修速度更快。
2、从控制电路动作程序检查故障范围通过直观观察无法找到故障点,断电检查仍未找到故障时,可对电气设备进行通电检查。
通电检查前要先切断主电路,将控制器和转换开关置于零位,然后用万用表检查电源电压是否正常,有没有缺相或严重不平衡。
进行通电检查的顺序为先检查主电路,后查控制电路;先检查交流系统、后检查直流系统;通电检查控制电路的动作顺序,观察各元件的动作情况,或断开隔离开关,取下所有熔断器,然后按顺序逐一插入要检查部位的熔断器,合上开关,观察各电气元件是否按要求动作。
3、利用仪表检查在煤矿电气修理中,对于隔离开关的分合是否到位,触头(点)的接触电阻等是否正常,对于工作电压、控制回路部分电压等可用万用表检查;对线路、主回路的元件的有关绝缘电阻,可用兆欧表检查。
利用仪表检查电路或电器的故障具有速度快、判断准确、故障参数可量化等优点,因此,在电气设备维修中应充分发挥仪表检查故障的作用。
正确的使用电工仪表是准确确定故障点的一种行之有效的检查方法。
矿用隔爆型真空馈电开关和磁力启动器的常见故障与处理方法矿用隔爆型真空馈电开关和磁力启动器的常见故障与处理方法【摘要】本文主要阐述了矿用隔爆型真空馈电开关的组成,技术特征、保护性能常见故障与解决方法,以二种矿用隔爆真空电磁启动器进行了分析。
【关键词】真空馈电开关;磁力启动器DKZB-400/ll40矿用隔爆型真空馈电开关,主要用在煤矿井下,额定电压ll40V或660V、频率50Hz的配电系统中作线路总开关或分支开关,所控制电路的负荷电流为400A。
矿用隔爆型真空磁力启动器,是一种新型矿用低压器产品,真空接触器把电弧封闭在真空开关管内,具有分断能力高、燃弧时间短,触头磨损小的特点,因而电寿命长。
介质绝缘强度恢复速度快,适用于频繁操作。
开距小,耗散功率小,而且又没有喷弧距离。
体积小、质量轻、不飞弧、保护齐全,便于检修。
在煤矿高、低压开关中已广泛运用。
1.矿用隔爆型真空馈电开关1.1矿用隔爆真空馈电开关的组成与技术特征本馈电开关主要由隔爆外壳、真空断路器、控制回路电源开关、芯板组件、检查开关、故障信号指示等组成。
1.2矿用隔爆真空馈电开关的保护性能过电流脱扣器具有过载长延时动作和短路瞬时动作两段保护特性。
过载保护整定电流从l60-400h六挡,短路保护整定电流从l200-4000A六种。
开关具有欠压脱扣线圈、分励脱扣线圈及电子式过电流脱扣器,欠压脱扣线圈与分励脱扣线圈亦是过电流脱扣器的执行环节。
欠压脱扣线圈F的释放电压为35%-65%额定电压时失压线圈脱扣,开关脱扣、分闸。
失压保护:当电网停电时失压线圈脱扣,开关脱扣、分闸。
1.3常见故障及处理方法根据故障信号指示灯分析判断,白色为过载信号,跳闸后燃亮:红色为短路信号;兰色为真空开关漏气信号,合闸前指示。
2.磁力启动四常见故障原因及处理方法2.1 BQD-80矿用隔爆型真空磁力启动器BQD7-80矿用隔爆型真空磁力启动器丰要用作就地或远距离控制,电压660V、频率为50Hz的矿用隔爆型三相笼式电动机的启动和停止,并在停机时进。
QJZ-315(Z)电磁起动器的常见故障与处理摘要:针对QJZ—315(Z)智能化矿用真空电磁起动器,在生产实践中所发生的问题,介绍了起动器的工作原理、技术性能指标,以及对常见故障与处理作了分析,并对不足之处作了总结及改进。
关键词:磁力起动器工作原理技术性能故障解决改进一、QJZ-315(Z)电磁力起动器概述QJZ-315(Z)/1140(660)矿用隔爆型智能化真空电磁起动器(以下简称磁力起动器)适用于具有爆炸性危险气体和煤尘的矿井中,在交流50Hz,额定电压1140V或660V的供电系统中,控制额定电流至315A 的三相鼠龙式异步电动机的直接起动、停止和正反转以及远方控制,同时对电动机和有关电路进行保护。
程控功能使你在使用几台磁力起动器组成系统时的接线更加方便。
磁力起动器可与甲烷传感器相连,用于检测和显示采掘工作面的甲烷浓度,当其超限时起动器断电,实现甲烷断电。
隔爆外壳分上、下腔两部分。
上腔为接线腔,下腔为主腔。
起动器前门采用快开门结构。
开门前,先把隔离开关手把打到分的位置,然后解除机械闭锁才能把门打开。
以实现开门不能送电和带电不能开门。
隔离换向开关上有一个辅助接点,能保证在打隔离换向开关手把时真空接触器首先分断,防止隔离换向开关带负荷分断。
但在真空接触器出现故障时允许分断负荷电流。
本磁力起动器有一定时间的软延时,具有防止在隔离开关没合到位的情况下真空接触器吸合对隔离开关造成损害。
它的显示屏采用全汉字显示,各种参数和功能都可以通过菜单调整,因此方便大家的使用。
二、工作原理起动器的工作原理如附图所示。
光电耦合式先导回路将起动、停止的信号经过P1—P6的排线传输到微机中(P1—P6在保护插件中)。
“近控/远控”选择通过参数设定中“近控/远控”选择,可以实现就地或者远方控制。
保护器上方有两个插座,20芯插座CZ20与14芯插座CZ14,CZ20对应的引脚为B1—B20,CZ14对应的引脚为A1—A14。