水利电力工程勘察设计取费标准
- 格式:doc
- 大小:2.08 MB
- 文档页数:7
精心整理水利、水电工程建设项目前期工作工程勘察收费标准一、本标准适用于水利工程编项目建设书、可行性研究阶段的工程勘察收费,水电工程(含潮汐发电工程)预可行性研究阶段的工程勘察收费。
二、水利水电工程项目前期工作工程勘察收费按照下列公式计算:水利水电工程项目前期工作相应阶段工程勘察收费基准价=水利水电工程前期工作工程勘察收费基价×相应阶段各占前期工作工程勘察工作量比例×工程类型调整系数×工程勘察复杂程度调整系数×附加方案及其它调整系数1于2.(1(23、工程类型调整系数表4水库、水电和勘察水利工程前期工作阶段勘察复杂程度调整系数表523(含勘察收费基价×相应阶段各占前期工作工程勘察工作量比例×工程类型调整系数×工程勘察复杂程度调整系数×附加方案及其它调整系数1、水利水电工程前期工作工程勘察收费基价表(金额单位:万元)注:投资估算值处于两个数值区间的,采用内插法确定工程勘察收费基价。
投资估算值大于2,000,000万元的,收费基价增幅按投资估算额超出幅度的0.77%计算。
2.(1(234、工程勘察复杂程度调整系数:水库工程和水电工程,根据复杂程度赋分表确定分值,再根据工程勘察复杂程度调整系数表复杂程度调整系数;其他水利工程直接查复杂程度调整系数表确定复杂程度调整系数。
水库、水电工程前期工程阶段工程勘察复杂程度赋分值表5、水利水电工程前期工作工程勘察附加方案及其它调整系数表注:1、高程附加调整系数按计价格〔2002〕10号规定执行。
2、附加方案调整系数为两个或两个以上的,不得连乘,应当先将各调整系数相加,然后减去附加调整系数的个数,再加上定值1,作为附加方案调整系数的取值。
3、水库、水电等工程淹没处理区处理补偿费和施工辅助工程费列入计费额的比例,视承担工作量的大小取全额或部分费用列入计费额,具体比例由发包人和勘察人协商确定。
水利工程咨询、勘测设计费收费标准及计算程序/p-1238633744.html5条回答•一追再追2015-11-24 12:22水利工程设计费取费标准:建筑工程设计取费标准[1992]价费字375号国家物价局建设部文件工程设计收费标准总说明一、工程设计收费标准是工程设计单位与委托任务单位签订合同、履行合同收取设计费的依据。
二、本收费标准由国务院勘察设计主管部门组织国务院各有关部门。
0评论•Andy4212015-11-20 19:46水利工程设计费取费标准的计算公式如下:1工程设计收费=工程设计收费基准价×(1±浮动幅度值)2工程设计收费基准价=基本设计收费+其他设计收费3基本设计收费=工程设计收费基价×专业调整系数×工程复杂程度调整系数×附加调整系数以上价格来源于网络,仅供参考,具体价格以购买时为准。
0评论•最亮的小太阳2015-11-19 21:37水利工程设计收费标准是工程设计单位与委托任务单位签订合同、履行合同收取设计费的依据。
二、本收费标准由国务院勘察设计主管部门组织国务院各有关部门编制,经国家物价局会同国务院勘察设计主管部门批准颁发。
工程设计单位承担任务的工程性质,分别执行本标准中有关行业的收费标准。
各建设单位、工作设计单位、设计审查部门和建设银行等单位应该据此掌握并监督执行。
三、本收费标准共分三册。
第一册包括:石油、钢铁、黄金、有色冶金、建材、机械、化工与石化、医药、纺织、轻工、交通、广播电视、商业、粮食、林业、民用建筑、市政、水利水电、人防、铁道等二十一个行业;第二册包括:核工业、航空、电子、兵器、船舶、航天等六个行业(84年本);第三册是《工程勘察、工程设计收费工日定额》试行本,包括煤炭、电力、邮电三个行业。
四、本收费标准是在原国家计委84年、85年颁发的收费标准基础上,对定额收费中的不合理部分进行了调整的修订本,仍体现了低收费的原则。
精心整理水利、水电工程建设项目前期工作工程勘察收费标准一、本标准适用于水利工程编项目建设书、可行性研究阶段的工程勘察收费,水电工程(含潮汐发电工程)预可行性研究阶段的工程勘察收费。
二、水利水电工程项目前期工作工程勘察收费按照下列公式计算:水利水电工程项目前期工作相应阶段工程勘察收费基准价=水利水电工程前期工作工程勘察收费基价×相应阶段各占前期工作工程勘察工作量比例×工程类型调整系数×工程勘察复杂程度调整系数×附加方案及其它调整系数1于2.(1(23、工程类型调整系数表4水库、水电和勘察水利工程前期工作阶段勘察复杂程度调整系数表523(含勘察收费基价×相应阶段各占前期工作工程勘察工作量比例×工程类型调整系数×工程勘察复杂程度调整系数×附加方案及其它调整系数1、水利水电工程前期工作工程勘察收费基价表(金额单位:万元)注:投资估算值处于两个数值区间的,采用内插法确定工程勘察收费基价。
投资估算值大于2,000,000万元的,收费基价增幅按投资估算额超出幅度的0.77%计算。
2.(1(234、工程勘察复杂程度调整系数:水库工程和水电工程,根据复杂程度赋分表确定分值,再根据工程勘察复杂程度调整系数表复杂程度调整系数;其他水利工程直接查复杂程度调整系数表确定复杂程度调整系数。
水库、水电工程前期工程阶段工程勘察复杂程度赋分值表5、水利水电工程前期工作工程勘察附加方案及其它调整系数表注:1、高程附加调整系数按计价格〔2002〕10号规定执行。
2、附加方案调整系数为两个或两个以上的,不得连乘,应当先将各调整系数相加,然后减去附加调整系数的个数,再加上定值1,作为附加方案调整系数的取值。
3、水库、水电等工程淹没处理区处理补偿费和施工辅助工程费列入计费额的比例,视承担工作量的大小取全额或部分费用列入计费额,具体比例由发包人和勘察人协商确定。
国家发展改革委、建设部关于印发《水利、水电、电力建设项目前期工作工程勘察收费暂行规定》的通知发改价格[2006]1352号国务院有关部门,各省、自治区、直辖市发展改革委、物价局、建设厅[委]为规范水利、水电、电力等建设项目前期工作工程勘察收费行为,根据《建设项目前期工作咨询收费暂行规定》(计价格(1999)1283号)和《工程勘察设计收费管理规定》(计价格[2002)10号),我们制定了《水利、水电、电力建设项目前期工作工程勘察收费暂行规定》。
现印发给你们,请按照执行。
附:《水利、水电、电力建设项目前期工作工程勘察收费暂行规定》二00六年七月十日水利、水电、电力建设项目前期工作工程勘察收费暂行规定第一条为规范水利、水电、电力等建设项目(下称“建设项目")前期工作工程勘察收费行为,根据《建设项目前期工作咨询收费暂行规定》(计价格[1999]1283号)和《工程勘察设计收费管理规定》(计价格[2002]10号)的规定,制定本规定。
第二条本规定适用于总投资估算额在500万元及以上的水利工程编制项目建议书、可行性研究阶段,电力工程编制初步可行性研究、可行性阶段(含核电工程项目前期工作工程勘察成果综合分析),以及水电工程预可行性研究阶段的工程勘察收费。
总投资估算额在500万元以下的建设项目前期工作工程勘察收费实行市场调节价。
第三条工程勘察的发包与承包应当遵循公开、公平、自愿和诚实信用的原则。
发包人依法有权自主选择勘察人,勘察人自主决定是否接受委托。
第四条建设项目前期工作工程勘察收费是指勘察人根据发包人的委托,提供收集建设场地已有资料、现场踏勘、制订勘察纲要,进行测绘、勘探、取样、试验、测试、检测等勘察作业,以及编制项目前期工作工程勘察文件等服务收取的费用。
第五条建设项目前期工作工程勘察收费实行政府指导价。
其基准价按本规定附件计算,上浮幅度不超过20%,下浮幅度不超过30%。
具体收费额由发包人与勘察人按基准价和浮动幅度协商确定.第六条建设项目前期工作工程勘察发生以下作业准备的,可按照相应工程勘察收费基准价的10%—20%另行收取。
附:水利、水电、电力建设项目前期工作工程勘察收费暂行规定第一条为规范水利、水电、电力等建设项目(下称“建设项目”)前期工作工程勘察收费行为,根据《建设项目前期工作咨询收费暂行规定》(计价格[1999]1283号)和《工程勘察设计收费管理规定》(计价格[2002]10号)的规定,制定本规定。
第二条本规定适用于总投资估算额在500万元及以上的水利工程编制项目建议书、可行性研究阶段,电力工程编制初步可行性研究、可行性研究阶段(含核电工程项目前期工作工程勘察成果综合分析),以及水电工程预可行性研究阶段的工程勘察收费。
总投资估算额在500万元以下的建设项目前期工作工程勘察收费实行市场调节价。
第三条工程勘察的发包与承包应当遵循公开、公平、自愿和诚实信用的原则。
发包人依法有权自主选择勘察人,勘察人自主决定是否接受委托。
第四条建设项目前期工作工程勘察收费是指勘察人根据发包人的委托,提供收集建设场地已有资料、现场踏勘、制订勘察纲要,进行测绘、勘探、取样、试验、测试、检测等勘察作业,以及编制项目前期工作工程勘察文件等服务收取的费用。
第五条建设项目前期工作工程勘察收费实行政府指导价、其基准价按本规定附件计算,上浮幅度不超过20%.下浮幅度不超过30%。
具体收费额由发包人与勘察人按基准价和浮动幅度协商确定。
第六条建设项目前期工作工程勘察发生以下作业准备的,可按照相应工程勘察收费基准价的10%—20%另行收取。
包括办理工程勘察相关许可,以及购买有关资料;拆除障碍物,开挖以及修复地下管线;修通至作业现场道路,接通电源、水源以及平整场地;勘察材料以及加工;勘察作业大型机具搬运;水上作业用船、排、平台以及水监等。
第七条水利、水电工程项目前期工作可根据需要,由承担项目前期工作的单位加收前期工作工程勘察成果分析和工程方案编制费用。
加收的编制费用按相应阶段水利、水电工程勘察收费基准价的30%—40%计收。
工作内容按照相应的工程技术质量标准和规程规范的规定执行。
v1.0 可编写可改正水利、水电工程建设项当先期工作工程勘探收费标准一、本标准合用于水利工程编项目建设书、可行性研究阶段的工程勘探收费,水电工程(含潮汐发电工程)预可行性研究阶段的工程勘探收费。
二、水利水电工程项当先期工作工程勘探收费依据以下公式计算:水利水电工程项当先期工作相应阶段工程勘探收费基准价=水利水电工程先期工作工程勘探收费基价×相应阶段各占先期工作工程勘探工作量比率×工程种类调整系数×工程勘探复杂程度调整系数×附带方案及其余调整系数1、水利水电工程先期工作工程勘探收费基价表(金额单位:万元)投资估量值投资估量值序收费基价序号收费基价号(计费额)(计费额)15001080,00021,00011100,0001,33,00012200,0002,45,00013400,0004,58,00014600,0005,610,00015800,0007,720,000161,000,0008,840,000172,000,00015,960,000注:投资估量值处于两个数值区间的,采纳内插法确立工程勘探收费基价。
投资估量值大于2,000,000万元的,收费基价增幅按投资估量额高出幅度的%计算。
项当先期工作相应阶段工程勘探各占先期工作工程勘探工作量比率。
(1)水电工程预可行性研究阶段勘探工作量比率按28%计取。
1(2)各种水利工程先期工作各阶段勘探工作量比率表阶段项目建议书可行性研究工程类型阶段(%)阶段(%)水库工程4555引调水工程建筑物3862灌区骨干工程(支渠以上,不一样);河流治理工程渠道管线、河流谨防4357城市防备工程;河口整顿工程;围垦工程水土保持工程40603、工程种类调整系数表序号工程类型调整系数水电工程潮汐发电工程水库工程水土保持工程引调水工程建筑物5灌区骨干工程渠道管线、河流谨防和河流治理工程城市防洪工程建筑物6其余工程河口整顿工程建筑物围垦工程其余工程24、工程勘探复杂程度调整系数:水库工程和水电工程,依据复杂程度赋分表确立分值,再依据工程勘探复杂程度调整系数表复杂程度调整系数;其余水利工程直接查复杂程度调整系数表确立复杂程度调整系数。
电力工程设计收费标准附件一水利、水电工程建设项目前期工作工程勘察收费标准一、本标准适用于水利工程编项目建设书,可行性研究阶段的工程勘察收费,水电工程(含潮汐发电工程)预可行性研究阶段的工程勘察收费。
二、水利水电工程项目前期工作工程勘察收费按照下列公式计算:水利水电工程项目前期工作相应阶段工程勘察收费基准价=水利水电工程前期工作工程勘察收费基价×相应阶段各占前期工作工程勘察工作量比例×工程类型调整系数×工程勘察复杂程度调整系数×附加方案及其它调整系数2,000,000万元的,收费基价增幅按投资估算额超出幅度的%计算。
2、项目前期工作相应阶段工作勘察各占前期工作工程勘察工作量比例。
(1)水电工程预可行性研究阶段勘察工作量比例按28%计取。
3、工程类型调整系数表4、工程勘察复杂程度调整系数:水库工程和水电工程,根据复杂程度赋分表确定分值,再根据工程勘察复杂程度调整系数表确定复杂程度调整系数;其他水利工程直接查复杂程度调整系数表确定复杂程度调整系数。
2、附加方案调整系数为两上或两个以上的,不得连乘,应当先将各调整系数相加,然后减去附加调整系数的个数,再加上定值1,作为附加方案调整系数的取值。
3、水库、水电等工程淹没处理区处理补偿费和施工转辅助工程费列入计费额的比例,视承担工作量的大小取全额或部分费用列入计费额,具体比例由发包人和勘察人协商确定。
不承担上述工作内容的不列入计费额。
附件二电力工程建设项目前期工作工程勘察收费标准一、本标准适用于编制火电厂、变电站及架空送电线路初步可行性研究、可行性研究阶段的工程勘察收费。
二、电力工程前期工作工程勘察收费按下列公式计算:电力工程前期工作相应阶段工作勘察收费基准价=电力工程前期工作相应阶段工程勘察收费基价×工程勘察复杂程度调整系数×附加方案及其它调整系数架空关电线路工程计算收费额时,应另乘以工作量(以公里为单位)。
附:《水利、水电、电力建设项目前期工作工程勘察收费暂行规定》水利、水电、电力建设项目前期工作工程勘察收费暂行规定第一条为规范水利、水电、电力等建设项目(下称“建设项目”)前期工作工程勘察收费行为,根据《建设项目前期工作咨询收费暂行规定》(计价格[1999]1283号)和《工程勘察设计收费管理规定》(计价格[2002]10号)的规定,制定本规定。
第二条本规定适用于总投资估算额在500万元及以上的水利工程编制项目建议书、可行性研究阶段,电力工程编制初步可行性研究、可行性阶段(含核电工程项目前期工作工程勘察成果综合分析),以及水电工程预可行性研究阶段的工程勘察收费。
总投资估算额在500万元以下的建设项目前期工作工程勘察收费实行市场调节价。
第三条工程勘察的发包与承包应当遵循公开、公平、自愿和诚实信用的原则。
发包人依法有权自主选择勘察人,勘察人自主决定是否接受委托。
第四条建设项目前期工作工程勘察收费是指勘察人根据发包人的委托,提供收集建设场地已有资料、现场踏勘、制订勘察纲要,进行测绘、勘探、取样、试验、测试、检测等勘察作业,以及编制项目前期工作工程勘察文件等服务收取的费用。
第五条建设项目前期工作工程勘察收费实行政府指导价。
其基准价按本规定附件计算,上浮幅度不超过20%,下浮幅度不超过30%。
具体收费额由发包人与勘察人按基准价和浮动幅度协商确定。
第六条建设项目前期工作工程勘察发生以下作业准备的,可按照相应工程勘察收费基准价的10%-20%另行收取。
包括办理工程勘察相关许可,以及购买有关资料;拆除障碍物,开挖以及修复地下管线;修通至作业现场道路,接通电源、水源以及平整场地;勘察材料以及加工;勘察作业大型机具搬运;水上作业用船、排、平台以及水监等。
第七条水利、水电工程项目前期工作可根据需要,由承担项目前期工作的单位加收前期工作工程勘察成果分析和工程方案编制费用。
加收的编制费用按相应阶段水利、水电工程勘察收费基准价的30%-40%计收。
湖南省水利水电工程初设阶段勘察设计费和监理费的取费要求
湖南省水利水电工程初设阶段勘察设计费和监理费的取费要求
1、水库除险加固项目工程建设监理费按照发改价[2007]670号文取费,勘测设计费按照工程勘察设计收费管理规定(价格[2002]10号)。
2、中小河流项目工程建设监理费按照工程一至五部分建安工程费2.1%取费,勘测设计费按照工程一至五部分建安工程费4.5%取费。
(省厅评审后要求)
3、小农水重点县项目建设监理费按照工程一至五部分建安工程费和安装工程费2%取费,勘测设计费按照工程一至五部分建安工程费和安装工程费3%取费。
(省厅评审后要求)
4、安全饮水项目建设监理费按照工程一至五部分建安工程费和安装工程费2.5%取费,勘测设计费按照工程一至五部分建安工程费和安装工程费4.5%取费。
(省厅评审后要求)
湖南省水利厅
2014年1月。
水利、水电工程建设项目前期工作工程勘察收费标准一、本标准适用于水利工程编项目建设书、可行性研究阶段的工程勘察收费,水电工程(含潮汐发电工程)预可行性研究阶段的工程勘察收费。
二、水利水电工程项目前期工作工程勘察收费按照下列公式计算:水利水电工程项目前期工作相应阶段工程勘察收费基准价=水利水电工程前期工作工程勘察收费基价×相应阶段各占前期工作工程勘察工作量比例×工程类型调整系数×工程勘察复杂程度调整系数×附加方案及其它调整系数1、水利水电工程前期工作工程勘察收费基价表(金额单位:万元)注:投资估算值处于两个数值区间的,采用内插法确定工程勘察收费基价。
投资估算值大于2,000,000万元的,收费基价增幅按投资估算额超出幅度的0.77%计算。
2.项目前期工作相应阶段工程勘察各占前期工作工程勘察工作量比例。
(1)水电工程预可行性研究阶段勘察工作量比例按28%计取。
(2)各类水利工程前期工作各阶段勘察工作量比例表3、工程类型调整系数表4、工程勘察复杂程度调整系数:水库工程和水电工程,根据复杂程度赋分表确定分值,再根据工程勘察复杂程度调整系数表复杂程度调整系数;其他水利工程直接查复杂程度调整系数表确定复杂程度调整系数。
水库、水电工程前期工程阶段工程勘察复杂程度赋分值表水库、水电和勘察水利工程前期工作阶段勘察复杂程度调整系数表5、水利水电工程前期工作工程勘察附加方案及其它调整系数表注:1、高程附加调整系数按计价格〔2002〕10号规定执行。
2、附加方案调整系数为两个或两个以上的,不得连乘,应当先将各调整系数相加,然后减去附加调整系数的个数,再加上定值1,作为附加方案调整系数的取值。
3、水库、水电等工程淹没处理区处理补偿费和施工辅助工程费列入计费额的比例,视承担工作量的大小取全额或部分费用列入计费额,具体比例由发包人和勘察人协商确定。
不承担上述工作内容的不列入计费额。
一、本标准适用于水利工程编项目建设书、可行性研究阶段的工程勘察收费,水电工程(含潮汐发电工程)预可行性研究阶段的工程勘察收费。
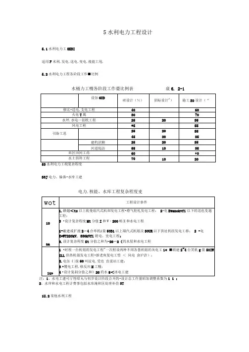
5水利电力工程设计5.1水利电力工8KBI适用F术利.发电.送电.变电.後能工甩.5.2水利电力工程各阶段工作■比例水桶力工幔各阶段工作臺比例表衰6. 2-1水利电力工稅复杂程度S3J电力、檢鼻•水库工建电力.核能、水库工程复杂程度麦注:、水电工建可厅性昭丸与初步设计阶段合并的•设计总工作量昭加调整系数为2、水庠和水电工程计费事包括水库淹积区处理补俭3T1U.2宴他水利工程注:引调水弱财潸纯fljlOJISW加區空系敷为0・85; if区田间工程附加舷系数为0 25;水土阴待工程附加调0系数为0 7;河适治住尺引i«水工理逹讽檄构就物工理附加调童系数为1 3.水库和水电工程复决円度赋分衰衰 5.4-110水利水电工程勘察10.1说明10.1.1木議为水库.引咲河道怡理・豪区.水电〃・福妙发电.*土棵粉工程初步设计.招标设计和悔工图设il劭毁的工程妙察收费’10.1.2举独委托的专項工程比察•凤力发01工程勘瓠轨疔逋用工程益察收费标曲KI.I.3 *利水电工仪勘察按照躍设项冃单项工程ftwasffi分档宜额计京枚侵.计JT •、丨卜;工程勘$吃费二工程勘$收贸基准价X"土浮动倾发宜》丄程勘戟收费華准价二基本期;察收熒+其他妙察收久基剤仅啜二工程丸察收哭基价X专丹调寮系監x工程芟杂程度调幾嫔數x附加数10.1.4水利水电丄E期察枚费的計目駆.基公期蔡枚艮.芜他期察枚的及询廉系麒尊.(丄程脱察牧费林准》中末讨凶宜的.柠M(T円设计临咯加帝、w^ficitetnias?.10.1.5水利水电工吕痕家仅费茎攸是克戒水利水电:*星金农東眼务的价烙.10.L6水利水电工林贮察2业冷《费按翌丄住期察仪拔呈准价FJ 15-20%i| «枚卸H12水利水电工程各阶段工作■比优及专业W&Kft1»3水利水电工程勘察复杂程度划分序号以目JO分条件分位14t8HG)H<?0-530<H< 50-250<K< 70170<H< 1503J50AB5Q52連筑物一玻土右血-1窜规賈力坝1两种坝塑或引水綾路丈2鞍dUEfiA± 址J2大型地下渭交鮮343岩石级别V0FU1T-2yiaw 石0 VI级去右1 51、IX切窘石2 XiMKUl t34堆形地貌御单-2中951较豐奈235览层老性4•2较均一1较赛奈2________ 3洋号67811及目或昴厚基基展坝厂盖唐水文地质暉嵐稳定库区时水文!標fit分条件______ MM£ft10^20 ■20~40 •40-60 1JW中等W环启定体《10万金'斷變或古河逼曲馮車M分龙幣塗;分值■222221坝址或坝饯比较 引水坡貉比较岩石地区助亲>60 ■地霞越型度£^lb£—嵋注〉]OOP 1匕度〉8 4序号水利水电工程助察收费阳加阖整系数表衰 10. 3—3工作内容附加调整系数0 T JL112 1210.4水利水电工程勘察收费羞价水利水电工程助寰收费星价衰> 10.4-1注:计费筋> 万元的 > 以计灵鶴樂以的收费率计算收费墓价.。
国家发展改革委、建设部关于印发《水利、水电、电力建设项目前期工作工程勘察收费暂行规定》的通知发改价格[2006]1352号国务院有关部门,各省、自治区、直辖市发展改革委、物价局、建设厅[委]为规范水利、水电、电力等建设项目前期工作工程勘察收费行为,根据《建设项目前期工作咨询收费暂行规定》(计价格(1999)1283号)和《工程勘察设计收费管理规定》(计价格[2002)10号),我们制定了《水利、水电、电力建设项目前期工作工程勘察收费暂行规定》。
现印发给你们,请按照执行。
附:《水利、水电、电力建设项目前期工作工程勘察收费暂行规定》二00六年七月十日水利、水电、电力建设项目前期工作工程勘察收费暂行规定第一条为规范水利、水电、电力等建设项目(下称“建设项目”)前期工作工程勘察收费行为,根据《建设项目前期工作咨询收费暂行规定》(计价格[1999]1283号)和《工程勘察设计收费管理规定》(计价格[2002]10号)的规定,制定本规定。
第二条本规定适用于总投资估算额在500万元及以上的水利工程编制项目建议书、可行性研究阶段,电力工程编制初步可行性研究、可行性阶段(含核电工程项目前期工作工程勘察成果综合分析),以及水电工程预可行性研究阶段的工程勘察收费。
总投资估算额在500万元以下的建设项目前期工作工程勘察收费实行市场调节价。
第三条工程勘察的发包与承包应当遵循公开、公平、自愿和诚实信用的原则。
发包人依法有权自主选择勘察人,勘察人自主决定是否接受委托。
第四条建设项目前期工作工程勘察收费是指勘察人根据发包人的委托,提供收集建设场地已有资料、现场踏勘、制订勘察纲要,进行测绘、勘探、取样、试验、测试、检测等勘察作业,以及编制项目前期工作工程勘察文件等服务收取的费用。
第五条建设项目前期工作工程勘察收费实行政府指导价。
其基准价按本规定附件计算,上浮幅度不超过20%,下浮幅度不超过30%。
具体收费额由发包人与勘察人按基准价和浮动幅度协商确定。
水利、水电工程建设项当先期工作工程勘探收费标准一、本标准合用于水利工程编项目建设书、可行性研究阶段的工程勘探收费,水电工程(含潮汐发电工程)预可行性研究阶段的工程勘探收费。
二、水利水电工程项当先期工作工程勘探收费依据以下公式计算:水利水电工程项当先期工作相应阶段工程勘探收费基准价=水利水电工程先期工作工程勘探收费基价×相应阶段各占先期工作工程勘探工作量比率×工程种类调整系数×工程勘探复杂程度调整系数×附带方案及其余调整系数1、水利水电工程先期工作工程勘探收费基价表(金额单位:万元)投资估量值投资估量值序收费基价序号收费基价(计费额)(计费额)号1 500 10 80,0002 1,000 11 100,0003 3,000 12 200,0004 5,000 13 400,0005 8,000 14 600,0006 10,000 15 800,0007 20,000 16 1,000,0008 40,000 17 2,000,0009 60,000注:投资估量值处于两个数值区间的,采纳内插法确立工程勘探收费基价。
投资估量值大于2,000,000万元的,收费基价增幅按投资估量额高出幅度的 0.77%计算。
2.项当先期工作相应阶段工程勘探各占先期工作工程勘探工作量比率。
( 1)水电工程预可行性研究阶段勘探工作量比率按28%计取。
( 2)各种水利工程先期工作各阶段勘探工作量比率表阶段项目建议书可行性研究工程类型阶段(%)阶段(%)水库工程45 55 引调水工程建筑物38 62灌区骨干工程(支渠以上,不一样);渠道管线、河流谨防43 57 河流治理工程城市防备工程;河口整顿工程;围垦工程水土保持工程40 603、工程种类调整系数表序号工程类型调整系数1 水电工程2 潮汐发电工程3 水库工程4 水土保持工程引调水工程建筑物5 灌区骨干工程渠道管线、河流谨防和河流治理工程城市防洪工程建筑物6其余工程河口整顿工程7 围垦工程建筑物其余工程4、工程勘探复杂程度调整系数:水库工程和水电工程,依据复杂程度赋分表确立分值,再依据工程勘探复杂程度调整系数表复杂程度调整系数;其余水利工程直接查复杂程度调整系数表确立复杂程度调整系数。
水利、水电工程建设项目前期工作工程勘察收费标准一、本标准适用于水利工程编项目建设书、可行性研究阶段的工程勘察收费,水电工程(含潮汐发电工程)预可行性研究阶段的工程勘察收费。
二、水利水电工程项目前期工作工程勘察收费按照下列公式计算:水利水电工程项目前期工作相应阶段工程勘察收费基准价=水利水电工程前期工作工程勘察收费基价×相应阶段各占前期工作工程勘察工作量比例×工程类型调整系数×工程勘察复杂程度调整系数×附加方案及其它调整系数1、水利水电工程前期工作工程勘察收费基价表(金额单位:万元)注:投资估算值处于两个数值区间的,采用内插法确定工程勘察收费基价。
投资估算值大于2,000,000万元的,收费基价增幅按投资估算额超出幅度的0.77%计算。
2.项目前期工作相应阶段工程勘察各占前期工作工程勘察工作量比例。
(1)水电工程预可行性研究阶段勘察工作量比例按28%计取。
(2)各类水利工程前期工作各阶段勘察工作量比例表3、工程类型调整系数表4、工程勘察复杂程度调整系数:水库工程和水电工程,根据复杂程度赋分表确定分值,再根据工程勘察复杂程度调整系数表复杂程度调整系数;其他水利工程直接查复杂程度调整系数表确定复杂程度调整系数。
水库、水电工程前期工程阶段工程勘察复杂程度赋分值表水库、水电和勘察水利工程前期工作阶段勘察复杂程度调整系数表5、水利水电工程前期工作工程勘察附加方案及其它调整系数表注:1、高程附加调整系数按计价格〔2002〕10号规定执行。
2、附加方案调整系数为两个或两个以上的,不得连乘,应当先将各调整系数相加,然后减去附加调整系数的个数,再加上定值1,作为附加方案调整系数的取值。
3、水库、水电等工程淹没处理区处理补偿费和施工辅助工程费列入计费额的比例,视承担工作量的大小取全额或部分费用列入计费额,具体比例由发包人和勘察人协商确定。
不承担上述工作内容的不列入计费额。
一、本标准适用于水利工程编项目建设书、可行性研究阶段的工程勘察收费,水电工程(含潮汐发电工程)预可行性研究阶段的工程勘察收费。
水利、水电工程建设项目前期工作工程勘察收费标准一、本标准适用于水利工程编项目建设书、可行性研究阶段的工程勘察收费,水电工程(含潮汐发电工程)预可行性研究阶段的工程勘察收费。
二、水利水电工程项目前期工作工程勘察收费按照下列公式计算:水利水电工程项目前期工作相应阶段工程勘察收费基准价=水利水电工程前期工作工程勘察收费基价×相应阶段各占前期工作工程勘察工作量比例×工程类型调整系数×工程勘察复杂程度调整系数×附加方案及其它调整系数1、水利水电工程前期工作工程勘察收费基价表(金额单位:万元)注:投资估算值处于两个数值区间的,采用内插法确定工程勘察收费基价。
投资估算值大于2,000,000万元的,收费基价增幅按投资估算额超出幅度的0.77%计算。
2.项目前期工作相应阶段工程勘察各占前期工作工程勘察工作量比例。
(1)水电工程预可行性研究阶段勘察工作量比例按28%计取。
(2)各类水利工程前期工作各阶段勘察工作量比例表3、工程类型调整系数表4、工程勘察复杂程度调整系数:水库工程和水电工程,根据复杂程度赋分表确定分值,再根据工程勘察复杂程度调整系数表复杂程度调整系数;其他水利工程直接查复杂程度调整系数表确定复杂程度调整系数。
水库、水电工程前期工程阶段工程勘察复杂程度赋分值表水库、水电和勘察水利工程前期工作阶段勘察复杂程度调整系数表5、水利水电工程前期工作工程勘察附加方案及其它调整系数表注:1、高程附加调整系数按计价格〔2002〕10号规定执行。
2、附加方案调整系数为两个或两个以上的,不得连乘,应当先将各调整系数相加,然后减去附加调整系数的个数,再加上定值1,作为附加方案调整系数的取值。
3、水库、水电等工程淹没处理区处理补偿费和施工辅助工程费列入计费额的比例,视承担工作量的大小取全额或部分费用列入计费额,具体比例由发包人和勘察人协商确定。
不承担上述工作内容的不列入计费额。
一、本标准适用于水利工程编项目建设书、可行性研究阶段的工程勘察收费,水电工程(含潮汐发电工程)预可行性研究阶段的工程勘察收费。