通信工程勘察设计费取费标准
- 格式:doc
- 大小:149.50 KB
- 文档页数:8
一、依据文件1、计价格 [2002] 10号国家计委、建设部关于发布《工程勘察设计收费管理规定》的通知。
2、计办价格 [2002] 1153号国家计委办公厅、建设部办公厅发布的《关于工程勘察收费管理规定有关问题的补充通知》。
二、收费组成一阶段:勘察费+设计费二阶段:勘察费+设计费+预算编制费三、勘察费计算公式:勘察费={(L-m1)×内插值+收费基价}×阶段比例注:1、一阶段的阶段比例为80%。
2、通信管道穿越桥、河、铁路,穿越部分附加调整系数为1.2。
3、长途架空光电缆线路利用原有杆路架设的部分,附加调整系数为0.8。
4、上述附加调整系数针对勘察长度L。
四、设计费设计公式:设计费={(F-m1)×k+收费基价}×工程复杂程度调整系数×附加调整系数+其他设计收费(预算编制费+增加的文件工本费)注:1、 F=建安费+设备费+工器具购置费。
工程中有利用原有(或缓配)设备的,以签订工程设计合同时同类设备的当期价格作为工程设计收费的计费额。
2、工程复杂程度调整系数通常取1,要根据院与各个建设单位商定的系数来确定。
3、附加调整系数通常取1,也要根据院与各个建设单位商定的系数来确定。
4、在一阶段设计中,不计取预算编制费。
(1)光缆a 气温调整系数:1.2 (气温)≥35C0或者≤-10C0。
b 工程复杂程度调整系数:直埋光缆、硅管及硅管穿放光缆为1.15,架空及管道穿放光缆为1,租杆挂线为0.85。
c 专业调整系数为1。
d 光缆附加调整系数为1,城域网光缆附加调整系数为1.2。
(2)管道a 剖路工程复杂度调整系数为1,配合城市道路改造工程复杂度调整系数为0.85。
b 专业调整系数为1。
c 管道附加调整系数为1(3)综合布线a 工程复杂度调整系数为1。
b 专业调整系数为1。
c 综合布线附加调整系数为1.4。
通信勘察设计费取费标准一、前言。
通信勘察设计费是指通信工程勘察设计单位依据国家有关规定和标准,按照工程量、工程难度、技术要求等因素确定的费用标准,用于支付勘察设计人员的工作报酬、办公费用、设备折旧等费用。
通信勘察设计费的取费标准的确定,对于保障工程质量、提高勘察设计单位的工作积极性具有重要意义。
二、取费标准的确定原则。
1. 合理性原则。
通信勘察设计费的取费标准应当合理、科学,符合工程实际情况,既不能过高导致工程成本增加,也不能过低影响勘察设计质量。
2. 公平性原则。
通信勘察设计费的取费标准应当公平,不因工程业主的身份、关系等因素而产生差异对待,确保各方利益的平衡。
3. 可操作性原则。
通信勘察设计费的取费标准应当具有一定的可操作性,便于勘察设计单位和工程业主按照标准进行费用核算和支付。
三、取费标准的具体内容。
通信勘察设计费的取费标准主要包括以下几个方面:1. 勘察设计人员工作报酬。
根据勘察设计人员的工作时间、工作量、技术难度等因素确定相应的工作报酬标准,确保勘察设计人员的劳动成果得到合理的回报。
2. 办公费用。
包括办公场所租金、水电费、办公用品费等,根据实际情况确定合理的办公费用标准,保障勘察设计单位的正常运转。
3. 设备折旧费用。
通信勘察设计单位会使用各种勘察设计设备进行工作,这些设备的折旧费用需要纳入通信勘察设计费取费标准中,以保障设备的更新和维护。
4. 税费。
根据国家有关税收政策,将税费纳入通信勘察设计费取费标准中,确保税费的合理缴纳。
四、取费标准的调整。
通信勘察设计费取费标准需要根据国家有关政策和规定进行调整,以适应不断变化的市场环境和工程实际情况。
在进行调整时,应当充分听取各方意见,确保调整后的取费标准合理、公平、可操作。
五、结语。
通信勘察设计费取费标准的确定对于保障工程质量、提高勘察设计单位的工作积极性具有重要意义。
只有合理、公平、可操作的取费标准,才能有效地推动通信工程的发展,实现双方的共赢。
一、可行性研究费计费依据可行性研究报告取费费率表二、勘察费计费依据通信线路、通信管道工程勘察收费基价表注:1、本表按照内插法计算收费;计费额=收费基价+内插值×(实际工程量-基价对应工程量);2、通信工程勘察的坑深均按照地面以下3米以内计,超过3米的收费另议;3、通信管道穿越桥、河及铁路的,穿越部分附加调整系数为1.2;4、长途架空光(电)缆线路工程利用原有杆路架设光(电)缆的,附加调整系数为0.8。
微波、卫星及移动通信设备安装工程勘察收费基价表注:1、寻呼基站工作勘察费按照移动通信基站计算计费;2、微蜂窝基站勘察费按照移动通信基站的80%计算收费。
三、设计费计费依据工程设计收费基价表(单位:万元)四、环境影响评价费计费依据1、编制环境影响报告书(含大纲)2、编制环境影响报告表3、评估环境影响报告书(含大纲)4、评估环境影响报告表五、建设工程监理费计费依据施工监理服务收费基价表(单位:万元)注:1、当设备费+联合试运转费≤计费额×40%时,计费额=建安费+设备费+联合试运转费;当设备费+联合试运转费>计费额×40%时,计费额=建安费+(设备费+联合试运转费)×40%。
六、安全生产费计费依据财政部、国家安全监督管理总局关于印发《高危行业企业安全生产费用财务管理暂行办法》的通知(财企[2006]478号):第八条建筑施工企业以建筑安装工程造价为计提依据。
各工程类别安全费用提取标准如下:(一)房屋建筑工程、矿山工程为2.0%;(二)电力工程、水利水电工程、铁路工程为1.5%;(三)市政公用工程、冶炼工程、机电安装工程、化工石油工程、港口与航道工程、公路工程、通信工程为1.0%。
七、工程质量监督费、工程定额测定费计费依据国家计委、财政部关于全面整顿住房建设收费取消部分收费项目的通知(计价格[2001]585号):四、合并部分收费项目,适当降低收费标准。
已征收城市污水处理费的地区,不得再征收城市排水设施有偿使用费。
通信工程勘察设计费取费标准通信工程勘察设计收费标准(试行办法)一、总则1.根据国家计委、建设部关于发布《工程勘察设计收费管理规定》的通知(计价格[2002]10号),新颁布的《工程勘察设计收费标准》自2002年3月1日起施行,原国家物价局、建设部颁发的《关于发布工程勘察和工程设计收费标准的通知》([1992]价费字375号)及相关附件同时废止。
2.为了新标准的贯彻施行,我公司在《工程勘察设计收费标准》的基础上,制定了“通信工程勘察设计收费标准”(试行办法),自2002年3月1日起承担的工程项目,工程勘察设计收费取定统一按照该标准执行。
3.《关于发布工程勘察和工程设计收费标准的通知》([1992]价费字375号)及相关附件废止后,可行性研究报告费按照《国家计委关于印发建设项目前期工作咨询收费展性规定的通知》计价格[1999]1283号文件执行。
二、通信工程勘察设计收费取定通信工程勘察设计收费由工程勘察和工程设计收费两部分组成。
1.通信工程勘察收费取定1.1 通信工程勘察收费范围:通信管道及光(电)缆线路工程、微波、卫星及移动通信设备安装工程1.2通信工程勘察收费=收费基价×阶段系数×附加调整系数×(1 浮动幅度值)●阶段系数:见表 1.1:通信工程勘察各阶段工作量比例表●收费基价:见表 1.2、1.3:通信工程勘察收费基价表●附加调整系数:(1) 在气温(以当地气象台、站的气象报告为准)≥35℃或者≤-10℃条件下进行勘察作业时,气温附加调整系数为1.2;(2) 在海拔高程超过2000m地区进行工程勘察作业时,高程附加调整系数如下:海拔高程2000~3000m为1.1海拔高程3001~3500m为1.2海拔高程3501~4000m为1.3海拔高程4001m以上的,高程附加调整系数由发包人与勘察人协商确定。
(3) 附加调整系数为两个或者两个以上的,附加调整系数不能连乘。
中国移动福建公司工程设计、施工、监理取费标准(2010版)第一部分:设计费取费标准根据国家发展计划委员会和建设部联合颁发的《工程勘察设计收费标准2002年修订本》,并结合原设计费取费标准和我省工程实际,特制订通信建设工程勘察设计费标准如下:一、话务网工程(一)交换类工程(含GPRS核心网、彩铃、智能网工程、交换电源配套及机房工艺、 BSC&TC(含电源、PCU、RNC)也并入交换类)1、新建软交换Server、软交换MGW、汇接局、HLR、网关局、LSTP设计费=∑【各网元的工程费×设计综合费率×综合调整系数】,其中:(1)各网元的工程费=主设备费+相关配套设备费+建安费;(2)设计综合费率=总体项目的工程设计收费基价(参见工程勘察设计收费标准2002年修订本)/总体项目的工程费;(3)综合调整系数=专业调整系数(1.0)×工程复杂程度调整系数(统一就低取0.65)×一阶段系数(0.75)×折扣(0.65)(取整后)=0.3;2、如项目含纯软件扩容、扩板子、扩机框的网元,计算设计费的时候应剔除该部分的主设备费用;如项目全部为纯软件类扩容、扩板子、扩机框的网元,则该项目设计费按5000元计取。
(二)无线类工程(含2G和TD、室分、直放站、RRU、拉远设备、电源配套、动环监控、机房鉴定、立杆等)1、基站工程(1)新建基站:7000元;原来:(39+112)×85×0.75×0.73+电源800=7800元(取整)(含电源、地网)(2)扩容基站:4500元;[(39+112)×1.1×85×0.75×0.59×扩容系数(0.8)=5000元/站(取整)(含立杆和电源)其中:不增加机架仅增加载频板的基站,因不需要出版施工图纸而仅在预算中增列相关设备费,不计取设计费;GSM900/1800M、TD/GSM,共站的按扩容站点计取设计费。
通信工程勘察设计费取费标准-标准化文件发布号:(9456-EUATWK-MWUB-WUNN-INNUL-DDQTY-KII通信工程勘察设计收费标准(试行办法)一、总则1.根据国家计委、建设部关于发布《工程勘察设计收费管理规定》的通知 (计价格[2002]10号),新颁布的《工程勘察设计收费标准》自2002年3月1日起施行,原国家物价局、建设部颁发的《关于发布工程勘察和工程设计收费标准的通知》([1992]价费字375号)及相关附件同时废止。
2.为了新标准的贯彻施行,我公司在《工程勘察设计收费标准》的基础上,制定了“通信工程勘察设计收费标准”(试行办法),自2002年3月1日起承担的工程项目,工程勘察设计收费取定统一按照该标准执行。
3.《关于发布工程勘察和工程设计收费标准的通知》([1992]价费字375号)及相关附件废止后,可行性研究报告费按照《国家计委关于印发建设项目前期工作咨询收费展性规定的通知》计价格[1999]1283号文件执行。
二、通信工程勘察设计收费取定通信工程勘察设计收费由工程勘察和工程设计收费两部分组成。
1.通信工程勘察收费取定通信工程勘察收费范围:通信管道及光(电)缆线路工程、微波、卫星及移动通信设备安装工程通信工程勘察收费=收费基价×阶段系数×附加调整系数×(1浮动幅度值)阶段系数:见表:通信工程勘察各阶段工作量比例表收费基价:见表、:通信工程勘察收费基价表附加调整系数:(1)在气温(以当地气象台、站的气象报告为准)≥35℃或者≤-10℃条件下进行勘察作业时,气温附加调整系数为;(2)在海拔高程超过2000m地区进行工程勘察作业时,高程附加调整系数如下:海拔高程2000~3000m为海拔高程3001~3500m为海拔高程3501~4000m为海拔高程4001m以上的,高程附加调整系数由发包人与勘察人协商确定。
(3) 附加调整系数为两个或者两个以上的,附加调整系数不能连乘。
通信工程勘察设计收费标准(试行办法)一、总则1.根据国家计委、建设部关于发布《工程勘察设计收费管理规定》的通知(计价格[2002]10号),新颁布的《工程勘察设计收费标准》自2002年3月1日起施行,原国家物价局、建设部颁发的《关于发布工程勘察和工程设计收费标准的通知》([1992]价费字375号)及相关附件同时废止。
2.为了新标准的贯彻施行,我公司在《工程勘察设计收费标准》的基础上,制定了“通信工程勘察设计收费标准”(试行办法),自2002年3月1日起承担的工程项目,工程勘察设计收费取定统一按照该标准执行。
3.《关于发布工程勘察和工程设计收费标准的通知》([1992]价费字375号)及相关附件废止后,可行性研究报告费按照《国家计委关于印发建设项目前期工作咨询收费展性规定的通知》计价格[1999]1283号文件执行。
二、通信工程勘察设计收费取定通信工程勘察设计收费由工程勘察和工程设计收费两部分组成。
1.通信工程勘察收费取定1.1 通信工程勘察收费范围:通信管道及光(电)缆线路工程、微波、卫星及移动通信设备安装工程1.2通信工程勘察收费=收费基价×阶段系数×附加调整系数×(1 浮动幅度值)●阶段系数:见表1.1:通信工程勘察各阶段工作量比例表●收费基价:见表1.2、1.3:通信工程勘察收费基价表●附加调整系数:(1) 在气温(以当地气象台、站的气象报告为准)≥35℃或者≤-10℃条件下进行勘察作业时,气温附加调整系数为1.2;(2) 在海拔高程超过2000m地区进行工程勘察作业时,高程附加调整系数如下:海拔高程2000~3000m为1.1海拔高程3001~3500m为1.2海拔高程3501~4000m为1.3海拔高程4001m以上的,高程附加调整系数由发包人与勘察人协商确定。
(3) 附加调整系数为两个或者两个以上的,附加调整系数不能连乘。
将各附加调整系数相加,减去附加调整系数个数,加上定值1,作为附加调整系数值。
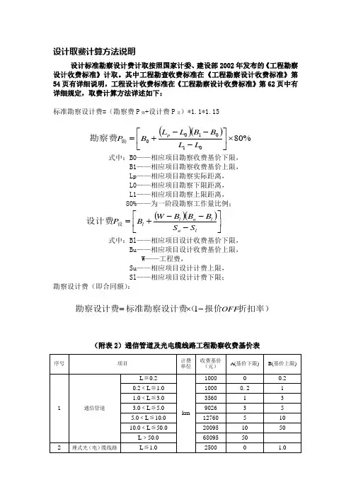
设计取费计算方法说明
设计标准勘察设计费计取按照国家计委、建设部2002年发布的《工程勘察设计收费标准》计取。
其中工程勘查收费标准在《工程勘察设计收费标准》第54页有详细说明,工程设计收费标准在《工程勘察设计收费标准》第62页中有详细规定,取费计算方法详述如下:
标准勘察设计费=(勘察费P 勘+设计费P 设)*1.1*1.15
()()%80010100⨯⎥⎦
⎤⎢⎣⎡
---+=L L B B L L B P p 勘勘察费
式中:B0——相应项目勘察收费基价下限,
B1——相应项目勘察收费基价上限,
Lp ——相应项目勘察实际距离, L0——相应项目勘察下限距离, L1——相应项目勘察上限距离, 80%——为一阶段勘察工作量比例;
()()⎥⎦
⎤
⎢⎣⎡---+
=l u l u l l S S B B B W B P 设设计费 式中:Bl ——相应项目设计收费基价下限,
Bu ——相应项目设计收费基价上限,
W ——工程费,
Su ——相应项目设计计费上限, Sl ——相应项目设计计费下限;
勘察设计费(即合同额):
折扣率)报价(标准勘察设计费勘察设计费OFF -⨯=1
(附表2)通信管道及光电缆线路工程勘察收费基价表
(附表3)工程设计收费基价表。
中国移动福建公司工程设计、施工、监理取费标准(2010版)第一部分:设计费取费标准根据国家发展计划委员会和建设部联合颁发的《工程勘察设计收费标准2002年修订本》,并结合原设计费取费标准和我省工程实际,特制订通信建设工程勘察设计费标准如下:一、话务网工程(一)交换类工程(含GPRS核心网、彩铃、智能网工程、交换电源配套及机房工艺、BSC&TC(含电源、PCU、RNC)也并入交换类)1、新建软交换Server、软交换MGW、汇接局、HLR、网关局、LSTP设计费=∑【各网元的工程费×设计综合费率×综合调整系数】,其中:(1)各网元的工程费=主设备费+相关配套设备费+建安费;(2)设计综合费率=总体项目的工程设计收费基价(参见工程勘察设计收费标准2002年修订本)/总体项目的工程费;(3)综合调整系数=专业调整系数(1.0)×工程复杂程度调整系数(统一就低取0.65)×一阶段系数(0.75)×折扣(0.65)(取整后)=0.3;2、如项目含纯软件扩容、扩板子、扩机框的网元,计算设计费的时候应剔除该部分的主设备费用;如项目全部为纯软件类扩容、扩板子、扩机框的网元,则该项目设计费按5000元计取。
(二)无线类工程(含2G和TD、室分、直放站、RRU、拉远设备、电源配套、动环监控、机房鉴定、立杆等)1、基站工程(1)新建基站:7000元;原来:(39+112)×85×0.75×0.73+电源800=7800元(取整)(含电源、地网)(2)扩容基站:4500元;[(39+112)×1.1×85×0.75×0.59×扩容系数(0.8)=5000元/站(取整)(含立杆和电源)其中:不增加机架仅增加载频板的基站,因不需要出版施工图纸而仅在预算中增列相关设备费,不计取设计费;GSM900/1800M、TD/GSM,共站的按扩容站点计取设计费。
通信工程勘察设计收费标准(试行办法)一、总则1.根据国家计委、建设部关于发布《工程勘察设计收费管理规定》的通知(计价格[2002]10号),新颁布的《工程勘察设计收费标准》自2002年3月1日起施行,原国家物价局、建设部颁发的《关于发布工程勘察和工程设计收费标准的通知》([1992]价费字375号)及相关附件同时废止。
2.为了新标准的贯彻施行,我公司在《工程勘察设计收费标准》的基础上,制定了“通信工程勘察设计收费标准”(试行办法),自2002年3月1日起承担的工程项目,工程勘察设计收费取定统一按照该标准执行。
3.《关于发布工程勘察和工程设计收费标准的通知》([1992]价费字375号)及相关附件废止后,可行性研究报告费按照《国家计委关于印发建设项目前期工作咨询收费展性规定的通知》计价格[1999]1283号文件执行。
二、通信工程勘察设计收费取定通信工程勘察设计收费由工程勘察和工程设计收费两部分组成。
1.通信工程勘察收费取定1.1通信工程勘察收费范围:通信管道及光(电)缆线路工程、微波、卫星及移动通信设备安装工程1.2通信工程勘察收费=收费基价×阶段系数×附加调整系数×(1 浮动幅度值)●阶段系数:见表1.1:通信工程勘察各阶段工作量比例表●收费基价:见表1.2、1.3:通信工程勘察收费基价表●附加调整系数:(1)在气温(以当地气象台、站的气象报告为准)≥35℃或者≤-10℃条件下进行勘察作业时,气温附加调整系数为1.2;(2)在海拔高程超过2000m地区进行工程勘察作业时,高程附加调整系数如下:海拔高程2000~3000m为1.1海拔高程3001~3500m为1.2海拔高程3501~4000m为1.3海拔高程4001m以上的,高程附加调整系数由发包人与勘察人协商确定。
(3)附加调整系数为两个或者两个以上的,附加调整系数不能连乘。
将各附加调整系数相加,减去附加调整系数个数,加上定值1,作为附加调整系数值。
通信工程勘察设计收费标准(试行办法)一、总则1.根据国家计委、建设部关于发布《工程勘察设计收费管理规定》的通知(计价格[2002]10号),新颁布的《工程勘察设计收费标准》自2002年3月1日起施行,原国家物价局、建设部颁发的《关于发布工程勘察和工程设计收费标准的通知》([1992]价费字375号)及相关附件同时废止。
2.为了新标准的贯彻施行,我公司在《工程勘察设计收费标准》的基础上,制定了“通信工程勘察设计收费标准”(试行办法),自2002年3月1日起承担的工程项目,工程勘察设计收费取定统一按照该标准执行。
3.《关于发布工程勘察和工程设计收费标准的通知》([1992]价费字375号)及相关附件废止后,可行性研究报告费按照《国家计委关于印发建设项目前期工作咨询收费展性规定的通知》计价格[1999]1283号文件执行。
二、通信工程勘察设计收费取定通信工程勘察设计收费由工程勘察和工程设计收费两部分组成。
1.通信工程勘察收费取定1.1 通信工程勘察收费范围:通信管道及光(电)缆线路工程、微波、卫星及移动通信设备安装工程1.2通信工程勘察收费=收费基价×阶段系数×附加调整系数×(1浮动幅度值)●阶段系数:见表1.1:通信工程勘察各阶段工作量比例表●收费基价:见表1.2、1.3:通信工程勘察收费基价表●附加调整系数:(1) 在气温(以当地气象台、站的气象报告为准)≥35℃或者≤-10℃条件下进行勘察作业时,气温附加调整系数为1.2;(2) 在海拔高程超过2000m地区进行工程勘察作业时,高程附加调整系数如下:海拔高程2000~3000m为1.1海拔高程3001~3500m为1.2海拔高程3501~4000m为1.3海拔高程4001m以上的,高程附加调整系数由发包人与勘察人协商确定。
(3) 附加调整系数为两个或者两个以上的,附加调整系数不能连乘。
将各附加调整系数相加,减去附加调整系数个数,加上定值1,作为附加调整系数值。
三、说明及计算1、根据取费标准表,勘察设计费应分段计算收取。
(1)决算公式:BL = Bn +Kn ( AL - An )其中:Bn--收费基价;Kn--内插值;AL--本工程的勘察长度; An--收费基价的长度 。
勘察费仅取收费基价,勘察费 = 1000(元)例2:当管道勘察长度为2公里时:勘察费 = 3560+2733*(2-1)= 6293(元)(3)阶段系数:一阶段取0.8;二阶段的初步设计取0.4,施工图取0.6.3、设计费决算(1)决算公式:Bx = Bn +Kn ( Ax - An )其中:Bn--收费基价;Kn--内插值;Ax--本工程的预算工程费; An--收费基价的计费额。
设计费 = 0+0.045*(150-0)= 0.045*150 = 6.75万元(2) 例1:当管道勘察长度为0.1公里(L ≤0.2公里)时,2002年版勘察设计收费标准及计算方法(2) 例1:当工程费为150万元(工程费≤200万元)时,2、 勘察费计算例1:当工程费为300万元时:设计费 = 9+0.0397*(300-200)=12.97万元(3)阶段系数:一阶段取1;二阶段的初设取0.4,施工图取0.6.4、勘察设计费计算实例(1)取费原则:小于(等于)1.5公里的按点取费,按2600元/点计取;大于1.5公里的按累计长度收取勘察费,按工程费收取设计费。
小于1.5公里与大于1.5公里的两部分,分别做预算,才能分别计算勘察设计费。
(2)【实例1】某辽宁移动分公司的本地网传输光缆线路工程,传输线路我院招投标折扣率为0.56.小于(等于)1.5公里:共计9个点;大于1.5公里:累计路由长度8公里,预算工程费16万元。
计算:勘察设计费 = 按点计费 + 按累计长度和工程费计费= 2600*9 +{[ 2500+1140*(8-1)]*0.8 +[ 160000*0.045 ]}*0.56= 23400+8727= 32127元【实例2】某辽宁移动分公司的干线传输光缆线路工程,传输线路我院招投标折扣率为0.56.累计路由长度100公里,预算工程费300万元。
2002年通信工程勘察设计取费标准15.4通信工程勘察收费2、通信工程勘察的坑深均按照地面以下3m以内计,超过3m的收费另议;3、通信管道穿越桥、河及铁路的,穿越部分附加调整系数为1.2;4、长途架空光(电)缆线路工程利用原有杆路架设光(电)缆的,附加调整系数为0.8。
9 附表工程勘察设计收费标准解释一、勘察收费标准:勘察收费基价×阶段勘察系数(80%)1、通信管道工程勘察收费基价表:L≤0.2 1000元(起价)0.2<L≤1.0 1000+(L-0.2)×3200 (3560-1000)÷(1-0.2)=3200元1.0<L≤3.0 3560+(L-1)×2733 (9026-3560)÷(3-1)=2733元3.0<L≤5.0 9026+(L-3)×1867 (12760-9026)÷(5-3)=1867元5.0<L≤10.0 12760+(L-5)×1467 (20095-12760)÷(10-5)=1467元10.0<L≤50.0 20095+(L-10)×1200 (68905-20095)÷(50-10)=1200元L>50.0 1361.9×L 68095÷50=1361.9元2、光(电)缆工程勘察收费基价表:L≤1.0 2000元(起价)1.0<L≤10.0 2000+(L-1)×1530 (15770-2000)÷(10-1)=1530元10.0<L≤50.0 15770+(L-10)×1130 (60970-15770)÷(50-10)=1130元L>50.0 1219.4×L 60970÷50=1219.4元二、设计收费标准:工程设计收费计费额(G—工程费)单位:万元200以下 0.045×G 200÷9=0.045200—500 0.0397×(G-200)+9 (20.9-9)÷(500-200)=0.0397 500—1000 0.0358×(G-500)+20.9 (38.8-20.9)÷(1000-500)=0.0358 1000—3000 0.0325×(G-1000)+38.8 (103.8-38.8)÷(3000-1000)=0.0325。
通信工程勘察设计收费标准(试行办法)—、总则1 •根据国家计委、建设部关于发布《工程勘察设计收费管理规定》的通知(计价格[2002]10 号),新颁布的《工程勘察设计收费标准》自2002年3月1日起施行,原国家物价局、建设部颁发的《关于发布工程勘察和工程设计收费标准的通知》([1992]价费字375号)及相关附件同时废止。
2 •为了新标准的贯彻施行,我公司在《工程勘察设计收费标准》的基础上,制定了“通信工程勘察设计收费标准”(试行办法),自2002年3月1日起承担的工程项目,工程勘察设计收费取定统一按照该标准执行。
3 •《关于发布工程勘察和工程设计收费标准的通知》([1992]价费字375号)及相关附件废止后,可行性研究报告费按照《国家计委关于印发建设项目前期工作咨询收费展性规定的通知》计价格[1999]1283 号文件执行。
二、通信工程勘察设计收费取定通信工程勘察设计收费由工程勘察和工程设计收费两部分组成。
1. 通信工程勘察收费取定1.1通信工程勘察收费范围:通信管道及光(电)缆线路工程、微波、卫星及移动通信设备安装工程1.2通信工程勘察收费=收费基价X阶段系数X附加调整系数X (1 浮动幅度值)阶段系数:见表 1.1: 通信工程勘察各阶段工作量比例表收费基价:见表 1.2、1.3 :通信工程勘察收费基价表附加调整系数:(1)在气温(以当地气象台、站的气象报告为准)>35 C或者<-10 C条件下进行勘察作业时,气温附加调整系数为1.2 ;(2)在海拔高程超过2000m地区进行工程勘察作业时,高程附加调整系数如下:海拔高程2000 ‘-3000m 为 1.1海拔高程3001‘2 3500m 为1.2海拔高程3501 ‘2 4000m 为1.3海拔高程4001m 以上的,高程附加调整系数由发包人与勘察人协商确(3)附加调整系数为两个或者两个以上的,附加调整系数不能连乘。
将各附加调整系数相加,减去附加调整系数个数,加上定值1,作为附加调整系数值。
通信工程勘察设计收费标准(试行办法)一、总则1.根据国家计委、建设部关于发布《工程勘察设计收费管理规定》的通知(计价格[2002]10号),新颁布的《工程勘察设计收费标准》自2002年3月1日起施行,原国家物价局、建设部颁发的《关于发布工程勘察和工程设计收费标准的通知》([1992]价费字375号)及相关附件同时废止。
2.为了新标准的贯彻施行,我公司在《工程勘察设计收费标准》的基础上,制定了“通信工程勘察设计收费标准”(试行办法),自2002年3月1日起承担的工程项目,工程勘察设计收费取定统一按照该标准执行。
3.《关于发布工程勘察和工程设计收费标准的通知》([1992]价费字375号)及相关附件废止后,可行性研究报告费按照《国家计委关于印发建设项目前期工作咨询收费展性规定的通知》计价格[1999]1283号文件执行。
二、通信工程勘察设计收费取定通信工程勘察设计收费由工程勘察和工程设计收费两部分组成。
1.通信工程勘察收费取定1.1 通信工程勘察收费范围:通信管道及光(电)缆线路工程、微波、卫星及移动通信设备安装工程1.2通信工程勘察收费=收费基价×阶段系数×附加调整系数×(1 浮动幅度值)●阶段系数:见表1.1:通信工程勘察各阶段工作量比例表●收费基价:见表1.2、1.3:通信工程勘察收费基价表●附加调整系数:(1) 在气温(以当地气象台、站的气象报告为准)≥35℃或者≤-10℃条件下进行勘察作业时,气温附加调整系数为1.2;(2) 在海拔高程超过2000m地区进行工程勘察作业时,高程附加调整系数如下:海拔高程2000~3000m为1.1海拔高程3001~3500m为1.2海拔高程3501~4000m为1.3海拔高程4001m以上的,高程附加调整系数由发包人与勘察人协商确定。
(3) 附加调整系数为两个或者两个以上的,附加调整系数不能连乘。
将各附加调整系数相加,减去附加调整系数个数,加上定值1,作为附加调整系数值。
通信工程勘察设计收费标准介绍通信工程勘察设计收费标准介绍随着大规模通信网络的建设和普及,通信工程的勘察设计也日益受到重视。
对于通信工程勘察设计收费标准的介绍,这个问题比较复杂,这里我们将从以下几个方面进行阐述。
1、收费标准的种类通信工程勘察设计收费标准形式比较多样化。
根据不同角度,我们可以将其分成以下三类收费标准:(1)按次收费:即按照勘察设计项目的次数进行收费。
不同的勘察设计项目所需的时间、人力和资金也不同,因此按次收费的价格也存在着较大的区别。
(2)按比例收费:按照工程金额的一定比例收取勘察设计费用。
这种收费方式的优点是计算简单、公正、透明,但它的缺点在于,当工程建造过程中经费的变动会使勘察设计费用随之变动,难以准确估计。
(3)按固定费用收费:指勘察设计中收取的费用是固定的,并与实际工程金额无关。
这种收费方式虽然计算方式精确,但难以满足某些工程的特殊要求。
以上三种收费标准,其适用的范围各不相同。
建议选择最适合自己的收费标准进行院清。
2、收费标准的确定因素通信工程勘察设计收费标准的确定是一个复杂的过程,它受到多种因素的影响。
主要涉及如下几个个方面:(1)勘察设计项目的难易程度:难度越大,勘察设计的费用应就越高。
(2)勘察设计人员技术水平:勘察设计人员的技术水平、服务态度、综合素质等是决定勘察设计费用的重要影响因素。
(3)工程规模:一般而言,工程规模越大,勘察设计费用便越高。
因为大型工程需要更大的工作量和耗费更多的资源。
(4)工程难度:勘察设计需考虑工程的地形地域情况、气候水文等其他自然和人为因素,难度越大,勘察设计费用越高。
(5)人力物力的消耗:勘察设计过程中需要消耗大量的人力物力,因此勘察设计费用应该包括相应的人力物力成本。
以上这些因素在制定通信工程勘察设计收费标准时都需要充分考虑,以确保最终制定出符合实际情况的收费标准。
3、标准的适用范围通信工程勘察设计收费标准的适用范围并不是所有的通信工程都适用,一般适用于大型通信工程项目。
有关执行工程勘察设计新收费原则旳告知各部门:为了规范和统一通信工程勘察、设计旳收费原则,使设计人员在此后旳勘察、设计时计算收取费用符合国家规定旳新收费原则,企业根据国家发展计划委员会和建设部颁布旳工程勘察设计旳收费原则(2023年修订本)和有关工程勘察设计收费管理规定有关问题旳补充告知,结合我司详细状况制定了安徽电信规划设计有限责任企业工程勘察设计新收费原则,此后,在委托方对勘察设计取费原则未予以明确时一律采用新收费原则。
本原则自公布之日起执行。
2023年4月21日通信工程勘察、设计新收费原则一、通信工程勘察1. 工程类型:a. 通信管道线路工程b. 通信设备(微波、卫星及移动通信设备)安装工程2. 勘察阶段及各阶段工作量比例a. 一阶段勘察:勘察工作量比例为80%b. 二阶段勘察:初步设计阶段勘察、施工图设计阶段通信管道线路工程勘察:初步设计阶段勘察工作量比例40%施工图设计阶段勘察工作量比例60%;通信设备安装工程勘察:初步设计阶段勘察工作量比例60%施工图设计阶段勘察工作量比例40%。
3. 工程勘察收费计算公式通信管道线路工程勘察收费=【(L-m1)×tgδ+收费基价】×勘察阶段工作量比例其中 L:实际勘察长度单位: kmm1:勘察长度列表范围下限值m2:勘察长度列表范围上限值tgδ:内插值详细查找见(附表一)通信设备安装工程勘察收费=实际勘察设备数量×收费基价×勘察阶段工作量比例4. 阐明:对于因需要未进行设计旳勘察,勘察收费按实际工程勘察收费旳30%计取。
附表一单位:元注:1.通信工程勘察旳坑深均按照地面如下3m以内计,超过3m旳收费另议;2.通信管道穿越桥、河及铁路旳,穿越部分附加调整系数为1.2;3.长途架空光(电)缆线路工程运用原有杆路架设光(电)缆旳,附加调整系数为0.8。
二、通信工程设计1. 工程复杂程度: a. 复杂调整系数:1.15b. 较复杂调整系数:1.0c. 一般调整系数:0.85原则上调整系数按1.0计取,改扩建和技术改造建设项目,附加调整系数通信电源和通信机房搬迁工程按1.4计取,其他工程按1.25计取。
通信工程勘察设计收费标准(试行办法)一、总则1.根据国家计委、建设部关于发布《工程勘察设计收费管理规定》的通知 (计价格[2002]10号),新颁布的《工程勘察设计收费标准》自2002年3月1日起施行,原国家物价局、建设部颁发的《关于发布工程勘察和工程设计收费标准的通知》([1992]价费字375号)及相关附件同时废止。
2.为了新标准的贯彻施行,我公司在《工程勘察设计收费标准》的基础上,制定了“通信工程勘察设计收费标准”(试行办法),自2002年3月1日起承担的工程项目,工程勘察设计收费取定统一按照该标准执行。
3.《关于发布工程勘察和工程设计收费标准的通知》([1992]价费字375号)及相关附件废止后,可行性研究报告费按照《国家计委关于印发建设项目前期工作咨询收费展性规定的通知》计价格[1999]1283号文件执行。
二、通信工程勘察设计收费取定通信工程勘察设计收费由工程勘察和工程设计收费两部分组成。
1.通信工程勘察收费取定通信工程勘察收费范围:通信管道及光(电)缆线路工程、微波、卫星及移动通信设备安装工程通信工程勘察收费=收费基价×阶段系数×附加调整系数×(1浮动幅度值)阶段系数:见表:通信工程勘察各阶段工作量比例表收费基价:见表、:通信工程勘察收费基价表附加调整系数:(1)在气温(以当地气象台、站的气象报告为准)≥35℃或者≤-10℃条件下进行勘察作业时,气温附加调整系数为;(2)在海拔高程超过2000m地区进行工程勘察作业时,高程附加调整系数如下:海拔高程2000~3000m为海拔高程3001~3500m为海拔高程3501~4000m为海拔高程4001m以上的,高程附加调整系数由发包人与勘察人协商确定。
(3) 附加调整系数为两个或者两个以上的,附加调整系数不能连乘。
将各附加调整系数相加,减去附加调整系数个数,加上定值1,作为附加调整系数值。
浮动幅度值:发包人和勘察人可根据建设项目的实际情况在浮动幅度为上下20%范围内协商确定;在勘察中采用新技术、新工艺、新设备、新材料,有利于提高建设项目经济效益、环境效益和社会效益的,发包人和勘察人可以在上浮25%的幅度内协商确定。
表:通信工程勘察各阶段工作量比例表勘察阶段工程类型一阶段勘察(%)二阶段勘察(%)初步设计阶段勘察施工图设计阶段勘察通信管道及光(电)缆线路工程804060微波、卫星及移动通信设备安装工程806040表:通信管道及光电缆线路工程勘察收费基价表序号项目计费单位收费基价(元)备注直线内插法斜率1通信管道L≤km 1000起价<L≤10003200 <L≤35602733 <L≤90261867 <L≤127601467 <L≤200951200 L>6809512002埋式光(电)缆线路、长途架空光(电)缆线路L≤2500<L≤25001140<L≤58360990<L≤206860900L>9268609003管道光(电)缆线路、市内架空光(电)缆线路L≤2000<L≤20001530<L≤157701130L>6097011304水底光(电)缆L≤3130线路<L≤31302470 <L≤130102000L>4301020005海底光(电)缆线路L≤8500<L≤85001500<L≤310001370<L≤721001300L>13710013002.通信工程勘察的坑深均按照地面以下3m以内计,超过3m的收费另议;3.通信管道穿越桥、河及铁路的,穿越部分附加调整系数;4.长途架空光(电)缆线路工程利用原有杆路架设光(电)缆的,附加调整系数为。
* 内插法计算方法:收费基价=B1+(A X-A1)×C定义:B1为该范围收费基价起价; A1为该范围项目长度下限;A X为项目设计勘察长度;C为直线内插法斜率。
例:管长为的通信管道工程:收费基价=B1+(A X-A1)×C=3560+(-)×2733=元表:微波、卫星及移动通信设备安装工程勘察收费基价表序号项目计费单位收费基价(元)备注1微波站容量16×2Mb/s以下站4250其他容量65002卫星通信(微波设备安装)站Ⅰ、Ⅱ类站30000Ⅲ、Ⅳ类站12000单收站4000VSAT中心站120003移动通信基站全向、三扇区、六扇区4250注:1.寻呼基站工程勘察费按照移动通信基站计算收费;2.微蜂窝基站工程勘察费按照移动通信基站的80%计算收费。
2.通信工程设计收费取定通信工程设计收费范围:所有电信工程通信工程设计收费按照下列公式计算(1) 工程设计收费=工程设计收费基准价×阶段系数×(1浮动幅度值)(2) 工程设计收费基准价=基本设计收费+其他设计收费(3) 基本设计收费=工程设计收费基价×专业调整系数×工程复杂程度调整系数×附加调整系数注:工程设计收费采取按照建设项目单项工程概预算投资额分档定额计费方法计算收费。
基本设计收费:工程设计收费基价:见表工程设计收费基价表专业调整系数:电信工程专业调整系数为;工程复杂程度调整系数:暂取定;附加调整系数:改扩建和技术改造建设项目,附加调整系数~(根据工程复杂程度取定系数)。
其他设计收费:见表其他设计收费内容及费用取定表其他设计收费内容及费用取定其他设计收费名称收费内容费用取定基本设计收费的5%1.总体设计费初步设计之前,根据技术标准或者发包人的要求,需要编制总体设计的,可收取总体设计费基本设计收费的5%2.主体设计协调费工程设计由两个或者两个以上设计人(指设计单位)承担的,其中对工程设计合理性和整体性负责的设计人(指设计单位)可收取主体设计协调费3.施工图预算编制费编制工程施工图预算基本设计收费的10%4.竣工图编制费编制竣工图基本设计收费的8%暂不考虑收取5.采用标准设计和复用设计费6.非标准设备设计文通信工程无该项收费件编制费阶段系数:通信工程阶段系数为:一阶段设计 80%(参照勘察收费取定)初步设计 60%施工图设计 40%浮动幅度值:发包人和设计人可根据建设项目的实际情况在浮动幅度为上下20%范围内协商确定;在设计中采用新技术、新工艺、新设备、新材料,有利于提高建设项目经济效益、环境效益和社会效益的,发包人和设计人可以在上浮25%的幅度内协商确定。
表工程设计收费基价表注:1. 计费额处于两个数字区间的,采用直线内插法确定工程设计收费基价;2. 计费额为建筑安装工程费、设备与工器具购置费和联合试运转费之和。
(1)工程中有利用原有设备的,以签订工程设计合同时同类设备的当期价格作为工程设计计费额;(2)工程中有缓配设备,但按照合同要求以既配设备进行工程设计并达到设备安装和工艺条件的,以既配设备的当期价格作为工程设计计费额;(3)工程中有引进设备的,按照购进设备的离岸价折换成人民币作为工程设计收费的计费额。
* 内插法计算方法:收费基价=B1+(A X-A1)×C定义:B1为本范围收费基价起价; A1为本范围计费额下限;A X为设计项目计费额;C为直线内插法斜率。
例:计费额为3500万的通信工程:收费基价=B1+(A X-A1)×C=1,038,000+(3500-3000)×=1,188,250元三、通信工程可行性研究费取定1.可行性研究费取定见表:建设工程可行性研究费分档收费标准表:建设工程可行性研究费分档收费标单位:万元估算投资额咨询评估项目3000万元-1亿元1亿元- 5亿元5亿元-10亿元10亿元-50亿元50亿元以上一、编制项目建议书6-1414-3737-5555-100100-125二、编制可行性研究报告12-2828-7575-110110-200200-250三、评估项目建议书4-88-1212-1515-1717-20四、评估可行性研究报告5-1010-1515-2020-2525-35注:1.建设项目估算投资是指项目建议书或者可行性研究报告的估算投资额。
2.建设项目的具体收费标准,根据估算投资额在相对应的区间内采用内插法计算。
通信工程勘察收费=收费基价×阶段系数×附加调整系数×(1浮动幅度值)收费基价=B1+(A X-A1)×C定义:B1为该范围收费基价起价; A1为该范围项目长度下限;A X为项目设计勘察长度;C为直线内插法斜率。
例:管长为的通信管道工程:收费基价=B1+(A X-A1)×C=3560+(-)×2733=元勘察阶段工程类型一阶段勘察(%)二阶段勘察(%)初步设计阶段勘察施工图设计阶段勘察通信管道及光(电)缆线路工程804060微波、卫星及移动通信设备安装工程806040附加调整系数(3)在气温(以当地气象台、站的气象报告为准)≥35℃或者≤-10℃条件下进行勘察作业时,气温附加调整系数为;(4)在海拔高程(H)超过2000m地区进行工程勘察作业时,高程附加调整系数如下:H=2000~3000m为H=3001~3500m为H=3501~4000m为H在4001m以上的,高程附加调整系数由发包人与勘察人协商确定。
浮动幅度值:发包人和勘察人可根据建设项目的实际情况在浮动幅度为上下20%范围内协商确定;在勘察中采用新技术、新工艺、新设备、新材料,有利于提高建设项目经济效益、环境效益和社会效益的,发包人和勘察人可以在上浮25%的幅度内协商确定(1) 工程设计收费=工程设计收费基准价×阶段系数×(1浮动幅度值)(2) 工程设计收费基准价=基本设计收费+其他设计收费(3) 基本设计收费=工程设计收费基价×专业调整系数×工程复杂程度调整系数×附加调整系数工程设计收费基价内插法计算方法:收费基价=B1+(A X-A1)×C定义:B1为本范围收费基价起价; A1为本范围计费额下限;A X为设计项目计费额;C为直线内插法斜率。
例:计费额为3500万的通信工程:收费基价=B1+(A X-A1)×C=1,038,000+(3500-3000)×=1,188,250元专业调整系数:电信工程专业调整系数为;工程复杂程度调整系数:暂取定;附加调整系数:改扩建和技术改造建设项目,附加调整系数~(根据工程复杂程度取定系数)其他设计收费:表其他设计收费内容及费用取定其他设计收费名称收费内容费用取定1.总体设计费初步设计之前,根据技术标准或者发包基本设计收费的5%人的要求,需要编制总体设计的,可收取总体设计费基本设计收费的5%2.主体设计协调费工程设计由两个或者两个以上设计人(指设计单位)承担的,其中对工程设计合理性和整体性负责的设计人(指设计单位)可收取主体设计协调费3.施工图预算编制费编制工程施工图预算基本设计收费的10%4.竣工图编制费编制竣工图基本设计收费的8%5.采用标准设计和复暂不考虑收取用设计费通信工程无该项收费6.非标准设备设计文件编制费。