推车机液压系统使用说明书
- 格式:doc
- 大小:59.50 KB
- 文档页数:9
泰安科创矿山设备有限公司科创 CresicsCXC-I型销齿推车机及液压系统使用说明书注:本说明书为随机发送的附件,务必请使用后妥善保管,以备今后对产品进行检修和维护使用,由于产品的升级或优化,本说明书内容如有更改,恕不另行通知。
泰安科创矿山设备有限公司电话:0538-******* 3698088泰安科创矿山设备有限公司科创 Cresics目录1. 概述 (2)2. 结构及工作原理 (2)3. 安装与调试 (3)4. 使用与维护 (4)5. 故障原因及处理方法 (5)6. 包装、运输、贮存 (6)7. 开箱及检查 (6)8. 质量承诺 (7)9.售后服务承诺 (7)泰安科创矿山设备有限公司科创 Cresics1、概述:CXC-I型销齿推车机集中液压系统是一种对翻罐笼、罐笼立井提升井上、井下操车设备进行集中控制的液压动力系统。
销齿推车机集中液压系统与销齿推车机成套机械设备和销齿推车机电控装置相配套,机电液一体化,为组合型系列化产品,其形式、尺寸和主要技术性能参数具有较高的标准化、通用化水平。
与以往设备的动力系统相比,它具有以下优点:1、以一台液压站作为整套设备的动力源,把以往气动、电动或电动、电液推杆相混杂使用变为单一的液压驱动。
2、液压站采用双电机双泵的双液压源系统,其中一台泵工作,另一台泵备用,系统使用安全可靠。
3、以一台电机驱动整套设备,并且当设备不动作时,此电机处于空负荷运转状态,节省了电力,降低了生产运营费用,延长了设备寿命。
4、以液压缸作为设备的动力执行机构,使设备的结构可以更为紧凑,动作柔和,冲击小,维护方便。
5、推车机使用低速大扭矩液压马达驱动,不需要减速机构,安装布置方便,减少了投资。
传动系统转动惯性小,可满载起动,而且换向时不需要停机。
6、根据现场实际情况通过调节系统压力、流量对设备的载荷、速度进行控制,并且具有过载自动保护功能。
CXC型销齿推车机集中液压系统结构紧凑,动作响应快,运行稳定可靠,是矿井操车设备理想的动力系统,可以被广泛应用于煤矿及冶金矿山中。
®液压系统通用使用说明书1.前言海门市中龙液压有限公司是生产液压阀和液压控制系统的专业厂家。
具有年生产液压阀5万余件,液压系统1500多台套的生产能力,工厂已经有近十年生产液压产品的历史,是目前国内液压行业生产液压产品的主导厂家之一。
2.质量三包承诺本产品在用户按说明书规定条件正常使用前提下,产品自出厂之日起算,质量三包期如下:(1)、液压元件,底板块,油箱,冷却器,蓄能器,空气滤清器,液位计,耐震压力表,电动机,质保期为壹年。
(2)、各种油泵质保期为六个月。
(3)、滤油器,O型圈,组合垫,胶管以及其他标准件为易损件。
3.液压传动系统常见故障及排除方法一、液压泵常见故障分析与排除方法1、故障现象:不出油、输油量不足、压力上不去故障分析:①电动机转向不对(排除方法:检查电动机转向)②吸油管或过滤器堵塞(排除方法:疏通管道,清洗过滤器,换新油)③轴向间隙或径向间隙过大(排除方法:检查更换有关零件)④连接处泄漏,混入空气(排除方法:紧固各连接处螺钉,避免泄漏,严防空气混入)⑤油液粘度太大或油液温升太高(排除方法:正确选用油液,控制温升)2、故障现象:噪音严重压力波动厉害故障分析:①吸油管及过滤器堵塞或过滤器容量小(排除方法:清洗过滤器使吸油管通畅,正确选用过滤器)②吸油管密封处漏气或油液中有气泡(排除方法:在连接部位或密封处加点油,如噪音减小,可拧紧接头或更换密封圈;回油管口应在油面以下,与吸油管要有一定距离)③泵与联轴节不同心(排除方法:调整同心)④油位低(排除方法:加油液)⑤油温低或粘度高(排除方法:把油液加热到适当的温度)⑥泵轴承损坏(排除方法:检查(用手触感)泵轴承部分温升) 3、故障现象:泵轴颈油封漏油故障分析:泄油管道液阻过大,使泵体内压力升高到超过油封许用的耐压值(排除方法:检查柱塞泵泵体上的泄油口是否用单独油管直接接通油箱。
若发现把几台柱塞泵的泄漏油管并联在一根同直径的总管后再接通油箱,或者把柱塞泵的泄油管接到总回油管上,则应予改正。
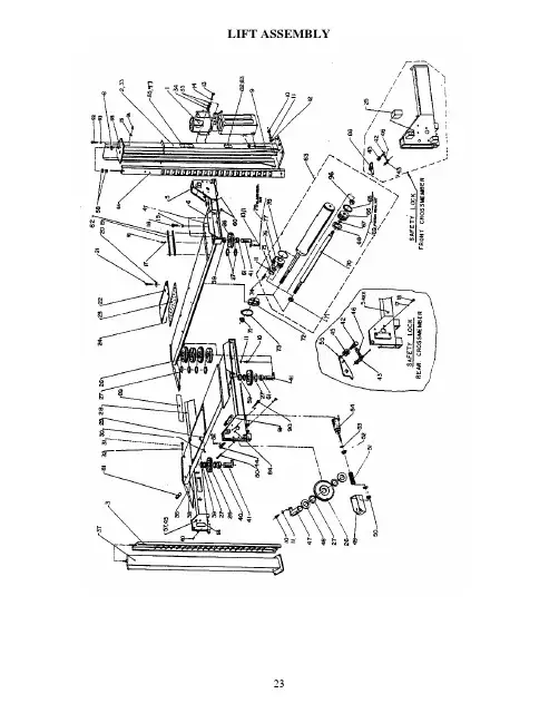
LIFT ASSEMBLYPARTS LISTITEM QTY. DESCRIPTION PART #1 1 POWER PACK, 230V/1PH/60HZ 6-19361 POWER PACK, 230V/1PH/60HZ 6-11652 1 POWER POST WELDING (L.S.) 4-04293 2 SAFETY RACK WELDMENT (REAR) 3-04874 1 ALIGNMENT DECK WELDMENT (LEFT SIDE) 4-01831 SERVICE DECK WELDMENT (LEFT SIDE) 4-01955 1 FRONT CROSSMEMBER WELDMENT (LEFT SIDE) 4-03666 2 FRONT WHEEL STOP WELDMENT 2-09987 22 HEX NUT, 3/4"-10UNC 6-07378 30 F LAT WASHER, 3/4" I.D. 6-07389 22 WEDGE ANCHOR, 3/4"-10UNC X 5 1/2"LG. 6-137910 14 HEX HD. BOLT, 3/8"-16UNC X 1"LG. GR.8 6-066811 16 LOCKWASHER, 3/8" I.D. 6-005812 6 FLAT WASHER, 3/8" I.D. 6-062513 4 HEX HD. BOLT, 5/16"-18UNC X 1"LG. 6-029314 4 LOCKWASHER, 5/16" I.D. 6-067415 16LOCKWASHER,1/2"I.D. 6-005916 6 HEX HD. BOLT, 1/2"-13UNC X 1"LG. 6-004517 24LOCKWASHER,1/4"I.D. 6-005618 8 HEX HD. BOLT, 1/4"-20UNC X ¾"LG. 6-017819 4RETAININGBAR 2-139120 8 FLAT WASHER 2"O.D X 13/32I.D. X 3/32 6-042621 8 SHOULDER BOLT 3/8" X 5/8"LG. 6-006922 2 REAR SLIP PLATE (FULL FLOATING) 3-019723 2BEARINGCAGE 3-019624 1 SET 1/4" BALL BEARING 6-082925 8GLIDEBEARING 2-077226 11SHEAVEASSEMBLY 2-055727 21 NYLON THRUST WASHER 1-075728 1 REAR CROSSMEMBER (WELDING) 4-018829 4 LOCKING PIN ASSEMBLY 2-063730 4 SELF TAP SCREW #10 X 1/2"LG. 6-050531 4RAMP PIN1-188732 4 C OTTER PIN, 1/8" X 1 1/2" LG. 6-097833 1 POST WELDING (FRONT - R.S) 4-043034 4 HEX NUT, 5/16UNC GR.5 6-029435 8 FLAT WASHER, 5/16" I.D. 6-029536 2APPROACHRAMP 3-028537 2 REAR POST WELDING 3-034738 1 ALIGNMENT DECK WELDMENT, (RIGHT SIDE) 4-01841 SERVICE DECK WELDMENT, (RIGHT SIDE) 4-019639 1 SHEAVE-SPACER 2 1/2"LG. 1-079840 1 SHEAVE-SPACER 1 1/4"LG. 1-078841 4 DECK SHEAVE PIN 2-056642 2 SHOULDER BOLT 3/8"DIA. X 1"LG. 6-020643 6 SHOULDER BOLT 3/8" DIA. X 5/8"LG. 6-006944 4 LOCK SAFETY PIN (WELDING) 1-123445 4CABLEROLLER 1-0766464748 848TENSION SPRINGCROSSMEMBER SHEAVE PINSHEAVE SPACER, 3/8” LG.1-07681-07711-0786ITEM QTY. DESCRIPTION PART #49 4 SAFETY SHOE WELDMENT 2-099050 4 HEX. NYLON LOCKNUT, 1/4"-28UNF 6-156351 4COMPRESSIONSPRING 1-076752 4 HEX. NUT, 5/8"-18UNF 6-066253 4 INTERNAL TOOTH LOCKWASHER, 5/8" I.D. 6-066354 4 AIR CYLINDER (CLIPPARD #SRR-12-2-SP; 5 1/2" ROD EXT.) 6-065155 11 LOCK-SAFETY LSLOCK-SAFETY RS2-05672-147556 4PLASTICBRACKET 1-0775 57 4PLASTICGUIDE 1-077658 8 HEX NUT, 5/8"-11UNC, GR.8 6-067359 2 SHEAVE-SPACER 1 3/4"LG. 1-079960 8 SET SCREW, 1/2"-13UNC X 1" LG. GR.8 6-072661 2 SHEAVE-SPACER 2 "LG. 1-094362 16 FLAT WASHER, ¼” ID x ¾” OD PLATED 6-006063 1 HYDRAULIC CYLINDER 4-018764 2 SAFETY RACK WELDMENT 3-058165 1 WEAR RING 3/8" WIDE X 1/8"THK. X 3 1/2"O.D. 6-000466 1PISTON 2-056467 1 "O" RING 1 1/4"O.D. X 1"I.D. X 1/8" C/S 6-130568 1 PISTON SEAL 3 1/2"O.D. X 3"I.D. X 3/8" 6-000369 1 PISTON SEAL KIT 0-016970 1 PISTON ROD 2-056571 2 HEX NUT 1"-14UNF-2A, GR. 8 6-066472 1CABLEFLANGE 2-056173 1 HOSE CLAMP 4 1/2"DIA. 6-066574 2 HEX. BOLT 3/8"-16UNC-1 1/4"LG. GR.8 6-066675 1 ROD WIPER 1 1/2" X 1 7/8" 6-065376 1 ROD SEAL 1 1/2"I.D. X 1 7/8"O.D. X 3/16" 6-065477 1GLAND 3-034878 1 "O" RING 3 1/2"O.D. X 1/8" C/S 6-065579 1 GLAND SEAL KIT 0-017080 4 HEX HD. BOLT 3/8"-16UNC X 3"LG. 6-138681 4SHEAVECOVER 2-0997 82 1SERIALTAG 6-1306 83 1"ALI"PLATE 6-098884 1 FRONT CROSSMEMBER WELDMENT (RIGHT SIDE) 4-036885 1 DECAL SET, ALI/WL 200 6-098888 11 LOCK SAFETY LSLOCK-SAFETY RS2-09802-142789 1 "CAUTION" TAPE, (40" LG.) 6-112590 2 HEX HD. BOLT, 1/2"-13UNC x 3"LG. 6-138191 16 HEX HD. BOLT, 1/4"-20UNC x 3/4"LG. GR. 5, PLATED 6-017892 10 HEX HD. BOLT, 1/2"-13UNC x 2"LG. 6-076993 20 FLAT WASHER, 1/2"I.D. SAE 6-024894 10 HEX NUT, 1/2"-13UNC 6-003595 2TOPPLATE 2-112596 1 LOCK NUT, 7/8”-14UNF 6-116097 1“ATTENTION”DECAL 6-1637HYDRAULICS AND AIR KITS ASSEMBLYHYDRAULIC AND AIR KITSITEM QTY. DESCRIPTION PART#1 9 90° ELBOW, 1/8"NPT X 1/4"POLY TUBE 6-07092 4 AIR CYLINDER 6-06513 1 1/4" DIA. POLY TUBE (50’ LG.) 6-07064 3 ADAPTER, 3/8" POLY TUBE X 1/4"NPT 6-07105 2 TERMINAL BOLT, 3/4" 6-07136 2 PLUG, 1/4"NPT 6-02827 3 1/4" NPT STREET TEE 6-00148 1 1/4" NPT STREET ELBOW 6-00159 1 3/8" DIA. POLY TUBE (25’ LG.) 6-070710 1 90° ELBOW, 3/8"JIC M X 9/16"SAE M 6-080411 1 HOSE GUARD (4’ LG.) 6-071412 1 POWER PACK 230V/1 PH/2 HP 6-19361 POWER PACK 230V/3 PH/2 HP 6-116513 1 HYD.HOSE ASS'Y,3/8"SWIVELx3/8"JICM,147"LG. 6-071514 3 CABLE TIE 6-073115 1 AIR VALVE & FILTER ASS’Y 2-139416 2 ADAPTER, 3/8"NPT M X 3/8"JIC F, SWIVEL 6-079717 1 FLOW CONTROL 6-193718 1 3-WAY AIR VALVE 6-177519 1 90° ELBOW, 1/4"NPT M X 3/8"NPT F 6-079620 3 ADAPTER, 1/4" POLY TUBE X 1/8"NPT 6-070821 1 AIR VALVE PUSHBUTTON KIT 6-177722 1 AIR FILTER ASSEMBLY 6-07721 AIR FILTER ELEMENT, (REPLACEMENT) 6-018023 1 AIR VALVE FITTING KIT 0-040524 1 VELOCITY FUSE 6-168425 1 PLUG, 1/8" NPT 6-018226 2 MANIFOLD 1-105727 4 HEX HD.CAP SCREW, 1/4"-20UNC X 2"LG. 6-017728 4 HEX NUT, 1/4"-20UNC 6-003229 4 LOCKWASHER, 1/4"I.D. 6-005630 2 1/4” POLYTUBE ADAPTER 6-074732 1 "LIFT OPERATION" DECAL 6-059333 1 ADAPTER, 1/8"NPT M X 1/4"JIC M 6-0280CABLE ROUTING DIAGRAMCABLE ROUTINGITEM QTY. DESCRIPTION PART#1 1 CABLE ASSEMBLY, 387”LG. (LEFT-FRONT) 2-12872 1 CABLE ASSEMBLY, 181"LG. (LEFT-REAR) 2-05403 1 CABLE ASSEMBLY, 233"LG. (RIGHT-REAR) 2-05414 1 CABLE ASSEMBLY, 442”LG. (RIGHT-FRONT) 2-12885 8 HEX NUT, 7/8"-14UNF, GR.8 6-07246 4 CABLE SPACER, 2"LG. 1-08007 4 FLAT WASHER, 7/8" I.D. 6-07258 4 CABLE SPACER, 1"LG. 1-0801POWER PACKPOWER PACK PARTS LIST: #6-1936 (AB-1400) 208-230V/1PH/60HzITEM QTY. DESCRIPTION PART #1 1 VALVE CARTRIDGE CHECK 6-10872 1 LABEL INSTALLATION AUTOHOIST 6-2136 4 1 BREATHER CAP & BLADDER 6-1376 6 1 MOTOR AC 208-230V. 2HP/1PH/60Hz, BLK 6-2139 1 MOTOR AC 208-230V. 2HP/3PH/60Hz, BLK 6-1079 7 1 LABEL WARNING AUTOHOIST 6-2149 9 1 SPRING 0.480” x 0.063” x 0.42” COMP 6-2151 10 1 RETURN HOSE 3/8” OD x 21.5” 6-2152 11 1 COMPRESSION TUBE NUT 6-2153 12 1 COMPRESSION TUBE SLEEVE 6-2154 13 1 ENDHEAD UNIVERSAL AUTOHOIST 6-2155 14 1 PUMPASSY 3.1 CC/REV. SHORT SPLINE 6-1688 15 1 RELIEF ASSEMBLY FIXED 170 BAR 6-1317 16 1 VALVE CARTRIDGE RELEASE MANUAL 6-0880 17 1 WIRING ASSEMBLY AC 1PH FENNER 6-2156 1 WIRING ASSEMBLY AC 3PH FENNER 6-0918 18 2 BOLT 5/16”-24 x 3.00” TORX G8 6-1090 19 1 COUPLING SAE 9T-20/40 1.260” 6-0774 20 1 PLUMBING PLUG 9/16” SAE 6-2157 21 1 SEAL SHAFT 0.500” x 1.00” x 0.25” 6-2158 22 1 WASHER 0.338” x 0.625” x 0.060” STEEL 6-2159 24 1 PLUMBING PLUG 3/8” NPT 6-2161 25 1 PLUMBING MAGNET 6-2162 27 2 SCREW TAPTITE M6 x 1.0 12MM TORX 6-2164 28 1 COVER ASSY SUCTION 6-2165 29 1 PLUMBING CLAMP HOSE ADJ. INLET 6-2166 30 1 BOLT 5/16”-18 x 1.00” SHCS 6-1392 31 1 NUT ¾”-16 x 1” HEX x 0.250” STEEL 6-2167 32 1 WASHER ¾” INT. TOOTH LOCK 6-2168 33 1 BRACKET – HANDLE ASSY REL BLACK 6-0776 34 4 BOLT M6 x 1.0 35MM SOC HD 6-2169 35 4 WASHER ¼” LOCK HI-COLLAR 6-2170 37 4 BOLT #12-24 x 0.50’ HEX WSHRHD 6-1091 38 1 PLUMBING ASSY INLET 17.24 (3) 6-0786 39 1 RELIEF VALVE CAP ASSEMBLY 6-1089 40 1 TANK PLASTIC 6.7 OS 22.50” BLK 6-1399 41 1 CABLE TIE 8” LONG WHITE 6-1846 42 1 O-RING 2-348 BUNA 6-0875CAUTIONALL SAFETY LADDERS USED ON 4-POST LIFTS ARE PRELOADED.REMOVING THE BOLT HOLDING THE BOTTOM PORTION OF THE SAFETY LADDER WITHOUT PROPER PRECAUTIONS CAN RESULT IN INJURY. PLEASE CONTACT CUSTOMER SERVICE FOR PROPER REMOVAL INSTRUCTIONS.。
液压操作中工作液的管理为获得液压设备较高的效率,预防事故的发生和保证稳定的性能,要进行一系列的维护和管理工作,而其中液压操作中工作液的维护和管理尤其特别重要,因此必须和液压工作液制造者一起预先充分考虑保养维护和管理的主要内容。
工作液的保养和维护的简单说明以及长期使用油的液压设备所必需检查的内容如下:1.工作液的种类使用L-HM46液压介质。
2.粘滞度范围所使用的工作液粘滞度范围从41.4-50.6厘司该粘滞度范围一般相当于工作液温度40°C,希望从工作液的制造者那里获得和所使用的液体操作液有关的粘滞度温度曲线。
3.清洁度系统要求NAS1638-※级4.定期检查试运行的初级阶段:运行500小时之后。
正常运转:2000小时。
取约1升工作液作为式样,请工作液的制造者进行对它检验。
5.更换正常的更换周期通常是4500小时,尽管检查结果是正常的,一般说来,应将全部液压工作液旧的尽可能的全部更换。
6.每天检查事项(1)变色—这种变色是由于水或空气的侵入而产生的。
(2)气味—特殊气味是由与油的玷污及变质之后而产生的。
(3)外界物质的侵入—由于外界物质的侵入有时造成工作液的提前变质。
(4)除水—从油储藏室最底部的排水管排水,每月进行一次。
试车运行的准备管道:充分的冲洗:杂质的等级10级以内NAS1638;管夹应准备充分:通常在直管路上,间隔1000MM-2000MM,当管道振动较大或弯曲点过多的情况下,管夹间距尽可能小一些;应有足够的耐压力:是工作压力的1.25-1.5倍。
电气:确定电机的运转方向:一般参照液压泵顶部铭牌上箭头方向和液压设备的装配图检查电机的运转方向。
特殊要求应先断开电机和油泵之间的连轴器,然后然电机单独运行以确定电机的旋转方向。
电磁控制阀的导电性实验:检查电路和电磁控制阀的一致性。
给每个电磁控制阀单独通电以确定磁体是否按照说明进行动作。
试车的程序1.加油加油时使用滤油小车,同时应注意不要让外界杂质或水进入到油箱中。
推车机液压站说明书编号:7323YMS大连重工集团有限公司液压装备厂1999年10月目录1. 概述2. 主要性能参数3. 结构特点及各机构的设定值4. 推车机运转前准备工作5. 运转方法6. 工作介质的保养管理7. 注意事项8. 故障与处理1.概述本液压装置是专为翻车机自动线中的推车机而设计,能满足推车机所需液压传动的各动作要求。
该产品使用的液压阀主要选用引进西德莱克斯劳斯公司技术而生产制造,也可完全采用进口元件。
此类阀具有安装尺寸符合国际标准,结构紧凑,通流能力大、体积小等优点。
此液压装置在整个推车机中是一个较为精密的部件,对它的精确调试、正确操作和精心保养,就可以获得满意的工作效率和提高其使用寿命,否则将会得到相反的效果。
为此,我们希望用户在调试和使用本液压站的过程中,要详细了解液压系统原理图各个回路的功能及特点,并参照此说明书中的各项要求进行工作。
说明书中仅对液压站的总体维护保养予以说明,各元件的使用及维修按元件的使用说明书中的要求进行。
2.主要性能参数2.1系统工作压力………………………………..3-3.2MPa2.2系统工作流量……………………….11.2 l/min2.3油箱容积……………………………….200 l2.4油泵(1台)型号…………………………PV2R1-8F-RAR最高使用压力……………………………. 16 MPa排量……………………………………….8 ml/r2.5电动机(1台)型号………………………..Y802M-4(B35)转速………………………..1390 r/min功率……………………….0.75kw电压 (380V)2.6工作介质………………………YB-N46抗磨液压油3.结构特点及各机构的设定值本液压站主要由油箱、罩子、阀组、泵装置、管子及附件等组成,整个液压站安装于推车机上。
3.1油箱为封闭式结构,以防恶劣环境下,灰尘的进入以及行走时油箱内油液的飞溅涌出。
推车机液压站使用说明书武汉电力设备厂一、概述1、用途该液压系统适用于翻车机配套设备重车调车机以及其它列车牵引设备的牵车臂的提升和落下。
另外它也可适用于各种不同需要提升或落下重物的场合。
2、组成该液压系统主要由15kW卧式电机、轴向柱塞泵、换向阀、执行机构、油箱、蓄能器等装置组成。
该液压系统采用集成式设计,体积小,结构紧凑,无渗漏,易维护,操作简便、可靠。
二、液压系统主要性能参数1、系统额定压力16MPa2、系统流量68L/min3、起落臂工作压力13~15MPa4、摘钩工作压力2MPa5、充氮压力 4.5MPa6、电机功率15kW7、电机转速1470r/min8、抬臂时间10S9、落臂时间8S10、摘钩时间<2S12、有效容积605L14、油液YA-N32三、液压系统工作原理及概况1、原理(参见设备厂家提供的图纸)本系统主要有以下三个作用:抬落臂、摘钩。
柱塞泵(10)通过弹性联轴器(11)从电机(12)得到机械能后,经滤油器(9)从油箱(1)吸油然后泵的两个出口分别输出压力油P1、P2。
P1、P2的压力分别由卸荷阀(14)和(15)调定。
压力油P1经卸荷阀(14)至集成块(20),压力油分两路,一路经叠加阀(21)(22)(23)(24)至摆动油缸;另一路经叠加阀(34)(33)(32)(31)至平衡油缸,摆动油缸、平衡油缸联动,完成大臂抬落。
压力油P2经卸荷阀(14)分两路,分别完成提销。
蓄能器(26)在抬臂时蓄能,落臂时释放能量,并为平衡油缸提供背压及补充循环油。
2、工作概况(参见原理图)(1)启动电机(12)5DT得电,车臂落下,到位后5DT失电,3DT得电制动抱闸打开调车机接车。
(2)将重车牵至翻车机上定位3DT失电制动。
2DT得电提后钩销到位,2DT失电。
3DT得电调车前行一段,将车辆送到迁车台后3DT失电,1DT得电提前钩,到位后1DT失电,调车机停止,3DT 得电调车机返回3DT失电调车机停止,4DT,6DT得电,车臂抬起到位,4DT、6DT失电,调车机返回,开始下一循环。
液压系统使用说明书范例使用说明书编制:审核:批准:时间:2003年月日目录1、综述2、技术数据3、系统结构及工作原理4、安装维护5、调试运行6、附图(略)1、综述本使用说明介绍了VKM5型混合锅液压系统的结构及功能,提供了设备正确操作所必需的相关知识。
本操作说明必需存放在合适的位置,以便操作人员随时取用。
设备投入使用之前,所有操作者必须仔细阅读本操作说明。
我们建议操作者应具备一定的液压知识。
保修期内,用户应将运行情况及完成的各项维修保养工作记入液压系统运行记录本中备查。
2、技术数据2.1、旋转回路2.1.1、最高工作压力:Pe =10MPa2.1.2、最大流量:Qe =9.9L/min2.1.3、马达排量:49.5ml/r;转速:10~200rpm、波动在±2.5%以内2.1.4、电动机参数:变频电机1.5KW/1440rpm/380V/50Hz2.2、升降回路2.2.1、最高工作压力:Pe =4MPa2.2.2、最大流量:Qe =5.8L/min2.2.3、油缸活塞杆运行速度:0.3~1.5m/min(一次调定),两个双作用油缸:油缸活塞直径:φ40mm,活塞杆直径φ25,油缸活塞行程:800mm2.2.4 电动机参数:1.1KW/960rpm/380V/50Hz2.3 油箱容积: V=150L2.4 液压油:N32(冬)/N46(夏),清洁度:ISO标准18/132.5冷却器:冷却水≤28℃、0.15~0.2MPa、20L/min3、系统结构该系统由四部分组成:旋转回路、升降回路、油箱总成及管路系统。
3.1、旋转回路由立式安装的泵电机组件、控制阀组、液压马达等组成。
其中油泵驱动电机为变频电机,由变频器对电机进行调速,使油泵按要求输出变化的流量,从而控制液压马达的输出转速。
3.2、升降回路由立式安装的泵电机组件、手摇泵、控制阀组、两个双作用油缸等组成。
手摇泵直接与油缸下腔相连,当出现突然停电事故时,能人工摇动手摇泵,使油缸上升至要求的位置。
液压系统的说明书一、引言液压系统是一种利用液体传递能量并驱动执行机构的动力系统。
它广泛应用于各种工业领域,如机械制造、航空航天、冶金等。
本说明书旨在详细介绍液压系统的组成、工作原理以及使用注意事项,以帮助用户充分理解和正确操作液压系统。
二、系统组成液压系统主要由以下组成部分构成:1. 液压泵:负责将机械能转换为液压能,并提供液压流体。
2. 液压执行器:包括液压缸、液压马达等,根据系统的要求完成相应的工作。
3. 液压控制阀:用于控制液压系统的流量、压力、方向等参数,实现各组件的协调运行。
4. 液压储能装置:用于储存液压能量,如液压蓄能器等。
5. 液压油箱:贮存液压油,并起到冷却、滤波和沉淀杂质的作用。
6. 辅助设备:包括液压过滤器、压力表、温度计等,用于监测和维护液压系统的运行状态。
三、工作原理液压系统利用液体传递能量,其工作原理如下:1. 液压泵将液体从油箱吸入,并在压力作用下将液体推送至液压执行器。
2. 液压泵推送的液体通过管道进入液压执行器,产生相应的力或运动。
3. 液压执行器根据控制阀的信号,调整液体的流动方向和流量,实现对执行器的控制。
4. 控制阀通过控制液体的流量和压力,确保液压执行器按需工作。
5. 液体流经液压系统后返回油箱,以循环使用。
四、使用注意事项1. 压力控制:严格控制液压系统的工作压力,避免超负荷运行,以免损坏关键部件。
2. 温度控制:保持液压油的合适温度,过高的温度会导致油液变稀,减少润滑效果,过低的温度则会增加油液的黏度,影响系统的工作效率。
3. 液压油的选择:根据液压系统的要求选择合适的液压油,以确保系统的正常运行和寿命。
4. 液压油的过滤:定期检查和更换液压油,清洁和维护液压油路系统,保持系统的稳定和可靠运行。
5. 泄漏检查:及时检测和修复液压系统的泄漏问题,以免因泄漏导致油液浪费和系统性能下降。
6. 定期保养:按照说明书要求进行液压系统的定期保养,包括密封件的更换、部件的润滑等,以延长系统的使用寿命。
1 液压驱动部分的组成1.1液压系统有开式系统和闭式系统。
本液压驱动采用闭式系统。
主要原因是: 因为井下潮湿、高温散热条件差、多尘且存在易爆炸的瓦斯气体,因此要求液压系统具有良好的防腐性能、足够的冷却能力、严格的防尘和防爆性能。
传统的开式系统在多尘环境下易污染,稳定性和可靠性以及调速性能较差,不能空载启动,在启动和换向过程中,会对系统本身形成较大的冲击力。
而闭式系统结构紧凑,调速方便且能适用于恶劣的环境,具有很强的抗污染能力,只要换油时不被污染,则其它情况下根本不会受污染。
因为用闭式液压传动系统时,其液压油流在液压泵和马达之间循环流动,主油路没有直接和空气接触,因而不会产生吸空和容易污染系统的现象。
在启动、停止和换向过程中很平稳,不会对系统本身形成较大的冲击力。
目前闭式液压传动在国际上属于成熟的先进技术。
1.2液压驱动部分的组成及其功用23 22 21 20 19 18 17 14 13 37 36 35 34 33 32 31 30 29 28 12 11 10127 26 2524 16 15 58924763液压站部件明细表液压驱动架空乘人装置中,其液压系统使用具有连续流动性的液压油作为工作介质,通过液压泵将驱动泵的原动机的机械能转换成液体的压力能,经过压力、流量、方向等各种控制阀,送至液压马达中,转换为机械能去驱动负载。
液压驱动主要由动力源(电动机、液压油泵)、执行器(液压马达、液压油缸、液压制动器、轮边制动器)、控制阀(控制阀组、集成模块)、液压辅件(散热器、油箱、过滤器、联接管路、压力表和压力传感器、机架、等)液压介质(液压油)等组成。
1.3 主要液压元件1.3.1 液压马达液压马达有高速马达和低速大扭矩马达之分,针对架空乘人装置速度慢扭矩较大的特点,一般采用低速大扭矩马达。
目前使用的是意大利INTERMOT(英特姆)公司和SAI(萨义)公司的低速大扭矩马达,以及意大利博世力士乐高速马达配德国邦菲力减速机的驱动总成。
液压系统型号:YZL-10-160C-GX-00使用说明书扬州中茂液压机械有限公司2013年6月一、概述该液压系统采用高质量液压元件,具有操作方便、动作可靠、综合能力强、便于维护、保养等特点。
符合国标GB3766-1983《液压系统通用技术条件》中的各项技术条件二、技术参数:1、液压系统额定压力14Mpa2、系统最大流量18L/min3、电机功率5.5KW; n=1450r/min; 电压=380V/50Hz4、邮箱容积0.16m3三、液压原理图(见附图)四、液压系统安装说明1、产品运抵施工现场后,打开包装,仔细检查各部分是否满足合同供货要求,有无损坏现象,否则应及时与生产厂家联系。
2、液压系统和液压缸油口及其它外露口堵盖及包扎物在设备配管前不得脱落,以免对液压系统造成污染。
3、按液压系统原理图正确安装及配管,注意接口和配管密封的清洁。
钢管焊接时焊后需去除氧化皮,并进行酸洗和清洗。
4、液压缸与机架的联接罗栓必须紧固可靠。
五、调试1、安装完毕后应首先确认液压系统有无被污染的地方。
确认没有污染后再进行加油,加油时为防止污染应将液压油用滤油机过滤后,再经过空滤器滤网进行加油,切不可将空滤器滤网卸下加油。
2、加油完毕后将溢流伐手轮旋松(位置在阀块上方),点动电机,确认电机转向正确后,调整油泵调整罗钉。
(注意:油泵如长期闲置未用,重新启用时启动前必须通过泵回油口充满清洁的油液)3、一切正常后,启用电机旋转溢流伐手轮,观察压力表,先在低压下运行一段时间。
操纵电器箱按钮使液压缸缓慢往复运动几次排除系统内空气,并调整溢流伐使液压系统处于正常压力状态。
调整手柄正旋进,压力上升,调整手柄反旋出,压力下降。
4、调整集成块上的溢流伐使其达到所须的工作压力,但不可越过额定压力。
六、维护与保养1、使用中要经常保持设备清洁卫生,特别防止液压油的污染。
经常检查有无松动、漏油的地方,随时注意观察压力变化情况,检查电机、油泵的温度,发现问题及时处理。
智多星科技ZDXTXY-12型销齿推车机及液压系统使用说明书扬州市智多星科技有限公司目录1. 概述 (2)2. 结构及工作原理 (2)3. 安装与调试 (3)4. 使用与维护 (4)5. 故障原因及处理方法 (5)6. 包装、运输、贮存 (6)7. 开箱及检查 (6)8. 质量承诺 (7)9.售后服务承诺 (7)1、概述:ZDXTXY-12型销齿推车机集中液压系统是一种对翻罐笼、罐笼立井提升井上、井下操车设备进行集中控制的液压动力系统。
销齿推车机集中液压系统与销齿推车机成套机械设备和销齿推车机电控装置相配套,机电液一体化,为组合型系列化产品,其形式、尺寸和主要技术性能参数具有较高的标准化、通用化水平。
与以往设备的动力系统相比,它具有以下优点:1、以一台液压站作为整套设备的动力源,把以往气动、电动或电动、电液推杆相混杂使用变为单一的液压驱动。
2、液压站采用双电机双泵的双液压源系统,其中一台泵工作,另一台泵备用,系统使用安全可靠。
3、以一台电机驱动整套设备,并且当设备不动作时,此电机处于空负荷运转状态,节省了电力,降低了生产运营费用,延长了设备寿命。
4、以液压缸作为设备的动力执行机构,使设备的结构可以更为紧凑,动作柔和,冲击小,维护方便。
5、推车机使用低速大扭矩液压马达驱动,不需要减速机构,安装布置方便,减少了投资。
传动系统转动惯性小,可满载起动,而且换向时不需要停机。
6、根据现场实际情况通过调节系统压力、流量对设备的载荷、速度进行控制,并且具有过载自动保护功能。
ZDXTXY-12型销齿推车机集中液压系统结构紧凑,动作响应快,运行稳定可靠,是矿井操车设备理想的动力系统,可以被广泛应用于煤矿及冶金矿山中。
2、结构及工作原理:ZDXTXY-12型销齿推车机集中液压系统主要设备包括:液压站、操作台(电控箱)、推车机支撑、主动小车、从动小车、推爪、缓冲装置等组成。
液压站的压力、流量均可调节,系统压力由电磁溢流阀设定,其运行速度可根据罐笼翻转时间要求设定其最佳数值。
安徽省皖江机电设备有限公司目录1 用途与工作条件 (1)1.1 用途 (1)1.2 工作条件 (1)2 技术特征及型号的意义 (1)2.1 技术特征参数 (1)2.2 型号代表及意义 (2)3 系统组成及工作原理 (3)3.1 系统组成 (3)3.2 工作原理 (3)4 安装与调试 (4)4.1 安装步骤 (4)4.2 调试方法 (5)5.使用方法 (5)5.1工作流程 (5)5.1.1液压推车机的工作流程: (5)5.1.2电动推车机的工作流程 (6)5.2工作步骤 (6)5.2.1液压推车机的操作步骤: (6)5.2.2电动推车机的操作步骤 (7)6.使用注意事项 (7)7.常见的液压故障及排除方法(见附表1) (8)8.产品的储存与运输 (8)9.质量保证 (9)1 用途与工作条件1.1 用途T□□—□/□系列推车机主要用于煤矿井口或井底车场调度矿车,平板车,材料车等运输车辆及其辅助物料。
亦可用于冶金矿山车场,非金属矿山车场,及其工程建筑车场(如隧道)的运输车场的调度运输工作。
它具有生产效率高、操作简单、使用方便,安全可靠等特点1.2 工作条件1)周围温度:-10℃~40℃2)相对温度:≤ 90%3)海拔:≤2000米4)大气压力:80—120KPa5)禁止在沼气等易爆混合气体超标的井底使用6)液压站及电器部分应在具有防水场地使用,摆放的倾斜度应小于5度2 技术特征及型号的意义2.1 技术特征参数1)电动机:型号:Y160M—4;Y160L—4;Y132M-4功率:11KW; 15KW; 7.5KW电压:380V/660V2)传动方式:绳式或链式3) 动 力 源:液压泵站、电动减速机4) 推车形式:推轴式、推缓冲座式5) 传 动 力:5~10KN6) 系统压力:16MPa(液压传动)7) 传动规格:Ф16钢丝绳、Ф18×64圈环链8) 推车速度:0.3~1.0m/s9) 推车数量2.2 型号代表及意义T □ □ -- □ / □注:TLD-15/6的推车机代表意义是圆环链式电动600轨距的推车机。
浓缩机
液压系统故障诊断及维护使用说明书
液压系统常见故障及排除方法一、液压泵常见故障分析与排除方法
二、液压缸常见故障分析与排除方法
三、溢流阀的故障分析及排除方法
四、溢流阀的故障分析及排除方法
五、换向阀的故障分析及排除方法
六、油温过高的故障分析和排除方法
七、液压系统的故障分析及排除方法
八、液压站联机试车时的注意事项
1、注油时,须通过20um的过滤器向油箱注入洁净的的液压油,至
液位计上限位置。
2、柱塞泵开机前,必须从卸油口向泵内注满洁净的液压油。
3、开机前,必须将吸油管的截止阀打开。
4、开机前,必须将溢流阀压调至零。
5、开机前,先试启动电动机,观察其与油泵的旋转方向是否一致,
电动机风扇的转向应为顺时针。
6、液压油缸必须反复运作,以排除管内的气体。
7、系统实验时,应分级逐步提高压力档次,每一级为1MPa,并稳压
五分钟左右,直至达到所需的压力要求。
8、调节提耙高压时,必须将油缸的上限位开关断开,把油缸提到最
高位;或在提耙油路切断状态下(在阀块之后或油缸进油口之前)。
9、调节运行压力时,须切断运行油路(在阀块之后或马达进油口之
前)。
10、检查各执行元件的动作正常,平稳,协调。
11、压力试验过程中出现的故障应及时排除。
排除故障必须在泄压后
进行。
12、按说明书规定的空运转时间进行试运转,完成空运行后检查油温
是否正常。
13、系统试验发现问题后,请参考《液压传动系统故障诊断及排除方
法》。
液压系统使用说明书目录第一章系统主要性能参数 (2)第二章系统安装说明 (2)第三章系统调试运行 (3)第四章液压系统安装.起动及保养 (5)一.液压油 (5)二.液压站放置 (6)三.液压管路的连接 (6)四.起动前的冲洗 (7)五.起动程序 (8)六.保养 (9)七.维修 (12)第一章系统主要性能参数主回路: 两个电机额定功率:55KW额定转速:1500r/min额定压力:20Mpa额定流量:170L/min最高压力:25Mpa油箱容积:2000L冲洗回路:电机额定功率:15KW额定转速:1470 r/min额定压力:4Mpa冷却回路:电机额定功率:2.2 KW额定转速:1400 r/min额定压力:0.4Mpa第二章系统安装说明为保证系统散热,系统应安装在通风良好、远离热源的环境中。
本系统主要由三部分组成,第一部分为液压泵站部分,主要有动力源、压力调节元件、冲洗回路、冷却回路组成;第二部分为蓄能器组,该部分由四个容量为一百升的蓄能器组成,工作过程中为系统提供瞬间大流量和断电后为关键油缸的回位提供压力油;第三部分为现场的阀块,阀块现场布置,使得系统的执行机构响应较快。
这三部分通过管道连接在一起,实现系统的功能。
系统电气接线及液压配管完成后,检查油箱是否清洁?没有问题开始向油箱内加油,液压油推荐采用长城牌46#或32#抗磨液压油(依据温度),加油必须用专用的滤油小车,油位以加到油标上限为宜。
主油泵采用德国REXROTH生产的变量柱塞泵,该泵转动前必须向泵壳内灌油,保证泵的润滑和冷却。
主回路电机和冲洗回路电机均为三相380VAC,三角型接法。
油箱加油、接线确认无误后点动,判断电机转向是否与电机上的转向标记相符,如不符,换接电线中的任意两相就可以改变电机的旋转方向。
冷却回路电机和风冷机电机均为三相380VAC,星型接法。
油箱加油、接线确认无误后点动,判断电机转向是否与电机上的转向标记相符,如不符,换接电线中的任意两相就可以改变电机的旋转方向。
推车机液压站使用说明书
武汉电力设备厂
一、概述
1、用途
该液压系统适用于翻车机配套设备重车调车机以及其它列车牵引设备的牵车臂的提升和落下。
另外它也可适用于各种不同需要提升或落下重物的场合。
2、组成
该液压系统主要由15kW卧式电机、轴向柱塞泵、换向阀、执行机构、油箱、蓄能器等装置组成。
该液压系统采用集成式设计,体积小,结构紧凑,无渗漏,易维护,操作简便、可靠。
二、液压系统主要性能参数
1、系统额定压力16MPa
2、系统流量68L/min
3、起落臂工作压力13~15MPa
4、摘钩工作压力2MPa
5、充氮压力 4.5MPa
6、电机功率15kW
7、电机转速1470r/min
8、抬臂时间10S
9、落臂时间8S
10、摘钩时间<2S
12、有效容积605L
14、油液YA-N32
三、液压系统工作原理及概况
1、原理(参见设备厂家提供的图纸)
本系统主要有以下三个作用:抬落臂、摘钩。
柱塞泵(10)通过弹性联轴器(11)从电机(12)得到机械能后,经滤油器(9)从油箱(1)吸油然后泵的两个出口分别输出压力油P1、P2。
P1、P2的压力分别由卸荷阀(14)和(15)调定。
压力油P1经卸荷阀(14)至集成块(20),压力油分两路,一路经叠加阀(21)(22)(23)(24)至摆动油缸;另一路经叠加阀(34)(33)(32)(31)至平衡油缸,摆动油缸、平衡油缸联动,完成大臂抬落。
压力油P2经卸荷阀(14)分两路,分别完成提销。
蓄能器(26)在抬臂时蓄能,落臂时释放能量,并为平衡油缸提供背压及补充循环油。
2、工作概况(参见原理图)
(1)启动电机(12)5DT得电,车臂落下,到位后5DT失电,3DT得电制动抱闸打开调车机接车。
(2)将重车牵至翻车机上定位3DT失电制动。
2DT得电提后钩销到位,2DT失电。
3DT得电调车前行一段,将车辆送到迁车台后3DT失电,1DT得电提前钩,到位后1DT失电,调车机停止,3DT 得电调车机返回3DT失电调车机停止,4DT,6DT得电,车臂抬起到位,4DT、6DT失电,调车机返回,开始下一循环。
四、液压系统调试
1、泵站接通电源,并将泵站电机接上地线。
2、取下泵站空气滤清器,由此口向油箱注入清洁工作油(粘度18—38mm2/S),至油位计上限(油箱容积约605升)。
3、拧松(不准拧下)整个液压系统中最高一处或几处管道连接螺纹,作液压系统排空气用。
4、将泵站卸荷阀、溢流阀全开(即反时针转动手柄至极限位置),节流阀全开(即手柄反时针转到极限位置),此时,泵站输出油压力最小、流量最大。
5、起动电动机,泵站投入运行。
待放气处的螺纹有油泄出后,则将该螺纹拧紧,注意放气处,这时必须一一检查不得遗漏。
6、巡视检查液压系统各部件及管道是否有泄漏,如有应查明原因并处理,应保证整个系统无任何泄漏,并观察泵站运转是否有异常,若有应处理。
7、系统空载运行15分钟左右停车,再往油箱内注入与上次相同牌号的油液,并达到油位计上限,(由于管道长原注入的油液进入管道及油缸后,油位必定下降应补油)。
8、往蓄能器内充氮气(注意关闭蓄能器与回油管间截止阀)。
9、重新起动泵站进行压力调节。
9.1调压时,顺时针缓慢旋动卸荷阀、溢流阀手轮,应注意尽量使油压力从低到高变化,逐步调节达到设计工作压力。
9.2调节压力时,应同时调节压力表进口节流阀开关的开口度,使表针振摆最小。
10. 系统速度调试:
系统速度调试应逐个回路进行,在调试时电磁换向阀宜用手动操纵,在调试过程中所有元件及管道应无泄漏和异常振动,执行元件应准确、灵敏、可靠。
10.1调试前后摘钩缸及制动。
10.2 调试车臂升降速度时,应先以低速进行,起停最好用“点动”使之平稳,无冲击振动,无卡涩现象。
然后逐级提高速度,使之达到设计要求。
五、使用维护及故障排除
1、液压系统在工作过程中,油温会升高,油温在35°C~60°C 范围都属正常,控制油温不超过60°C。
2、油箱中液压油应保持正常油位,油位下降时应及时补油;油位下降过多时应检查是否管道有泄漏。
3、使用推荐的油液YA—N46,50°C时其过滤精度≤30μ。
若条件限制可用20#液压油、透平油或20#机械油,但应充分注意防火安全。
4、液压油应经常保持清洁。
4.1泵站上不积聚尘土和水。
4.2清洗泵站时,要极力防止布屑,尘砂进入油箱。
4.3经常检查清洗滤油器。
4.4补油、换油要过滤后注入油箱。
4.5油液需要定期检查和更换,一般一年换一次油,如果环境高温高湿,灰尘多,需要相应缩短换油周期。
4.6如果条件许可,最好每季度都将油液过滤一次,并保证过滤精度≤30μ。
5、系统使用过程中,尽量保持电磁阀工作电压稳定,否则可能会导致线圈过热。
6、易损零件,为密封圈等,应经常有备品,以便及时更换。
7、液压系统运行一年后进行检修(在运行过程中也应注意),检修项目:
7.1油液品质及清洁度。
7.2电机、油泵、换向阀、油缸等的磨损情况,所有密封件应全部更换。
7.3蓄能器质量,皮囊是否损坏老化、是否有漏油漏气等。
7.4电器、电线的绝缘程度。
7.5胶管及接头的质量,接头密封件应更换。
8、液压系统常见故障及排除方法:
故障现象1.
噪音严重
故障现象2.
压力不足或完全无压力
故障现象3.
流量太小或完全不流油
故障现象4.
油温过高
故障现象5.
油缸工作乏力
主要元件故障
六、技术安全事项
在液压系统的安装、使用、维护中,必须切实注意技术安全,否则会引起伤亡事故。
1、凡是高速运转的元件,均应加安全罩。
2、所有连接螺钉、销都必须装上,拧紧。
3、检查用的压力计等仪表,必须放在便于观察的地方。
4、当系统发生故障或事故时,禁止在系统运行工作的条件下进行检查和调整。
5、系统调试时,不允许靠近高压管道。
6、系统内即使发生微小或局部喷泻现象,也应停机修理,不能直接用手去堵塞。
7、蓄能器注入气体后,各部分绝对不准拆开及松动螺钉,以免发生危险。
充气及检查充气压力,应在技术人员指导下进行。