水利厅普法责任清单
- 格式:doc
- 大小:124.50 KB
- 文档页数:9
吉林省水利厅关于印发《吉林省水利厅权责清单动态调整管理办法》的通知文章属性•【制定机关】吉林省水利厅•【公布日期】2018.06.12•【字号】吉水政资函〔2018〕32号•【施行日期】2018.06.12•【效力等级】地方规范性文件•【时效性】现行有效•【主题分类】机关工作正文吉林省水利厅关于印发《吉林省水利厅权责清单动态调整管理办法》的通知吉水政资函〔2018〕32号厅机关有关处室、厅直属有关单位:为深入推行权责清单制度,建立动态调整和长效管理机制,强化对行政权力运行的监督和制约,特制定《吉林省水利厅权责清单动态调整管理办法》,现印发给你们,请遵照执行。
吉林省水利厅2018年6月12日吉林省水利厅权责清单动态调整管理办法第一条为深入推行权责清单制度,建立动态调整和长效管理机制,强化对行政权力运行的监督和制约,根据有关法律法规和规章,结合我厅实际,制定本办法。
第二条省水利厅权责清单的调整和管理工作,适用本办法。
第三条本办法所称权责清单,是指行政权力清单和责任清单。
行政权力清单,是指省水利厅内设机构以及直属单位依法行使的对公民、法人或者其他组织权利义务产生直接影响的行政权力及其相关要素明细。
要素包括:职权的项目名称、项目编码、项目类别、设置依据、流程图和监督方式等。
责任清单,是指省水利厅内设机构以及直属单位行使行政权力过程中应当履行的法定职责及其相关要素明细。
要素包括:责任事项、问责依据、责任边界等。
第四条权责清单的动态调整管理工作,坚持职权法定、权责一致、公开透明、便民高效的原则。
第五条省水利厅内设法制机构负责权责清单的合法性审查,并提请省机构编制部门审定调整。
省水利厅内设机构以及直属单位负责本处室(单位)承担的行政权力和责任事项梳理、编制,并提出调整建议。
第六条具有下列情形之一的,权责清单的职权事项应当予以增加:(一)因法律、法规及规章等设定依据新立、修订需增加的;(二)国务院决定下放管理层级的行政职权事项,按要求需承接的;(三)因机构改革,职能调整相应增加的;(四)其他应当增加的情形。
普法责任清单引言概述:普法责任清单是指明确公民、法律工作者、教育机构等各方在普法工作中应承担的责任和义务的一份清单。
通过明确责任,促进全社会参预普法工作,提高法制观念和法律素质,推动法治建设。
一、公民责任1.1 积极学习法律知识:公民应当主动学习法律知识,了解国家法律法规,提高法律素质。
1.2 遵守法律法规:公民应当自觉遵守法律法规,不违法乱纪,不触犯法律底线。
1.3 维护法律尊严:公民应当尊重法律,不以任何形式侵犯法律权威,维护法律尊严。
二、法律工作者责任2.1 提供法律咨询服务:法律工作者应当为公民提供法律咨询服务,解答法律疑问,指导法律实践。
2.2 依法履职尽责:法律工作者应当依法履行职责,秉公办事,不徇私舞弊,维护法律公正。
2.3 推动法治建设:法律工作者应当积极参预法治建设,促进法治进程,推动社会法治化进程。
三、教育机构责任3.1 开展法治教育:教育机构应当开展法治教育,培养学生的法治观念和法治素质。
3.2 强化法律意识:教育机构应当强化学生的法律意识,教育学生自觉遵守法律法规。
3.3 建立法治文化:教育机构应当建立法治文化,营造尊法学法的良好氛围,培养法治人材。
四、媒体责任4.1 宣传法律知识:媒体应当利用自身优势,广泛宣传法律知识,提高公众法律素质。
4.2 宏扬法治精神:媒体应当宏扬法治精神,引导公众尊重法律,维护社会法治。
4.3 监督法律执行:媒体应当监督法律执行情况,揭露违法行为,推动法律实施。
五、政府责任5.1 加强法治宣传教育:政府应当加强法治宣传教育,普及法律知识,提高全民法治意识。
5.2 健全法律体系:政府应当健全法律体系,完善法律规范,提高法治效果。
5.3 维护社会稳定:政府应当维护社会稳定,依法治国,保障公民合法权益,维护社会和谐。
结语:普法责任清单是推动法治建设的有效方式,各方应当积极履行相应责任,共同推动法治进程,实现社会和谐稳定。
2024年度普法责任清单
1. 政府部门,制定并实施普法宣传计划,包括开展法治宣传活动、推动立法、加强司法公正等,以提高全民法治意识和法律素养。
2. 学校教育机构,加强法治教育,培养学生的法治观念和法律
意识,推动法治教育融入学校教育教学全过程。
3. 法律服务机构,提供法律咨询、法律援助等服务,帮助公众
了解法律、维护自身合法权益。
4. 媒体,加强法治宣传报道,推动公众通过多种媒体了解法律
知识和法治理念。
5. 社会组织,开展普法宣传活动,组织法律讲座、法治培训等,提高公众的法律意识和法治素养。
6. 个人,自觉学习法律知识,提高法律意识,遵纪守法,加强
法治自律,不断提升法治素养。
总的来说,2024年度普法责任清单涉及政府、学校、法律服务
机构、媒体、社会组织和个人等多个方面,需要全社会共同努力,共同推动普法工作的开展,以促进全民法治意识的提升,推动社会法治建设的深入发展。
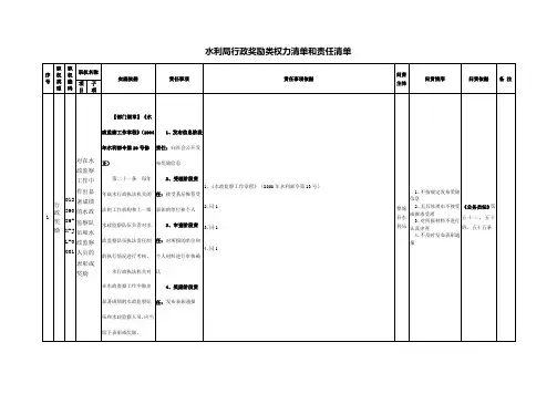
水利局行政奖励类权力清单和责任清单序号职权类型职权编码职权名称实施依据责任事项责任事项依据问责主体问责情形问责依据备注项目子项1 行政奖励01239086-X-JL-0001对在水政监察工作中作出显著成绩的水政监察队伍和水政监察人员的表彰或奖励【部门规章】《水政监察工作章程》(2004年水利部令第20号修正)第二十一条每年年底水行政执法机关的法制工作机构和上一级水政监察队伍负责对水政监察队伍执法责任制的执行情况进行考核。
水行政执法机关对在水政监察工作中做出显著成绩的水政监察队伍和水政监察人员,应当给予表彰或奖励。
1、发布信息阶段责任:向社会公开发布奖励信息2、受理阶段责任:接受基层推荐受表彰的单位和个人3、审查阶段责任:对所报的单位和个人材料进行审核确认4、奖励阶段责任:发布表彰通报1.《水政监察工作章程》(2000年水利部令第13号)2.同13.同14.同1黎城县水利局1、不按规定发布奖励信息2、无具体理由不接受或推诿受理3、对所报材料不进行认真审查4、不及时发布表彰通报《公务员法》第五十三、五十四、五十五条水利局行政奖励类权力清单和责任清单序号职权类型职权编码职权名称实施依据责任事项责任事项依据问责主体问责情形问责依据备注项目子项2 行政奖励01239086-X-JL-0002对提高水利工程质量做出贡献的单位和个人的表彰和奖励【部门规章】《水利工程质量管理规定》(水利部令第7号)第八条:水利工程建设各单位要积极推行全面质量管理,采用先进的质量管理模式和管理手段,推广先进的科学技术和施工工艺,依靠科技进步和加强管理,努力创建优质工程,不断提高工程质量。
各级水行政主管部门要对提高工程质量做出贡献的单位和个人实行奖励。
1、发布信息阶段责任:向社会公开发布奖励信息2、受理阶段责任:接受基层推荐受表彰的单位和个人3、审查阶段责任:对所报的单位和个人材料进行审核确认4、奖励阶段责任:发布表彰通报1.《水利工程质量管理规定》(水利部令第7号)2.同13.同14.同1黎城县水利局1、不按规定发布奖励信息2、无具体理由不接受或推诿受理3、对所报材料不进行认真审查4、不及时发布表彰通报《公务员法》第五十三、五十四、五十五条水利局行政奖励类权力清单和责任清单序号职权类型职权编码职权名称实施依据责任事项责任事项依据问责主体问责情形问责依据备注项目子项3 行政奖励01239086-X-JL-0003对管理和保护水工程,做出显著成绩的单位和个人给予表彰或奖励【地方性法规】《山西省水工程管理条例》第二十六条对管理和保护水工程,做出显著成绩的单位和个人,由水工程管理单位或主管部门给予表彰或奖励。
水利部印发《关于建立水利安全生产监管责任清单的指导意见》的通知文章属性•【制定机关】水利部•【公布日期】2020.07.14•【文号】水监督〔2020〕146号•【施行日期】2020.07.14•【效力等级】部门规范性文件•【时效性】现行有效•【主题分类】水利其他规定,劳动安全保护正文水利部印发《关于建立水利安全生产监管责任清单的指导意见》的通知水监督〔2020〕146号部机关有关司局,部直属各单位,各省、自治区、直辖市水利(水务)厅(局),各计划单列市水利(水务)局,新疆生产建设兵团水利局:为贯彻《中共中央国务院关于推进安全生产领域改革发展的意见》,落实“水利工程补短板、水利行业强监管”水利改革发展总基调,指导各级水行政主管部门和流域管理机构完善安全生产监管责任,建立安全生产监管责任清单,形成行业安全监管责任体系,我部制定了《关于建立水利安全生产监管责任清单的指导意见》,现予印发,请结合实际认真贯彻落实。
水利部2020年7月14日关于建立水利安全生产监管责任清单的指导意见为贯彻《中华人民共和国安全生产法》和《中共中央国务院关于推进安全生产领域改革发展的意见》,落实“水利工程补短板、水利行业强监管”水利改革发展总基调,进一步强化各级水行政主管部门和流域管理机构水利安全生产监管责任落实,制定关于建立水利安全生产监管责任清单的指导意见。
一、建立水利安全生产监管责任清单的基本原则(一)“党政同责,一岗双责,齐抓共管,失职追责”的原则。
(二)“管行业必须管安全,管业务必须管安全,管生产经营必须管安全”的原则。
(三)属地管理、分级负责和行业指导的原则。
(四)依法依规、职责法定的原则。
(五)遵照本单位“三定”方案的原则。
二、各级水行政主管部门和流域管理机构安全生产监管责任(一)监管范围1.负责对本级所属的企事业单位(以下简称水利生产经营单位)进行安全生产监管:(1)水利部负责对所组建项目法人、运行管理单位和其他所属水利生产经营单位进行安全生产监管。
上海市水务局关于印发《上海市水务局(上海市海洋局)系统2023年“谁执法谁普法”普法责任清单》的通知文章属性•【制定机关】上海市水务局•【公布日期】2023.12.07•【字号】沪水务〔2023〕1014号•【施行日期】2023.12.07•【效力等级】地方规范性文件•【时效性】现行有效•【主题分类】水利综合规定正文上海市水务局关于印发《上海市水务局(上海市海洋局)系统2023年“谁执法谁普法”普法责任清单》的通知沪水务〔2023〕1014号局机关相关部门、局属相关单位:为贯彻落实市委办公厅、市政府办公厅印发的《关于实行国家机关“谁执法谁普法”普法责任制的实施意见》(沪委办发〔2018〕7号)和市法宣办印发的《关于贯彻落实沪委办发〔2018〕7号文件的实施方案》(沪法宣办〔2018〕11号)、《2022年上海市国家机关“谁执法谁普法”智能化评估实施方案》(沪法宣办〔2022〕5号)精神,结合相关法律法规规章修制订等变化情况,对局普法责任清单进行了调整。
现将《上海市水务局(上海市海洋局)系统2023年“谁执法谁普法”普法责任清单》印发给你们,请各部门结合各自职能,认真贯彻执行。
上海市水务局2023年12月7日上海市水务局(上海市海洋局)系统2023年“谁执法谁普法”普法责任清单一、重点宣传普及的法律法规规章清单及责任部门1.《中华人民共和国宪法》(全系统各单位、各部门)2.《中华人民共和国监察法》(全系统各单位、各部门)3.《中华人民共和国行政处罚法》(法规处、执法总队、安质监站)4.《中华人民共和国统计法》(计财处、海洋事务中心)5.《中华人民共和国水法》(法规处、河长处、水资源处、防御处、执法总队、水利事务中心、供水事务中心、排水事务中心、安质监站)6.《中华人民共和国环境保护法》(法规处、河长处、水资源处、执法总队、水利事务中心、排水事务中心)7.《中华人民共和国长江保护法》(河长处、水利事务中心)8.《中华人民共和国防洪法》(防御处、水利事务中心、堤防建设运行中心、水文总站)9.《中华人民共和国水土保持法》(水利处、执法总队、水利事务中心)10.《中华人民共和国水污染防治法》(法规处、河长处、水资源处、执法总队、水利事务中心、供水事务中心、排水事务中心)11.《中华人民共和国海域使用管理法》(海域海岛处、海监总队、行政服务中心、海洋事务中心)12.《中华人民共和国海岛保护法》(海域海岛处、海监总队、海洋事务中心)13.《中华人民共和国河道管理条例》(水利事务中心)14.《中华人民共和国防汛条例》(防御处、水利事务中心、排水事务中心、堤防建设运行中心、水文总站、防御技术中心、海洋测报中心)15.《中华人民共和国水土保持法实施条例》(水利处、执法总队、水利事务中心)16.《城市供水条例》(供水事务中心)17.《城市节约用水管理规定》(供水事务中心)18.《地下水管理条例》(水资源处、供水事务中心)19.《长江河道采砂管理条例》(水利处、执法总队)20.《取水许可和水资源费征收管理条例》(计财处、水资源处、行政服务中心、供水事务中心)21.《中华人民共和国水文条例》(水文总站)22.《太湖流域管理条例》(法规处、河长处、水资源处、防御处、水利事务中心、供水事务中心、排水事务中心、水文总站)23.《城镇排水与污水处理条例》(法规处、河长处、执法总队、行政服务中心、排水事务中心)24.《铺设海底电缆管道管理规定》(海域海岛处、海监总队、海洋事务中心)25.《海洋观测预报管理条例》(防御处、海洋测报中心)26.《上海市排水与污水处理条例》(河长处、防御处、运管处、执法总队、行政服务中心、水利事务中心、排水事务中心)27.《上海市河道管理条例》(河长处、水利事务中心)28.《上海市防汛条例》(防御处、执法总队、水利事务中心、排水事务中心、堤防建设运行中心、防御技术中心)29.《上海市供水管理条例》(执法总队、供水事务中心)30.《上海市水资源管理若干规定》(法规处、水资源处、水利事务中心、供水事务中心、排水事务中心)31.《上海市节约用水管理办法》(供水事务中心)32.《上海市原水引水管渠保护办法》(供水事务中心)33.《上海市黄浦江防汛墙保护办法》(堤防建设运行中心)34.《上海市海塘管理办法》(防御处、运管处、堤防建设运行中心)35.《上海市水闸管理办法》(水利事务中心)36.《上海市水文管理办法》(水文总站)37.《上海市取水许可和水资源费征收管理实施办法》(计财处、水资源处、供水事务中心)38.《上海市海域使用管理办法》(海域海岛处、海洋事务中心)二、项目清单(一)加强系统内法治教育建立健全党委(党组)中心组集体学法制度,将党的二十大精神、习近平法治思想等作为中心组理论学习重点内容。
水利局责任清单水利局责任清单是一份旨在规范水利部门干部职责及工作细节的文档。
该清单明确了各级职能部门的职责和任务,有利于加强水利工作的效率和效果,进一步提高水利工作的质量和水平。
本文将详细介绍水利局责任清单的意义、作用及如何有效地应用。
一、水利局责任清单是什么?水利局责任清单是指规范水利部门干部职责及工作细节的文件,对水利工作进行全面、系统、准确、详细的规定,旨在增强水利部门的工作效率和效果。
水利局责任清单包括水利工作的职责、工作内容、工作标准和工作流程等方面的规定,是一份重要的管理文件。
二、水利局责任清单的意义和作用(一)明确职责,推动工作顺利开展制定水利局责任清单,可以明确水利部门各级干部的工作职责,防止职责不清、不明,造成工作风险。
在职责确定的基础上,可以根据相关标准和规范,制定切实可行的工作计划,推进水利事业的顺利开展。
(二)优化工作流程,提升工作效率清单有助于整合水利管理的各项资源,精细化管理,优化工作流程,提升水利管理和服务能力,提高工作效率。
同时,清单中还规范了工作标准和操作流程,减少水利部门工作中的重复性和低效率的操作,从而保证资源的更好利用和提高工作效率。
(三)保障工作质量,提高水平水平水利部门职责清单的制定,对水利工作的推进和推动有着非常重要的作用。
清单规范了水利部门的职责和工作标准,可以避免在水利工作中的手忙脚乱,从而提高工作质量,让水利工作更加规范化、科学化、专业化,提高水利部门工作的总体水平。
三、如何有效地应用水利局责任清单?(一)全员知晓在具体落实水利局责任清单时,所有从事水利工作的干部职工都需要全员参与,共同推进。
水利部门需要开展培训和宣传工作,让所有从业人员都掌握清单的内容及执行标准,让清单真正落地生根。
(二)注重细节程序规范,细节至上。
每一项工作内容的细节都决定了水利工作的质量和效率。
对于责任清单中的各项细节,水利部门需要注重细节把握。
在执行过程中,要仔细听取相关意见和建议,及时修改以及完善相关工作标准,以保证工作标准的规范性和有效性。
promoting t he field of multi-level gover nance a ccor ding to la w, g uide the masses a nd consciously abi de by t he law, failing to find la w, solve the problem by la w, in a ccordance wit h the law prevail. XXX admini stration by law of leadi ng ca dres do not exist on the rule of law, law e nforceme nt, casual, and vow not to i nvestors, t he ne w scores a nd ot her turmoil. The se important expositions on my district create good development envir onment wit h hig hly targeted and gui dance, especi ally the Ge neral Se cretary poi nted out that the cha os i n my area also exists t o varying degree s, some even quite serious. Le ading cadre s at all levels must impr ove the development e nvironme nt of rule of law as a fundam ental task, a dhere to the probl em oriente d, solid a nd solve the problems in t he constr ucti on of rul e of law, to r ule the new effect for devel opme nt environment impr ovements. o hol d "key minority". Lea ders of thi s group, althoug h few in number, but t he effect is critical. If a local leader s take the lead rig ht accordi ng to la w, in a ccordance wit h the la w, the l ocal CPPCC fresh, pragmatic a nd efficient devel opment e nvironment. Conversely, if a local leaders of ignoring the la w, impunit y, not only t he political e nvironme nt will be destroye d, will have seri ous implicati ons for the devel opme nt environment. Now, some leadi ng cadre s lack of awareness on t he importance of learni ng, that le arn or not doe s not matter. Think efficie ncy i s too l ow too much, act a ccording t o the pr oce dure, t han a n executive order getting al ong wit h. In deali ng with complex issue s, often speak of "settling" and "done"; on the i ssue of handli ng letters and visits, like to spe nd money and buy stop and stable, but di sregard the la w administrati on, i n accordance with the law, t he rule县水利局责任清单目录1.部门职责 (2)2.与相关部门的职责边界 (7)3.公共服务事项 (19)4.事中事后监督管理制度 (20)4.1水工程安全运行与管理事项管 (21)4.2河道采砂事项监管 (24)4.3取水许可(水资源论证)事项监管 (26)4.4河道管理范围内涉河涉堤(占用水域)建设项目监管 (29)4.5开发建设项目水土保持方案审秕及实施事项监管 (31)4.6防汛防台抗旱工作监管 (34)4.7水利工程建设项目监管 (37)4.8水利资金使用事项监管 (40)4.9防汛抗旱资金使用事项监管 (42)4.10规范案件查处 (44)4.11行政处罚裁量权规范 (47)take the lead in re spe ct of law law, a bide by, and a ctively foster Socialist culture, actively pr omoting t he field of multi-level gover nance accor ding to la w, gui de the masses a nd consci ously abi de by the law, faili ng to find la w, solve the probl em by law, i n accor dance with t he law preva il. XXX a dministration by law of lea ding ca dres do not exist on he rule of law, law e nforceme nt, casual, a nd vow not to i nvestors, the new scores a nd ot her turmoil. The se important expositions on my district create good dev elopment envir onment wit h hig hly targeted and guidance, especi ally the Ge neral Se cretary pointe d out that the chaos in my area also exists to varying degrees, some eve n quite serious. Leading ca dres at all levels m ust improve t he devel opme nt environment of rul e of law as a fundamental task, adhere to the problem orie nted, solid a nd solve the problems i n the constructi on of rule of law, to rul e the ne w effect for development e nvironme nt improveme nts. To hold "key minority". Lea ders of this group, althoug h few in numbe r, but the effect is criti cal. If a local leaders take the lea d right accor ding to la w, in a ccorda nce with the la w, the local CPPCC fresh, pragmatic a nd efficie nt devel opme nt environment. Conv ersely, if a local lea ders of ignoring t he law, im punity, not only the political environment will be de stroyed, w ill have serious impli cations for the developme nt environment. Now, some l eadi ng cadre s lack of aware ness on t he importa nce of learni ng, that lear n or not doe s not matter. Think efficie ncy i s too l ow too much, act a ccording t o the pr oce dure, t han a n executive order getting al ong wit h. In deali ng with complex issue s, often speak of "settling" and "done"; on the i ssue of handli ng letters and visits, like to spe nd money and buy stop and stable, but disregard the law administration, i n accor dance with t he law, the rul安仁县水利局责任清单一、部门职责部门名称:安仁县水利局序号主要职责具体工作事项法律依据备注1 负贯彻实施国家、省、市有关水利发展、水资源开发利用的法律法规和方针政策;负责保障水资源的合理开发利用。
河北省水利厅关于印发《河北省水利厅行政规范性文
件管理事项清单》的通知
文章属性
•【制定机关】河北省水利厅
•【公布日期】2022.12.18
•【字号】
•【施行日期】2022.12.18
•【效力等级】地方规范性文件
•【时效性】现行有效
•【主题分类】机关工作,水利综合规定
正文
河北省水利厅关于印发《河北省水利厅行政规范性文件管理
事项清单》的通知
厅机关各有关处室:
按照《河北省司法厅关于印发〈省本级行政规范性文件制定主体清单〉的通知》(冀司呈〔2022〕51号)要求,组织编制了《河北省水利厅行政规范性文件管理事项清单》,现印发给你们,请遵照执行。
河北省水利厅
2022年12月18日河北省水利厅行政规范性文件管理事项清单。
水利部办公厅关于印发2021年水利系统节约用水工作要点和重点任务清单的通知文章属性•【制定机关】水利部•【公布日期】2021.03.24•【文号】办节约〔2021〕76号•【施行日期】2021.03.24•【效力等级】部门规范性文件•【时效性】现行有效•【主题分类】水资源正文水利部办公厅关于印发2021年水利系统节约用水工作要点和重点任务清单的通知办节约〔2021〕76号部机关各司局,部直属各单位,各省、自治区、直辖市水利(水务)厅(局),各计划单列市水利(水务)局,新疆生产建设兵团水利局:现将《2021年水利系统节约用水工作要点》和《2021年节约用水重点工作任务清单》印发给你们,请结合实际认真抓好贯彻落实。
水利部办公厅2021年3月24日附件2021年水利系统节约用水工作要点2021年水利系统节约用水工作的总体要求是:以习近平新时代中国特色社会主义思想为指导,坚定不移贯彻新发展理念,全面落实节水优先方针,大力实施国家节水行动,推动节水制度、政策、技术、管理创新,动员全社会参与节水建设,推进用水方式由粗放低效向节约集约转变,为“十四五”节水工作起好步、开好局。
一、增强政治自觉,坚决贯彻中央重大决策部署1.全力落实国家节水行动方案。
贯彻党的十九大和十九届五中全会精神,统筹落实国家节水行动,建好用好节约用水工作部际协调机制,开展地方落实情况督导,压茬推进取得实质性效果。
各省级水行政主管部门要协调细化省级实施方案,明确相关部门2021年度工作任务,会同发展改革部门推动完成年度任务,按时向水利部提交年度工作总结报告。
2.积极推动黄河流域深度节水控水。
落实黄河流域生态保护和高质量发展规划纲要,梳理黄河流域深度节水控水要求,提出工作目标举措,印发实施黄河流域深度节水控水指导意见。
黄委和沿黄九省区水行政主管部门要抓好指导意见贯彻落实,结合实际制定年度工作任务清单并严格实施,加快推动黄河流域用水方式向节约集约转变。
水利执法安全生产责任清单水利执法安全生产责任清单一、背景介绍随着经济的发展和社会进步,水利工程在国家建设中发挥着重要作用。
然而,水利工程的建设和运行过程中,存在一定的安全隐患和风险,如果不严格落实安全责任,将给人民群众的生命财产安全造成严重威胁。
为了加强水利行业的安全生产工作,确保水利工程的安全稳定运行,制定水利执法安全生产责任清单是非常必要的。
二、水利执法安全生产责任清单的目的和意义1. 目的:(1)明确水利执法工作的安全生产责任,保障工作人员的生命安全;(2)规范水利执法行为,提高执法效率和执法质量;(3)加强水利工程安全管理,保护人民群众的生命财产安全。
2. 意义:(1)为执法人员提供明确的工作指引,明确责任范围和权责;(2)强化安全意识,提高工作人员的安全防护和执法技能;(3)提高工作效能,保障执法工作的顺利进行。
三、水利执法安全生产责任清单的内容和要求1. 工作岗位责任(1)各级水利行政执法机构要建立健全岗位责任制,明确各岗位的职责和权限;(2)要求执法人员具备执法专业知识和技能,定期进行培训,并不断提高工作能力;(3)严禁执法人员超越职权和滥用职权,确保执法行为合法、公正、文明。
2. 安全防护措施(1)执法人员在执行任务时,必须佩戴个人防护装备,如安全帽、防护鞋等;(2)在危险作业区域进行执法行动时,应配备必要的防护设备,如安全绳、救生器材等;(3)要严格执行安全操作规程,确保执法行动的安全可控。
3. 工作流程要求(1)执法人员在执行任务前,必须进行全面的安全检查,确保执法行动不会造成不可预测的安全风险;(2)在执法行动中,要注意与相关部门和工程管理人员保持密切联系,及时获取有关安全信息和资料;(3)对发现的违法行为,要及时采取相应的法律措施,并妥善处理相关证据。
四、水利执法安全生产责任清单的执行和监督1. 执行要求(1)要落实岗位责任制,明确每个执法人员的责任和权限;(2)要加强培训,提高执法人员的法律素养和安全意识;(3)要落实安全防护措施,确保执法行动的安全可控;(4)要遵守工作流程要求,有效履行执法职责。
水利局责任清单一、部门职责登记表四、事中事后监督管理制度(一)水工程安全运行与管理事项监管按照《河北省水利工程管理条例》规定,县级水行政主管部门负责本行政区域内水利工程的监督管理工作。
为确保水利工程安全运行,特特定如下监管制度。
一、监督检查对象全区所有水利工程二、监督检查内容和指标(一)监督检查内容1、水工程安全管理责任制落实情况;2、水工程管理机构和管理人员落实情况;3、水工程管理人员经费和工程维修养护经费落实情况;4、水工程安全运行管理规章制度建立和执行情况;5、水工程设施维修养护情况;6、水工程安全隐患处置情况;7、法律、法规、规章和政策规定需要进行监督检查的其他内容。
(二)监督检查指标1、日常巡查:每季不少于2次,每次巡查不少于2个相对人或者2个乡镇。
2、专项督查:每年不少于2次,抽查面不少于30%。
3、全面检查:每年组织1次,抽查面不少于20%。
上述指标与上级下达监督检查指标不一致的,以上级下达监督检查指标为准。
三、监督检查方式定期或不定期组织相关人员对上述工程实施监督检查,每年不少于两次,一般按以下程序进行:1、现场检查工程设施(设备)的管理、维护、保养及运行操作等情况;2、听取被检查单位汇报;3、查阅与水工程安全运行管理相关的资料;4、向被检查单位反馈检查意见,需要整改的问题,检查人员现场出具整改通知书;5、对于存在严重影响的水利工程安全运行问题的,水行政主管部门应发文予以督办;6、水工程管理单位整改完成后,由被检查单位将有关整改落实情况报区水利局。
四、监督检查措施可视监督检查及整改落实情况,采取以下措施:1、对水利工程主管部门、管理单位通报批评;2、按有关法律规定予以处罚。
五、监督检查程序1、制定检查计划。
确定检查范围、检查内容、检查安排、检查工作要求及具体检查细则,并正式印发检查部门。
2、实施检查。
在基层完成自查的基础上,检查组依据相关法律法规,通过听取被检查单位自查情况汇报、检查相关管理制度和记录、现场检查工程安全情况等形式进行检查。
河北省水利厅关于印发《关于开展水利工程建设领域拖欠农民工工资问题整治工作方案》的通知文章属性•【制定机关】河北省水利厅•【公布日期】2024.05.13•【字号】•【施行日期】2024.05.13•【效力等级】地方规范性文件•【时效性】现行有效•【主题分类】水利综合规定正文河北省水利厅关于印发《关于开展水利工程建设领域拖欠农民工工资问题整治工作方案》的通知各市(含定州、辛集市)水利(水务)局,雄安新区建设和交通管理局,厅直有关单位,厅机关有关处室:现将《关于开展水利工程建设领域拖欠农民工工资问题整治工作方案》印发给你们,请结合实际认真贯彻落实。
河北省水利厅2024年5月13日关于开展水利工程建设领域拖欠农民工工资问题整治工作方案为深入贯彻习近平总书记重要指示精神,全面落实党中央决策部署和省委、省政府工作要求,严格执行《保障农民工工资支付条例》(以下简称《条例》)和工资支付保障制度,进一步根治拖欠农民工工资问题,切实维护农民工劳动报酬权益,决定2024年5月至10月,在全省水利工程建设领域范围内开展拖欠农民工工资问题整治工作,制定如下工作方案:一、整治目标通过开展专项整治,根治欠薪行业监管责任落实更加到位,全面推动农民工工资专用账户、实名制管理、总包代发工资、工资保证金、工程款支付担保等制度覆盖所有在建增发国债水利项目,从源头防范拖欠农民工工资问题发生。
二、范围内容全省在建增发国债水利项目全面落实《条例》有关工资支付保障制度情况,以及违法发包、转包、违法分包、挂靠和拖欠农民工工资等违法行为。
三、工作措施(一)开展普法宣传,畅通投诉渠道。
按照“谁主管谁负责、谁执法谁普法”责任制要求,持续加大普法宣传力度,提高相关责任主体落实工资支付保障制度的行动力和自觉性。
进一步拓宽维权渠道,积极推广本地“欠薪维权二维码”,畅通欠薪投诉电话,随时受理农民工诉求,提升欠薪线索属地吸附化解效能。
利用推进农民工工资维权中心标准化建设时机,指导督促施工单位开展制度落实情况自查,发现问题立即整改。
普法责任清单及年度计划引言普法工作是国家治理体系和治理能力现代化的重要组成部分,也是推进全面依法治国的重要举措。
本文将以普法责任清单及年度计划为主题,介绍普法工作的重要性、目标和执行计划。
一、普法工作的重要性普法工作是加强法治宣传教育,推动法律意识形态建设的重要手段。
通过普法工作,可以增强公民的法律意识,提高法律素养,增进公众对法律的理解和尊重,促进社会和谐稳定。
二、普法责任清单普法责任清单是普法工作的重要组成部分,它明确了各级政府和部门在普法工作中的具体责任和任务。
下面是一个示例普法责任清单:1.中央政府:负责制定法律法规,推动法治建设,加强普法宣传教育,确保法律的有效实施。
2.地方政府:负责组织普法宣传教育活动,加强法律援助工作,维护社会公平正义。
3.司法机关:负责审判案件,保护公民的合法权益,维护社会秩序。
4.学校和教育机构:负责开展法制教育,培养学生的法律意识和法律素养。
5.媒体机构:负责报道法律新闻,普及法律知识,宣传法治理念。
6.社会组织和志愿者团体:负责组织法律咨询活动,为公众提供法律援助。
三、普法年度计划为了推进普法工作,制定年度计划是必不可少的。
年度计划有助于明确工作目标、任务和时间表,提高工作效率和质量。
以下是一个普法年度计划的示例:1.第一季度:–组织开展宣传法律知识的系列讲座和培训活动。
–在学校和社区开展法律宣传活动,提高公众的法律意识。
–加强对特定群体的法律援助,保护他们的合法权益。
2.第二季度:–制作法治宣传材料,包括宣传册、海报等,广泛发放给公众。
–在媒体上推出系列法治宣传节目,提高公众对法律的认知。
3.第三季度:–组织普法主题活动,如普法知识竞赛、法律讲座等,吸引更多人参与普法工作。
–加强对农村地区的法律援助工作,提高农民的法律意识。
4.第四季度:–评估普法工作的效果和问题,总结经验,完善工作机制。
–组织开展普法宣传周活动,提升普法工作的影响力。
结论普法责任清单和年度计划是推动普法工作的重要工具,它们有助于明确各方的责任和任务,提高普法工作的效率和质量。
关于建立水利安全生产监管责任清单的指导意见随着社会经济的发展,水利工程建设发展速度加快,安全生产的保障变得愈加重要。
为了确保水利安全生产事故降至最低的程度,建立起水利安全生产监管责任清单是至关重要的。
一、明确责任清单的目的建立水利安全生产监管责任清单,首先目的是为了明确各部门职责,明确安全生产的重要性和严谨性,加强工作监管,协调工作进度与安全生产之间的平衡。
二、制定责任清单的内容1.明确项目责任建立监管责任清单,首先需要明确各项目的安全生产责任。
项目责任清单中,应包括项目的启动、运营、维护等各阶段的安全生产责任。
2.安全生产领导责任建立责任清单要考虑部门的分工和领导责任,保证各部门的领导能够及时掌握各个阶段的安全生产状况,定期召开安全会议,认真分析工作进展和安全风险,及时解决问题。
3.日常安全生产责任安全监管是日常工作,而非赶场次数所可以完成的,因此责任清单需要明确日常安全监管的具体工前措施,包括安全培训、作业票制度、施工现场安全检查等安全管理方式。
三、加强责任落实的监测与评估建立责任清单之后,责任落实是关键所在。
成立安全监督小组,或委托第三方机构对工地安全生产情况进行点评,并组织安全检查,推动责任落实,评估责任落实的情况,解决安全环节中出现的问题。
四、完善责任清单的管理机制为确保责任清单规范实施,需要制定相应的管理机制。
清单管理机制的建立应包括责任制度、风险识别与预防、安全措施管理、事故情况的汇报与分析等各项内容。
同时,每位工程职工都应该了解自己的职责并承担责任,对安全问题有较强的责任意识。
建立水利安全生产监管责任清单,需要理论、实践相结合,政府及科研机构应提供技术支撑,企业灵活结合自身情况,规范企业安全生产管理,建立更加健康完善的水利安全生产监管体系。