【CN109802206A】一种电化学装置【专利】
- 格式:pdf
- 大小:2.50 MB
- 文档页数:74
(19)中华人民共和国国家知识产权局(12)发明专利申请(10)申请公布号 (43)申请公布日 (21)申请号 201910332369.5(22)申请日 2019.04.24(71)申请人 兰州理工大学地址 730050 甘肃省兰州市七里河区兰工坪路287号(72)发明人 苗森春 杨士祺 刘欢 孟旭 任海翔 (74)专利代理机构 北京市邦道律师事务所11437代理人 段君峰 温雷(51)Int.Cl.H02K 7/18(2006.01)H02K 35/02(2006.01)(54)发明名称一种基于电磁感应的发电装置(57)摘要本发明属于发电设备技术领域。
为了解决偏远地区采用远程供电的方式进行用电时,存在用电成本高的问题,本发明公开了一种基于电磁感应的发电装置。
该发电装置,包括壳体、阀芯、弹性件、磁体和线圈;其中,壳体为中空结构,包括进口和出口;阀芯位于壳体内部,并且与进口形成单向阀结构,用于对进口进行开启和封堵;弹性件位于壳体内部,一端与所述阀芯连接,另一端与所述壳体保持固定连接,并且在预紧力作用下使阀芯对进口进行封堵;线圈缠绕固定在出口的下游位置,磁体的一端与阀芯连接,另一端穿过出口延伸至线圈内,并且在阀芯的带动下相对于线圈进行轴向往复移动。
本发明的发电装置可以实现偏远地区的就地自主供电,降低用电成本。
权利要求书1页 说明书4页 附图4页CN 109888974 A 2019.06.14C N 109888974A1.一种基于电磁感应的发电装置,其特征在于,包括壳体、阀芯、弹性件、磁体和线圈;其中,所述壳体为中空结构,包括进口和出口;所述阀芯位于所述壳体内部,并且与进口形成单向阀结构,用于对进口进行开启和封堵;所述弹性件位于所述壳体内部,一端与所述阀芯连接,另一端与所述壳体保持固定连接,并且在预紧力作用下使所述阀芯对所述进口进行封堵;所述线圈缠绕固定在所述出口的下游位置,所述磁体的一端与所述阀芯连接,另一端穿过所述出口延伸至所述线圈内,并且在所述阀芯的带动下相对于所述线圈进行轴向往复移动。
(19)中华人民共和国国家知识产权局(12)发明专利申请(10)申请公布号 (43)申请公布日 (21)申请号 201910350048.8(22)申请日 2019.04.28(71)申请人 江苏永冠给排水设备有限公司地址 221000 江苏省徐州市铜山经济开发区北京路东、崔庄北路北(永冠路6号)(72)发明人 吴侠 杨光 师桂英 陈涛 吴传超 晁彬毓 (74)专利代理机构 徐州创荣知识产权代理事务所(普通合伙) 32353代理人 于浩(51)Int.Cl.C25B 1/26(2006.01)C25B 9/06(2006.01)C25B 11/02(2006.01)C25B 11/10(2006.01)C25B 11/08(2006.01)(54)发明名称一种双极性电解装置(57)摘要本发明公开了一种双极性电解装置。
包括以可拆卸的方式密封固定于电解槽内并与电解电源连接的电极主体(1);电极主体包括两端的端头(2),设于两个端头之间的阳极板(3)、复合极板(4)和阴极板(5);一端的端头上焊接阳极板(3),构成阳极端,另一端的端头上焊接阴极板(5),构成阴极端,阳极板(3)和阴极板(5)之间纵横交错的安装有由阳极板和阴极板相互焊接构成的复合极板(4)。
本发明在阴极上使用铂金材料,长期作为阴极使用不会因为被还原失效,临时做阳极又具备导电性;本发明采用不对称的方式倒极,反向工作时间可以大大缩短,从而克服了现有技术中的缺陷,延长了电极的使用寿命。
权利要求书1页 说明书3页 附图2页CN 109972164 A 2019.07.05C N 109972164A权 利 要 求 书1/1页CN 109972164 A1.一种双极性电解装置,其特征在于,包括以可拆卸的方式密封固定于电解槽内并与电解电源连接的电极主体(1);所述电极主体(1)包括两端的端头(2),设于两个端头(2)之间的阳极板(3)、复合极板(4)和阴极板(5);其中一端的端头(2)上焊接阳极板(3),构成阳极端,另一端的端头(2)上焊接阴极板(5),构成阴极端,在所述阳极板(3)和阴极板(5)之间纵横交错的安装有由阳极板(3)和阴极板(5)相互焊接构成的复合极板(4)。
(19)中华人民共和国国家知识产权局(12)发明专利申请(10)申请公布号 (43)申请公布日 (21)申请号 201910332369.5(22)申请日 2019.04.24(71)申请人 兰州理工大学地址 730050 甘肃省兰州市七里河区兰工坪路287号(72)发明人 苗森春 杨士祺 刘欢 孟旭 任海翔 (74)专利代理机构 北京市邦道律师事务所11437代理人 段君峰 温雷(51)Int.Cl.H02K 7/18(2006.01)H02K 35/02(2006.01)(54)发明名称一种基于电磁感应的发电装置(57)摘要本发明属于发电设备技术领域。
为了解决偏远地区采用远程供电的方式进行用电时,存在用电成本高的问题,本发明公开了一种基于电磁感应的发电装置。
该发电装置,包括壳体、阀芯、弹性件、磁体和线圈;其中,壳体为中空结构,包括进口和出口;阀芯位于壳体内部,并且与进口形成单向阀结构,用于对进口进行开启和封堵;弹性件位于壳体内部,一端与所述阀芯连接,另一端与所述壳体保持固定连接,并且在预紧力作用下使阀芯对进口进行封堵;线圈缠绕固定在出口的下游位置,磁体的一端与阀芯连接,另一端穿过出口延伸至线圈内,并且在阀芯的带动下相对于线圈进行轴向往复移动。
本发明的发电装置可以实现偏远地区的就地自主供电,降低用电成本。
权利要求书1页 说明书4页 附图4页CN 109888974 A 2019.06.14C N 109888974A权 利 要 求 书1/1页CN 109888974 A1.一种基于电磁感应的发电装置,其特征在于,包括壳体、阀芯、弹性件、磁体和线圈;其中,所述壳体为中空结构,包括进口和出口;所述阀芯位于所述壳体内部,并且与进口形成单向阀结构,用于对进口进行开启和封堵;所述弹性件位于所述壳体内部,一端与所述阀芯连接,另一端与所述壳体保持固定连接,并且在预紧力作用下使所述阀芯对所述进口进行封堵;所述线圈缠绕固定在所述出口的下游位置,所述磁体的一端与所述阀芯连接,另一端穿过所述出口延伸至所述线圈内,并且在所述阀芯的带动下相对于所述线圈进行轴向往复移动。
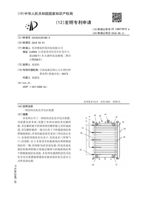
(19)中华人民共和国国家知识产权局(12)发明专利申请(10)申请公布号 (43)申请公布日 (21)申请号 201910158469.0(22)申请日 2019.03.04(71)申请人 苏州博创环保科技有限公司地址 215000 江苏省苏州市吴中区吴中大道1368号(东太湖科技金融城二期办公楼536室)(72)发明人 高前松 (74)专利代理机构 宁波高新区核心力专利代理事务所(普通合伙) 33273代理人 袁丽花(51)Int.Cl.C02F 1/461(2006.01)(54)发明名称一种封闭式电化学反应装置(57)摘要本发明公开了一种封闭式电化学反应装置。
该装置包括本体,设置于本体内部的多层解析板,多层解析板中的相邻两层解析板之间形成流道;多层解析板的一端引出若干个阳极接线柱和阴极接线柱;本体的底部设有进水口和反洗出水口,本体的顶部设有出水口、反洗进水口和排气口;控制柜,位于本体设有阳极接线柱和阴极接线柱的一侧,控制柜包括直流电源,所述直流电源的阳极和阴极分别通过铜排与阳极接线柱和个阴极接线柱电连接。
本发明实施例的封闭式电化学反应装置能够避免电极表面结垢且适应大功率直流电源。
权利要求书1页 说明书5页 附图4页CN 109879376 A 2019.06.14C N 109879376A权 利 要 求 书1/1页CN 109879376 A1.一种封闭式电化学反应装置,其特征在于,所述封闭式电化学反应装置包括:本体,用于作为电化学反应的主体;所述本体的内部设置多层解析板,所述多层解析板中的相邻两层解析板之间形成流道;所述多层解析板的一端引出若干个阳极接线柱和阴极接线柱;所述本体的底部设有进水口和反洗出水口,所述本体的顶部设有出水口、反洗进水口和排气口;控制柜,位于所述本体设有阳极接线柱和阴极接线柱的一侧,用于控制所述本体内的电化学反应;所述控制柜包括直流电源,所述直流电源的阳极通过阳极铜排与所述若干个阳极接线柱电连接,所述直流电源的阴极通过阴极铜排与所述若干个阴极接线柱电连接;盖板,位于所述本体的另一侧。
专利名称:一种电化学装置
专利类型:发明专利
发明人:靳北彪
申请号:CN201910109787.8申请日:20190211
公开号:CN109802205A
公开日:
20190524
专利内容由知识产权出版社提供
摘要:本发明公开了一种电化学装置,包括电化学区域和区域B,所述电化学区域与还原剂供送通道连通设置,所述电化学区域与氧化剂供送通道连通设置,所述电化学区域包括交变电流接电区A,所述区域B包括交变电流接电区B,所述电化学区域和所述区域B之间的电子的导出导入为工作常态。
本发明所公开的电化学装置将终结传统化学能电能转换电化学装置以电解质(例如质子交换膜和固体氧化物电解质等)的存在为必要条件的历史,也将终结这类装置无法安全可靠使用氧化剂还原剂混合物的历史,为高效、长寿命、低成本的化学能电能转换电化学装置的产业化提供了新的途径,并将重新定义发动机。
申请人:熵零技术逻辑工程院集团股份有限公司
地址:100101 北京市朝阳区北苑路168号中安盛业大厦24层
国籍:CN
更多信息请下载全文后查看。
专利名称:一种电化学装置
专利类型:发明专利
发明人:黃沛屾,方艳,任东,李明慧,沈赟,于英超申请号:CN201810775286.9
申请日:20180716
公开号:CN109037696A
公开日:
20181218
专利内容由知识产权出版社提供
摘要:本发明一般涉及电化学电池材料,例如用于锂离子电池等电池的材料。
例如,本发明的某些实施例提供了一种用于制备电化学电池电极的水性浆料或水性浆料组合物。
某些实施例中,浆料包括离子交联聚合物,粘结剂,导电添加剂,电活性材料和水的组合。
在一些实施例中,所述离子交联聚合物包括聚合物主链,一个或多个阴离子取代基(其可以位于主链和/或一个或多个侧基中)以及一个或多个阳离子。
申请人:浙江林奈新能源有限公司
地址:313100 浙江省湖州市长兴县经济开发区南庄路118号
国籍:CN
更多信息请下载全文后查看。
专利名称:一种电化学装置
专利类型:实用新型专利
发明人:吴海江,龚晨,朱家乐,杨飞英,王小明,邹利华申请号:CN201820363034.0
申请日:20180317
公开号:CN207987345U
公开日:
20181019
专利内容由知识产权出版社提供
摘要:本实用新型公布了一种电化学装置,包括镀槽,镀槽上设有回转架,回转架包括回转架转轴和回转侧板,回转侧板为三角形板,其三个顶点位置设有镀筒;镀筒包括镀筒转轴、镀筒侧板和中空的镀筒筒体,镀筒侧板设置于镀筒转轴的两端,镀筒筒体与镀筒侧板连接围成形腔结构,镀筒侧板和镀筒筒体的内侧设有导电板,导电板与电镀阴极连接,镀筒筒体上设有上下料口,上下料口处设有盖板,镀筒筒体上设有进液孔,镀筒侧板上设有从动齿轮,镀槽内侧主动齿轮,外侧设有电机,镀槽内盛有电镀液,镀槽内设有电镀阳极。
本实用新型的目的是,提供一种电化学装置,该装置能对产品连续进行电镀处理,节省了大量的时间,提高了生产效率。
申请人:邵阳学院
地址:422004 湖南省邵阳市大祥区七里坪邵阳学院
国籍:CN
更多信息请下载全文后查看。
专利名称:电化学装置
专利类型:发明专利
发明人:彭谢学,郑建明,唐超,南海洋申请号:CN202011531347.0
申请日:20190507
公开号:CN112670666A
公开日:
20210416
专利内容由知识产权出版社提供
摘要:本申请涉及电化学装置,其包括隔离膜和电解液,其中隔离膜包括第一多孔层和第二多孔层;电解液包括至少一种含有2‑3个氰基官能团的化合物,其中,所述隔离膜还包括设置在所述第一多孔层上的涂层,所述涂层包括无机粒子和聚合物中的至少一种。
申请人:宁德新能源科技有限公司
地址:352100 福建省宁德市蕉城区漳湾镇新港路1号
国籍:CN
代理机构:北京律盟知识产权代理有限责任公司
代理人:林斯凯
更多信息请下载全文后查看。
(10)申请公布号 (43)申请公布日 2013.04.24C N 103066332 A (21)申请号 201210587114.1(22)申请日 2012.12.28H01M 10/058(2010.01)H01M 2/06(2006.01)H01M 2/04(2006.01)H01M 2/36(2006.01)H01G 11/78(2013.01)(71)申请人天津力神电池股份有限公司地址300384 天津市西青区滨海高新技术产业开发区(环外)海泰南道38号(72)发明人熊永莲 徐圣钊 赵军峰 高俊奎(74)专利代理机构天津市三利专利商标代理有限公司 12107代理人李世萱(54)发明名称一种电化学反应器(57)摘要本发明公开了一种电化学反应器,包括一上下端开口的圆柱形中空且不带电的外壳,所述外壳内设电极性异端的极组,所述极组的上下端焊接集流体;所述外壳的一开口端密封连接一上电极盖板,另一端密封连接一下电极盖板;所述上、下电极盖板均包括一不带电的外盖板、一EPDM电极盖密封圈、一与相应的集流体焊接并与相应的外盖板及注塑件铆压连接的具有外螺纹的铆接件,所述铆接件与相应的外盖板间由相应的注塑件绝缘,所述铆接件与相应的外盖板的铆压部位设有垫片;所述上电极盖板的铆接件具有注液孔,所述电化学反应器通过所述集流体与相应的铆接件连接将所述极组的电势引出。
本发明内阻低,密封好,可满足大电流充放电,具有很好的尺寸放大空间。
(51)Int.Cl.权利要求书1页 说明书5页 附图2页(19)中华人民共和国国家知识产权局(12)发明专利申请权利要求书1页 说明书5页 附图2页(10)申请公布号CN 103066332 A*CN103066332A*1/1页1.一种电化学反应器,其特征在于,包括一上下端开口的圆柱形中空且不带电的外壳,所述外壳内设电极性异端的极组,所述极组的上下端焊接集流体;所述外壳的一开口端密封连接一上电极盖板,另一端密封连接一下电极盖板;所述上、下电极盖板均包括一不带电的外盖板、一EPDM 电极盖密封圈、一与相应的集流体焊接并与相应的外盖板及注塑件铆压连接的具有外螺纹的铆接件,所述铆接件与相应的外盖板间由相应的注塑件绝缘,所述铆接件与相应的外盖板的铆压部位设有垫片;所述上电极盖板的铆接件具有注液孔,所述电化学反应器通过所述集流体与相应的铆接件连接将所述极组的电势引出。
(19)中华人民共和国国家知识产权局(12)发明专利申请(10)申请公布号 (43)申请公布日 (21)申请号 201810336681.7(22)申请日 2018.04.12(71)申请人 华侨大学地址 362000 福建省泉州市丰泽区城东城华北路269号(72)发明人 张倩 洪俊明 黄湾 王霁 陈翔宇 (74)专利代理机构 厦门市首创君合专利事务所有限公司 35204代理人 张松亭 姜谧(51)Int.Cl.C02F 1/461(2006.01)C02F 1/72(2006.01)(54)发明名称一种电催化反应装置(57)摘要本发明公开了一种电催化反应装置,包括一电催化本体,包括从上之下依次叠加而成的阳极催化层、介质层和阴极层;和一电解槽,水平方向两端分别设有一进料口和一出料口;电催化本体沿水平方向呈蛇形折叠而形成多层结构后置于电解槽中,并浸没于连续从进料口流入且从出料口流出的含有污染物的电解质溶液中进行电催化反应,上述多层结构中的相邻二层之间具有间隙。
本发明的电催化反应装置对处理场地适应性强,可通过调节阴阳极板及介质材料的尺寸进行不同场地的适应,为电催化氧化技术的实际应用提供了重要技术手段。
权利要求书1页 说明书3页 附图2页CN 108483584 A 2018.09.04C N 108483584A1.一种电催化反应装置,其特征在于:包括一电催化本体,包括从上之下依次叠加而成的石墨烯材质的阳极催化层、多孔无纺布材质的介质层和碳布材质的阴极层;和一电解槽,为玻璃材质,水平方向两端分别设有一进料口和一出料口;电催化本体沿水平方向呈蛇形折叠而形成多层结构后置于电解槽中,并浸没于连续从进料口流入且从出料口流出的含有污染物的电解质溶液中进行电催化反应,上述多层结构中的相邻二层之间具有间隙。
2.如权利要求1所述的一种电催化反应装置,其特征在于:所述介质层的厚度为1~5mm。
3.如权利要求2所述的一种电催化反应装置,其特征在于:所述介质层的厚度为2~3mm。
(19)中华人民共和国国家知识产权局(12)发明专利申请(10)申请公布号 (43)申请公布日 (21)申请号 201910203680.X(22)申请日 2019.03.18(71)申请人 宁德新能源科技有限公司地址 352100 福建省宁德市蕉城区漳湾镇新港路1号(72)发明人 王可飞 (74)专利代理机构 北京律盟知识产权代理有限责任公司 11287代理人 林斯凯(51)Int.Cl.H01M 4/62(2006.01)H01M 10/0569(2010.01)H01M 4/587(2010.01)H01M 4/583(2010.01)H01M 4/36(2006.01)H01M 10/0567(2010.01)H01M 10/052(2010.01)H01M 10/0525(2010.01)(54)发明名称电化学装置及包含其的电子装置(57)摘要本申请涉及一种电化学装置及包含其的电子装置。
具体而言,本申请提供一种电化学装置,其包括正极、负极和电解液,其中所述负极包括碳材料和羟烷基甲基纤维素,且所述电解液包括丙酸酯。
本申请的电化学装置具有优异的循环、存储和低温性能。
权利要求书1页 说明书22页CN 109980225 A 2019.07.05C N 109980225A1.一种电化学装置,其包括正极、负极和电解液,其中所述负极包括碳材料和羟烷基甲基纤维素,且所述电解液包括丙酸酯。
2.根据权利要求1所述的电化学装置,其中所述碳材料的比表面积小于等于3m 2/g。
3.根据权利要求1所述的电化学装置,其中所述碳材料选自天然石墨和人造石墨中的一种或多种。
4.根据权利要求1所述的电化学装置,其中所述负极进一步包括硅材料、硅碳复合材料、硅氧材料、合金材料和含锂金属复合氧化物材料中的一种或多种。
5.根据权利要求1所述的电化学装置,其中所述羟烷基甲基纤维素选自羟烷基甲基纤维素钠和羟烷基甲基纤维素锂中的一种或多种,且所述烷基具有1-8个碳原子。
(19)中华人民共和国国家知识产权局(12)发明专利申请(10)申请公布号 (43)申请公布日 (21)申请号 201910186388.1(22)申请日 2019.03.13(71)申请人 杭州睿清环保科技有限公司地址 310000 浙江省杭州市杭州经济技术开发区下沙街道元成路211号2幢4楼412室(72)发明人 陈阿青 周检 (51)Int.Cl.C02F 1/461(2006.01)C02F 1/72(2006.01)C02F 101/16(2006.01)C02F 101/30(2006.01)(54)发明名称一种超低功耗的污水处理电化学反应器(57)摘要本发明属于工业废水处理技术领域。
目前,对于工业废水的处理方法主要还是采用物理沉淀和生化降解等。
虽然,电化学高级氧化方法被认为是绿色环保的污水处理技术,但是由于电化学高级氧化方法的能耗高而不能广泛的应用在各种工业废水的治理上。
针对现有技术的问题,本发明公开了一种超低功耗的污水处理电化学反应器。
反应器包括阳电极、阴电极、绝缘膜、电催化剂钛网涂层,进水口绝缘壳体,出水口绝缘壳体,密封垫,水压计和阀门。
绝缘膜、电催化剂钛网涂层交错依次排列,并与左右两侧的阴阳电极一起组成电极组件。
电极组件通过橡胶垫与出水孔口壳体一侧密封链接,进水口壳体通过橡胶垫与具有电极组件一侧的出水口壳体密封链接,在出口壳体一侧安装有水压计,进出口两侧分别有安置阀门。
本发明结构简单,可以对工业废水进行去除COD,氨氮和总氮降解处理,具有超低功耗等优点。
权利要求书1页 说明书4页 附图1页CN 109809532 A 2019.05.28C N 109809532A权 利 要 求 书1/1页CN 109809532 A1.一种超低功耗的污水处理电化学反应器,其特征在于,包括进水口绝缘壳体,电极组件,出水口绝缘壳体,密封垫,水压计和阀门,所述电极组件由阳电极、隔离模块、和阴电极组成,所述阳电极置于隔离模块的一侧,所述阴电极置于隔离模块的另一侧,所述隔离模块由绝缘膜与电催化剂钛网涂层依次交错排列组成,并且隔离模块的左面和右面都是绝缘膜,所述出水口绝缘壳体的内部中空,右面设置有出水管,并在水管上从左到右依次安置水压计和阀门,左面为密封平面,通过密封垫与所述电极组件的阴电极密封链接,所述的进水口绝缘壳体内部中空,左面设有进水管,并在进水管上安置阀门,右面为密封平面,通过密封垫与出水口绝缘壳体左面链接。
(19)中华人民共和国国家知识产权局(12)实用新型专利(10)授权公告号 (45)授权公告日 (21)申请号 201920396820.5(22)申请日 2019.03.27(73)专利权人 皖西学院地址 237012 安徽省六安市云露桥西月亮岛(72)发明人 杨梅 陈国旗 胡泽旺 李涛 (74)专利代理机构 北京科家知识产权代理事务所(普通合伙) 11427代理人 陈娟(51)Int.Cl.H01M 6/04(2006.01)(54)实用新型名称电化学装置(57)摘要本实用新型公开了一种电化学装置,包括透明箱体、铜棒和锌棒,所述透明箱体的内部固定安装有实验槽,所述实验槽的内部盛装有硫酸溶液,所述透明箱体的顶部压紧有密封盖,所述铜棒和锌棒贯穿过密封盖插入硫酸溶液内部,所述密封盖的顶部设有与铜棒和锌棒相适配的通孔,所述铜棒和锌棒之间电连接有用电器,所述铜棒和锌棒位于密封盖上部的外侧均卡紧有紧固装置,所述紧固装置包括呈封闭分布的多个连接块。
本实用新型通过连接块、第二伸缩杆、伸缩弹簧之间的配合,将铜棒和锌棒夹住,使得铜棒和锌棒更加稳定,然后第一伸缩杆支撑,定位铜棒和锌棒之间的距离,防止两者接触碰撞,提高了测量的准确性和实验效率。
权利要求书1页 说明书3页 附图3页CN 209675404 U 2019.11.22C N 209675404U权 利 要 求 书1/1页CN 209675404 U1.一种电化学装置,其特征在于:包括透明箱体、铜棒和锌棒,所述透明箱体的内部固定安装有实验槽,所述实验槽的内部盛装有硫酸溶液,所述透明箱体的顶部压紧有密封盖,所述铜棒和锌棒贯穿过密封盖插入硫酸溶液内部,所述密封盖的顶部设有与铜棒和锌棒相适配的通孔,所述铜棒和锌棒之间电连接有用电器,所述铜棒和锌棒位于密封盖上部的外侧均卡紧有紧固装置,所述紧固装置包括呈封闭分布的多个连接块,两个所述紧固装置之间固定连接有第一伸缩杆,所述第一伸缩杆与连接块的侧面固定连接,多个所述连接块两两之间连接有伸缩机构,所述连接块的两端均为空腔结构,所述伸缩机构的两端固定连接于空腔内部,所述伸缩机构包括第二伸缩杆和伸缩弹簧,所述伸缩弹簧活动套装在第二伸缩杆的外部,所述第二伸缩杆和伸缩弹簧的两端均与连接块的空腔壁固定连接。
(19)中华人民共和国国家知识产权局(12)实用新型专利(10)授权公告号 (45)授权公告日 (21)申请号 201920290772.1(22)申请日 2019.03.07(73)专利权人 济源职业技术学院地址 459000 河南省焦作市济源市济源大道中段88号(72)发明人 郑伟 侯芳 王红伟 秦凤婷 左国强 (74)专利代理机构 北京冠榆知识产权代理事务所(特殊普通合伙) 11666代理人 朱亚琦 赵慧(51)Int.Cl.G01N 27/28(2006.01)G01N 27/30(2006.01)(54)实用新型名称一种电化学分析装置(57)摘要本实用新型公开一种电化学分析装置,包括盖体、工作电极、参比电极、辅助电极和上端敞口的有底筒体,所述工作电极上端、所述参比电极上端和所述辅助电极上端分别通过安装板安装在所述盖体上,所述工作电极下端、所述参比电极下端和所述辅助电极下端分别设置在所述筒体内,所述盖体安装在所述筒体上端且封堵所述筒体的筒口。
本实用新型可以在无需提供惰性气体氛围下进行无氧检测,减少获取惰性气体氛围的麻烦,同时还省去了获得惰性气体的成本,适用于在非实验环境下进行无氧检测操作。
权利要求书1页 说明书4页 附图3页CN 209624461 U 2019.11.12C N 209624461U权 利 要 求 书1/1页CN 209624461 U1.一种电化学分析装置,其特征在于,包括盖体(5)、工作电极(2)、参比电极(3)、辅助电极(4)和上端敞口的有底筒体(1),所述工作电极(2)上端、所述参比电极(3)上端和所述辅助电极(4)上端分别通过安装板(9)安装在所述盖体(5)上,所述工作电极(2)下端、所述参比电极(3)下端和所述辅助电极(4)下端分别设置在所述筒体(1)内,所述盖体(5)安装在所述筒体(1)上端且封堵所述筒体(1)的筒口;所述筒体(1)上端设有排液孔,所述筒体(1)外壁上安装有排液管(8),所述排液管(8)经所述排液孔与所述筒体(1)内部空腔流体导通;所述工作电极(2)上端端头、所述参比电极(3)上端端头和所述辅助电极(4)上端端头上分别安装有电极帽(6);所述盖体(5)包括第一环形盖板(5-1)、第二环形盖板(5-2)、第三环形盖板(5-3)和大于或等于两个支撑板(5-4),所述第三环形盖板(5-3)上板面与所述第二环形盖板(5-2)下板面固定连接,所述第二环形盖板(5-2)上板面与所述第一环形盖板(5-1)下板面固定连接,所述支撑板(5-4)的一端与所述第二环形盖板(5-2)内壁固定连接且所述支撑板(5-4)上板面与所述第二环形盖板(5-2)上板面齐平;所述第三环形盖板(5-3)内径小于所述第二环形盖板(5-2)的内径且所述第三环形盖板(5-3)的外径大于所述第二环形盖板(5-2)的内径,所述第二环形盖板(5-2)的内径小于所述第一环形盖板(5-1)的内径且所述第二环形盖板(5-2)的外径大于所述第一环形盖板(5-1)的内径;当所述盖体(5)安装在所述筒体(1)上端时,所述第一环形盖板(5-1)设置在所述筒体(1)外,所述第二环形盖板(5-2)和所述第三环形盖板(5-3)设置在所述筒体(1)内,所述第三环形盖板(5-3)内安装有密封垫片(7)且所述密封垫片(7)下板面与所述第三环形盖板(5-3),所述排液孔进液口位于所述第三环形盖板(5-3)上板面和下板面之间。
(19)中华人民共和国国家知识产权局
(12)发明专利申请
(10)申请公布号 (43)申请公布日 (21)申请号 201910109788.2
(22)申请日 2019.02.11
(66)本国优先权数据
201811445734.5 2018.11.29 CN
(71)申请人 熵零技术逻辑工程院集团股份有限
公司
地址 100101 北京市朝阳区北苑路168号中
安盛业大厦24层
(72)发明人 靳北彪
(51)Int.Cl.
H01M 14/00(2006.01)
(54)发明名称
一种电化学装置
(57)摘要
本发明公开了一种电化学装置,包括电化学
区域A和电化学区域B,电化学区域A与还原剂供
送通道连通,电化学区域A与氧化剂供送通道连
通,电化学区域B与还原剂供送通道连通,电化学
区域B与氧化剂供送通道连通,电化学区域A包括
交变电流接电区A,电化学区域B包括交变电流接
电区B,电化学区域A和电化学区域B之间的电子
的导出导入为工作常态。
本发明所公开的电化学
装置将终结传统化学能电能转换电化学装置以
电解质(例如质子交换膜和固体氧化物电解质
等)的存在为必要条件的历史,也将终结这类装
置无法安全可靠使用氧化剂还原剂混合物的历
史,为高效、长寿命、低成本的化学能电能转换电
化学装置的产业化提供了新的途径,并将重新定
义发动机。
权利要求书14页 说明书40页 附图19页CN 109802206 A 2019.05.24
C N 109802206
A
权 利 要 求 书1/14页CN 109802206 A
1.一种电化学装置,包括电化学区域A(1)和电化学区域B(2),其特征在于:所述电化学区域A(1)与还原剂供送通道(3)连通设置,所述电化学区域A(1)与氧化剂供送通道(4)连通设置,所述电化学区域B(2)与还原剂供送通道(3)连通设置,所述电化学区域B(2)与氧化剂供送通道(4)连通设置,所述电化学区域A(1)包括交变电流接电区A,所述电化学区域B(2)包括交变电流接电区B,所述电化学区域A(1)和所述电化学区域B(2)之间的电子的导出导入为工作常态;
或,所述电化学区域A(1)与还原剂供送通道(3)连通设置,所述电化学区域A(1)与氧化剂供送通道(4)连通设置,所述电化学区域B(2)与还原剂供送通道(3)连通设置,所述电化学区域B(2)与氧化剂供送通道(4)连通设置,所述电化学区域A(1)包括交变电流接电区A,所述电化学区域B(2)包括交变电流接电区B;所述还原剂供送通道(3)对所述电化学区域A (1)供送还原剂的过程和所述氧化剂供送通道(4)对所述电化学区域A(1)供送氧化剂的过程交替进行,所述还原剂供送通道(3)对所述电化学区域B(2)供送还原剂的过程和所述氧化剂供送通道(4)对所述电化学区域B(2)供送氧化剂的过程交替进行,在某一时间间隔内,对所述电化学区域A(1)供送氧化剂和还原剂中的一种,对所述电化学区域B(2)供送氧化剂和还原剂中的另一种;所述电化学区域A(1)和所述电化学区域B(2)之间的电子的导出导入为工作常态;
或,所述电化学区域A(1)与还原剂供送通道(3)连通设置,所述电化学区域A(1)与氧化剂供送通道(4)连通设置,所述电化学区域B(2)与还原剂供送通道(3)连通设置,所述电化学区域B(2)与氧化剂供送通道(4)连通设置,所述电化学区域A(1)包括交变电流接电区A,所述电化学区域B(2)包括交变电流接电区B;所述还原剂供送通道(3)对所述电化学区域A (1)供送还原剂的过程和所述氧化剂供送通道(4)对所述电化学区域A(1)供送氧化剂的过程存在重叠,所述还原剂供送通道(3)对所述电化学区域B(2)供送还原剂的过程和所述氧化剂供送通道(4)对所述电化学区域B(2)供送氧化剂的过程存在重叠;所述电化学区域A (1)和所述电化学区域B(2)之间的电子的导出导入为工作常态;
或,所述电化学区域A(1)与还原剂供送通道(3)连通设置,所述电化学区域A(1)与氧化剂供送通道(4)连通设置,所述电化学区域B(2)与还原剂供送通道(3)连通设置,所述电化学区域B(2)与氧化剂供送通道(4)连通设置,所述电化学区域A(1)包括交变电流接电区A,所述电化学区域B(2)包括交变电流接电区B;所述还原剂供送通道(3)对所述电化学区域A (1)断续供送还原剂的过程和所述氧化剂供送通道(4)对所述电化学区域A(1)断续供送氧化剂的过程存在重叠,所述还原剂供送通道(3)对所述电化学区域B(2)断续供送还原剂的过程和所述氧化剂供送通道(4)对所述电化学区域B(2)断续供送氧化剂的过程存在重叠;所述电化学区域A(1)和所述电化学区域B(2)之间的电子的导出导入为工作常态。
2.一种电化学装置,包括电化学区域A(1)和电化学区域B(2),其特征在于:所述电化学区域A(1)设置在腔体A(51)内,所述腔体A(51)与还原剂供送通道(3)连通设置,所述腔体A
(51)与氧化剂供送通道(4)连通设置,所述电化学区域B(2)设置在腔体B(52)内,所述腔体B
(52)与还原剂供送通道(3)连通设置,所述腔体B(52)与氧化剂供送通道(4)连通设置,所述电化学区域A(1)包括交变电流接电区A,所述电化学区域B(2)包括交变电流接电区B,所述电化学区域A(1)和所述电化学区域B(2)之间的电子的导出导入为工作常态;
或,所述电化学区域A(1)设置在腔体A(51)内,所述腔体A(51)与还原剂供送通道(3)连
2。