直接空冷凝汽器系统控制说明
- 格式:doc
- 大小:111.50 KB
- 文档页数:13
直接空冷凝汽器空冷岛运行维护手册HAC/S-D01.1哈尔滨空调股份有限公司第一部分:总的安全措施一.一般性说明二.运行、检查和修理时的安全措施三.启动时的安全措施四.持续运行时的安全措施五.停机时的安全措施六.不遵守安全措施的危险七.ACC 平台下的变压器(如有)一.一般性说明:本手册包括了关于ACC系统的运行、检查、维护的基本说明。
有关操作人员必须遵守。
该设备的功能为蒸汽冷凝器,必须由合格人员进行操作和检查,操作员应在开始使用前完整地学习本手册。
严禁雇用不合格的员工,操作员必须明白所有安全措施。
本手册适用于指定的运行工况,对于极端运行工况,应有特殊考虑。
特殊运行工况要求操作员要更多的加以注意,对于本手册没有预计到的工况或问题,请及时与哈尔滨空调股份有限公司联系。
对于由于自然原因造成业主的全部或部分损失,由于业主的代理或雇员没有严格遵守本手册的每一个过程,指导和注意事项而造成业主的全部或部分损失,及擅自改动本手册而造成的业主的全部或部分损失,哈尔滨空调股份有限公司公司不承担责任。
任何此类违反操作规程的行为也将免去哈尔滨空调股份有限公司公司对受影响的工作部分的保障。
二.运行、检查和修理时的安全措施:进行任何工作时都应遵守安全措施及事故预防措施。
任何工作开始前,所有设备应断电,并采取措施防止设备重新启动的事故。
电机、风机、泵、执行机构应静止、断电,并从主控制室进行闭锁,防止发生误动。
注意事故预防措施, 风机齿轮箱输出端和电机的轴承可在设备运行时从风机梁步道上给予加注润滑液,不可在风机运行时给齿轮箱换油。
警告:电厂内人员应戴安全帽、穿防护鞋。
要特别注意下列各项工作时,必须做好有关安装措施:1.对风机采取任何操作前,必须关掉电机,切断电源并锁止。
在电机梁上工作时,如必要应移去格栅板。
维修人员开始工作前应着安全服。
对于在电机梁下的维修步道上工作时同样适用。
在电机维修期间如无人职守,应确保该位置安全。
2.应遵守步道、风机护网和格栅板的最大允许载荷,重型设备应加木方垫以分散承载面积。
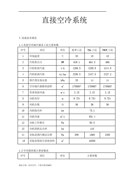
直接空冷系统1.设备技术规范1.1直接空冷凝汽器各工况主要参数序号项目单位夏季工况THA工况TMCR工况1 环境温度℃33 15 152 汽轮机出力MW 619.1 661.3 6603 汽轮机排汽量t/h 1286.5 1250.9 1244.84 汽轮机排汽焓kj/kg 2250.3 2427.0 2427.25 排汽背压保证值kPa 33 14 146 空冷凝汽器散热面积m21705607 1705607 17056077 管束迎面风速m/s 2.15 2.15 2.158 风机直径m 9.754 9.754 9.7549 风机台数台56 56 5610 风机轴功率kw 73.111 风机风量m3/s 551.412 风机工作静压Pa 93.513 风机消耗总功率kw 11014 首航范围汽侧总压降Pa 859 1569 155515 首航范围真空系统容积m3165501.2空冷散热器主要参数表序号项目单位主要参数顺流逆流1 管束(首航艾启威冷却技术有限公司)1.1 型号1.2 管束尺寸mm 9812*2552 8812*2552 1.3 数量个464 961.4 基管横截面尺寸mm 219*19 219*19 1.5 基管壁厚mm 1.5 1.5 1.6 翅片管外形尺寸mm 219*57 219*57 1.7 翅片厚度mm 0.3 0.3 1.8 翅片间距mm2.3 2.3 1.9 每片管束重量t3.594 3.322 1.10 翅片管/翅片材质钢/铝钢/铝1.11 翅片管排数排 1 11.12 翅化比(散热面积/迎风面积)124.5 124.51.13 散热系数(TRL工况)W/m2.K 30.5 30.5 1.14 翅片管散热面积m21438510 2670971.15 翅片管总散热面积m217056072 A型冷却单元段2.1 迎风面面积m2249.02 233.70 2.2 迎风面总面积m213699.652.3 空气迎风面流速(TMCR工况)m/s 2.15 2.152.4 空气通过迎风面质量流速(TMCR工况)kg/m2.s 2.35 2.352.5 A型夹角度60 602.6 每个冷却段重量t 51 491.3轴流风机主要参数表序号项目单位顺流凝汽器风机逆流凝汽器风机1 制造厂豪顿华工程有限公司2 风机类型轴流式轴流式3 风机型号32DLF6 32DLF64 风机数量台40 165 空气比重kg/m3 1.024 1.0246 介质空气空气7 驱动类型电动机/齿轮箱电动机/齿轮箱8 调速方式变频器变频器9 转速控制正向30%~110% 正向30%~110% 反向0%~30%10 电动机额定转速r/min 990(可以超速到110%)11 电动机额定输出功率kW 110 11012 齿轮箱减速比12.685 12.68513 转动主方向(从进风侧看)逆时针逆时针(可顺时针转)14 风机直径m 9.754 9.75415 风机最小运行名义转速30%r/min 23.4 23.416 减速后叶尖速度m/s 12 1217 最大允许轴功率kW 125 12518 最低温度下风机所需的轴功率kW 90.3 90.3当风机转速为100%时19 体积流量(对应THA工况)m3/s 551.4 551.420 静压Pa 93.5(含4M/s横向风)93.5(含4M/s横向风)21 动压Pa 27 2722 风机名义转速r/min 78.04 78.0423 叶尖速度m/s 39.9 39.924 风机轴功率(对应TRL工况)kW 73.1 73.125 风机静压效率% ≥62.8 ≥62.8 当风机转速为110%时26 体积流量m3/s 606.5.4 606.5.427 静压Pa 113.1 113.128 风机转速r/min 85.8 85.829 叶尖速度m/s 43.8 43.830 风机轴功率kW 97.4 97.431 风机静压效率% 62.7 62.7 风机其它性能参数32 风机总重量kg 1206 120633 叶片型式低噪音叶低噪音叶34 叶片重量kg 132 13235 叶片数量片 6 636 叶片设计倾角度15.9 15.937 叶片材质FRP FRP38 轮毂材质钢钢39 联轴器材质16Mn 16Mn40 叶片最高耐温℃80 8041 叶尖间隙比率0.0077 0.007742 叶片与风筒间距mm 38 3843 风筒内径mm 9830 983044 喇叭口外缘直径mm 10554 1055445 风筒高度mm 1829 182946 风筒形式钟形钟形1.4减速齿轮箱主要参数表序号项目单位顺流凝汽器风机逆流凝汽器风机1 制造厂WORLDTECH2 减速齿轮箱类型平行轴螺旋齿轮3 减速齿轮箱型号WH2SV176~ACC4 减速齿轮箱数量台80 325 驱动类型电动机6 速度控制变频器7 额定转速r/min 990(满频)8 速度变化(每小时变化量)69 电机铭牌功率kW 11010 减速齿轮箱减速比12.68511 输出轴转动方向逆时针逆时针或顺时针12 速度范围30%~110% 正向30%~110% 反向0%~30%13 风机轴向推力kN 9.9914 减速齿轮箱效率% 9715 重量(空/满)kg 1030 106516 齿轮材质18CrNiMo7~617 轴材质齿轮轴18CrNiMo7~6。
空冷系统组成及运行控制措施气化中心工艺工程师辽宁大唐国际阜新煤制天然气有限责任公司 123000直接空冷凝汽器(air cooled condender system,以下简写ACC)是指汽轮机的排气直接进入ACC,通过蒸汽与空气的热交换来冷凝汽轮机的排汽,以维持汽轮机的低背压。
近年来,ACC被作为辅助系统广泛应用于石化行业。
1 ACC组成及控制要素ACC一般由空冷凝气单元(管束及风机),抽真空系统,凝水系统,仪电控系统及附属连接件等组成。
图1 空冷系统简图1.1空冷凝气单元空冷凝气单元主要包括管束和风机。
汽轮机排汽通过排汽管线直接进入空冷器管束,与由底部风机送的空气进行换热后的凝结水进入热井再送往下一工段。
操作风机时应注意汽轮机的排汽压力、空冷器凝结水温度及不凝气温度的变化。
在正常运行时以上参数与风机转速成反比,即风机转速越高,强制送风越多,蒸汽冷凝越快,排气压力越低,此时汽轮机效率越高。
而环境温度较低、排气压力高时,还应参照凝结水的温度,若凝结水温度过低则不应使用增加风机转速的方法来降低排汽压力,误操作风机将造成冻堵现象。
应及时查明排气压力高的原因,再进行调整。
排气压力高的原因一般有两种情况,一是风机转速低,换热量小,同时体现凝结水温度高;二是空冷管束部分可能存在漏气,外部空气漏入,导致排气压力高。
1.2抽真空系统及凝结水系统抽真空系统以维持汽轮机运行状态下的真空,及时抽出排汽中的不凝结气体(如空气),以防止不凝气在空冷器内积聚,占据管束换热面积,使排汽冷凝能力下降,汽轮机排汽压力升高、效率降低。
系统从逆流换热管束顶部的抽气口中将ACC中的不凝结其他与少量蒸汽一起抽出,再经抽气器两级冷却最终排入大气。
凝结水系统由热井和凝结水泵组成,ACC中凝结下来的凝结水靠重力自流送入热井,在由凝结水泵加压外送。
在运行过程中应注意空冷器凝结水的温度,过高将造成水泵的汽蚀,另外水温过高会降低水泵的使用寿命。
1.3管道系统管道系统作为设备间连接传送介质物料的重要组成部分。
久泰能源内蒙古有限公司100万吨甲醇10万吨二甲醚项目热电工程50M W抽凝机组直接空冷系统技术规范书久泰能源内蒙古有限公司2007年11月本规范书适用于久泰能源内蒙古有限公司100万吨甲醇10万吨二甲醚项目热电工程汽轮机配套用直接空冷凝汽器系统及系统内附属设备的供货,它提出空冷系统的设计、性能及所属设备的功能、结构、制造、安装和试验等方面的技术要求,以及明确了设计和供货范围、设计接口等。
本规范书仅限于招、投标阶段使用。
1 项目说明1.1 项目名称:久泰能源内蒙古有限公司100万吨甲醇10万吨二甲醚项目热电工程1.2 业主名称:久泰能源内蒙古有限公司1.3 工程概况本项目装机规模为:3×240t/h高温高压循环流化床锅炉+1×50MW抽汽凝汽式汽轮发电机组。
汽轮机由南京汽轮电机(集团)有限责任公司提供。
交货地点为内蒙古自治区鄂尔多斯市准格尔旗大路工业园区该项目施工现场。
2 技术要求2.1 总体要求2.1.1空冷器系统应由卖方保证整体性能,保证所提供的空冷器系统技术性能和经济指标处于国内先进水平,保证系统应持续、安全、高效地运行不低于30 年。
2.1.2 卖方所提供的设备,应是全新、高性能、安全、运行经济、功能完整的空冷器系统,所有设备应无外部变形、振动或腐蚀。
2.1.3卖方负责系统的成套设计,设计时必须考虑空冷器系统的占地面积、重量和连接管道的阻力降,以减少支撑结构的负担和保证汽轮机的正常运行。
2.1.4 卖方应负责供货范围内设备的设计、制造、供货、服务、安装指导、调试和性能测试。
2.1.5 本技术规范为空冷器系统的最低要求,并未规定所有的技术要求和使用标准,在不降低协议提出的安全度与可靠性的条件下,不限制新技术的使用。
2.1.6 本技术规范中所提供的设备,应遵循所有相关规范和标准,以及安装现场所在地的法律和条例,包括卫生、安全和环保(H.S.E)。
卖方应保证遵守。
2.1.7 空冷器系统应满足本技术规范的文字说明、工作范围及附图陈述的所有要求,如果发生矛盾,以较高的要求为准并需由买方确认。
直接空冷系统1.设备技术规范1.1直接空冷凝汽器各工况主要参数序号项目单位夏季工况THA工况TMCR工况1 环境温度℃33 15 152 汽轮机出力MW 619.1 661.3 6603 汽轮机排汽量t/h 1286.5 1250.9 1244.84 汽轮机排汽焓kj/kg 2250.3 2427.0 2427.25 排汽背压保证值kPa 33 14 146 空冷凝汽器散热面积m21705607 1705607 17056077 管束迎面风速m/s 2.15 2.15 2.158 风机直径m 9.754 9.754 9.7549 风机台数台56 56 5610 风机轴功率kw 73.111 风机风量m3/s 551.412 风机工作静压Pa 93.513 风机消耗总功率kw 11014 首航范围汽侧总压降Pa 859 1569 155515 首航范围真空系统容积m3165501.2空冷散热器主要参数表序号项目单位主要参数顺流逆流1 管束(首航艾启威冷却技术有限公司)1.1 型号1.2 管束尺寸mm 9812*2552 8812*2552 1.3 数量个464 961.4 基管横截面尺寸mm 219*19 219*19 1.5 基管壁厚mm 1.5 1.5 1.6 翅片管外形尺寸mm 219*57 219*57 1.7 翅片厚度mm 0.3 0.3 1.8 翅片间距mm2.3 2.3 1.9 每片管束重量t3.594 3.322 1.10 翅片管/翅片材质钢/铝钢/铝1.11 翅片管排数排 1 11.12 翅化比(散热面积/迎风面积)124.5 124.51.13 散热系数(TRL工况)W/m2.K 30.5 30.5 1.14 翅片管散热面积m21438510 2670971.15 翅片管总散热面积m217056072 A型冷却单元段2.1 迎风面面积m2249.02 233.70 2.2 迎风面总面积m213699.652.3 空气迎风面流速(TMCR工况)m/s 2.15 2.152.4 空气通过迎风面质量流速(TMCR工况)kg/m2.s 2.35 2.352.5 A型夹角度60 602.6 每个冷却段重量t 51 491.3轴流风机主要参数表序号项目单位顺流凝汽器风机逆流凝汽器风机1 制造厂豪顿华工程有限公司2 风机类型轴流式轴流式3 风机型号32DLF6 32DLF64 风机数量台40 165 空气比重kg/m3 1.024 1.0246 介质空气空气7 驱动类型电动机/齿轮箱电动机/齿轮箱8 调速方式变频器变频器9 转速控制正向30%~110% 正向30%~110% 反向0%~30%10 电动机额定转速r/min 990(可以超速到110%)11 电动机额定输出功率kW 110 11012 齿轮箱减速比12.685 12.68513 转动主方向(从进风侧看)逆时针逆时针(可顺时针转)14 风机直径m 9.754 9.75415 风机最小运行名义转速30%r/min 23.4 23.416 减速后叶尖速度m/s 12 1217 最大允许轴功率kW 125 12518 最低温度下风机所需的轴功率kW 90.3 90.3当风机转速为100%时19 体积流量(对应THA工况)m3/s 551.4 551.420 静压Pa 93.5(含4M/s横向风)93.5(含4M/s横向风)21 动压Pa 27 2722 风机名义转速r/min 78.04 78.0423 叶尖速度m/s 39.9 39.924 风机轴功率(对应TRL工况)kW 73.1 73.125 风机静压效率% ≥62.8 ≥62.8 当风机转速为110%时26 体积流量m3/s 606.5.4 606.5.427 静压Pa 113.1 113.128 风机转速r/min 85.8 85.829 叶尖速度m/s 43.8 43.830 风机轴功率kW 97.4 97.431 风机静压效率% 62.7 62.7 风机其它性能参数32 风机总重量kg 1206 120633 叶片型式低噪音叶低噪音叶34 叶片重量kg 132 13235 叶片数量片 6 636 叶片设计倾角度15.9 15.937 叶片材质FRP FRP38 轮毂材质钢钢39 联轴器材质16Mn 16Mn40 叶片最高耐温℃80 8041 叶尖间隙比率0.0077 0.007742 叶片与风筒间距mm 38 3843 风筒内径mm 9830 983044 喇叭口外缘直径mm 10554 1055445 风筒高度mm 1829 182946 风筒形式钟形钟形1.4减速齿轮箱主要参数表序号项目单位顺流凝汽器风机逆流凝汽器风机1 制造厂WORLDTECH2 减速齿轮箱类型平行轴螺旋齿轮3 减速齿轮箱型号WH2SV176~ACC4 减速齿轮箱数量台80 325 驱动类型电动机6 速度控制变频器7 额定转速r/min 990(满频)8 速度变化(每小时变化量)69 电机铭牌功率kW 11010 减速齿轮箱减速比12.68511 输出轴转动方向逆时针逆时针或顺时针12 速度范围30%~110% 正向30%~110% 反向0%~30%13 风机轴向推力kN 9.9914 减速齿轮箱效率% 9715 重量(空/满)kg 1030 106516 齿轮材质18CrNiMo7~617 轴材质齿轮轴18CrNiMo7~6。
ACC运行维护手册直接空冷器运行维护手册洛阳隆华电力事业部技术中心2010-6-1目录一、概述 (3)1、空冷凝汽器的工作原理 (3)2、空冷凝汽器优势和问题 (3)二、空冷凝汽器系统的运行说明 (11)1、控制变量 (12)2、运行模式 (12)3空冷凝汽器启动 (13)4、空冷凝汽器运行控制 (15)三、空冷凝汽器检修和维护的说明 (16)1、安全守则 (16)2、系统的维护 (16)3、风机的维护 (16)4、减速器的维护 (17)5、空冷凝汽器换热管束的清洗 (18)6、空冷凝汽器的防冻措施 (18)四、设备故障产生的原因及处理 (21)1、风机电机轴承超温 (21)2、风机跳闸 (21)3、热风再循环 (22)4、凝结水回水管振动 (22)5、主排汽管振动 (23)6、系统发生冻结 (23)7、真空泵轴承工作异常 (24)8、真空泵水温高 (24)9、真空泵汽水分离器液位不正常 (25)五、气密性检验方法 (25)1、气压法气密性试验 (25)2、真空衰减试验 (28)3、故障排除 (29)4、泄漏检测程序 (30)一、概述火力发电在我国发电行业中占有重要地位,其中凝汽器做为三大主机外一个重要设备,其运行的好坏直接影响电厂的经济性。
直接空冷凝汽器是由洛阳隆华传热科技股份有限公司自主研发的电站凝汽设备。
1:直接空冷系统工作原理直接空冷是指汽轮机排汽在空冷凝汽器的翅片管束中被空气冷却而凝结成水,排汽与空气之间的热交换是在表面式空冷凝汽器内完成的[9]。
直接空冷系统的冷源是空气,冷却对象是饱和蒸汽。
处于真空状态下的汽轮机排汽经大直径排汽管道送至空冷凝汽器中;空气在轴流冷却风机驱动下,从翅片管束外侧流过,与管内饱和蒸汽进行换热,使饱和蒸汽凝结成饱和水。
冷凝后的凝结水由凝结水泵送至回热系统,并经汽轮机的抽汽加热后,作为锅炉给水循环使用。
其工作原理示意图如图1所示。
图1 火电厂直接空气冷却系统图1-汽轮机;2-空冷凝汽器;3-凝结水泵;4-发电机;5-凝结水箱;6-低压加热器;7-除氧器;8-给水泵;9-高压加热器;10-锅炉。
调兵山直接空讲义冷控制运行介绍调兵山直接空讲义冷控制运行是指通过冷却设备和控制系统对建筑空气进行温度、湿度和洁净度的调节。
它是现代建筑中的重要系统之一,能够提供舒适的室内环境,并满足人们对室内空气质量的要求。
本文将介绍调兵山直接空讲义冷控制运行的基本原理、系统组成、控制方法和运行维护等方面内容。
一、调兵山直接空讲义冷控制运行的基本原理1.空气循环:调兵山直接空讲义冷控制系统通过风机将室外新鲜空气经过过滤处理后吹入室内,然后将室内空气通过排风系统排出室外。
通过不断循环运行,保证室内空气的新鲜度和洁净度。
2.冷却设备:调兵山直接空讲义冷控制系统中的核心设备是冷却设备,一般采用空气冷却器或蒸发冷却器。
冷却设备通过吹入冷却剂(水或冷却剂)的方式对经过过滤处理的室外空气进行冷却,然后将冷却后的空气吹入建筑内部,达到降低室内温度的效果。
3.温度控制:调兵山直接空讲义冷控制系统通过温度传感器感知室内空气的温度,并将其与设定温度进行比较,然后控制冷却设备的运行。
当室内温度高于设定温度时,冷却设备开始工作,将室内空气冷却到设定温度以下;当室内温度低于设定温度时,冷却设备停止工作,以保持室内温度的稳定。
二、调兵山直接空讲义冷控制运行的系统组成1.冷却设备:包括空气冷却器、蒸发冷却器等,用于对室内空气进行冷却处理,降低室内温度。
2.风机及空气循环系统:包括送风机和排风机,用于将室外新鲜空气吹入室内,并将室内空气排出室外,保证空气的流通。
3.过滤系统:包括初效空气过滤器和高效空气过滤器,用于过滤室外空气中的粉尘、细菌等有害物质,提高室内空气的质量。
4.控制系统:包括温度传感器、湿度传感器、空气质量传感器等,用于感知室内环境参数,并将其传输到控制中心。
同时,控制中心根据环境参数进行判断,并控制冷却设备的运行。
三、调兵山直接空讲义冷控制运行的控制方法1.手动控制:手动控制方式需要人工干预,根据室内的温、湿度等实际情况,调整冷却设备的运行状态,以达到舒适的室内环境。
.直接空冷系统技术规范书项目名称:。
能源有限公司1×75t/h中温中压尾气锅炉+1×12MW汽轮发电机项目需方:。
热电厂设计单位: 。
西安设计工程有限责任公司使用方: 。
热电厂投标方:2017年2月16日目录一.总则二.设备的运行条件三.设备规范四.技术要求五.供货范围六.设计、制造、验收标准七. 监造八. 技术资料要求九.技术服务联络方式一. 总则1.1 本规范书的使用范围,仅限于。
能源有限公司1×75t/h中温中压尾气锅炉+1×12MW汽轮发电机项目,本期工程共安装1台中温中压75t/h 的炭黑尾气锅炉及1台12MW空冷抽凝式汽轮发电机组,汽轮机排汽冷凝系统采用直接空冷系统。
它包括本体、附属部件的功能设计、结构、性能、安装和试验等方面的技术要求。
1.2 本规范书提出的是最低限度的技术要求,并没有对所有技术细节作出规定,也未具体引述有关标准和规范的条文。
投标方应保证提供符合本规范书和工业标准的优质产品。
1.3 如果需方有除本规范书以外的特殊要求,应以书面形式提出,并对每一点都作详细说明,载于本规范书之后。
1.4 如投标方没有以书面对本规范书的条文提出异议。
那么需方可以认为投标方提出的产品完全满足本规范书的要求。
1.5 本规范书为订货合同的附件,与合同正文具有同等法律效力。
二. 设备的运行条件2.1直接空冷系统的安装位置:主厂房汽机间尾部,架空于道路上,单排室外布置。
2.2设备运行环境条件大气压力:年平均气压904.8 mbar相对湿度:年平均52 %年平均气温:19℃绝对最高温度45.5 ℃绝对最低温度-19.9 ℃风速及风向:年平均风速 2.3 m/s,主导风向:年平均降雨量501.6 mm最大积雪深度150mm最大冻土深度610 mm地震烈度:7度三. 设备规范3.1 设备名称:直接空冷系统岛3.2数量:1套,3.3设计和运行条件汽轮发电机组参数:(由买方提供)汽轮机排汽背压:15kPa汽轮发电机组额定功率:12MW汽轮机排汽量:68t/h排汽焓:2598kJ/kg额定排汽温度:54℃四、技术要求4.1技术要求4.1.1制造厂提供的设备应为国内先进水平的、全新的,经质量检验合格的产品并对所提供设备的保证期负责。
直接空冷凝器器系统介绍一、系统简介直接空冷凝汽器系统(英文Air Cooled Condenser System,缩写为ACC)是指汽轮机的排汽直接用空气来冷凝,空气与蒸汽间进行热交换。
所需冷却空气,通常由机械通风方式供应。
直接空冷的凝汽设备称为空冷凝汽器,这种空冷系统的优点是设备少,系统简单,基建投资较少,占地少,空气量的调节灵活。
该系统一般与高背压汽轮机配套。
这种系统的缺点是运行时粗大的排汽管道密封困难,维持排汽管内的真空困难,启动时为造成真空需要的时间较长,机组效率低,一次能源消耗大。
二、系统构成概述1、概述通常ACCS一般主要由以下几部分构成:✧排汽管道和配汽管道✧翅片管换热器✧支撑结构和平台✧风扇及其驱动装置✧抽真空系统✧排水和凝结水系统✧控制和仪表系统2、冷凝过程空气冷却器一般采用屋顶结构(或称A型框架结构)。
来自汽轮机的尾汽通过排汽管道和配汽管道输送到翅片管换热器。
配汽管道连接到汽轮机的排汽管道和位于上部的翅片管换热器。
蒸汽被直接送入换热器的翅片管道内。
蒸汽携带的热能由经过换热器翅片表面的冷却空气带走,冷却空气是由置于管束下面的轴流风机驱动的。
换热器一般采用KD布置方式,即顺流冷凝-反流冷凝的布置方式。
70%到80%的蒸汽在通过由上部的配汽管道到顺流冷凝的换热器中被冷凝成凝结水,凝结水流到底部的蒸汽/凝结水联箱中。
顺流管束称为冷凝管束或称K 管束。
其余的蒸汽在成为D管束的反流管束中被冷凝,蒸汽是由蒸汽/凝结水联箱向上流动的,而凝结水由冷凝的位置向下流到蒸汽/凝结水联箱中并被排出。
这种KD形式的布置方式确保了在任何区域内蒸汽都与凝结水有直接接触,因此将保持凝结水的水温与蒸汽温度相同,从而避免了凝结水的过冷、溶氧和冻害。
从汽轮机到凝结水箱的整个系统都是在真空状态下。
由于采用全焊接结构,从而保证整个系统的气密性。
由于在与汽轮机连接的法兰处不可避免地会有空气漏进冷凝系统中,为了保持系统地真空,在反流管束的上端未冷凝的蒸汽和空气的混合物将被抽出。
汽轮机空冷凝汽器系统运行空冷系统的启动、运行及停运简述空冷系统运行和调整的目的是确保机组和冷却系统设备的安全、经济运行。
在启动、运行及停运过程中所做的运行、调整工作,都是围绕这两方面进行的。
对于同一种型式的空冷机组,在启动、运行及停运过程中所做的运行与调整工作的步骤和注意的事项有其共性。
系统启动:当直接空冷系统经过冲洗和调试等准备工作就绪后,即可进入投运状态。
投运时先启动三台水环式真空泵抽取空冷凝汽器内的空气,当空冷凝汽器压力达到20kPa(暂定)左右时(如果机组背压能够降低则尽量降低),关闭抽真空旁路阀(抽真空管路与凝水管路联通阀)这时允许进入25%左右的蒸汽流量。
在旁路投入后蒸汽进入凝汽器期间,空冷凝汽器内压力有所升高,应控制锅炉的温度和压力缓慢升高,使系统内的空气能够比较顺利地排出。
此时三台真空泵继续运行,抽取空冷凝汽器内剩余的空气。
当空冷凝汽器压力再次降低到20kPa左右(暂定)时,启动逆流风机。
当所有凝结水出口水温开始升高并高于环境空气温度时,说明空冷凝汽器内空气已被排出,停运一台或两台真空泵,保持正常工作抽气状态。
当汽轮机开始带负荷时,随着负荷的增加,每个单元风机从逆流到顺流、从中间单元向外依次启动,并且根据汽轮机背压和当时环境空气温度控制风机转速,直至全部投入。
上述过程可有两种方式完成,即系统自动控制和手动控制。
系统的运行和控制:直接空冷凝汽器(ACC)的控制系统作为DCS的一个独立子组控制系统,根据风机步序图、阀门步序图的要求来控制风机启停和入口蒸汽蝶阀的开关,并且通过汽轮机排汽压力设定提供风机的正确转速控制。
在正常运行中,系统主要控制的项目是排汽压力和凝结水温度,以及凝结水管道的水位监控。
在汽轮机允许安全运行的范围内,根据机组的发电负荷(空冷凝汽器的热负荷)和空气温度,调整进入空冷凝汽器的空气流量(即调整风机功率),使风机功率保持在最佳状态。
在非冰冻时期,运行中要比较排汽温度和凝结水水温的差值,调整逆流凝汽器风机转速,使过冷度保持在一定范围内。
283-K-D07神华煤液化项目直接空冷凝汽器系统控制方案说明哈尔滨空调股份有限公司哈尔滨天达控制工程有限公司2007年3月哈尔滨1 ACC系统的控制原则ACC控制系统通过改变风机的转速和运行风机的数量来调节整个ACC的压力。
从而把蒸发器的排汽压力控制在设定值的范围内。
整个ACC系统的所有风机都为变频电机,所有的风机都可以远方或就地单独控制,并且都可以在20%转速和110%转速运行。
系统主要的控制变量:环境温度排汽压力凝结水温度抽气温度在ACC的正常运行时,排汽压力是主控变量。
只有当有冻结发生时,凝结水温度和抽气温度才能成为临时的主控变量。
一旦冻结解除,排汽压力立即又是主控变量。
ACC控制系统的蒸汽来自E1、E2两套蒸发器。
E1、E2有三种操作模式:(1)E1、E2多效蒸发操作(一次蒸汽供给E1,E1蒸汽供给E2)(2)E1单独操作(一次蒸汽供给E1,E2不投入使用)(3)E2单独操作(一次蒸汽供给E2,E1不投入使用)ACC控制系统的运行模式可分为夏季运行和冬季运行;手动运行和自动运行。
当环境温度>2℃,为夏季运行。
当环境温度<-2℃为冬季运行。
ACC的运行在冬季和夏季的运行控制是不一样的。
在自动运行时,所有的设备都被打到远程控制端。
手动运行时,所有的操作命令都是操作人员在操作站上给出的。
2主凝系统控制主凝空冷系统单台机组分为2列,每列有5台风机。
其中第3台为逆流风机。
在三种操作模式下对于主空冷来说只是设定的压力不同而已,E1、E2多效蒸发操作及E1单独操作时蒸汽压力设定为95.9kPa,E2单独操作模式下蒸汽压力设定为64.5kPa。
在夏季启动时,两排风机顺序启动,每排风机的启动顺序为32415:首先启动逆流风机3,启动频率为20%,最高转速为60%。
当逆流风机转速>50%时,启动顺流风机2、4,启动频率为20%,最高转速为60%。
当顺流风机2、4的转速>50%时,启动顺流风机1、5;启动频率为20% ,当顺流风机1、5的转速>50%时,所有风机转速可升至100%。
ACC从“启动模式”转为“正常运行模式”。
停机过程相反。
在冬季,凝汽器有发生冻结的可能,所以冬季ACC的控制要相对更加严格。
ACC启动的过程要严格地检测凝结水温度和抽气温度,只要凝结水的温度和抽气温度不在设定值之上,风机就不能起动。
首先启动启动列等待直到抽气温度〉35℃,并且凝结水温度>35℃,风机才能按启动顺序启动。
当所A列风机都启动,并且转速>50%时,排汽压力>压设定值并延时3分钟,开启B列蒸汽隔离阀门,并且B列凝结水温度>35℃,风机才能按启动顺序启动。
停止过程,当排气压力需求控制器调节B列风机的转速降到30%并持续1分钟(可调整)后关闭蒸汽隔离阀、关闭凝结水阀。
由排气压力需求控制器调节变频风机的转速,直到A 列风机的转速降到30%并持续5分钟后停A列风机。
所有风机按步序表的转速运行。
冬季ACC主要还是由压力控制,但只要有凝结水温度或抽气温度过低的情况发生,就要进行防冻保护,由温度控制器来控制相应的列。
2.1主凝回暖保护和防冻保护。
回暖保护是在当环境温度小于-2℃时,并且还没有发生防冻保护的时候动作。
其作用是为了预防防冻保护的发生。
具体的动作如下:一旦回暖保护发生的条件得到满足时,从第一排开始,逆流风机停机5分钟(时间可调),顺流风机以之前的转速恒定转动。
5分钟之后,回到原来的状态。
一排回暖保护时,二排的控制方式不改变。
当第一排进行回暖完毕之后,第二排开始回暖,然后是第一排,第二排….如此循环进行。
当环境温度〉2℃或者有防冻保护发生时,回暖保护被终止。
防冻保护分为顺流管束和逆流管束的防冻保护。
在发生防冻保护时候,相应的顺流风机或逆流风机的压力控制器被温度控制器覆盖。
顺流管束的防冻(仅当环境温度低于-2℃时实施)保护发生的条件:(1)当环境温度<-2℃时并且(2)当某排的较小的凝结水温度小于设定值时那么HMI将显示“防冻保护启动”并且将风机转速下降同时锁定顺流风机转速。
当该排的凝结水温度重新大于设定值时,该排的顺流风机将重新回到压力控制模式下。
并且,HMI上的“顺流防冻保护启动”的显示将消失。
逆流凝汽管束的防冻保护(1)当环境温度<-2℃时并且(2)当某一排较小的抽气温度小于设定值时那么HMI上将显示“逆流管束防冻保护”,并且降低逆流风机的转速同时锁定顺流风机转速。
当该排的凝结水温度重新大于设定值+回差时,该排的顺流风机将重新回到压力控制模式下。
并且,HMI上的“逆流防冻保护”的显示将消失。
每台风机都配备有振动开关,当振动的振幅发生异常高的情况时会发出信号指示。
他们随后会切断相应的电机并向中央控制室发出报警信号。
只有等核查确认之后,该风机才可以被再次启动。
齿轮减速机配备有润滑油压力开关,当润滑油的供油压力降到低于最小允许设定值时,该风机将被停机。
齿轮减速机还配备有润滑油温度测点,当油温大于86℃时,报警。
当油温低于5℃时,发信号启动油加热器通电加热,当油温到达13℃~15℃时,油加热器断开。
另外主空冷程控柜上设有一个急停按钮,可用于停止整个主空冷系统。
2.2主凝的启动步骤表783辅凝系统控制方案辅凝空冷系统机组分为3列,每列有2台风机。
其中第1台为变频风机。
ACC控制系统的蒸汽来自E1、E2两套蒸发器。
E1、E2有三种操作模式:E1、E2多效蒸发操作(一次蒸汽供给E1,E1蒸汽供给E2)E1单独操作(一次蒸汽供给E1,E2不投入使用)E2单独操作(一次蒸汽供给E2,E1不投入使用)在E1、E2多效操作模式下辅空冷蒸汽压力设定为87.6-93kPa;E1单独操作模式下辅空冷以固定负荷操作,按90%-100%的处理量操作。
(0-100%)E2单独操作模式时辅空冷不投入使用。
3.1夏季启动与停止手动开启辅空冷器的所有蒸汽入口阀门和凝结水阀门,由排汽压力需求控制器首先启动三台变频风机并控制其转速,随着压力的升高,当变频风机的转数大于90%并持续1分钟(可调整)后启动另外三台普通风机,共同调节。
停止,当排气压力需求控制器调节变频风机的转速降到30%并持续1分钟(可调整)后停止普通风机。
由排气压力需求控制器调节变频风机的转速,直到变频风机的转速降到30%并持续5分钟后停变频风机。
3.2冬季启动与停止首先手动开E-5401B单元的辅空冷器的蒸汽入口阀门和凝结水阀门,当本列凝结水温度>35度(暂定)后,由排汽压力需求控制器启动本列变频风机开始运行,当转数被限制在60%时,手动开E-5401A单元的辅空冷器的蒸汽入口阀门和凝结水阀门,当本列凝结水温度>35度(暂定)后,由排汽压力需求控制器启动本列变频风机开始运行,当转数被限制在60%时,手动开E-5401C单元的辅空冷器的蒸汽入口阀门和凝结水阀门,当本列凝结水温度>35度(暂定)后,由排汽压力需求控制器启动本列变频风机开始运行,当转数达到60%后,由排汽压力需求控制器调节三台变频风机共同升速到100%后,启动另外三台普通风机共同调节。
3.3正常运行夏季ACC的正常运行是压力控制,这就是意味所有普通风机和变频风机都是平行运行的。
冬季ACC的正常运行也是压力控制.此外,ACC每排的凝结水温度控制器是用来进行防冻保护的,这些温度控制器持续监测凝结水的温度。
3.3保护运行当环境温度<-10度时,由压力控制器调节的所有风机全停状态,同时凝结水的温度<35度时,开启蒸汽加热阀门,加热排管开始加热,当凝结水的温度>45度时,关闭蒸汽加热阀门,加热排管停止加热。
如果开启加热排管后,在5分钟内如果凝结水的过冷度仍然不能减少到<5(暂定)度或有加大的趋势时时,HMI上报警显示手动关闭百叶窗的要求。
当凝结水的过冷度<5度时,HMI上报警显示手动关闭百叶窗的要求。
如果开启百叶窗后,在5分钟内凝结水的过冷度仍然>15度或有加大的趋势时,HMI上报警显示手动切除列的要求。
每台风机都配备有振动开关,当振动的振幅发生异常高的情况时会发出信号指示。
他们随后会切断相应的电机并向中央控制室发出报警信号。
只有等核查确认之后,该风机才可以被再次启动。
另外辅空冷程控柜上设有一个急停按钮,可用于停止整个辅空冷系统。
3.4辅凝的启动步骤表4 最终触摸屏画面操作说明:通电后触摸屏系统会显示一个主画面,主画面上有7个部分组成,是本套空冷系统的主要功能,点击相应的按钮就会进入相应的画面。
7个系统分别是TREND, PARAMETERS SETTING,LOGIN,GO TO CONFIG,PRIMARY ACC,PRIMARY ACC,SPARE ACC,LOGOUT。
Trend是趋势画面,记录相应的变量在一段时间内的变化趋势;PARAMETERS SETTING.是参数设定界面,在脸画面可以设定蒸汽温度、凝结水温度、排气压力以及PID参数,PID参数需要在用户登录情况下才能看见并对其操作。
LOGIN画面用来登录操作员,共设置2个操作员,用户名;open,密码open;用户名;admin,密码admin。
GO TO CONFIG画面是用来设置触摸屏的相关参数的,此按钮需要在用户登录情况下才能看见并对其操作。
Primary ACC是主空冷的控制界面,主空冷有2列风机每列有5台风机,其中第三台是逆流风机。
在触摸屏上点击相应的风机就会出现相应的风机的参数和控制界面。
对于风机、阀门、电加热器等设备的操作按钮,只有在系统触摸屏手动操作情况下才可见并对其操作。
Spare ACC是辅空冷控制界面,辅空冷有3列风机每列有2台风机,其中一台是变频风机,点击相应的风机会出现相应的控制和参数显示界面。
对于风机、阀门、电加热器等设备的操作按钮,只有在系统触摸屏手动操作情况下才可见并对其操作。
RUNNING=风机运行STOP=风机停止REMOTE=风机远程控制模式LOCAL=风机本地控制模式OIL FAULT=黄色的时候是油压开关故障SHAKE FAULT=黄色的时候是震动开关故障VFD_Frq=变频器频率给定HEATER=风机加热器CURRENT=风机电流SPEED=风机转速(以百分比表示)在系统运行的时候首先要在PARAMETERS SETTING画面下对PT6401和PT5401两个压力进行设定,即设定主副空冷的工作压力。
设定完压力后在Primary ACC画面下将操作模式选为AUTO,然后点START这样主空冷就会按指定的逻辑进行相应的起停,副空冷的起停和主空冷一样。
风机停止的时候画面上的风机都是绿色,当风机运行的时候相应的运行的风机就会变成红色同时旋转。
这时点击相应的风机就能看见风机当前的状态以及和这台风机相关的油压开关,震动开关,加热器等的状态。