带Profibus(DP协议)端口数显智能电表
- 格式:doc
- 大小:103.50 KB
- 文档页数:6
电能质量监测仪用户手册本手册适用于以下型号的产品PD194Z-ACE/3CE/9CE/ACY/9CY/9CYPPD194Z-ACYX/9CYX/9CYXP电能质量监测仪用户手册感谢您选择江苏斯菲尔电气股份有限公司研发的智能仪表,为了方便您安全、正确、高效的使用本装置,请仔细阅读本说明书并在使用时务必注意以下几点。
注意CAUTION:◆该装置必须由专业人员进行安装与检修;◆在对该装置进行任何内部或外部操作前必须隔离输入信号和电源;◆始终使用合适的电压检测装置来确定仪表各部位有无电压;◆提供给该装置的电参数需在额定范围内。
下述情况会导致装置损坏或装置工作的异常:◆辅助电源电压超范围;◆配电系统频率超范围;◆电流或电压输入极性不正确;◆带电拔插通信插头;◆未按要求连接端子连线。
本手册可以在本公司的主页上下载到最新版本,同时也提供一些相应的测试软件下载。
如果您需要备份纸质用户手册可以向本公司的技术服务部门申请。
(具体公司网址、联系电话等见封底)目录一、产品简介 (1)1.1引用标准 (1)1.2产品概述 (1)1.3功能概述 (2)二、技术参数 (5)三、安装与接线 (7)3.1仪表尺寸 (7)3.2安装方式 (8)3.3接线端子功能说明 (8)3.4输入信号线连接 (10)四、显示与设置 (11)4.1面板说明 (11)4.2菜单介绍与操作 (11)4.3设置操作方法 (26)五、功能模块 (31)5.1通信 (31)5.2电能脉冲输出 (44)5.3开关量输入 (44)5.4继电器输出 (45)5.5事件记录 (47)六、常见问题及解决办法 (52)6.1关于通信 (52)6.2关于U I P Q等测量不准确 (52)6.3关于电能走字不准确 (52)6.4仪表不亮 (53)6.5仪表不响应任何操作 (53)6.6其它异常情况 (53)一、产品简介1.1引用标准引用国家标准GB/T17215.322-2008静止式有功电能表(0.2S级和0.5S级)GB/T17215.323-2008静止式无功电能表(2级和3级)GB/T17626-2006电磁兼容试验和测量技术相应国际标准IEC62053-22:2003电量测量设备(交流)-特殊要求-第22部分:静态电度表(0.2S和0.5S)IEC62053-23:2003电量测量设备(交流)-特殊要求-第23部分:静态无功表(2级和3级)IEC61010-1:2001测量、控制以及实验室用电气设备的安全要求-第1部分:一般要求IEC61000-2-11电磁兼容性(EMC)-第2-11部分IEC60068-2-30环境测试-第2-30部分1.2产品概述电能质量监测仪可测量各种常用电力参数、有无功电能、分相电能、复费率电能、谐波含量等,具备SOE事件记录、电压骤升骤降记录、故障录波、手动录波、历史数据记录、过压欠压、过流欠流、过载欠载事件记录等功能,并具有数字通信、继电器输出、开关量输入、电能脉冲输出扩展功能。
智能电表的数据抄读新方法作者:曹时伟朱青刘宏立来源:《计算机应用》2013年第05期摘要:智能电表大多采用MODBUS协议或者645协议进行通信,通信速率不高,这对于智能电表大量数据的传输不方便。
提出基于PROFIBUS的智能电表数据抄读方法及系统,此系统包括基于PROFIBUS通信的主站——可编程逻辑控制器(PLC)和从站,主站和从站是基于PROFIBUS总线通信连接的,主站由西门子PLC/CP5611网卡和STEP 7编程软件、WINCC监控软件等组成,从站为具有PROFIBUS模块的智能电表;该PROFIBUS模块与智能电表中的微控制单元(MCU)进行连接,作为智能电表的一部分。
这种基于PROFIBUS的智能电表数据抄读方法及系统易于实施,数据传输快,且通信速率可以达到12Mb/s。
关键词:智能电表;PROFIBUS;通信速率;抄读方法0引言目前智能电表主要采用MODBUS协议和645协议通信,它们的通信速率有2400b/s、4800b/s、9.6kb/s、19.2kb/s、38.4kb/s,最大为38.4kb/s,速率不高,不利于大量数据的抄读。
而PROFIBUS的通信速率有9.6kb/s、97.75kb/s、187.5kb/s、500kb/s、1.5Mb/s、6Mb/s、12Mb/s,最大可以达到12Mb/s,可显著提高电智能表的通信速率[1]。
为此本文提出了基于PROFIBUS的智能电表数据抄读方法及系统的设计,以实现智能电表数据的快速抄读[2]。
在作为PROFIBUS主站的西门子PLC和主站网卡CP5611大量应用的趋势下,具有PROFIBUS 通信功能的智能电表作为从站,连接到PLC主站中,提高了智能电表通信速率和实用性,可满足市场和用户的需求[3]。
PROFIBUS起源于欧洲,目前在国内得到了快速的发展,技术已经成熟,已大量应用于各种领域[4]。
随着PROFIBUS在国内的广泛应用与技术的开放性,仪表采用PROFIBUS通信越来越为市场所需求[5]。
PMC-530系列三相数字式多功能测控电表用户手册(V3.2)深圳市中电电力技术有限公司危险和警告本设备只能由专业人士进行安装,对于因不遵守本手册的说明所引起的故障,厂家将不承担任何责任。
触电、燃烧或爆炸的危险⏹设备只能由取得资格的工作人员才能进行安装和维护。
⏹对设备进行任何操作前,应隔离电压输入和电源供应,并且短路所有电流互感器的二次绕组。
⏹要用一个合适的电压检测设备来确认电压已切断。
⏹在将设备通电前,应将所有的机械部件,门和盖子恢复原位。
⏹设备在使用中应提供正确的额定电压。
不注意这些预防措施可能会引起严重伤害。
本说明书版权属深圳市中电电力技术有限公司所有,未经书面许可,不得复制,传播或使用本文件及其内容,违犯者将要对损坏负责。
深圳市中电电力技术有限公司保留所有版权。
我们已经检查了本手册关于描述硬件和软件保持一致的内容。
由于不可能完全消除差错,所以我们不能保证完全的一致。
本手册中的数据将定期审核,并在下一版的文件中做必要的修改,欢迎提出修改建议。
以后版本中的变动不再另行通知。
目录1概述 (1)1.1功能介绍 (1)1.2系统应用 (6)2技术指标 (7)2.1环境条件 (7)2.2额定参数 (7)2.3测量准确度指标 (9)2.4电气绝缘性能 (10)2.5机械性能 (10)2.6电磁兼容性能 (11)3功能介绍 (12)3.1基本测量 (12)3.2需量 (14)3.3电能 (15)3.4继电器操作 (16)3.5定值越限 (17)3.6开关量监视 (17)3.7事件顺序记录(SOE) (18)3.8AO输出功能 (18)3.9AI输入功能 (18)3.10剩余电流保护功能 (19)3.11定时记录 (21)3.12分时计费 (22)3.13波形的瞬态捕捉 (23)3.14波形采样 (24)4典型接线图 (25)4.1四线星型系统的接线 (25)4.2三线星型系统接线 (27)4.3三线角型系统的接线 (28)5安装使用 (29)5.1安装 (29)5.2端子接线 (30)5.3面板操作 (34)5.4装置故障分析 (42)6质量保证 (44)6.1新装置质量保证 (44)6.2装置质保限制 (44)7附图 (45)7.1机械尺寸图 (45)7.2剩余电流互感器 (45)7.3典型端子图 (47)8手册变更记录 (48)1 概述1.1 功能介绍高性能的电力测控智能电表PMC-530系列(530A、530B、530C)三相数字式多功能测控电表,直接针对一回线路设计,能够完成一回线路的监控功能,广泛用于工业、商业、民用电力系统和变电站中。
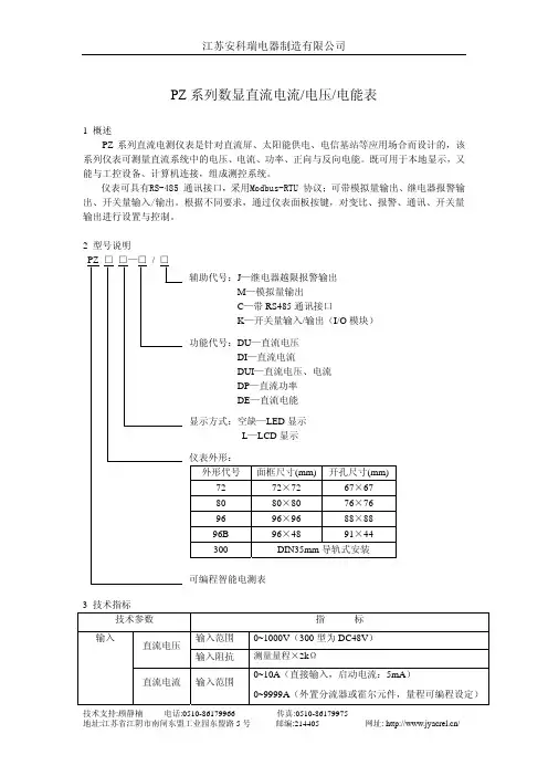
112PZ系列可编程智能电测表——三相电能部分(E3/E4)安装使用说明书V2.2安科瑞电气股份有限公司在使用本产品前请仔细阅读本说明,其中涉及的图片、标识、符号等均为安科瑞电气股份有限公司所有。
非本公司内部人员未经书面授权不得公开转载全部或者部分内容。
本说明内容将不断更新、修正,但难免存在与实物稍有不符或错误的情况。
用户请以所购产品实物为准,并可通过或销售渠道下载索取最新版本的说明书。
总部:安科瑞电气股份有限公司地址:上海市嘉定区育绿路253号电话:0086-21-69156252 手机:187****7862柏为为网址:邮编:201801生产基地:江苏安科瑞电器制造有限公司地址:江苏省江阴市南闸街道东盟工业园区东盟路5号1.概述 (1)2.产品规格 (1)3.技术参数 (2)4.安装指南 (3)4.1.外形及安装开孔尺寸(单位:mm) (3)4.2.安装方法 (3)5.编程与使用 (4)5.1.面板说明(以PZ42-E4为例) (4)5.2.按键功能说明 (5)5.3.操作说明 (6)5.3.1.数码管(LED)显示E3/E4电量查看流程 (6)5.3.2.液晶(LCD)显示E3/E4电量查看流程 (7)5.4.编程菜单 (8)5.4.1.仪表通用编程菜单 (8)5.4.2.LCD显示仪表的背光控制菜单 (8)5.4.3.带开关量输出增加的菜单 (9)5.5.编程示例 (10)5.5.1.如何修改电流倍数(CT变比) (10)5.5.2.如何修改变送设置 (11)5.5.3.编程设置流程图 (12)6.通讯 (13)6.1.通讯协议概述 (13)6.1.1.传输方式 (13)6.1.2.信息帧格式 (13)6.2.功能码简介 (14)6.2.1.功能码03H或04H:读寄存器 (14)6.2.2.功能码10H:写寄存器 (14)6.3.通讯应用细节 (15)6.3.1.开关量输入输出 (15)6.3.2.电力参数与电能 (15)6.4.通讯地址表(MODBUS-RTU协议) (17)6.5.通信(兼容MODBUS-RTU协议、DLT645规约支持07和97版本) (19)6.6.通讯接线实例 (21)7.产品接线方法(注:如与仪表壳体上接线图不一致,以仪表壳体上接线图为准) (22)1.概述PZ系列电能表,采用交流采样技术,可直接或间接测量三相电网中的电流和电压、功率、电能等电参量。
责声明:本文档不代表或不用于确定用于特定用户应用产品的适用性或可靠性产品参数表说明书METSEDM2350三相数字电能表,LED显示,Modbus RS485通讯主要信息产品名DM2350产品类型电能表补充信息极数3P 3P + N测量类型功率因数电流有功电量与无功电量电压额定电源电压 [Us]85...265 V AC 85...265 V DC 网络频率50 Hz 功耗 VA < 5 VA 显示类型LED 测量电流50 mA...6 A模拟量输入类型电流 0...5 A测量电压25...450 V AC 相线到相线0 V...35 kV AC 带有外部VT 测量精度0.5 % 功率因数0.3 % 电流0.3 % 电压0.5 % 有功电度通讯协议Modbus 1200...9600 bit/s 两线通讯接口RS485安装方式嵌入安装(暗装)安装方式面板安装类型室内环境电磁兼容性静电放电抗干扰 III GB/T 17626.2 2006抗快速瞬变 III GB/T 17626.4 2008浪涌放电抗干扰 III GB/T 17626.5 2008IP 保护等级IP40 面盖IP20 壳体相对湿度 5...95 %运行温度-20...60 °C贮存环境温度-20...70 °C宽度72 mm高度72 mm深度77.3 mm可持续性产品类型非绿色产品认证标志 (Green Premium) 产品RoHS法规(日期代码:YYWW)符合 - 自从 1230 - Schneider Electric declaration of conformitySchneider Electric declaration of conformity。
AOB394I-5K1带报警功能智能型数显交流电流表使用说明书安装、使用产品前,请阅读使用说明书地址:浙江省乐清市城南街道宋湖村宋竹路弄号191电话:*************传真:*************网址:乐清市奥宾仪表有限公司免费服务热线:400-873-2005QQ:687920052.1电流测量范围直接测量:AC0~10A、(*/5A*/1A)~2.2输入45~65Hz2.30.5级2:3次/s2:计量芯片真有效值测量,单排位LED数码管显示2输入回路功耗:<0.52.70.001A2.8AC/DC85264V50/60Hz3AC250V/1A DC30V/2A2环境:温度~℃,湿度≤的无腐蚀性场合显示:外附电流互感器或:AC109999A频率范围:测量准确度:.4采样速率.5测量显示方式4.6VA显示分辨力:最高为辅助电源:~功耗<VA2.9报警输出:上下限报警同一继电器输出,继电器触点容量0.、.10工作-105085%RH按一下SET,显示codE,再按一下SET,显示一个闪动的“0”,输入密码803,进入编程状态可设置菜单参数,在编程状态下按住SET键2s可直接退出,超过120s无按键动作自动返回测量值显示状态。
概述技术参数1.1用途1.2产品特点●采用S MT生产工艺,线路简洁、可靠性高●交流采样、测量方式,波形畸变不影响测量准确度●●独特的安装方式,无须借助工具即可轻松完成安装●智能型仪表,计量芯片测量,显示数值准确稳定,抗干扰能力强。
真有效值()RMS安装与接线3.1外形与安装开孔尺寸单位:mm3.2安装方法根据仪表外形在上表中选择对应的开孔尺寸,在安装屏面上开一个孔,仪表嵌入安装孔后将两个夹持件放入仪表壳体的夹持槽内,用手推紧即可。
3.3端子排列与接线说明(产品后示接线图)注意事项5.1通电前请再次确认仪表辅助电源、输入信号、接线是否正确。
5.2仪表需预热15分钟才能准确测量5.3仪表不应受到敲击、碰撞和剧烈振动,使用环境应符合技术要求5.4仪表出厂时已将量程设置为与用户订货时所提供的规格参数一致,用户使用前应再次核对仪表的量程设定值与用户所配用的互感器规格是否一致。
模块化多功能电力仪表用户手册本手册适用于以下型号的产品S fere100江 苏 斯 菲 尔 电 气 股 份 有 限 公 司JIANGSU SFERE ELECTRIC CO.,LTD感谢您选择江苏斯菲尔电气股份有限公司研发的模块化多功能电力仪表Sfere100,为了方便您选购和安全、正确、高效的使用本仪表,请仔细阅读本说明书并在使用时务必注意以下几点。
注意CAUTION:该装置必须有专业人员进行安装与检修在对该装置进行任何内部或外部操作前必须切断输入信号和电源始终使用合适的电压检测装置来确定仪表各部位无电压提供给该装置的电参数需在额定范围内下述情况会导致装置损坏或装置工作的异常:辅助电源电压超范围配电系统频率超范围电流或电压输入极性不正确带电拔插通信插头未按要求连接端子连线本手册可以在本公司的主页上下载到最新版本,同时也提供一些相应的测试软件下载。
如果您需要纸质用户手册可以向本公司的技术服务部门申请。
目 录一、产品简介 (1)1.1符合标准 (1)1.2 产品概述 (1)二、技术参数 (1)三、安装与接线 (5)3.1 尺寸图 (5)3.2安装方式 (5)3.3 典型信号接线图 (5)3.4典型功能接线示意图 (7)四、菜单显示与编程 (8)4.1面板说明与使用 (8)4.2菜单介绍与操作 (8)4.3编程操作方法 (23)5.1通讯 (28)5.2电能脉冲输出 (34)5.3开关量输入 (35)5.4继电器输出 (35)5.5模拟量输出 (39)六、常见问题及解决办法 (42)6.1关于通讯 (42)6.2关于电流U I P 等测量不准确 (43)6.3关于电能走字不准确 (43)6.4仪表不亮 (43)6.5仪表不响应任何操作 (43)6.6其它异常情况 (43)一、产品简介1.1符合标准IEC 61557-12:2007 交流1000V和直流1500V以下低压配电系统电气安全防护措施的实验、测量或监控设备第12部分性能测量和监控装置(PMD)IEC 62053-22:2003 电量测量设备(交流)-特殊要求-第22部分:静态电度表(0.5S)IEC 62053-23:2003 电量测量设备(交流)-特殊要求-第23部分:静态无功表(2级)IEC 61010-1:2001 测量、控制以及实验室用电气设备的安全要求-第1部分:一般要求IEC 61000-4-2 电磁兼容性静电放电抗扰度试验IEC 61000-4-3 电磁兼容性射频电磁场辐射抗扰度试验IEC 61000-4-4 电磁兼容性电快速瞬变脉冲群抗扰度试验IEC 61000-4-5 电磁兼容性浪涌(冲击)抗扰度试验IEC 61000-4-6 电磁兼容性射频场感应的传导骚扰抗扰度试验IEC 61000-4-8 电磁兼容性工频磁场抗扰度试验IEC 61000-4-11 电磁兼容性电压暂降、短时中断和电压变化的抗扰度试验IEC 61000-2-6 电磁兼容性无线电干扰IEC 60068-2-30 环境测试工业环境抗扰度1.2 产品概述模块化多功能电力仪表Sfere100可测量各种常用电力参数、有功电能、无功电能、总谐波含量,并具有数字通讯、越限报警、监测开关状态、电能脉冲输出和模拟量输出等功能。
单相费控智能电能表系列DDZY858-Z 型单相费控智能电能表系列2级单相费控智能电能表,是根据国家电网“统一坚强智能电网”设的总体要求,在国网公司智能电表系列标准的基础上研制而成的新一代智能电能表。
该电能表采用了大规模数字信号处理芯片、永久保存信息的存贮器、全隔离标准RS485通讯接口和红外通讯、大画面宽温液晶显示和信息安全加密ESAM 模块等先进技术。
电能表采用了先进的SMT 表面贴装工艺,外壳采用高强度、阻燃环保材料、造型新颖、美观适用,具有较高的绝缘强度和耐腐蚀性该表集众多功能于一体,具有电能量计量、信息存储及处理、实时监测、自动控制、信息交互等功能,可有效地杜绝欠费行为,从而顺应了电力部门有效及时地对用户进行现代化科学管理的要求。
该智能电能表设计、测试、制造均符合或超过国家标准和电力行业标准。
GB/T 15284-2002 《多费率电能表 特殊要求》GB/T 17215.321-2008 《交流电测量设备 特殊要求-第21部分静止式有功电能表GB/T 17215.211-2006 《交流电测量设备通用要求试验和试验条件-第11部分:测量设备》GB/T15464-1995《仪器仪表包装通用技术条件》DL/T 614-2007 《多功能电能表》DL/T 645-2007 《多功能电能表通信协议》DL/T 698-1999 《低压电力用户集中抄表系统技术条件》Q/GDW 205-2008 《电能计量器具条码》Q/GDW 1354-2013 《智能电能表功能规范》Q/GDW 1355-2013 《单相智能电能表型式规范》Q/GDW 1365-2013 《智能电能表信息交换安全认证技术规范》产品概述功能特点采用先进的专用集成电路和SMT 、热风回流焊、波峰焊工艺设计、制造,产品质量可靠。
□ 电能计量单元和数据处理单元,通信接口单元分别采用三组隔离电源,所有输出信号均采用光电隔离,提高电磁兼容性能,同时也确保计量单元独立稳定工作,不受通信接口的影响。
SD80-EG3数显多功能表技术参数南京斯沃SD80-EG3数显多功能表发展前景在欧洲市场,欧盟将智能电表项目作为节能政策的核心组成部分。
根据pikeresearch的预计,欧洲市场将拥有过2.37亿只智能电表,其中西欧地区接近90%的电表为智能电表。
受欧盟及各国的发展规划及节能减排计划的驱动,2011-2020年欧洲市场智能电表的安装量将达到2.12亿只。
从市场规模来看,2011年至2020累计市场规模将达到160亿美元,2018年高峰时市场规模达到23.5亿美元。
SD80-EG3功能模式>电能脉冲本装置提供有功、无功电能计量,2路电能脉冲输出功能和RS485的数字接口来完成电能数据的显示和远传。
集电极开路的光耦继电器的电能脉冲(电阻信号)实现有功电能(吸收)和无功电能(感性)远传,采用远程的计算机终端、PLC、DI开关采集模块采集仪表的脉冲数来实现电能累积计量。
另外此输出方式还是电能的精度检验的方式(*计量规程:标准表的脉冲误差比较方法)。
1).电气特性:集电极开路电压VCC≤48V、Iz≤50mA 。
2).脉冲常数:根据不同的额定电压和电流配置如下>数字通讯同我公司其它系列仪表一样,96型表提供串列异步半双工RS485通讯接口,采用MODBUS-RTU协议,各种数据信息均可在通讯线路上传送。
在一条线路上可以同时并联多达32个网络电力仪表,每个网络电力仪表均可设定其通讯地址(Address No.),不同系列仪表的通讯接线端子号码不同,通讯连接应使用带有铜网的双绞线,线径不小于0.5mm。
布线时应使通讯线远离强电电缆或其他强电场环境,采用T型网络的连接方式,不建议采用星形或其他的连接方式。
>MODBUS_RTU通讯协议:MODBUS协议在一根通讯线上采用主从应答方式的通讯连接方式。
首先,主计算机的信号寻址到一台地址的终端设备(从机),然后,终端设备发出的应答信号以相反的方向传输给主机,即:在一根单独的通讯线上信号沿着相反的两个方向传输所有的通讯数据流(半双工的工作模式)。
安科瑞PZ系列可编程智能电测仪表1 PZ系列交流检测仪表1.1 概述该系列仪表采用交流采样技术,能分别测量电网中的电流、电压、功率、功率因数和电能等参数,可通过面板薄膜开关设置倍率。
带RS-485通讯接口,采用Modbus或Profibus 协议;也可将电量信号转换成标准的直流模拟信号输出;或带开关量输入/输出,继电器报警输出等功能。
1.2 型号说明1.4 产品规格1.4.1 48型产品规格●外形及尺寸(mm)1.4.2 72型产品规格注:1、J(继电器越限报警输出)与第二路开关量输出复用;2、PZ72(L)-E在选配KC(2DI/2DO)功能时无脉冲信号输出端口;3、PZ72(L)-E4具备一路有功电能脉冲信号输出端口。
● 外形及尺寸(mm)1.4.3 80型产品规格注:1、J(继电器越限报警输出)与第二路开关量输出复用;2、PZ80(L)-E在选配KC(2DI/2DO)功能时无脉冲信号输出端口;3、PZ80(L)-E3(4)在选配KC(4DI)功能时具备1路有功电能脉冲信号输出端口,在选配KC(2DI/2DO、5DI/2DO)功能时无脉冲信号输出端口;4、PZ80(L)-AI3、A V3最多可带3路模拟量输出。
●外形及尺寸(mm)注:1、J(继电器越限报警输出)与第二路开关量输出复用;2、PZ96(L)-E3(4)在选配KC(4DI)功能时具备1路有功电能脉冲信号输出端口,在选配KC(2DI/2DO 、4DI/2DO)功能时无脉冲信号输出端口;3、PZ96(L)-AI 、AI3、A V 、A V3、F 最多可带3路模拟量输出,PZ96(L)-P3(4)、E3(4)最多可带2路模拟量输出。
● 外形及尺寸(mm)1.4.5 42型产品规格1、J(继电器越限报警输出)与第二路开关量输出复用;2、PZ42(L)-AI 、AI3、A V 、A V3、F 最多可带3路模拟量输出,PZ42(L)-P3(4)、E3(4)最多可带4路模拟量输出;3、PZ42L-E4/H 最多可带2路RS485通讯接口,一路Modbus-RTU 协议,另一路可设置。
带DP通讯PDM-803DP-DSC多功能单相电表南京斯沃带DP通讯PDM-803DP-DSC多功能单相电表,您的电量小管家,满足您所有需求。
斯沃盛工为您提供技术支持!题记:PDM-803DP-DSC数显多功能表采用现代数字信号处理芯片和高精度的电能计量芯片,能够准确稳定地测量三相电网中的所有常用电力参数:三相电压、三相电流、有功功率、无功功率、视在功率、电网频率、功率因数、电能、电压不平衡度、电流不平衡度、平均电压、相间电压夹角、电压谐波、电流谐波、电压值/值、电流值/值、有功/无功需量、通过外部漏电(或零序)电流互感器实现漏电(或零序)电流的测量。
输入/输出接口*多可配备:两路电能脉冲输出、两路数字通迅接口、四路开关量输入、四路开关量输出、四路模拟量输出。
电能表是属于*强制计量,根据计量法规定,所选电能表必须具有省级及以上技术部门颁发制造计量许可证(CMC证),这是电能表生产厂家所必须具备的条件和必须履行的法律手续。
但是目前的市场竞争比较激烈,我们在选购电子式电能表的时候可以多比较一下其他证明产品质量的文件,部门的报告,寿命试验报告,ISO9000计量等。
PDM-803DP-DSC-工作原理多功能单相电表的工作原理:LC电磁振荡的演示 L选择电感系数大、内阻小的带磁芯线圈,振荡周期要大,町使用J2343型电磁振荡演示仪的特制自感线圈,其电感量大于500H,电阻小于50 Ω,电容选用0.6μF的CBB电容器,若用耐压大于25 V的普通电容器代替,反向漏电较严重,加快了能量的损耗,振荡持续的时间将变短,电源用6 V。
按演示实验电路要求连接操作,即可清楚的观察到周期相同的减幅振荡。
由于LC振荡回路阻尼小,振荡次数可观察到5次以上,且可以观察周期为十分秒的振荡,而指针式检流计一般只能观察2个周期,且对于周期小于1 s的很难反应。
换用不同容量的电容器可验证振荡周期与电容的关系。
单根导线电磁感应现象的演示用1根50~80 cm的软导线,两端分别接到该检流计接线柱a,b上,手拿导线的中间部分放人马蹄型磁铁磁场中做切割磁力线运动,检流计即显示有感应电生。
智能电表介绍智能电表介绍概述智能电表(Smart Meter)是一种能够实现远程抄表、监控用电数据、实时反馈用电信息等功能的电力测量设备。
它通过采集、处理和传输用电数据,可以帮助用户管理和控制用电,提供更加精确和便捷的用电管理服务。
智能电表的出现,引领了电力行业的数字化转型和智能化发展。
特点和功能1. 远程抄表传统的电表需要人工上门抄表,效率低下且容易出现抄表错误。
而智能电表可以实现远程抄表,通过与电力公司的数据中心相连,实时用电数据。
电力公司可以随时通过远程方式获取用户的用电情况,极大地提高了抄表的效率。
2. 用电数据监控智能电表可以采集并记录用户的用电数据,如用电量、功率、电压等。
通过数据的监控和分析,用户可以了解自己的用电情况,掌握用电的规律和变化趋势。
同时,电力公司也可以根据用户的用电数据进行电网的负荷预测和调度,优化电力供应。
3. 实时反馈和警报智能电表可以实时反馈用户的用电信息,如电费、用电量超标等。
用户可以通过智能方式等终端设备随时查看自己的用电情况,并对用电进行实时监控和管理。
当用电量超出设定的警戒线时,智能电表还可以发出警报,提醒用户及时调整用电行为。
4. 节能和优化用电智能电表可以帮助用户发现用电的浪费和不合理之处,并提供相应的优化建议。
通过实时的用电数据监测和分析,用户可以了解哪些电器的耗电量较大,哪些时段的用电负荷较高,从而调整用电策略,减少能源消耗,实现节能目标。
5. 支持多种计费方式智能电表支持多种计费方式,如分时计费、尖峰平谷计费等。
根据不同的用电需求,用户可以选择合适的计费方式,以实现用电费用的合理分配和节约。
应用前景随着能源需求的不断增长和能源资源的日益紧缺,智能电表作为一种新型的用电管理工具,已经得到越来越广泛的应用。
智能电表的普及和推广,将有效优化能源的利用和分配,提高电力行业的效率和安全性。
未来,智能电表有望与智能家居、电动汽车充电桩等智能设备进行互联互通,构建智能能源网络,为人们的生活和工作带来更大的便利和舒适。
创变智造新未来台达轨道型电表 DPM-D510 使用手冊中达电通公司版权所有如有改动,恕不另行通知地址:上海市浦东新区民夏路238号邮编:201209电话:( 021 )5863-5678传真:( 021 )5863-0003网址: 扫一扫,关注官方微信绵密网络 专业服务中达电通已建立了70余个分支机构及服务网点,并塑建训练有素的专业团队,提供客户最满意的服务,公司技术人员能在2小时内回应您的问题,并在48小时内提供所需服务。
400 - 820 - 9595沈阳电话:(024)2334-1160哈尔滨电话:(0451)5366-5568长春电话:(0431)8892-5060呼和浩特电话:(0471)6297-808北京电话:(010)8225-3225天津电话:(022)2301-5082济南电话:(0531)8690-6277太原电话:(0351)4039-485郑州电话:(0371)6384-2772石家庄电话:(0311)8666-7337上海电话:(021)6301-2827南京电话:(025)8334-6585杭州电话:(0571)8882-0610合肥电话 :(0551)6281-6777武汉电话:(027)8544-8475南昌电话:(0791)8625-5010成都电话:(028)8434-2075长沙电话:(0731)8549-9156重庆电话:(023)8806-0306 昆明电话:(0871)6313-7362广州电话:(020)3879-2175厦门电话:(0592)5313-601南宁电话:(0771)2621-501乌鲁木齐电话:(0991)4678-141兰州电话:(0931)6406-725西安电话:(029)8836-0780贵阳电话:(0851)8690-1374福州电话:(0591)8755-1305DPM-093BF10-022023/05/22台达轨道型电表DPM-510使用手册版本修订一览表版本变更内容发行日期第一版第一版发行2022/12/20 第二版第2.1节修改量测电压值2023/05/22台达轨道型电表DPM-510使用手册目录第1章产品概述1.1 序言.................................................................................... 1-2 1.2 外观及说明............................................................................ 1-2 1.3 警语与规范............................................................................ 1-3第2章规格说明2.1 电气规格 .............................................................................. 2-2 2.2 通讯规格 .............................................................................. 2-3 2.3 操作接口 .............................................................................. 2-32.3.1界面树形图....................................................................... 2-4 2.4 外观尺寸 .............................................................................. 2-6第3章安装说明3.1 安装方式 .............................................................................. 3-23.1.1 安装环境......................................................................... 3-23.1.2 危险 .............................................................................. 3-23.1.3 注意事项......................................................................... 3-2 3.2 基本检测 .............................................................................. 3-4 3.3 接线说明 .............................................................................. 3-43.3.1 线路接线图...................................................................... 3-43.3.2 通讯特性......................................................................... 3-6第4章操作说明4.1 一般操作 .............................................................................. 4-24.1.1观看量测数据.................................................................... 4-2 4.2 设定操作 .............................................................................. 4-34.2.1密码锁(PASS) ............................................................... 4-34.2.2通讯设置(COM) ............................................................. 4-44.2.3系统设定(tyPE).............................................................. 4-5i4.2.4比压器、比流器设定(VT CT) ............................................. 4-64.2.5重置设定(rSt) ............................................................... 4-74.2.6修改密码锁(PCHG)......................................................... 4-84.2.7电表信息(inFo).............................................................. 4-8第5章参数与功能5.1 参数一览表........................................................................... 5-25.2 Modbus通讯........................................................................ 5-65.2.1 支持的Modbus 功能码...................................................... 5-65.2.2 Modbus通讯协议 ............................................................. 5-6第6章异常讯息6.1 异常讯息一览表...................................................................... 6-2附录A 配件A.1 DCTMC系列......................................................................... A-2A.2 DCTCS系列......................................................................... A-3A.3 DCT1000系列...................................................................... A-4A.4 DCT2000系列...................................................................... A-6 ii1第1章产品概述目录1.1序言...................................................................................................... 1-2 1.2外观及说明.............................................................................................. 1-2 1.3警语与规范.............................................................................................. 1-31-1台达轨道型电表DPM-D510使用手册1.1序言感谢您使用本产品,本产品是针对电力系统、工控企业、公用设施等的电力监控计量需求而设计的多功能电力仪表,并不建议作为电度计费之使用。
Profibus-DP协议智能电表
张小莉
第一章 Profibus-DP协议概述
本章节简要介绍了Profibus-DP协议,用户若熟悉本节内容,可以直接阅读第二章节仪表的通讯配置。
1.1 Profibus-DP简介
Profibus是唯一集成H1(过程)和H2(工厂自动化)的现场总线解决方案,是一种国际化的、开放的现场总线标准,它也是国际标准IEC61158中8种现场总线之一。
Profibus可以将数字自动化设备从低级(传感器/执行器)到中间级执行级(单元级)分散开来。
根据应用特点和用户不同的需要, Profibus 提供了3种兼容版本通信协议:FMS 、PA和DP 。
Profibus-DP用于自动化系统中单元级控制设备与分布式I/O的通讯。
Profibus-DP使用第1层、第2层和用户接口层、第3~7层未使用,这种精简的结构确保了高速数据传输。
直接数据链路映像程序DDLM提供对第2层的访问。
用户接口规定了设备的应用功能、Profibus-DP 系统和设备的行为特性。
Profibus-DP特别适合于PLC与现场分级式I/O设备之间的通讯。
主站之间的通讯为令牌方式,主站与从站之间为主从方式,以及这两种方式的混合。
1.2 Profibus-DP物理层
1.2.1 传输介质
PROFIBUS-DP传输技术采用的是RS485传输,其传输介质可以选择型式A和型式B两种导线,A为屏蔽双绞线,B为普通双绞线。
但在EN50 170标准中规定为型式A导线,型式A比型式B有较大的扩展长度,见表1。
表1:Line A Line B说明
1.2.2 传输距离
标准Profibus-DP支持以下传输速率:(单位:kbps)9.6、19.2、31.25、45.45、93.75、187.5、500、1500、3000、6000、12000。
每个DP从站的输入数据和输出数据最大为244B,使用屏蔽双绞电缆时最长通讯距离为9.6km(需要增加中继),使用光缆时最长为90km。
Profibus-DP每段的电缆最大长度与传输速率有关,不同的介质,不同的波特率,信号可传输的距离也不同,如表2所示。
表2:传输速率与距离关系表
注意:该传输距离指不加重复器(中继器)的距离。
此外,该传输距离是理论值,实际传输距离也会受到现场环境的影响。
1.2.2 PROFIBUS-DP总线网络结构
PROFIBUS支持总线型、星型和树型拓扑结构。
一个总线型拓扑结构,如图1所示。
标准Profibus-DP 系统最多可连接127个站(站号从0~126,不包含中继器)。
PROFIBUS支持中继器连接,若采用中继器,可增加电缆长度和所连的站数。
图1 DP总线型拓扑
根据EIA RS485标准,为了最小化电缆反射并确保在数据线上所定义的噪声等级,在数据传输电缆的两端,必须使用如下连接的终端电阻器来终止一个网段。
总线终端器如图2所示。
图2 PROFIBUS电缆的电缆终端器(9针D型连接器的针脚号)Profibus的总线终端器包含一个上拉电阻和一个下拉电阻,当总线上没有站发送数据时(即空闲时间),这两个电阻迫使不同的状态电压趋于一个确定值,从而保证在总线上有一个确定的空闲电位。
被指定为终止总线的站(与总线终端器共态),需要加入“终端器”,也称为有源终端。
以达到阻抗匹配,增强抗干扰能力。
对于A型电缆接220Ω有源终端电阻。
以上资料仅供参考,由于Profibus-DP内容较多,详细资料请查阅PROFIBUS安装相关规范。
第二章 PZ系列Profibus通讯功能配置
本章节主要介绍PZ系列(三相功率、三相电能部分)通讯变量表及其通讯值与实际值如何换算。
2.1 PZ-Profibus通讯接口接线
图3 PZ-Profibus通讯接口
图3是PZ仪表的Profibus通讯接口。
其它接线及其端口定义,请阅读PZ《安装使用说明书V1.1》。
图3中的A和B是PROFIBUS通讯接口接线端子,与PROFIBUS通讯网络相接,其中,A为“RS485+”,B为“RS485-
”,COM2为通讯电缆屏蔽接线端子。
★Profibus总线上,定义B为“RS485+”,A为“RS485-”,接线时应请务必注意A、B接线,否则会导致无法正常通讯。
2.2 Profibus通讯变量表
PZ系列可编程智能电测表采用Profibus协议通讯时,需阅读本文档。
《安装使用说明书V1.1》中通讯指南章节无效。
PZ系列多功能电测仪表(Profibus通讯),其通讯协议是依据DPV0开发。
DPV0为是周期性数据交换,即在每个DP循环中,交换的数据是周期性数据。
输入数据为:多功能电测仪表反馈给DP主站的响应数据(PZ仪表→DP主站)。
输出数据为:DP主站发送至多功能电测仪表(DP主站→PZ仪表),无开关量输出功能的仪表(即无DO功能),无输出数据。
在 PLC中通过对输入数据和输出数据编程来完成循环数据的处理。
输入、输出交换数据的长度取决于硬件组态GSD文件类型。
(1)Profibus输入数据地址表,如表3所示。
其高字节在前,低字节在后。
如[2][3],[2]是高字节(高8位),[3]是低字节(低8位),其它类推。
(2)若要设置PZ仪表参数,需参考PZ系列(三相功率、三相电能部分)《安装使用说明书V1.1》进行手动设定,而不可以通过远程操作设置。
(3)仪表上电后,若改变了仪表从站地址(地址设定值范围1~126),仪表需要重新上电,更改的从站地址才能有效(此功能遵循PROFIBUS-DP规约)。
(4)采用Profibus通讯后波特率为自适应9.6 kbit/s~12000 kbit/s,仪表菜单中波特率设置功能无效,即无需设置。
表3.PZ-Profibus变量表。