丙烷的理化性质及危险特性
- 格式:doc
- 大小:33.50 KB
- 文档页数:2
表- 丙烷的理化性质及危险特性
附剂将泄漏物收集起来,转移至专门的废物处理场所。
注意防止泄漏物扩散到下水道、排水口等。
危险特性方面,丙烷易燃,遇火源和高温会燃烧爆炸,同时与空气混合能形成爆炸性混合物。
其蒸气比空气重,能在较低处扩散到相当远的地方,遇火源引着回燃。
液体能腐蚀某些塑料、涂料和橡胶,同时能积聚静电,引燃其蒸气。
健康危害方面,丙烷可通过吸入途径进入人体,对人体的毒性较低,但在较高浓度下会引起头晕、头痛、兴奋或嗜睡、恶心、呕吐、流涎、血压轻度降低、脉缓、神经反射减弱、无病理反射,严重者甚至会出现麻醉状态和意识丧失等症状。
液态丙烷还可能致皮肤冻伤。
在使用和储存过程中,应注意安全防范措施,避免发生意外事故。
和周围环境,防止火势扩散。
同时,切断气源是必要的。
如果无法立即切断气源,不要熄灭正在燃烧的气体。
使用喷雾状水稀释、溶解泄漏物,同时构筑围堤或挖坑收容产生的大量废水。
如果可能,将漏出的气体用排风机送至空旷地方或装设适当喷头烧掉。
漏气需要妥善处理,修复、检验后再使用。
在灭火时,可以使用雾状水、干粉或二氧化碳。
如果灭火方法会使该物质或被污染的流体进入水路,应通知有潜在水体污染的
下游用户,同时通知地方卫生、消防官员和污染控制部门。
在安全防爆距离以外,使用雾状水冷却和周围环境,防止火势扩散。
丙烷是易燃易爆的气体吗什么是丙烷丙烷是一种化学式为 C3H8 (分子量为44.1 g/mol)的无色无味气体,常温下为常压下易燃气体,它的密度比空气小,比空气轻,容易升上空中,但不易于扩散。
丙烷在自然界中也存在,例如在天然气中。
丙烷在工业和日常生活中广泛应用,例如在燃气炉、气焊、热处理、热灭菌和喷灌等方面。
丙烷的物理性质和化学性质物理性质丙烷是一种易燃易爆气体,易溶于乙醇和乙醚,不溶于水。
其气体密度为1.55g/L,沸点为负42℃,在常温下为常压下的气体状态。
丙烷的燃点较低,一旦着火则火焰贯穿整个燃料。
化学性质丙烷能够与氧气反应,产生二氧化碳和水,同时释放出大量的热能,在气体混合时,丙烷与氧气的比例在2.15%至9.6%之间是易爆的。
丙烷也可以被氧化,产生乙醛和乙烯。
丙烷的危害性由于丙烷是一种易燃易爆的气体,因此使用时需要遵守严格的操作规定和安全措施,以防止火灾、爆炸等意外事件的发生。
如果丙烷泄漏,可能导致火灾或爆炸。
丙烷的燃烧产生的热量很高,可能引起燃料、液体或固体的自燃,引起二次事故。
丙烷的安全使用安全储存丙烷的储存需要遵循相关的规定和技术标准。
在储存过程中,需要保持储罐密封,避免泄漏。
丙烷的储存位置应该在通风良好、干燥的地方,并且避免直接阳光照射。
安全搬运丙烷为易燃易爆气体,搬运时需要采取严格的操作以防止泄漏或碰撞造成的意外伤害。
在搬运丙烷之前,需要确认搬运设备具有防止火花的安全保障措施。
搬运过程中还需要使用防火防爆型钢瓶或铝瓶,以确保搬运过程中不会因为碰撞而造成潜在的危险。
安全使用在使用丙烷的过程中,需要使用专业安全设备和配套设备,例如防爆气瓶、防火气管、防护镜、手套和工装等。
同时还需要在使用前确认设备完好,避免使用受损的设备。
结论综上所述,丙烷是一种易燃易爆的气体,需要使用专业安全设备和配套设备,并且在使用前要确认设备完好。
在储存和搬运过程中也需要采取相应的安全措施。
为了防止火灾、爆炸等意外事件的发生,使用丙烷时必须要遵守严格的操作规定和安全措施。
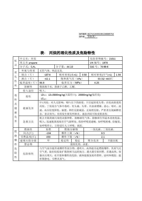
丙烷的理化性质及危险特性表丙烷是一种易燃气体,属于类别1的危险性气体。
它是一种无色气体,纯品没有气味。
其英文名为propane,分子量为44.10,CAS号为74-98-6,UN编号为1978,目录序号为139.它微溶于水,但可以溶于乙醇和乙醚。
丙烷的熔点为-187.6℃,沸点为-42.1℃,相对密度为0.58.其燃烧热为2217.8kJ/mol,饱和蒸汽压为53.32kPa(在-55.6℃时),相对密度为1.56(与空气相比)。
丙烷易燃,具有燃爆危险,其建议火险分级为甲。
其闪点为-104℃(闭杯),爆炸极限为2.1~9.5%(体积百分比),引燃温度为450℃,最小点火能为0.31mJ。
丙烷的燃烧分解产物为一氧化碳和二氧化碳,不会聚合,稳定性较好。
丙烷是一种易燃气体,与空气混合后能形成爆炸性混合物。
当遇到热源和明火时,会有燃烧爆炸的危险。
丙烷还会与氧化剂接触产生剧烈反应。
由于丙烷比空气重,因此能在较低处扩散到相当远的地方,遇火源会着火回燃。
因此,在消防措施中,需要切断气源,喷水冷却,并使用雾状水、泡沫、二氧化碳或干粉等灭火剂。
丙烷对人体有单纯性窒息及麻醉作用。
短暂接触1%丙烷不会引起症状,10%以下的浓度只会引起轻度头晕,接触高浓度时可出现麻醉状态和意识丧失,极高浓度时可致窒息。
因此,需要迅速脱离现场至空气新鲜处,保持呼吸道通畅。
如呼吸困难,需要给输氧,如呼吸停止,需要立即进行人工呼吸,并就医。
在泄漏污染区,需要迅速撤离人员至上风处进行隔离,并切断火源。
应急处理人员需要戴自给正压式呼吸器,穿防静电工作服。
尽可能切断泄漏源,用工业覆盖层或吸附/吸收应急剂盖住泄漏点附近的下水道等地方,防止气体进入。
合理通风,加速扩散。
喷雾状水稀释、处理溶解。
构筑围堤或挖坑收容产生的大量废水。
如有可能,将漏出气用排风机送至空旷地方或装设适当喷头烧掉。
漏气需要妥善处理,修复、检验后再使用。
在进行气体操作时,必须进行密闭操作并全面通风。
丙烷性质及安全防护要点1、丙烷的主要物理性质燃点:450℃,易燃;爆炸上限%(V/V):9.5;爆炸下限%(V/V):2.1。
2、丙烷的主要化学性质丙烷比空气重(大约是空气的1.5倍左右)。
在自然的状态下,丙烷会下落并积聚在地表附近。
在常压下,液态的丙烷会很快的变为蒸汽并且由于空气中水的凝结而显白色。
3、健康危害丙烷有单纯性窒息及麻醉作用。
人短暂接触 1%丙烷,不引起症状;10%以下的浓度,只引起轻度头晕;接触高浓度时可出现麻醉状态、意识丧失;极高浓度时可致窒息。
毒性特点:丙烷属微毒类,为纯真麻醉剂,对眼和皮肤无刺激,直接接触可致冻伤。
易燃气体。
与空气混合能形成爆炸性混合物,遇热源和明火有燃烧爆炸的危险。
与氧化剂接触猛烈反应。
气体比空气重,能在较低处扩散到相当远的地方,遇火源会着火回燃。
4、急救措施【吸入】迅速脱离现场至空气新鲜处。
保持呼吸道通畅。
如呼吸困难,给输氧。
如呼吸停止,立即进行人工呼吸。
就医。
5、泄漏应急处理【应急处理】迅速撤离泄漏污染区人员至上风处,并进行隔离,严格限制出入。
切断火源。
建议应急处理人员戴自给正压式呼吸器,穿防静电工作服。
尽可能切断泄漏源。
用工业覆盖层或吸附/ 吸收剂盖住泄漏点附近的下水道等地方,防止气体进入。
合理通风,加速扩散。
喷雾状水稀释、溶解。
构筑围堤或挖坑收容产生的大量废水。
如有可能,将漏出气用排风机送至空旷地方或装设适当喷头烧掉。
漏气容器要妥善处理,修复、检验后再用。
【灭火方法】切断气源。
若不能切断气源,则不允许熄灭泄漏处的火焰。
喷水冷却容器,可能的话将容器从火场移至空旷处。
灭火剂:雾状水、泡沫、二氧化碳、干粉。
6、公司内丙烷易泄漏部位(1)丙烷气包、割枪、燃气软管等接口处;(2)割枪、半自动火焰切割机等使用丙烷的设备的开关或有接口的部位;(3)丙烷储存处阀门及接口处;(4)丙烷管线及软管。
7、丙烷安全使用注意事项(1)丙烷使用结束及时将丙烷气包快速阀门关闭;(2)丙烷软管、快速阀门、接口处等及时检修,防止发生漏气;(3)丙烷软管敷设要保证不受其他重物影响,禁止火焰或焊渣飞溅损坏软管而漏气;(4)割枪、火焰切割机及时检修或者更换;(5)更换丙烷气瓶严禁对气瓶进行空放处理;(6)装卸丙烷气瓶要轻拿轻放,严禁撞击,暴力装卸;(7)丙烷气瓶严禁安置在密闭的低柜之中,应保证丙烷气瓶底部的空气流通,丙烷气瓶在使用时如发现泄漏,应立即关闭瓶阀,进行通风;(8)车间内丙烷软管及接口处要不定期检查,发现漏气及时修复或者更换软管;(9)在进行气割、电焊等明火作业过程中严禁火焰朝向配电柜、可燃物、员工、燃气软管、用电线路等存在潜在危险的部位进行作业;(10)在进行明火作业前,首先要检查丙烷管线及接口处是否漏气,在保证丙烷管线正常情况下进行明火作业;(11)如需单独使用丙烷气瓶和氧气瓶,丙烷气瓶和氧气瓶保证足够的安全距离,并将气瓶直立放置、固定,禁止倒置使用;(12)丙烷气瓶存放或使用时要固定好,防止滚动或跌倒。
(完整版)丙烷的理化性质及危险特性丙烷的理化性质及危险特性丙烷是一种常见的烃类化合物,也是天然气中的重要成分之一。
本文将介绍丙烷的理化性质以及其可能的危险特性。
理化性质分子结构和化学式丙烷的化学式为C3H8,分子结构由3个碳和8个氢原子组成。
它属于直链烷烃,分子式中的3表示有3个碳原子。
状态和外观丙烷是一种气体,常温下呈无色、无臭的形态。
沸点和熔点丙烷的沸点为-42.1°C,熔点为-187.7°C。
这意味着在常温下,丙烷处于气态。
密度和相对分子质量丙烷的密度为0.493 g/cm³,相对分子质量为44.1 g/mol。
燃烧性质丙烷是可燃气体,支持燃烧。
当丙烷与空气中的氧气相混合并遇到火源时,会发生燃烧反应,产生二氧化碳和水。
危险特性高压和爆炸危险丙烷是一种易燃气体,能够在一定条件下形成可燃的混合物。
当丙烷与空气中的氧气浓度达到合适比例时,并受到火源或电火花的引燃,可能引发爆炸。
因此,在处理或储存丙烷时,需要采取安全措施,确保其不暴露于极端温度或高压环境。
潜在窒息风险丙烷是一种惰性气体,具有窒息风险。
当丙烷泄漏到封闭或不通风的空间中,会取代空气中的氧气,造成窒息和缺氧。
毒性丙烷本身不具有明显的毒性。
然而,高浓度的丙烷气体可能对人体呼吸系统产生刺激作用,导致头晕、恶心等症状。
总结丙烷是一种常见且重要的烃类化合物。
它具有易燃、高压和爆炸危险、潜在窒息风险以及一定程度的刺激性。
在使用或处理丙烷时,应注意采取安全措施,以防止潜在的危险发生。
表记理化性质焚烧爆炸危险性表丙烷的理化性质及危险特征表中文名:丙烷英文名: propane分子式: C3H8分子量:CAS 号: 74-98-6危险货物编号:21011 ,第 2.1 类,易燃气体。
UN 编号: 1978危险性类型:易燃气体,类型 1目录序号: 139加压气体性状:无色气体,纯品无臭。
溶解性:微溶于水,溶于乙醇、乙醚。
熔点(℃):沸点(℃):相对密度(水 =1 ):焚烧热( kJ/mol ):饱和蒸汽压( kPa):53.32(-55.6 ℃)相对密度(空气=1):燃爆危险:本品易燃。
焚烧分解产物:一氧化碳、二氧化碳。
建规火险分级:甲聚合危害:不聚合。
闪点(℃): -104(闭杯 )。
稳固性:稳固爆炸极限( V% ):~。
防止接触的条件:引燃温度(℃): 450 最小点火能( mJ)禁忌物:强氧化剂、卤素。
毒性健康危害抢救应急危险特征:易燃气体。
与空气混淆能形成爆炸性混淆物,遇热源和明火有焚烧爆炸的危险。
与氧化剂接触剧烈反响。
气体比空气重,能在较低处扩散到相当远的地方,遇火源会着火回燃。
消防举措:切气绝源。
若不可以切气绝源,则不同意熄灭泄露处的火焰。
喷水冷却容器,可能的话将容器从火场移至空阔处。
灭火剂:雾状水、泡沫、二氧化碳、干粉。
接触限值:中国MAC :未拟订标准;前苏联MAC : 300mg/m3毒理资料:LD50 :无资料LC50 :无资料本品有纯真性窒息及麻醉作用。
人短暂接触1%丙烷,不惹起症状;10%以下的浓度,只引起轻度头晕;接触高浓度时可出现麻醉状态、意识丧失;极高浓度时可致窒息。
快速离开现场至空气新鲜处。
保持呼吸道畅达。
如呼吸困难,给输氧。
如呼吸停止,立刻进行人工呼吸。
就医。
快速撤退泄露污染区人员至上风处,并进行隔绝,严格限制进出。
切断火源。
建议应急办理办理人员戴自给正压式呼吸器,穿防静电工作服。
尽可能切断泄露源。
用工业覆盖层或吸附/ 汲取剂遮住泄露点邻近的下水道等地方,防备气体进入。
丙烷危险化学品安全数据表1. 基本信息- 化学品名称:丙烷- CAS号:74-98-62. 物理性质- 外观:无色气体- 分子式:C3H8- 相对分子质量:44.10- 沸点:-42.1°C- 熔点:-187.7°C- 密度:0.58 g/cm3 (液态)- 溶解性:可溶于乙醇、乙醚和液氨3. 危险性描述- 丙烷是易燃气体,容易引起火灾和爆炸。
- 遇到明火、高温和明火源会发生剧烈燃烧,可能引发火灾或爆炸事故。
- 不与氧气等强氧化剂接触,以防止火灾事故的发生。
- 吸入高浓度的丙烷会引起中枢神经系统抑制,嗜睡、头晕、恶心和呕吐。
- 长时间暴露在高浓度的丙烷中可能导致神经系统损害。
4. 急救措施- 吸入:将患者迅速移到新鲜空气中,保持呼吸道通畅,如有需要进行人工呼吸。
- 眼部接触:立即用大量清水冲洗眼睛,至少15分钟,同时寻求医疗救助。
- 皮肤接触:立即将沾染丙烷的衣物脱掉,并用大量清水冲洗皮肤,如有烧伤或损伤应寻求医疗救助。
- 摄入:切勿让患者呕吐,立即送往医院就诊。
5. 防护措施- 直接接触:使用防爆工具,避免丙烷液体接触皮肤和眼睛。
穿戴防护手套、口罩和护目镜。
- 通风良好的场所使用:保持良好的通风,在密闭场所使用丙烷时应注意爆炸和火灾的危险性。
- 储存:存放在远离火源和热源的阴凉、干燥的地方,远离易燃物和氧化剂,避免日晒和高温。
- 丙烷气瓶:使用专用丙烷气瓶,并妥善存放和携带,避免挤压和剧烈震动。
- 灭火剂:对于小规模火灾,可以使用二氧化碳、干粉灭火器进行灭火。
以上信息仅供参考,请在使用丙烷化学品前详细阅读并遵守相关安全操作指南和法规要求。
第1篇一、引言丙烷作为一种重要的燃料和化工原料,广泛应用于工业、商业和家庭领域。
然而,丙烷在使用过程中存在一定的安全隐患,若操作不当,极易引发火灾、爆炸等事故。
为了保障人民生命财产安全,本文将对使用丙烷的安全规定及注意事项进行详细阐述。
二、丙烷的性质及危害1. 丙烷的性质丙烷是一种无色、无味、易燃的气体,在常温下呈气态。
在空气中,丙烷的爆炸极限为2.1%至9.5%,当浓度超过这个范围时,遇火源易发生爆炸。
丙烷的密度约为空气的1.5倍,不易溶于水。
2. 丙烷的危害(1)火灾:丙烷遇火源、高温或自燃,易引发火灾。
(2)爆炸:丙烷与空气混合达到爆炸极限时,遇火源易发生爆炸,造成人员伤亡和财产损失。
(3)中毒:丙烷在高浓度下对人体呼吸系统、中枢神经系统等产生毒性作用,可导致中毒。
三、使用丙烷的安全规定1. 设备安全(1)选用合格的丙烷设备,确保设备符合国家相关标准。
(2)定期检查设备,发现问题及时维修或更换。
(3)使用丙烷设备时,注意设备密封性能,防止泄漏。
2. 燃料储存(1)储存丙烷的容器应放置在通风、干燥、阴凉处,远离火源、热源。
(2)储存容器应定期检查,确保无破损、泄漏。
(3)储存容器应放置在稳固的支架上,防止倾倒。
3. 燃料使用(1)使用丙烷时,应按照操作规程进行,严禁违规操作。
(2)点燃丙烷前,应先检查设备是否漏气,确认无泄漏后方可点燃。
(3)点燃丙烷时,应站在上风口,避免火焰直接吹向人体。
(4)使用丙烷设备时,注意火焰、温度控制,防止过热。
4. 紧急处理(1)发现丙烷泄漏,应立即关闭阀门,切断火源。
(2)在确保安全的前提下,使用灭火器、泡沫灭火剂等灭火。
(3)发生火灾、爆炸事故,立即拨打119报警,并迅速撤离现场。
四、使用丙烷的注意事项1. 定期检查设备,确保设备安全可靠。
2. 了解丙烷的性质和危害,提高安全意识。
3. 按照操作规程使用丙烷设备,避免违规操作。
4. 储存、使用丙烷时,注意通风、防火、防爆。
丙烷理化性质及危险特性表物质名称:丙烷英文名称:propane危险性类别:第2.1类易燃气体物化特性熔点(℃)-187.6沸点(℃)-42.1溶解性微溶于水,溶于乙醇、乙醚。
危险货物编号:21011UN编号:1978相对密度(空气=1)1.560.58(-44.5℃)饱和蒸气压53.32(-55.6燃烧热2217.8(kPa)℃)(kJ/mol)外观与气味无色气体,纯品无臭。
相对密度(水=1)火灾爆炸危险数据闪点(℃)临界温度(℃)灭火剂灭火方法危险特性反应活性数据稳定性:稳定健康危害数据侵入途径急性毒性-10496.8爆炸极限(%)临界压力(MPa)上限9.5下限2.1建筑火险分级甲4.25燃烧性本品易燃。
雾状水、泡沫、二氧化碳、干粉。
切断气源。
若不能切断气源,则不允许熄灭泄漏处的火焰。
喷水冷却容器,可能的话将容器从火场移至空旷处。
易燃气体。
与空气混合能形成爆炸性混合物,遇热源和明火有燃烧爆炸的危险。
与氧化剂接触猛烈反应。
气体比空气重,能在较低处扩散到相当远的地方,遇火源会着火回燃。
聚合危险性:不聚合禁忌物:强氧化剂、卤素有害燃烧产物:一氧化碳、二氧化碳。
吸入、经皮吸收LD50无资料LC50无资料健康危害本品有单纯性窒息及麻醉作用。
人短暂接触1%丙烷,不引起症状;10%以下的浓度,只引起轻度头晕;接触高浓度时可出现麻醉状态、意识丧失;极高浓度时可致窒息。
泄漏紧急处理迅速撤离泄漏污染区人员至上风处,并进行隔离,严格限制出入。
切断火源。
建议应急处理人员戴自给正压式呼吸器,穿防静电工作服。
尽可能切断泄漏源。
用工业覆盖层或吸附/吸收剂盖住泄漏点附近的下水道等地方,防止气体进入。
合理通风,加速扩散。
喷雾状水稀释、溶解。
构筑围堤或挖坑收容产生的大量废水。
如有可能,将漏出气用排风机送至空旷地方或装设适当喷头烧掉。
漏气容器要妥善处理,修复、检验后再用。
运输注意事项:本品铁路运输时限使用耐压液化气企业自备罐车装运,装运前需报有关部门批准。