1,2-二氯丙烷的理化性质及危险特性表
- 格式:xlsx
- 大小:9.08 KB
- 文档页数:2
1,2-二氯丙烷编辑目录1简介2物质毒性1简介编辑名称: 1,2-二氯丙烷[1]英语名称: dichloropropaneCAS : 78-87-5中文名称:1,2-二氯丙烷;二氯丙烷的物化性质及规格1、外观:无色透明液体,有像氯仿的气味,密度1.13—1.15。
折射率1.4388。
沸点96.8℃。
闪点31℃,着火点38℃。
不溶于水,易溶于乙醚,与大多数有机溶剂可混溶。
2、分子量:112.93、分子式CH3CHCLCH2CL4、比重:1.156(20℃)5、沸点:100-129℃6、爆炸范围:3.4-14.5%二氯丙烷规格、管路敷设技术通过管线敷设技术不仅可以解决吊顶层配置不规范高中资料试卷问题,而且可保障各类管路习题到位。
在管路敷设过程中,要加强看护关于管路高中资料试卷连接管口处理高中资料试卷弯扁度固定盒位置保护层防腐跨接地线弯曲半径标高等,要求技术交底。
管线敷设技术中包含线槽、管架等多项方式,为解决高中语文电气课件中管壁薄、接口不严等问题,合理利用管线敷设技术。
线缆敷设原则:在分线盒处,当不同电压回路交叉时,应采用金属隔板进行隔开处理;同一线槽内,强电回路须同时切断习题电源,线缆敷设完毕,要进行检查和检测处理、电气课件中调试对全部高中资料试卷电气设备,在安装过程中以及安装结束后进行高中资料试卷调整试验;通电检查所有设备高中资料试卷相互作用与相互关系,根据生产工艺高中资料试卷要求,对电气设备进行空载与带负荷下高中资料试卷调控试验;对设备进行调整使其在正常工况下与过度工作下都可以正常工作;对于继电保护进行整核对定值,审核与校对图纸,编写复杂设备与装置高中资料试卷调试方案,编写重要设备高中资料试卷试验方案以及系统启动方案;对整套启动过程中高中资料试卷电气设备进行调试工作并且进行过关运行高中资料试卷技术指导。
对于调试过程中高中资料试卷技术问题,作为调试人员,需要在事前掌握图纸资料、设备制造厂家出具高中资料试卷试验报告与相关技术资料,并且了解现场设备高中资料试卷布置情况与有关高中资料试卷电气系统接线等情况,然后根据规范与规程规定,制定设备调试高中资料试卷方案。
化学品安全技术说明书第一部分化学品及企业标识化学品中文名:1,2-二氯丙烷化学品英文名:1,2-dichloropropane|propylene dichloride化学品别名:二氯化丙烯CAS No.:78-87-5EC No.:201-152-2分子式:C3H6Cl2第二部分危险性概述| 紧急情况概述液体。
高度易燃,其蒸气与空气混合,能形成爆炸性混合物。
| GHS 危险性类别根据 GB 30000-2013 化学品分类和标签规范系列标准(参阅第十六部分),该产品分类如下:易燃液体,类别 2。
| 标签要素象形图警示词:危险危险信息:高度易燃液体和蒸气。
防范说明预防措施:远离热源、热表面、火花、明火以及其它点火源。
禁止吸烟。
保持容器密闭。
容器和接收设备接地和等势联接。
使用不产生火花的工具。
采取措施,防止静电放电。
戴防护手套/穿防护服/戴防护眼罩/戴防护面具。
事故响应:如皮肤(或头发)沾染:立即去除/脱掉所有沾染的衣服。
用水清洗皮肤或淋浴。
安全储存:存放在通风良好的地方。
保持低温。
废弃处置:按照地方/区域/国家/国际规章处置内装物/容器。
| 危害描述物理化学危险高度易燃液体,其蒸气与空气混合,能形成爆炸性混合物。
健康危害吸入该物质可能会引起对健康有害的影响或呼吸道不适。
意外食入本品可能对个体健康有害。
通过割伤、擦伤或病变处进入血液,可能产生全身损伤的有害作用。
眼睛直接接触本品可导致暂时不适。
环境危害请参阅 SDS 第十二部分。
第三部分成分/组成信息√物质混合物第四部分急救措施| 急救措施描述一般性建议:急救措施通常是需要的,请将本 SDS 出示给到达现场的医生。
皮肤接触:立即脱去污染的衣物。
用大量肥皂水和清水冲洗皮肤。
如有不适,就医。
眼睛接触:用大量水彻底冲洗至少 15 分钟。
如有不适,就医。
吸入:立即将患者移到新鲜空气处,保持呼吸畅通。
如果呼吸困难,给于吸氧。
如患者食入或吸入本物质,不得进行口对口人工呼吸。
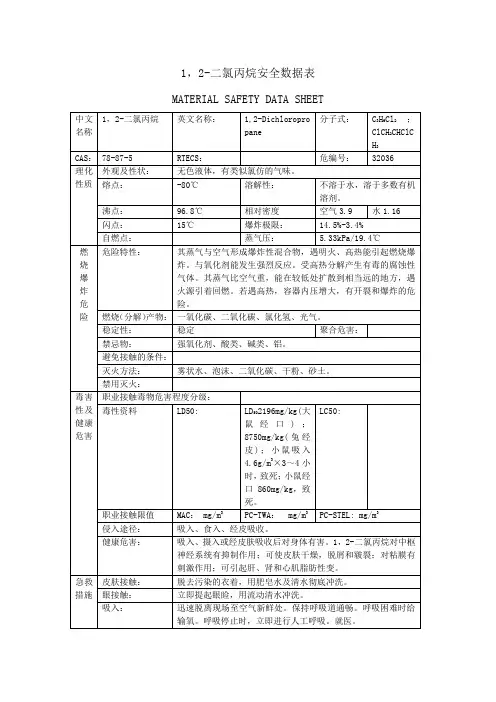
1、物质的理化常数CA国标编号: 3203678-87-5S:中文名称: 1,2-二氯丙烷英文名称: 1,2-Dichloropropane别名: 氯化丙烯分子分子式: C3H6Cl2;ClCH2CHClCH3112.99量:熔点: -80℃ 沸点:96.8℃密度: 相对密度(水=1)1.16;蒸汽压: 15℃溶解性: 不溶于水,溶于多数有机溶剂稳定性: 稳定外观与性无色液体,有类似氯仿的气味状:危险标记: 7(中闪点易燃液体)用途: 用作脂肪、油、蜡、树脂和树胶的溶剂及杀虫剂等2.对环境的影响:一、健康危害侵入途径:吸入、食入、经皮吸收。
健康危害:吸入、摄入或经皮肤吸收后对身体有害。
1,2-二氯丙烷对中枢神经系统有抑制作用;可使皮肤干燥,脱屑和皲裂;对粘膜有刺激作用;可引起肝、肾和心肌脂肪性变。
二、毒理学资料及环境行为急性毒性:LD502196mg/kg(大鼠经口);8750mg/kg(兔经皮);小鼠吸入4.6g/m3×3~4小时,致死;小鼠经口860mg/kg,致死。
亚急性和慢性毒性:小鼠吸入1.85g/m3×4~7小时/2~12次,肝细胞轻度脂肪变性;大鼠吸入4.4g/m3×7小时×6~32次,半数动物死亡。
致突变性:Ames试验沙门氏菌株TA1535、TA1978、TA100,10~50mg/皿阳性。
危险特性:其蒸气与空气形成爆炸性混合物,遇明火、高热能引起燃烧爆炸。
与氧化剂能发生强烈反应。
受高热分解产生有毒的腐蚀性气体。
其蒸气比空气重,能在较低处扩散到相当远的地方,遇火源引着回燃。
若遇高热,容器内压增大,有开裂和爆炸的危险。
燃烧(分解)产物:一氧化碳、二氧化碳、氯化氢、光气。
3.现场应急监测方法:便携式气相色谱法4.实验室监测方法:吹扫捕集-气相色谱法(中国环境监测总站,水质)气相色谱法《固体废弃物试验与分析评价手册》中国环境监测总站等译色谱/质谱法美国EPA524.2方法5.环境标准:前苏联车间空气中有害物质的最高容许浓度 10mg/m3嗅觉阈浓度 50ppm6.应急处理处置方法:一、泄漏应急处理疏散泄漏污染区人员至安全区,禁止无关人员进入污染区,切断火源。
1,2-二氯丙烷安全技术说明书第一部分化学品及企业标识化学品中文名称: 1,2-二氯丙烷化学品英文名称:1,2-dichloropropane 企业名称:地址:邮编:电子邮件地址:联系电话:传真号码:企业应急电话:产品代码:产品推荐用途:用作有机合成原料,油类、脂肪的溶剂,洗涤剂,树脂、农药的原料是替代甲苯的重要产品。
产品限制用途:无资料第二部分危险性概述物理化学危险:其蒸气与空气形成爆炸性混合物,遇明火、高热能引起燃烧爆炸。
与氧化剂能发生强烈反应。
受高热分解产生有毒的腐蚀性气体。
其蒸气比空气重,能在较低处扩散到相当远的地方,遇火源引着回燃。
若遇高热,容器内压增大,有开裂和爆炸的危险。
健康危害:吸入、摄入或经皮肤吸收后对身体有害。
1,2-二氯丙烷对中枢神经系统有抑制作用;可使皮肤干燥,脱屑和皲裂;对粘膜有刺激作用;可引起肝、肾和心肌脂肪性变。
环境危害:对环境有危害,对大气臭氧层有极强的破坏力。
GHS危险性类别:根据《化学品分类和危险性公示通则》(GB 13690-2009)及化学品分类、警示标签和警示性说明规范系列标准,该产品属于易燃液体,类别2;急性毒性-经口,类别4;急性毒性-吸入,类别4。
标签要素:象形图:警示词:危险危险信息:高度易燃液体和蒸气; 吞咽有害; 吸入有害; 防范说明:预防措施:密闭操作,全面通风。
操作人员必须经过专门培训,严格遵守操作规程。
远离火种、热源,工作场所严禁吸烟。
按要求使用个体防护装备。
使用防爆型的通风系统和设备。
防止蒸汽泄漏到工作场所空气中。
避免与氧化剂、强酸接触。
搬运时轻装轻卸。
配备相应品种和数量的消防器材及泄漏应急处理设备。
工作场所不得进食、饮水。
事故响应:如发生火灾,可用泡沫、干粉、二氧化碳、砂土灭火。
皮肤接触:脱去污染的衣着,用肥皂水和清水彻底冲洗皮肤。
眼睛接触:提起眼睑,用流动清水或生理盐水冲洗。
就医。
吸入:迅速脱离现场至空气新鲜处。
保持呼吸道通畅。
如呼吸困难,给输氧。
1,2-二氯丙烷编辑1简介2物质毒性1简介编辑名称:1,2-二氯丙烷[1]英语名称:dichlo ropro paneCAS:78-87-5中文名称:1,2-二氯丙烷;二氯丙烷的物化性质及规格1、外观:无色透明液体,有像氯仿的气味,密度1.13—1.15。
折射率1.4388。
沸点96.8℃。
闪点31℃,着火点38℃。
不溶于水,易溶于乙醚,与大多数有机溶剂可混溶。
2、分子量:112.93、分子式CH3CHCLC H2CL4、比重:1.156(20℃)5、沸点:100-129℃6、爆炸范围:3.4-14.5%二氯丙烷规格指标名称指标酸度%(以乙酸计)≤0.10密度(20℃)实测水分(WT%)≤1.0馏程初馏点,℃≥5050%馏出温度,℃≤11095%馏出温度,℃≤205备注外观浅黄色至无色透明液体,无机械杂质无色气体,有氯仿的气味。
二氯丙烷的用途用途:主要用于油漆、油墨,用于配制油漆、油墨、稀释剂及PV C 胶粘剂,是一种优良的有机溶剂,可替代二甲苯等苯类的有关用途用于制作无苯香蕉水、淄博沃美化工提供天那水、聚胺脂稀释剂等,与苯、酮、酯等有机溶剂相溶。
作为氯醇法生产PO的副产物,用于稀料生产的主要原料,用作油漆稀释剂。
/低毒环保代替甲苯二甲苯,广泛用于无苯天那水无苯胶水无苯油漆!【溶解情况】不溶于水,易溶于乙醚,与大多数有机溶剂可混溶。
【制备或来源】由丙烯与氯气在二氯丙烷中液相低温加成和分馏而制得;也是丙烯高温氯化制氯丙烯的副产品沃美化工提供。
运输二氯丙烷属化学危险品,可槽车运输或桶装运输,但都须有化学危险品营运证2.对环境的影响:一、健康危害侵入途径:吸入、食入、经皮吸收。
健康危害:吸入、摄入或经皮肤吸收后对身体有害。
1,2-二氯丙烷对中枢神经系统有抑制作用;可使皮肤干燥,脱屑和皲裂;对粘膜有刺激作用;可引起肝、肾和心肌脂肪性变。
1,2-二氯丙烷化学品安全技术说明书第一部分:化学品名称化学品中文名称:1,2-二氯丙烷化学品英文名称:1,2-dichloropropane技术说明书编码:1051CAS No.:78-87-5分子式:C3H6Cl2分子量:112.99第二部分:成分/组成信息有害物成分含量CAS No.: 有害物成分含量CAS No.1,2-二氯丙烷78-87-5第三部分:危险性概述健康危害:吸入、摄入或经皮肤吸收后对身体有害。
1,2-二氯丙烷对中枢神经系统有抑制作用;可使皮肤干燥,脱屑和皲裂;对粘膜有刺激作用;可引起肝、肾和心肌脂肪性变。
环境危害:对环境有危害,对大气臭氧层有极强破坏力。
燃爆危险:本品易燃,具刺激性。
第四部分:急救措施皮肤接触:脱去污染的衣着,用流动清水冲洗。
眼睛接触:提起眼睑,用流动清水或生理盐水冲洗。
就医。
吸入:迅速脱离现场至空气新鲜处。
保持呼吸道通畅。
如呼吸困难,给输氧。
如呼吸停止,立即进行人工呼吸。
就医。
食入:饮足量温水,催吐。
就医。
第五部分:消防措施危险特性:其蒸气与空气可形成爆炸性混合物,遇明火、高热极易燃烧爆炸。
与氧化剂接触猛烈反应。
受高热分解产生有毒的氯化物气体。
流速过快,容易产生和积聚静电。
其蒸气比空气重,能在较低处扩散到相当远的地方,遇火源会着火回燃。
若遇高热,容器内压增大,有开裂和爆炸的危险。
有害燃烧产物:一氧化碳、二氧化碳、氯化氢、光气。
灭火方法:消防人员须佩戴防毒面具、穿全身消防服,在上风向灭火。
尽可能将容器从火场移至空旷处。
喷水保持火场容器冷却,直至灭火结束。
处在火场中的容器若已变色或从安全泄压装置中产生声音,必须马上撤离。
灭火剂:雾状水、泡沫、干粉、二氧化碳、砂土。
第六部分:泄漏应急处理应急处理:迅速撤离泄漏污染区人员至安全区,并进行隔离,严格限制出入。
切断火源。
建议应急处理人员戴自给正压式呼吸器,穿防静电工作服。
尽可能切断泄漏源。
防止流入下水道、排洪沟等限制性空间。
第1部分化学品及企业标识化学品中文名:1,2-二氯丙烷化学品英文名:1,2-dichloropropaneCAS号:78-87-5分子式:C3H6Cl2分子量:112.99产品推荐及限制用途:工业及科研用途。
第2部分危险性概述紧急情况概述:高度易燃液体和蒸气。
吞咽有害。
吸入有害。
可能致癌。
GHS危险性类别:易燃液体类别2急性经口毒性类别4急性吸入毒性类别4致癌性类别1B标签要素:象形图:警示词:危险危险性说明:H225高度易燃液体和蒸气H302吞咽有害H332吸入有害H350可能致癌防范说明:•预防措施:——P210远离热源/火花/明火/热表面。
禁止吸烟。
——P233保持容器密闭。
——P240容器和装载设备接地/等势联接。
——P241使用防爆的电气/通风/照明/设备。
——P242只能使用不产生火花的工具。
——P243采取防止静电放电的措施。
——P280戴防护手套/穿防护服/戴防护眼罩/戴防护面具。
——P264作业后彻底清洗。
——P270使用本产品时不要进食、饮水或吸烟。
——P261避免吸入粉尘/烟/气体/烟雾/蒸气/喷雾。
——P271只能在室外或通风良好处使用。
——P201使用前取得专用说明。
——P202在阅读并明了所有安全措施前切勿搬动。
•事故响应:——P303+P361+P353如皮肤(或头发)沾染:立即脱掉所有沾染的衣服。
用水清洗皮肤/淋浴。
——P370+P378火灾时:使用灭火器灭火。
——P301+P312如误吞咽:如感觉不适,呼叫解毒中心/医生——P330漱口。
——P304+P340如误吸入:将人转移到空气新鲜处,保持呼吸舒适体位。
——P312如感觉不适,呼叫解毒中心/医生——P308+P313如接触到或有疑虑:求医/就诊。
•安全储存:——P403+P235存放在通风良好的地方。
保持低温。
——P405存放处须加锁。
•废弃处置:——P501按当地法规处置内装物/容器。
物理和化学危险:高度易燃液体和蒸气。