丙烷理化特性表
- 格式:doc
- 大小:31.00 KB
- 文档页数:1
丙烷21011(2.1类易燃气体)包装:钢制气瓶物质名称丙烷危规号:21011 UN:1978物化特性沸点(℃)-42.1 比重(水=1)0.58(-44.5℃)饱和蒸气压(kPa)53.32(-55.6℃)熔点(℃)-187.6蒸气密度(空气 1.56 溶解性微溶于水,溶于乙醇、乙醚。
外观与气味无色气体,纯品无臭。
火灾爆炸危险数据闪点(℃)-104 爆炸极限爆炸上限%(V/V):9.5;爆炸下限%(V/V):2.1 灭火剂雾状水、泡沫、二氧化碳、干粉。
灭火方法切断气源。
若不能切断气源,则不允许熄灭泄漏处的火焰。
喷水冷却容器,可能的话将容器从火场移至空旷处。
危险特性易燃气体。
与空气混合能形成爆炸性混合物,遇热源和明火有燃烧爆炸的危险。
与氧化剂接触猛烈反应。
气体比空气重,能在较低处扩散到相当远的地方,遇火源会着火回燃。
反应活性数据稳定性不稳定稳定√避免条件聚合危险性可能存在不存在√避免条件禁忌物强氧化剂、卤素燃烧(分解)产物一氧化碳、二氧化碳健康危害数据侵入途径吸入√皮肤口急性毒性LD50无资料LC50无资料健康危害本品有单纯性窒息及麻醉作用。
人短暂接触 1%丙烷,不引起症状;10%以下的浓度,只引起轻度头晕;接触高浓度时可出现麻醉状态、意识丧失;极高浓度时可致窒息。
泄漏紧急处理迅速撤离泄漏污染区人员至上风处,并进行隔离,严格限制出入。
切断火源。
建议应急处理人员戴自给正压式呼吸器,穿防静电工作服。
尽可能切断泄漏源。
用工业覆盖层或吸附/ 吸收剂盖住泄漏点附近的下水道等地方,防止气体进入。
合理通风,加速扩散。
喷雾状水稀释、溶解。
构筑围堤或挖坑收容产生的大量废水。
如有可能,将漏出气用排风机送至空旷地方或装设适当喷头烧掉。
漏气容器要妥善处理,修复、检验后再用。
储运注意事项储存于阴凉、通风的库房。
远离火种、热源。
库温不宜超过30℃。
应与氧化剂、卤素分开存放,切忌混储。
采用防爆型照明、通风设施。
禁止使用易产生火花的机械设备和工具。
(完整版)丙烷的理化性质及危险特性1. 理化性质
- 化学式: C3H8
- 分子量: 44.1 g/mol
- 外观: 无色气体
- 沸点: -42℃
- 密度: 0.493 g/cm³
- 溶解性: 不溶于水
2. 危险特性
2.1 火灾危险特性
- 丙烷是易燃气体,可以在空气中形成可燃混合物。
- 火源或高温加热丙烷会导致爆炸。
- 在高温下,丙烷可能由于过高的压力而破裂。
2.2 毒性
- 丙烷在正常使用条件下对人体无明显毒性。
然而,长时间暴
露在高浓度的丙烷蒸气下可能引起眼睛和呼吸道刺激。
- 高浓度的丙烷蒸气可能对中枢神经系统产生影响,引起头晕、头痛和恶心。
2.3 燃烧产物
- 丙烷在完全燃烧时,主要产生二氧化碳和水蒸气。
- 不完全燃烧会产生一氧化碳和有毒气体,如甲醛等,对人体
有害。
2.4 环境影响
- 丙烷在大气中会参与光化学反应,生成臭氧,对大气层产生
不良影响。
- 丙烷的燃烧会释放二氧化碳,增加温室效应,对气候产生影响。
3. 安全建议
- 在使用和储存丙烷时,应遵循相关的安全操作规程,如使用防爆设备、保持良好的通风等。
- 避免直接接触丙烷,使用适当的个人防护装备,如手套、护目镜等。
- 确保丙烷密封良好,远离火源和高温区域。
以上仅为丙烷的理化性质及危险特性简要介绍,具体信息请参考可靠的科学文献和法规文件。
> 注意:以上信息仅供参考,如有需要,请在查证后使用。
References:
- Reference 1
- Reference 2。
丙烷21011(2.1类易燃气体)包装:钢制气瓶物质名称丙烷危规号:21011 UN:1978物化特性沸点(℃)-42.1 比重(水=1)0.58(-44.5℃)饱和蒸气压(kPa)53.32(-55.6℃)熔点(℃)-187.6蒸气密度(空气 1.56 溶解性微溶于水,溶于乙醇、乙醚。
外观与气味无色气体,纯品无臭。
火灾爆炸危险数据闪点(℃)-104 爆炸极限爆炸上限%(V/V):9.5;爆炸下限%(V/V):2.1 灭火剂雾状水、泡沫、二氧化碳、干粉。
灭火方法切断气源。
若不能切断气源,则不允许熄灭泄漏处的火焰。
喷水冷却容器,可能的话将容器从火场移至空旷处。
危险特性易燃气体。
与空气混合能形成爆炸性混合物,遇热源和明火有燃烧爆炸的危险。
与氧化剂接触猛烈反应。
气体比空气重,能在较低处扩散到相当远的地方,遇火源会着火回燃。
反应活性数据稳定性不稳定稳定√避免条件聚合危险性可能存在不存在√避免条件禁忌物强氧化剂、卤素燃烧(分解)产物一氧化碳、二氧化碳健康危害数据侵入途径吸入√皮肤口急性毒性LD50无资料LC50无资料健康危害本品有单纯性窒息及麻醉作用。
人短暂接触 1%丙烷,不引起症状;10%以下的浓度,只引起轻度头晕;接触高浓度时可出现麻醉状态、意识丧失;极高浓度时可致窒息。
泄漏紧急处理迅速撤离泄漏污染区人员至上风处,并进行隔离,严格限制出入。
切断火源。
建议应急处理人员戴自给正压式呼吸器,穿防静电工作服。
尽可能切断泄漏源。
用工业覆盖层或吸附/ 吸收剂盖住泄漏点附近的下水道等地方,防止气体进入。
合理通风,加速扩散。
喷雾状水稀释、溶解。
构筑围堤或挖坑收容产生的大量废水。
如有可能,将漏出气用排风机送至空旷地方或装设适当喷头烧掉。
漏气容器要妥善处理,修复、检验后再用。
储运注意事项储存于阴凉、通风的库房。
远离火种、热源。
库温不宜超过30℃。
应与氧化剂、卤素分开存放,切忌混储。
采用防爆型照明、通风设施。
禁止使用易产生火花的机械设备和工具。
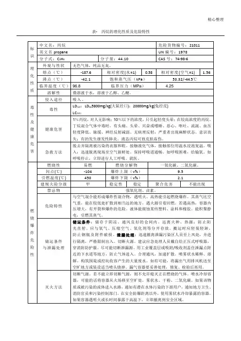
丙烷的理化性质及危险特性表丙烷是一种易燃气体,属于类别1的危险性气体。
它是一种无色气体,纯品没有气味。
其英文名为propane,分子量为44.10,CAS号为74-98-6,UN编号为1978,目录序号为139.它微溶于水,但可以溶于乙醇和乙醚。
丙烷的熔点为-187.6℃,沸点为-42.1℃,相对密度为0.58.其燃烧热为2217.8kJ/mol,饱和蒸汽压为53.32kPa(在-55.6℃时),相对密度为1.56(与空气相比)。
丙烷易燃,具有燃爆危险,其建议火险分级为甲。
其闪点为-104℃(闭杯),爆炸极限为2.1~9.5%(体积百分比),引燃温度为450℃,最小点火能为0.31mJ。
丙烷的燃烧分解产物为一氧化碳和二氧化碳,不会聚合,稳定性较好。
丙烷是一种易燃气体,与空气混合后能形成爆炸性混合物。
当遇到热源和明火时,会有燃烧爆炸的危险。
丙烷还会与氧化剂接触产生剧烈反应。
由于丙烷比空气重,因此能在较低处扩散到相当远的地方,遇火源会着火回燃。
因此,在消防措施中,需要切断气源,喷水冷却,并使用雾状水、泡沫、二氧化碳或干粉等灭火剂。
丙烷对人体有单纯性窒息及麻醉作用。
短暂接触1%丙烷不会引起症状,10%以下的浓度只会引起轻度头晕,接触高浓度时可出现麻醉状态和意识丧失,极高浓度时可致窒息。
因此,需要迅速脱离现场至空气新鲜处,保持呼吸道通畅。
如呼吸困难,需要给输氧,如呼吸停止,需要立即进行人工呼吸,并就医。
在泄漏污染区,需要迅速撤离人员至上风处进行隔离,并切断火源。
应急处理人员需要戴自给正压式呼吸器,穿防静电工作服。
尽可能切断泄漏源,用工业覆盖层或吸附/吸收应急剂盖住泄漏点附近的下水道等地方,防止气体进入。
合理通风,加速扩散。
喷雾状水稀释、处理溶解。
构筑围堤或挖坑收容产生的大量废水。
如有可能,将漏出气用排风机送至空旷地方或装设适当喷头烧掉。
漏气需要妥善处理,修复、检验后再使用。
在进行气体操作时,必须进行密闭操作并全面通风。
丙烷的理化特性丙烷是一种无色、无臭、易燃、透明的气体,具有许多独特的理化特性。
本文将介绍丙烷的物理性质、化学性质以及一些其他有意义的特性。
物理性质密度:丙烷的密度为0.493 g/mL(液态),0.00188g/mL(气态)。
沸点:丙烷的正常沸点为-42.1℃,也就是说,它在室温下处于气态。
熔点:丙烷的熔点为-187.5℃,也就是说,它可以在很低的温度下固化成冰。
相对分子质量:丙烷的相对分子质量为44.10 g/mol。
溶解性:丙烷是一种不极性分子,因此不溶于水。
它可以溶于一些有机溶剂,例如:乙醇、乙醚、氯仿等。
化学性质燃烧:丙烷是一种有机物,可以被空气中的氧气燃烧。
丙烷燃烧的化学方程式为:C3H8 + 5O2 → 3CO2 + 4H2O反应式表明,燃烧丙烷会产生二氧化碳和水。
氧化:可以通过加热或与氧气反应将丙烷氧化成丙醛、丙酮、丙二酸等产物,这取决于氧浓度和温度。
例如,用氧气催化氧化丙烷,会得到丙醛。
C3H8 + O2 → C3H6O + H2O加氢:丙烷还可以与氢气反应,生成丙烯或丙烷基化合物。
例如,丙烷在催化剂存在下与氢气反应,可以得到丙烯。
C3H8 + H2 → C3H6 + H2O腐蚀性:丙烷不具有腐蚀性,但它可以使某些金属失去它们的强度。
这是因为丙烷可以使氢离子(H+)积聚在金属表面上,从而腐蚀金属。
其他特性热值:丙烷的燃烧热值为50.3 MJ/kg,也就是它可以在燃烧时释放出大量的热能。
这使得丙烷成为一种广泛使用的燃料。
热导率:丙烷的热导率非常低,是空气的1/20。
这使得丙烷成为一种优秀的绝缘材料。
它在高温环境中不易燃烧,因此被广泛用于高温熔体处理。
自治性:丙烷是一种自治气体,也就是说,它不会与空气形成可爆炸的混合气体。
这在处理易燃物质时非常重要,因为它可以减少事故的发生。
无毒性:丙烷对人类和动物是无毒的,并且不会污染环境。
这使得它成为一种理想的清洗剂,用于清洁工业设备、电子器件等。