焊丝镀铜化学品
- 格式:doc
- 大小:202.50 KB
- 文档页数:24
焊丝化学镀铜生产技术引言焊丝是焊接过程中不可或缺的材料之一,它通过在焊接材料表面形成一层铜膜,提高焊接材料的导电性和耐腐蚀性。
本文将介绍焊丝化学镀铜生产技术的基本原理、工艺流程以及优缺点。
1. 基本原理焊丝化学镀铜是通过在焊丝表面电化学反应的过程中将铜离子还原到焊丝表面形成一层铜薄膜。
其中,还原反应由溶质中的镀液提供电子,同时在电极表面形成铜原子,反应过程可用下述方程式表示:Cu2+ + 2e- → Cu2. 工艺流程焊丝化学镀铜的生产过程通常包括以下几个关键步骤:2.1 除油除锈焊丝在生产过程中往往会附着一定量的油污和锈蚀物,这些杂质会影响化学镀铜的质量。
因此,在进行化学镀铜之前,需要对焊丝进行除油除锈处理。
2.2 酸洗酸洗是除去焊丝表面的氧化物和其它污染物的重要步骤。
常用的酸洗液包括硫酸和盐酸,酸洗的时间和温度需要根据焊丝材料的类型和规格来确定。
2.3 化学镀铜在化学镀铜前,需要准备好一定浓度的镀液。
常见的镀液成分包括铜盐、还原剂、酸、缓冲剂等。
化学镀铜时,焊丝作为阴极,将电流引入镀液中,使铜离子被还原到焊丝表面,形成一层均匀的铜膜。
2.4 清洗和干燥化学镀铜完成后,焊丝需要进行充分的清洗以去除残留的镀液。
清洗过程通常包括漂洗和酸洗,以确保焊丝的表面干净无杂质。
最后,焊丝需要进行干燥处理,以防止氧化和污染。
3. 优缺点焊丝化学镀铜技术具有以下优点:•镀铜膜均匀、致密,在提高焊接材料导电性和耐腐蚀性方面效果明显;•生产过程自动化程度高,生产效率较高;•镀铜的厚度可控,适用于不同厚度的焊丝。
然而,化学镀铜技术也存在一些缺点:•镀液中的化学药品对环境造成一定的污染;•对镀铜设备和操作的要求较高,影响了生产成本;•镀铜膜的耐磨损性较差,易受到机械划伤和磨损。
结论焊丝化学镀铜生产技术是一种常用的提高焊接材料导电性和耐腐蚀性的方法。
通过基本原理和工艺流程的介绍,可以看出这项技术具有一定的优点和缺点。
在实际应用中,我们需要综合考虑环境因素、生产成本和产品质量等因素,选择合适的化学镀铜技术来满足生产需求。
化学镀铜焊丝生产中焊丝含铜量、硫酸铜、硫酸消耗量及硫酸亚铁生成量、溶液酸铜比关系探讨摘要 通过化学镀铜焊丝生产实践参数获取已知条件,绘制简单的图形、建立数学模型,计算出化学镀铜焊丝的含铜量值为0.115 (%);通过化学反应方程式,计算出化学镀铜溶液中的反应物硫酸铜、硫酸的消耗量以及产生硫酸亚铁需进行溶液调整的最大浓度值为222.4(g/l );明确硫酸与硫酸铜之间的比值即酸铜比值为1.1,以有利于镀铜溶液的日常工艺维护、管理。
关键词 化学镀铜焊丝含铜量 硫酸铜 硫酸 硫酸亚铁 酸铜比根椐镀铜溶液中各物质的的相互作用的化学反应式,可以容易计算出生产1吨镀铜焊丝时,消耗硫酸铜、硫酸、以及产生硫酸亚铁的他们之间量的关系。
这对研究化学镀铜中合理的工艺参数有重要的作用。
结合实践,可以计算出硫酸亚铁的最大含量、溶液中较为合理的酸铜比。
下面是讨论化学镀铜溶液中各种物质之间量的关系。
以镀铜焊丝φ1.18mm 为例进行分析。
已知条件:φ1.18mm ,长1000mm ,实测铜层单边厚度0.3μm ,铜的密度8.9,铁的密度7.8。
镀铜焊丝横截面示意图。
φ1.18焊丝截面示意图1、求出规格φ1.2mm ,长1000mm 焊丝的含铜量镀铜层质量 1794.118.1W W W Cu -==⎥⎥⎦⎤⎢⎢⎣⎡⎪⎭⎫ ⎝⎛⨯-⎪⎭⎫ ⎝⎛⨯⨯⨯22Cu 1021021009.8Fe r r π =0.00989036886 (mg )焊丝铁芯质量 21021008.7⎪⎭⎫ ⎝⎛⨯⨯⨯=Fe Fe r W π =8.516997236m (mg )焊丝总质量 526887605.8=+=+Fe Cu Fe Cu W W W (mg )焊丝铜含量 %100⨯+FeCu Cu W W W =0.115 (%)2、生产1吨焊丝消耗硫酸铜、硫酸的用量,以及产生硫酸亚铁的量。
⎪⎩⎪⎨⎧==+516997236.860098903688.01FeCu Fe Cu W W W WW cu =1.161243(kg )设消耗硫酸铜的用量为A 、消耗硫酸的用量为B 、产生硫酸亚铁的量为C 。
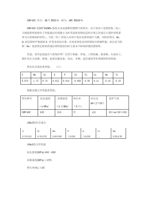
CHW-60C 符合:GB/T ER55-G 相当:AWS ER80S-G
CHW-60C是550~600MPa级低合金高强钢用镀铜气保焊丝。
由于添加了适量的钛(Ti),大线能量焊接情况下亦能通过形成微小TiN等晶核而细化晶粒并使之形成以大量针状铁素体为主的细晶粒组织;、另钛(Ti)的加入还利于稳定电弧和减少飞溅。
同时控制C、Mn、Si的范围和严格限制S、P等杂质的含量,从而获得优良的焊缝综合机械性能。
加以适当的钼(Mo)使获得足够的焊缝拉伸性能的同时又基本不影响焊缝的塑韧性。
用途:采用富氩混合气体保护焊广泛用于船舶、管线、工程机械、集装箱、石油化工、锅炉及压力容器、桥梁、起重运输设备、电站、车辆、高层建筑等各领域材料的焊接。
焊丝化学成份典型值:(%)
C Mn Si S P Cr Ni Cu Mo Ti
0.070 1.75 0.70 0.012 0.013 0.030 0.30 0.21 0.18 0.15
熔敷金属力学性能典型值:
焊丝牌号抗拉强度
σb(MPa)
屈服强度
σ0.2(MPa)
伸长率
δ5(%)
冲击功
AKv(J)-29℃
保护气体
CHW-60C 620 510 27 110 80%Ar+20%CO2 15Mo3的化学成分
C Si Mn P S Cr Mo
0.12-0.200.10-0.350.40-0.80≤0.030≤0.030__0.25-0.35
15Mo3的力学性能
抗拉强度(MPa) 450~600
屈服强度(MPa) ≥270
伸长率(%) ≥20。
焊丝化学镀铜生产技术焊丝化学镀铜生产技术焊丝化学品工艺详解济南泰格化工有限公司2011年12月20日一、焊丝表面镀铜的作用(1)防止焊丝表面生锈;(2)减少摩擦因数,减少对导电嘴的磨损,提高导电嘴的使用寿命;(3)减少导电嘴和焊丝的接触电阻。
镀铜质量对焊接质量也有很大影响:(1)焊丝表面生锈后导致焊缝夹杂物增多致使焊接质量不合格;(2)镀铜层和钢丝结合强度不足导致其在焊接过程中脱落,并与红热焊缝表面时有接触。
由于铜是低熔点金属并有很强的渗透能力,这样就会在焊缝表面形成裂纹,因此,保证焊丝镀铜质量是非常重要的。
镀铜工艺流程:放线→钢丝刷机械破膜→振动沙洗→电解碱洗→水洗→电解酸洗→水洗→化学镀铜→水洗→钝化(选择性添加)-热水洗→烘干→定径抛光→收线。
济南泰格化工有限公司根据CO2气保焊丝在化学镀铜过程中钢丝拉拔附着物状况,镀前酸,碱洗质量,化学镀液成分等情况对焊丝表面铜层附着力、色泽质量方面的影响,从而相应改进了气保焊丝化学镀铜生产线工艺,使镀铜后的焊丝质量符合国家标准(GB/T8100-2008)中的二、焊丝镀铜达到技术质量标准主要特点:1.改进化学镀铜液的成分,从而提高镀铜层的结合力及表面色泽2.改进化学镀铜前处理工艺,选用优质电解脱脂剂,电解酸洗加速剂,保证化学镀铜质量。
3.精整抛光速度达到160-180 m/min。
4.由于加入电解脱脂剂,电解酸洗加速剂,焊丝镀铜添加剂,碱、酸洗液,镀铜液的有效寿命为清洗40吨焊丝以上。
5.镀铜层结合力达到不起鳞、无铜层剥落,铜层厚度≤0.5um。
6.精整抛光后的表面色泽均匀,具有较好的抗腐蚀能力。
三、焊丝镀铜易出现的质量问题目前焊丝镀铜采用化学镀和电镀两种方法。
化学镀成本低、孔隙率小、镀层结合强度低,电镀成本高、孔隙率大、镀层结合强度高。
日本焊丝一般采用电镀,西欧采用化学镀,我国则以化学镀为主,少数厂家采用电镀。
焊丝镀铜易出现的故障1,镀铜层不均匀、结合力差、易掉铜屑2,镀铜层易生锈、保存时间短3,焊丝铜层过薄,表面露铁,或者一半有铜,一半无铜。
镀铜的职业危害因素有哪些镀铜是指将铜覆盖在其它金属、非金属材料表面的一种表面处理方法,以使其表面光滑、美观、耐腐蚀等具有良好的性能。
在日常生产中,镀铜是一种常见的表面处理技术,但是我们也要了解镀铜的职业危害因素,以做好防护工作。
一. 化学因素化学因素是指在镀铜过程中产生的各种化学物质,如酸性、碱性工艺液、钝化液、清洗剂、添加剂、镀液等物质,它们都会对操作人员、环境产生不同程度的影响。
特别是镀液中含有许多有机物和有害金属离子,例如乙酸、苏打、铜离子等,这些化学物质如果不加防护,会对人体的呼吸系统、皮肤、眼睛等部位造成强烈的刺激,甚至会引起麻痹、化学性肺炎、视力受损等危害。
二. 物理因素镀铜过程中也存在着一些物理因素的危害,如高温、高频电磁辐射、机械振动等。
在操作过程中,镀铜槽温度会达到60~80℃左右,若不注意防护,将会对操作人员造成灼伤和烫伤。
此外,高频电磁辐射对人体有一定的伤害,如频繁地沾镀铜槽中的导体,会产生电感效应,形成感应电流,对手进行肌肉刺激。
同样,机械振动也会对人体产生不良的影响,如手臂震动所产生的惯性力,会引起手臂的酸痛和肌肉拉伤等。
三. 镀铜危害的预防与治疗为了预防和治疗镀铜操作过程中的职业危害,我们可以采用以下措施:1. 在操作时必须穿戴齐全的防护帽、手套、口罩、防护服等。
要保持清洁,及时更换。
2. 严格控制镀液温度和酸度,加强对镀液的管理,定期保养。
3. 加强工作现场的通风换气和安全生产教育,无操作时及时关闭镀铜槽等辅助设备。
4. 要定期检测职业危害因素的浓度和危害发生的程度,确保及时发现和处理。
5. 操作员本人要认真排查好自身身体状况,注意个人防护和卫生,保持身体健康状态。
6. 有危害发生时,应尽快采取有效的治疗措施,如及时用清水冲洗,用生理盐水缓解疼痛等。
四. 结论镀铜是一种特殊的技术,其职业危害因素主要包括化学、物理因素,其造成的危害和伤害是不能小视的。
因此,一定要严格遵守操作规程和有关安全规定,保护好自身的健康。
焊丝化学镀铜生产技术引言焊丝是一种常用的焊接材料,广泛应用于各个行业的焊接工艺中。
为了提高焊丝的导电性和抗腐蚀性能,常常需要对焊丝进行化学镀铜处理。
本文将介绍焊丝化学镀铜的生产技术及其工艺流程。
1. 焊丝化学镀铜工艺流程焊丝化学镀铜的工艺流程一般包括以下几个步骤:1.1. 焊丝表面处理在进行化学镀铜之前,首先需要对焊丝表面进行处理,以去除表面的氧化物、油污等杂质。
常用的表面处理方法包括机械抛光和酸洗。
1.2. 催化剂涂覆在表面处理完成后,需要将催化剂涂覆在焊丝表面。
催化剂的主要作用是促进铜的沉积,提高镀铜的效果。
常用的催化剂有氯化铜和酒石酸铜等。
1.3. 化学镀铜经过催化剂涂覆后,焊丝进入化学镀铜槽中进行镀铜处理。
化学镀铜是利用电化学原理,在焊丝表面沉积一层铜金属。
镀铜过程中需要控制镀液的温度、pH值、电流密度等参数,以获得均匀、致密的铜镀层。
1.4. 清洗和干燥完成化学镀铜后,焊丝需要进行清洗和干燥处理,以去除镀液残留和表面的水分。
清洗一般使用水洗和酸洗等方法,干燥则可以通过自然风干或烘干机等方式进行。
2. 焊丝化学镀铜工艺参数控制在焊丝化学镀铜的生产过程中,需要对一些关键参数进行控制,以确保镀铜效果的稳定和一致性。
以下是一些常见的工艺参数及其控制方法:2.1. 温度控制镀铜槽中的温度是影响镀铜速度和镀层质量的重要参数。
较高的温度可以提高镀铜速度,但过高的温度可能导致镀层粗糙和颗粒状。
常见的温度控制方法包括使用恒温水槽或加热器等设备。
2.2. pH值控制镀铜槽中的pH值对镀铜效果有着重要影响。
一般来说,较高的pH值可以提高镀铜速度,但过高的pH值可能导致镀层颗粒增多和凝聚。
pH值的控制可以通过添加酸碱调节剂来实现,同时使用pH计进行在线监测。
2.3. 电流密度控制电流密度是指单位面积上流过的电流量,对镀铜速度和镀层厚度有直接影响。
合适的电流密度能够获得均匀的镀层,但过高的电流密度可能导致镀层厚度不均匀。
镀铜添加剂简介镀铜添加剂是一种用于电镀铜过程中的化学添加剂。
它通常以溶液的形式存在,可以在电镀过程中提供所需的化学反应和表面处理,以获得高质量的镀铜层。
本文将介绍镀铜添加剂的类型、作用原理、应用领域以及使用注意事项。
类型目前市场上常见的镀铜添加剂主要分为以下几种类型:1.镀铜促进剂:它们通过提供可用的离子源,促进金属铜的电荷转移,从而实现良好的电镀效果。
2.网络调节剂:这些添加剂可以改变电镀溶液的结构,使之更适合形成均匀、致密的铜层。
3.电流分布调节剂:它们可以改变电流在被镀物表面的分布,减少不均匀镀铜现象的发生。
4.降低镀剂:它们可以调节电镀溶液的粘度和表面张力,提高涂层的附着力和平整度。
作用原理镀铜添加剂的作用原理主要涉及以下几个方面:1.阻控机制:添加剂可以在金属表面形成吸附层,阻止杂质的进一步沉积,从而保证铜镀层的纯净性。
2.催化机制:添加剂可以催化铜离子的还原,加速电化学反应的进行,提高镀层的速率。
3.界面控制机制:添加剂可以调节电镀溶液和被镀物表面之间的界面反应,保证镀层的均匀性和致密性。
4.电流分布控制机制:添加剂可以改变电流在被镀物表面的分布,减少电流密度过高或不均匀镀层的问题。
应用领域镀铜添加剂广泛应用于各个领域的电子、电气和通信行业。
主要应用场景包括:1.PCB制造:在印制电路板(PCB)制造过程中,镀铜添加剂用于镀铜和调节电镀过程中的电流分布,确保板面的导电性和平整性。
2.电子元器件制造:镀铜添加剂在电子元器件制造中用于电镀导线、连接器和焊盘等金属零件,提供保护和增强导电性能。
3.通信行业:镀铜添加剂在通信设备的制造过程中用于镀铜导线和连接器,提高信号传输和电气性能。
4.高科技领域:镀铜添加剂在光伏电池、半导体器件和集成电路等高科技产品的制造中起到重要作用。
使用注意事项在使用镀铜添加剂时,需要注意以下事项:1.选择合适的添加剂:根据镀铜工艺要求和被镀物的特性选择合适的添加剂,以确保获得所需的镀铜效果。
镀铜添加剂的成分和作用镀铜添加剂是一种用于电镀工艺中的化学药剂,它能够在金属表面形成一层均匀、致密的铜膜。
这种铜膜不仅具有美观的外观,还能够提供良好的导电性和耐腐蚀性。
镀铜添加剂的成分和作用对于电镀工艺的成功与否起着至关重要的作用。
镀铜添加剂的主要成分通常包括有机酸、有机胺、表面活性剂、缓蚀剂和其它辅助成分。
这些成分的作用各不相同,但共同协作起到了提高铜镀层质量的效果。
有机酸是镀铜添加剂中不可或缺的成分之一。
有机酸可以调节电镀液的酸碱度,使其处于适宜的pH范围内,以保证电镀过程的正常进行。
此外,有机酸还能够与金属表面发生反应,形成一层有机酸盐膜,从而提供了良好的镀铜基础。
有机胺是另一个重要的成分。
有机胺可以与有机酸形成缓冲体系,使电镀液的酸碱度更加稳定。
同时,有机胺还能够起到抑制氢气析出的作用,避免在电解过程中产生气泡,从而得到更加均匀的铜镀层。
表面活性剂也是镀铜添加剂中的重要成分之一。
表面活性剂能够降低液体的表面张力,使铜离子在电解液中更容易扩散和沉积在金属表面上。
此外,表面活性剂还能够改善电镀液的分散性和稳定性,防止沉淀物的形成,从而提高铜镀层的光亮度和平整度。
缓蚀剂是为了减少金属表面在电镀过程中的腐蚀而添加的成分。
由于电镀液中存在氧气和其他杂质,会导致金属表面产生氧化和腐蚀现象。
缓蚀剂能够与这些氧气和杂质发生反应,形成一层保护膜,避免金属表面被腐蚀,从而提高铜镀层的质量和附着力。
除了以上主要成分外,镀铜添加剂中还可能含有一些辅助成分,如抗氧化剂、亲水剂和抗沉淀剂等。
这些辅助成分能够进一步提高铜镀层的质量和性能,使其更加适用于各种工业应用。
镀铜添加剂的成分和作用对于电镀工艺的成功与否起到至关重要的作用。
各种成分的协同作用能够保证铜镀层的质量和性能达到要求,使金属表面具有良好的导电性和耐腐蚀性。
因此,在电镀工艺中选择合适的镀铜添加剂,并正确控制其成分和用量,对于获得理想的铜镀层具有重要意义。
Dw-035焊丝高速镀铜稳定剂(焊丝镀铜添加剂)
使用说明
(—)简述:
Dw-035焊丝高速镀铜稳定剂是专门为二氧化碳气体保护焊丝,埋弧焊丝镀铜所研发的专业产品,本产品采用进口原料化学合成的高分子化合物,在酸性化学镀铜液中添加少量稳定剂,即可提高镀铜层结合力和光亮度,是镀层紧密、光亮、色泽一致,本品易溶于水、无异味、无毒、无环境污染。
(二)使用方法:
1.化镀槽镀液中Dw-035焊丝稳定剂的添加:
•推荐配方(按质量百分比计算)
电镀级硫酸铜(CuSO4.5H20)80—100克/升
试剂级硫酸(H2SO4)80—100克/升
化镀槽中Dw-035焊丝镀铜稳定剂加入量:
冬天加入为镀液总重量的10ml/l至15ml/l。
夏天温度高时应加入镀液总重量15ml/l至25ml/l。
‚在镀液配制过程中,硫酸铜与硫酸配制稀释后,在倒入称量好的Dw-035焊丝稳定剂,搅拌溶解,在放置6小时以上。
即可使用。
7,生产过程中Dw-035焊丝稳定剂的添加:
当镀液使用一段时间后,若镀层结合力下降或者是镀层颜色发暗。
应及时化验硫酸铜,硫酸含量,并补充至正常值,在添加稳定剂,每吨焊丝成品需消耗硫酸铜6—7公斤,每吨焊丝消耗稳定剂100克左右,每天根据焊丝产量合理添加稳定剂,以保证焊丝镀层质量的稳定性。
(三)注意事项:
1,焊丝半成品进入化镀槽前必须要清洗干净
2,硫酸、硫酸铜原料必须达到化镀质量要求
3,硫酸、硫酸铜浓度应通过化验补充到正常范围内。
4.化镀槽温度建议温度25-35摄氏度左右,化镀效果最佳。
焊丝化学镀铜生产技术引言焊丝化学镀铜是一种常用的表面处理技术,用于保护焊丝免受腐蚀和增强其导电性能。
本文将介绍焊丝化学镀铜的工艺流程、原理和应用。
工艺流程焊丝化学镀铜的工艺流程主要包括以下步骤:1.清洗:将焊丝浸泡在碱性清洗液中,去除表面的油污和污染物,确保焊丝表面干净。
2.酸洗:将焊丝浸泡在酸性洗涤剂中,去除焊丝表面的氧化层,提高镀铜效果。
3.镀铜:将焊丝浸泡在含有铜离子的电解液中,通过外加电流,使铜离子还原成铜金属,并在焊丝表面形成一层均匀的铜镀层。
4.洗涤:将焊丝从电解液中取出,用清水彻底冲洗焊丝,去除残留的电解液和其他杂质。
5.烘干:将焊丝放置在烘干炉中,用热风将焊丝表面的水分蒸发,使其完全干燥。
6.包装:将经过镀铜处理的焊丝进行包装,确保其质量在运输和储存过程中不受损。
原理焊丝化学镀铜的原理基于电化学反应。
在镀铜的过程中,焊丝作为阴极,电解液中的铜离子还原为铜金属,并在焊丝表面形成一层均匀的铜镀层。
电流的极性是通过外部电源控制的,同时要根据焊丝的形状和尺寸等参数,调整电流密度和电镀时间,以获得所需的镀层厚度和均匀性。
应用焊丝化学镀铜技术广泛应用于以下领域:1.电子产业:焊丝化学镀铜可以提高焊丝的导电性能和耐腐蚀性,使其更适用于电子元器件的制造。
特别是对于微型电子元器件,焊丝的尺寸较小,需要具有更高的导电性能,以实现更好的电子连接。
2.汽车制造:焊丝化学镀铜可以保护焊丝免受腐蚀,延长其使用寿命。
在汽车制造中,焊丝常用于车身焊接,在恶劣环境下容易受到腐蚀。
通过镀铜处理,焊丝表面形成的铜镀层能有效防止腐蚀,提高焊丝的可靠性和耐久性。
3.通信设备:焊丝化学镀铜可以提高焊丝的导电性能和信号传输质量。
在通信设备中,焊丝常用于连接电路板上的电子元件,稳定的信号传输对设备的性能至关重要。
焊丝通过化学镀铜后,铜镀层的导电性能可以增强信号传输能力,提高通信设备的稳定性和可靠性。
结论焊丝化学镀铜是一种有效的表面处理技术,可以提高焊丝的导电性能和耐腐蚀性,广泛应用于电子产业、汽车制造和通信设备等领域。
几种常用镀铜添加剂介绍K020-990高整平酸铜光亮剂K020-990高整平酸铜添加剂用作装饰性酸性镀铜,适用范围广泛,可用于钢铁件、锌合金件及塑料件上的电镀,具有极佳的光亮层、整平性,镀层无麻点、耐高温、工艺稳定。
①特点a. 在广阔的电流密度范围内,可获得快速镜面光亮及特高整平性,而且不容易产生针孔及麻点。
b, 镀层延展性能良好,内应力低,对镍层的结合力好,是理想的电镀层。
c •镀液温度较高时,在低电流区不会明显降低光亮度,可在较短时间内获得高光亮镀层。
生产厂商:德国科佐电化学有限公司酸性镀铜光亮剂一一SP聚二硫二丙烷磺酸钠、M (2—巯基苯并咪唑)、N (1,2—亚乙基硫脲)①特点a, 用于酸性硫酸盐光亮镀铜。
b, 使镀层结晶细致、光亮,并可提高阳极电流密度上限。
c,与M、N配合使用,效果更显著,可在宽温度范围内镀出整平性和韧性良好的全光亮镀层。
d,光亮剂分解产物影响小,使用寿命长。
e•镀液成分简单,维护方便,稳定性好。
生产厂商:浙江黄岩利民电镀材料有限公司201#硫酸镀铜光亮剂①特点a•分开缸剂、A剂、B剂三种。
开缸剂为绿色;主光剂和深镀剂A为紫色;防焦辅助光亮剂B为蓝色。
b,出光速度快,整平性极佳。
c电流密度范围宽,在低Dk区也有极好的光亮度和整平性。
d.镀铜后不需除膜,与镍层结培合力好。
e•温度范围宽,在15〜38C的范围内都可获得镜面光亮的镀层。
f. 光亮剂浓度高,消耗量少。
g, 镀液稳定性好。
生产厂商:上海永生助剂厂ULTRA酸性光亮镀铜添加剂①特点a, 具备Cupracid210及Cupracid300的特点:镀液容易控制,镀层填平度极佳。
b. 镀层不易产生针孔;内应力低,富延展性。
c•电流密度范围宽,镀层填平肛度高至75%,达到光亮效果。
d. 沉积速度特快,在4, 5A/dm2的电流密度下,每分钟可镀出I/真m的铜层,因而电镀时间可缩短。
e. 镀层电阻率低,故非常适合于对镀层物理性能要求高的电机工业。
镀铜活化剂-回复镀铜活化剂是一种在铜器镀金工艺中常用的化学物质,它可以提高铜器表面的附着力和耐久性。
本文将逐步介绍镀铜活化剂的成分、作用机制、应用范围以及使用步骤。
第一部分:镀铜活化剂的成分和作用机制镀铜活化剂通常由含硫酸盐、硫代硫酸钠、硝酸铜等多种化学物质组成。
其中的硫酸盐和硫代硫酸钠是主要的活化剂成分,它们能够与铜表面的氧化物和杂质发生化学反应,形成镀铜层的前驱体。
作用机制主要分为两个步骤:首先,硫酸盐和硫代硫酸钠与铜表面的氧化物反应,生成硫酸亚铜和硫代硫酸铜等化合物。
接着,通过电化学反应进一步在铜表面形成一层致密的铜基底层,为铜器的镀金提供牢固的基础。
第二部分:镀铜活化剂的应用范围镀铜活化剂主要应用在铜器镀金领域,例如古代青铜器修复、装饰品制作等。
其使用可以提高金箔或金粉与铜表面的结合力,使得镀金层更加均匀、牢固和持久。
此外,镀铜活化剂还常用于制备电子元件中的铜层,如电路板、导线等。
在这些应用中,镀铜活化剂能够促进铜与基底材料的结合,提高电子元件的导电性和耐腐蚀性能。
第三部分:使用镀铜活化剂的步骤1. 准备工作:清洁铜器表面,确保铜器表面没有油污、尘埃和氧化物。
可以使用去脂剂、洗涤剂等清洗剂进行清洁。
2. 镀铜活化剂的配制:按照镀铜活化剂的使用说明书,将所需的化学物质按照一定的比例加入适量的水中,充分搅拌溶解。
3. 浸泡铜器:将清洁后的铜器放置在配制好的镀铜活化剂溶液中,确保整个表面都浸泡在溶液中。
根据铜器的大小和需要镀铜的部位,浸泡的时间可以从几分钟到几小时不等。
4. 冲洗:将浸泡后的铜器取出,用清水彻底冲洗干净,以去除残留的活化剂和化学物质。
5. 干燥:用干燥的纸巾或棉布轻轻擦拭铜器表面,使其快速干燥,以防止水返铜器表面。
6. 镀金处理:完成镀铜活化剂的使用后,可以使用金箔或金粉进行镀金处理。
将金箔或金粉均匀地涂抹在铜器表面,然后用软刷子或抛光布轻轻擦拭,使其与铜表面牢固结合。
总结:镀铜活化剂在铜器镀金工艺中起着重要的作用。
焊丝镀铜稳定剂使用详解
1,工艺配比
配比标准:
化学品名称范围最佳值
硫酸铜五水50-80 g/l 60g/l
硫酸(sp g 1.84)80-120 g/l 90g/l
Dw-035 稳定剂0.75-1.25 ml/l 1 ml/l
工作值:
参数范围理想值
温度30-65℃45℃
时间1-30秒,最佳的沉淀依靠最佳的温度。
,
2,补加方法
增加硫酸铜可以使铜的浓度保持不变。
每加入10 KG的硫酸铜必须加入100-200ml的焊丝高速镀铜稳定剂Dw-035。
加入浓硫酸控制PH值应低于2.
3杂质处理:
在线材中每沉淀出1kg的铜就有0.88kg的铁离子溶解在溶液中,当溶液浓度达到160-180g/l时便要更换溶液。
最好采用硫酸铜综合处理机处理。
但只要操作规范一般情况下铁离子不会超标,因为稳定剂里加入络合铁及沉降铁的物质,这是高于E-1的一个明显指标。
4,稳定剂的作用
用于二氧化碳气体保护焊丝最佳化学镀铜稳定剂
能降低铜的消耗
镀层非常均匀致密
提高铜镀层的附着力
拉拔时润滑性更好
降低镀层起皮风险
拉拔过程中镀层不易脱落
减少焊接时的飞溅
稳定剂加入抗氧化稳定盐,镀铜层不易变色,腐蚀5,焊丝铜耗
吨丝消耗3.5-4公斤硫酸铜。
焊丝化学镀铜化学品济南泰格化工有限公司2011年5月18日一,焊丝表面镀铜的作用(1)防止焊丝表面生锈;(2)减少摩擦因数,减少对导电嘴的磨损,提高导电嘴的使用寿命;(3)减少导电嘴和焊丝的接触电阻。
镀铜质量对焊接质量也有很大影响:(1)焊丝表面生锈后导致焊缝夹杂物增多致使焊接质量不合格;(2)镀铜层和钢丝结合强度不足导致其在焊接过程中脱落,并与红热焊缝表面时有接触。
由于铜是低熔点金属并有很强的渗透能力,这样就会在焊缝表面形成裂纹,因此,保证焊丝镀铜质量是非常重要的。
镀铜工艺流程:放线→钢丝刷机械破膜→振动沙洗→电解碱洗→水洗→电解酸洗→水洗→化学镀铜→水洗→钝化(选择性添加)-热水洗→烘干→定径抛光→收线。
济南泰格化工有限公司根据CO2气保焊丝在化学镀铜过程中钢丝拉拔附着物状况,镀前酸,碱洗质量,化学镀液成分等情况对焊丝表面铜层附着力、色泽质量方面的影响,从而相应改进了气保焊丝化学镀铜生产线工艺,使镀铜后的焊丝质量符合国家标准(GB/T8100-2008中的5.6.1及5.6.2等要求。
二,焊丝镀铜达到技术质量标准主要特点:1.改进化学镀铜液的成分,从而提高镀铜层的结合力及表面色泽2.改进化学镀铜前处理工艺,选用优质电解脱脂剂,电解酸洗加速剂,保证化学镀铜质量。
3.精整抛光速度达到160-180m/min。
4.由于加入电解脱脂剂,电解酸洗加速剂,焊丝镀铜添加剂,碱、酸洗液,镀铜液的有效寿命为清洗40吨焊丝以上。
5.镀铜层结合力达到不起鳞、无铜层剥落,铜层厚度≤0.5um。
6.精整抛光后的表面色泽均匀,具有较好的抗腐蚀能力。
三,焊丝镀铜易出现的质量问题目前焊丝镀铜采用化学镀和电镀两种方法。
化学镀成本低、孔隙率小、镀层结合强度低,电镀成本高、孔隙率大、镀层结合强度高。
日本焊丝一般采用电镀,西欧采用化学镀,我国则以化学镀为主,少数厂家采用电镀。
焊丝镀铜易出现的故障1,镀铜层不均匀、结合力差、易掉铜屑2 ,镀铜层易生锈、保存时间短3,焊丝铜层过薄,表面露铁,或者一半有铜,一半无铜。
四,焊丝化学镀铜故障处理1 焊丝表面出现海绵铜(易掉铜屑)(1)铜的沉积速度快在镀液中添加剂,控制游离Cu 的量.达到控制沉积速度的目的。
(2)使用浓度为0.0IM CuSO4 PH1-1.5的稀溶液,降低Cu 的量,降低焊丝铜的电位差,获得结合力良好的镀层。
控制好酸铜比1.2-1.5 2 焊丝铜层过薄,表面露铁(1)镀液中Cu“的量步了,沉积速度过慢,焊丝出槽时表面未完全覆盖铜。
在镀液中加入电位更负的铝板,增大离子交换,增大Cu!+的量。
(2)增加CuSO4的量,使镀液保持合适的游离Cu 量。
减少络合剂及稳定剂的量。
3 镀铜层结合力差(1)前处理不力。
延长前处理时间、定期更换、补充除锈酸洗液,增加除锈去脂能力(2)镀液里有Pb、Cd等杂质,影响镀层外用电解法去除杂质。
(3)焊丝基体表面粗糙,应修复模具,降低其内孔粗糙度。
(4)焊丝入镀槽前表面有油污。
应加强前处理,用流动水清洗。
(5)亚铁离子浓度(Fe2+ )镀液中亚铁离子来源于焊丝基体。
一定量的镀液中因焊丝生产量的增加使铁离子浓度升高。
铁离子浓度是影响牢度的主要因素。
在0—20g/ l范围内的增加有益于镀铜牢度增加;Fe2+ 达到或超过50g/ l时,镀铜牢度急剧恶化。
因此含量应控制在1O一20 l之间。
五,焊丝镀铜质量控制办法焊丝镀铜质量问题一直制约着我国气体保护焊丝的发展与应用。
(一)是要制定出合理的工艺规范;(二)是要加强镀前处理,提高除锈去脂能力;(三)是解决镀铜剂、润滑剂、光亮剂、拉丝模的质量。
如国外的润滑剂易清洗,防锈,焊接时飞溅小,拉丝模为旋转式,这样可以避免焊丝表面拉痕,减小焊丝的椭圆度。
六,焊丝镀铜工艺规范推荐工艺:1.工字轮放线 2.机械去脂装臵(水砂洗-最好金刚砂) 3.热水洗槽 4.电解碱洗槽(电解脱脂剂dw-037) 5. 水清洗槽 6. 热水洗槽 7. 电解酸洗槽(dw-019酸雾抑制剂) 8.水清洗槽 9.活化酸洗槽(dw-044中和剂活化剂)也叫镀前中和钝化槽 10.镀铜槽(dw-035化学镀铜液) 11.水清洗槽 12.中和钝化槽(中和剂,加入dw-036高效钝化防锈剂)13. 水清洗槽 14.镀后热水洗槽 15.烘干道 16.抛光模盒(抛光钝化剂dw-036a) 17.卷拔机 18.工字轮收线机根据设备情况优选工艺。
七,焊丝电解脱脂剂Dw-20焊丝常温电解低泡脱脂粉主要用途:本产品专为钢铁卷材脱脂和彩钢板预处理,焊丝脱脂而设计,由特殊的表面活性剂、渗透剂、助洗剂及缓蚀剂精制而成。
无毒、易水洗、易生物降解等。
适合于热镀锌和锌铝合金机组、镀锡机组以及彩涂机组用化学脱脂的喷淋清洗,焊丝电解脱脂等。
本产品为低泡型。
具有显著除油去污能力,水洗性良好,而且能活化工件表面,提高基体与镀层的结合力,经济耐用等。
最适合钢丝镀铜电解除油。
注意事项1、按比例用量,将清水加入槽内,加入电解粉,然后搅拌至完全溶解,即可加温作业。
2、若使用一段时间后效果下降,建议每8小时分析工作液一次,确定补加除油粉的量,每添加(dw-20)1.25㎏/1000升,碱度升高1点左右。
3、分析方法:取10ml槽液于锥形瓶中加3-4滴酚酞指示剂,以0.1N 标准H2SO4液滴至无色为终点,所耗 0.1N H2SO4毫升数即为碱度。
4、添加除油粉时建议用容器溶解后添加入工作液中。
5、0.1N标准H2SO4液:0.05摩尔每升标准H2SO4液,也就是称取4.9克试剂硫酸溶于1升蒸镏水中,然后倒入容易瓶中,定容至1升即可。
使用指南:1、使用浓度:5%2、阳极极板为不锈钢板。
3、电流密度:1-8A/dm2。
4、操作温度:30-80℃5、宜放于干燥处,防止日久吸潮。
2、根据溶液的波美度或碱度来判断溶液的使用情况,波美度一般控制在3~6波美,每添加15g/L脱脂粉可提高约1波美度。
3、使用一段时间后,应抽底或更换槽液。
建议极区布置:阳-阴-阳-阴-阳产品特点:本品系目前国内市场上最为先进的除油清洗产品。
可在常温状态下强力高效去除机械、装备、车辆、船舶、制造加工与零部件维修中的各种矿、动、植物油污(脂)、油垢等。
具有低泡、无污染、水洗性能好,使用寿命长等特点。
适用范围:适用于各种钢铁件、铝件、镀锌件、铜材、塑料等金属材料和非金属材料的除油、脱脂。
是电镀、化学镀、氧化、磷化、焊丝镀铜,涂装等前处理除油清洗的首选产品。
产品状态:白色粉末。
配制与维护配制工作液时,需先加入水2/3左右,再按配比加入脱脂粉,同时,边加边搅拌使之溶解,待加足水搅拌均匀后,取样分析总碱度。
也可用比重计测定波美度在3-6在脱脂过程中,一般每4小时测定一次总碱度,最好每小时巡回检查一次脱脂槽液位。
要注意打捞槽液表面的浮油,以防工件重新沾上油污。
槽液使用一段时间后,应适当添加本粉或更换新液。
每加入1kg/m3脱脂粉约可提高总碱度1个点。
使工件与槽液作相对运动,有助于加快脱脂去污速度。
焊丝脱脂剂消耗:1-5kg/吨丝八,焊丝镀铜酸洗促进剂焊丝镀铜电解酸洗促进剂焊丝电解酸洗促进剂。
其成分由酸雾抑制剂、缓蚀剂、去锈加速剂、除油剂、高效表面活性剂等组成,添加在硫酸池中抑雾,除锈,除油、适用于焊丝化学镀铜前酸洗。
产品特点:1、常温使用,除锈快:与适当比例的工业硫酸、添加剂、水配制为除锈剂,本品在常温下可快速除去工件表面各种锈蚀和氧化皮,除锈率>98%以上。
比不加“添加剂”除锈速度加快二到三倍,提高生产效率。
加温效果更佳,温度60°即可。
2、防锈质量好:除锈后的工件表面无花斑状腐蚀,无“氢脆”和过腐蚀现象,工件耗损少,色泽均匀。
不加添加剂时钢材损耗达10‰,而使用本产品可使钢材损耗降低到1‰,可大量节约钢材损耗。
3、抑制酸雾好:低泡,加入本品后,利用除锈剂物理和化学的亲和力、作用力和静电吸附力,有效阻止酸雾的溢出,抑止“酸雾”的产生,不需再启动除雾器设施,改善劳动环境、节约电费。
4、可去除残油:对脱脂工序未去除干净的残留油污,可以在除锈同时被去除,进一步从工艺上保证处理效果。
理化性能外观淡红色液体PH值 3一4密度(20度),g/cm3 0.995对碳钢,不锈钢无腐蚀现象电解酸洗工艺参数:硫酸(工业)15-20%,酸洗促进剂添加量:3-5% 温度20-50°时间1.5-2.5s,电流密度:1-5A/dm2 电极个数7个或9个使用方法1、加水至配制除锈剂总容量1/3的水,然后按3%浓度加入添加剂,充分搅拌均匀。
2、加入硫酸3、对于厚氧化皮可适当调整硫酸量,酸液比重应<1.35为佳建议极区布臵:阳-阴-阳-阴-阳-阴-阳-阴-阳极与焊丝间距:30-40mm包装规格:25kg\桶九,dw-044焊丝镀前中和剂(镀前活化剂,防氧化剂)采用新一代配方,在碱溶液中加入防氧化剂,活化剂,中和钝化剂复配而成,经中和处理后焊丝表面光洁无氧化层,呈现光洁的焊丝便面,增加镀铜层结合力。
添加量20%吨丝消耗0.5kg钝化时间1-5s室温十,焊丝化学镀铜液Dw-035焊丝酸性化学镀铜液Dw-035焊丝酸性化学镀铜工艺,它完全可以代替世界上应用了一百五十年的氰化物镀铜;代替以甲醛为还原剂的化学镀铜;突破了钢丝不能镀酸性铜的禁区。
酸性化学镀铜液以其符合环保要求、稳定可靠的性能、低廉的成本、符合大规模生产的沉积速度.一、应用范围1、它可以代替氰化物在钢铁工件(包括管状),钢丝镀铜2、它可以代替碱性化学镀铜液在电路板、塑料等产品上进行酸性化学镀铜。
3.可用于铁基直接化学镀铜,铜层细致光亮,附着力好,不易变色,有良好的防锈作用。
另外,经此工艺处理的铁基可在碱性化学镀铜溶液里直接高速加厚化学镀铜;还可带电直接电镀酸铜,镀层不起皮,完全能满足铁件直接镀酸铜的工艺需求。
可用于焊丝快速光亮化学镀铜、装订针快速光亮化学镀铜、轮胎钢丝快速光亮化学镀铜、排钉快速光亮化学镀铜等。
二、产品特点1、显著的实用性:节能降耗,降低成本,提高利润率。
2、可靠的先进性:该产品在溶液成分构成、稳定性、沉积率、结合力等各项技术指标世界领先。
3、优良的环保性:经国家机械工业表面覆盖层产品质量监督检测中心检测,认定该产品不含氰化物、甲醛等有害成分,是具有环保特征的新一代化学镀铜液。
4,走丝速度6-12m/s,电镀铜只能达到0.6-1m/s5,添加剂消耗量0.3-0.5kg/吨丝三、产品的主要成分及技术标准加有专用添加剂的化学酸铜镀铜工艺规范如下:CuSO2〃5H2O(120~130g/l),H2SO4(100~110g/l),稳定盐100g/l,复合添加剂5-10ml/l,温度20~40℃,时间2~5s。
镀层厚度为0.2~0.3μm 酸铜比1-1.5分析参数:CuSO2〃5H2O H2SO4 稳定盐该产品是以硫酸铜为供铜剂,在离子水溶液中加入阻止剂、还原剂、催化剂、稳定剂、经化学反应而单一生成的酸性化学镀铜液。