镀铜焊丝生产工艺流程
- 格式:doc
- 大小:266.50 KB
- 文档页数:2
气保实芯焊丝环保镀铜工艺传统的CO2气体保护电弧焊生产工艺流程:盘条→成分化验→检、试验→盘条前处理→粗拉→细拉→镀铜→层绕→检、试验→包装→入库。
其中,镀铜工艺流程:细拉钢丝→机械脱脂→电解碱洗1→电解碱洗2→热水洗→电解酸洗→水洗→活化→水洗→化学镀铜→水洗→中和→热水洗→烘干→定径抛光→收线→检、试验。
环保新工艺:盘条→成分化验→检、试验→放线→剥壳→排刷加双段砂带机→粗拉→细拉→高压清洗(或超声波清洗)→水洗→化学镀铜→水洗→中和→热水洗→烘干→定径抛光→收线→检、试验。
具体见下面详细介绍:镀铜工序是气保焊丝生产中的重要工序,焊丝的铜层均匀性,牢固性是客户对成品焊丝的一项重要指标,因此,气保实芯焊丝环保镀铜工艺是在现有设备基础上,对盘条前处理,镀铜生产线工艺进行优化。
盘条拉拔进行无酸洗环保拉拔。
原材料Φ6.5~Φ5.5盘元放线+双段排刷机+双段砂带抛光机+拉丝放线上线粗拉无酸洗无硼化环保拉拔,而且节省酸处理硼化费用50元/吨新工艺去掉电解碱洗、电解酸洗、等多个工序,这些工序中涉及电化学、化学反应,槽池中各溶液浓度、电解电流、温度等因素都直接影响着最终的焊丝镀铜质量。
新工艺采用高压清洗或超声波清洗,通过添加高效清洗剂达到镀铜前钢丝表面无污垢的目的,同时节约成本50-100元/吨,科技环保。
合理的设定各个槽池的各个工艺参数,使生产中工艺运行更加稳定,进一步提高焊丝铜层质量稳定性。
环保镀铜焊丝镀铜工艺流程表附录一: DW-066金属通用脱胶清洗剂DW-066金属通用脱胶清洗剂,具有极强的渗透、分散、增溶、乳化,钝化功能,对油脂、污垢,凝固拉丝粉,凝胶有很好的清洗能力剥离,其脱脂、去污净洗能力超强。
经 DW-066金属通用脱胶清洗剂清洗的金属不腐蚀基体。
本产品可做到低泡清洗,能改善劳动条件,防止环境污染;适用于钕铁硼脱胶,焊丝镀前清洗,金属线材去污清洗。
特性:外观:淡黄色透明液体pH 值:13~14(100%原液)相对密度:1.05~1.10最佳清洗温度50-60℃。
镀铜工艺流程镀铜工艺流程是将一层铜涂在其他金属或非金属材料的表面,以增加其外观质感和耐腐蚀性。
镀铜工艺流程通常包括以下步骤:表面处理、电解液配制、电镀、清洗、干燥和涂覆保护层。
首先,进行表面处理。
这一步是为了去除材料表面的氧化层、油脂和其他杂质,以便铜能够更好地附着在表面上。
表面处理方法有机械方法和化学方法两种。
机械方法包括打磨、抛光和刷洗,化学方法包括酸洗和溶液浸泡。
接下来,进行电解液配制。
电解液是完成电镀过程中必不可少的一部分。
根据不同的镀铜要求和材料类型,电解液的配制也会有所不同。
常用的电解液成分包括硫酸铜、硫酸、柠檬酸、硫代硫酸钠和其他添加剂。
配制好的电解液需要经过一定时间的搅拌和静置,以确保溶液中的各种化学成分均匀分布并达到最佳状态。
然后,进行电镀。
电镀是整个镀铜工艺流程的关键步骤。
将材料浸入预配好的电解液中,作为阴极,与阳极连接,并通过外加电流进行电镀。
在电流的作用下,电解液中的铜离子会还原成固体铜,沉积在材料表面上。
电镀时间、电流密度和温度是影响镀铜层形貌和质量的重要参数。
完成电镀后,进行清洗。
清洗是为了去除残留的电解液和其他沉积物,以免对镀铜层产生不良影响。
常用的清洗方法包括水冲洗、酸洗和碱洗。
清洗过程需要注意保持洗涤液的纯净度和稳定性,以免造成二次污染或杂质残留。
接着,进行干燥。
干燥是为了除去清洗过程中的水分,防止水分对镀铜层的质量和稳定性产生不利影响。
常用的干燥方法有自然干燥、热风干燥和吹风机干燥。
在干燥过程中,需要注意温度和湿度的控制,以免过高或过低对材料产生不利影响。
最后,进行涂覆保护层。
在完成镀铜之后,可以涂覆一层保护剂,以增加镀铜层的抗氧化性和耐腐蚀性。
常用的保护剂有清漆、氟碳漆和烤漆等。
涂覆保护层需要进行适当的干燥和固化,以确保其与镀铜层的结合力和附着性。
综上所述,镀铜工艺流程包括表面处理、电解液配制、电镀、清洗、干燥和涂覆保护层等多个步骤。
每一步都需要仔细控制各项参数,并采取相应的方法和工艺措施,以确保镀铜层的质量和稳定性。
镀铜工艺流程
镀铜工艺流程包括以下步骤:
1. 表面处理:铜制品的表面通常存在氧化膜、污染物和油脂等,需通过酸洗、碱洗等方法进行清洁和脱脂处理。
酸洗可以去除铜表面的氧化物,促进镀铜液的入渗和附着力;碱洗可以去除表面的油脂和有机物,提高镀层的均匀性和质量。
2. 预镀处理:为了增加镀铜液对基材的附着力,可进行化学沉积和电化学沉积等处理。
化学沉积一般采用活性金属,如锌、铝等,与铜溶液中的亚铜离子反应生成金属铜,从而形成钝化膜和金属镀层,提高铜层厚度和抗腐蚀性;电化学沉积则利用电流在基材表面沉积金属铜,提高镀层的均匀性和致密性。
3. 镀铜:在预镀处理后,进行镀铜操作。
镀铜槽中电解溶液的主要成分是硫酸(H2SO4)和硫酸铜(CuSO4·5H2O)。
铜在这种溶液中以铜离子(Cu2+)形式存在。
电解铜作为阳极,按半圆弧分布于电解溶液中,并与电源阳极相接。
4. 打磨清洗:在镀铜后,需要对工件进行打磨清洗,去除表面的杂质和污物。
5. 卸滚筒:将镀完铜的工件从滚筒中卸下。
6. 交车磨:将镀好的工件交车并磨制到规定尺寸。
以上是镀铜工艺流程的详细步骤。
请注意,不同的工艺流程可能存在差异,具体操作请根据实际情况进行调整。
焊丝镀铜工艺流程及工序材料指南
1,焊丝前处理
线材----放线剥壳------电解酸洗(20%硫酸+酸洗加速剂5%)------水洗-----硼化(硼砂按工艺,加水,加热)-----烘干
2,粗拉(拉丝粉)
3,精拉(拉丝粉)
4,焊丝镀铜
放线
机械脱脂(石英砂)
电解碱洗1 dw-037电解脱脂剂 10-15%
电解碱洗2 dw-037电解脱脂剂5-10%
热水洗
中和中和剂1 可用水代替
水洗
电解酸洗 dw-019酸洗加速剂5%,硫酸20%-25%
冷水洗
中和活化中和剂 dw-044 5% 兼具活化功能
镀铜硫酸铜硫酸镀铜添加剂dw-035,开缸剂.
冷水洗
中和中和钝化剂dw-036
热水洗
烘干
抛光拉拔 dw-036a抛光油
收线
5,精密缠绕焊丝盘
6,成品包装
镀铜焊丝生产过程标准(二)。
焊丝表面处理简析焊丝的生产主要就是做表面处理。
Co2气保焊丝表面质量直接影响到焊丝镀层的质量。
这就直接关系到焊丝产品的质量。
焊丝半成品表面如果有杂质,污物,不光洁,镀铜层与钢基体结合力就降低了。
在经过抛光过程中,铜层容易脱落。
产生质量问题。
我结合实际工作经验简单的分析一下焊丝表面的处理.现在大多数的焊丝镀铜都采用酸洗置换镀铜。
选择的镀前处理的方式为先碱洗再酸洗。
工艺流程如下:放线机——碱洗(分为2段)——水洗——中和——酸洗——水洗——活化——镀铜——水洗——中和——热水洗——烘干——抛光——收线.。
焊丝经过拉拔压缩后,表面残留的拉丝粉附着力很强,不易清洗。
那么我们在选择拉丝粉及其使用上要有针对性。
焊丝拉拔一般经过粗拉,中拉。
(当然也还有些利用水箱拉拔,请大家注意以下这个不适合水箱拉拔)为确保后段工序焊丝的表面质量。
中拉采用钠基系的拉丝粉为最佳。
根据不同的情况,甚至粗拉后几道模具也可采用钠基系的拉丝粉。
钠基系拉丝粉耐高温且溶于水,好清洗。
能提高焊丝表面的清洗质量。
除了辅材上面的选择外,工艺的选择也是很关键的。
山东,河北地区有很多起步较小的焊丝加工厂,都没有碱洗这道工序,有这个工序的也不完善。
这个就大大的降低了焊丝的表面质量。
由于拉丝粉主要成分是石灰、水、动物油、石蜡、肥皂、硬脂酸、滑石粉和碱.。
在拉丝润滑剂中,油脂的比例比较大。
所以在co2气保焊丝的生产中,碱洗尤为重要。
氢氧化钠是碱液除油比较常用的(针对皂化性油脂)。
而且大都采用电化学结合的形式清洗。
主要是电极发生电极效应,生成氢气和氧气,并以大量小气泡的形式逸出。
而小气泡很容易的滞留在油珠上。
当气泡逐渐变大,就带着小油珠上升到溶液表面。
从而达到除油目的。
综上所述,焊丝表面清洗效果主要有拉丝粉的选择;清洗工艺的选择,最后就是精细化的管理。
当然这个是针对性的,如果粗拉前的氧化皮及铁锈没有处理好,后道工序在怎么完善,焊丝质量也是不理想的。
焊丝化学镀铜化学品济南泰格化工有限公司2011年5月18日一,焊丝表面镀铜的作用(1)防止焊丝表面生锈;(2)减少摩擦因数,减少对导电嘴的磨损,提高导电嘴的使用寿命;(3)减少导电嘴和焊丝的接触电阻。
镀铜质量对焊接质量也有很大影响:(1)焊丝表面生锈后导致焊缝夹杂物增多致使焊接质量不合格;(2)镀铜层和钢丝结合强度不足导致其在焊接过程中脱落,并与红热焊缝表面时有接触。
由于铜是低熔点金属并有很强的渗透能力,这样就会在焊缝表面形成裂纹,因此,保证焊丝镀铜质量是非常重要的。
镀铜工艺流程:放线→钢丝刷机械破膜→振动沙洗→电解碱洗→水洗→电解酸洗→水洗→化学镀铜→水洗→钝化(选择性添加)-热水洗→烘干→定径抛光→收线。
济南泰格化工有限公司根据CO2气保焊丝在化学镀铜过程中钢丝拉拔附着物状况,镀前酸,碱洗质量,化学镀液成分等情况对焊丝表面铜层附着力、色泽质量方面的影响,从而相应改进了气保焊丝化学镀铜生产线工艺,使镀铜后的焊丝质量符合国家标准(GB/T8100-2008中的5.6.1及5.6.2等要求。
二,焊丝镀铜达到技术质量标准主要特点:1.改进化学镀铜液的成分,从而提高镀铜层的结合力及表面色泽2.改进化学镀铜前处理工艺,选用优质电解脱脂剂,电解酸洗加速剂,保证化学镀铜质量。
3.精整抛光速度达到160-180m/min。
4.由于加入电解脱脂剂,电解酸洗加速剂,焊丝镀铜添加剂,碱、酸洗液,镀铜液的有效寿命为清洗40吨焊丝以上。
5.镀铜层结合力达到不起鳞、无铜层剥落,铜层厚度≤0.5um。
6.精整抛光后的表面色泽均匀,具有较好的抗腐蚀能力。
三,焊丝镀铜易出现的质量问题目前焊丝镀铜采用化学镀和电镀两种方法。
化学镀成本低、孔隙率小、镀层结合强度低,电镀成本高、孔隙率大、镀层结合强度高。
日本焊丝一般采用电镀,西欧采用化学镀,我国则以化学镀为主,少数厂家采用电镀。
焊丝镀铜易出现的故障1,镀铜层不均匀、结合力差、易掉铜屑2 ,镀铜层易生锈、保存时间短3,焊丝铜层过薄,表面露铁,或者一半有铜,一半无铜。
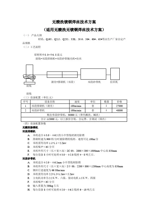
无酸洗镀铜焊丝技术方案(适用无酸洗无镀铜焊丝技术方案)(一)产品大纲材质:Q195、Q215、Q235、35K、50-6、50#、60#、65#等由生产厂家自定产品规格(二)工艺流程原材料Φ5.0~Φ6.5盘元放线+双段排刷机+双段砂带抛光机+拉丝放线放线(三)设备配置(单位.元)(四)设备配置参数无酸洗除锈机双段排刷机A.本机适合φ3.0~φ6.5的小中型线材剥壳除锈B.排刷转速为900转/分时被除锈的线材,速度可达100m/分C.本机需用功率1.1+1.1=2.2kwD.本机噪声<65分贝E.本机外形尺寸(长×宽×高)SC-03:2800×500×1000mm中心高850mmF.每台设备8小时可处理φ3.0~φ5.0线材4~8吨左右。
双段砂带机A.本机适合φ5.0~φ6.5mm小中型线材除锈B.本机外形尺寸(长×宽×高)SD-08:2200×800×1200mm中心高度为850mmC.钢丝行进速度为66-88m/minD.本机需用功率2.2+1.5+1.5kw=5.2kwE.主电机功率为2.2KW,六级,驱动电机1.5KW,四级F.本机噪声<65分贝G.输入重量为500kg左右H.每台设备8小时可处理φ5.0~φ6.5线材6~10吨左右I.砂带使用寿命每套(四个)4~8吨,每条参考价格为3.5元,客户可根据需要自行定制。
砂带技术参数为:砂带总长1090mm,砂带宽度120mm,砂带目数有80目、120目、180目。
J.本机处理的光丝耐锈时间在一般室内可达六个月以上(五)设备验收标准验收方法:1.按双方确认的技术参数进行验收。
2.在乙方制造调试完毕后,启运至甲方生产现场安装调试完毕,保修一年。
3.甲方完成设备的安装,供方派人现场调试指导;完成操作和使用的培训,设备交付甲方使用验收前,应提供设备的使用说明书及相关资料。
第1篇一、引言电镀是一种利用电解原理在金属或非金属表面形成一层均匀、致密、具有一定厚度的金属或合金层的方法。
电镀工艺广泛应用于各个领域,如电子、汽车、轻工、航空航天等。
本文将详细介绍电镀生产工艺流程,包括准备工作、电镀过程、后处理等方面。
二、电镀生产工艺流程1. 准备工作(1)镀件表面处理镀件表面处理是电镀工艺的重要环节,主要包括清洗、除油、酸洗、钝化、活化等步骤。
①清洗:将镀件放入清洗槽中,用超声波或手工清洗,去除表面污物、油脂、尘埃等。
②除油:采用有机溶剂或碱液去除镀件表面的油脂。
③酸洗:用稀硝酸或盐酸溶液去除镀件表面的氧化层。
④钝化:在酸洗后,对镀件进行钝化处理,以防止镀层与基体金属发生电化学反应。
⑤活化:在钝化处理后,对镀件进行活化处理,以提高镀层与基体金属的结合力。
(2)电镀液配制根据镀层要求,配制相应的电镀液。
电镀液主要由主盐、辅助盐、导电盐、pH调节剂、光亮剂等组成。
(3)镀槽准备将镀槽清洗干净,检查槽内是否有异物,确保镀槽符合电镀要求。
2. 电镀过程(1)挂具安装将处理好的镀件安装在挂具上,确保镀件在镀槽内均匀分布。
(2)通电接通电源,调整电流、电压,使镀层厚度达到要求。
(3)镀层形成在电流、电压的作用下,电镀液中的金属离子在镀件表面还原,形成金属镀层。
(4)电镀时间控制根据镀层要求,控制电镀时间,确保镀层厚度均匀。
(5)电镀液维护定期检查电镀液成分,补充消耗的化学药品,保持电镀液稳定性。
3. 后处理(1)清洗电镀完成后,将镀件取出,用去离子水或蒸馏水清洗,去除表面残留的电镀液。
(2)干燥将清洗后的镀件放入干燥箱中,进行干燥处理,去除表面水分。
(3)抛光对镀层进行抛光处理,提高镀层的光亮度和平整度。
(4)检测对电镀产品进行检测,确保镀层质量符合要求。
三、电镀工艺注意事项1. 电镀液稳定性电镀液稳定性是电镀工艺的关键,应定期检查电镀液成分,补充消耗的化学药品,保持电镀液稳定性。
2. 镀层均匀性镀层均匀性是电镀工艺的重要指标,应确保镀件在镀槽内均匀分布,调整电流、电压,使镀层厚度均匀。
焊丝化学镀铜生产技术焊丝化学品工艺详解济南泰格化工有限公司2011年12月20日一、焊丝表面镀铜的作用(1)防止焊丝表面生锈;(2)减少摩擦因数,减少对导电嘴的磨损,提高导电嘴的使用寿命;(3)减少导电嘴和焊丝的接触电阻。
镀铜质量对焊接质量也有很大影响:(1)焊丝表面生锈后导致焊缝夹杂物增多致使焊接质量不合格;(2)镀铜层和钢丝结合强度不足导致其在焊接过程中脱落,并与红热焊缝表面时有接触。
由于铜是低熔点金属并有很强的渗透能力,这样就会在焊缝表面形成裂纹,因此,保证焊丝镀铜质量是非常重要的。
镀铜工艺流程:放线→钢丝刷机械破膜→振动沙洗→电解碱洗→水洗→电解酸洗→水洗→化学镀铜→水洗→钝化(选择性添加)-热水洗→烘干→定径抛光→收线。
济南泰格化工有限公司根据CO2气保焊丝在化学镀铜过程中钢丝拉拔附着物状况,镀前酸,碱洗质量,化学镀液成分等情况对焊丝表面铜层附着力、色泽质量方面的影响,从而相应改进了气保焊丝化学镀铜生产线工艺,使镀铜后的焊丝质量符合国家标准(GB/T8100-2008)中的5.6.1及5.6.2等要求。
二、焊丝镀铜达到技术质量标准主要特点:1.改进化学镀铜液的成分,从而提高镀铜层的结合力及表面色泽2.改进化学镀铜前处理工艺,选用优质电解脱脂剂,电解酸洗加速剂,保证化学镀铜质量。
3.精整抛光速度达到160-180 m/min。
4.由于加入电解脱脂剂,电解酸洗加速剂,焊丝镀铜添加剂,碱、酸洗液,镀铜液的有效寿命为清洗40吨焊丝以上。
5.镀铜层结合力达到不起鳞、无铜层剥落,铜层厚度≤0.5um。
6.精整抛光后的表面色泽均匀,具有较好的抗腐蚀能力。
三、焊丝镀铜易出现的质量问题目前焊丝镀铜采用化学镀和电镀两种方法。
化学镀成本低、孔隙率小、镀层结合强度低,电镀成本高、孔隙率大、镀层结合强度高。
日本焊丝一般采用电镀,西欧采用化学镀,我国则以化学镀为主,少数厂家采用电镀。
焊丝镀铜易出现的故障1,镀铜层不均匀、结合力差、易掉铜屑2,镀铜层易生锈、保存时间短3,焊丝铜层过薄,表面露铁,或者一半有铜,一半无铜。
焊丝化学镀铜生产技术引言焊丝化学镀铜是一种常用的表面处理技术,用于保护焊丝免受腐蚀和增强其导电性能。
本文将介绍焊丝化学镀铜的工艺流程、原理和应用。
工艺流程焊丝化学镀铜的工艺流程主要包括以下步骤:1.清洗:将焊丝浸泡在碱性清洗液中,去除表面的油污和污染物,确保焊丝表面干净。
2.酸洗:将焊丝浸泡在酸性洗涤剂中,去除焊丝表面的氧化层,提高镀铜效果。
3.镀铜:将焊丝浸泡在含有铜离子的电解液中,通过外加电流,使铜离子还原成铜金属,并在焊丝表面形成一层均匀的铜镀层。
4.洗涤:将焊丝从电解液中取出,用清水彻底冲洗焊丝,去除残留的电解液和其他杂质。
5.烘干:将焊丝放置在烘干炉中,用热风将焊丝表面的水分蒸发,使其完全干燥。
6.包装:将经过镀铜处理的焊丝进行包装,确保其质量在运输和储存过程中不受损。
原理焊丝化学镀铜的原理基于电化学反应。
在镀铜的过程中,焊丝作为阴极,电解液中的铜离子还原为铜金属,并在焊丝表面形成一层均匀的铜镀层。
电流的极性是通过外部电源控制的,同时要根据焊丝的形状和尺寸等参数,调整电流密度和电镀时间,以获得所需的镀层厚度和均匀性。
应用焊丝化学镀铜技术广泛应用于以下领域:1.电子产业:焊丝化学镀铜可以提高焊丝的导电性能和耐腐蚀性,使其更适用于电子元器件的制造。
特别是对于微型电子元器件,焊丝的尺寸较小,需要具有更高的导电性能,以实现更好的电子连接。
2.汽车制造:焊丝化学镀铜可以保护焊丝免受腐蚀,延长其使用寿命。
在汽车制造中,焊丝常用于车身焊接,在恶劣环境下容易受到腐蚀。
通过镀铜处理,焊丝表面形成的铜镀层能有效防止腐蚀,提高焊丝的可靠性和耐久性。
3.通信设备:焊丝化学镀铜可以提高焊丝的导电性能和信号传输质量。
在通信设备中,焊丝常用于连接电路板上的电子元件,稳定的信号传输对设备的性能至关重要。
焊丝通过化学镀铜后,铜镀层的导电性能可以增强信号传输能力,提高通信设备的稳定性和可靠性。
结论焊丝化学镀铜是一种有效的表面处理技术,可以提高焊丝的导电性能和耐腐蚀性,广泛应用于电子产业、汽车制造和通信设备等领域。
焊丝化学镀铜生产技术焊丝化学品工艺详解济南泰格化工有限公司2011年12月20日一、焊丝表面镀铜的作用(1)防止焊丝表面生锈;(2)减少摩擦因数,减少对导电嘴的磨损,提高导电嘴的使用寿命;(3)减少导电嘴和焊丝的接触电阻。
镀铜质量对焊接质量也有很大影响:(1)焊丝表面生锈后导致焊缝夹杂物增多致使焊接质量不合格;(2)镀铜层和钢丝结合强度不足导致其在焊接过程中脱落,并与红热焊缝表面时有接触。
由于铜是低熔点金属并有很强的渗透能力,这样就会在焊缝表面形成裂纹,因此,保证焊丝镀铜质量是非常重要的。
镀铜工艺流程:放线→钢丝刷机械破膜→振动沙洗→电解碱洗→水洗→电解酸洗→水洗→化学镀铜→水洗→钝化(选择性添加)-热水洗→烘干→定径抛光→收线。
济南泰格化工有限公司根据CO2气保焊丝在化学镀铜过程中钢丝拉拔附着物状况,镀前酸,碱洗质量,化学镀液成分等情况对焊丝表面铜层附着力、色泽质量方面的影响,从而相应改进了气保焊丝化学镀铜生产线工艺,使镀铜后的焊丝质量符合国家标准(GB/T8100-2008)中的5.6.1及5.6.2等要求。
二、焊丝镀铜达到技术质量标准主要特点:1.改进化学镀铜液的成分,从而提高镀铜层的结合力及表面色泽2.改进化学镀铜前处理工艺,选用优质电解脱脂剂,电解酸洗加速剂,保证化学镀铜质量。
3.精整抛光速度达到160-180 m/min。
4.由于加入电解脱脂剂,电解酸洗加速剂,焊丝镀铜添加剂,碱、酸洗液,镀铜液的有效寿命为清洗40吨焊丝以上。
5.镀铜层结合力达到不起鳞、无铜层剥落,铜层厚度≤0.5um。
6.精整抛光后的表面色泽均匀,具有较好的抗腐蚀能力。
三、焊丝镀铜易出现的质量问题目前焊丝镀铜采用化学镀和电镀两种方法。
化学镀成本低、孔隙率小、镀层结合强度低,电镀成本高、孔隙率大、镀层结合强度高。
日本焊丝一般采用电镀,西欧采用化学镀,我国则以化学镀为主,少数厂家采用电镀。
焊丝镀铜易出现的故障1,镀铜层不均匀、结合力差、易掉铜屑2,镀铜层易生锈、保存时间短3,焊丝铜层过薄,表面露铁,或者一半有铜,一半无铜。
焊丝生产工艺焊丝生产工艺是将金属材料焊接成特定形状的一种制造工艺。
焊丝可以用于各种不同的应用领域,如建筑、汽车制造、航空航天等。
在焊丝生产工艺中,需要经过多个步骤来制造和加工焊丝,以确保其质量和性能。
首先,焊丝生产的第一步是选择合适的原材料。
通常情况下,焊丝生产所用的原材料是金属材料,如钢、铁、铜等。
这些原材料必须符合相关的标准和规范,以保证焊丝的质量。
接下来,原材料需要进行预处理。
这一步是为了去除原材料中的杂质和不纯物质,以及调整原材料的化学成分。
预处理一般包括清洗、切割和加热等步骤。
清洗是为了去除表面的污垢和油脂,以保证焊丝的表面光洁度;切割是为了将原材料切割成适合焊丝生产的尺寸;加热是为了改变原材料的组织和性能。
在原材料经过预处理后,接下来是焊丝的制造。
焊丝的制造主要包括拉拔、钢丝打磨、喷涂等步骤。
拉拔是将预处理好的原材料通过拉拔机拉伸成所需的焊丝尺寸。
拉拔机通过连续的拉拔过程将原材料的截面积减小,从而得到所需的焊丝直径。
拉拔过程中还需要对焊丝进行冷却和润滑,以避免焊丝的变形和断裂。
钢丝打磨是为了改善焊丝的表面质量,提高焊接效果。
在钢丝打磨过程中,焊丝表面会被表面打磨机进行研磨和喷砂处理,以去除焊丝表面的粗糙和锈蚀。
喷涂是为了给焊丝表面涂上一层保护膜,防止氧化和腐蚀。
最后,经过焊丝制造后,还需要进行质量检验。
焊丝的质量检验包括外观检查、力学性能测试、化学成分分析等。
外观检查主要是通过目视和显微镜观察焊丝的表面质量和细节,以确保焊丝表面没有明显的瑕疵和缺陷。
力学性能测试包括拉伸试验、弯曲试验等,用来评估焊丝的力学性能和强度。
化学成分分析是为了检测焊丝的化学成分是否符合相关的标准和规范。
总结起来,焊丝生产工艺是一个复杂的过程,需要经过多个步骤来制造和加工焊丝。
在每个步骤中,都需要严格控制工艺参数和质量要求,以确保焊丝的质量和性能。
只有通过科学的生产工艺和严格的质量检验,才能生产出高质量的焊丝产品。
镀铜焊丝生产工艺流程
产品描述
说明:ER70S-6是低合金钢焊丝,由于采用了独特的工艺措施,使其具有较强的铜层结合力和抗锈蚀能力,焊接过程中,焊丝送丝稳定,焊缝成形美观,飞溅小,焊接工艺优良,焊缝具有较高的低温冲击性。
用途:适用于船舶用钢(A 、B 、D 、E 、A36、D36、E36)和相同等级强度的低合金钢重要结构的焊接.如集装箱、车辆、建筑机械的气体保护半自动和自动焊接。
符合标准:
GB/T :ER50-6 DIN :SG2 JIS :YGW12
AWS :ER70S-6 BS :A18 EN :G3Sil
包装
规格
丝盘 净重 φ0.8~1.6(mm) D100mm D200mm D270mm D300mm K300mm 1公斤、5公斤、15公斤、18公斤、20公斤
焊丝化
学
成份(%)
C Mn Si P S Cr Ni Cu 0.06~0.15 1.40~1.85 0.80~1.
15 ≤0.025 ≤0.035 - - ≤0.50 熔敷金
属
机械性
能
屈服强度σ0.2(Mpa) 抗拉强度σb(Mpa) 延伸率δ5(%) AKV 冲击功(J) ≥420 ≥500 ≥22 ≥27(-29)
焊丝直
径(mm) φ0.8
φ1.0 φ1.2 φ1.6 焊接位
置 焊接电流(A) 40~14
0 50~220 80~350 120~550
注意事项: 焊丝进厂后必须存放在干燥环境中,不能
随便打开焊丝盘的防水包装
焊接前应清除焊接面的油、锈、水分等杂质。