动车组车辆设备
- 格式:pptx
- 大小:27.77 MB
- 文档页数:21
1驾驶设施驾驶设施是司机获取信息、作出决策并对有关系统进行指令控制、驾驶动车组完成各种任务的主要设备。
驾驶设施布置在CRH380A统型动车组两端的车头最前侧的司机室里,是司机对动车组的主要操控平台。
动车组在运行过程中,司机根据线路信号状态和周边情况,操作相应的驾驶设施,完成动车组牵引、制动控制;同时根据运行需要,控制动车组各车厢的空调、车门和广播等设备。
1.1组成及布置驾驶设施主要由操纵设施和驾驶配套设施组成。
操纵设施主要包括显示器、仪表、指示灯、开关按钮、通讯电话、牵引控制器、制动控制器等,这些设备集中安装在操纵台上,共同完成操控动车组的操作;驾驶配套设施主要包括电气边柜、刮雨器、风笛、前照灯、遮阳帘、座椅等。
CRH380A统型动车组采用单司机驾驶模式,驾驶设施在司机室内据此布置:司机室前窗设置有刮雨器和遮阳帘;前窗下方设置前照灯;司机室侧窗下方设置电气边柜,左后电气边柜处设置辅助座椅;司机室中部设置操纵台和司机座椅;司机室顶板设置司机室灯;气密隔墙上设置风笛等等。
CRH380A统型动车组驾驶设施在司机室里的布置见图15-1,图15-2.图15-1 司机室驾驶设施总体布置效果图图15-2 司机室驾驶设施剖面布置图1.2操纵设施1.2.1操纵设施分类操纵设施主要包括显示器、仪表、指示灯、开关按钮、通讯电话、牵引控制器、制动控制器等。
根据各设备的主要功能特点和动车组控制通信原理,对操纵设施分类如下:1)显示控制类:A TP显示器(2个)、TCMS显示器(2个)、CIR显示器;2)仪表指示类:故障显示器、关门灯、电压表、双针压力表、空调运行状态指示灯、警惕报警灯等;3)主控操作类:牵引控制器、制动控制器(含主控钥匙)、紧急制动开关、VCB合按钮、VCB断按钮、降弓按钮、复位按钮、紧急复位按钮、恒速按钮、恒速切按钮等;4)联络类:无线打印机、无线话筒、广播话筒等;5)辅助类:刮雨器开关、开关左右门类按钮、司机室灯开关、头灯减光开关等;6)其他:监视器扬声器开关、司机室空调控制类开关、暖风机开关等。
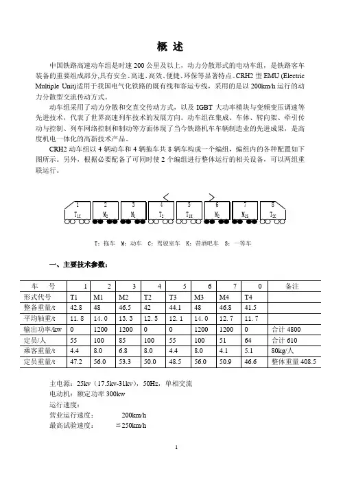
概 述中国铁路高速动车组是时速200公里及以上,动力分散形式的电动车组,是铁路客车装备的重要组成部分,具有安全、高速、高效、便捷、环保等显著特点。
CRH2型EMU (Electric Multiple Unit)适用于我国电气化铁路的既有线和客运专线,采用的是以200km/h 运行的动力分散型交流传动方式。
动车组采用了动力分散和交直交传动方式,以及IGBT 大功率模块与变频变压调速等先进技术,代表了世界高速列车技术的发展方向。
动车组在集成、车体、转向架、牵引传动与控制、列车网络控制和制动等方面体现了当今铁路机车车辆制造业的先进成果,是高度机电一体化的高新技术产品。
CRH2动车组以4辆动车和4辆拖车共8辆车构成一个编组,编组内的各种配置如下图所示。
另外,根据必要配备了可同时使2个编组进行整体运行的相关设备,可以两组重联运行。
T :拖车 M :动车 C :驾驶室车 K :带酒吧车 S :一等车一、主要技术参数:主电源:25kv (17.5kv-31kv ),50Hz ,单相交流 电动机:额定功率300kw 运行速度:营业运行速度: 200km/h 最高试验速度: ≦250km/h车体主要尺寸:车体最大长度头车:25,700 mm中间车:25,000 mm 全长:201,400 mm 车体最大宽度:3,380 mm 车体最大高度:3,700 mm 车门处地板面高度:1,300 mm 车厢天花板高度:2,277 mm 轨距:1,435 mm 转向架中心距:17,500 mm 固定轴距:2,500 mm 车轮径:860 mm 车钩中心线高度:1,000 mm二、具体编组结构三、运用环境(1)线路条件适应轨距1435mm。
车站站台边缘距轨道中心线的距离1750mm。
不得侧向通过9号以下道岔。
CRH2(时速200公里)型动车组:连挂运行时180m;单车调车时130m;通过S型曲线时曲线180m+最小过渡直线10m+曲线180m。
动车组设备设施
(1)车辆设备设施齐全,符合动车组出所质量标准。
①乘务员室、监控室、多功能室、洗脸间、厕所、电气控制柜、备品柜、储藏柜、清洁柜、衣柜、大件行李存放处、软卧会客室等不挪作他用或改变用途。
多功能室用于照顾重点旅客。
②车辆外观整洁,内外部油漆无剥落、褪色、流坠;车内顶棚不漏水,内外墙板及车内地板无破损、无塌陷、不鼓泡;渡板及各部位压条、压板、螺栓不松动、无翘起;脚蹬安装牢固,无腐蚀破损;手把杆无破损、松动。
各部位金属部件无锈蚀。
③广播、空调、电茶炉、饮水机、照明灯具、电子显示屏、电视机、车载视频监控终端、控制面板、电源插座、车门、端门、儿童票标高线、地板、车窗、翻板、站台补偿器、窗帘、座椅、脚蹬、小桌板、靠背网兜、茶桌、座席号牌、衣帽钩、行李架、垃圾箱、洗手盆、水龙头、梳妆台、面镜、便器、洗手液盒、一次性坐便垫盒、卫生纸盒、擦手纸盒、婴儿护理台、镜框、洗脸间门帘、干手器,商务座车小吧台、呼唤应答器、阅读灯,软卧车铺位号牌、包房号牌、卧铺栏杆、扶手、呼叫按钮、沙发、报刊栏,餐车侧门、餐桌、吧台、冰箱、展示柜、微波炉、电烤箱、售货车等服务设备设施齐全,作用良好,正常使用,外观整洁,故障、破损及时修复。
④车厢通过台外端门框旁设儿童票标高线。
儿童票标高线宽10 mm,长100 mm,距地板面分别为1.2 m和1.5 m,以上缘为限,距内端门框约100 mm。
(2)车内各种服务图形标志型号一致,位置统一,安装牢固,齐全醒目,符合规定。
(3)车厢外部的电子显示屏显示列车运行区间、车次、车厢顺号等信息,车内电子显示屏显示列车运行区间、车次、车厢顺号、停站、运行速度、温度、中国铁路客户服务中心客户服务电话(区号+电话号码)、安全提示等信息,显示及时、准确。
简述动车组的基本构成各部分的作用及其特点动车组是指一种由多个车辆组成的列车组,具有高速运行和较大运力的特点。
动车组的基本构成包括动力车、拖车、供电系统、控制系统、车体结构及装备等部分。
1. 动力车:动力车是动车组的核心部分,通常由多个动力车辆组成。
动力车负责提供列车的动力,驱动车辆行驶。
动力车通常装备有发动机、牵引电机、传动系统等设备。
发动机可以是内燃机或电力机车,用于发电或直接驱动牵引电机。
牵引电机则通过传动系统将动力传递给车轮。
动力车的特点是功率大、速度快、启动加速性能好。
2. 拖车:拖车是动车组中除动力车以外的车辆。
拖车的主要作用是增加列车的运载能力。
拖车通常没有自带的动力装置,靠动力车提供动力。
拖车的特点是载客或载货能力大、车厢布局合理、舒适性好。
拖车的数量和类型可以根据需要进行配置,以满足不同运输需求。
3. 供电系统:供电系统是动车组的重要组成部分,负责为列车提供动力所需的电能。
供电系统通常包括接触网、集电装置、牵引变流器等设备。
接触网是铺设在铁路线路上的导电线路,通过集电装置与列车的牵引装置相连,将电能传递给列车。
牵引变流器则负责将接触网提供的交流电转换为直流电,供给牵引电机使用。
4. 控制系统:控制系统是动车组的关键部分,用于控制列车的运行和操作。
控制系统通常包括车载控制装置、信号系统、制动系统等设备。
车载控制装置负责监测和控制列车的速度、加速度、制动等运行参数。
信号系统用于向列车发送运行指令和安全提示,确保列车安全运行。
制动系统则负责实施列车的制动操作,保证列车的停车和减速。
5. 车体结构及装备:车体结构及装备是动车组的外部和内部组成部分,包括车厢、车门、座椅、空调系统、卫生间等设施。
车体结构需要具备一定的强度和刚度,以保证列车在高速运行时的稳定性和安全性。
车厢内部的装备和设施要满足乘客的舒适需求,提供良好的乘车环境。
总的来说,动车组的基本构成包括动力车、拖车、供电系统、控制系统、车体结构及装备等部分。
第七章动车组辅助设备第一节车门集控系统一、车门(以下称侧门)集控系统组成:CRH380B(L)侧门电控系统由门控制单元(EDCU),EDCU 带有内置电压转换器、继电器、端子盒、直流电机、传感器和电缆组成。
门控制单元 (DCU)是一以微处理器为基础的可编程直流电机驱动器,用于门系统的操作控制。
电机控制的逻辑电路部分包含一个32 位的数字信号控制器,此控制器内带闪存和RAM。
连同控制软件,对电机进行控制驱动。
门控制参数通过USB 接口保存到铁电存储器中。
侧门内部控制面板上设置开关门按钮、紧急操作开关、紧急操作手柄、蜂鸣器、专用钥匙锁等元件。
侧门内部控制面板上设置开门按钮、紧急操作开关、紧急操作手柄、蜂鸣器、专用钥匙锁、司机操作钥匙开关(仅头车有)等元件。
二、门控单元功能侧门中央门控系统主要功能有:控制侧门开关,侧门动作过程及驱动机构状态监控制、故障诊断,门系统与车辆MVB通信,侧门安全闭锁控制(根据速度),侧门维护与故障诊断,关门声报警器激活等。
CRH380B(L)动车组侧门高级别控功功能由(中央控制单元)CCU实施,在执行此功能时,CCU对所有侧门进行集中控制,不会对某个侧门单独进行控制,所有侧门均通过各自门控单元单独进行控制。
控制过程中,CCU会接收到来自每辆主门控单元的信号,执行高级别门控功能,并将相关指令返回至各主门控单元。
三、侧门的释放与禁用“左侧外门释放”按钮按下后亮起,可释放列车左侧的外门。
此时,外部乘客按钮“本地开启外门”接收到反馈信号(列车左侧外门释放)后,该按钮点亮。
释放后,乘客即可将该侧门打开。
“右侧外门释放”按钮按下后亮起,可释放列车右侧的外门。
此时,外部乘客按钮“本地开启外门”接收到反馈信号(列车右侧外门释放)后,该按钮点亮。
释放后,乘客即可将该侧门打开。
“禁用左侧和右侧门”按钮按下可禁用列车左侧和右侧的外门,打开的门通过门控单元关闭,使得乘客不能打开这些门。
重新按下按钮“释放左外侧门”和“释放右外侧门”的指令后,可再次开门。