暖通设计中风管及百叶风速选择
- 格式:docx
- 大小:16.35 KB
- 文档页数:2
风管风速标准风管风速标准是指在风管内流动的空气速度的规定范围,是确保风管系统正常运行和达到预期效果的重要参数。
风管风速标准的合理确定对于空调、通风、排烟等系统的设计、施工和运行具有重要的指导意义。
本文将从风管风速标准的重要性、确定方法以及常见标准进行介绍。
首先,风管风速标准的重要性不言而喻。
合理的风速标准可以保证空气在风管内的均匀分布,避免出现死角区域,从而保证整个室内空气质量的均衡。
同时,合理的风速标准还可以减小系统的风阻,降低系统的能耗,延长设备的使用寿命。
因此,确定合理的风管风速标准对于系统的正常运行和节能减排具有重要的意义。
其次,风管风速标准的确定方法主要包括经验法和计算法。
经验法是指根据实际工程经验和相关规范标准来确定风速标准,这种方法简单直观,但受限于经验的积累和适用范围。
计算法是指通过流体力学原理和相关计算公式来确定风速标准,这种方法能够更准确地反映系统的实际情况,但需要进行复杂的计算和分析。
一般来说,综合考虑经验法和计算法可以得出较为合理的风管风速标准。
最后,常见的风管风速标准主要包括通风风速标准、空调风速标准和排烟风速标准。
通风风速标准一般为0.2-0.3m/s,可以保证室内空气的流通和新风的有效供应。
空调风速标准一般为1.5-2.5m/s,可以保证室内空气的舒适性和均匀性。
排烟风速标准一般为≥8m/s,可以保证在火灾事故时烟气的有效排出。
这些标准是根据相关规范和实际工程经验得出的,可以作为设计、施工和运行的重要参考依据。
综上所述,风管风速标准是风管系统设计、施工和运行中的重要参数,合理的风速标准对于系统的正常运行和节能减排具有重要的意义。
确定风管风速标准的方法主要包括经验法和计算法,常见的风速标准包括通风风速标准、空调风速标准和排烟风速标准。
希望本文的介绍对于相关工程技术人员有所帮助,能够更好地应用于实际工程中。
简介:1、排烟口的风速≤10m/s(老建规9.4.6.6)2((1)、空调送风口的出口风速,消声要求较高时,宜采用2-5m/s,喷口送风可采用4-10m/s。
(采暖6.5.9)2(2)、空调侧送和散流器平送的出口风速2-5 m/s。
4、地面固定斜百叶风口安装于地面,适用于下送风。
5、侧送百叶送风口的最大风速(m/s)见下表:使用场所风速使用场所风速图书馆、播音室 2.5 一般办公室 6.0住宅、公寓、旅馆 3.8 个人办公室 4.0剧场、会堂 3.8 商店7.5电影院 6.0 医院病房 4.06、对于舒适性空调,当采用双层百叶风口侧送时,应选用横向可调节叶片在外、竖向固定叶片在内的风口。
暖通南社整理。
7、对于工艺性空调,当采用贴服侧送时,应采用水平与垂直方向均可调节的双层百叶风口,并配对开多叶调节阀。
三、散流器选用说明:(10K121)1、自力式温控变流行散流器适用于高大空间顶部嵩俸。
自力式温控变流行散流器是将热动元件安装在圆形或方形散流器内,通过感受空调系统送风温度的高低来调节叶片角度,改变送风气流的流型。
夏季送风温度小于等于17℃时,调节叶片角度为水平送风;冬季送风温度大于等于27℃时,调节叶片角度为垂直送风。
2、地面散流器适合安装在夹层地板内,用于高舒适标准的工作环境及计算机房等局部热源较多的场合。
3、圆形或方形散流器相应送风面积的长宽比不宜大于1:1.5.4、散流器宜对称布置或梅花形布置,散流器中心线与侧墙距离不宜小于1.0m。
5、地面散流器不应直接安装在作为下,安装位置距离座位不宜小于400mm。
6、并非所有地面散流器均需设集尘斗,且集尘斗安装与否并不影响地面散流器的气流流型。
7、散流器的颈部最大允许风速(m/s)如下:使用场所允许噪声dB(A)室内净高度(m)3 4 5 6广播室32 3.9 4.15 4.25 4.35 住宅、剧场33-39 4.35 4.65 4.85 5.00 公寓、客房、个人办公室40-46 5.15 5.40 5.75 5.85 餐厅、商店47-53 6.15 6.65 7.00 7.15 电影院、一般办公室54-60 6.50 6.80 7.10 7.50四、喷口选用说明:(10K121)1、球形喷口多设计为可调节型,其送风方向可现场手动调节,也可通过执行器自动调节,喷口可在上下±30°范围内调节,以改变送风气流方向。
风管风速标准风管风速标准是指在通风系统中,风管内气流的速度达到一定的标准要求,以保证系统的正常运行和通风效果的达到。
风速标准的制定对于通风系统的设计、安装和运行都具有重要的意义,下面将对风管风速标准进行详细的介绍。
首先,风管风速标准的制定是基于通风系统的需求和设计参数的。
通风系统的设计需要考虑到室内空气的流通情况、空气质量的保证以及系统的能耗等因素,而这些都与风管内的气流速度有着密切的关系。
因此,风速标准的制定需要充分考虑到这些因素,以保证通风系统的正常运行和通风效果的达到。
其次,风管风速标准的制定需要考虑到不同部位的要求。
在通风系统中,不同部位对于风速的要求是有所不同的。
例如,对于一般的办公区域,风速标准可能相对较低,以保证室内空气的舒适度和质量;而对于厨房、洗手间等区域,由于需要排除室内的异味和湿气,因此风速标准可能会相对较高。
因此,风速标准的制定需要根据不同部位的实际需求进行具体的分析和制定。
另外,风管风速标准的制定还需要考虑到通风系统的能耗和运行成本。
过高的风速会增加系统的能耗,而过低的风速可能会影响通风效果,因此需要在保证通风效果的前提下,尽量降低系统的能耗和运行成本。
因此,在制定风速标准时,需要充分考虑到这一点,以达到系统的节能和高效运行。
最后,风管风速标准的制定需要符合相关的规范和标准要求。
在国家相关的通风系统设计规范中,对于风速标准都有着明确的规定和要求,因此在制定风速标准时,需要严格遵循相关的规范和标准要求,以保证系统的设计和运行符合国家的法律法规和标准要求。
综上所述,风管风速标准的制定是通风系统设计和运行中的重要环节,需要充分考虑到系统的实际需求、不同部位的要求、能耗和运行成本以及国家的规范和标准要求。
只有在这些方面都得到充分考虑和满足的情况下,才能制定出合理、科学的风速标准,以保证通风系统的正常运行和通风效果的达到。
暖通规范中关于各类常见风速的规定一、各类风口风速规定1、采暖风口1.1、采用热风采暖系统时,应遵守下列规定:送风口的送风速度V(m/s),应根据送风口的高度、型式及布置经过计算确定,当送风口位于房间上部时,送风速度宜取:V= 5~15m/s;当送风口位于离地不高处时,送风速度宜取:V =0.3m/s~0.7m/s;回风口的回风速度,宜取:V=0.3m/s。
来源:《全国民用建筑工程设计技术措施/暖通空调·动力》(2009年版)2.8.71.2、热风幕的送风速度:公共建筑的外门,风速不宜大于6 m/s,高大外门不应大于25m/s。
来源:《全国民用建筑工程设计技术措施/暖通空调·动力》(2009年版)2.8.152、送排回风口2.1、进风、排风口风速(m/s)注:风口风速应按实际有效面积计算,一般百叶风口的遮挡率取50%。
来源:《全国民用建筑工程设计技术措施/暖通空调·动力》(2009年版)4.1.4.82.2、自然通风系统的进排风口风速宜按下表采用:来源GB50736-2012《民用建筑供暖通风与空气调节设计规范》6.6.42.3、机械通风的进排风口风速宜按下表采用:来源:GB50736-2012《民用建筑供暖通风与空气调节设计规范》6.6.52.4、厨房排风系统的风管风速不宜小于8m/s,且不宜大于10m/s;排风罩接风管的喉部风速应取4~5m/s。
来源:《全国民用建筑工程设计技术措施/暖通空调·动力》(2009年版)4.2.102.5、侧送和散流器平送的出口风速采用2m/s~5m/s。
孔板下送风的出口风速,从理论上讲可以采用较高的数值。
因为在一定条件下,出口风速较高时,要求稳压层内的静压也较高,这会使送风较均匀;同时,由于送风速度衰减快,对人员活动区的风速影响较小。
但当稳压层内的静压过高时,会使漏风量增加,并产生一定的噪声。
一般采用3m/s"'_'5m/s 为宜。
暖通设计师面试题1、五星级酒店冷负荷指标:________,热负荷指标:________,噪音标准:________;噪音标准:________。
2、5A级办公楼冷负荷指标:________,热负荷指标:________,新风量标准:________;噪音标准:________。
3、高档商业冷负荷指标:________,热负荷指标:________,新风量标准:________;噪音标准:________。
4、常规空调冷冻水供/回水温度为:______,空调采暖热水供/回水温度为:_____。
5、常规空调、通风及排烟系统中排烟风管风速:________,排风风管风速:________,送风风管风速:________,新风风管风速:________,加压风管风速:________等等。
6、冷辐射吊顶空调系统最大优势、劣势是什么:________。
7、机械加压送风机的全压,除计算最不利环管道压头损失外,尚应有余压。
防烟楼梯间余压值为:________;前室、合用前室、消防电梯间前室、封闭避难层(间)余压值为:________。
8、在空调系统末端选择方面,大空间建议采用:____________空调系统,小空间建议采用___________空调系统。
9、接上一题:商业类型建筑空调末端系统常规为:____________,5A级办公类型建筑空调末端系统常规为:____________,五星级类型建筑空调末端系统常规为:____________。
10、请按管径大小,简述空调水系统常用的管材种类及连接方式?11、请简述空调水系统及风系统常用的保温材料种类及其适用范围。
12、请简述在通风、空调系统中,哪些位置须安装防火阀。
13、请简述暖通空调系统中的设备、管道可采取哪些消声降噪措施。
14、请简述风机盘管的选型及安装要点。
15、请简述风冷热泵、VRV系统室外机、分体空调室外机等设备的安装要点。
上述设备在寒冷季节均会有制热量的衰减,可采取哪些措施进行补偿。
暖通空调设计任务书一、室内设计参数二、供热空调与通风设计要求2.1.1 冷源与热源1.商业部分冷源采用电制冷冷水机组,机组采用2 大1小配置。
空调水系统采用一次泵变流量系统。
影院采用风冷热泵机组。
商业下沉广场及一层外围零售店铺预留分体空调。
2. 商业采用市政热源换热后作为冬季热源,各换热系统与制冷系统合用机房。
影院与商业合用换热机组,单独计量。
3. 其它市政条件等待项目公司与市政供热部门对接后提供准确数据作为设计依据。
4. 水冷冷水机组宜选用满足国家《冷水机组能效限定值及能源效率等级》标准二级以上(含二级)认证的产品。
5. 电制冷机冷媒应采用环保型冷媒。
6. 制冷及供热机房宜尽量设置于负荷中心,以便减少冷媒输送距离。
7. 空调冷热水系统应设计具有过滤、缓蚀、阻垢功能的水处理设施。
空调热水及采暖水系统的补水总硬度大于 6mmol/L 时应进行软化处理。
8. 每台制冷机冷却水进出水管道宜设置冷凝器自动在线清洗装置,冷却水系统过滤器孔径不大于1.5mm,有效通过过滤面积大于连接管道截面积 3 倍。
9.冷却塔的安装范围为商业屋面。
10. 冷却塔选型按照对应制冷机组散热量确定。
11. 冷却塔应选用低噪声产品,集水盘有效容积应满足:(1) 湿润冷却塔填料所需水量,一般按照冷却塔小时循环水量的 1.5%考虑;(2) 停泵时靠重力流入的管道水容量。
12. 冷却水补水需设置不小于 2 小时高峰负荷储水量。
13. 冷却塔宜采用母管连接方式。
每组与制冷主机对应的冷却塔进出水口应设置电动开关蝶阀。
冷却塔各布水支管应设置调节用等百分比蝶阀,阀门设置见图 2.1.1.1。
多台冷却塔积水盘应设置平衡管联通。
14. 有冻结危险的地区,冬季运行的冷却塔应采取防冻措施,冷却塔填料及边框应为防冻型材料制作,其集水盘需设置电伴热及电加热设施,相关补水管,冷却水供回水管及阀门等亦应保温并设置电伴热。
15. 冷却水系统设计时应考虑过滤、缓蚀、阻垢、杀菌、灭藻等水处理措施。
暖通专业设计常见问题汇总
1. 风管系统设计中的风速选择问题:风速过高会增加系统的运行成本,风速过低会影响系统的运行效果。
2. 利用太阳能进行供暖的系统设计问题:如何合理利用太阳能进行供暖,并与传统的供暖系统进行衔接。
3. 地热系统设计问题:地热系统的设计需要考虑地热井的布置和深度、地热泵的选择和配套设备等问题。
4. 涂料选择问题:暖通系统中的管道和设备需要选择适合的涂料进行保护,以防止腐蚀和漏水。
5. HVAC系统节能设计问题:如何设计节能的暖通系统,包括采用高效设备、合理利用余热等方法。
6. 管道布局问题:暖通系统中的管道布局需要考虑到设备的安装位置、管道的连通性和维修保养等因素。
7. 空调系统设计问题:如何选择适当的空调系统、合理布置室内机和室外机等。
8. 通风系统设计问题:通风系统需要考虑到新风的供应、排气口的设置和噪音控制等问题。
9. 暖通系统与建筑结构的协调问题:暖通系统的设计需要与建筑结构进行协调,包括通风管道的穿越、设备的安装空间等。
10. 设备选型问题:根据项目的需求和气候条件,选择适合的暖通设备,包括散热器、换热器、风机等。
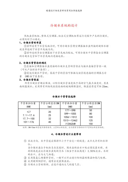
冷凝水系统的设计风机盘管机组、整体式空调器、组合式空调机组等运行过程中产生的冷凝水,必须及时予以排走。
1、冷凝水管的布置①若邻近有下水管或地沟时,可用冷凝水管将空调器接水盘所接的凝结水排放至邻近的下水管中或地沟内。
②若邻近的多台空调器距下水管或地沟较远,可用冷凝水干管将各台空调器的冷凝水支管和下水管或地沟连接起来。
2、冷凝水管管径的确定①直接和空调器接水盘连接的冷凝水支管的管径应与接水盘接管管径一致(可从产品样本中查得)。
②需设冷凝水干管时,某段干管的管径可依据与该管段连接的空调器总冷量(KW)按下表查得。
3、冷凝水管保温所有冷凝水管都应保温,以防冷凝水管温度低于局部空气露点温度时,其表面结露滴水。
采用带有网络线铝箔贴面的玻璃棉保温时,保温层厚度可取25mm。
冷凝水干管管径选择说明:DN=15mm的管道不推荐使用。
立管的公称直径,应与同等负荷的水平干管的公称直径相同。
4、冷凝水管设计注意事项①水流方向,水平管道应保持不小于千分之一的坡度;且不允许有积水部位。
当冷凝水盘位于机组负压区段时,凝水盘的出水口处必须设置水封,水封的高度应比冷凝水盘处的负压(相当于水柱高度)大50%左右。
水封的出口,应与大气相通。
③采用聚氯乙烯塑料管时,一般可以不必进行防结露的保温和隔汽处理。
④采用镀锌钢管时,通常应设置保温层。
⑤冷凝水立管的顶部,应设计通向大气的透气管。
⑥设计和布置冷凝水管路时,必须认真考虑定期冲洗的可能性,并应设计安排必要的设施。
水箱容积计算当95-70°C供暖系统 V=0.031Vc当110-70°C供暖系统 V=0.038Vc当130-70°C供暖系统 V=0.043Vc式中V——膨胀水箱的有效容积(即相当于检查管到溢流管之间高度的容积),L; Vc——系统内的水容量,L。
膨胀水箱设计安装要点膨胀水箱安装位置,应考虑防止水箱内水的冻结,若水箱安装在非供暖房间内时,应考虑保温。
暖通规范中关于各类常见风速的规定一、各类风口风速规定1、采暖风口1.1、采用热风采暖系统时,应遵守下列规定:送风口的送风速度V(m/s),应根据送风口的高度、型式及布置经过计算确定,当送风口位于房间上部时,送风速度宜取:V= 5~15m/s;当送风口位于离地不高处时,送风速度宜取:V =0.3m/s~0.7m/s;回风口的回风速度,宜取:V=0.3m/s。
来源:《全国民用建筑工程设计技术措施/暖通空调·动力》(2009年版)2.8.71.2、热风幕的送风速度:公共建筑的外门,风速不宜大于6 m/s,高大外门不应大于25m/s。
来源:《全国民用建筑工程设计技术措施/暖通空调·动力》(2009年版)2.8.152、送排回风口2.1、进风、排风口风速(m/s)来源:《全国民用建筑工程设计技术措施/暖通空调·动力》(2009年版)4.1.4.8来源GB50736-2012《民用建筑供暖通风与空气调节设计规范》6.6.4来源:GB50736-2012《民用建筑供暖通风与空气调节设计规范》6.6.52.4、厨房排风系统的风管风速不宜小于8m/s,且不宜大于10m/s;排风罩接风管的喉部风速应取4~5m/s。
来源:《全国民用建筑工程设计技术措施/暖通空调·动力》(2009年版)4.2.102.5、侧送和散流器平送的出口风速采用2m/s~5m/s。
孔板下送风的出口风速,从理论上讲可以采用较高的数值。
因为在一定条件下,出口风速较高时,要求稳压层内的静压也较高,这会使送风较均匀;同时,由于送风速度衰减快,对人员活动区的风速影响较小。
但当稳压层内的静压过高时,会使漏风量增加,并产生一定的噪声。
一般采用3m/s"'_'5m/s 为宜。
条缝形风口气流轴心速度衰减较快,对舒适性空调,其出口风速宜为2m/s~4m/s 。
喷口送风的出口风速是根据射流未端到达人员活动区的轴心风速与平均风速经计算确定。
暖通设计中风管风口风井风速的选取总结1.定义不同区域的风速要求:在进行风管风口风井风速的选取之前,需要先明确不同区域的风速要求。
根据不同的功能空间,如办公室、会议室、洗手间等,可以确定不同的设计风速要求。
2.考虑人员活动情况:人员的活动情况对于风速的要求有很大的影响。
如在办公室等静态工作区域,较低的风速可以提供较好的舒适度;而在洗手间等高湿度区域,高风速可以提高空气流动性,减少异味和湿度。
3.考虑空调系统的工况参数:在选择风速时需要考虑空调系统的工况参数。
如空调系统的供排风机的额定风量、扬程、风机静压等因素,这些因素直接影响风道和风口的风速。
4.考虑风口配置:不同类型的风口对风速要求也有所不同。
如采用密封风口的处所,相对较高的风速可以提高系统效果;而在开放式的风口处,较低的风速可以减少不必要的噪音和能耗。
5.考虑噪音要求:风速的选择还要考虑噪音要求。
较高的风速会增加系统的噪音,需采取一定的措施减少噪音;而较低的风速则相对不会产生明显的噪音。
6.考虑阻力损失:风速与阻力损失之间存在着一定的关系。
较高的风速会增加阻力损失,需要配备更大的风机和更高的功率;而较低的风速会降低阻力损失,减少系统能耗。
7.考虑漏风问题:较高的风速会增加漏风问题的产生,需要采取一定的措施减少漏风;而较低的风速相对不会产生明显的漏风问题。
在实际工程中,选择合适的风速需要综合考虑上述因素。
可以通过实验和模拟计算等手段来确定最佳的风速范围。
同时,风速的选取还需要符合相关的设计标准和规范。
总之,正确选择风管风口风井风速是保证室内空气质量和舒适度的重要因素。
在实际工程中,我们需要综合考虑不同的因素来确定最佳的风速范围。
这样可以有效地提高空调系统的性能,减少能耗和噪音,提供更好的室内环境质量。
暖通设计参数总结——风口风量参数 顶棚散流器送风量 l/s尺寸mm 送风流量m/s 1 1.5 2 2.5 3.75 5250*250 50 70 95 120 175 235300*300 70 100 135 170 255 340350*350 90 140 185 230 350 465400*400 120 180 240 295 440 590500*500 190 280 380 470 710 945600*600 270 410 545 680 1020 1360侧送风口的送风量 l/s送风口尺寸mm 送风口流速m/s 1.5 2 2.5 3.75 5250*100 30 40 50 70 95300*100 35 45 55 85 115400*100 45 60 75 115 150500*100 55 75 95 145 190600*100 70 90 115 170 230750*100 85 115 145 215 285900*100 100 135 170 255 340250*150 45 55 70 105 145300*150 50 70 85 130 170400*150 70 90 115 170 230500*150 85 115 145 215 285600*150 100 135 170 255 340750*150 130 170 215 320 430900*150 155 205 255 385 515400*200 90 120 150 230 305500*200 115 150 190 285 380600*200 135 180 230 340 455750*200 170 230 285 430 570900*200 205 275 340 415 685400*250 115 150 190 285 380500*250 145 190 240 355 475600*250 170 230 285 430 570750*250 215 285 355 535 715900*250 255 340 430 640 855530*300 170 230 285 430 570600*300 205 275 640 575 685750*300 255 340 430 640 855900*300 310 410 515 770 10301000*50 55 75 95 145 1901000*75 85 115 145 215 2851000*100 115 150 190 285 3801000*125 145 190 240 355 4751000*150 170 230 285 430 5701000*175 200 265 330 500 6651000*200 230 305 380 570 760送风风速标准一、百叶窗的推荐流速位置新风回风减湿器正面减温器旁通加热器旁通流速m/s 2.5~4 6~6 2~4 7.5~12 5~7.5二、不同送风方式的送风量指标和室内平均流送风方式单位地板面积的送风量l/s*m2 工作区平均流速m/s 换气次数1/h 侧送百叶风口3~6 0.13~0.18 7条形风口4~10 0.10~0.18 12局部孔板送风5~15 0.10~0.18 18顶棚散流器5~25 0.10~0.25 30顶棚孔板送风5~50 0.05~0.15 60三、低速风管系统的推荐和最大流速应用场合住宅公共建筑工厂推荐最大推荐最大推荐最大室外空气入口 2.5 4 2.5 4.5 2.5 8 空气过滤器 1.3 1.5 1.5 1.8 1.8 1.8 加热排管 2.3 2.5 2.5 3 3 3.5 冷却排管 2.3 2.3 2.5 2.5 3 3 淋水室 2.5 2.5 2.5 2.5 2.5 2.5 风机出口 6 8.5 9 11 10 14 主风管 4 6 6 8 9 11 支风管(水平)3 5 4 6.5 5 9 支风管(垂直)2.5 4 3.5 6 4 8 四、低速风管系统送风区域的最大允许流速应用场合以噪音控制主风管以摩擦阻力控制送风主管回风主管送风支管回风支管住宅 3 5 4 3 3 公寓、饭店房间 5 7.5 6.5 6 5 办公室、图书馆 6 10 7.5 8 6.1 大礼堂、戏院 4 6.5 5.5 5 4 银行、高级餐厅7.5 10 7.5 8 6 百货店、自助餐厅910 7.5 8 6 工厂12.5 15 9 11 7.5 五、逗留区流速与人体感觉的关系流速m/s 人体感觉0~0.08 不舒服,停滞空气的感觉0.127 理想,舒适0.127~0. 25 基本舒适0.33 不舒适,可以吹动薄纸0.38 对站立者为舒适感之上限0.38~1.52 用于工厂和局部空调六、逗留区之最大允许流速人体状态 长时间坐 短时间坐 轻工作 重工作应用 办公室 餐厅 商店轻工业 工厂、舞厅 冷却m/s 0.1 0.15 0.2 0.3 加热m/s 0.2 0.3 0.35 0.45七、回风格棚的推荐流速位置 近座位 逗留区以上 门下部 门上部 工业用 流速 m/s 2~3 3~4 4 3 >=4八、空调房间之允许最大送风温差送风方式 下列房间高度m 2 3 4 5 6侧送,大风量 6.5 8.3 10 12 14 侧送,小风量 9 11 13 15 17 顶棚散流器 9.5 16 17 18 18九、通风系列之流速系统 商业 工业低速 送风、最大流速 13 13送风、一般流速 6~11 11~13 回风、最大流速 10 13回风、一般流速 7.5~9 9~13高速、一般 13 13~25十、推荐的送风口流速应用场合 流速m/s播音室 1.5~2.5戏院 2.5~3.5住宅、公寓、饭店房间、教室 2.5~3.8私人办公室 2.5~4一般办公室 5~6电影室 5百货店、上层 7.5百货店、地下 10十一、以噪音标准控制的允许送风流速应用场合 流速m/s图书馆 1.75~2.5住宅,公寓,私人办公室,医院房间 2.5~4银行,戏院,教室,一般办公室,商店,餐厅 4~5工厂,百货公司,厨房 5~7.5。
暖通空调设计规范参考依据----f900f91a-715f-11ec-af2f-7cb59b590d7d其他回答共1条暖通空调设计规范的参考依据:目前,家用中央空调有如下四种基本方式:1.分体式多联机空调系统2、水源热泵空调系统3.风冷热泵冷热水机组加风机盘管空调系统4、分体式风管机空调系统。
为配合我院《住宅设计导则》的编制,加强设计质量管理,提高住宅设计质量,特制定本导则。
希望暖通专业的设计同志在试验过程中不断积累经验和数据,并反馈给总工办,以进一步完善本指南,力求完善,更好地为用户服务。
在准备过程中,我们征求了周江翔、顾席等同志的意见,并感谢高级工程师Wu youcho的审查。
家庭中央空调设计导则1.0.1为保证家用(商用)中央空调设计质量,使设计满足安全、适用、经济、卫生、环保的基本要求,特制定本导则。
1.0.2本导则适用于江苏省和上海市的夏热冬冷地区的各类住宅建筑,以舒适性要求为主,制冷量在7~80kw的家庭中央空调的设计。
1.0.3除本指南外,空调设计还应符合现行相关标准和规范的规定。
2.0.1家用(商用)中央空调用于住宅建筑和一般公共建筑。
制冷量在7-80kw之间。
这是一个舒适的空调系统,有集中的冷热源。
2.0.2空调风系统空气经过冷、热、过滤等处理的送风和回风系统。
3.1室外气象参数室外气象参数应根据《采暖、通风与空调设计规范》(gbj-19-87,2001年版)附录表和暖通空调气象数据集采用。
3.2室内空气质量3.2.1冬季室内空调计算参数应符合下列规定:温度18~22℃;室内工作区风速〈0.4m/s;新风换气次数1.0次/h;3.2.2夏季室内空调计算参数应符合下列规定:温度24~26℃;相对湿度〈65%;室内工作区风速〈0.5m/s;新风换气次数1.0次/h3.2.3室内空气中可吸入颗粒物浓度应小于0.15mg/m33.2.4通风与空调系统产生的噪声传至主要房间的噪声级应小于46db(a)。
暖通规范中关于各类常见风速得规定一、各类风口风速规定1、采暖风口1、1、采用热风采暖系统时,应遵守下列规定:送风口得送风速度V(m/s),应根据送风口得高度、型式及布置经过计算确定,当送风口位于房间上部时,送风速度宜取:V= 5~15m/s;当送风口位于离地不高处时,送风速度宜取:V =0、3m/s~0、7m/s;回风口得回风速度,宜取:V=0、3m/s。
来源:《全国民用建筑工程设计技术措施/暖通空调·动力》(2009年版)2、8、71、2、热风幕得送风速度:公共建筑得外门,风速不宜大于6 m/s,高大外门不应大于25m/s。
来源:《全国民用建筑工程设计技术措施/暖通空调·动力》(2009年版)2、8、152、送排回风口2、1、进风、排风口风速(m/s)注:风口风速应按实际有效面积计算,一般百叶风口得遮挡率取50%。
来源:《全国民用建筑工程设计技术措施/暖通空调·动力》(2009年版)4、1、4、82、2、自然通风系统得进排风口风速宜按下表采用:来源GB50736-2012《民用建筑供暖通风与空气调节设计规范》6、6、42、3、机械通风得进排风口风速宜按下表采用:来源:GB50736-2012《民用建筑供暖通风与空气调节设计规范》6、6、52、4、厨房排风系统得风管风速不宜小于8m/s,且不宜大于10m/s;排风罩接风管得喉部风速应取4~5m/s。
来源:《全国民用建筑工程设计技术措施/暖通空调·动力》(2009年版)4、2、102、5、侧送与散流器平送得出口风速采用2m/s~5m/s。
孔板下送风得出口风速,从理论上讲可以采用较高得数值。
因为在一定条件下,出口风速较高时,要求稳压层内得静压也较高,这会使送风较均匀;同时,由于送风速度衰减快,对人员活动区得风速影响较小。
但当稳压层内得静压过高时,会使漏风量增加,并产生一定得噪声。
一般采用3m/s"'_'5m/s 为宜。
排烟风口风速不宜大于10m/s 老火规9.4.6-6 (注意:如果是商场那种划分很多防烟分区的,排烟口的大小要用风量除以2再算,因为着火时是开两个风口)(注意:排烟口面积求出后,除以0.75的遮挡系数,即为排烟口面积)排烟补风的送风口按措施4.8.5机械补风口不宜大于10,公共聚集场所不宜大于5,自然补风口不宜大于39.3.6 机械加压送风防烟系统中送风口的风速不宜大于7m/s。
(老火规)风管如下(老火规):9.1.6 机械加压送风管道、排烟管道和补风管道内的风速应符合下列规定:1 采用金属管道时,不宜大于20m/s;2 采用非金属管道时,不宜大于15m/s。
但是有消声要求的,风管风速见暖规表10.1.5消防排烟风井和消防补风风井的风速多少合适?不大于15,10-15米左右比较合适。
没有不小于多少的固定,但是个人觉得小于5不太好。
按老防火规范9.1.6 9.1.6 机械加压送风管道、排烟管道和补风管道内的风速应符合下列规定:1 采用金属管道时,不宜大于20m/s;2 采用非金属管道时,不宜大于15m/s。
有时喉部风速为18什么的也没事,因为规范写的是不宜。
风井内的风速7~8一般,最大不超过10.不超过10主要是指排烟,报批稿要求排烟风井风速不超10,排风什么的可以稍微大点。
地下车库通风、空调风管内风速:民规条文说明81页6.6.3条,风速最高10.9.4.8 排烟风机的设置应符合下列规定:1 排烟风机的全压应满足排烟系统最不利环路的要求。
其排烟量应考虑10%~20%的漏风量;2 排烟风机可采用离心风机或排烟专用的轴流风机;3 排烟风机应能在280℃的环境条件下连续工作不少于30min;4 在排烟风机入口处的总管上应设置当烟气温度超过280℃时能自行关闭的排烟防火阀,该阀应与排烟风机连锁,当该阀关闭时,排烟风机应能停止运转。
新风送、排风风管风速:按措施64页表4.6.11.双百的遮挡系数一般取0.75。
暖通空调安装中的通风风管规范要求暖通空调系统的建设对于室内空气质量的保持和流通至关重要。
在进行空调安装时,通风风管的合理配置和规范要求是确保空气流通顺畅且质量良好的关键因素之一。
本文将向您介绍暖通空调安装中的通风风管规范要求。
一、风管材料选择通风风管的材料选择对于系统的性能和安全性有重要影响。
常见的通风风管材料包括镀锌钢板、不锈钢板和聚氨酯复合板。
在选择风管材料时,需要考虑其耐腐蚀性、耐高温性、密封性能以及成本等因素,并且要符合国家相关标准的规定。
二、风管尺寸设计风管尺寸设计是确保空气流通效果的重要因素。
在设计风管尺寸时,需要根据系统的风量、压力损失、噪音要求以及维护清洁等方面的要求进行综合考虑。
根据不同的场所和需求,采用合适的风管截面形状(如矩形、圆形等)和尺寸来满足系统的通风需求。
三、风管布置与连接在风管的布置与连接中,需要注意以下几个方面的规范要求:1. 风管的布置应便于安装、维修和清洁。
避免风管交叉布置,确保风管路径畅通无阻,以减少风压损失。
2. 风管的安装应牢固可靠,避免松动和漏风现象。
连接部分应采用密封胶垫或胶带等材料进行密封,确保风管系统的气密性。
3. 风管和其他设备(如空调机组、排风扇等)的连接要求应符合相关标准,确保连接处的密封性,避免漏风和噪音问题。
四、风管防火措施由于通风风管系统和空调系统通常在建筑物内穿越多个区域,因此,风管的防火措施至关重要。
根据国家相关标准,通风风管需要采取防火隔墙和防火卷帘等措施,并且需要定期检查和维护,确保其防火性能符合要求。
五、风管清洁与维护为了保证通风风管的正常运行和空气质量的良好,定期清洁和维护风管是必要的。
清洁应遵循相关标准和规范,采用专业的清洁设备和方法进行,确保风管内表面的清洁度和无菌性。
六、噪音控制在通风风管系统设计过程中,需要考虑噪音控制。
采取合适的风管尺寸和形状、安装噪音消声装置以及选择低噪音风机等措施可以有效减少系统运行时产生的噪音,提供良好的室内环境。